Информационная система
«Ёшкин Кот»

XXXecatmenu

ГОСТ Р МЭК 60238-99

ГОСУДАРСТВЕННЫЙ СТАНДАРТ РОССИЙСКОЙ ФЕДЕРАЦИИ

ПАТРОНЫ РЕЗЬБОВЫЕ ДЛЯ ЛАМП

ГОССТАНДАРТ РОССИИ

Москва

Предисловие

1 РАЗРАБОТАН И ВНЕСЕН Всероссийским научно-исследовательским, проектно-конструкторским светотехническим институтом им. С.И. Вавилова (ООО «ВНИСИ»)

2 ПРИНЯТ И ВВЕДЕН В ДЕЙСТВИЕ Постановлением Госстандарта России от 30 сентября 1999 г. № 321-ст

3 Настоящий стандарт представляет собой аутентичный текст международного стандарта МЭК 60238 (1998) «Патроны резьбовые для ламп»

4 ВВЕДЕН ВПЕРВЫЕ

СОДЕРЖАНИЕ

1 Общее. 1

2 Определения. 3

3 Общие требования. 4

4 Общие условия испытаний. 5

5 Нормируемые параметры.. 5

6 Классификация. 6

7 Маркировка. 7

8 Размеры.. 8

9 Защита от поражения электрическим током.. 10

10 Контактные зажимы.. 11

11 Заземление. 14

12 Конструкция. 15

13 Патроны с выключателем.. 18

14 Влагостойкость, сопротивление и электрическая прочность изоляции. 19

15 Механическая прочность. 21

16 Винты. Токоведущие детали и соединения. 24

17 Пути утечки и воздушные зазоры.. 25

18 Нормальная работа. 26

19 Общая термостойкость. 27

20 Термостойкость, огнестойкость и устойчивость к токам поверхностного разряда. 29

21 Защита от старения и коррозии. 31

Приложение А Испытание на старение и коррозию.. 31

Приложение В Соответствие стандартов МЭК государственным стандартам.. 44

ГОСУДАРСТВЕННЫЙ СТАНДАРТ РОССИЙСКОЙ ФЕДЕРАЦИИ

ПАТРОНЫ РЕЗЬБОВЫЕ ДЛЯ ЛАМП

Edison screw lampholders

Дата введения 2001-01-01

1 Общее

1.1 Область применения

Настоящий стандарт распространяется на патроны с резьбой Эдисона Е14, Е27 и Е40, предназначенные только для присоединения к сети питания ламп и ламп-светильников*.

* Требования к соответствующим патронам для ламп-светильников - в стадии обсуждения.

Стандарт также распространяется на патроны со встроенным выключателем, предназначенные для использования только в цепи переменного тока, рабочее напряжение которой не более 250 В действующего значения.

Настоящий стандарт распространяется на патроны с резьбой Е5, рассчитанные на присоединение к электрической сети последовательно соединенных ламп с рабочим напряжением не более 25 В, используемых внутри помещений, и патроны с резьбой Е10, рассчитанные на присоединение к электрической сети последовательно соединенных ламп с рабочим напряжением не более 60 В, используемых внутри или вне помещений.

Стандарт также распространяется на встраиваемые патроны Е10 для присоединения одиночных ламп к сети питания. Эти патроны не предназначены для розничной торговли.

Насколько возможно стандарт также охватывает иные, чем резьбовые, патроны, рассчитанные на присоединение к электрической сети последовательно соединенных ламп.

Примечание - Патроны этого типа используют, например, в елочных световых гирляндах.

Настоящий стандарт распространяется также на патроны, которые полностью или частично являются неотъемлемой частью светильника или предназначены для встраивания в приборы. Требования относятся только к патронам. Все другие требования, такие как защита от поражения электрическим током в месте контактных соединений или цоколей ламп, требования, относящиеся к прибору, должны быть соблюдены и проверены после встраивания в подходящее оборудование, когда оно испытывается по соответствующему стандарту. Такие патроны, так же как патроны, снабженные защелкивающимся наружным корпусом, предназначенные для использования в производстве светильников, не предназначены для розничной торговли.

Настоящий стандарт распространяется на патроны, используемые внутри или снаружи помещений как в жилых, так и в промышленных осветительных установках, а также на патроны для свечеобразных ламп.

Для специфических условий эксплуатации: освещение улиц, все виды транспорта, взрывоопасная среда, могут разрабатываться патроны специальных конструкций.

Примечания

1 Стандарт не распространяется на патроны типа E26d для ламп с тремя световыми потоками (с двумя телами накала).

2 Цоколи Е14, Е27 и Е40 используют для ламп, рассчитанных на ток не более 2, 4 и 16 А соответственно.

3 Если номинальное напряжение электрической сети не более 130 В, то максимальный ток для цоколя Е40 - 32 А (см. 4.5 и 5.3).

4 Если патроны используют в светильниках, то их максимальные рабочие температуры должны соответствовать указанным в МЭК 60598.

В настоящем стандарте методы испытаний выделены курсивом.

1.2 Нормативные ссылки

Настоящий стандарт содержит положения нижеследующих нормативных документов, на которые даны ссылки. На дату издания настоящего стандарта указаны действующие нормативные документы.

Все нормативные документы подвергаются пересмотру и частичным согласованным изменениям, поэтому необходимо учитывать возможность применения для настоящего стандарта более поздних изданий нормативных документов. Члены МЭК и ИСО ведут регистрацию действующих международных стандартов.

МЭК 60061 (все части) Цоколи и патроны для электрических ламп, а также калибры для проверки их взаимозаменяемости и безопасности

МЭК 60061-1 (1969)* Цоколи и патроны для электрических ламп, а также калибры для проверки их взаимозаменяемости и безопасности. Часть 1. Цоколи для ламп

МЭК 60061-2 (1969) Цоколи и патроны для электрических ламп, а также калибры для проверки их взаимозаменяемости и безопасности. Часть 2. Патроны для ламп

МЭК 60061-3 (1969) Цоколи и патроны для электрических ламп, а также калибры для проверки их взаимозаменяемости и безопасности. Часть 3. Калибры

МЭК 60068-2-20 (1979)* Испытания на воздействие внешних факторов. Часть 2. Испытания. Испытание Т. Пайка

МЭК 60068-2-32 (1975)* Испытания на воздействие внешних факторов. Часть 2. Испытания. Испытание Ed. Свободное падение

МЭК 60068-2-75 (1997) Испытания на воздействие внешних факторов. Часть 2. Испытания. Испытание Eh. Испытание молотком

МЭК 60112 (1979)* Метод определения сравнительного и контрольного индексов трекингостойкости твердых электроизоляционных материалов во влажной среде

МЭК 60227 (все части)* Кабели с поливинилхлоридной изоляцией на нормируемое напряжение до 450/750 В включительно

МЭК 60245 (все части)* Кабели с резиновой изоляцией на нормируемое напряжение до 450/750 В включительно

МЭК 60335-1 (1991) Безопасность электрических бытовых и аналогичных приборов. Часть 1. Общие требования

МЭК 60352-1 (1997) Соединения беспайные. Часть 1. Соединения накруткой беспайные. Общие требования. Методы испытаний и практическое руководство

МЭК 60399 (1972) Стандартные листы на круглую резьбу для патронов Е14 и Е27 с абажурным кольцом

МЭК 60417 (1973)* Графические символы, наносимые на аппаратуру. Указатель, обзор и набор отдельных листов

МЭК 60529 (1996)* Степени защиты, обеспечиваемые оболочками (КОД IP)

МЭК 60598 (все части и разделы) Светильники

МЭК 60598-1 (1996)* Светильники. Часть 1. Общие требования и испытания

МЭК 60664-1 (1992) Координация изоляции приборов для низковольтных систем. Часть 1. Принципы, требования и испытания

МЭК 60695-2* Испытания на пожаробезопасность. Часть 2. Методы испытаний

МЭК 60695-2-1/0 (1994) Испытания на пожаробезопасность. Часть 2. Методы испытаний. Раздел 1/лист 0. Методы испытаний раскаленной проволокой. Общее

МЭК 60695-2-1/1 (1994) Испытания на пожаробезопасность. Часть 2. Методы испытаний. Раздел 1/лист 1. Испытание раскаленной проволокой конечного продукта и руководство

МЭК 60695-2-2 (1991) Испытания на пожаробезопасность. Часть 2. Методы испытаний. Раздел 2. Испытание игольчатым пламенем

МЭК 61058-1 (1996) Выключатели для приборов. Часть 1. Общие требования

ИСО 4046 (1978) Бумага, картон, целлюлоза. Словарь

* Соответствие стандартов МЗК государственным стандартам указано в приложении В.

2 Определения

В стандарте использованы следующие определения.

Пояснения к некоторым определениям приведены на рисунке 18.

2.1 шнуровой патрон: Патрон с устройством для крепления гибкого шнура, на котором патрон может быть подвешен.

2.2 патрон с резьбовым вводом: Патрон, имеющий в месте ввода проводов деталь с резьбой, которая позволяет соединять патрон с сопряженной резьбовой деталью (прежнее название - ниппельный патрон).

2.3 фланцевый патрон: Патрон, конструкция которого позволяет устанавливать его с помощью присоединенного или выполненного заодно с ним фланца непосредственно на опорную поверхность или соответствующую полость.

2.4 встраиваемый патрон: Патрон, предназначенный для встраивания в светильник, в дополнительную оболочку или т.п.

2.4.1 незащищенный патрон: Встраиваемый патрон, конструкция которого требует дополнительных средств, например оболочки, для удовлетворения требованиям настоящего стандарта по защите от поражения электрическим током.

2.4.2 защищенный патрон: Встраиваемый патрон, конструкция которого удовлетворяет требованиям настоящего стандарта по защите от поражения электрическим током и степени защиты IP.

2.5 независимый патрон: Патрон, который может быть установлен отдельно от светильника, обеспечивая при этом необходимую степень защиты в соответствии с маркировкой.

2.6 сборка зажим/контакт: Деталь или сборка деталей, обеспечивающих электрическое соединение сетевых проводов и контактирующих поверхностей соответствующего цоколя лампы.

2.7 наружный корпус: Цилиндрическая деталь, защищающая потребителя от контакта с цоколем лампы. Она может иметь или не иметь наружную резьбу для крепления абажурного кольца.

2.7.1 защелкивающийся наружный корпус: Корпус, предназначенный для безвинтовой сборки и не содержащий резьбовой гильзы.

Примечание - Патрон не должен использоваться при снятом защелкивающемся наружном корпусе. Поэтому рекомендуется размещать знак соответствия, при наличии, таким образом, чтобы он не был виден при снятом защелкивающемся наружном корпусе.

2.8 резьбовая гильза: Цилиндрическая деталь с резьбой Эдисона на внутренней поверхности, предназначенная для удержания соответствующей лампы (цоколя). Она может быть выполнена заодно с наружным корпусом или постоянно закреплена на нем.

2.9 изолирующее кольцо: Промежуточная деталь из изоляционного материала, разделяющая металлические резьбовую гильзу и наружный корпус.

2.10 абажурное кольцо: Цилиндрическая деталь, имеющая внутреннюю резьбу или другой способ крепления на наружном корпусе патрона и предназначенная для фиксирования абажура.

2.11 донышко: Деталь шнурового патрона или патрона с резьбовым вводом, защищающая контактные зажимы.

2.12 основная изоляция: Изоляция токоведущих деталей, обеспечивающая основную защиту от поражения электрическим током.

Примечание - Основная изоляция не обязательно включает изоляцию, используемую исключительно в функциональных целях.

2.13 дополнительная изоляция: Независимая изоляция, применяемая в дополнение к основной и предназначенная для защиты от поражения электрическим током в случае повреждения основной изоляции.

2.14 двойная изоляция: Изоляция, включающая основную и дополнительную изоляцию.

2.15 усиленная изоляция: Единая система изоляции токоведущих деталей, обеспечивающая при определенных условиях защиту от поражения электрическим током, эквивалентную двойной изоляции.

Примечание - Термин «система изоляции» не предполагает, что изоляция должна представлять собой однородную деталь. Система может содержать несколько слоев, которые не могут быть испытаны отдельно как основная или дополнительная изоляция.

2.16 токоведущая деталь: Токопроводящая деталь, которая может стать причиной поражения электрическим током.

2.17 типовое испытание: Испытание или серия испытаний, проводимых на выборке для типовых испытаний с целью проверки соответствия конструкции конкретного патрона требованиям настоящего стандарта.

2.18 выборка для типовых испытаний: Выборка, состоящая из одного или нескольких идентичных образцов, представленная изготовителем или ответственным поставщиком для типовых испытаний.

2.19 лампа-светильник: Устройство, аналогичное разрядной лампе со встроенным ПРА, но рассчитанное на замену лампы и/или зажигающего устройства.

2.20 нормируемая рабочая температура: Наибольшая температура, на которую рассчитан патрон.

2.21 нормируемая минимальная температура: Наименьшая температура, на которую рассчитан патрон (только для патронов, предназначенных для использования в холодильниках и морозильниках).

3 Общие требования

Патроны должны быть сконструированы так, чтобы при нормальном использовании они надежно работали и не были причиной опасности для персонала или окружающей среды.

Проверку, как правило, осуществляют проведением всех указанных в настоящем стандарте испытаний.

Дополнительно оболочки независимых патронов должны соответствовать требованиям МЭК 60598-1, в том числе требованиям классификации и маркировки настоящего стандарта.

4 Общие условия испытаний

4.1 Испытания по настоящему стандарту являются типовыми.

Примечание - Требования и допуски, разрешенные настоящим стандартом, относятся к выборке, представляемой для типовых испытаний.

Соответствие выборки для типовых испытаний не означает, что вся продукция изготовителя удовлетворяет настоящему стандарту по безопасности.

Дополнительно к типовым испытаниям гарантией соответствия продукции является обязанность изготовителя проводить эксплуатационные испытаний для подтверждения качества.

4.2 При отсутствии других указаний испытания проводят при окружающей температуре (20 ± 5) °С, при этом патроны испытывают в состоянии поставки и установленными как для нормального использования.

4.3 В общем случае все испытания проводят на:

- девяти образцах - для патронов без выключателей или

- двенадцати образцах - для патронов с выключателем

в следующей последовательности:

три образца - разделы 1 - 12 (кроме 10.2) и 14 - 17;

три образца - раздел 13 (испытывают только патроны с выключателем);

три образца - разделы 18 и 19;

два образца - раздел 20 (один образец предназначен для испытания по 20.1, другой - по 20.3 или 20.4);

один образец - пункт 20.5 и раздел 21.

Примечание - Кроме того, для контроля безвинтовых контактных зажимов на соответствие 10.2 необходимы дополнительные образцы.

4.4 В случае сомнения калибры, испытательные цоколи и шаблоны ввинчивают в образцы, если нет иных указаний, с приложением следующих вращающих моментов, Н·м:

0,2 - для патронов Е5, Е10, Е14;

0,4 - для патронов Е27;

0,8 - для патронов Е40.

4.5 Испытания патронов Е40 с нормируемым током 32 А проводят при этом значении тока.

4.6 Патроны считают соответствующими требованиям настоящего стандарта, если все образцы выдержали испытания, указанные в 4.3.

Если один образец не выдержал хотя бы одно испытание, то проводят повторно это и предыдущие испытания, которые могли бы повлиять на его результаты, на новой выборке образцов, указанной в 4.3. В этом случае патроны должны выдержать как повторные, так и предыдущие испытания. Патроны считают не соответствующими требованиям настоящего стандарта, если отказало более одного образца.

Примечание - Как правило, достаточно повторить испытание, по которому получен отрицательный результат, кроме случая, когда образец не выдержал испытаний по разделам 18 и 19 или произошел отказ бокового или центрального пружинного контакта; в этом случае и то, и другое испытания повторяют на второй выборке из трех образцов.

Вместе с первой выборкой допускается направлять в испытательную лабораторию дополнительную выборку, которая может потребоваться, если один образец не выдержал испытаний. В этом случае лаборатория без дополнительного уведомления изготовителя или ответственного поставщика испытывает новую выборку, и может окончательно забраковать ее лишь при неудовлетворительных результатах повторных испытаний.

Если дополнительный комплект образцов не поставлен одновременно с первой выборкой, отказ в приемке производят в том случае, если не выдержал испытания один образец.

5 Нормируемые параметры

5.1 Нормируемые значения напряжения: 250, 500 и 750 В.

Для патронов Е14 и Е27 с выключателями допускается только нормируемое напряжение 250 В. Для патронов Е5 и Е10, предназначенных для подсоединения к сети питания последовательно соединенных ламп, нормируемое напряжение не должно превышать 25 и 60 В соответственно.

Примечание - Эти значения относятся к напряжению между частями различных фаз.

Для патронов Е10, предназначенных для подсоединения одиночных ламп к сети питания, допускается только нормируемое напряжение 250 В.

Примечание - Патроны Е10 могут быть использованы в таких особых случаях, когда при малом числе последовательно соединенных ламп напряжение на патроне превышает 60 В.

За исключением патронов Е5 и Е10 нормируемое напряжение должно быть не менее 250 В. Дополнительно допускается нормируемое напряжение 125 В для патронов Е40.

Проверку проводят внешним осмотром маркировки

5.2 Нормируемые значения силы тока, А:

0,2 - для патронов Е5;

0,5 - для патронов Е10, а также для патронов (с выключателем или без него), предназначенных для использования в холодильниках и морозильниках. Для таких патронов также допускается замена нормируемого тока на нормируемую мощность ламп, значения которой выбирают из ряда 10, 15 и 25 Вт;

2,0 - для патронов Е14, а также для патронов Е27 с выключателем;

4,0 - для остальных патронов Е27;

16,0 - для патронов Е40.

Нормируемый ток должен быть не менее значения, указанного в настоящем стандарте.

Проверку проводят внешним осмотром маркировки

5.3 Патроны Е40, используемые для электрических установок напряжением 125 В, могут дополнительно иметь нормируемое значение тока 32 А.

Примечание - Номинальное нормируемое напряжение 125 В охватывает все значения напряжения до 130 В включ.

Проверку проводят внешним осмотром маркировки.

5.4 Нормируемая рабочая температура патронов, предназначенных для использования в условиях повышенной температуры среды (патроны с маркировкой Т), должна быть не ниже: 140, 170 и 230 °С для патронов Е14, Е27 и Е40 соответственно.

Для патронов, предназначенных для установки в морозильных отделениях холодильников и морозильниках, нормируемая рабочая температура должна быть не менее 80º С.

Для патронов, предназначенных для установки вне морозильного отделения, применяют требования первого абзаца.

Примечание - Значения Т должны увеличиваться с кратностью 10 °С.

Проверку проводят внешним осмотром маркировки.

Примечание - Нормируемые рабочие температуры для резьбовых патронов без маркировки Т (согласно таблице 12.1 МЭК 60598-1): 135, 165 и 225 °С для патронов Е14, Е27 и Е40 соответственно.

6 Классификация

6.1 По материалу наружных деталей патроны подразделяют на:

- патроны из изоляционного материала;

- металлические.

Примечание - Патроны, наружные детали которых частично выполнены из металла, или патроны, наружные детали которых выполнены из изоляционного материала с внешним токопроводящим покрытием (например, металлизированный наружный корпус), относят к металлическим патронам (см. 12.3).

Это требование не распространяется на резьбовые вводы и наружные детали (например, металлическое абажурное кольцо, установленное на патроне из изоляционного материала), которые не могут оказаться под напряжением даже при повреждении изоляции. Металлические патроны с изоляционным покрытием относят к металлическим патронам (см. 9.5).

Для определения, является ли данная поверхность токопроводящей (например, с токопроводящим покрытием из серебряной краски), к ней прикладывают два электрода в виде пластинок шириной 1,5 мм, длиной 25 мм и расстоянием между ними 2 мм. Затем измеряют сопротивление изоляции в соответствии с 14.4. Поверхность считают токопроводящей, если сопротивление менее 5 МОм.

6.2 По степени защиты от воды патроны подразделяют на:

- обычные;

- каплезащищенные.

6.3 По способу крепления патроны подразделяют на:

- патроны с резьбовым вводом;

- шнуровые;

- фланцевые;

- другие патроны.

Примечание - Примером других патронов являются патроны, снабженные механическим стопорным устройством, таким как защелка.

6.4 По наличию выключателя патроны подразделяют на:

- патроны со встроенным выключателем для управления работой лампы;

- патрон без выключателя.

6.5 По защите от поражения электрическим током патроны подразделяют на:

- защищенные;

- незащищенные;

- независимые.

6.6 По термостойкости патроны подразделяют на:

- патроны со значениями нормируемой рабочей температуры, указанными в 5.4;

- патроны для работы в условиях повышенной температуры (патроны с маркировкой Т).

7 Маркировка

7.1. Патроны, кроме Е5 и Е10, должны иметь следующую маркировку:

- нормируемый ток в амперах; в случае патронов, предназначенных для использования в холодильниках и морозильниках, взамен допускается маркировка нормируемой мощности лампы. Если на таких патронах маркировка нормируемой мощности отсутствует, то они должны сопровождаться соответствующими инструкциями изготовителей. Если в маркировке содержится нормируемая мощность, то она должна располагаться так, чтобы ее нельзя было принять за маркировку мощности холодильника;

- нормируемое напряжение в вольтах и нормируемое импульсное напряжение в киловольтах, если оно выше, чем:

2,5 кВ для патронов с нормируемым напряжением 250 В,

4 кВ для патронов с нормируемым напряжением 500 В,

5 кВ для патронов с нормируемым напряжением 750 В;

- символ рода тока, если необходимо (только для патронов с выключателем);

- маркировку изготовителя (может быть в форме товарного знака, клейма изготовителя или наименования ответственного поставщика);

- обозначение типа;

- символ степени защиты от воды для каплезащищенных патронов (см. 7.2);

- нормируемую рабочую температуру Т, обозначающую наибольшую рабочую температуру, если она применяется. Для патронов, предназначенных для использования в морозильных отделениях холодильников и морозильниках, указывают нормируемую минимальную температуру, при которой могут находиться патроны (например, минус 30 °С).

Маркировка нормируемой рабочей температуры не требуется для патронов, наружные детали которых полностью изготовлены из керамики. Для таких патронов эту информацию, при необходимости, наносят на патрон или указывают в каталоге изготовителя.

Патроны Е10 должны иметь следующую маркировку:

- нормируемое напряжение в вольтах;

- марку изготовителя;

- обозначение типа;

- степень защиты от воды, если необходимо.

Патроны Е5 должны иметь следующую маркировку:

- марку изготовителя;

- обозначение типа.

Проверку проводят внешним осмотром.

Примечание - Обозначение типа для патронов Е10 и Е5 может быть заменено каталожным номером.

7.2 Для обозначения тока и напряжения используют буквы А и В.

Примечание - Как вариант могут быть использованы только цифры, при этом число, обозначающее нормируемый ток, ставят перед или выше числа, обозначающего нормируемое напряжение, или оба числа разделяют чертой.

Маркировка тока и напряжения может быть следующей:

2 А 250 В или 2/250, или

Символ постоянного тока  (см. МЭК 60417, лист 60417-МЭК-5031-а).

Символ степени защиты от воды каплезащищенных патронов: IPXI.

Примечание - Когда используют букву X в обозначении степени защиты, это означает, что числа в примере отсутствуют, но согласно МЭК 60529 должны маркироваться обе соответствующие цифры.

За буквой Т должно следовать значение нормируемой рабочей температуры в градусах Цельсия.

Проверку проводят внешним осмотром.

7.3 Символ степени защиты от воды должен быть нанесен на наружную поверхность патрона.

Проверку проводят внешним осмотром.

7.4 Заземляющий контактный зажим должен быть обозначен символом  (см. МЭК 60417, лист 60417-МЭК-5019-а).

Этот символ не должен наноситься на винты, съемные шайбы или легкосъемные детали.

Проверку проводят внешним осмотром.

7.5 Маркировка должна быть прочной и легкочитаемой.

Проверку проводят внешним осмотром и после испытания по разделу 19 легкими натираниями места нанесения маркировки в течение 15 с куском ткани, смоченным водой, а затем в течение 15 с - куском ткани, смоченным бензином.

После испытания маркировка должна быть по-прежнему читаема.

Примечание - В качестве растворителя бензина применяют гексан с максимальным содержанием ароматического углеводорода 0,1 % общего объема, 29 % каури-бутанола с начальной точкой кипения ~ 65º С, температурой полного испарения ~ 69 °С и плотностью ~ 0,68 г/см3.

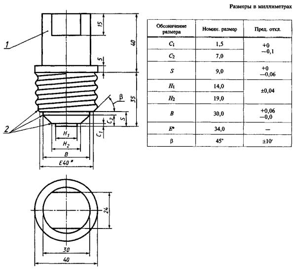
8 Размеры

8.1 Патроны Е10, Е14, Е27 и Е40 должны соответствовать последнему изданию стандартных листов МЭК 60061.

Проверка должна проводиться на соответствие последнему изданию стандартного листа 7005-20 МЭК 60061-2.

Минимальные размеры резьбы и размер X должны проверяться с помощью проходных калибров, соответствующих последнему изданию стандартных листов 7006-25 (для патронов Е10, Е14 и Е40), 7006-25А (для патронов Е27), и с помощью непроходного калибра, соответствующего последнему изданию стандартного листа 7006-26 МЭК 60061-3.

Резьба для абажурных колец на патронах Е14 и Е27 должна соответствовать последнему изданию МЭК 60399.

Проверка должна проводиться с помощью калибров, соответствующих последнему изданию МЭК 60399.

8.2 Патроны должны допускать установку соответствующих ламп для обеспечения контактирования.

Проверку проводят с помощью калибров по последнему изданию МЭК 60061-3 с учетом указаний, приведенных на следующих стандартных листах:

7006-30 и 7006-31 - для патронов Е14;

7006-30А и 7006-31 - для патронов Е14 для свечеобразных ламп;

7006-21 и 7006-22А - для патронов Е27;

7006-23 и 7006-24 - для патронов Е40.

До разработки калибров для патронов Е5 и Е10 проверку наличия у них контакта проводят с помощью соответствующих ламп. Изготовитель патрона предоставляет лампы, предназначенные для этого патрона.

Проверку наличия контакта проводят на патронах в состоянии поставки, а также после испытания по разделу 18 и 19.2.

8.3 Следующие размеры должны быть не менее значений, указанных в таблице 1.

Таблица 1 - Толщина резьбовых гильз и контактов

В миллиметрах

Толщина

Значения для патронов типов

Е5

Е10

Е14

Е27

Е40

Незакрепленная гильза

0,20

0,20

0,30

0,30

0,50

Гильза закрепленная в изоляционном материале на глубину, равную 3/4 ее окружности

0,15

0,15

0,25

0,25

0,40

Боковой или центральный пружинный контакт

0,18

0,18

0,28

0,38

0,48*

* Для патрона Е40 см. 12.11

Проверку проводят измерением.

Примечание - Толщину измеряют с помощью микрометра, снабженного наконечником и трещоткой.

При определении толщины резьбовой гильзы проводят две серии измерений, по три замера в каждой. Каждую серию измерений проводят на одной из двух образующих резьбовой гильзы. Среднее значение шести измерений должно быть не менее значения, указанного в таблице 1.

Примечание - Возможность отмены требований к этим размерам находится в стадии рассмотрения.

8.4 Рабочая длина резьбы, если она имеется, предназначенная для соединения корпуса с донышком патрона, при условии сопряжения донышка с корпусом не менее чем на одном полном витке резьбы, должна соответствовать одному из следующих требований:

- или рабочая длина резьбы должна быть не менее указанной в таблице 2,

- или на рабочей длине резьбы должно быть не менее двух полных витков при положительных результатах испытания по 15.3 и приложении вращающего момента, равного 1,2 значения момента, указанного в 15.2.

Таблица 2 - Минимальная рабочая длина резьбы

В миллиметрах

Вид патрона

Значения для патронов типов

Е14

Е27

Е40

Металлические патроны:

 

 

 

- с накатанной резьбой

5,0

7,0

10,0

- с нарезной резьбой

5,0

5,0

7,0

Патроны из изоляционного материала

5,0

7,0

10,0

Требование не распространяется на патроны Е5 и Е10.

Проверку проводят измерениями.

8.5 Резьбовые вводы патронов должны иметь резьбу:

М10×1 - для патронов Е14;

М10×1, М13×1 или М16×1 - для патронов Е27;

М13×1, М16×1 или G 3/8A - для патронов Е40.

Примечание - Резьба G3/8A непредпочтительна; кроме того, резьба М10×1 предназначена в основном для проводов внутреннего монтажа в светильнике.

Резьба ввода должна соответствовать указанной на рисунках или .

Требование не распространяется на патроны Е5 и Е10.

Проверку проводят измерением и с помощью калибров, указанных на рисунках или .

При сомнении калибр вводят в резьбовой ввод с приложением вращающего момента, равного 0,5 Н·м.

8.6 Размеры резьбовых вводов и стопорных винтов, при их наличии, должны быть не менее указанных в таблице 3.

Таблица 3 - Размеры резьбовых вводов и стопорных винтов

В миллиметрах

Размер

М10×1,

М16×1,

М13×1

G3/8A

Длина резьбы ввода:

 

 

- металлического

3,0

8,0

- из изоляционного материала

5,0

10,0

Диаметр стопорного винта:

 

 

- с головкой

2,5

3,0

- без головки для:

 

 

одного винта

3,0

4,0

более одного винта

3,0

3,0

Допустимое отклонение номинального значения диаметра резьбы - минус 0,15 мм.

Проверку проводят измерениями.

Требование не распространяется на патроны Е5 и Е10.

Примечание - При необходимости разборки патрона для проверки соответствия требованиям 8.3 - 8.6, эту проверку проводят после испытания по разделу 17.

8.7 Конструкция патронов должна обеспечивать свободное ввертывание и вывертывание ламп даже при наличии на их цоколях неглубоких вмятин. Во избежание повреждения цоколя ламп контакты патрона не должны иметь острых краев, соприкасающихся с цоколем.

Проверку проводят следующим испытанием:

- для патронов Е27 - с помощью калибров, соответствующих последнему изданию стандартного листа 7006-22В МЭК 60061-3;

- для патронов, отличных от Е27, - внешним осмотром.

9 Защита от поражения электрическим током

9.1 Патроны Е5, Е10, Е14 и Е27 должны быть рассчитаны так, чтобы цоколи ламп были недоступны для прикосновения в процессе ввертывания ламп.

Примечание - Подробности проверки соответствия требованию защиты от случайного прикосновения к токоведущим деталям в процессе ввертывания в патроны Е5 и Е10 - в стадии разработки. Патроны Е10 с нормируемым напряжением, превышающим 60 В, используются только производителями светильников или другого оборудования.

Для патронов Е10 с нормируемым напряжением, превышающим 60 В, защита от поражения электрическим током может быть обеспечена мерами безопасности, предпринятыми в светильнике или оборудовании, в которых патроны используют.

Патроны Е40 должны обеспечивать недоступность для прикосновения к цоколю только полностью ввернутой в патрон лампы.

Патроны для свечеобразных ламп испытывают без декоративной оболочки, за исключением случаев, когда без оболочки патрон явно не пригоден для нормального использования.

Проверку проводят:

- для патронов Е10 - с помощью соответствующих ламп и стандартного испытательного пальца по рисунку 16. Для этой проверки изготовитель патрона должен представить лампы, для которых предназначен патрон;

- для патронов Е14, Е27 и Е40 - с помощью калибров, соответствующих последнему изданию следующих стандартных листов МЭК 60061-3:

7006-31 - для патронов Е14;

7006-22А - для патронов Е27;

7006-24 - для патронов Е40.

9.2 Наружные детали защищенных и независимых патронов должны быть сконструированы так, чтобы токоведущие детали, установленные как для нормального использования, патронов с ввернутой соответствующей стандартной лампой, были не доступны для прикосновения.

Патроны для свечеобразных ламп испытывают без декоративной оболочки, за исключением случаев, когда без оболочки патрон явно не пригоден для нормального использования.

Проверку проводят с помощью стандартного испытательного пальца.

Для проведения испытания:

- защищенные патроны устанавливают как для нормального использования, например на трубку с резьбой или аналогичное приспособление, если применяется, и заряжают проводом наиболее неблагоприятного сечения, которое допускается применять в патроне;

- независимые патроны должны быть установлены как для нормального использования на соответствующую плоскую поверхность.

Стандартный испытательный палец (см. рисунок 16) прикладывают с силой 10 Н во всех возможных положениях, при этом наличие электрического контакта с токоведущими деталями фиксируют электрическим индикатором.

Рекомендуется использовать напряжение не менее 40 В.

Примечание - Незащищенные патроны испытывают только после их установки в светильник или дополнительную оболочку.

9.3 Детали, обеспечивающие защиту от случайного прикосновения к цоколю лампы, должны быть надежно закреплены для предотвращения их разъединения при вывинчивании плотно ввернутой лампы или случайном повороте рассеивателя, при его наличии.

Проверку проводят следующим испытанием.

Донышко соединяют с наружным корпусом с приложением вращающего момента, равного 2/3 от указанного ниже. Затем к испытуемым деталям прикладывают в направлении против часовой стрелки в течение 1 мин вращающий момент, равный 1 и 2 Н·м для патронов Е14 и Е27 соответственно.

Для проверки патрон устанавливают как для нормального использования и испытывают сначала с соответствующим испытательным цоколем, указанным на рисунке 13 (цоколь В) или 14, затем без него.

После испытания детали, обеспечивающие защиту от случайного прикосновения к цоколю лампы, не должны утратить защитное свойство.

Конструкция патронов Е5 и Е10 должна исключать возможность разборки их без помощи инструмента.

Требования для патронов Е40 - в стадии разработки.

9.4 Если необходимо, присоединение к патрону абажура осуществляют с помощью абажурного кольца. Недопустимо крепление абажура между деталями, обеспечивающими защиту от поражения электрическим током.

Проверку проводят внешним осмотром.

9.5 Наружные детали:

- каплезащищенных патронов;

- патронов на нормируемое напряжение более 250 В;

- патронов со встроенным выключателем и

- патронов Е5 и Е10

должны быть изготовлены из изоляционного материала, за исключением резьбовых вводов и деталей, которые не могут оказаться под напряжением даже в случае повреждения.

Лак и эмаль не считают обеспечивающими достаточную защиту в соответствии с данным требованием.

Проверку проводят внешним осмотром.

Примечания

1 Детали, отделенные от токоведущих деталей двойной или усиленной изоляцией, рассматривают как детали, которые не могут оказаться под напряжением при разрушении изоляции.

2 Примером наружной детали, которая не может оказаться под напряжением даже при разрушении изоляции, является металлическое абажурное кольцо, установленное снаружи патрона, изготовленного из изоляционного материала.

3 Патроны с выключателем могут иметь металлические наружные детали, указанные в 12.3.

10 Контактные зажимы

10.1 Патроны, кроме патронов с монтажными концами, должны иметь контактные зажимы, рассчитанные на присоединение проводов следующих номинальных площадей поперечного сечения:

- от 0,5 до 0,75 мм2 - для патронов Е10;

- от 0,5 до 1,0 мм2 - для патронов Е14 и Е27 с резьбовым вводом М10×1;

- от 0,5 до 2,5 мм2 - для остальных патронов Е27;

- от 1,5 до 4,0 мм2 - для патронов Е40, рассчитанных на нормируемый ток 16 А;

- от 2,5 до 6,0 мм2 - для патронов Е40, рассчитанных на нормируемый ток 32 А.

Проверку проводят внешним осмотром и присоединением проводов наименьшего и наибольшего из указанных сечений. Для шнуровых патронов, патронов Е10, Е14, а также патронов Е27 с резьбовым вводом М10×1 применяют гибкие многопроволочные провода; в остальных случаях - жесткие однопроволочные провода.

Патроны с резьбовым вводом испытывают на трубке с резьбой.

Примечание - Патроны Е27 с безвинтовыми контактными зажимами, предназначенные для использования только изготовителем светильников или оборудования, могут не полностью соответствовать требованиям по диапазону номинальных площадей поперечного сечения.

10.2 Соединения

10.2.1 Патроны должны иметь по крайней мере одно из следующих устройств присоединения:

- винтовые контактные зажимы;

- безвинтовые контактные зажимы;

- наконечники или шпильки для втычных соединений;

- выводы для монтажа провода накруткой;

- выводы для пайки;

- соединительные провода (концы).

Винты контактных зажимов и гайки должны иметь метрическую резьбу ИСО или резьбу с аналогичными шагом и механической прочностью.

К патронам Е5, Е10 и другим малогабаритным патронам провода могут присоединяться спайкой, сваркой, опрессовкой или другими эквивалентными эффективными способами.

Патроны с безвинтовыми контактными зажимами, если они не предназначены для продажи изготовителям светильников или другого оборудования, должны иметь контактные зажимы, обеспечивающие присоединение как жестких (одно- или многопроволочных) проводников, так и гибких кабелей или шнуров.

Проверку проводят испытаниями по 10.2.2.

10.2.2 Контактные зажимы должны отвечать следующим требованиям при условии, что требования к внутренней проводке относятся только к проводке внутри независимого патрона и светильника для встраиваемых патронов.

Все испытания контактных зажимов должны проводиться на отдельных образцах, которые не подвергались другим испытаниям:

- винтовые контактные зажимы - 10.3 - 10.6 и 10.8;

- безвинтовые контактные зажимы - разделу 15 МЭК 60598-1, при этом тепловые испытания проводят при нормируемой рабочей температуре патрона с допуском ±5 °С;

- наконечники или штырьки для втычных соединений - разделу 15 МЭК 60598-1;

- устройства для накрутки провода - МЭК 60352-1;

- накрутку провода осуществляют только на одиночную жесткую проволоку, размещенную внутри;

- выводы для пайки должны обеспечивать надежную спайку. Необходимые требования могут быть взяты из МЭК 60068-2-20;

- соединительные провода (концы) - 10.10.

10.3 Крепление контактных зажимов должно исключать их расшатывание при закреплении или ослаблении в них жилы провода.

Проверку винтовых контактных зажимов проводят внешним осмотром и 10-кратным затягиванием и ослаблением жилы провода наибольшего сечения, указанного в 10.1, при этом вращающий момент должен составлять 2/3 от указанного в разделе 14 МЭК 60598-1.

Примечание - Контактный зажим может быть защищен от расшатывания одним стопорным винтом, расположенным в пазу без свободного перемещения, или другим подобным устройством. Заливка компаундом без другого средства стопорения не обеспечивает достаточную защиту.

10.4 Конструкция винтовых контактных зажимов должна обеспечивать закрепление жилы провода без повреждения между двумя металлическими поверхностями с достаточным контактным нажатием. Конструкция контактных зажимов должна исключать возможность выдавливания жилы провода при затягивании винтов или гаек. Зажимы должны допускать присоединение жил проводов без специальной подготовки (например, пропаивание жил, использование кабельных наконечников, образование колец и т.д.).

Проверку проводят внешним осмотром жил проводов после их закрепления по 10.1 и испытания по 19.3.

Примечание - Жилы провода считают поврежденными, если на них имеются глубокие или острые порезы.

10.5 Контактные зажимы торцевого типа должны иметь размеры не менее указанных в таблице 4.

Таблица 4 - Минимальные размеры контактных зажимов торцевого типа

В миллиметрах

Тип патрона

Номинальный диаметр резьбы

Диаметр отверстия для жилы провода

Длина резьбы в торце

Е10, Е14, Е27

2,5

2,5

1,8

Е40

3,5

3,5

2,5

Примечание - Диаметр отверстия для жилы провода не должен более чем на 0,6 мм превышать диаметр винта.

Длина резьбы винта контактного зажима должна быть не менее суммы диаметра отверстия и длины резьбы в основании зажима.

Примечание - Длину резьбы в основании зажима измеряют до точки, где резьба прерывается отверстием для жилы провода.

Проверку проводят измерением.

10.6 Винтовые контактные зажимы должны иметь размеры не менее указанных в таблице 5.

Таблица 5 - Минимальные размеры винтовых контактных зажимов

В миллиметрах

Тип патрона

Номинальный диаметр резьбы

Длина резьбовой части винта

Длина резьбы гайки

Номинальная разница диаметров головки и резьбовой части винта

Высота головки винта

Е10

2,5

4,0

1,5

2,5

1,4

Е14

3,0

5,0

3,0

1,8

Е27

3,5

3,5

2,0

Е40

4,0

6,0

2,5

4,0

2,4

Разница между диаметром головки и резьбовой частью винта может быть уменьшена на 1 мм, если между головкой винта и жилой провода имеется промежуточная деталь, защищающая от проворачивания, например шайба или пластина.

Проверку проводят измерением.

Допускается отклонение от номинальных значений диаметра резьбы и разницы между диаметрами головки и резьбовой части винта минус 0,15 мм.

Примечание - При необходимости разборку патрона для проверки соответствия требованиям 10.5 и 10.6 проводят после испытания по разделу 17.

10.7 Расположение контактных зажимов, после правильного соединения проводов, должно исключать возможность случайного контакта между токоведущими деталями и доступными для прикосновения металлическими деталями.

Проверку проводят внешним осмотром и следующим испытанием.

Конец гибкого многопроволочного провода наименьшего сечения, указанного в 10.1, очищают от изоляции на длине 4 мм. Одну проволоку провода оставляют свободной, а остальные вводят и закрепляют в контактном зажиме патрона, собранного и установленного как для нормального использования (с затянутыми стопорными винтами и т.д.).

Свободную проволоку изгибают во всех направлениях без повреждения изоляции провода и резких изгибов вокруг изолирующих перегородок.

Свободная проволока провода, присоединенного к токоведущему контактному зажиму, не должна касаться металлических деталей, не находящихся под напряжением, а свободная проволока провода, присоединенного к заземляющему контактному зажиму, не должна касаться токоведущих деталей.

При необходимости испытание повторяют со свободной проволокой, отогнутой в другом положении.

Примечание - Требование, исключающее резкие изгибы вокруг перегородок, не означает, что свободная проволока при испытании все время должна быть натянутой. Более того, резкие изгибы производят, когда они могут иметь место при правильной сборке патрона (см. также 12.3).

10.8 Торцевые контактные зажимы, в которых конец провода не виден, должны иметь длину отверстия для винта контактного зажима, по крайней мере равную половине диаметра винта или 2,5 мм, в зависимости от того, что больше.

Проверку проводят измерением.

10.9 Контактные зажимы плавающей конструкции не должны иметь значительный свободный ход в поперечной плоскости и смещаться более чем на 3 мм в продольной плоскости при ввертывании и вывертывании лампы.

Проверку проводят измерением.

10.10 Требования 10.2 - 10.6 и 10.8 не распространяются на патроны, предназначенные для установки их предприятием-изготовителем в светильниках, а также имеющие соединительные провода (концы).

Патроны, предназначенные для установки предприятием-изготовителем в светильниках или для встраивания в оборудование, могут иметь соединительные провода (концы), втычные контактные зажимы или аналогичные приспособления.

Соединительные провода (концы) должны присоединяться к патрону пайкой, сваркой, опрессовкой или аналогичным способом.

Соединительные провода должны иметь изоляцию.

Свободный конец соединительного провода может быть зачищен от изоляции.

Крепление соединительных проводов к патронам должно выдерживать механические усилия, возникающие при нормальной эксплуатации.

Проверку проводят внешним осмотром и следующим испытанием, которое проводят после испытания по 19.2 на тех же трех образцах.

К каждому соединительному проводу в течение 1 мин без рывков прикладывают растягивающее усилие 20 Н в наиболее неблагоприятном направлении.

В процессе испытания соединительные провода не должны смещаться в месте их крепления.

После испытания патроны не должны иметь повреждений, нарушающих требования настоящего стандарта.

11 Заземление

11.1 Патроны с резьбовым вводом, шнуровые и фланцевые патроны, имеющие устройство для заземления и не снабженные соединительными проводами, должны иметь по крайней мере один внутренний заземляющий контактный зажим; другие патроны без резьбового ввода, например патроны для встраивания, могут иметь внешний заземляющий контактный зажим.

Проверку проводят внешним осмотром.

Примечание - Патроны, предназначенные для заземления, но не имеющие заземляющего контактного зажима или соединительных проводов, не подлежат розничной продаже.

11.2 Доступные для прикосновения металлические детали патронов без заземляющего контактного зажима, которые при нарушении изоляции могут оказаться под напряжением, должны иметь надежное соединение с заземлением.

Они должны иметь непрерывное заземление между металлическим донышком и наружной оболочкой, если она металлическая и не отделяется от токоведущих деталей двойной или усиленной изоляцией.

Примечание - При применении этого требования отдельные металлические небольшие винты и подобные детали для крепления оснований или крышек не относят к доступным для прикосновения деталям, которые могут оказаться под напряжением даже при нарушении изоляции.

Проверку проводят следующим испытанием.

Жесткий провод наименьшего сечения, для которого предназначен патрон, закрепляют в заземляющем контактном зажиме, если он предусмотрен.

Если также будет проверяться непрерывность заземления между донышком и наружным корпусом, соединение между этими деталями должно осуществляться с вращающим моментом, равным 1, 2 и 4 Н м для патронов Е14, Е27 и Е40 соответственно.

Непосредственно после испытаний по 14.3 измеряют сопротивление изоляции между устройством заземления и донышком (или наружным корпусом, что подходит).

Доя патронов с заземляющим контактным зажимом местом заземления является точка зажима соединительного шнура, а для патронов без заземляющего контактного зажима - точка, выполняющая роль заземляющего соединения.

Ток не менее 10 А от источника питания с напряжением холостого хода не более 12 В пропускают последовательно между заземляющим контактным зажимом или заземляющим контактом и каждой доступной для прикосновения металлической деталью.

Измеряют падение напряжения между местом заземления и доступной для прикосновения металлической деталью.

Сопротивление, рассчитанное по значениям падения напряжения и току, не должно превышать 0,1 Ом.

11.3 Заземляющие контактные зажимы должны соответствовать требованиям раздела 10.

Детали заземляющего контактного зажима, предназначенные для фиксации провода, должны быть надежно защищены от случайного ослабления, исключать возможность отвинчивания винтов зажимов без применения инструмента и быть защищены от случайного ослабления безвинтовых контактных зажимов.

Проверку проводят внешним осмотром и испытаниями по разделу 10.

Примечание - В основном конструкции токоведущих контактных зажимов, отвечающих требованиям настоящего стандарта, имеют достаточную гибкость, чтобы обеспечить соответствие последнему требованию; для других конструкций может возникнуть необходимость принятия дополнительных мер, как, например, использование специальных деталей достаточной гибкости для предотвращения самопроизвольного ослабления зажима.

11.4 Металл, из которого изготовляют заземляющий контактный зажим, не должен подвергаться коррозии в результате контакта с медным заземляющим проводом.

Винт или корпус заземляющего контактного зажима должен быть изготовлен из латуни или другого не менее коррозионностойкого металла, а контактные поверхности должны быть зачищены до металла.

Проверку проводят внешним осмотром.

Примечание - Наиболее вероятно возникновение коррозии при контактировании меди с алюминием.

11.5 Металлические детали устройства защиты проводов от натяжения и скручивания, включая зажимные винты устройства, должны быть изолированы от цепи заземления.

Проверку проводят внешним осмотром.

12 Конструкция

12.1 Для удержания лампы патроны должны иметь резьбу Эдисона.

Патроны, за исключением Е5 и Е10, должны иметь непрерывную резьбу в металлической гильзе, при этом минимальная длина гильзы должна соответствовать последнему изданию стандартного листа 7005-20 МЭК 60061-2 или удовлетворять следующим требованиям.

Примечание - Требования к минимальной длине резьбовой гильзы патронов Е5 и Е10 - в стадии разработки.

Допустимо отступление от требования для металлической резьбы, если конструктивные и технологические допуски обеспечивают проверку патронов всеми калибрами в течение срока службы патрона. Другие сведения по данному вопросу будут приведены в приложении «Инспекционные испытания», которое разрабатывается.

Кроме того, конструкция и расположение комплекта зажим/контакт и резьбовой гильзы должны исключать их перекос или прокручивание, приводящие к невозможности нормального использования патрона.

Допустимо отступление от требования непрерывности резьбы, если необходимо дополнительное усовершенствование, например наличие прорези в гильзе для дополнительной фиксации лампы.

Проверку проводят внешним осмотром и испытанием соответствующими калибрами, указанными в разделе 8, которые устанавливают во всех возможных положениях с небольшим усилием; патрон должен выдерживать испытания калибрами, в особенности калибром-щупом 0,08×5,0 мм.

Кроме того, должна быть исключена возможность повреждения горловины колбы стандартной лампы при ее ввертывании и вывертывании.

12.2 Донышко патрона должно иметь достаточное пространство для сетевых проводов. Детали патрона, к которым возможно прикосновение изолированных проводов, не должны иметь острых кромок или такую конфигурацию, которые могут вызвать повреждение изоляции.

Патроны с резьбовым вводом должны иметь дополнительное устройство, ограничивающее глубину ввода трубки в него, если конструкция патрона не предусматривает этого решения, как, например, в патронах для свечеобразных ламп.

Проверку проводят внешним осмотром и пробным монтажом, во время которого патрон заряжают гибкими проводами или шнурами наибольшего сечения, указанного в 10.1 для патронов Е14 и Е27 с резьбой ввода М10×1, и проводами сечением на одну ступень меньше наибольшего для остальных патронов Е27 и Е40.

Для шнуровых патронов, патронов Е14 и Е27 с резьбой ввода М10×1 применяют гибкий провод в обычной оболочке, во всех остальных случаях - два или три провода с однопроволочной жилой с полихлорвиниловой изоляцией.

В донышко патрона с резьбовым вводом ввинчивают трубку длиной около 10 см. Затем провода вводят через трубку в донышко. После обычной подготовки (снятие изоляции и скручивание многопроволочной жилы) концы проводов закрепляют в контактных зажимах патрона. По возможности это выполняют так, чтобы расположение детали, на которой располагают контактные зажимы, обеспечивало расстояние не менее 10 мм от верхней кромки донышка до контактного зажима.

В этом положении провода туго натягивают и фиксируют на свободном конце трубки. Патрон собирают.

После разборки патронов провода и шнуры не должны иметь повреждений.

Примечания

1 Метод испытания патронов Е27 и Е40 с проводами наибольшего сечения, указанного в 10.1, - в стадии разработки.

2 Требование, исключающее наличие острых кромок, не распространяется на края резьбового ввода, так как после установки патрона на трубку они не соприкасаются с проводами.

При сомнении для проверки устройства, ограничивающего ввод трубки в резьбовой ввод, патрон навинчивают на стальную трубку или стержень с плоскими торцами и закругленными кромками. Резьба на конце трубки или стержня должна быть непрерывной с минимальными размерами, указанными на рисунках или .

После этого в течение 1 мин прикладывают вращающий момент, равный Н·м:

1,0 - для резьбового ввода М10×1;

1,3 - для резьбового ввода М13×1;

1,6 - для резьбовых вводов М16×1 и G3/8A.

Трубка или стержень не должны входить в пространство, предусмотренное для сетевых проводов в донышке патрона, а сам патрон не должен иметь повреждений, препятствующих его дальнейшему использованию.

12.3 Доступные для прикосновения детали патронов с выключателем должны быть изготовлены из изоляционного материала кроме случаев, когда конструкция патрона исключает возможность соприкосновения находящегося под напряжением проводника, случайно освободившегося из контактного зажима, с доступными для прикосновения металлическими деталями или деталями цепи заземления, а также исключает возможность замыкания токоведущих деталей с доступными для прикосновения металлическими деталями, включая заземляющие контактные зажимы, в результате ослабления винтов контактных зажимов или стопорных винтов резьбового ввода.

Проверку проводят внешним осмотром.

Примечание - Требование не означает необходимость применения сплошной или частичной изолирующей перегородки.

12.4 В патронах с металлическими резьбовой гильзой и наружным корпусом должна быть исключена возможность соприкосновения этих деталей друг с другом с помощью изоляционного кольца, которое не должно отделяться без применения инструмента.

Проверку проводят внешним осмотром.

Примечание - Защиту изолирующим кольцом считают достаточной, если высота его приблизительно равна высоте резьбовой гильзы.

12.5 Патроны с резьбовым вводом должны иметь в донышке устройство для защиты донышка от проворачивания на трубке. Устройство должно быть управляемо изнутри, за исключением патронов с боковым вводом.

Требование не распространяется на патроны Е5 и Е10.

Проверку проводят внешним осмотром.

12.6 Шнуровые патроны и патроны, предназначенные для соединения в гирлянду, должны иметь устройство для крепления патрона на гибком шнуре или проводе, обеспечивающее защиту жил шнура (провода) в контактных зажимах от натяжения и скручивания, а также закрепление наружной оболочки шнура (провода) внутри патрона и защиту ее от истирания. Способ защиты шнуров (проводов) от натяжения и скручивания должен быть очевидным.

Должна быть исключена возможность ввода гибкого шнура (провода) в патрон на такую глубину, на которой он (они) подвергался (лись) бы воздействию чрезмерных механических или тепловых нагрузок.

Недопустимо завязывать шнур (провода) узлом или перетягивать его (их) тесьмой.

Устройство должно быть изготовлено из изоляционного материала или иметь жестко закрепленную изолирующую прокладку, чтобы при повреждении изоляции шнура (провода) доступные для прикосновения металлические детали не оказались под напряжением.

Конструкция устройства должна обеспечивать:

- наличие по крайней мере одной детали, закрепленной на патроне или выполненной с ним заодно;

- возможность присоединения гибких шнуров (проводов) различных типов, для работы с которыми предназначен патрон;

- отсутствие чрезмерного сжатия шнура (проводов);

- сохранность устройства при затягивании или ослаблении, как при нормальном использовании.

Устройство должно допускать присоединение гибких шнуров следующих типов: 60245 МЭК 51, 60245 МЭК 53 или подобный 60227 МЭК 52.

Проверку проводят внешним осмотром и следующим испытанием.

Патрон через защитное устройство заряжают гибким шнуром (проводами). Шнур (провода) вводят в контактные зажимы и винты контактных зажимов слегка затягивают так, чтобы шнур (провода) не мог (не могли) легко изменить свое положение.

Гибкий провод (шнур) подвергают 100-кратному воздействию усилия, значение которого указано в таблице 6. Усилие прикладывают без рывков в течение 1 см.

Сразу после этого гибкий провод (шнур) подвергают в течение 1 мин воздействию вращающего момента, значение которого указано в таблице 6.

Таблица 6 - Значения усилия натяжения и вращающего момента

Общее номинальное сечение проводов или жил шнура, мм2

Натяжение, Н

Вращающий момент, Н·м

Общее номинальное сечение проводов или жил шнура, мм2

Натяжение, Н

Вращающий момент, Н·м

До 1,5 включ.

60

0,15

Св. 3 до 5 включ.

80

0,35

Св. 1,5 до 3 включ.

60

0,25

     "    5   "   8       "

120

0,35

Патроны испытывают с каждым из соответствующих типов шнуров согласно МЭК 60245 или МЭК 60227.

Вначале испытание проводят с проводами (шнурами) наименьшего сечения, указанного в 10.1, а затем с проводами (шнурами) наибольшего сечения, допускаемого устройством для подвески, или наибольшего сечения, указанного в 10.1, выбирая из них меньшее сечение.

Патроны для последовательного соединения в гирлянду испытывают со шнурами, на которые они рассчитаны. Шнур подвергают 50-кратному воздействию растягивающего усилия 30 Н. Испытание на скручивание не проводят.

Во время испытания защитное устройство не должно повреждать гибкий шнур. После испытания шнур не должен сместиться более чем на 2 мм, а его концы не должны заметно сдвинуться в контактных зажимах.

Для измерения продольного смещения перед началом испытания на шнуре делают отметку на расстоянии ~ 2 см от защитного устройства. В конце испытания измеряют смещение отметки от защитного устройства.

12.7 Устройства подвески защищенных и независимых патронов не должны иметь доступных для прикосновения металлических деталей, которые могут оказаться под напряжением даже при разрушении патрона; кроме того, это устройство, ввинчиваемое в патрон с резьбовым вводом, должно соответствовать требованиям 12.2.

Проверку проводят внешним осмотром и испытанием по 12.6.

12.8 Фланцевые патроны, не предназначенные специально для встраивания, должны иметь полость для сетевых проводов. Полость должна иметь следующие минимальные размеры для того, чтобы обеспечить ввод изоляционной трубки перпендикулярно монтажной поверхности патрона:

- высота - 7 мм;

- длина - равная диаметру или ширине фланца;

- ширина - 16 мм с переходом в окружность диаметром 23 мм в центре полости.

Проверку проводят измерением.

Требование не распространяется на патроны Е5 и Е10.

12.9 Фланец фланцевых патронов, не предназначенных специально для встраивания, должен допускать крепление винтами диаметром не менее 4 мм.

Проверку проводят калибром по рисунку 3. При этом штифт вводят в отверстие фланца с тыльной стороны, а втулку насаживают на штифт с лицевой стороны.

Втулка должна входить в углубление для головки винта.

Требование не распространяется на патроны Е5 и Е10.

12.10 Если устройство кабельного ввода (вводов) расположено на доступной внешней поверхности фланцевого патрона, необходимо обеспечить возможность введения кабеля с оболочкой, трубки или муфты и т.д. с тем, чтобы создать механическую защиту на расстоянии не менее 1 мм от наружной поверхности фланцевого патрона.

Проверку проводят измерением и пробным монтажом по 10.1.

12.11 Контакты должны быть предназначены и сконструированы так, чтобы они обеспечивали в течение нормальной эксплуатации эффективный и надежный электрический контакт.

Функционирование контактов не должно зависеть от функционирования блокировочного устройства между донышком и наружным корпусом патрона.

Патроны Е40 новых конструкций должны иметь токоведущую резьбовую гильзу.

Примечание - Проблемы контактирования с существующими цоколями ламп показывают, что токоведущая резьбовая гильза является практически единственно правильным решением.

Проверку проводят внешним осмотром и испытанием по 19.2.

Примечание - Допускается применять один боковой контакт.

12.12 Патроны не должны быть смонтированы со штепсельными розетками. Проверку проводят внешним осмотром.

12.13 Устройства, шунтирующие тело накала лампы, не должны быть составной частью патрона.

Проверку проводят внешним осмотром и, при необходимости, испытанием.

13 Патроны с выключателем

13.1 Выключатели допускается встраивать только в нормальные патроны Е14 и Е27, рассчитанные на напряжение до 250 В включ.

Проверку проводят внешним осмотром.

13.2 Патроны с выключателем должны отвечать конструктивным требованиям 12.3 и дополнительным требованиям 13.3 - 13.5.

13.3 Выключатели в патронах должны обеспечивать включение и отключение нагрузки в виде лампы накаливания или лампы со встроенным ПРА, предназначенной для установок общего освещения.

Проверку проводят следующими испытаниями.

Выключатели в патронах Е14 и Е27 испытывают на рабочую температуру 100 и 125 °С соответственно.

Выключатели в патронах, предназначенных для использования в холодильниках или морозильниках, должны испытываться на нормируемую рабочую температуру.

Выключатели в патронах с температурной маркировкой испытывают на рабочие температуры минус 40 и 50 °С для патронов Е14 и Е27 соответственно.

Выключатели испытывают при переменном токе (cos j = 0,6 ± 0,05) при значении напряжения 1,1 от нормируемого и значении тока 1,25 от нормируемого.

Выключатели должны нормально функционировать в течение 200 включений и выключений с частотой 30 перемещений в минуту с одинаковым интервалом.

Затем выключатели испытывают при переменном токе (cos j = 1) при нормируемых значениях напряжения и тока.

Выключатели должны нормально функционировать в течение 20000 включений и выключений с частотой 30 перемещений в минуту с одинаковым интервалом.

Примечание - Замена вышеприведенного испытания на соответствующее испытание по МЭК 61058-1 - в стадии рассмотрения.

После испытания патрон должен быть проверен на соответствие сопротивления и электрической прочности изоляции требованиям 14.3 и сохранять удовлетворительную работоспособность.

13.4 Конструкция патронов с выключателем должна исключать возможность случайного контактирования подвижных деталей выключателя с сетевыми проводами.

Проверку проводят испытанием по 10.1 и испытанием вручную.

13.5 Элементы конструкции выключателя должны быть надежно изолированы от токоведущих частей и при его повреждении или разрушении не должны их касаться.

Проверку проводят внешним осмотром и испытанием по 13.3.

13.6 Выключатели в патронах, предназначенных для использования в холодильниках и морозильниках, могут испытываться с лампой соответствующей мощности, нормируемой для патрона.

14 Влагостойкость, сопротивление и электрическая прочность изоляции

14.1 Оболочки каплезащищенных патронов должны обеспечивать необходимую степень защиты от попадания воды.

Проверку проводят следующим испытанием.

Патроны заряжают соответствующим кабелем или трубопроводом.

Фланцевые патроны устанавливают на вертикальной поверхности так, чтобы одно из сливных отверстий, если оно есть, было внизу и открыто. Патроны других видов устанавливают вертикально, отверстием для ввода лампы вниз.

Испытание проводят с помощью устройства, принцип действия которого показан на рисунке 17; вода в виде капель должна вертикально капать на поверхность испытуемого патрона с высоты 200 мм от верхнего края патрона достаточно равномерно с интенсивностью от 3 до 5 мм/мин.

Продолжительность испытания - 10 мин. Температура воды, используемой при испытании, должна быть (15 ± 10) °С.

Непосредственно после испытания проверяют электрическую прочность патронов по 14.4 и наличие воды в патроне.

Примечание - Следует считать, что вода попала в патрон в значительном количестве, если она соприкасается с токоведущими деталями.

В случае если резьбовая гильза оказывается под напряжением только при ввертывании лампы, ее не относят к токоведущим деталям.

14.2 Кабельные вводы каплезащищенных патронов должны обеспечивать присоединение сетевых проводов так, чтобы капли воды, стекающие по проводам, не могли попасть внутрь патрона.

Проверку проводят внешним осмотром.

14.3 Патроны должны быть устойчивы к воздействию влаги, которая может быть при их нормальной эксплуатации.

Проверку проводят испытанием на влагостойкость в соответствии с настоящим пунктом и сразу же после этого проводят проверку сопротивления и электрической прочности изоляции по 14.4.

Кабельные вводы (при наличии) открывают, если есть выламываемые отверстия, то одно из них выламывают.

Испытание на влагостойкость проводят в камере влажности при относительной влажности воздуха 91 - 95 %. Температура воздуха в месте расположения образцов должна быть t = [(20 - 30) ± 1] °С.

До помещения в камеру влажности образцы выдерживают при температуре от t до (t + 4) °С.

Патроны выдерживают в камере влажности в течение:

2 сут (48 ч) - для обычных патронов;

7 сут (168 ч) - для каплезащищенных патронов степени защиты IPX1.

Примечания

1 В большинстве случаев образцы могут быть доведены до необходимой кондиции выдержкой при температуре от t до (t + 4) °С не менее 4 ч до испытания.

2 Относительную влажность 91 - 95 % создают путем использования в камере влажности насыщенного водного раствора сульфата натрия (Na2SO4) или нитрата калия (KNO3). Для создания указанной относительной влажности необходимо обеспечить внутри камеры непрерывную циркуляцию воздуха и, по возможности, использовать камеру с теплоизоляцией.

Результаты испытания считают удовлетворительными, если патроны не имеют повреждений, приводящих к нарушению требований настоящего стандарта.

14.4 Сопротивление и электрическая прочность изоляции должны обеспечиваться:

a) между токоведущими деталями различных фаз;

b) между токоведущими деталями различных фаз и наружными металлическими деталями, включая крепежные винты фланца или корпуса фланцевых патронов и доступные соединительные винты;

c) между внутренними и наружными поверхностями изолирующих прокладок металлических корпусов, если эти прокладки необходимы в соответствии с 12.3 для обеспечения электробезопасности или если расстояние между любой токоведущей деталью и металлическим наружным корпусом меньше значений, указанных в 17.1, таблица 11, графа 4.

Проверку проводят измерением сопротивления изоляции и испытанием электрической прочности изоляции сразу же после проверки на влагостойкость в камере влажности или в помещении, в котором образцы были доведены до предписанной температуры.

Сопротивление изоляции измеряют через 1 мин после приложения напряжения постоянного тока ~ 500 В.

Сопротивление изоляции измеряют последовательно:

a) между токоведущими деталями различных фаз;

b) между токоведущими деталями различных фаз, соединенными вместе, и корпусом;

c) между доступными для прикосновения металлическими деталями и металлической фольгой, контактирующей с внутренней поверхностью изолирующей прокладки (при ее наличии).

Под термином «корпус», используемом в перечислении b), понимают наружные металлические детали, крепежные винты донышка и корпуса, доступные соединительные винты, а также металлическую фольгу, контактирующую с наружными изолирующими деталями.

Измерения, указанные в перечислениях a) и b), проводят сначала на патроне, в который ввернут испытательный цоколь по рисунку 11, а затем на патроне без испытательного цоколя.

Выключатель, при его наличии, переводят в положение «включено».

Металлическая фольга, если она применяется при испытании патрона без испытательного цоколя, должна контактировать с металлической гильзой, если она нетоковедущая.

Сопротивление изоляции должно быть не менее:

2 МОм - при измерении по перечислению а);

4 МОм - во всех остальных случаях.

Непосредственно после измерения сопротивления изоляции между теми же частями, что и при измерении сопротивления изоляции, в течение 1 мин прикладывают напряжение переменного тока практически синусоидальной формы частоты 50 или 60 Гц, действующее значение которого равно (2U + 1000) В, где U - нормируемое напряжение. Для патронов с выключателем это напряжение прикладывают, кроме того, между токоведущими деталями различных фаз и другими металлическими деталями при включенном и выключенном положениях выключателя.

Доя патронов Е5 и Е10 с нормируемым напряжением, не превышающим 60 В, напряжение, прикладываемое при проверке электрической прочности изоляции между токоведущими частями различных фаз, должно быть снижено до 500 В.

Сначала прикладывают не более половины указанного испытательного напряжения, а затем его быстро доводят до полного значения.

В процессе проверки не должно произойти пробоя изоляции или перекрытия по поверхности.

При замыкании выходных контактных зажимов трансформатора после доведения испытательного напряжения до указанного значения трансформатор высокого напряжения, применяемый при этой проверке, должен обеспечить значение выходного тока не менее 200 мА.

Реле максимального тока не должно отключаться при токе менее 100 мА.

Погрешность измерения действующего значения испытательного напряжения ±3 %.

Тлеющий разряд, не вызывающий заметного падения напряжения, не учитывают.

15 Механическая прочность

15.1. Патроны должны обладать механической прочностью и выдерживать нагрузки, возникающие при установке лампы, а также при навинчивании патрона на трубку.

Проверку проводят испытаниями по 15.2 - 15.7.

Примечание - Патроны для свечеобразных ламп, фланцевые патроны и аналогичные устройства для монтажа или крепления патронов не входят в предмет рассмотрения настоящего пункта. Механическая прочность таких устройств должна соответствовать стандартам на оборудование, для которого предназначен патрон.

15.2 Механическую прочность наружного корпуса, резьбовой гильзы и донышка фланца проверяют ввинчиванием испытательного цоколя в образец с приложением в течение 1 мин следующих вращающих моментов, Н·м:

0,3 - для патронов Е5, Е10;

0,5 - для патронов Е14 свечеобразных ламп с креплением за резьбовой ввод;

1,2 - для патронов Е14 свечеобразных ламп с креплением за наружный корпус и остальных патронов Е14;

2,0 - для патронов Е27;

4,0 - для патронов Е40.

Размеры испытательных цоколей приведены в таблице 7.

Таблица 7 - Размеры испытательных цоколей

В миллиметрах

Тип патрона

Размер S*

Диаметр центрального контакта

Е14

5,5

4,8

Е27

9,5

9,5

Е40

11,0

14,0

* См. рисунки 13 - 15.

Размеры испытательного цоколя для патронов Е5 и Е10 разрабатываются. В настоящее время испытание проводят с цоколем, имеющим размеры цоколя лампы, для которой предназначен патрон.

Испытание проводят дважды: один раз образец закрепляют за наружный корпус, второй раз - за резьбовой ввод, донышко или фланец, в зависимости от типа патрона.

После окончания испытания образец не должен иметь повреждений, препятствующих его дальнейшему нормальному использованию.

15.3 Образец крепят за донышко или фланец и к наружному корпусу прикладывают в течение 1 мин вращающий момент, значение которого указано в 15.2, для затягивания резьбового соединения между корпусом и донышком.

Испытание не должно вызывать ослабления резьбового соединения между донышком и корпусом или каких-либо повреждений.

Испытание не проводят на патронах Е5 и Е10.

15.4 Донышко патронов с резьбовым вводом навинчивают на латунную трубку как для нормального использования, стопорные винты затягивают с вращающим моментом, указанным в 16.1, таблица 10, и проверяют надежность фиксации резьбового ввода приложением в течение 1 мин вращающего момента, указанного в 15.2, против часовой стрелки.

Крепление резьбового ввода на латунной трубке не должно ослабляться.

Однако если происходит ослабление крепления, то стопорный винт подтягивают приложением минимального, необходимого для предотвращения ослабления крепления, вращающего момента, и его значение регистрируют.

Примечание - Практически достаточно увеличить затягивающий вращающий момент на ~20 %

Минимальное значение затягивающего вращающего момента регистрируют для испытания по 16.1.

Примечание - Для испытаний по 15.2 - 15.4 рекомендуется использовать установку, указанную на рисунке 6.

15.5 Механическую прочность соединения донышка с резьбовым вводом проверяют на установке, указанной на рисунке 12.

Образец крепят за резьбовой ввод в горизонтальном положении. В патрон ввинчивают шаблон, имеющий резьбу с максимальными размерами, принятыми МЭК для цоколей ламп, и соответствующий рисунку 12, и в течение 1 мин нагружают как указано на рисунке 12. Отклонение конца шаблона не должно быть более 5 мм.

Образец не должен иметь повреждений. При появлении остаточных деформаций образец устанавливают в первоначальное положение и проверку повторяют пять раз. После этого образец не должен иметь повреждений, препятствующих его дальнейшему нормальному использованию.

Проверку патронов для свечеобразных ламп не проводят.

15.6 Механическую прочность наружного корпуса из изоляционного материала с токопроводящей наружной поверхностью или без нее, а также изоляционных колец между резьбовым корпусом и наружной оболочкой металлических патронов проверяют с помощью маятниковой ударной установки, указанной в МЭК 60068-2-75, со следующими дополнениями (см. 3.9 МЭК 60068-2-75):

a) Способ монтажа

Образец должен быть закреплен на фанерном листе монтажного приспособления таким образом, чтобы его ось была горизонтальна и параллельна опоре, а его внешний край касался фанеры.

Примечание - Для патронов с формой, отличной от цилиндрической, условие параллельности осей листу фанеры может быть достигнуто соответствующими сосновыми клиньями (прокладками).

b) Высота падения

Ударный элемент должен падать с высоты, указанной в таблице 8.

Таблица 8 - Высота падения ударного элемента

Материал деталей (частей) патрона

Высота падения, мм

Номин.

Пред. откл.

Керамические детали

100

±1,0

Части из другого материала

150

±1,5

Патроны для свечеобразных ламп, испытываемые без декоративных крышек, стаканов, должны быть испытаны при высоте падения ударного элемента 100 мм.

c) Число ударов

Четыре удара должны быть нанесены в точки, равномерно разнесенные по окружности внешнего края корпуса и кольца.

Для патронов из изоляционного материала удар должен быть нанесен по внешнему краю наружного корпуса. Для металлических патронов удар наносят по наружному корпусу в месте расположения изоляционного кольца между резьбовой оболочкой и наружной поверхностью.

Для патронов свечеобразных ламп, указанных в перечислении b), наносят по одному удару в двух точках, смещенных по окружности на 90°. Удары должны наноситься на расстоянии 5 мм от наружного края патрона.

d) Предварительные условия

Не применяют.

e) Первоначальные измерения

Не применяют.

f) Позиции и места ударов

См. вышеуказанное перечисление с).

g) Рабочий режим и контроль функционирования

Образец не должен работать во время испытания на удар.

h) Приемка и критерии отбраковки

После испытаний не должны появиться вызывающие опасность дефекты образца, нарушающие требования настоящего стандарта, в частности:

1) Токоведущие детали не должны быть доступны.

Повреждения патрона, которые не снижают пути утечки и воздушные зазоры ниже значений, указанных в разделе 17, и мелкие осколки, которые не влияют на защиту от поражения электрическим током и проникновения воды, не принимают во внимание.

2) Трещины, не видимые невооруженным глазом, и поверхностные трещины в отливках из армированного волокна и подобных им деталей не принимают во внимание.

Трещины или отверстия в наружной поверхности любой части патрона не принимают во внимание, если патрон соответствует требованиям настоящего стандарта даже без этой части.

i) Восстановление

Не применяют.

j) Окончательные измерения

(См. перечисление h).

Механическую прочность патронов Е5 и Е10 проверяют испытанием на свободное падение по МЭК 60068-2-75.

Патроны Е5 и Е10 должны выдержать без повреждений, влияющих на безопасность, 50 падений на стальную плиту толщиной 3 мм с высоты 500 мм во вращающемся с частотой 5 об/мин барабане, что соответствует 10 падениям в минуту.

Примечание - Механическая прочность патронов, используемых в светильниках или другом оборудовании, может быть проверена с помощью пружинного молотка, указанного в МЭК 60068-2-75. Используемая при испытании энергия удара в МЭК 60598-1 варьируется от 0,2 до 0,7 Н·м, в зависимости от состава материала и типа светильника.

15.6.1 Дополнительно для патронов, снабженных защелкивающимся наружным корпусом, проводят следующие испытания.

Усилия нажатия и натяжения прикладывают посредством массы 5 кг к наружному корпусу вдоль оси патрона в течение 1 мин.

После этого испытания наружный корпус должен оставаться в положении, для которого он предназначен.

Должно быть исключено смещение наружного корпуса при приложении во всех возможных положениях стандартного испытательного пальца с усилием 30 Н.

15.7 Для металлических патронов проверку механической прочности металлических наружных деталей (наружный корпус и донышко) проводят на установке, указанной на рисунке 9.

Разные детали испытывают на собранном патроне. К каждой детали дважды в течение 1 мин прикладывают усилие, значение которого указано в таблице 9. Усилие прикладывают в двух диаметрально противоположных точках. Испытание не проводят на наружных корпусах и донышках из изоляционного материала с наружным токопроводящим покрытием.

Во время и после испытания деформация образца не должна превышать значений, указанных в таблице 9.

Таблица 9 - Максимальное значение деформации

Тип патрона

Усилие, Н

Максимальная деформация, мм

Во время испытания

После испытания

Е14

75

1

0,3

Е27

100

2

Е40

4

0,5

Испытание не проводят на патронах Е5 и Е10 и аналогичных малых патронах.

15.8 Уплотняющие вводы и сальники должны выдерживать механические нагрузки, возникающие при нормальном монтаже и эксплуатации.

Проверку проводят следующим испытанием.

В резьбовые сальники вставляют металлический цилиндрический штырь, диаметр которого округлен до целого числа миллиметров и равен меньшему внутреннему диаметру уплотнения ввода. Затем ввод затягивают гаечным ключом с усилием 30 и 20 Н для металлических и пластмассовых сальников соответственно. Силу прикладывают в течение 1 мин с плечом рычага 25 см.

После испытания вводы, сальники и корпуса не должны иметь повреждений.

15.9 Конструкция фланцевых патронов должна исключать возможность их повреждения при монтаже.

Проверку проводят следующим испытанием.

Фланцы патронов крепят на жестком плоском стальном листе с помощью винтов диаметром, мм:

3 - для патронов Е10;

4 - для остальных патронов.

Винты постепенно затягивают с максимальным вращающим моментом, Н·м:

0,5 - для винтов диаметром 3 мм;

1,2 - для винтов диаметром 4 мм.

Эти требования не применяют к патронам Е5.

Испытание фланцевых патронов, специально предназначенных для встраивания, проводят с помощью устройства, указанного изготовителем патрона.

После испытания фланцевый патрон не должен иметь повреждений, препятствующих его дальнейшему использованию.

16 Винты. Токоведущие детали и соединения

16.1 Винты и механические соединения, повреждение которых может нарушить безопасность патрона, должны выдерживать механические нагрузки, возникающие при нормальном использовании.

Проверку проводят внешним осмотром и следующим испытанием.

Примечание - Резьбовые соединения частично проверены испытаниями по разделу 15.

Винты для присоединения патронов, завинчивают и отвинчивают:

- 5 раз - для винтов, ввинчиваемых в металлическую резьбу;

- 10 раз - для винтов, ввинчиваемых в изоляционном материале с помощью динамометрической отвертки, создающей вращающий момент, значение которого указано в таблице 10, кроме стопорных винтов, затягиваемых с приложением вращающего момента, указанного в 15.4. Значения, указанные в графе 1, распространяются на винты без головки, которые в завинченном состоянии не выступают из отверстия. Графа 2 распространяется на остальные винты. Винты, ввинчиваемые в резьбу в изоляционном материале, каждый раз полностью ввинчивают и вывинчивают.

В процессе испытания не должно возникать повреждений, препятствующих дальнейшему использованию резьбовых соединений.

Таблица 10 - Значения вращающего момента

Номинальный диаметр винта, мм

Вращающий момент, Н·м

Номинальный диаметр винта, мм

Вращающий момент, Н·м

1

2

1

2

До 2,8 включ.

0,2

0,4

Св.  5,3 до 6,0 включ.

-

2,5

Св. 2,8 до 3,0 включ.

0,25

0,5

  "    6,0  "   8,0      "

-

8,0

  "    3,0  "    3,2      "

0,3

0,6

  "    8,0  "   10,0    "

-

17,0

  "    3,2  "    3,6      "

0,4

0,8

  "    10,0    "          12,0   "

-

29,0

  "    3,6  "    4,1      "

0,7

1,2

  "    12,0    "          14,0   "

-

48,0

  "    4,1  "    4,7      "

0,8

1,8

  "    14,0    "          16,0   "

-

114,0

  "    4,7  "    5,3      "

0,8

2,0

 

 

 

Примечание - К винтам, применяемым для соединений в патронах, относят, например, винты крепления крышек, которые должны ввинчиваться для образования соединения и т.п. Исключение составляют соединения с трубной резьбой и винты для крепления патронов.

Форма лезвия испытательной отвертки должна соответствовать шлицу испытуемого винта. Винт ввинчивают плавно, без рывков.

16.2 Винты, ввинчиваемые в резьбу в изоляционном материале, должны иметь длину резьбы не менее 3 мм плюс 1/3 номинального диаметра винта, но не более 8 мм.

Необходимо обеспечить правильное введение винта в соответствующую резьбу.

Проверку проводят внешним осмотром, измерениями и вручную.

Примечание - Требование правильности введения винта считают выполненным, если он вводится без перекоса, что обеспечивается наличием направляющих на закрепляемых деталях, применением утопленной в гайке резьбы или винтов со снятой начальной частью резьбы.

16.3 Конструкция электрических соединений должна исключать передачу контактного нажатия через изоляционный материал, исключая керамику, кроме случаев, когда металлические детали обладают достаточной упругостью для компенсации возможной усадки изоляционного материала.

Не допускаются винты из мягкого или подверженного текучести металла, такого как цинк или алюминий.

Винты, передающие контактное нажатие, и винты номинальным диаметром менее 3 мм, применяемые для соединений в патронах, должны ввинчиваться в металлическую гайку или вставку. Требование не распространяется на стопорные винты.

Проверку проводят внешним осмотром.

16.4 Винты и заклепки, служащие как для электрических, так и механических соединений, должны быть предохранены от ослабления.

Проверку проводят внешним осмотром и вручную.

Примечания

1 Защиту от ослабления может обеспечить пружинная шайба. Для заклепок достаточно, чтобы они имели нецилиндрическую форму или выступ.

2 Заливочные массы, размягчающиеся при нагревании, обеспечивают надежную защиту только тех винтовых соединений, которые не развинчиваются при нормальной эксплуатации.

16.5 Токоведущие детали должны быть изготовлены из меди, сплава с содержанием меди не менее 50 % или материала с равноценными свойствами.

Требование не распространяется на нетоковедущие винты и винты контактных зажимов.

Проверку проводят внешним осмотром и, при необходимости, химическими анализами.

Испытания по разделам 18 и 21 показывают, насколько токоведущие детали близки по свойствам медным в части электропроводности, механической прочности и коррозионной стойкости, чтобы нормально функционировать.

Примечание - Особое внимание следует уделять защите от коррозии и поддержанию механических свойств.

17 Пути утечки и воздушные зазоры

17.1 Значения путей утечки и воздушных зазоров должны быть не менее указанных в таблице 11, при этом патрон должен быть заряжен как для нормального использования с ввернутой лампой или без нее.

Диаметр центрального контакта цоколя лампы должен быть 2,4; 3,8; 5,5; 10,5 и 16,0 мм для патронов Е5, Е10, Е14, Е27 и Е40 соответственно.

Перемещение любой подвижной детали в патроне должно быть ограничено, чтобы пути утечки или воздушные зазоры были не менее требуемых значений.

Примечание - Значения, приведенные в таблице 11, относятся к категории свойств изоляции в соответствии с МЭК 60664-1 и степени загрязнения 2, при которых нормально происходит только нетокопроводящее загрязнение, но иногда возможно осаждение проводящих загрязнений. Другие категории изоляции или более высокие степени загрязнения, не приведенные в таблице 11, - в стадии рассмотрения.

Таблица 11 - Минимальные расстояния для переменного (50/60 Гц) тока синусоидального напряжения

Расстояния

Рабочее напряжение, В

50

150

250

500

750

Минимальные значения, мм

1 Между токоведущими деталями различной полярности, и

 

 

 

 

 

2 Между токоведущими деталями и наружными металлическими частями, не закрытыми изоляционным материалом (включая винты фланцевых патронов):

 

 

 

 

 

- пути утечки изоляции:

 

 

 

 

 

PTI ³ 600

0,6

1,4

1,7

3,0

4,0

PTI < 600

1,2

1,6

2,5

5,0

8,0

- воздушные зазоры, см 4)

0,2

1,4

1,7

3,0

4,0

3 Для фланцевых патронов*:

 

 

 

 

 

- между токоведущими деталями и монтажной поверхностью, а также

 

 

 

 

 

- между токоведущими деталями и границей полости для сетевых проводов фланцевых патронов, не предназначенных для встраивания

0,5

3,2

3,6

4,8

6,0

* Принимают с учетом возможных неровностей монтажной поверхности.

Примечание - Значения путей утечки и воздушных зазоров для промежуточных значений рабочих напряжений можно определить с помощью линейной интерполяции.

Примечание - Информация по стандартным значениям для патронов специального типа дана в разделе 5.

1) PTI (индекс устойчивости к токам поверхностного разряда) - в соответствии с МЭК 60112.

2) В случае путей утечки нетоковедущих частей или частей, не предназначенных для заземления, где исключено появление тока поверхностного разряда, значения, указанные для материала с РТI ³ 600, должны применяться для всех материалов (несмотря на реальный PTI).

Для путей утечки, находящихся под воздействием рабочих напряжений продолжительностью менее 60 с, значения, указанные для PTI ³ 600, должны применяться для всех материалов.

3) Для путей утечки, неподверженных оседанию пыли или влаги, должны применяться значения, указанные для материалов с РТI ³ 600 (независимо от реального PTI).

4) Воздушные зазоры между токоведущими частями и резьбовой гильзой, если эта гильза не находится под напряжением, когда лампа удалена, должны быть не менее 2 мм.

Примечание - Металлические фиксирующие устройства (см. 9.3) для соединения между донышком и наружным корпусом рассматривают с учетом следующего:

- если фиксирующее устройство является частью центрального контакта, применяют воздушные зазоры согласно перечислению 1);

- если фиксирующее устройство является частью бокового контакта (ов), применяют перечисление 4);

- если фиксирующее устройство является самостоятельной частью, оно должно располагаться внутри так, чтобы не укорачивать любые другие регламентируемые расстояния.

Таблица 12 - Минимальные расстояния для несинусоидальных импульсных напряжений

Нормируемое импульсное напряжение (максимальное), кВ

2,0

2,5

3,0

4,0

5,0

6,0

8,0

Минимальный воздушный зазор, мм

1,0

1,5

2,0

3,0

4,0

5,5

8,0

Если происходит воздействие и синусоидального, и несинусоидального напряжений, минимальное значение зазора должно быть не менее наибольшего значения из обеих таблиц 11 и 12.

Пути утечки должны быть не менее чем необходимые минимальные значения воздушного зазора.

Минимальные пути утечки и воздушные зазоры между токоведущими частями различной полярности уменьшают на 1 мм для патронов Е5 и на 2 мм для патронов Е10, предназначенных для последовательного соединения ламп (максимальное нормируемое напряжение 25 и 60 В для патронов Е5 и Е10 соответственно).

Проверку проводят измерениями поочередно с сетевыми проводами наибольшего сечения по 10.1, подключенными к контактным зажимам, и без проводов.

Для патронов, предназначенных для использования в холодильниках и морозильниках, должны соблюдаться требования раздела 29 МЭК 60335-1.

17.2 Заливочная масса не должна выступать за пределы соответствующей полости.

Проверку проводят внешним осмотром.

18 Нормальная работа

При нормальной эксплуатации не должно возникать чрезмерного износа или других повреждений патрона.

Должны быть исключены значительные повреждения изоляции и устройства защиты от поражения электрическим током. Изолирующие прокладки, перегородки и подобные детали должны иметь достаточную механическую прочность и быть прочно закреплены.

Повышенная температура и вибрация, которые могут возникать при формальной эксплуатации, не должны приводить к ослаблению электрических соединений.

Проверку проводят следующим испытанием.

Образец устанавливают на испытательной установке, указанной на рисунке 4. Соответствующий испытательный цоколь по рисунку 5 должен 100 раз ввинчиваться и вывинчиваться с частотой примерно 15 раз в минуту.

В первых 50 циклах испытаний патрон, в зависимости от типа, закрепляют за резьбовой ввод, донышко или фланец, а в остальных 50 циклах - за корпус.

Испытательный цоколь ввинчивают с приложением вращающих моментов, равных 0,4; 1,0; 1,5 и 3,0 Н • м для патронов Н14 свечеобразных ламп, Е14 остальных видов, Е27 и Е40 соответственно.

После испытания образец не должен иметь:

- износа, препятствующего дальнейшему использованию патрона;

- повреждений, ухудшающих защиту от поражения электрическим током;

- ослабления электрических контактов;

- ослабления крепления корпуса с донышком;

- ослабления стопорного винта резьбового ввода.

Кроме того, образец должен соответствовать требованиям 8.2 и выдерживать проверку электрической прочности изоляции по 14.4, при этом испытательное напряжение уменьшают на 500 В в каждом случае.

Примечание - Перед проверкой электрической прочности изоляции испытание на влагостойкость по разделу 14 не проводят.

Требование не распространяется на патроны Е5 и Е10.

19 Общая термостойкость

19.1 Патроны должны иметь достаточную термостойкость.

Проверку проводят испытаниями по 19.2 - 19.4.

19.2 Испытания патронов

Для патронов Е27

Патрон сначала проверяют калибрами, соответствующими последним изданиям стандартных листов 7006-22С и 7006-22D МЭК 60061-3.

После этого в патрон, смонтированный согласно своему предназначению, ввинчивают сплошной (предпочтительно из нержавеющей стали) испытательный цоколь (см. рисунок 14) с приложением вращающего момента 1,5 Н·м. Затем патрон с ввинченным цоколем закрепляют в вертикальном положении (так, чтобы вес цоколя не воздействовал на держатель) и помещают в камеру тепла, имеющую температуру ~ 85 °С.

Температуру повышают до 175 °С в течение (60 ± 15) мин. Для патронов, являющихся составной частью светильника, испытательная температура должна быть равна температуре патрона, измеренной согласно 12.4.2 МЭК 60598-1, плюс 10 °С, с предельным отклонением ±5 °С.

После достижения и стабилизации температуры через патрон в течение 48 ч пропускают ток, равный нормируемому для этого патрона.

Если патроны предназначены для использования в холодильниках и морозильниках, которые имеют маркировку мощности лампы, за нормируемый принимают ток 0,5 А.

После этого патрон извлекают из камеры тепла и охлаждают без испытательного цоколя в течение 24 ч.

Повторяют проверку калибрами 7006-22С и 7006-22D.

Патрон должен соответствовать этим калибрам.

Для патронов E14

Сплошной (предпочтительно из нержавеющей стали) цоколь В (см. рисунок 13) ввинчивают в патрон, смонтированный согласно своему предназначению, с приложением вращающего момента 1 Н·м.

Патрон с ввинченным цоколем закрепляют в вертикальном положении (так, чтобы вес цоколя не воздействовал на держатель) и помещают в камеру тепла, имеющую температуру ~ 70 °С.

Температуру повышают до 145 °С в течение (60 ± 15) мин.

Для патронов, являющихся составной частью светильника, испытательная температура должна быть равна температуре патрона, измеренной согласно 12.4.2 МЭК 60598-1, плюс 10 °С, с предельным отклонением ±5 °С.

После достижения и стабилизации температуры через патрон в течение 48 ч пропускают ток, равный нормируемому для этого патрона.

Если патроны предназначены для использования в холодильниках и морозильниках, которые имеют маркировку мощности лампы, за нормируемый принимают ток 0,5 А.

После этого патрон извлекают из камеры тепла и охлаждают без испытательного цоколя в течение 24 ч.

Сплошной латунный испытательный цоколь А (см. рисунок 13) ввинчивают в патрон с тем же вращающим моментом, что и для цоколя В, затем вывинчивают. Эту операцию повторяют 10 раз, после чего измеряют переходное сопротивление между контактными зажимами патрона.

Измерения проводят при нормируемом для патрона переменном токе напряжением не более 6 В. Для патронов с выключателем переходным сопротивлением последнего пренебрегают. Измеренное переходное сопротивление должно быть не более 0,02 Ом.

Примечание - Испытательный цоколь А тщательно зачищают и полируют перед ввинчиванием в патрон для измерения переходного сопротивления.

Патроны с температурной маркировкой Т должны испытываться при температуре, указанной в маркировке, плюс 10 °С.

Патроны, предназначенные для использования в холодильниках и морозильниках, должны испытываться при верхнем значении нормируемой рабочей температуры плюс 10 °С.

Примечание - Значение 10 °С уточняется и гармонизовано в настоящее время с требованиями к патронам Е27.

Эти требования не распространяются на патроны Е5, Е10 и Е40.

19.3 Конструкция контактов и других токоведущих деталей должна исключать их чрезмерный нагрев.

Проверку проводят следующим испытанием сразу же после испытания по 19.2 на патроне, заряженном проводами наибольшего сечения по 10.1.

Винты контактных зажимов затягивают с приложением вращающего момента, равного 2/3 значения, указанного в 16.1. Патрон устанавливают отверстием для ввода лампы, вниз и пропускают через него в течение 1 ч ток, равный 1,25 нормируемого значения.

Для патронов, предназначенных для использования в холодильниках и морозильниках, на которых маркируется мощность лампы, за нормируемый принимают ток 0,5 А.

Превышение температуры на контактных зажимах не должно быть более 45 °С.

Температуру измеряют с помощью плавящихся элементов или термоэлектрических преобразователей, но не термометрами.

Для этого испытания применяют специальный испытательный цоколь, указанный на рисунке 11.

После испытания проверяют соответствие требованиям 10.4, провода не должны иметь повреждений.

Примечание - В качестве плавящихся элементов могут использоваться шарики из воска диаметром 3 мм (температура плавления 65 °С) при условии, что температура окружающей среды равна 20 °С.

Требование не распространяется на патроны Е5 и Е10 с нормируемым напряжением не более 60 В.

19.4 Затем проверяют термостойкость патронов в камере тепла при температуре, указанной в таблице 13.

Таблица 13 - Значения температур в тепловой камере

Тип патрона

Температура, °С

Тип патрона

Температура, °С

Е10 (обычный)

75

Е14

170

Е5 и Е10 (составная часть светильника*)

75 или рабочая температура + 15 (применяют наибольшее значение)

Е27

200

Е40

260

* Для патронов Е5, Е10 и других подобных малогабаритных патронов, являющихся составной частью светильника, например елочных гирлянд, температуру измеряют в светильнике на цоколе лампы на расстоянии 2 мм от места соединения стеклянной колбы с цоколем.

Патроны с температурной маркировкой Т испытывают при температуре на 35 °С больше, чем указано в маркировке.

Патроны, предназначенные для использования в холодильниках и морозильниках, испытывают:

a) при минимальной нормируемой температуре и

b) при нормируемой рабочей температуре плюс 35° С.

В случае а) продолжительность испытания составляет 16 ч.

Сразу после этого испытания патроны следует еще раз подвергнуть испытанию по 15.6.

В патрон ввинчивают до упора сплошной (предпочтительно из нержавеющей стали) испытательный цоколь, указанный на рисунках 13 (цоколь В), 14 или 15. Затем патроны с ввинченным цоколем закрепляют в вертикальном положении (так, чтобы вес цоколя не воздействовал на патрон), и помещают в камеру, имеющую температуру около половины значения, указанного в таблице. Температуру повышают до требуемой в течение (60 ± 15) мин. Вслед за этим непрерывно в течение 168 ч проводят испытание.

Температуру при испытании поддерживают с допуском ±5 °С.

В процессе испытания не должно возникать повреждений патронов, препятствующих их дальнейшему использованию, в том числе:

- ухудшения защиты от повреждения электрическим током;

- ослабления электрических контактов;

- трещин, вспучивания или усадки материала;

- вытекания заливочной массы.

После охлаждения приблизительно при комнатной температуре испытательный цоколь извлекают из патрона.

В конце испытания проверяют отсутствие деформаций резьбы Эдисона. Испытание проводят с помощью проходных калибров, отвечающих требованиям стандартных листов 7006-25 или 7006-25А МЭК 60061-3.

Кроме того, патрон должен выдержать проверку механической прочности по 15.2 при приложении вращающего момента на 50 % меньше указанного и по 15.6 при уменьшении высоты падения до 5 см.

Заливочная масса не должна вытекать в количестве, приводящем к оголению токоведущих деталей; незначительными подтеками компаунда пренебрегают.

Испытание не проводят на встраиваемых патронах.

20 Термостойкость, огнестойкость и устойчивость к токам поверхностного разряда

20.1 Детали, на которых крепят контакты и наружные детали патронов из изоляционного материала, а также наружные детали патронов из изоляционного материала с токопроводящим наружным покрытием должны быть термостойкими.

Проверку материалов, кроме керамических, проводят с помощью устройства для вдавливания шарика, указанного на рисунке 10.

Испытания по разделу 20 настоящего стандарта не проводят на патронах, которые составляют единое целое со светильниками, как аналогичные испытания по разделу 13 МЭК 60598-1. Однако рабочие условия этих испытаний принимают соответствующими условиям, указанным для патронов, и определенными в разделе 20 настоящего стандарта.

Для патронов Е5 и Е10 проверку вдавливанием шарика проводят только на деталях,, на которых крепят контакты.

Поверхность испытуемой детали располагают горизонтально и вдавливают в эту поверхность стальной шарик диаметром 5 мм с силой 20 Н.

Проверку проводят в камере тепла при температуре, указанной в 19.4, кроме патронов Е5 и Е10, которые проверяют при температуре 125 °С.

Устройство и опору, на которой размещают испытуемую деталь, помещают в камеру тепла на время, достаточное для установления к началу проверки испытательной температуры.

Испытуемую деталь помещают в термостат за 1 ч до установки на ней устройства для вдавливания шарика.

Если поверхность при испытании прогибается, то она в месте давления шарика должна иметь опору. В случае, если испытание не может быть проведено на целой детали, можно использовать ее часть.

Эта часть должна иметь толщину не менее 2,5 мм, но если требуемая толщина не соблюдена, ее обеспечивают сложением вместе двух или более одинаковых частей.

Через 1 ч устройство для вдавливания шарика снимают с испытуемой детали, которую затем в течение 10 с охлаждают приблизительно до комнатной температуры погружением в холодную воду. После этого измеряют диаметр отпечатка шарика, который не должен превышать 2 мм.

Примечание - Если испытание проводят на криволинейной поверхности, например корпусе патрона, и если отпечаток имеет форму эллипса, то измеряют его малую ось. При сомнении диаметр отпечатка D определяют по формуле

где Р - глубина отпечатка.

20.2 Наружные детали из изоляционного материала (корпус, в том числе с наружной резьбой, донышко или фланец), обеспечивающие защиту от поражения электрическим током, и детали из изоляционного материала, на которых располагаются токоведущие детали (комплект зажим/контакт), должны быть огнестойкими.

Проверку всех материалов, кроме керамических, проводят испытаниями по 20.3 или 20.4.

Требование не распространяется на патроны Е5 и Е10 с нормируемым напряжением не более 60 В.

Резьбовые гильзы, находящиеся под напряжением только при ввинченной лампе, не считают токоведущими.

Изоляционный материал, служащий опорой для таких гильз, проверяют по 20.3.

20.3 Наружные детали из изоляционного материала, в том числе детали с токопроводящим наружным покрытием, обеспечивающие защиту от поражения электрическим током, испытывают методом раскаленной проволоки согласно МЭК 60695-2-1 со следующими уточнениями.

Образцом является патрон в сборе. Для проведения испытания может возникнуть необходимость извлечь некоторые детали из патрона. Однако условия испытания не должны существенно отличаться от условий при нормальной эксплуатации.

Образец крепят на каретке и прижимают к концу раскаленной проволоки с усилием 1 Н на расстоянии 15 мм или более от наружного края в направлении центра испытуемой поверхности. Проникание раскаленной проволоки в образец на глубину более 7 мм должно быть механически ограничено.

Если образец слишком мал, то испытание проводят на отдельном образце из того же материала в форме квадрата 30×30 мм и толщиной, равной минимальной толщине испытуемой детали.

Температура контактной части раскаленной проволоки равна 650° С.

Через 30 с образец отводят от раскаленной проволоки. Температура раскаленной проволоки и ток, проходящий через нее, должны быть стабильными за 1 мин до начала испытания. Необходимо, чтобы термоизлучение проволоки в это время не влияло на образец. Температуру контактной части раскаленной проволоки измеряют термоэлектрическим преобразователем, защищенным огнестойкой оболочкой, изготовленной и откалиброванной в соответствии с МЭК 60695-2-1.

Горение или тление образца должно прекратиться через 30 с после удаления раскаленной проволоки, а горящие частицы не должны воспламенять папиросную бумагу, указанную в пункте 6.8.6 ИСО 4046, расположенную горизонтально на расстоянии (200 ± 5) мм под образцом.

20.4 Детали из изоляционного материала, на которых располагают токоведущие детали, испытывают игольчатым пламенем в соответствии с МЭК 60695-2-2 со следующими уточнениями.

Образцом является патрон в сборе. Для проведения испытания может возникнуть необходимость извлечения некоторых деталей из патрона (например, контакты, находящиеся на обратной стороне гильзы). Однако условия испытания не должны существенно отличаться от условий при нормальной эксплуатации.

Испытательное пламя направляют на центр испытуемой поверхности.

Длительность воздействия пламени - 10 с.

Горение должно прекратиться через 30 с после удаления испытательного пламени, а горящие частицы, выделяемые образцом, не должны воспламенять папиросную бумагу, расположенную горизонтально на расстоянии (200 ± 5) мм под образцом.

Примечание - Дополнительную информацию см. в пояснении к рисунку 19.

20.5 Изолирующие детали, на которых располагают токоведущие детали каплезащищенных патронов и патронов, предназначенных для использования в морозильных камерах холодильников и морозильниках, должны иметь соответствующую устойчивость к токам поверхностного разряда.

Проверку материалов, кроме керамических, проводят испытанием на устойчивость к токам поверхностного разряда в соответствии с МЭК 60112 со следующими уточнениями.

Если образец не имеет плоской поверхности не менее 15×15 мм, то испытание проводят на плоской поверхности с уменьшенными размерами, обеспечивающими удержание капель раствора на образце в процессе испытания.

Однако не должен использоваться искусственный способ удержания раствора на поверхности. При сомнении испытание может быть проведено на отдельном элементе из того же материала, имеющем требуемые размеры и изготовленным по той же технологии.

Если толщина образца менее чем 3 мм, то два или, если необходимо, более образцов накладывают вместе для обеспечения требуемой толщины.

Испытание проводят в трех точках образца или на трех образцах.

Электроды должны быть платиновые, и должен использоваться испытательный раствор А, указанный в 5.4 МЭК 60112.

Образец должен выдержать падение 50 капель без пробоя испытательного напряжения для PTI = 175.

Считают, что пробой произошел, если ток 0,5 А или более протекает не менее 2 сна проводящей части между электродами по поверхности образца или если имеется прогорание образца без прохождения поверхностного тока.

Пункт 6.4 МЭК 60112, относящийся к понятию эрозии, не применяют.

Примечание 1 раздела 3 МЭК 60112, требующее влажной обработки поверхности, не применяют.

21 Защита от старения и коррозии

21.1 Контакты и другие детали, изготовленные из листового проката меди или медных сплавов, повреждения которых приводят к нарушению безопасности использования патронов, должны быть устойчивы к старению.

Проверку проводят следующим испытанием.

Поверхность образца тщательно очищают: сначала смывают лак ацетоном, а затем обезжиривают бензином или аналогичным составом.

Образцы помещают на 24 ч в испытательную камеру, дно которой заполнено раствором хлорида аммония с pH = 10 (подробности об испытательной камере, испытательном растворе и методике испытания см. в приложении А).

После такой обработки образцы промывают в проточной воде; через 24 ч на образцах не должно быть трещин, видимых при 8-кратном увеличении.

Незначительными трещинами наружного корпуса металлических патронов вблизи мест крепления изолирующего кольца пренебрегают.

Примечание - Во избежание искажения результата испытания образцы не следует брать руками.

21.2 Детали из черных металлов, окисление которых снижает безопасность использования патронов, должны быть надежно защищены от коррозии.

Проверку проводят следующим испытанием.

С испытуемых деталей удаляют всю смазку путем погружения на 10 мин в подходящий обезжиривающий раствор. Затем детали погружают на 10 мин в 10 %-ный водный раствор хлорида натрия при температуре (20 ± 5) °С.

Без протирки, но после стряхивания капель воды, детали помещают на 10 мин в бокс, содержащий насыщенный влагой воздух при температуре (20 ± 5) °С.

После этого детали просушивают в течение 10 мин в камере тепла при температуре (100 ± 5) °С; любые следы ржавчины на острых кромках и любой желтоватый налет удаляют протиранием, после чего поверхность испытуемой детали не должна иметь следов ржавчины.

Смазку считают достаточной защитой от ржавчины для небольших пружин и им подобных деталей, а также деталей, подверженных истиранию.

Такие детали не подвергают испытанию.

ПРИЛОЖЕНИЕ А

(обязательное)

Испытание на старение и коррозию

Примечание - В интересах защиты от неблагоприятного воздействия окружающей среды следующие требования, относящиеся к испытательному раствору, его объему и емкости сосуда, могут быть изменены по усмотрению испытательной лаборатории.

В этом случае испытательный сосуд должен иметь емкость в 500 - 1000 раз более емкости образца, и объем испытательного раствора должен быть таким, чтобы отношение объема сосуда к объему раствора было от 20:1 до 10:1. Однако в случае сомнения применяют условия, указанные в А.1.

А.1 Испытательная камера

Для испытания должны использоваться стеклянные герметично закрытые сосуды, например стеклянные эксикаторы или стеклянные ванны с шлифованным краем и крышкой. Емкость сосудов должна быть не менее 10 дм3.

Отношение испытательной поверхности к объему испытательного раствора должно быть от 20:1 до 10:1.

А.2 Испытательный раствор

Подготовка 1 дм3 раствора

107 г хлорида аммония (реагент класса NH4Cl) растворяют в ~ 0,75 дм3 дистиллированной или деминерализованной воды и добавляют не более 30 % раствора гидроокиси натрия (готовят из реагента класса NaOH и дистиллированной или деминерализованной воды) до достижения необходимого значения рН = 10 при 22 °С. Для других температур регулируют этот раствор до соответствующего значения рН, указанного в таблице А.1.

Таблица А.1

Температура, °С

±1

Испытательный раствор, РН

±0,1

22

10,0

25

9,9

27

9,8

30

9,7

После установления рН объем раствора доводят до 1 дм3 дистиллированной или деминерализованной водой. Это не должно заметно повысить значение рН.

В процессе регулировки рН температуру поддерживают по возможности постоянной с допуском ±1 °С, проводят измерение рН, используя прибор, обеспечивающий регулировку значения рН с допуском ±0,02.

Испытательный раствор может использоваться продолжительное время, но значение рН, определяемое измерением концентрации аммония в парах атмосферы, должно проверяться не реже чем раз в три недели и, если необходимо, регулироваться.

А.3 Методика испытания

Предварительно подвешенные образцы вводят в испытательную камеру в положении, обеспечивающем эффективную циркуляцию паров аммония. Образцы не должны погружаться в испытательный раствор или касаться его. Устройства подвески или крепления изготавливают из материалов, устойчивых к воздействию паров аммония, например из стекла или фарфора.

Испытание проводят при постоянной температуре (30 ± 1) °С, не допуская заметной конденсации воды, образующейся в результате изменений температуры, которая может значительно исказить результаты испытания.

До испытания температура в камере, содержащей испытательный раствор, должна быть доведена до (30 ± 1) °С. Камеру максимально быстро заполняют образцами, предварительно нагретыми до 30 °С, и закрывают.

Этот момент считают началом испытания.

ОСНОВНОЙ И ПРЕДЕЛЬНЫЙ ПРОФИЛИ ДЛЯ ГАЙКИ И ВИНТА

Метрическая резьба ИСО

Основной профиль*

h = 0,86603S, h/4 = 0,21651S, h/8 = 0,10825S, t0 = 5/8h = 0,54127S

* За основной принимают профиль, имеющий предельные отклонения наружной резьбы.

Предельный профиль гайки

Предельный профиль винта

В миллиметрах

Обозначение резьбы

S

Винт

Гайка

d

d2

d1

D

D2

D1

Макс.

Мин.

Макс.

Мин.

Макс.

Мин.

Макс.

Мин.

Макс.

Мин.

М8×1

1

8,000

7,800

7,350

7,238

7,917

8,000

7,462

7,350

7,117

6,917

М10×1

10,000

9,800

9,350

9,238

8,917

10,000

9,462

9,350

9,117

8,917

М13×1

13,000

12,800

12,350

12,190

11,917

13,000

12,510

12,350

12,117

11,917

М16×1

16,000

15,800

15,350

15,190

14,917

16,000

15,510

15,350

15,117

14,917

Рисунок 1a - Ниппельная резьба патронов

Трубная резьба ИСО

Основной профиль*

h = 0,960491S, h/6 = 0,160082S, t0 = 2/3h = 0,640327S, r = 0,137329S

* За основной принимают профиль, имеющий предельные отклонения наружной резьбы.

Предельный профиль гайки

Предельный профиль винта

В миллиметрах

Обозначение резьбы

n*

Винт

Гайка

d

d2

d1

D

D2

D1

Макс.

Мин.

Макс.

Мин.

Макс.

Мин.

Макс.

Мин.

Макс.

Мин.

G3/8A

19

16,662

16,412

15,806

15,681

14,950

16,662

15,931

15,806

15,395

14,500

* Число витков резьбы на дюйм

Рисунок 1b - Ниппельная резьба патронов

Калибры для винта

В миллиметрах

Обозначение резьбы

S

d

d2

d1

Износ

Номин.

Пред. откл.

Номин.

Пред. откл.

Номин.

Пред. откл.

М10×1

1

9,800

±0,004

9,350

-0,012

-0,020

8,917

±0,004

0,012

М13×1

12,800

12,350

11,917

М16×1

15,800

15,350

14,917

Калибры для гайки

В миллиметрах

Обозначение резьбы

S

D

D2

D1

Износ

Номин.

Пред. откл.

Номин.

Пред. откл.

Номин.

Пред. откл.

М10×1

1

10,000

±0,004

9,350

+0,012

9,117

±0,004

0,012

М13×1

13,000

12,350

+0,020

12,117

М16×1

16,000

15,350

 

15,117

Рисунок 2а - Калибры для метрической резьбы ИСО для ниппелей

Калибры для винта

Размеры в миллиметрах

Обозначение резьбы

n*

d

d2

d1

Износ

Номин.

Пред. откл.

Номин.

Пред. откл.

Номин.

Пред. откл.

G3/8A

19

16,412

+0

15,806

+0

14,950

+0

-

13,000

-0,008

-0,020

-0,018

Калибры для гайки

Размеры в миллиметрах

Обозначение резьбы

n*

D

D2

D1

Износ

Номин.

Пред. откл.

Номин.

Пред. откл.

Номин.

Пред. откл.

G3/8A

19

16,662

+0,018

15,806

+0,005

15,395

+0,008

0,005

-0,005

+0,028

-0

* Число витков на дюйм.

Рисунок 2 b - Калибры для трубной резьбы ИСО для ниппелей

1 - втулка; 2 - штырь; 3 - фланец

В миллиметрах

Обозначение резьбы

Размер

Пред. откл.

Технологические

Износ

a

4,1

+0,03

+0

b

8,2

-0

-0,03

c

18

±0,1

-

Рисунок 3 - Калибр для крепежных отверстий фланцевых резьбовых патронов

1 - направляющее устройство; 2 - испытательный цоколь

Рисунок 4 - Установка для проверки нормальной работоспособности

Материал: закаленная сталь.

Примечание - Размеры резьбы на испытательном цоколе должны быть между максимальными и минимальными значениями, указанными для цоколей Е14, Е27 и Е40 в стандартных листах 7004-23, 7004-21 и 7004-24 МЭК 60061-1 соответственно.

Размеры в миллиметрах

Тип патрона

C

±0,1

E

G

±0,5

H

±0,1

H1

+0,1

-0

S

+0,1

-0

T

±0,1

a

±30'

b

±1°

Е14

-

12

17

4,8

-

4

17

45°

45°

Е27

23

32

9,5

7,7

23

Е40

0,5

-

50

14

17

-

35

Рисунок 5 - Испытательный цоколь для испытания по разделу 18

Рисунок 6 - Установка для проверки на скручивание

1 - деревянная плита; 2 - стальной лист; 3 - резина; 4 - гладкий пластмассовый лист; 5 - образец

Корпус барабана должен быть изготовлен из стального листа толщиной 1,5 мм.

Отсек, в котором образец находится до испытания, должен быть изготовлен из ударопрочной резины твердостью 80 IRHD, а детали, по которым патрон скользит, - из пластмассы, например марки «Formica».

Конструкция барабана должна иметь проем с крышкой из прозрачного ударопрочного материала. Ось вращения не должна проходить внутри корпуса барабана.

Рисунок 7 - Вращающийся барабан

1 - рама; 2 - образец; 3 - монтажная плата для крепления патрона; Н - высота падения

Примечание - Подробная информация приведена в базовом стандарте. В случае двойного толкования следует обращаться к МЭК 60068-2-75.

Рисунок 8 - Установка для испытания на удар

1 - ось; 2 - лист фанеры

Примечание - Подробная информация приведена в базовом стандарте. В случае двойного толкования рисунка следует обращаться к МЭК 60068-2-75.

Рисунок 8а - Монтажная подставка

Радиус сферы сжимающих частей 20 мм

1 - регулятор высоты; 2 - передвижной груз; 3 - сфера

Рисунок 9 - Установка для испытания на сжатие

1 - стальной шарик; 2 - образец

Рисунок 10 - Устройство для проверки вдавливанием шарика

1 - стальная пластина; 2 - изоляционный материал*; 3 - скругление***; 4 - металл; 5 - латунный цоколь; 6 - фаска или скругление

Допуски:

- для размеров:

до 30 мм включ........ ±0,05

св. 30 мм ...........…... ±0,1

для углов ..........….... ±30'

* Изоляционный материал должен обеспечивать стабильные размеры, легко формоваться и иметь PTI = 600, например PTFE - стабилизированный материал.

** Относится только к металлическим деталям; не применяется к испытательному цоколю Е10.

Размеры резьбы на испытательном цоколе должны быть между максимальными и минимальными значениями, указанными в стандартных листах 7004-22, 7004-23, 7004-21 и 7004-24 МЭК 60061-1 соответственно для цоколей Е10, Е14, Е27 и Е40.

Внутренний диаметр латунного цоколя должен быть на 2 мм меньше размера d1, указанного в соответствующем стандартном листе. Сечение проводов должно быть: 0,75; 1,5; 2,5 и 4,0 мм2 для цоколей Е10, Е14, Е27 и Е40 соответственно. Провода должны быть жесткие (одно- или многопроволочные).

*** Для испытательного цоколя Е14 требуется фаска 45° на цилиндрической части.

Примечание - Значения для патронов Е5 в стадии разработки

В миллиметрах

Тип патрона

D

h

В

C1

С2

Н

S

Т

T, не менее

К, не менее

А, не более

Е10

18

60

6,0

0,5

2,5

4,0

-

-

9,5

19,0

13,0

Е14

38

80

9,5

3,8

6,2

4,5

12

16,0

27,2

17,1

Е27

13,5

4,2

11,5

8,5

23

21,5

28,3

26,1

Е40

55

100

25,0

1,0

8,0

18

10,0

34

34,0

47,8

39,0

В корпусе патронов Е40 размеры S и Е предназначены только для предельных калибров.

Рисунок 11 - Испытательный цоколь для испытаний по 14.4 и 19.3

Размеры в миллиметра

Тип патрона

а

b

G, кг

Е14

19

100

1

Е27

25

2

Е40

37

140

3

Рисунок 12 - Установка для испытания на изгиб

1 - твердая латунь; 2 - острые кромки притупить; 3 - твердая сталь

* Размеры резьбы испытательного цоколя А должны быть между максимальными и минимальными значениями, указанными в стандартном листе 7004-23 МЭК 60061-1, а размеры резьбы испытательного цоколя В должны иметь минимальные значения с допуском ± 0,05 мм, указанные в стандартном листе 7004-23 МЭК 60061-1.

Размеры в миллиметрах

Обозначение размера

Испытательный цоколь А

Испытательный цоколь В

Номин.

Пред. откл.

Номин.

Пред. откл.

C1

0,5

+0

1,0

+0

С2

2,5

-0,1

3,0

-0,1

D

3,5

+0,1

-

-

-0

S

4,5

+0,06

4,0

+0

-0

-0,06

H1

4,8

±0,04

4,8

±0,04

Н2

6,0

6,0

В

10,0

+0,04

10,0

+0,06

-0

-0

Е

12,0

-

12,0

-

b

-

45°

±10'

Рисунок 13 - Испытательные цоколи А и В для патронов Е14

1 - твердая сталь; 2 - острые кромки притупить

* Размеры резьбы испытательного цоколя должны иметь минимальные значения с допуском ±0,05 мм, указанные в стандартном листе 7004-21 МЭК 60061-1.

Рисунок 14 - Испытательный цоколь для патронов Е27

1 - твердая сталь; 2 - острые кромки притупить

* Размеры резьбы испытательного цоколя В должны иметь минимальные значения с допуском ± 0,05 мм, указанные в стандартном листе 7004-24 МЭК 60061-1.

Рисунок 15 - Испытательный цоколь для патронов Е40

1 - сферическая поверхность R4 ± 0,05; 2 - скруглить все края; 3 - ограничивающая поверхность; 4 - рукоятка; 5 - предохранитель; 6 - изолирующий материал; 7 - шарниры; 8 - цилиндрическая поверхность R2 ± 0,05

Материал - металл, если не указано иное.

Предельные отклонения на размеры, не указанные на рисунке:

до 25 мм включ.               +0/-0,05 мм

св. 25 мм                            ±0,2 мм

угловые                              +0/-10'

Оба шарнира должны допускать вращение в одной и той же плоскости и в одном направлении на угол 90° с допуском от 0 до 10°.

Рисунок 16 - Стандартный испытательный палец (соответствующий МЭК 60529)

Слой песка и гравия для регулирования проникновения воды. Они разделены металлической сеткой (решеткой) и промокательной бумагой.

Примечание - Опора должна быть меньше испытуемого оборудования.

Рисунок 17 - Установка для проверки защиты от капель воды

Рисунки показывают только типовые детали патрона и не определяют конструкцию

1 - сборка зажим/контакт; 2 - наружный корпус; 3 - резьбовая гильза; 4 - изолирующее кольцо; 5 - абажурное кольцо; 6 - донышко; 7 - резьбовой ввод

Примечание - На рисунке детали 2 - 4 последовательно соединяют между собой. В других конструкциях детали 1 и 3 могут быть выполнены как одно целое.

Рисунок 18 - Иллюстрация некоторых определений

1 - образец; 2 - паз (щель)

Для патронов Е14 и Е27 паз шириной 5 мм предназначен для ввода иглы и вентиляции. Для патронов Е40 паз не нужен.

Рисунок а показывает, как проводить испытание игольчатым пламенем боковой контактной поверхности (не применимо к патронам Е40).

Рисунок b показывает, как проводить испытание игольчатым пламенем центральной контактной поверхности.

Минимальная длина иглы 35 мм.

1 - испытуемая поверхность; 2 - пламя; 3 - игла

Рисунок 19 - Подготовка образцов для испытания игольчатым пламенем по 20.4

ПРИЛОЖЕНИЕ В

(справочное)

Соответствие стандартов МЭК государственным стандартам

Обозначение стандарта МЭК

Обозначение государственного стандарта

МЭК 60061 (1969)

ГОСТ 28108-89

МЭК 60068-2-20 (1979)

ГОСТ 28211-89

МЭК 60068-2-32 (1975)

ГОСТ 11478-88, ГОСТ 28218-89

МЭК 60112 (1979)

ГОСТ 27473-87

МЭК 60227

ГОСТ Р МЭК 227-1-94 ¸ ГОСТ Р МЭК 227-7-98

МЭК 60245

ГОСТ Р МЭК 245-1-97 ¸ ГОСТ Р МЭК 245-6-97

МЭК 60417 (1973)

ГОСТ 28312-89

МЭК 60529 (1989)

ГОСТ 14254-96

МЭК 60598-1 (1996)

ГОСТ Р МЭК 60598-1-99

МЭК 60695-2

ГОСТ 27483-84, ГОСТ 27484-87

Ключевые слова: требования безопасности, методы испытаний, патроны, цоколь, фланец, нормируемое напряжение.



© 2013 Ёшкин Кот :-)