ГОСУДАРСТВЕННЫЕ СТАНДАРТЫ
Единая
система конструкторской документации
ОБОЗНАЧЕНИЯ УСЛОВНЫЕ
ГРАФИЧЕСКИЕ В ЭЛЕКТРИЧЕСКИХ СХЕМАХ
УСТРОЙСТВА
КОММУТАЦИОННЫЕ
И КОНТАКТНЫЕ СОЕДИНЕНИЯ
ГОСТ 2.755-87
(CT СЭВ 5720-86)
ИПК ИЗДАТЕЛЬСТВО СТАНДАРТОВ
Москва
1998
ГОСУДАРСТВЕННЫЙ СТАНДАРТ СОЮЗА ССР
Единая
система конструкторской документации
ОБОЗНАЧЕНИЯ УСЛОВНЫЕ ГРАФИЧЕСКИЕ
В ЭЛЕКТРИЧЕСКИХ СХЕМАХ.
УСТРОЙСТВА КОММУТАЦИОННЫЕ
И КОНТАКТНЫЕ СОЕДИНЕНИЯ
Unified system
for design documentation.
Graphic designations in diagrams.
Commutational devices and contact connections
|
ГОСТ
2.755-87
(CT СЭВ 5720-86)
|
Дата
введения 01.01.88
Настоящий стандарт распространяется на схемы, выполняемые вручную
или автоматизированным способом, изделий всех отраслей промышленности
и строительства и устанавливает условные графические обозначения коммутационных
устройств, контактов и их элементов.
Настоящий
стандарт не устанавливает условные графические обозначения на схемах
железнодорожной сигнализации, централизации и блокировки.
Условные
графические обозначения механических связей, приводов и приспособлений - по ГОСТ
2.721.
Условные
графические обозначения воспринимающих частей электромеханических устройств -
по ГОСТ
2.756.
Размеры
отдельных условных графических обозначений и соотношение их элементов приведены
в приложении.
1. Общие правила
построения обозначений контактов.
1.1.
Коммутационные устройства на схемах должны быть изображены в положении,
принятом за начальное, при котором пусковая система контактов обесточена.
1.2. Контакты
коммутационных устройств состоят из подвижных и неподвижных контакт-деталей.
1.3. Для
изображения основных (базовых) функциональных признаков коммутационных
устройств применяют условные графические обозначения контактов, которые
допускается выполнять в зеркальном изображении:
1)
замыкающих 
2)
размыкающих 
3)
переключающих 
4)
переключающих с нейтральным центральным положением 
1.4. Для
пояснения принципа работы коммутационных устройств при необходимости на их
контакт-деталях изображают квалифицирующие символы, приведенные в табл. 1.
Таблица 1
Наименование
|
Обозначение
|
1. Функция
контактора
|

|
2. Функция
выключателя
|

|
3. Функция
разъединителя
|

|
4. Функция
выключателя-разъединителя
|

|
5. Автоматическое
срабатывание
|

|
6. Функция путевого
или концевого выключателя
|

|
7. Самовозврат
|

|
8. Отсутствие
самовозврата
|

|
9. Дугогашение
|

|
Примечание. Обозначения, приведенные в пп. 1 - 4, 7 - 9 настоящей
таблицы, помещают на неподвижных контакт-деталях, а обозначения в пп. 5 и 6 -
на подвижных контакт-деталях.
|
2. Примеры
построения обозначений контактов коммутационных устройств приведены в табл. 2.
Таблица 2
Наименование
|
Обозначение
|
1. Контакт
коммутационного устройства:
|
|
1) переключающий без
размыкания цепи (мостовой)
|

|
2) с двойным
замыканием
|

|
3) с двойным
размыканием
|

|
2. Контакт
импульсный замыкающий:
|
|
1) при срабатывании
|

|
2) при возврате
|

|
3) при срабатывании
и возврате
|

|
3. Контакт
импульсный размыкающий:
|
|
1) при срабатывании
|

|
2) при возврате
|

|
3) при срабатывании
и возврате
|

|
4. Контакт в
контактной группе, срабатывающий раньше по отношению к другим контактам
группы:
|
|
1) замыкающий
|

|
2) размыкающий
|

|
5. Контакт в контактной
группе, срабатывающий позже по отношению к другим контактам группы:
|
|
1) замыкающий
|

|
2) размыкающий
|

|
6. Контакт без
самовозврата:
|
|
1) замыкающий
|

|
2) размыкающий
|

|
7. Контакт с
самовозвратом:
|
|
1) замыкающий
|

|
2) размыкающий
|

|
8. Контакт
переключающий с нейтральным центральным положением, с самовозвратом из левого
положения и без возврата из правого положения
|

|
9. Контакт
контактора:
|
|
1) замыкающий
|

|
2) размыкающий
|

|
3) замыкающий дугогасительный
|

|
4) размыкающий
дугогасительный
|

|
5) замыкающий с
автоматическим срабатыванием
|

|
10. Контакт
выключателя
|

|
11. Контакт
разъединителя
|

|
12. Контакт
выключателя-разъединителя
|

|
13. Контакт
концевого выключателя:
|
|
1) замыкающий
|

|
2) размыкающий
|

|
14. Контакт,
чувствительный к температуре (термоконтакт):
|
|
1) замыкающий
|

|
2) размыкающий
|

|
15. Контакт
замыкающий с замедлением, действующим:
|
|
1) при срабатывании
|

|
2) при возврате
|

|
3) при срабатывании
и возврате
|

|
16. Контакт
размыкающий с замедлением, действующим:
|
|
1) при срабатывании
|

|
2) при возврате
|

|
3) при срабатывании
и возврате
|

|
Примечание к пп. 15 и 16.
Замедление происходит при движении в направлении от дуги к ее центру.
|
|
3. Примеры
построения обозначений контактов двухпозиционных коммутационных устройств
приведены в табл. 3.
Таблица 3
Наименование
|
Обозначение
|
1. Контакт
замыкающий выключателя:
|
|
1) однополюсный
|

|
|
Однолинейное
|
Многолинейное
|
2) трехполюсный
|

|
2. Контакт
замыкающий выключателя трехполюсного с автоматическим срабатыванием
максимального тока
|

|
3. Контакт
замыкающий нажимного кнопочного выключателя без самовозврата, с размыканием и
возвратом элемента управления:
|
|
1) автоматически
|

|
2) посредством вторичного
нажатия кнопки
|

|
3) посредством
вытягивания кнопки
|

|
4) посредством
отдельного привода (пример нажатия кнопки-сброс)
|

|
4. Разъединитель
трехполюсный
|

|
5.
Выключатель-разъединитель трехполюсный
|

|
6. Выключатель ручной
|

|
7. Выключатель
электромагнитный (реле)
|

|
8. Выключатель
концевой с двумя отдельными цепями
|

|
9. Выключатель
термический саморегулирующий
Примечание. Следует делать различие в
изображении контакта и контакта термореле, изображаемого следующим образом
|


|
10. Выключатель
инерционный
|

|
11. Переключатель
ртутный трехконечный
|

|
4. Примеры
построения обозначений многопозиционных коммутационных устройств приведены в
табл. 4.
Таблица 4
Наименование
|
Обозначение
|
1. Переключатель
однополюсный многопозиционный (пример шестипозиционного)
|

|
Примечание. Позиции переключателя, в
которых отсутствуют коммутируемые цепи, или позиции, соединенные между собой,
обозначают короткими штрихами (пример шестипозиционного переключателя, не
коммутирующего электрическую цепь в первой позиции и коммутирующего одну и ту
же цепь в четвертой и шестой позициях)
|

|
2. Переключатель
однополюсный, шестипозиционный с безобрывным переключателем
|

|
3. Переключатель
однополюсный, многопозиционный с подвижным контактом, замыкающим три соседние
цепи в каждой позиции
|

|
4. Переключатель
однополюсный, многопозиционный с подвижным контактом, замыкающим три цепи,
исключая одну промежуточную
|

|
5. Переключатель
однополюсный, многопозиционный с подвижным контактом, который в каждой
последующей позиции подключает параллельную цепь к цепям, замкнутым в
предыдущей позиции
|

|
6. Переключатель
однополюсный, шестипозиционный с подвижным контактом, не размыкающим цепь при
переходе его из третьей в четвертую позицию
|

|
7. Переключатель
двухполюсный, четырехпозиционный
|

|
8. Переключатель
двухполюсный шестипозиционный, в котором третий контакт верхнего полюса
срабатывает раньше, а пятый контакт - позже, чем соответствующие контакты
нижнего полюса
|

|
9. Переключатель
многопозиционный независимых цепей (пример шести цепей)
|

|
Примечания к
пп. 1 - 9:
|
|
1. При необходимости
указания ограничения движения привода переключателя применяют диаграмму
положения, например:
|
|
1) привод
обеспечивает переход подвижного контакта переключателя от позиции 1 к позиции 4 и обратно
|

|
2) привод
обеспечивает переход подвижного контакта от позиции 1 к позиции 4 и далее в
позицию 1; обратное движение
возможно только от позиции 3 к
позиции 1
|

|
2. Диаграмму
положения связывают с подвижным контактом переключателя линией механической
связи
|

|
10. Переключатель со
сложной коммутацией изображают на схеме одним из следующих способов:
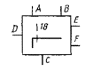
1) общее обозначение
(пример обозначения
восемнадцатипозиционного роторного переключателя с шестью зажимами,
обозначенными от А до F)
|


|
2) обозначение,
составленное согласно конструкции
|

|
11. Переключатель
двухполюсный, трехпозиционный с нейтральным положением
|

|
12. Переключатель двухполюсный,
трехпозиционный с самовозвратом в нейтральное положение
|

|
5. Обозначения
контактов контактных соединений приведены в табл. 5.
Таблица 5
Наименование
|
Обозначение
|
1. Контакт
контактного соединения:
|
|
1) разъемного
соединения:
|
|
- штырь
|

|
- гнездо
|

|
2) разборного
соединения
|

|
3) неразборного
соединения
|

|
2. Контакт
скользящий:
|
|
1) по линейной
токопроводящей поверхности
|

|
2) по нескольким
линейным токопроводящим поверхностям
|

|
3) по кольцевой
токопроводящей поверхности
|

|
4) по нескольким
кольцевым токопроводящим поверхностям
Примечание. При
выполнении схем с помощью ЭВМ допускается применять штриховку вместо зачернения
|

|
6. Примеры
построения обозначений контактных соединений приведены в табл. 6.
Таблица 6
Наименование
|
Обозначение
|
1. Соединение
контактное разъемное
|

|
2. Соединение
контактное разъемное четырехпроводное
|

|
3. Штырь
четырехпроводного контактного разъемного соединения
|

|
4. Гнездо
четырехпроводного контактного разъемного соединения
|

|
Примечание. В пп. 2 -
4 цифры внутри прямоугольников обозначают номера контактов
|
|
5. Соединение
контактное разъемное коаксиальное
|

|
6. Перемычки
контактные
|

|
Примечание. Вид связи см. табл. 5, п. 1.
|
|
7. Колодка зажимов
Примечание. Для указания видов контактных соединений допускается
применять следующие обозначения:
|

|
1) колодки с
разборными контактами
|

|
2) колодки с
разборными и неразборными контактами
|

|
8. Перемычка
коммутационная:
|
|
1) на размыкание
|

|
2) с выведенным
штырем
|

|
3) с выведенным
гнездом
|

|
4) на переключение
|

|
9. Соединение с
защитным контактом
|

|
7. Обозначения
элементов искателей приведены в табл. 7.
Таблица 7
Наименование
|
Обозначение
|
1. Щетка искателя с
размыканием цепи при переключении
|

|
2. Щетка искателя
без размыкания цепи при переключении
|

|
3. Контакт (выход)
поля искателя
|

|
4. Группа контактов
(выходов) поля искателя
|

|
5. Поле искателя
контактное
|

|
6. Поле искателя
контактное с исходным положением
Примечание. Обозначение исходного
положения применяют при необходимости
|

|
7. Поле искателя
контактное с изображением контактов (выходов)
|

|
8. Поле искателя с
изображением групп контактов (выходов)
|

|
8. Примеры
построения обозначений искателей приведены в табл. 8.
Таблица 8
Наименование
|
Обозначение
|
1. Искатель с одним
движением без возврата щеток в исходное положение
|

|
2. Искатель с одним
движением с возвратом щеток в исходное положение.
|

|
Примечание. При использовании
искателя в четырехпроводном тракте применяют обозначение искателя с возвратом
щеток в исходное положение
|

|
3. Искатель с двумя
движениями с возвратом щеток в исходное положение
|

|
4. Искатель релейный
|

|
5. Искатель моторный
с возвратом в исходное положение
|

|
6. Искатель моторный
с двумя движениями, приводимый в движение общим мотором
|

|
7. Искатель с
изображением контактов (выходов) с одним движением без возврата щеток в
исходное положение:
|
|
1) с размыканием
цепи при переключении
|

|
2) без размыкания
цепи при переключении
|

|
8. Искатель с
изображением контактов (выходов) с одним движением с возвратом щеток в
исходное положение:
|
|
1) с размыканием
цепи при переключении
|

|
2) без размыкания
цепи при переключении
|

|
9. Искатель с
изображением групп контактов (выходов) (пример искателя с возвратом щеток в
исходное положение)
|

|
10. Искатель шаговый
с указанием количества шагов вынужденного и свободного искания (пример 10
шагов вынужденного и 20 шагов свободного искания)
|

|
11. Искатель с двумя
движениями с возвратом в исходное положение и с указанием декад и
подсоединения к определенной (шестой) декаде
|

|
12. Искатель с двумя
движениями, с возвратом в исходное положение и многократным соединением
контактных полей несколькими искателями (пример, двумя)
Примечание. Если возникает
необходимость указать, что искатель установлен в нужное положение с помощью
маркировочного потенциала, поданного на соответствующий контакт контактного
поля, следует использовать обозначение (пример, положение 7)
|


|
9. Обозначения
многократных координатных соединителей приведены в табл. 9.
Таблица 9
Наименование
|
Обозначение
|
1. Соединитель
координатный многократный.
Общее обозначение
|

|
2. Соединитель
координатный многократный в четырехпроводном тракте
|

|
3. Вертикаль
многократного координатного соединителя
Примечание. Порядок нумерации выходов
допускается изменять
|

|
4. Вертикаль многократного
координатного соединителя с m выходами
|

|
5. Соединитель
координатный многократный с n вертикалями и с m выходами в каждой вертикали
Примечание. Допускается упрощенное
обозначение: n - число
вертикали, m - число
выходов в каждой вертикали
|


|
ПРИЛОЖЕНИЕ
Справочное
Размеры (в
модульной сетке) основных условных графических обозначений приведены в табл. 10.
Таблица 10
Наименование
|
Обозначение
|
1. Контакт
коммутационного устройства
|
|
1) замыкающий
|

|
2) размыкающий
|

|
3) переключающий
|

|
2. Контакт
импульсный замыкающий при срабатывании и возврате
|

|
3. Переключатель
двухполюсный шестипозиционный, в котором третий контакт верхнего полюса срабатывает
раньше, а пятый контакт - позже, чем соответствующие контакты нижнего полюса
|

|
4. Искатель с двумя
движениями с возвратом в исходное положение и многократным соединением
контактных полей несколькими искателями, например двумя
|

|
ИНФОРМАЦИОННЫЕ
ДАННЫЕ
1. РАЗРАБОТАН И ВНЕСЕН Государственным
комитетом СССР по стандартам
РАЗРАБОТЧИКИ
П.А. Шалаев,
С.С. Борушек, С.Л. Таллер, Ю.Н. Ачкасов
2. УТВЕРЖДЕН И ВВЕДЕН В ДЕЙСТВИЕ Постановлением
Государственного комитета СССР по стандартам от 27.10.87 № 4033
3.
Стандарт полностью соответствует СТ СЭВ 5720-86
4. ВЗАМЕН ГОСТ 2.738-68 (кроме подпункта
7 табл. 1) и ГОСТ 2.755-74
5.
ССЫЛОЧНЫЕ НОРМАТИВНО-ТЕХНИЧЕСКИЕ ДОКУМЕНТЫ
6. ПЕРЕИЗДАНИЕ.
Октябрь 1997 г.