ГОСТ 8240-97
МЕЖГОСУДАРСТВЕННЫЙ
СТАНДАРТ
ШВЕЛЛЕРЫ
СТАЛЬНЫЕ ГОРЯЧЕКАТАНЫЕ
Сортамент
МЕЖГОСУДАРСТВЕННЫЙ
СОВЕТ
ПО СТАНДАРТИЗАЦИИ, МЕТРОЛОГИИ И СЕРТИФИКАЦИИ
Минск
Предисловие
1 РАЗРАБОТАН
Межгосударственным техническим комитетом по стандартизации МТК 327, Украинским
государственным научно-исследовательским институтом металлов
ВНЕСЕН Государственным комитетом Украины по стандартизации,
метрологии и сертификации
2 ПРИНЯТ Межгосударственным Советом по стандартизации,
метрологии и сертификации (протокол № 11 от 23 апреля 1997 г.)
За принятие проголосовали:
Наименование
государства
|
Наименование
национального органа по стандартизации
|
Азербайджанская Республика
|
Азгосстандарт
|
Республика Армения
|
Армгосстандарт
|
Республика Беларусь
|
Госстандарт Республики Беларусь
|
Грузия
|
Грузстандарт
|
Республика Казахстан
|
Госстандарт Республики Казахстан
|
Республика Молдова
|
Молдовастандарт
|
Российская Федерация
|
Госстандарт России
|
Республика Таджикистан
|
Таджикстандарт
|
Туркменистан
|
Главгосслужба «Туркменстандартлары»
|
Украина
|
Госстандарт Украины
|
3 Постановлением
Государственного комитета Российской Федерации по стандартизации и метрологии
от 5 апреля 2001 г. № 166-ст межгосударственный стандарт ГОСТ 8240-97 введен в
действие непосредственно в качестве государственного стандарта Российской
Федерации с 1 января 2002 г.
4 ВЗАМЕН ГОСТ 8240-89
МЕЖГОСУДАРСТВЕННЫЙ СТАНДАРТ
ШВЕЛЛЕРЫ СТАЛЬНЫЕ
ГОРЯЧЕКАТАНЫЕ
Сортамент
Hot-rolled steel channels.
Дата введения
2002-01-01
1 Область применения
Настоящий
стандарт устанавливает сортамент стальных горячекатаных швеллеров общего и
специального назначения высотой от 50 до 400 мм и шириной полок от 32 до 115 м.
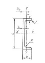
2 Основные параметры и размеры
2.1 По форме и
размерам швеллеры изготовляют следующих серий:
У - с уклоном
внутренних граней полок;
П - с
параллельными гранями полок;
Э - экономичные
с параллельными гранями полок;
Л - легкой серии
с параллельными гранями полок;
С - специальные.
Условные
обозначения величин, характеризующих свойства швеллера:
h - высота (швеллера);
b - ширина полки;
s - толщина стенки;
t - толщина полки;
R - радиус внутреннего закругления;
r - радиус закругления полки;
X0 - расстояние от оси Y-Y до наружной грани стенки;
Δ - перекос
полки;
f - прогиб стенки по высоте сечения профиля;
F - площадь поперечного сечения;
I - момент инерции;
W - момент сопротивления;
i - радиус инерции;
Sx - статический момент полусечения.
2.2 Поперечное
сечение швеллеров серий У, С должно соответствовать приведенному на рисунке 1, серий П, Э, Л - на рисунке 2.
2.3 Размеры швеллеров,
площадь поперечного сечения, масса 1 м и справочные значения для осей должны
соответствовать приведенным в таблицах
1-5.
2.3.1 Площадь
поперечного сечения и масса 1 м швеллера вычислены по номинальным размерам,
плотность стали принята равной 7,85 г/см3.

Рисунок 1
(Поправка. ИУС 12-2004 г.).

Рисунок 2
(Поправка. ИУС 12-2004 г.).
Таблица 1 - Швеллеры с уклоном внутренних граней полок
Номер
швеллера серии У
|
h
|
b
|
s
|
t
|
R
|
r
|
Площадь поперечного сечения F, см2
|
Масса 1 м, кг
|
Справочные значения для осей
|
X0, см
|
не более
|
Х-Х
|
Y-Y
|
мм
|
Ix, см4
|
Wx, см3
|
ix, см
|
Sx, см3
|
Iy, см4
|
Wy, см3
|
i0, см
|
5У
|
50
|
32
|
4,4
|
7,0
|
6,0
|
2,5
|
6,16
|
4,84
|
22,8
|
9,1
|
1,92
|
5,59
|
5,61
|
2,75
|
0,95
|
1,16
|
6,5У
|
65
|
36
|
4,4
|
7,2
|
6,0
|
2,5
|
7,51
|
5,90
|
48,6
|
15,0
|
2,54
|
9,00
|
8,70
|
3,68
|
1,08
|
1,24
|
8У
|
80
|
40
|
4,5
|
7,4
|
6,5
|
2,5
|
8,98
|
7,05
|
89,4
|
22,4
|
3,16
|
13,30
|
12,80
|
4,75
|
1,19
|
1,31
|
10У
|
100
|
46
|
4,5
|
7,6
|
7,0
|
3,0
|
10,90
|
8,59
|
174,0
|
34,8
|
3,99
|
20,40
|
20,40
|
6,46
|
1,37
|
1,44
|
12У
|
120
|
52
|
4,8
|
7,8
|
7,5
|
3,0
|
13,30
|
10,40
|
304,0
|
50,6
|
4,78
|
29,60
|
31,20
|
8,52
|
1,53
|
1,54
|
14У
|
140
|
58
|
4,9
|
8,1
|
8,0
|
3,0
|
15,60
|
12,30
|
491,0
|
70,2
|
5,60
|
40,80
|
45,40
|
11,00
|
1,70
|
1,67
|
16У
|
160
|
64
|
5,0
|
8,4
|
8,5
|
3,5
|
18,10
|
14,20
|
747,0
|
93,4
|
6,42
|
54,10
|
63,30
|
13,80
|
1,87
|
1,80
|
16аУ
|
160
|
68
|
5,0
|
9,0
|
8,5
|
3,5
|
19,50
|
15,30
|
823,0
|
103,0
|
6,49
|
59,40
|
78,80
|
16,40
|
2,01
|
2,00
|
18У
|
180
|
70
|
5,1
|
8,7
|
9,0
|
3,5
|
20,70
|
16,30
|
1090,0
|
121,0
|
7,24
|
69,80
|
86,00
|
17,00
|
2,04
|
1,94
|
18аУ
|
180
|
74
|
5,1
|
9,3
|
9,0
|
3,5
|
22,20
|
17,40
|
1190,0
|
132,0
|
7,32
|
76,10
|
105,00
|
20,00
|
2,18
|
2,13
|
20У
|
200
|
76
|
5,2
|
9,0
|
9,5
|
4,0
|
23,40
|
18,40
|
1520,0
|
152,0
|
8,07
|
87,80
|
113,00
|
20,50
|
2,20
|
2,07
|
22У
|
220
|
82
|
5,4
|
9,5
|
10,0
|
4,0
|
26,70
|
21,00
|
2110,0
|
192,0
|
8,89
|
110,00
|
151,00
|
25,10
|
2,37
|
2,21
|
24У
|
240
|
90
|
5,6
|
10,0
|
10,5
|
4,0
|
30,60
|
24,00
|
2900,0
|
242,0
|
9,73
|
139,00
|
208,00
|
31,60
|
2,60
|
2,42
|
27У
|
270
|
95
|
6,0
|
10,5
|
11,0
|
4,5
|
35,20
|
27,70
|
4160,0
|
308,0
|
10,90
|
178,00
|
262,00
|
37,30
|
2,73
|
2,47
|
30У
|
300
|
100
|
6,5
|
11,0
|
12,0
|
5,0
|
40,50
|
31,80
|
5810,0
|
387,0
|
12,00
|
224,00
|
327,00
|
43,60
|
2,84
|
2,52
|
33У
|
330
|
105
|
7,0
|
11,7
|
13,0
|
5,0
|
46,50
|
36,50
|
7980,0
|
484,0
|
13,10
|
281,00
|
410,00
|
51,80
|
2,97
|
2,59
|
36У
|
360
|
110
|
7,5
|
12,6
|
14,0
|
6,0
|
53,40
|
41,90
|
10820,0
|
601,0
|
14,20
|
350,00
|
513,00
|
61,70
|
3,10
|
2,68
|
40У
|
400
|
115
|
8,0
|
13,5
|
15,0
|
6,0
|
61,50
|
48,30
|
15220,0
|
761,0
|
15,70
|
444,00
|
642,00
|
73,40
|
3,23
|
2,75
|
(Поправка. ИУС 12-2004 г.).
Таблица 2 - Швеллеры с параллельными гранями полок
Номер швеллера серии П
|
h
|
b
|
s
|
t
|
R
|
r
|
Площадь поперечного
сечения F, см2
|
Масса 1 м, кг
|
Справочные значения для
осей
|
X0,
см
|
не более
|
Х-Х
|
Y-Y
|
мм
|
Ix,
см4
|
Wx,
см3
|
ix,
см
|
Sx,
см3
|
Iy,
см4
|
Wy,
см3
|
iy,
см
|
5П
|
50
|
32
|
4,4
|
7,0
|
6,0
|
3,5
|
6,16
|
4,84
|
22,8
|
9,1
|
1,92
|
5,61
|
5,95
|
2,99
|
0,98
|
1,21
|
6,5П
|
65
|
36
|
4,4
|
7,2
|
6,0
|
3,5
|
7,51
|
5,90
|
48,8
|
15,0
|
2,55
|
9,02
|
9,35
|
4,06
|
1,12
|
1,29
|
8П
|
80
|
40
|
4,5
|
7,4
|
6,5
|
3,5
|
8,98
|
7,05
|
89,8
|
22,5
|
3,16
|
13,30
|
13,90
|
5,31
|
1,24
|
1,38
|
10П
|
100
|
46
|
4,5
|
7,6
|
7,0
|
4,0
|
10,90
|
8,59
|
175,0
|
34,9
|
3,99
|
20,50
|
22,60
|
7,37
|
1,44
|
1,53
|
12П
|
120
|
52
|
4,8
|
7,8
|
7,5
|
4,5
|
13,30
|
10,40
|
305,0
|
50,8
|
4,79
|
29,70
|
34,90
|
9,84
|
1,62
|
1,66
|
14П
|
140
|
58
|
4,9
|
8,1
|
8,0
|
4,5
|
15,60
|
12,30
|
493,0
|
70,4
|
5,61
|
40,90
|
51,50
|
12,90
|
1,81
|
1,82
|
16П
|
160
|
64
|
5,0
|
8,4
|
8,5
|
5,0
|
18,10
|
14,20
|
750,0
|
93,8
|
6,44
|
54,30
|
72,80
|
16,40
|
2,00
|
1,97
|
16аП
|
160
|
68
|
5,0
|
9,0
|
8,5
|
5,0
|
19,50
|
15,30
|
827,0
|
103,0
|
6,51
|
59,50
|
90,50
|
19,60
|
2,15
|
2,19
|
18П
|
180
|
70
|
5,1
|
8,7
|
9,0
|
5,0
|
20,70
|
16,30
|
1090,0
|
121,0
|
7,26
|
70,00
|
100,00
|
20,60
|
2,20
|
2,14
|
18аП
|
180
|
74
|
5,1
|
9,3
|
9,0
|
5,0
|
22,20
|
17,40
|
1200,0
|
133,0
|
7,34
|
76,30
|
123,00
|
24,30
|
2,35
|
2,36
|
20П
|
200
|
76
|
5,2
|
9,0
|
9,5
|
5,5
|
23,40
|
18,40
|
1530,0
|
153,0
|
8,08
|
88,00
|
134,00
|
25,20
|
2,39
|
2,30
|
22П
|
220
|
82
|
5,4
|
9,5
|
10,0
|
6,0
|
26,70
|
21,00
|
2120,0
|
193,0
|
8,90
|
111,00
|
178,00
|
31,00
|
2,58
|
2,47
|
24П
|
240
|
90
|
5,6
|
10,0
|
10,5
|
6,0
|
30,60
|
24,00
|
2910,0
|
243,0
|
9,75
|
139,00
|
248,00
|
39,50
|
2,85
|
2,72
|
27П
|
270
|
95
|
6,0
|
10,5
|
11,0
|
6,5
|
35,20
|
27,70
|
4180,0
|
310,0
|
10,90
|
178,00
|
314,00
|
46,70
|
2,99
|
2,78
|
30П
|
300
|
100
|
6,5
|
11,0
|
12,0
|
7,0
|
40,50
|
31,80
|
5830,0
|
389,0
|
12,00
|
224,00
|
393,00
|
54,80
|
3,12
|
2,83
|
33П
|
330
|
105
|
7,0
|
11,7
|
13,0
|
7,5
|
46,50
|
36,50
|
8010,0
|
486,0
|
13,10
|
281,00
|
491,00
|
64,60
|
3,25
|
2,90
|
36П
|
360
|
110
|
7,5
|
12,6
|
14,0
|
8,5
|
53,40
|
41,90
|
10850,0
|
603,0
|
14,30
|
350,00
|
611,00
|
76,30
|
3,38
|
2,99
|
40П
|
400
|
115
|
8,0
|
13,5
|
15,0
|
9,0
|
61,50
|
48,30
|
15260,0
|
763,0
|
15,80
|
445,00
|
760,00
|
89,90
|
3,51
|
3,05
|
(Поправка. ИУС 12-2004 г.).
Таблица 3 - Швеллеры экономичные с параллельными гранями
полок
Номер швеллера серии Э
|
h
|
b
|
s
|
t
|
R
|
r
|
Площадь поперечного
сечения F,см2
|
Масса 1 м, кг
|
Справочные значения для
осей
|
X0,
см
|
не более
|
Х-Х
|
Y-Y
|
мм
|
Ix,
см4
|
Wx,
см3
|
ix,
см
|
Sx,
см3
|
Iy,
см4
|
Wy,
см3
|
iy,
см
|
5Э
|
50
|
32
|
4,2
|
7,0
|
6,5
|
2,5
|
6,10
|
4,79
|
22,9
|
9,17
|
1,94
|
5,62
|
6,02
|
3,05
|
0,993
|
1,23
|
6,5Э
|
65
|
36
|
4,2
|
7,2
|
6,5
|
2,5
|
7,41
|
5,82
|
48,9
|
15,05
|
2,57
|
9,02
|
9,42
|
4,13
|
1,127
|
1,32
|
8Э
|
80
|
40
|
4,2
|
7,4
|
7,5
|
2,5
|
8,82
|
6,92
|
90,0
|
22,50
|
3,19
|
13,31
|
13,93
|
5,38
|
1,257
|
1,41
|
10Э
|
100
|
46
|
4,2
|
7,6
|
9,0
|
3,0
|
10,79
|
8,47
|
175,9
|
35,17
|
4,04
|
20,55
|
22,68
|
7,47
|
1,450
|
1,56
|
12Э
|
120
|
52
|
4,5
|
7,8
|
9,5
|
3,0
|
13,09
|
10,24
|
307,0
|
51,17
|
4,84
|
29,75
|
35,12
|
10,03
|
1,638
|
1,70
|
14Э
|
140
|
58
|
4,6
|
8,1
|
10,0
|
3,0
|
15,41
|
12,15
|
495,7
|
70,81
|
5,67
|
40,96
|
51,76
|
13,13
|
1,833
|
1,86
|
16Э
|
160
|
64
|
4,7
|
8,4
|
11,0
|
3,5
|
17,85
|
14,01
|
755,5
|
94,43
|
6,50
|
54,41
|
73,17
|
16,70
|
2,024
|
2,02
|
18Э
|
180
|
70
|
4,8
|
8,7
|
11,5
|
3,5
|
20,40
|
16,01
|
1097,9
|
121,99
|
7,34
|
70,05
|
100,51
|
20,87
|
2,219
|
2,18
|
20Э
|
200
|
76
|
4,9
|
9,0
|
12,0
|
4,0
|
23,02
|
18,07
|
1537,1
|
153,71
|
8,17
|
88,03
|
134,07
|
25,54
|
2,413
|
2,35
|
22Э
|
220
|
82
|
5,1
|
9,5
|
13,0
|
4,0
|
26,36
|
20,69
|
2134,2
|
194,02
|
9,00
|
111,00
|
179,05
|
31,54
|
2,606
|
2,52
|
24Э
|
240
|
90
|
5,3
|
10,0
|
13,0
|
4,0
|
30,19
|
23,69
|
2927,0
|
243,92
|
9,85
|
139,08
|
249,03
|
40,07
|
2,872
|
2,78
|
27Э
|
270
|
95
|
5,8
|
10,5
|
13,0
|
4,5
|
34,87
|
27,37
|
4200,2
|
311,12
|
10,97
|
178,25
|
316,24
|
47,43
|
3,011
|
2,83
|
30Э
|
300
|
100
|
6,3
|
11,0
|
13,0
|
5,0
|
39,94
|
31,35
|
5837,1
|
389,14
|
12,09
|
224,00
|
395,57
|
55,58
|
3,147
|
2,88
|
33Э
|
330
|
105
|
6,9
|
11,7
|
13,0
|
5,0
|
46,15
|
36,14
|
8021,8
|
488,17
|
13,18
|
281,23
|
497,02
|
65,78
|
3,282
|
2,94
|
36Э
|
360
|
110
|
7,4
|
12,6
|
14,0
|
6,0
|
52,90
|
41,53
|
10864,5
|
603,58
|
14,33
|
350,05
|
618,92
|
77,76
|
3,420
|
3,04
|
40Э
|
400
|
115
|
7,9
|
13,5
|
15,5
|
6,0
|
61,11
|
47,97
|
15307,9
|
765,40
|
15,83
|
445,41
|
770,89
|
91,80
|
3,552
|
3,10
|
Таблица 4 - Швеллеры легкой серии с параллельными гранями
полок
Номер швеллера серии Л
|
h
|
b
|
s
|
t
|
R
|
r
|
Площадь поперечного сечения
F, см2
|
Масса 1 м, кг
|
Справочные значения для
осей
|
X0,
см
|
не более
|
Х-Х
|
Y-Y
|
мм
|
Ix,
см4
|
Wx,
см3
|
ix,
см
|
Sx,
см3
|
Iy,
см4
|
Wy,
см3
|
iy,
см
|
12Л
|
120
|
30
|
3,0
|
4,8
|
7
|
-
|
6,39
|
5,02
|
135,26
|
22,54
|
4,60
|
13,43
|
5,02
|
2,24
|
0,89
|
0,76
|
14Л
|
140
|
32
|
3,2
|
5,6
|
7
|
-
|
7,57
|
5,94
|
212,94
|
30,42
|
5,31
|
18,23
|
6,55
|
2,70
|
0,93
|
0,78
|
16Л
|
160
|
35
|
3,4
|
5,3
|
8
|
-
|
9,04
|
7,10
|
331,96
|
41,49
|
6,06
|
24,84
|
9,23
|
3,46
|
1,01
|
0,83
|
18Л
|
180
|
40
|
3,6
|
5,6
|
8
|
-
|
10,81
|
8,49
|
503,87
|
55,98
|
6,83
|
33,49
|
14,64
|
4,10
|
1,16
|
0,94
|
20Л
|
200
|
45
|
3,8
|
6,0
|
9
|
-
|
12,89
|
10,12
|
748,17
|
74,82
|
7,62
|
44,59
|
22,37
|
6,51
|
1,32
|
1,06
|
22Л
|
220
|
50
|
4,0
|
6,4
|
10
|
-
|
15,11
|
11,86
|
1070,97
|
97,36
|
8,42
|
57,82
|
32,85
|
8,61
|
1,47
|
1,19
|
24Л
|
240
|
55
|
4,2
|
6,8
|
10
|
-
|
17,41
|
13,66
|
1476,39
|
123,03
|
9,21
|
72,90
|
46,25
|
11,04
|
1,63
|
1,31
|
27Л
|
270
|
60
|
4,5
|
7,3
|
11
|
-
|
20,77
|
16,30
|
2218,16
|
164,31
|
10,33
|
97,48
|
65,10
|
14,17
|
1,77
|
1,40
|
30Л
|
300
|
65
|
4,8
|
7,8
|
11
|
-
|
24,30
|
19,07
|
3186,74
|
212,45
|
11,45
|
126,24
|
89,08
|
17,84
|
1,91
|
1,51
|
Таблица 5 - Швеллеры специальные
Номер швеллера серии C
|
h
|
b
|
s
|
t
|
R
|
r
|
Уклон полок, %
|
Площадь поперечного
сечения F, см2
|
Масса 1 м, кг
|
Справочные значения для осей
|
X0,
см
|
не более
|
X-X
|
Y-Y
|
мм
|
Ix,
см4
|
Wx,
см3
|
ix,
см
|
Iy,
см4
|
Wy,
см3
|
iy,
см
|
8С
|
80
|
45
|
5,5
|
9,0
|
9,0
|
1,5
|
6
|
11,80
|
9,26
|
115,82
|
28,95
|
3,13
|
22,24
|
7,63
|
1,38
|
1,57
|
14С
|
140
|
58
|
6,0
|
9,5
|
9,5
|
4,75
|
-
|
18,51
|
14,53
|
563,70
|
80,50
|
5,52
|
53,20
|
13,01
|
1,70
|
1,71
|
14Са
|
140
|
60
|
8,0
|
9,5
|
9,5
|
5,0
|
10
|
21,30
|
16,72
|
609,10
|
87,01
|
5,35
|
61,02
|
14,09
|
1,69
|
1,67
|
16С
|
160
|
63
|
6,5
|
10,0
|
10,0
|
5,0
|
-
|
21,95
|
17,53
|
866,20
|
108,30
|
6,28
|
73,30
|
16,30
|
1,83
|
1,80
|
16Са
|
160
|
65
|
8,5
|
10,0
|
10,0
|
5,0
|
-
|
25,15
|
19,74
|
934,50
|
116,80
|
6,10
|
83,40
|
17,55
|
1,82
|
1,75
|
18С
|
180
|
68
|
7,0
|
10,5
|
10,5
|
5,3
|
-
|
25,70
|
20,20
|
1272,00
|
141,00
|
7,04
|
98,50
|
20,10
|
1,96
|
1,88
|
18Са
|
180
|
70
|
9,0
|
10,5
|
10,5
|
5,3
|
-
|
29,30
|
23,00
|
1370,00
|
152,00
|
6,84
|
111,00
|
21,30
|
1,95
|
1,84
|
18Сб
|
180
|
100
|
8,0
|
10,5
|
10,5
|
5,0
|
6
|
34,04
|
26,72
|
1791,01
|
199,00
|
7,25
|
305,48
|
43,58
|
3,00
|
2,99
|
20С
|
200
|
73
|
7,0
|
11,0
|
11,0
|
5,5
|
10
|
28,83
|
22,63
|
1780,37
|
178,04
|
7,86
|
128,04
|
24,19
|
2,11
|
2,02
|
20Са
|
200
|
75
|
9,0
|
11,0
|
11,0
|
5,5
|
10
|
32,83
|
25,77
|
1913,71
|
191,37
|
7,64
|
143,63
|
25,88
|
2,09
|
1,95
|
20Сб
|
200
|
100
|
8,0
|
11,0
|
11,0
|
5,5
|
6
|
36,58
|
28,71
|
2360,88
|
236,09
|
8,03
|
327,23
|
46,30
|
2,99
|
2,93
|
24С
|
240
|
85
|
9,5
|
14,0
|
14,0
|
7,0
|
-
|
44,46
|
34,90
|
3841,35
|
320,11
|
9,29
|
268,89
|
43,70
|
2,46
|
2,35
|
26С
|
260
|
65
|
10,0
|
16,0
|
15,0
|
3,0
|
-
|
44,09
|
34,61
|
4088,00
|
314,50
|
9,63
|
115,60
|
171,60
|
5,03
|
3,91
|
26Са
|
260
|
90
|
10,0
|
15,0
|
15,0
|
7,5
|
8
|
50,60
|
39,72
|
5130,83
|
394,68
|
10,07
|
343,15
|
52,62
|
2,60
|
2,48
|
30С
|
300
|
85
|
7,5
|
13,5
|
13,5
|
7,0
|
10
|
43,88
|
34,44
|
6045,43
|
403,03
|
11,74
|
260,74
|
41,41
|
2,44
|
2,20
|
30Са
|
300
|
87
|
9,5
|
13,5
|
13,5
|
7,0
|
10
|
49,88
|
39,15
|
6495,43
|
433,03
|
11,41
|
288,78
|
43,93
|
2,41
|
2,13
|
30Сб
|
300
|
89
|
11,5
|
13,5
|
13,5
|
7,0
|
10
|
55,88
|
43,86
|
6945,43
|
463,03
|
11,15
|
315,35
|
46,29
|
2,38
|
2,09
|
|
|
|
|
|
|
|
|
|
|
|
|
|
|
|
|
|
|
(Поправка. ИУС 12-2004 г.).
2.3.2 Значения
радиусов закругления, уклона внутренних граней полок, указанных на рисунках 1 и 2 и приведенных в таблицах
1-5, используют для построения калибров и на профиле не контролируют.
2.4 Форма
швеллера и предельные отклонения по размерам должны соответствовать приведенным
на рисунках 1-3 и в таблице 6.
(Поправка. ИУС 12-2004 г.).
2.4.1 Уклон
внутренних граней полок швеллеров серии У должен быть в пределах от 4 % до 10
%.
По соглашению
потребителя с изготовителем уклон внутренних граней полок не должен превышать 8
% при h 300 мм и 5 % при h
> 300 мм.
2.5 Притупление
прямых углов швеллеров до № 20 не должно превышать 2,5 мм, свыше № 20-3,5 мм.
Притупление внешних углов не контролируют.
2.6 Швеллеры
изготовляют длиной от 2 до 12 м, по соглашению потребителя с изготовителем -
длиной свыше 12 м:
- мерной длины;
- мерной длины с
немерной в количестве не более 5 % массы партии;
- кратной мерной
длины;
- кратной мерной
длины с немерной в количестве не более 5 % массы партии;
- немерной
длины;
ограниченной
длины в пределах немерной.

Рисунок 3
(Поправка. ИУС 12-2004 г.).
Таблица 6 -
Предельные отклонения параметров
В миллиметрах
Параметр
|
Интервал значений параметра
|
Предельное отклонение
|
Высота h
|
До 80 включ.
|
±1,5
|
Св. 80 » 200 »
|
±2,0
|
» 200 » 400 »
|
±3,0
|
Ширина полки b
|
До 40 включ.
|
±1,5
|
Св. 40 » 89 »
|
±2,0
|
» 89
|
±3,0
|
Толщина полки t
|
До 10 включ.
|
-0,5
|
Св. 10 » 11 »
|
-0,8
|
» 11
|
-1.0
|
Толщина стенки s
|
До 5,1 включ.
|
±0,5
|
Св. 5,1 » 6,0 »
|
±0,6
|
» 6,0
|
±0,7
|
Перекос полки Δ при ширине
полки b, не более
|
До 95 включ.
|
1,0
|
Св. 95
|
0,015b
|
Прогиб стенки f по высоте h сечения профиля, не более
|
До 100 включ.
|
0,5
|
Св. 100 » 200 »
|
1,0
|
» 200 » 400 »
|
1,5
|
Примечания
1 Для швеллеров серии Л прогиб
стенки не должен превышать 0,15s.
2 Для швеллеров серий У и П
предельные отклонения по толщине стенки не контролируют.
3 Перекос полки Δ и прогиб
стенки f швеллера измеряют, как показано на рисунке 3.
|
2.7 Предельные
отклонения по длине швеллеров мерной и кратной мерной длины не должны
превышать:
+40 мм - при
длине от 2 до 8 м включ.;
+[40 + 5(l
- 8)] мм, но не более 100 мм - при длине св. 8 м,
где l - длина швеллера, м.
(Поправка. ИУС 12-2004 г.).
2.8 Швеллеры
должны быть обрезаны. Косина реза не должна выводить длину швеллеров за
предельные отклонения по длине.
Длина отдельного
швеллера - это наибольшая длина условно вырезанной штанги с торцами,
перпендикулярными к продольной оси.
2.9 Кривизна
швеллера в горизонтальной и вертикальной плоскостях не должна превышать 0,2 %
длины; по соглашению изготовителя с потребителем - до 0,15 % длины.
2.10 Предельные
отклонения по массе не должны превышать ±4 % для партии и ±6 % для отдельного
швеллера.
Отклонение от
массы - это разность между фактической массой в состоянии поставки и
рассчитанной по данным таблиц 1-5.
При расчете
массы партии к метражу швеллеров мерной или кратной мерной длины прибавляют 0,5
от суммы предельных отклонений по длине швеллеров в партии.
2.11 Размеры и
геометрическую форму швеллера контролируют на расстоянии не менее 500 мм от
торца. Высоту швеллера контролируют в плоскости стенки, толщину стенки - у
торца профиля.
Ключевые слова: швеллеры
горячекатаные, сортамент, параметры, размеры, предельные отклонения, справочные
величины
(Поправка.
ИУС 10-2009 г.)
|