Информационная система
«Ёшкин Кот»

XXXecatmenu

МИНИСТЕРСТВО МОНТАЖНЫХ И СПЕЦИАЛЬНЫХ СТРОИТЕЛЬНЫХ РАБОТ СССР

Инструкция
по оконцеванию, соединению и ответвлению алюминиевых и медных жил изолированных проводов и кабелей и соединению их с контактнымИ выводами электротехнических устройств

ВСН 139-83

ММСС СССР

Утверждена

Минмонтажспецстроем

СССР 5 марта 1983 г.

Согласована с Главным

техническим управлением

по эксплуатации энергосистем

Минэнерго СССР

20 августа 1980 г.

Москва

ЭНЕРГОАТОМИЗДАТ

1985

СОДЕРЖАНИЕ

1. Общие положения. 2

2. Соединение, оконцевание и ответвление жил опрессовкой. 5

2.1. Общие сведения. 5

2.2. Опрессовка алюминиевых жил. 5

2.3. Опрессовка медных жил. 10

2.4. Контроль качества оконцеваний и соединений, выполненных опрессовкой. 11

3. Соединение, оконцевание и ответвление алюминиевых жил сваркой. 11

3.1. Пропано-кислородная сварка. 11

3.2. Термитная сварка. 19

3.3. Дуговая сварка. 24

3.4. Электросварка контактным разогревом.. 26

3.5. Контроль качества сварных соединений, оконцеваний и ответвлений жил. 28

4. Соединение, оконцевание и ответвление жил пайкой. 28

4.1. Соединение, оконцевание и ответвление жил сечением до 10 мм2 пропаянной скруткой и оформлением в кольцо. 28

4.2. Соединение и ответвление жил сечением 16-240 мм2 непосредственным сплавлением припоя в формах (медных гильзах) или поливом предварительно расплавленным припоем.. 29

4.3. Соединение алюминиевых жил с медными и жил разных сечений. 31

4.4. Оконцевание алюминиевых и медных жил наконечниками п. 31

4.5. Соединение медных жил с плоскими и штыревыми выводами. 32

5. Соединение жил проводов и кабелей с контактными выводами электрооборудования. 32

5.1. Конструкция контактных выводов. 32

5.2. Инструмент и материалы.. 33

5.3. Соединение алюминиевых жил с плоскими контактными выводами. 33

5.4. Соединение медных жил с плоскими контактными выводами. 35

5.5. Соединение алюминиевых жил со штыревыми выводами. 36

5.6. Соединение медных жил со штыревыми выводами. 37

5.7. Соединение жил с гнездовыми выводами и зажимами. 37

5.8. Соединение жил с троллеями и магистральными токопроводами. 37

5.9. Защита соединений от коррозии и воздействия внешней среды.. 38

5.10. Контроль качества соединений. 38

6. Техника безопасности. 38

Приложение 1. Перечень нормативных документов. 39

Приложение 2. Соединительные гильзы гао (ту 36-1441-70), закрепляемые опрессовкой на алюминиевых однопроволочных проводах сечением 2,5-10 мм2 (гост 22483-77) 42

Приложение 3. Расход материалов на 100 опрессованных соединений. 42

Приложение 4. Алюминиевые гильзы (гост 23469.2-79) 42

Приложение 5. Алюминиевые та и медно-алюминиевые там кабельные наконечники (гост 9581-63), закрепляемые опрессовкой. 43

Приложение 6. Штифтовые медно-алюминиевые кабельные наконечники шп (ту 36-849-76) 43

Приложение 7. Медные кабельные гильзы (гост 23469.3-79) 43

Приложение 8. Медные кабельные наконечники т (гост 7386-80), закрепляемые опрессовкой. 44

Приложение 9. Кольцевые кабельные наконечники п (гост 9688-76) 44

Приложение 10. Формы для пропано-кислородной сварки алюминиевых жил. 44

Приложение 11. Алюминиевые гильзы к термитным патронам для сварки кабелей 20 и 35 кв.. 45

Приложение 12. Наконечники а из алюминиевого сплава. 45

Приложение 13. Химическая обработка сварочной проволоки из алюминия и алюминиевых сплавов. 46

Приложение 14. Электрододержатель на ток до 800 а.. 46

Приложение 15. Формующее приспособление для оконцевания. 46

Приложение 16. Расход материалов при сварке. 46

Приложение 17. Электроды из графитированного угля (гост 10720-75) 49

Приложение 18. Продолжительность, мин, соединения, ответвления и оконцевания алюминиевых жил пропано-кислородной сваркой. 50

Приложение 19. Цилиндрические разъемные сварочные формы.. 51

Приложение 20. Расход материалов при пайке (на 100 контактных соединений) 51

Приложение 21. Разъемные формы для соединения алюминиевых жил пайкой. 51

Приложение 22. Разъемные формы для соединения алюминиевых жил пайкой. 52

Приложение 23. Переходные разъемные формы для соединения алюминиевых жил с медной пайкой. 52

Приложение 24. Неразъемные формы для пайки алюминиевых жил. 53

Приложение 25. Формы для ответвления жил пайкой. 53

Приложение 26. Переходные гильзы для соединения жил разных сечений пайкой. 53

Приложение 27. Комбинированные соединительные гильзы для кабелей 35 кв с медными жилами. 54

Приложение 28. Расход материалов на соединение и оконцевание алюминиевых и медных жил сечением 16-240 мм2 пайкой (на 100 контактных соединений) 54

Приложение 29. Защитный стальной экран. 54

Инструкция разработана Всесоюзным государственным научно-исследовательским и проектным институтом ВНИИпроектэлектромонтаж.

Распространяется на способы выполнения разборных и неразборных контактных соединений, оконцеваний и ответвлений жил изолированных проводов и кабелей, а также соединений жил с контактными выводами электротехнических устройств. С введением в действие настоящей инструкции отменяются: МСН 139-67/ММСС СССР; ВСН 300-72/ММСС СССР; "Инструктивные указания по соединению, ответвлению и оконцеванию гибкого токопровода (кабеля) сечением 1000 и 1500 мм2"; "Инструктивные указания по оконцеванию алюминиевых жил проводов и кабелей путем сплавления их в форму стержня".

Инструкция предназначена для инженерно-технических работников и квалифицированных рабочих электромонтажных организации.

Минмонтажспецстрой СССР

Ведомственные строительные нормы

Инструкция по оконцеванию, соединению и ответвлению алюминиевых и медных жил изолированных проводов и кабелей и соединению их с контактными выводами электротехнических устройств

Взамен: ; ; "Инструктивных указаний по соединению, ответвлению и оконцеванию гибкого токопровода (кабеля) сечением 1000 и 1500 мм2"; "Инструктивных указаний по оконцеванию алюминиевых жил проводов и кабелей путем сплавления их в форму стержня"

1. ОБЩИЕ ПОЛОЖЕНИЯ

Инструкция распространяется на способы соединения, оконцевания и ответвления жил изолированных проводов и кабелей, а также соединения жил с контактными выводами электротехнических устройств, установочными изделиями и шинопроводами и предусматривает выполнение неразборных (сварных, паяных и спрессованных) и разборных (винтовых, болтовых и сжимных) соединений. Смонтированные сварные, паяные и опрессованные соединения, не работающие на растяжение, а также соединения проводников с гнездовыми выводами и зажимами согласно ГОСТ 10434-82 должны выдерживать осевые статические нагрузки на растяжение, составляющие не менее 30% временного сопротивления разрыву целого проводника.

В соответствии с требованиями ГОСТ 10434-82 электрическое сопротивление смонтированного соединения (кроме штыревого) должно быть не выше сопротивления целого участка соединяемого проводника такой же длины, что и контактное соединение.

Предельная длительно допустимая рабочая температура жил кабелей не должна превышать значений, указанных в документации на конкретный вид кабеля или провода.

В установках до 1000 В допустимые абсолютные температуры контактных соединений проводов или кабелей из меди, алюминия и его сплавов без защитных покрытий контактных поверхностей составляют 95, с защитными покрытиями неблагородными металлами 105 °С.

В инструкцию не включены (или изложены сокращенно) устаревшие способы выполнения контактных соединений: бензо- и ацетилено-кислородная сварка, сварка контактным разогревом и электродуговая сварка угольным электродом.

В табл. 1.1 указаны области применения способов оконцевания, соединения и ответвления. Приняты следующие термины:

следует применять - способ является лучшим и должен применяться в первую очередь;

рекомендуется - способ является одним из лучших, но не обязательным;

допускается - способ является удовлетворительным, а в ряде случаев вынужденным.

Выбор способов зависит от материала и сечения жил, напряжения, требований к надежности электроустановки.

Внесены ВНИИпроектэлектромонтажем

Утверждены Минмонтажспецстроем СССР

5 марта 1983 г.

Срок введения

1 июля 1983 г.

Таблица 1.1

№ п.п.

Способ

Сечение жил проводов и кабелей, мм2

Область применения

Провода напряжением до 2 кВ

Кабели напряжением, кВ, до

1

10

35

 

Оконцевание медных жил изолированных проводов и кабелей

1

Опрессовка:

с применением наконечников (ГОСТ 7 386-80) многопроволочных жил в кольцевых наконечниках (пистонах)

4-240

 

Следует применять

 

1-2,5

Следует применять

-

-

2

Пайка:

с применением наконечников П

1,5-300

Следует применять

-

с изгибанием конца многопроволочной жилы в кольцо и пропайкой

0,35-2,5

Следует применять

-

-

-

многопроволочных жил с образованием монолита при втычном соединении

16-240

Следует применять

Допускается

-

-

 

с применением наконечников

70-150

-

-

-

Следует применять

3

Изгибание конца однопроволочной жилы в кольцо

0,75-10

Следует применять

-

-

 

Соединение медных жил изолированных проводов и кабелей

4

Опрессовка с применением гильз (ГОСТ 23469.3-79)

4-240

 

Следует применять

-

5

Пайка:

жил 20-35 кВ с применением гильз

25-185

-

-

-

Следует применять

с применением гильз (ГОСТ 5676-76)

4-240

Следует применять

-

с применением скрутки

0,35-10

Рекомендуется

-

-

 

Ответвление медных жил изолированных проводов и кабелей

6

Пайка:

с применением гильз (ГОСТ 6107-77)

16-240

Следует применять

 

с применением скрутки

0,35-10

Рекомендуется

-

-

7

Ответвление от магистрали сжимами

Магистраль 4-150; ответвление 1,5-95

Следует применять при ответвлении от не разрезных магистралей

-

-

-

 

Оконцевание алюминиевых жил изолированных проводов и кабелей

8

Опрессовка:

с применением наконечников (ГОСТ 9581-80, 23598-79)

16-240

Следует применять

-

9

Пропано-кислородная сварка в стальных формах:

 

 

 

с применением пластин из твердого сплава АД31Т1

50-240

Рекомендуется

 

300-1500

Следует применять

-

с применением наконечников ЛС

300-1500

 

Тоже

 

-

сплавлением в монолит с добавкой легирующих присадок

16-240

Рекомендуется

-

-

10

Термитная сварка с применением наконечников ЛС

300-80

Следует применять

-

11

Электродуговая сварка плавящимся электродом в защитном газе:

с применением наконечников А

16-240

Следует применять

Допускается

-

-

с применением наконечников Л

300-1500

То же

Рекомендуется

-

-

12

Электродуговая сварка неплавящимся электродом:

вольфрамовым в защитном газе с применением наконечников А

16-240

Следует применять

Допускается

-

-

угольным с применением наконечников Л

300-1500

Следует применять

Рекомендуется

-

-

13

Выштамповка на конце однопроволочной жилы наконечника пороховым прессом

25-240

Рекомендуется

-

14

Пайка с применением наконечников П

16-240

Следует применять

-

15

Изгибание конца однопроволочной жилы в кольцо

2,5-10

Следует применять

-

-

16

Пайка жил 20-35 кВ с применением наконечников

25-185

-

-

-

Следует применять

 

Соединение алюминиевых жил изолированных проводов и кабелей

17

Опрессовка:

с применением гильз (ГОСТ 23469.2-79)

16-95

Следует применять

Рекомендуется

-

-

120-240

То же

Допускается

-

-

с применением гильз ГАО

2,5-10

 

"

-

-

18

Пропано-кислородная сварка однопроволочных жил

5-35 (суммарное сечение)

Следует применять

Рекомендуется

-

-

19

Пропано-кислородная сварка:

в стальных формах

16-240

Рекомендуется

Допускается

-

-

соединение жил встык

300-1500

Следует применять

-

соединение сплавлением по торцам в общий монолитный стержень

32-240 (суммарное сечение)

Рекомендуется

-

-

-

20

Термитная сварка:

соединение жил встык

16-800

Следует применять

.

соединение сплавлением по торцам в общий монолитный стержень

50-240 (суммарное сечение)

Следует применять

-

-

-

21

Электросварка однопроволочных жил с применением аппарата ВКЗ

5-12,5 (суммарное сечение)

Следует применять

-

-

22.

Пайка:

способом полива

16-240

 

Следует применять

 

непосредственным сплавлением припоя

16-240

 

Рекомендуется

 

с применением двойной скрутки с желобом

2,5-10

Допускается

 

 

23

Электросварка контактным разогревом:

однопроволочных жил угольным электродом в клещах

5-10 - (суммарное сечение)

Рекомендуется

-

-

сплавлением по торцам в общий монолитный стержень

32-240 (суммарное сечение)

Рекомендуется

-

-

-

 

Ответвление алюминиевых жил изолированных проводов и кабелей

24

Опрессовка с применением гильз ГАО

2,5-10

Следует применять

Допускается

-

-

25

Пропано-кислородная сварка в стальных формах:

сплавлением по торцам в общий монолитный стержень

50-240 (суммарное сечение)

Рекомендуется

-

-

-

ответвление в тройниковой форме

800-1500

Следует применять

-

-

26

Термитная сварка сплавлением по торцам в общий монолитный стержень

50-240

(суммарное сечение)

Следует применять

-

-

-

27

Электросварка однопроволочных ЖИЛ с применением аппарата ВКЗ

5-12,5 (суммарное сечение)

Следует применять

-

-

28

Пайка способом полива расплавленным припоем в формах

16-240

Тоже

 

 

29

Пайка:

с применением двойной скрутки с желобом

2,5-10

Допускается

 

 

непосредственным сплавлением припоя в формах

16-240

Тоже

-

-

30

Ответвления от магистрали сжимом в изолирующем корпусе

Магистраль 4-150; ответвление 2,5-95

Допускается применять при ответвлении от неразрезанных магистралей

-

-

-

Примечания: 1. Оконцевание, соединение и ответвление жил кабелей, выполняемые пропано-кислородной сваркой в стальных формах, электродуговой сваркой плавящимся и неплавящимся электродами в защитном газе, выштамповкой на конце однопроволочной жилы наконечника пороховым прессом могут быть применены в организациях Минэнерго СССР по согласованию с энергосистемами для опытно-промышленной эксплуатации (1984-1988 гг.).

2. В процессе эксплуатации следует периодически контролировать нагрев контактных соединений путем измерения сопротивления жил, а также строго учитывать все повреждения с установлением причин. При этом аварийные выходы из строя арматуры из-за повреждения контактных соединений необходимо учитывать особо.

3. Все материалы по выходу из строя арматуры из-за повреждения контактных соединений (аварийные акты, акты вскрытия и разборки, фотографии и др.) следует направлять в ПО Союзтехэнерго (105023, Москва, Семеновский пер., 15).

Информация о необходимых механизмах, инструментах, оборудовании и материалах для выполнения контактных соединений, изготовляемых ведомственными заводами, дана в приложении 1.

Монтировать контактные соединения должны только специально обученные рабочие, квалификацию которых необходимо проверять в установленном порядке не реже 1 раза в 3 года.

2. СОЕДИНЕНИЕ, ОКОНЦЕВАНИЕ И ОТВЕТВЛЕНИЕ ЖИЛ ОПРЕССОВКОЙ

2.1. ОБЩИЕ СВЕДЕНИЯ

Опрессовка давлением применяется для оконцевания, соединения и ответвления алюминиевых и медных жил проводов и кабелей с использованием стандартных гильз и наконечников. Оконцевание однопроволочных жил, кроме того, может быть выполнено формированием наконечника из конца однопроволочной жилы.

В основу опрессовки с применением стандартных гильз и наконечников положен принцип деформирования материала контактной пары жила - наконечник (гильза) с образованием зоны контактирования между ними. Форму деформирования и степень деформации определяют с помощью специального инструмента согласно требованиям ГОСТ 10434-82 и ГОСТ 17441-78 к качеству контактных соединений.

Для получения требуемого качества контактного соединения перед опрессовкой необходимо выполнить подготовительные технологические операции:

с поверхности алюминиевых жил удалить слой окисной пленки и нанести на зачищенные жилы слой кварцево-вазелиновой пасты;

зачистить поверхность медных жил и внутренние поверхности гильзы или хвостовика наконечника.

Механизмами для опрессовки наконечников и гильз на жилах проводов и кабелей

служат ручные пресс-клещи, механические и гидравлические прессы, гидравлические прессы с электроприводом, в которых устанавливаются сменные матрицы и пуансоны в зависимости от материала, сечения и класса жил.

Для формирования наконечников из однопроволочных жил применяются пороховые прессы с наборами сменных комплектов матриц и пуансонов.

2.2. ОПРЕССОВКА АЛЮМИНИЕВЫХ ЖИЛ

СОЕДИНЕНИЕ И ОТВЕТВЛЕНИЕ ОДНОПРОВОЛОЧНЫХ ЖИЛ СЕЧЕНИЕМ 2,5 - 10,0 мм2 С ПРИМЕНЕНИЕМ ГИЛЬЗ ГАО

2.2.1. Для выполнения соединений и ответвлений применяют механизмы и инструмент (табл. 2.1), стальную щетку и щетку-ежик, гильзы ГАО (приложение 2), изолирующие колпачки К, изоляционную ленту, кварцево-вазелиновую пасту, ветошь, бензин (приложение 3).

Таблица 2.1

Суммарное сечение жил в гильзе, мм2

Гильзы

(ТУ 36-1441-70)

Матрицы (числитель) и пуансоны (знаменатель) инструментов при использовании механизма

Остаточная толщина h материала в месте опрессовки, мм (±0,2мм)

ГКМ*

ПК-1М*

ПК-2М* ПК-3

7,5

15

ГАО-4-1

ГАО-4-2

А4/А4

-

А4/А4 А4/А4

3,5

13

26

ГАО-5-1

ГАО-5-2

А5/А5

А5/А5

А5/А5 А5/А5

4,5

20,5

41

ГАО-6-1

ГАО-6-2

А5,4; А6/А5,4;

6; 7

1А5,4; 6/1А5.4;

6; 7; 8

- А6/А6

4.5

32,5

65

ГАО-8-1

ГАО-8-2

-

1А8/1А5.4;

6; 7; 8

-

6,3

*Допускается применять.

Рис. 2.1. Опрессовка гильз ГАО

2.2.2. Соединение и ответвление жил выполняют одним местным вдавливанием с односторонним вводом проводов в гильзу. При большом количестве соединяемых жил применяют гильзы двойной длины с двусторонним вводом проводов; их опрессовывают двумя вдавливаниями.

2.2.3. С концов жил удаляют изоляцию на длине 20 мм при использовании гильз ГАО-4; 25 мм - гильз ГАО-5; 30 мм - гильз ГАО-6 и ГАО-8. Жилы и внутреннюю поверхность гильз зачищают до металлического блеска и немедленно смазывают контактирующие поверхности кварцево-вазелиновой пастой плоской лопаткой шириной 4 мм (зачистку и смазку производят, если они не были выполнены на заводе-изготовителе).

2.2.4. Гильзы, матрицы и пуансоны выбирают по табл. 2.1 в зависимости от суммарного сечения жил и устанавливают в соответствующий механизм. При суммарном сечении соединяемых жил менее указанного в табл. 2.1 в гильзы вводят дополнительные проволоки жил (рис. 2.1, а, б).

2.2.5. Гильзу с размещенными в ней жилами устанавливают в матрице (рис. 2.1, в) и спрессовывают до соприкосновения пуансона с матрицей; измеряют остаточную толщину h материала в месте опрессовки (рис. 2.1, г), которая должна соответствовать указанной в табл. 2.1. Контактное соединение (рис. 2.1, д) снаружи протирают ветошью, смоченной в бензине.

2.2.6. Место соединения или ответвления изолируют полиэтиленовыми колпачками К-1, К-2, К-3 соответственно для гильз ГАО-4-1, ГАО-5-1, ГАО-6-1 и изоляционной лентой для гильз ГАО-4-2, ГАО-5-2, ГАО-6-2, ГАО-8-1, ГАО-8-2 (рис. 2.1, е).

СОЕДИНЕНИЕ ЖИЛ СЕЧЕНИЕМ 16-240 мм2 С ПРИМЕНЕНИЕМ КАБЕЛЬНЫХ ГИЛЬЗ

2.2.7. Для выполнения соединений применяют механизмы и инструмент (табл. 2.2), стальную щетку и щетку-ежик, универсальные электромонтажные плоскогубцы (в дальнейшем - плоскогубцы), гильзы (приложение 4), кварцево-вазелиновую пасту, ветошь, бензин.

2.2.8. Гильзы, матрицы и пуансоны выбирают по табл. 2.2 в зависимости от сечения соединяемых жил и устанавливают в соответствующий механизм.

2.2.9. Внутреннюю поверхность гильзы протирают ветошью, смоченной в бензине, зачищают до металлического блеска и немедленно смазывают кварцево-вазелиновой пастой (рис. 2.2, а, б). Зачистку и смазку выполняют, если они не были произведены на заводе-изготовителе.

2.2.10. С концов жилы удаляют изоляцию на длине, указанной в табл. 2.2.

2.2.11. Жилы зачищают до металлического блеска и немедленно смазывают кварцево-вазелиновой пастой (рис. 2.2, в, г). Жилы с бумажной изоляцией перед зачисткой протирают ветошью, смоченной в бензине.

Концы соединяемых секторных жил предварительно скругляют: многопроволочных - плоскогубцами, однопроволочных и комбинированных - специальным инструментом (табл. 2.3).

2.2.12. Соединяемые жилы размещают в гильзе таким образом, чтобы их торцы упирались друг в друга в середине гильзы (рис. 2.2, д).

2.2.13. Гильзу устанавливают в основание матрицы и спрессовывают (рис. 2.2, е) до полного соприкосновения пуансона и матрицы. Остаточная толщина h материала в месте опрессовки должна соответствовать указанной в табл. 2.2.

2.2.14. Выполненное контактное соединение протирают ветошью, смоченной в бензине, и изолируют в соответствии с действующими нормативными документами.

Таблица 2.2

Тип жилы (ГОСТ 22483-77)

Наконечник

Гильза (ГОСТ 23469.2-69)

Длина удаляемой с жил изоляции, мм

Инструмент УСА с прессами РПМ-7М, ПГЭП-2М

Инструмент НИСО с прессами ПГЭ-20, ПГР-20М1

 

алюминиевый и медно-алюминиевый (ГОСТ 581-80)

штифтовый медно-алюминиевый (ГОСТ 23598-79)

наконечник

гильза

матрица и пуансон

h, мм (±0,3 мм)

матрица и пуансон

h, мм (±0,3 мм)

 

161; 162

16-6-5,4; 16-8-5,4

16-5,3

16-5,3

35

37

УСА-1

5,5

А5,4; 7

5,5

 

163; 251; 252

25-8-7

25-7,1

25-7,1

35

37

УСА-1

5,5

А5,4; 7

5,5

 

253; 351; 352

35-10-8

35-8

35-8

35

41

УСА-1

5,5

А5,4; 7

5,5

 

353; 501

50-10-9

50-9

50-9

41

 

УСА-2

7,5

А8; 9

7,5

 

502; 701; 702

70-10-11

70-11

70-11

43

45

УСА-3

9,5

А11; 12; 13

9,5

 

503; 951

70-10-12

70-12

70-12

43

45

УСА-3

9,5

А11; 12; 13

9,5

 

703; 952

95-12-13

95-13

95-13

45

48

УСА-3

9,5

А11;

12; 13

9,5

 

1201

120-12-14; 120-16-14

120-14

120-14

53

55

УСА-4

11,5

А14; 16; 17

11,5

 

953; 1202; 1851

150-12-16; 150-16-16

150-16

150-16

53

55

УСА-4

11,5

А14; 16; 17

11,5

 

1203; 1501; 1502

150-12-17; 150-16-17

150-17

150-17

53

55

УСА-4

11,5

А14; 16; 17

11,5

 

1852

185-16-18; 185-20-18

185-18

185-18

55

55

УСА-4

11,5

А18; 19; 20

12,5

 

1503

185-16-19; 185-20-19

185-19

185-19

55

55

УСА-4

11,5

А18; 19; 20

12,5

 

2401

240-20-20;

240-20

240-20

58

60

УСА-4

11,5

А22

14

 

2402

240-20-22

-

240-22

61

65

УСА-4

11,5

А22

14

 

 

Примечание. При выполнении контактных соединений жил типа 161 и 162 (с использованием указанных в таблице наконечников и гильз) пресс-клещами ГКМ и ПК-1М применяют матрицы А5,4; 6 (ГКМ) и 1А5,4; 6; 7 (ПК-1М); пуансоны А5,4; 6; 7 и 1А5,4; 6; 7; h= 4,5 ± 0,3 мм; жил 163, 251 и 252 - матрицы А5,4; 7 и 1А5,4; 6; 7; пуансоны А5,4; 6; 7 и 1А5,4; 6; 7; h = 4,5 ± 0,3мм; жил 253, 351 и 352 - матрицы А7 и 1А7; пуансоны А5,4; 6; 7 и 1А5,4; 6; 7; h = 6 ± 0,3 мм; при выполнении контактных соединений жил 353 и 501 пресс-клещами ПК-1М применяют матрицу и пуансон 1А8; h = 7 ± 0,3 мм.

Рис. 2.2. Соединение жил опрессовкой

Таблица 2.3

Сечение однопроволочных секторных жил, мм

Механизм для округления жил с использованием прессов

РМП-7М с инструментом ИСК

ПГЭП-2М с инструментом КС

ПГЭ-20, ПГР-20М1 с инструментом НИСО

25

А7-СО

-

А25

35

А8-СО

-

А35

50

А9-СО

-

А50; 70

70

А9-СО

-

А50; 70

95

А11-СО; 12-СО

-

А95

120

А13-СО

-

А120

120*

-

КС120; 150

А185; 120СК; 150СК

150

-

-

А150

150*

-

КС120; 150

А185; 120СК; 150СК

185

-

 

А185; 120СК; 150СК

185*

-

КС185

А240; 185СК

240

-

-

А240; 185СК

* Секторные комбинированные жилы.

ОКОНЦЕВАНИЕ ЖИЛ СЕЧЕНИЕМ 16-240 мм2 НАКОНЕЧНИКАМИ (ГОСТ 9581-80, 23598-79)

2.2.15. Для выполнения оконцеваний применяют механизмы, инструмент и материалы (п. 2.2.7), наконечники (приложения 5, 6), стальную щетку и щетку-ежик, плоскогубцы, кварцево-вазелиновую пасту, ветошь, бензин.

2.2.16. Подготовку к оконцеванию и опрессовку выполняют согласно требованиям пп. 2.2.7-2.2.14. Необходимо следить за тем, чтобы жила входила в наконечник до упора, а лунки от вдавливания пуансонов и оси наконечника были соосны.

ОКОНЦЕВАНИЕ ОДНОПРОВОЛОЧНЫХ ЖИЛ СЕЧЕНИЕМ 25-240 мм2 ПУТЕМ ВЫШТАМПОВКИ НАКОНЕЧНИКА ИЗ ЖИЛЫ

2.2.17. Для выполнения оконцеваний применяют механизмы, инструмент и пороховые патроны (табл. 2.4).

2.2.18. Перед оконцеванием с концов жил удаляют изоляцию:

Сечение жилы, мм2 ..............................25                35-95              120-240

Длина удаляемой изоляции, мм..........45                50                   55

Матрицу и пуансон выбирают в зависимости от сечения жилы по табл. 2.4. Матрицу устанавливают так, как показано на рис. 2.3, а.

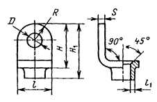
2.2.19. При использовании механизмов ППО-95, ППО-95М и ППО-240 конец жилы со снятой изоляцией размещают в гнезде матрицы так, чтобы торец жилы упирался в кромку гнезда (рис. 2.3, б); зажимают жилу кожухом, вставляют патрон и навертывают затвор (рис. 2.3, в); пуговку затвора оттягивают и производят выстрел. При этом пуансон под действием пороховых газов выштамповывает наконечник из жилы. При неполном оформлении наконечника допускается повторная штамповка выстрелом сниженной мощности, для чего пуансон не доводят до верхнего крайнего положения на 5-7 мм. Размеры оконцевания должны соответствовать указанным в табл. 2.4. Облой в месте отверстия под болт и по периметру зажимной плоской части оконцевания удаляют.

2.2.20. Через пять выстрелов формующую часть пуансона смазывают тонким слоем машинного масла.

2.2.21. Размеры наконечника после удаления облоя и зачистки кромок должны соответствовать указанным в табл. 2.4. Не допускаются видимые трещины, раковины, наплывы и вмятины. Должна быть обеспечена соосность жилы и диаметров D и d (рис. 2.3, г) в пределах свободных допусков.

Таблица 2.4

Сечение однопроволочной алюминиевой жилы, мм2

Размеры, мм (рис. 2.3)

D

d

S

Пресс ППО-95М с патронами Д4 калибра 6,9

25

14,5

8,5

2,3

35

19,6

10,5

2,3

50

20,8

10,5

2,5

70

24,2

10,5

3

95

25,6

12,5

4

Пресс ППО-240 с патронами МПУ-3 (желтыми)

120

25

11

5,5

150

25

11

6,2

185

25

11

7

240

30

11

8,8

Примечание. Маркировка матриц и пуансонов соответствует сечению жилы (например, маркировка "25" соответствует жиле сечением 25 мм2); при опрессовке прессом ППО-240 жил сечением 240 мм2 используют матрицы и пуансоны с маркировкой "185".

Рис. 2.3. Выштамповка наконечника из жилы пороховым прессом

2.3. ОПРЕССОВКА МЕДНЫХ ЖИЛ

СОЕДИНЕНИЕ ЖИЛ СЕЧЕНИЕМ 16-240 мм2 С ПРИМЕНЕНИЕМ КАБЕЛЬНЫХ ГИЛЬЗ

2.3.1. Для выполнения соединения применяют механизмы и инструмент (табл. 2.5), стальную щетку и щетку-ежик, плоскогубцы и гильзы (приложение 7).

2.3.2. Гильзы, матрицы и пуансоны выбирают по табл. 2.5 в зависимости от сечения соединяемых жил и устанавливают в соответствующий механизм.

Таблица 2.5

Тип жилы (ГОСТ 22483-77)

Наконечник (ГОСТ 7386-80)

Гильза (ГОСТ 23469.3-79)

Длина удаленной изоляции, мм*

Матрица и пуансон рабочего инструмента

h, мм (±0,2 мм)

ПК-2М, ****ПК-3

ГКМ****

НИОМ с прессами

РМП-7М

ПГЭП-2М****

ПГР-20М1, ПГЭ-20

41, 43, 44

2,5-3-2,6; 2,5-4-2,6; 2,5-5-2,6; 2,5-6-2,6

2,5-2,6

16/-

М3**

М3**

-

-

-

2,5

45, 61

4-4-3; 4-5-3; 4-6-3

4-3

17/-

М3**

М3**

-

-

-

2,5

46, 62, 63, 64, 65, 101

6-4-4; 6-5-4; 6-6-4

6-4

17/-

М4**

М4**

-

-

-

3

102, 103, 104, 161

10-5-5; 10-6-5; 10-8-5

10-5

20/-

-

М5

-

-

-

5

161-166

16-6-6; 16-8-6

16-6

20

-

-

16

16

16

4,3***

251-256

25-6-8; 25-8-8; 25-10-8

25-8

25

-

-

25

25

25

5

351-356

35-8-10; 35-10-10; 35-10-12

35-10

30

-

-

35

35

35

5.5

501-506

50-8-11; 50-10-11; 50-12-11

50-11

30

-

-

50

50

50

6,5

701-706

70-10-13; 70-12-13

70-13

32

-

-

70

70

70

7,3

951-956

95-10-15; 95-12-15

95-15

38/39

-

-

-

95

95

8,5

1201-1206

120-12-17; 120-16-17

120-17

39

-

-

-

-

120

11

1501-1506

150-12-19; 150-16-19

150-19

40/39

-

-

-

-

150

12

1851-1856

185-12-21; 185-16-21

185-21

43

-

-

 

-

185

13

2401-2406

240-16-24; 240-20-24

240-24

43

-

-

-

-

240

15

* В числителе указана длина удаляемой изоляции при использовании наконечников, в знаменателе - гильз

** Применяются пуансоны с маркировкой М3 и М.

*** Размер h = 4,3 мм и далее - при применении инструмента НИОМ.

**** Допускается применять.

2.3.3. С концов жил удаляют изоляцию на длине, указанной в табл. 2.5.

2.3.4. Внутреннюю поверхность гильзы и жилы зачищают до металлического блеска.

2.3.5. Соединяемые жилы размещают в гильзе таким образом, чтобы торцы жил упирались друг в друга в середине гильзы,

2.3.6. Гильзу устанавливают в матрицу и производят опрессовку (рис. 2.2, е) до упора пуансона в торец матрицы. Остаточная толщина h материала в месте опрессовки должна соответствовать указанной в табл. 2.5.

ОКОНЦЕВАНИЕ ЖИЛ СЕЧЕНИЕМ 4-240 мм2 НАКОНЕЧНИКАМИ (ГОСТ 7386-80)

2.3.7. Для выполнения оконцеваний применяют механизмы и инструмент (табл. 2.5), наконечники (ГОСТ 7386-80, приложение 8), стальную щетку и щетку-ежик.

2.3.8. Подготовку к оконцеванию и опрессовку выполняют согласно требованиям пп. 2.3.1-2.3.6. Необходимо следить за тем, чтобы жила входила в наконечник до упора.

ОКОНЦЕВАНИЕ МНОГОПРОВОЛОЧНЫХ ЖИЛ СЕЧЕНИЕМ 1,0-2,5 мм2 КОЛЬЦЕВЫМИ НАКОНЕЧНИКАМИ (ГОСТ 9688-82)

2.3.9. Для оконцевания жил сечением 1,0-1,5 мм2 применяют наконечники П1 и пресс-клещи ПК-2М и ГКМ с инструментом 1,5/3; для жил сечением 2,5 мм - наконечники П2 и те же пресс-клещи с инструментом 2,5/3; плоскогубцы; кольцевые наконечники (приложение 9); стальную щетку.

Примечание. Допускается применять механизмы ГКМ, ПК-1М, ПК-2М.

2.3.10. С конца жилы удаляют изоляцию на длине 25-30 мм, зачищают жилу до металлического блеска и скручивают плоскогубцами в тугой повив.

2.3.11. Наконечники, матрицу и пуансон выбирают в соответствии с п. 2.3.9 и устанавливают в механизм.

2.3.12. Жилу укладывают в желобок по всей длине окружности наконечника и надевают наконечник с жилой на стержень пуансона так, чтобы участок жилы между наконечником и изоляцией попал в желобок пуансона.

2.3.13. Наконечники спрессовывают до соприкосновения торцов пуансона и матрицы.

2.4. КОНТРОЛЬ КАЧЕСТВА ОКОНЦЕВАНИЙ И СОЕДИНЕНИЙ, ВЫПОЛНЕННЫХ ОПРЕССОВКОЙ

2.4.1. Контроль качества предусматривает:

внешний осмотр: лунки вдавливания должны быть расположены симметрично относительно середины гильзы или трубчатой части наконечника, в местах вдавливаний не допускаются прорывы;

измерение остаточной толщины материала в месте опрессовки (рис. 2.1, г), которая должна соответствовать значениям, указанным в табл. 2.1, 2.2 и 2.5, в зависимости от применяемых инструментов.

2.4.2. Для обеспечения требуемого качества опрессовки запрещается:

применять наконечники и гильзы, не соответствующие сечению и классу жил, а также матрицы и пуансоны, не соответствующие типоразмерам наконечников и гильз, подлежащих опрессовке;

"выкусывать" проволоки жил для облегчения ввода жилы в наконечник или гильзу, опрессовывать наконечники и гильзы на алюминиевых жилах без предварительной зачистки и смазки кварцево-вазелиновой пастой контактирующих поверхностей;

заканчивать опрессовку до упора пуансона в торец матрицы.

2.4.3. Для обеспечения надежного электрического контакта при оконцевании необходимо, чтобы жила входила в наконечник до упора, а при соединении - торцы жил упирались друг в друга в середине гильзы; вдавливания были расположены соосно с гильзой; торцы гильз и наконечников были установлены заподлицо с матрицей.

3. СОЕДИНЕНИЕ, ОКОНЦЕВАНИЕ И ОТВЕТВЛЕНИЕ АЛЮМИНИЕВЫХ ЖИЛ СВАРКОЙ

3.1. ПРОПАНО-КИСЛОРОДНАЯ СВАРКА

СОЕДИНЕНИЕ ОДНОПРОВОЛОЧНЫХ ЖИЛ СУММАРНЫМ СЕЧЕНИЕМ ДО 35 мм2 В СКРУТКЕ ПРИ МОНТАЖЕ СЕТЕЙ ОСВЕЩЕНИЯ

3.1.1. Для выполнения соединений применяют набор НПГ, плоскогубцы, кисточку для нанесения флюса и стальную щетку, а также материалы: пропан (горючий газ), кислород (окислитель), флюс ВАМИ для растворения пленки окиси алюминия при сварке и обтирочную ветошь.

3.1.2. С концов свариваемых жил ножом или инструментом МБ-1 удаляют изоляцию на длине 30-40 мм, зачищают концы жил стальной щеткой и скручивают их между собой.

3.1.3. С помощью кисточки конец скрутки покрывают тонким слоем флюса ВАМИ, предварительно разведенного водой до пастообразного состояния.

3.1.4. Открывают вентили на баллонах с пропаном и кислородом и устанавливают рабочее давление кислорода 0,15 МПа.

3.1.5. Открывают на горелке вентиль пропана (на вентиле надпись "ацетилен") и зажигают горелку спичкой; открывают вентиль кислорода и регулируют пропано-кислородное пламя (рис. 3.1).

3.1.6. Ядро пламени горелки 1 подносят к концу скрутки 2 (рис. 3.2) и нагревают его до расплавления. Появление жидкой шарообразной капли металла на конце скрутки свидетельствует о том, что провода сварены.

3.1.7. По окончании сварки горелку гасят, закрывая на ее рукоятке сначала вентиль пропана, затем кислорода.

Рис. 3.1. Пропано-кислородное пламя газовой горелки:

а - правильно отрегулированное; б - с избытком кислорода; в - с избытком пропана

1 - ядро пламени; 2 - средняя зона; 3 - факел

Рис. 3.2. Пропано-кислородная сварка скрутки проводов в ответвительной коробке

3.1.8. В конце смены или при перерывах в сварке более 2 ч следует выжечь горючий газ из шланга, для чего перекрыть вентиль на баллоне с пропаном, затем на баллоне с кислородом и освободить зажимные винты редукторов; после того как пламя горелки погаснет, перекрыть вентили на рукоятке горелки.

3.1.9. Остатки флюса удаляют стальной щеткой, соединение протирают чистой ветошью и изолируют колпачками К1-К3 или изоляционной лентой.

СОЕДИНЕНИЕ ЖИЛ СЕЧЕНИЕМ 16-240 мм2

3.1.10. Для выполнения соединений применяют набор НСПУ; сварочные формы (ТУ 36-1699-77); механизмы и инструмент для округления секторных комбинированных и однопроволочных жил, указанных в разд. 2 настоящей инструкции; пресс-клещи ПК-1М со специальными губками для откусывания литниковой прибыли или ручную ножовочную рамку с ножовочным полотном для металла; плоский напильник длиной 200 мм с насечкой № 2; молоток массой 0,4-0,5 кг; плоскогубцы; стальную щетку; кисточку для нанесения флюса. Перечень необходимых материалов приведен в табл. 3.1.

3.1.11. С концов жил удаляют изоляцию:

Сечение жилы, мм................................ 16-50        70; 95              120; 150          185; 240

Длина удаляемой изоляции, мм........... 45                50                       55                   60

3.1.12. С оголенных жил с бумажной изоляцией удаляют маслоканифольный состав ветошью, смоченной бензином или ацетоном.

3.1.13. На расстоянии 2-3 мм от конца многопроволочной жилы накладывают бандаж из одного-двух витков алюминиевой проволоки диаметром 1-1,5 мм. Секторные однопроволочные и комбинированные жилы необходимо скруглить по длине снятой изоляции с помощью механизмов и инструмента, указанных в разд. 2. Не следует добиваться точной цилиндрической формы жилы, необходимо только, чтобы сварочная форма охватывала жилу без зазора в местах разъема.

3.1.14. Сварочную форму выбирают по сечению соединяемых жил. Внутренние поверхности формы покрывают мелом, разведенным водой до состояния густой пасты.

3.1.15. На концы свариваемых жил 1 (рис. 3.3, а) устанавливают полуформы 2 таким образом, чтобы стык жил находился в середине литникового отверстия.

Таблица 3.1

Материал

Назначение

1. Сварочная проволока СвАК5 или СвА5С* диаметром, мм:

Присадочный металл при сварке жил сечением, мм2:

2

16-50

4

70-240

2. Асбестовый шнур диаметром 2-4 мм

Уплотнение сварочных форм

3. Асбестовый картон толщиной 2-10 мм

Защита охладителей и изоляции от пламени горелки

4. Бензин Б-70 или ацетон

Промывка жил и готового соединения

5. Электродный мел

Покрытие внутренних поверхностей сварочной формы

6. Шлифовальная шкурка № 8

Зачистка присадки и монолита соединения

7. Обтирочная ветошь

Протирка присадки и соединения

8. Суровые нитки

Наложение бандажей на изоляцию кабеля у среза

9. Пропан

Горючий газ

10. Сжатый газообразный кислород

Окислитель

11. Флюс ВАМИ

Растворение пленки окиси алюминия при сварке

*При отсутствии сварочной проволоки допускается использовать проволоку из повивов жил.

Полуформы струбциной 3 прижимают одну к другой и вставляют в направляющие 5 клинья 4. Легким постукиванием молотка по клиньям плотно (без зазоров) прижимают поверхности полуформ одну к другой. На секторные однопроволочные жилы вплотную к торцам формы накладывают уплотнение - 2-3 слоя асбестового шнура на длине 6-7 мм.

3.1.16. На оголенные участки жил устанавливают охладители 6 (рис. 3.3, б), закрепленные на соединительной планке, подводят под охладители опорную стойку* 7 и закрепляют ее.

*При соединении проводов допускается охладители, закрепленные на соединительной планке, не крепить на стойке. В этом случае охладители кладут на огнестойкую подкладку (кирпичи, асбоцемент, асбест и т.п.)

3.1.17. Между охладителем и формой (вплотную к охладителю) устанавливают тепловой экран из асбестового картона, выступающий за края охладителя не менее чем на 10 мм.

Рис. 5.3. Установка сварочных форм и охладителей на жилах кабеля сечением 16- 240 мм

3.1.18 Бумажную изоляцию жил за охладителем защищают сухим асбестовым картоном или подмоткой асбестовым шнуром по жилам; при сварке жил с пластмассовой и резиновой изоляцией на участок изоляции длиной около 80 мм за охладителями накладывают слой увлажненного асбеста толщиной не менее 10 мм. Жилы кабеля, не подвергаемые сварке, защищают от нагрева и искр асбестовым картоном.

3.1.19. Сварочную проволоку для присадки нарезают на отрезки длиной около 1 м, протирают их чистой ветошью, смоченной в бензине или ацетоне, зачищают шлифовальной шкуркой, вновь протирают сухой ветошью и покрывают тонким слоем флюса, разведенного водой до пастообразного состояния. Вместо присадочных прутков из проволоки диаметром 4 мм и более могут быть использованы пучки скрученных проволок меньшего диаметра.

3.1.20. Перед началом сварки выполняют операции согласно указаниям пп. 3.1.4 и 3.1.5.

3.1.21. Рекомендуется вначале сваривать жилы, расположенные внизу, а затем расположенные вверху.

3.1.22. Пламя горелки должно равномерно разогревать стенки формы в зоне стыка жил, не задерживаясь на одном месте. После нагрева формы до красного цвета покрытую флюсом присадку вводят в литниковое отверстие и расплавляют до заполнения литника.

3.1.23. Расплав алюминия перемешивают мешалкой, не прекращая нагрева сварочной формы до полного расплавления проволок жилы в объеме сварочной ванны; перемешивание чередуют с добавлением присадки, всплывшие шлаки удаляют мешалкой.

3.1.24. При полном расплавлении проволок жилы в объеме сварочной ванны прекращают подогрев формы. Во время остывания расплава алюминия при необходимости добавляют присадку. Аналогично соединяют все жилы кабеля.

3.1.25. При соединении четырехжильных кабелей с нулевой жилой сечением 10 мм2 последнюю соединяют пайкой согласно указаниям разд. 4.

3.1.26. Сварку заканчивают согласно требованиям пп. 3.1.7 и 3.1.8.

3.1.27. После остывания формы и затвердения сварочной ванны клинья выбивают молотком и отделяют полуформы одну от другой.

3.1.28. Осматривают соединения; при наличии не более 1-2 неприваренных проволок их припаивают к монолиту припоем А, при большем количестве неприваренных проволок повторяют сварку.

3.1.29. Снимают защитный экран и охладители с жил кабеля и асбест с изоляции.

3.1.30. Литниковую прибыль удаляют клещами ПК-1М со специальными губками или спиливают ножовкой. При использовании клещей для жил сечением до 70 мм2 включительно литниковую прибыль целиком захватывают режущими губками и откусывают за один прием, для жил сечением 95 мм2 и более - за два приема (половина сечения прибыли за каждый прием); при выполнении второго надкуса после полного сведения рукояток клещей поворачивают их, что облегчает удаление прибыли.

3.1.31. Напильником запиливают острые края и неровности в месте основания литниковой прибыли закругляют кромки монолитной цилиндрической части сварного соединения.

3.1.32. Место соединения зачищают стальной щеткой, протирают тканью, смоченной в бензине или ацетоне, до полного удаления шлаков и опилок. При сварке проводов место соединения покрывают асфальтовым или другим влагостойким лаком и изолируют обычным способом.

СОЕДИНЕНИЕ И ОКОНЦЕВАНИЕ НАКОНЕЧНИКАМИ ЛС ЖИЛ СЕЧЕНИЕМ 300-1500 мм2

3.1.33. Для выполнения соединений применяют набор НСПУ, сварочные формы (ТУ 36-1699-77) ручную ножовочную рамку с ножовочным полотном для металла, плоский напильник длиной 200 мм с насечкой № 2, молоток массой 0,4-0,5 кг, плоскогубцы, стальную щетку, кисточку для нанесения флюса.

3.1.34. Кроме материалов, указанных в табл. 3.1, требуется сварочная проволока СвА5С или СвАК5 диаметром 8 мм (при ее отсутствии допускается использовать проволоку из повивов жил).

3.1.35. С концов жил удаляют изоляцию на длине:

Сечение жилы, мм2......................... 300          400          500       625        800       1000 и 1500

Длина удаляемой изоляции, мм.... 80            85            100       110        120       175

3.1.36. У оголенных жил с бумажной изоляцией удаляют маслоканифольный состав тканью, смоченной бензином или ацетоном.

3.1.37. Между прядями жилы кабелей АсВВ вплотную к срезу изоляции пропускают асбестовый шнур 1 диаметром 4 мм (рис. 3.4, а).

У кабелей АСБ-1к и АСБ-2к отгибают контрольные жилы 9 (рис. 3.4, в). Радиус изгиба контрольной жилы должен быть не менее ее десятикратного диаметра, измеренного по изоляции. Зазоры между проволоками наружного повива жилы 5 кабеля, оставшиеся после отгибания контрольных жил, заполняют асбестовым шнуром или отрезками алюминиевой проволоки 10. Концы отрезков, обращенные к отогнутым контрольным жилам, спиливают напильником под углом 60°.

Рис. 3.4. Подготовка к пропано-кислородной сварке кабелей АсВВ (а, б) и АСБ-2к (в)

3.1.38. Сварочную форму выбирают по сечению соединяемых жил. В формы ФС 300...500 и ФС 625...800 при необходимости устанавливают разъемные стальные вкладыши, соответствующие сечению соединяемых жил.

3.1.39. С помощью кисточки внутренние поверхности формы покрывают мелом, разведенным водой до пастообразного состояния.

3.1.40. На концы соединяемых жил устанавливают сварочные полуформы 5 (рис. 3.4, б) так, чтобы стык жил находился в середине литникового отверстия, прижимают полуформы одну к другой и в направляющие 7 вставляют клинья 6. Легким постукиванием по клиньям молотком плотно прижимают поверхности полуформ одну к другой. Линию разъема в нижней части формы уплотняют асбестовым шнуром.

3.1.41. На оголенные участки жил на расстоянии 20-30 мм от среза изоляции устанавливают охладители 3 и плотно стягивают их на жиле болтами.

3.1.42. Бумажную изоляцию жил за охладителем обертывают сухой стеклолентой или асбестовым шнуром для защиты контрольных жил и изоляции от пламени горелки. На пластмассовую и резиновую изоляцию жил за охладителями накладывают слой размоченного в воде асбеста 2 толщиной не менее 10 мм на длине 100-120 мм.

3.1.43. Между охладителями и формой (вплотную к охладителям) устанавливают экраны 4 из асбестового картона. Жилы кабеля, не подвергаемые сварке, защищают от нагрева и искр асбестовым картоном.

3.1.44. Сварочную проволоку для присадки готовят в соответствии с указаниями п. 3.1.19.

3.1.45. Перед сваркой выполняют операции согласно пп. 3.1.4, 3.1.5; устанавливают рабочее давление пропана 0,15, кислорода 0,5 МПа.

3.1.46. При сварке пламя мундштуков должно быть направлено на стенки сварочной формы. Пламя горелки должно равномерно разогревать стенки формы в зоне сварочной ванны, не задерживаясь на одном месте. После нагрева формы до красного цвета присадку вводят в литниковое отверстие до заполнения литника расплавом алюминия, который перемешивают мешалкой, не прекращая нагрева. Убедившись в полном расплавлении проволок жил в объеме сварочной ванны, уменьшают пламя горелки и продолжают подогрев верхней части формы, одновременно вводя присадку для заполнения усадочной раковины.

3.1.47. По окончании сварки, в конце смены и при перерывах более 2 ч выполняют требования пп. 3.1.1 и 3.1.8.

3.1.48. Разборку и очистку соединений выполняют согласно требованиям пп. 3.1.27-3.1.32.

3.1.49. Контрольные жилы кабеля АСБ-800-2к соединяют пайкой (раздел 4).

СОЕДИНЕНИЕ И ОТВЕТВЛЕНИЕ ЖИЛ ПРОВОДОВ СУММАРНЫМ СЕЧЕНИЕМ 32-240 мм2 СПЛАВЛЕНИЕМ ПО ТОРЦАМ В ОБЩИЙ МОНОЛИТНЫЙ СТЕРЖЕНЬ

3.1.50. Для выполнения соединений применяют набор НСПУ, формы (приложение 10), плоский напильник длиной 200 мм с насечкой № 2, молоток массой 0,4-0,5 кг, плоскогубцы, стальную щетку, кисточку для нанесения флюса. Перечень необходимых материалов приведен в табл. 3.1.

3.1.51. С концов жил удаляют изоляцию:

Сечение жилы, мм2....................... До 32            Свыше 32 до 95         Свыше 95 до 240

Длина удаляемой изоляции, мм..... 80                          85                                90

3.1.52. Форму подбирают по суммарному сечению соединяемых жил (применяют формы для ближайшего большего сечения). Внутренние поверхности формы покрывают мелом, разведенным водой до состояния густой пасты.

3.1.53. Концы жил 1 (рис. 3.5, а) вводят в форму 2 и уплотняют ее нижнюю часть асбестовым шнуром. Устанавливают охладитель 4, кладут его на опорную стойку и защищают асбестовым картоном 3. При необходимости в месте установки охладителя жилу уплотняют подмоткой из медной фольги. Присадку 5 (рис. 3.5, б) готовят согласно требованиям п. 3.1.19.

3.1.54. Горелку 6 зажигают согласно требованиям пп. 3.1.4, 3.1.5 и приступают к сварке.

Рис. 3.5. Пропано-кислородная сварка жил сплавлением по торцам

3.1.55. Сварку выполняют согласно требованиям пп. 3.1.22-3.1.24. Операция перемешивания сварочной ванны мешалкой показана на рис. 3.5, в; готовое соединение - на рис. 3.5, г.

3.1.56. Горелку гасят согласно требованиям пп. 3.1.7, 3.1.8.

3.1.57. По окончании сварки охладитель и форму снимают и зачищают поверхность соединения.

СТЕРЖНЕВОЕ ОКОНЦЕВАНИЕ ЖИЛ ПРОВОДОВ СЕЧЕНИЕМ 16-240 мм2 СПЛАВЛЕНИЕМ В МОНОЛИТ С ДОБАВКОЙ ЛЕГИРУЮЩИХ ПРИСАДОК

3.1.58. Для оконцевания применяют оборудование и инструмент, указанные в п. 3.1.50, материалы согласно табл. 3.1, а также проволоку диаметром 2-4 мм из алюминиевых сплавов СвАМг5, СвАК5 или АД35, используемую в качестве легирующей присадки для повышения твердости стержня при оконцевании.

3.1.59. С концов жил удаляют изоляцию:

Сечение жилы, мм2.......................................... 16-35                50-95                 120-140

Длина удаляемой изоляции............................... 70                     75                       80

3.1.60. Форму (приложение 10) подбирают по сечению оконцовываемой в монолит жилы. Внутреннюю поверхность формы покрывают мелом, разведенным водой до состояния густой пасты.

3.1.61. Конец жилы 2 (рис. 3.6) вводят в форму 1 на длину H:

Сечение жилы, мм2...................................... 16-35             50-95              120-140

H, мм............................................................. 20                   25                    30

Нижнюю часть формы уплотняют асбестовым шнуром 6.

3.1.62. Устанавливают охладитель 4, кладущего па опорную стойку и защищают асбестовым картоном 3. При необходимости в охладитель вставляют втулку 5, соответствующую сечению жилы.

3.1.63. Присадку готовят согласно требованиям п. 3.1.19.

3.1.64. Горелку зажигают согласно требованиям пп. 3.1.4, 3.1.5 и приступают к сварке.

Рис. 3.6. Закрепление жилы в охладителе при стержневом оконцевании

3.1.65. Сварку выполняют согласно требованиям пп. 3.1.22-3.1.24, обращая особое внимание на разогрев нижней части формы, где находится жила.

3.1.66. Горелку гасят согласно требованиям пп. 3.1.7, 3.1.8.

3.1.67. По окончании сварки охладитель и форму снимают и зачищают поверхность монолита.

ОКОНЦЕВАНИЕ ЖИЛ СЕЧЕНИЕМ 50-240 мм2 ПЛАСТИНАМИ ИЗ АЛЮМИНИЕВОГО СПЛАВА АД31Т1

3.1.68. Для оконцевания применяют набор НСПУ*, механизмы и инструмент для скругления секторных комбинированных и однопроволочных жил, указанные в разд. 2; пресс-клещи ПК-1М со специальными губками для откусывания литниковой прибыли или ручную ножовочную раму с ножовочным полотном для металла; плоский напильник длиной 200 мм с насечкой № 2; молоток массой 0,4-0,5 кг; плоскогубцы; стальную щетку; кисточку для нанесения флюса; формы ФО (ТУ 36-1699-77) и пластины из алюминиевого сплава АД31Т1; материалы согласно табл. 3.1.

*При большом объеме работ рекомендуется использовать большие баллоны: 40-150 (ГОСТ 949-73) для сжатого кислорода и 3-50 (ГОСТ 15860-70) для пропана.

3.1.69. С концов жил сечением 50-95 мм удаляют изоляцию на длине 65 мм; 120-240 мм2 - на длине 70 мм.

3.1.70. Подготовку к сварке выполняют согласно требованиям пп. 3.1.12-3.1.15. Для оконцевания жил сечением 50 и 70 мм2 применяют форму ФО 50...70; жил сечением 95 и 120 мм2 - ФО 95...120; жил сечением 150, 185 и 240 мм2 - ФО 150...240 с использованием при необходимости стальных разъемных вкладышей, соответствующих сечению жил.

3.1.71. В пластине просверливают отверстия в соответствии с отверстиями на выводах подключаемого электрооборудования и зачищают пластину стальной щеткой.

3.1.72. Конец жилы 1 (рис. 3.7, а) и пластину 3 вводят в сварочную форму 2 таким образом, чтобы стык между ними находился в середине литникового отверстия. Полуформы струбциной прижимают одну к другой и в направляющие 5 вставляют клинья 4 (рис. 3.7, б). Легким постукиванием молотка по клиньям плотно (без зазоров) прижимают поверхности полуформ одну к другой. На секторные однопроволочные жилы вплотную к торцу формы накладывают уплотнение - 2-3 слоя асбестового шнура на длине 6-7 мм.

Рис. 3.7. Оконцевание жил сечением 50-240 мм2 пластиной из сплава АД31Т1:

а, б - подготовка к сварке; в - нагрев формы, введение присадочного металла и перемешивание сварочной ванны; г - готовое соединение

1 - жила, 2 - сварочная форма; 3 - пластина из алюминиевого сплава; 4 - клин; 5 - направляющие; 6 - охладитель; 7 - тепловой экран; 8 - мешалка; 9 - присадочный пруток

3.1.73. Жилу располагают горизонтально и устанавливают на ней охладитель 6 (рис. 3.7, в). Между охладителем и формой вплотную к охладителю помещают тепловой экран 7 из асбестового картона.

3.1.74. Операции по подготовке к оконцеванию, сварке и разборке соединения выполняют согласно требованиям пп. 3.1.18-3.1.32. Готовое оконцевание показано на рис. 3.7, г.

ОКОНЦЕВАНИЕ ЖИЛ СЕЧЕНИЕМ 300-1500 мм2 ПЛАСТИНАМИ ИЗ АЛЮМИНИЕВОГО СПЛАВА АД31Т1

3.1.75. Для оконцевания применяют набор НСПУ; плоский напильник длиной 200 мм с насечкой № 2; молоток массой 0,4-0,5 кг; стальную щетку; кисточку для нанесения флюса; сварочные формы по ТУ 36-1699-77; сварочную проволоку СвА5С или СвАК5 диаметром 8 мм (при ее отсутствии допускается использовать проволоку из повивов жил); материалы согласно табл. 3.1 и пластины из алюминиевого сплава АД31Т1:

Размер пластины, мм.............. 10´60´100       10´80´150         10´100´170    12´100´170

Сечение оконцовываемых

жил, мм.................................. 300; 400; 500         625; 800                 1000                1500

3.1.76. С концов жил сечением 300, 400 и 500 мм2 удаляют изоляцию на длине 160 мм; 625 и 800 мм - на длине 170 мм; 1000 и 1500 мм - на длине 145 мм для кабелей 10 кВ и 200 мм для кабелей до 1 кВ.

3.1.77. Подготовительные операции выполняют согласно требованиям пп. 3.1.34, 3.1.35.

3.1.78. Сварочную форму ФО выбирают по сечению оконцовываемых жил; для флажкового оконцевания жил сечением 1000 и 1500 мм2 применяют формы ФОф1000 и ФОф1500. В сварочные формы ФО 300 ... 500 и ФО 625 ... 800 при оконцевании жил сечением 300, 400 и 625 мм2 устанавливают разъемные стальные вкладыши, соответствующие сечению оконцовываемых жил.

3.1.79. Внутренние поверхности формы покрывают мелом, разведенным водой до пастообразного состояния.

3.1.80 При продольном оконцевании (рис. 3.7) конец жилы и пластину вводят в форму таким образом, чтобы стык между ними находился в середине литникового отверстия; полуформы прижимают орлу к другой и в направляющие вставляют клинья. Постукиванием по клиньям молотком полуформы плотно прижимают одну к другой и линию разъема в нижней части формы уплотняют.

Рис. 3.8. Оконцевание жил сечением 300- 1500 мм2 пластиной из сплава АД31Т1:

1 - присадочный металл; 2 - пропано-кислородная горелка; 3 - сварочная форма; 4 - пластина; 5 - защитный экран; 6 - охладитель; 7 - жила, защищенная асбестом

3.1.81. При флажковом оконцевании конец жилы вводят в цилиндрическую часть формы так, чтобы торец жилы совпадал с верхней плоскостью формы, а в плоскую часть формы вводят пластину вплотную к поверхности жилы. Полуформы прижимают одну к другой и в направляющие вставляют клинья. Постукиванием по клиньям молотком плотно прижимают полуформы одну к другой.

3.1.82. Дальнейшие операции выполняют согласно требованиям пп. 3.1.7, 3.1.1; 3.1.27-3.1.32; 3.1.41-3.1.46. Рабочий момент сварки покачан на рис. 3.8.

ОТВЕТВЛЕНИЕ ОТ ЖИЛ СЕЧЕНИЕМ 800-1500 мм2

3.1.83. Для ответвления применяют набор НСПУ; плоский напильник длиной 200 мм с насечкой № 2; молоток массой 0,4-0,5 кг; стальную щетку; кисточку для нанесения флюса; ручную ножовочную рамку с ножовочным полотном для металла; сварочные формы ФАк 800 ... 1000, ФАк 1000 ... 1500, ФАп 1000 и ФАп 1500; материалы согласно табл. 3.1 и п. 3.1.34; при выполнении ответвления пластиной - пластины из алюминиевого сплава размерами 10´80´150 и 10´100´170 мм.

3.1.84. С жил удаляют изоляцию на длине по 120 мм от середины ответвления для жил сечением 800 и 1000 мм2 и по 160 мм для жил сечением 1500 мм2. С оголенных участков жил с бумажной изоляцией удаляют маслоканифольный состав ветошью, смоченной бензином или ацетоном.

3.1.85. При ответвлении от жил кабеля АсВВ между прядями жилы пропускают асбестовый шнур диаметром 4 мм (рис. 3.4, а, разрез А-А) и плотно прижимают его к срезу изоляции по обе стороны от места ответвления.

3.1.86. Сварочные формы выбирают согласно табл. 3.2.

При ответвлении от кабеля сечением 1000 мм2 кабелем сечением 800 мм2 и от кабеля сечением 1500 мм2 кабелем сечением 1000 мм2 в сварочные формы ФАк 800 ... 1000 и ФАк 1000 ... 1500 устанавливают разъемные стальные вкладыши.

3.1.87. Внутренние поверхности форм покрывают мелом, разведенным водой до пастообразного состояния.

3.1.88. Форму устанавливают на жилу так, чтобы середина литникового отверстия формы совпадала с серединой ответвления. Ответвляемый кабель или пластину вводят в форму вплотную к повивам жилы кабеля, от которого выполняют ответвление. Полуформы прижимают одну к другой и в направляющие вставляют клинья. Легким постукиванием по клиньям молотком плотно прижимают поверхности полуформ одну к другой.

Таблица 3.2

Сечение кабеля, от которого выполняется ответвление, мм2

Ответвление

Сварочная форма

800

Кабель сечением 800 мм2

ФАк 800 ... 1000

1000

То же 800 и 1000 мм2

 

1500

Тоже 1000 и 1500 мм2

ФАк 1000 ... 1500

1000

Пластина 10´80´150 мм

ФАп 1000

1500

Пластина 10´100´170 мм

ФАп 1500

3.1.89. Охладители устанавливают на оголенный участок жилы на расстоянии 5-7 мм от конца формы и плотно сжимают их на жиле болтами.

3.1.90. Изоляцию кабеля защищают от нагрева и готовят присадку согласно требованиям пп. 3.1.19 и 3.1.42.

3.1.91. Горелку зажигают и регулируют ее пламя согласно требованиям п. 3.1.45.

3.1.92. Сварку выполняют и прекращают, а также разбирают соединения согласно требованиям пп. 3.1.7, 3.1.8; 3.1.27-3.1.32; 3.1.46.

3.2. ТЕРМИТНАЯ СВАРКА

СОЕДИНЕНИЕ ЖИЛ КАБЕЛЕЙ ДО 10 кВ, СЕЧЕНИЕМ 16-240 мм2

3.2.1. Для выполнения соединений применяют: а) набор НСПУ; б) пресс-клещи ПК-1М или ручную ножовочную рамку с ножовочным полотном для металла; в) слесарное зубило длиной 125 мм с лезвием шириной 10 мм; г) отвертку длиной 200 мм с лезвием шириной 9 мм; д) конопатку с полукруглым лезвием шириной 8 мм; е) плоский напильник длиной 200 мм с насечкой № 2; ж) молоток массой 0,4-0,5 кг; з) плоскогубцы; и) кисточку для нанесения флюса.

Перечень необходимых материалов приведен в табл. 3.3.

Таблица 3.3

Материал

Назначение

1. Термитные патроны ПА

Нагрев и расплавление жил

2. Секторные втулки А

Соединение однопроволочных секторных жил

3. Сварочная проволока СпАК5 диаметром 2 мм или проволока из повивов многопроволочных жил

Присадочный металл

4. Термитные спички

Поджигание термитных патронов

5. Асбестовый шнур диаметром 2-4 мм

Уплотнение

6. Асбестовый картон толщиной 2-10 мм

Защита охладителей и изоляции от нагрева и искр

7. Бензин Б-70 или ацетон

Промывка жил и готового соединения

8. Шлифовальная шкурка № 8

Зачистка присадки и монолита соединения

9. Обтирочная ветошь

Протирка присадки и соединения

10. Электродный мел

Покрытие внутренних поверхностей кокилей термитных патронов

11. Флюс ВАМИ

Растворение пленки окиси алюминия на жилах

3.2.2. Перед сваркой выполняют следующие подготовительные операции*:

подбирают термитные патроны по сечению свариваемых жил;

покрывают внутреннюю поверхность кокиля термитного патрона слоем мела, разведенного водой до пастообразного состояния; слой мела следует высушить до начала сварки;

собирают термитные патроны, для чего вводят кокиль с двумя алюминиевыми колпачками (в термитных патронах ПА-300-ПА-800 вместо колпачков применяют втулки) в муфель таким образом, чтобы литниковые отверстия кокиля и муфеля были расположены соосно.

*Указанные операции рекомендуется выполнять заблаговременно в мастерской.

3.2.3. С концов жил удаляют изоляцию на длине:

Сечение жилы, мм................................ 16-50               70; 95         120; 150          185; 240

Длина удаляемой изоляции, мм............. 45                    50                  55                   60

3.2.4. У жил с бумажной изоляцией маслоканифольный состав удаляют ветошью, смоченной бензином или ацетоном.

3.2.5. Жилы зачищают до блеска щеткой из кардоленты и протирают тканью, смоченной бензином или ацетоном.

3.2.6. Покрывают жилы тонким слоем флюса, разведенного водой до пастообразного состояния.

3.2.7. Внутренние поверхности алюминиевых колпачков, входящих в комплект термитных патронов, зачищают до блеска и насаживают колпачки на концы соединяемых жил. При жировых загрязнениях колпачки протирают тканью, смоченной бензином или ацетоном.

3.2.8. Комбинированные и многопроволочные секторные жилы предварительно скругляют плоскогубцами. При соединении секторных однопроволочных жил вместо алюминиевых колпачков применяют секторные втулки А. При отсутствии секторных втулок допускается использовать колпачки; секторные жилы на участке насадки колпачка следует запилить напильником так, чтобы они свободно входили в колпачок.

3.2.9. Свободное пространство между стенками колпачка и жилой заполняют отрезками присадки.

3.2.10. Сварочную проволоку для присадки нарезают на отрезки длиной 0,5-1 м, протирают их чистой ветошью, смоченной бензином или ацетоном, зачищают щеткой из кардоленты или шлифовальной шкуркой и протирают чистой сухой ветошью. При сварке жил сечением до 50 мм2 включительно применяют присадочный пруток из одной проволоки диаметром 2 мм, при сварке жил больших сечений предварительно свивают две-четыре проволоки. Присадку покрывают тонким слоем флюса, разведенного водой до пастообразного состояния.

3.2.11. Термитный патрон напевают на слегка отогнутую в сторону жилу и сдвигают на расстояние, равное длине патрона; соединяют торцы жил и сдвигают патрон обратно таким образом, чтобы стык жил находился в центре литникового отверстия. Жилы, как правило, устанавливают в патроне без зазора, однако допускается зазор 2-3 мм. Патроны устанавливают на всех соединяемых жилах.

3.2.12. Зазор между жилой 1 (рис. 3.9, а) и кокилем 3 термитного патрона уплотняют асбестовым шнуром 4.

3.2.13. Дальнейшие подготовительные операции проводят согласно пп. 3.1.16-3.1.18.

3.2.14. В литниковое отверстие термитного патрона вводят присадочный пруток 5, конец прутка складывают несколько раз для увеличения массы присадки, вводимой в начале сварки.

Рис. 3.9. Термитная сварка алюминиевых жил кабелей до 10 кВ сечением 16-240 мм2:

1 - жила; 2 - защитный экран; 3 - кокиль; 4 - асбестовый шнур; 5 - присадочный пруток; 6 - муфель; 7 - колпачок; 8 - охладитель; 9 - термитная спичка; 10 - мешалка; 11 - молоток; 12 - зубило; 13 - отвертка

3.2.15. Муфель 6 термитного патрона поджигают термитной спичкой 9, плотно прижав ее к торцу муфеля. Сварку рекомендуется начинать с жилы, расположенной вверху разделки.

3.2.16. После окончания горения муфеля в литниковое отверстие вводят мешалку 10 и перемешивают расплавленный металл сварочной ванны для удаления газов и шлака (рис. 3.9, б). При необходимости в литниковое отверстие добавляют присадку. Расплавление жил контролируют мешалкой (рис. 3.9, в), которая должна свободно доходить до дна кокиля.

3.2.17. После застывания металла в литниковом отверстии муфель скалывают зубилом 12 с помощью молотка 11 (рис. 3.9, г) и удаляют кокиль, отогнув его края отверткой 13, конец которой вставляют в зазор между кромками кокиля (рис. 3.9, д).

3.2.18. Остальные операции производят согласно требованиям пп. 3.1.29-3.1.32; удаление литниковой прибыли клещами ПК-1М показано на рис. 3.9, е.

СОЕДИНЕНИЕ ЖИЛ КАБЕЛЕЙ 20 И 35 кВ, СЕЧЕНИЕМ 25-185 мм2

3.2.19. Для выполнения соединений применяют принадлежности и инструмент, перечисленный в п. 3.2.1; соединительные гильзы (приложение 11), используемые вместо алюминиевых колпачков, входящих в комплект термитных патронов. Перечень материалов приведен в табл. 3.3.

Рис. 3.10. Подготовка алюминиевых жил кабелей 20 и 35 кВ сечением 25-185 мм2 к термитной сварке

3.2.20. С концов жил, соединяемых в муфтах СЛО и СЭО, удаляют изоляцию на длине 70 мм.

3.2.21. Остальные операции по подготовке, сварке и разборке соединения выполняют согласно требованиям пп. 3.2.2-3.2.18. Кокиль 3 (рис. 3.10) уплотняют асбестовым шнуром 4, наматываемым на выступающие концы кокиля и гильзы 2, а также на жилу 1.

СОЕДИНЕНИЕ ЖИЛ СЕЧЕНИЕМ 300-800 мм2

3.2.22. Для выполнения соединения применяют набор НСПУ, ручную ножовочную рамку с ножовочным полотном для металла; щетку из кардоленты или стальную; банку с крышкой и кисточку для нанесения флюса; мешалку из стальной проволоки; инструмент, перечисленный в п. 3.2.1, в-з.

Перечень материалов приведен в табл. 3.3 (пп. 1, 3-11).

3.2.23. Подготовительные операции выполняют согласно требованиям п. 3.2.2. С концов жил удаляют изоляцию на длине:

Сечение жилы, мм............................. 300               400              500             625              800

Длина удаляемой изоляции, мм....... 80                 85                100             110              120

3.2.24. Дальнейшие подготовительные операции выполняют согласно требованиям пп. 3.2.4-3.2.7; 3.2.10-3.2.12; устанавливают и закрепляют нижние половинки охладителя на соединительной планке, скрепленной со стойкой. Охладители закрепляют на жилах, следя за тем, чтобы жилы были плотно зажаты.

3.2.25. Перед сваркой жил сечением 625 и 800 мм2 на боковую поверхность патронов по обе стороны от литникового отверстия накладывают тепловую изоляцию - ленты из асбестового картона шириной 25-30 мм, стянутые бандажами из стали толщиной 1-1,5 мм.

3.2.26. При наличии контрольных жил их отгибают, как показано на рис. 3.4, в, и соединяют пайкой после сварки основной жилы (разд. 4).

3.2.27. Сварку и разборку соединения выполняют согласно требованиям пп. 3.2.14-3.2.18.

СОЕДИНЕНИЕ И ОТВЕТВЛЕНИЕ ЖИЛ ПРОВОДОВ СУММАРНЫМ СЕЧЕНИЕМ 70-240 мм2 СПЛАВЛЕНИЕМ ПО ТОРЦАМ

3.2.28. Для выполнения соединений и ответвлений применяют принадлежности и инструмент, перечисленные в пп. 3.2.1 а, в-з, материалы - согласно табл. 3.3 (пп. 3-9, 11) и термитные патроны ПАТ. Маркировка патронов соответствует максимальному суммарному сечению свариваемых проводов.

3.2.29. С концов жил удаляют изоляцию на длине:

Сечение жилы, мм.............................................. 70            95; 120            150; 185       240

Длина удаляемой изоляции, мм....................... 80                90                      95           100

3.2.30. Жилы зачищают до блеска щеткой из кардоленты и протирают тканью, смоченной бензином или ацетоном.

3.2.31. Концы жил соединяют в общий пучок и плотно связывают у обреза изоляции временным бандажом из двух-трех витков стальной проволоки; плоскогубцами придают пучку круглую форму.

3.2.32. Жилы покрывают флюсом, подготавливают и насаживают на жилы втулки согласно требованиям пп. 3.2.6, 3.2.7 и 3.2.9.

3.2.33. Присадку готовят согласно требованиям п. 3.2.10.

3.2.34. Термитный патрон 1 (рис. 3.11) надевают на жилы, оконцованные алюминиевой втулкой 2 так, чтобы нижняя часть кокиля 5 выступала за край втулки не менее чем на 7 мм. Кокиль уплотняют подмоткой жил асбестовым шнуром 8, которую сдвигают в зазор между жилами и кокилем.

3.2.35. Временный бандаж удаляют и устанавливают охладитель 7 на сложенные вместе жилы.

3.2.36. Муфель поджигают термитной спичкой; одновременно с началом горения муфеля в кокиль патрона вводят присадочный пруток 4. После расплавления концов жил плавно перемешивают сварочную ванну мешалкой и добавляют присадку до заполнения кокиля.

3.2.37. После застывания металла муфель скалывают, снимают кокиль и зачищают соединение.

Рис. 3.11. Термитная сварка алюминиевых проводов сплавлением по торцам:

1 - термитный патрон; 2 - алюминиевая втулка; 3 - жилы; 4 - присадочный пруток; 5 - кокиль; 6 - асбестовая подкладка; 7 - охладитель; 8 - асбестовый шнур

ОКОНЦЕВАНИЕ ЖИЛ СЕЧЕНИЕМ 300-800 мм2 НАКОНЕЧНИКАМИ ЛС

3.2.38. Для оконцевания применяют набор НСПУ; принадлежности и инструмент, перечисленные в пп. 3.2.1, в-з; ручную ножовочную рамку с ножовочным полотном для металла; щетку из кардоленты или стальную; банку с крышкой и кисточку для нанесения флюса; наконечники ЛС; материалы согласно табл. 3.3 (пп. 1, 3-11).

3.2.39. Подготовительные операции выполняют согласно требованиям пп. 3.1.37; 3.2.2; 3.2.4-3.2.7; 3.2.10. Стержневую часть наконечника зачищают до блеска, покрывают тонким слоем флюса, предварительно разведенного водой до пастообразного состояния, и насаживают на нее алюминиевую втулку термитного патрона. Стержневую часть наконечника зачищают до блеска, покрывают тонким слоем флюса, предварительно разведенного водой до пастообразного состояния, и насаживают на нее алюминиевую втулку термитного патрона.

Рис. 3.12. Приварка стержневых наконечников ЛС к жилам кабелей сечением 300-800 мм2

3.2.40. Термитный патрон 2 (рис. 3.12, в) устанавливают на жилу 3 и стержневую часть наконечника 4 таким образом, чтобы их стык находился в центре литникового отверстия.

3.2.41. Кокиль термитного патрона уплотняют асбестовым шнуром 1 согласно требованиям п. 3.2.12.

3.2.42. Нижние половины охладителей 5 (рис. 3.12, б) закрепляют на соединительной планке 7. Под охладитель, установленный на жиле кабеля (провода), подкладывают прямоугольную прокладку 6, толщина которой равна половине толщины контактной пластины наконечника, для выравнивания осей кабеля и наконечника.

3.2.43. Жилу и наконечник закрепляют в охладителях.

3.2.44. Выполняют операции, указанные в пп. 3.1.17 и 3.2.25.

3.2.45. Сварку и разборку соединений выполняют согласно требованиям пп. 3.2.14-3.2.18.

3.3. ДУГОВАЯ СВАРКА

ОКОНЦЕВАНИЕ ЖИЛ СЕЧЕНИЕМ 16-240 мм2 НАКОНЕЧНИКАМИ А

3.3.1. Наконечники А предназначены для оконцевания жил проводов и кабелей с пластмассовой или резиновой изоляцией аргонодуговой сваркой полуавтоматом или неплавящимся вольфрамовым электродом.

3.3.2. Для оконцевания полуавтоматической аргонодуговой сваркой применяют:

а) полуавтомат ПРМ с источником питания ПСГ-500, ВДГ-301 и др. постоянного тока с жесткой внешней характеристикой; б) оснастку (сопла с ловителем и охладители); в) приставку к полуавтомату ПРМ для регулирования цикла сварки; г) плоский напильник длиной 200 мм с насечкой № 2; д) плоскогубцы; е) стальную щетку; ж) баллон 40-150 для сжатого аргона.

3.3.3. Для оконцевания применяют материалы: а) сварочную проволоку СвАК5 диаметром 2 мм; б) газообразный аргон; в) бензин Б-70 или ацетон; г) обтирочную ветошь; д) наконечники А (приложение 12).

3.3.4. С концов жил удаляют изоляцию на длине:

Сечение жилы, мм2........................ 16-25            35-50         70-95          120-150      185-240

Длина удаляемой изоляции, мм...... 25                 30              35                  40                45

3.3.5. Жилы зачищают, сварочную проволоку подвергают химической обработке согласно указаниям приложения 13.

3.3.6. Полуавтомат ПРМ и приставку включают в электрическую сеть и приводят в рабочее состояние.

Рис. 3.13. Приварка наконечников А к жилам кабелей полуавтоматом ПРМ (а) и ручной аргонодуговой сваркой (б)

3.3.7. Обратный сварочный провод 3 (рис. 3.13, а) от вывода "минус" источника питания присоединяют к контактной лапке охладителя 4.

3.3.8. Режим сварки устанавливают по табл. 3.4 в соответствии с сечением оконцовываемой жилы. Правильность режима проверяют на отдельных образцах.

3.3.9. На оконцовываемую жилу 1 надевают наконечник 2 и закрепляют их в охладителе вертикально.

3.3.10. Горелку 5 полуавтомата устанавливают в охладитель с помощью скобы 7, имеющейся на сопле 6, таким образом, чтобы сопло находилось над закрепленной жилой кабеля.

3.3.11. Нажимают пусковую кнопку на рукоятке сварочной горелки. После окончания цикла кнопку отпускают, снимают горелку, раскрывают охладитель и освобождают жилу с приваренным наконечником. При правильно выбранном режиме сварки зачистка оконцевания после сварки не требуется.

Таблица 3.4

Сечение жилы, мм

Напряжение, В

Длительность сварки, с

Скорость подачи проволоки, м/с

Сечение жилы, мм2

Напряжение, В

Длительность сварки, с

Скорость подачи проволоки, м/с

16

23

0,5

0,07

95

30

1,3

0,13

25

25

0,5

0,083

120

31

1,8

0,14

35

26

0,5

0,093

150

35

2,5

0,15

50

28

0,6

0,107

185

40

3,5

0,16

70

29

0,8

0,118

240

40

4,5

0,17

3.3.12. Оконцовывать жилы наконечниками А можно полуавтоматической сваркой без регулятора цикла сварки, а также ручной аргонодуговой сваркой вольфрамовым электродом (рис. 3.13, б). В этом случае используют пониженный режим сварки, который подбирают на пробных образцах; сварочный ток к наконечнику подводят электрододержателем 8.

ОКОНЦЕВАНИЕ ЖИЛ СЕЧЕНИЕМ 300-1500 мм2 НАКОНЕЧНИКАМИ Л

3.3.13. Оконцевание жил наконечниками Л осуществляется полуавтоматической аргонодуговой сваркой; допускается дуговая сварка угольным электродом.

3.3.14. Для оконцевания дуговой сваркой неплавящимся угольным электродом применяют: а) однопостовой источник питания постоянного сварочного тока с падающей внешней характеристикой: сварочные преобразователи ПСО-300, ПСО-500 или сварочные выпрямители ВД-301, ВД-302; б) электрододержатель (приложение 14); в) формующее приспособление (приложение 15); г) напильник, плоскогубцы, стальную щетку; д) охладители из набора НСПУ.

3.3.15. Для оконцевания применяют материалы: а) сварочную проволоку СвАК5 диаметром 4 мм для оконцевания жил сечением 300-500 мм2 и диаметром 8 мм - для жил сечением 625-1500 мм2; б) сварочные угли или электроды из отходов графитированных анодов (приложение 17); в) флюс ВАМИ; г) асбестовый картон толщиной 2-4 мм; д) асбестовый шнур диаметром 2 и 4 мм; е) наконечники Л; ж) бензин Б-70 или ацетон; з) обтирочную ветошь.

3.3.16. С концов жил удаляют изоляцию на длине:

Сечение жилы, мм2............................................ 300-400              500-800             1000-1500

Длина удаляемой изоляции, мм........................... 125                      135                     155

3.3.17. У жил с бумажной изоляцией удаляют маслоканифольный состав ветошью, смоченной бензином или ацетоном.

3.3.18. Выполняют операции, указанные в пп. 3.1.19, 3.1.41-3.1.43.

3.3.19. Жилу 1 (рис. 3.14, а) закрепляют вертикально, надевают на ее конец наконечник 3, устанавливают на него формующее приспособление 7 и защищают контактную часть наконечника асбестовым картоном 4.

3.3.20. При сварке угольным электродом 5 к охладителю 2 присоединяют сварочный провод от вывода "плюс" источника питания.

3.3.21. Сварку выполняют при токе 150-200 А. Дугу возбуждают на торце жилы и медленно перемещают по спирали к центру жилы, расплавляя проволочки жилы и гильзу наконечника до образования монолита. Сварочную ванну перемешивают и очищают от шлака присадочным прутком 6. Дугу следует направлять на расплавленный металл, не поджигая проволочек жилы.

3.3.22. После остывания металла формующее приспособление и охладитель удаляют, зачищают сварное соединение стальной, щеткой, протирают ветошью, смоченной бензином или ацетоном, и запиливают неровности шва напильником.

3.3.23. При аргонодуговой сварке полуавтоматом ПРМ 8 (рис. 3.14, б) необходимы оборудование, инструмент и материалы, перечисленные в пп. 3.3.2 а, г-ж; 3.3.3 а-г; 3.3.14 в, д и 3.3.15 г, д, ж.

3.3.24. Подготовительные операции выполняют согласно требованиям пп. 3.1.41-3.1.43, 3.3.5, 3.3.16, 3.3.17 и 3.3.19.

3.3.25. К охладителю присоединяют сварочный провод от вывода "минус" источника питания.

3.3.26. Сварку выполняют при токе 150-180 А (скорость подачи электродной проволоки 0,05-0,07 м/с, напряжение на дуге 17-19 В, расход аргона 12-15 л/мин). Сварочную дугу возбуждают на торце жилы и медленно перемещают по спирали к центру жилы, контролируя правильность формирования сварного шва и плавление проволочек жилы. Сварку заканчивают в центре сварного соединения.

Рис. 3.14. Приварка наконечников Л к жилам кабелей сваркой угольным электродом (а) и полуавтоматом ПРМ (б)

3.3.27. После остывания металла формующее приспособление удаляют, соединение при необходимости зачищают стальной щеткой и запиливают неровности шва напильником. Сведения о расходе материалов при сварке приведены в приложении 16.

3.4. ЭЛЕКТРОСВАРКА КОНТАКТНЫМ РАЗОГРЕВОМ

СОЕДИНЕНИЕ И ОТВЕТВЛЕНИЕ ОДНОПРОВОЛОЧНЫХ ЖИЛ ПРОВОДОВ В СКРУТКЕ СУММАРНЫМ СЕЧЕНИЕМ ДО 12,5 мм2

3.4.1. Контактные соединения в электропроводках сетей освещения жилых и общественно-бытовых зданий выполняют сваркой контактным разогревом аппаратами ВКЗ-1 и ТПС-2000 У3.

3.4.2. С концов жил удаляют изоляцию на длине 35-40 мм и зачищают жилы до металлического блеска щеткой из кардоленты или наждачной бумагой; скручивают жилы.

3.4.3. При сварке аппаратом ВКЗ-1 (рис. 3.15, в) взводят спусковой механизм с угольным электродом 3 и зажимают скрученные жилы 1 в губки держателя 2 так, чтобы торцы жил упирались в лунку электрода. Нажимают на спусковой крючок 4 аппарата, после срабатывания спускового механизма подается напряжение, и угольный электрод, продвигаясь под действием пружины вперед, сваривает жилы. Сварка происходит автоматически: она прекращается в момент оплавления жил на заданную длину.

3.4.4. Сварку жил контактным разогревом в монтажной зоне выполняют с применением клещей с двумя угольными электродами (рис. 3.15, б, в), подключенными к полюсам источника питания (трансформатора) мощностью 0,5 кВ×А при напряжении 9-12 В.

3.4.5. Перед сваркой жилы зачищают, скручивают (рис. 3.15, б) и покрывают тонким слоем флюса ВАМИ на длине 5-6 мм.

3.4.6. Жилы располагают вертикально вниз скруткой. Угольные электроды клещей должны быть замкнуты и раскалены; после этого их прижимают к торцам жил (рис. 3.15, в) и держат в таком положении до образования шарика расплавленного металла. На этом сварка заканчивается и электроды отводят от скрутки. После остывания место сварки очищают от шлака, остатков флюса и изолируют лентой или полиэтиленовым колпачком.

Рис. 3.15. Электросварка алюминиевых жил контактным разогревом с помощью аппарата ВКЗ-1 (в) и двух угольных электродов (б, в)

СОЕДИНЕНИЕ И ОТВЕТВЛЕНИЕ МНОГОПРОВОЛОЧНЫХ ЖИЛ СУММАРНЫМ СЕЧЕНИЕМ 32-240 мм2, СПЛАВЛЕНИЕМ В ОБЩИЙ МОНОЛИТНЫЙ СТЕРЖЕНЬ

3.4.7. Для выполнения контактных соединений применяет: сварочный трансформатор мощностью 1-2 кВ×А с вторичным напряжением 8-9 В; электрододержатели и электроды из графитированного угля (приложения 14, 17); охладители и опорную стойку из набора НСПУ; плоский напильник длиной 200 мм с насечкой № 2; молоток массой 0,4-0,5 кг; плоскогубцы; стальную щетку; кисточку для нанесения флюса; разъемные цилиндрические формы (приложение 19); материалы согласно табл.3.1, пп. 1-8 и 11.

3.4.8. С концов жил удаляют изоляцию на длине:

Суммарное сечение жил, мм2............................ До 50        75            105         150.............................................................................. 240

Длина удаляемой изоляции, мм........................ 60             65            70           72            75

3.4.9. На жилах с бумажной изоляцией у места ее обреза выполняют бандаж из ниток и с оголенных жил удаляют маслоканифольный состав ветошью, смоченной бензином или ацетоном.

3.4.10. Сварочную форму подбирают по суммарному сечению соединяемых жил проводов (применяется форма для ближайшего большего сечения).

3.4.11. К трансформатору подключают электрододержатель и охладитель.

3.4.12. Концы жил располагают вертикально.

3.4.13. На жилах выполняют асбестовый бандаж 9 (рис. 3.16, б) толщиной 1-1,5 мм так, чтобы сплавляемый участок жил был свободен от асбеста, и устанавливают разъемную сварочную форму. Торцы жил должны быть на одном уровне с верхним краем формы.

3.4.14. Половники формы скрепляют жестяным хомутом или проволочным бандажом 8.

3.4.15. На очищенном от изоляции участке жил 1 (рис. 3.16, а) между формой 2 и обрезом изоляции устанавливают охладитель 3, подключенный гибким проводом 7 к сварочному трансформатору.

3.4.16. На торец жилы кисточкой наносят тонкий слой флюса.

3.4.17. Для расплавления концов жил электрод Л, закрепляемый в электрододержателе 4, плотно прижимают к их торцу (рис. 3.16, б), задерживают на одном месте до появления очага плавления, после чего медленно перемещают по торцам жил, последовательно расплавляя все проволоки (рис. 3.16, в).

3.4.18. После образования расплавленного металла 10 в форму вводят присадочный пруток 6 из алюминия, погружая его в расплавленный металл под электрод (рис. 3.16, г).

Рис. 3.16. Сварка алюминиевых жил сплавлением в общий монолитный стержень

3.4.19. В процессе сварки расплав перемешивают концом электрода круговыми движениями.

3.4.20. После заполнения формы алюминием до краев электрод отводят в сторону и заканчивают сварку.

3.4.21. После затвердения металла охладитель и форму снимают, место сварки и прилегающий к нему участок жил очищают от шлака щеткой из кардоленты.

3.5. КОНТРОЛЬ КАЧЕСТВА СВАРНЫХ СОЕДИНЕНИЙ, ОКОНЦЕВАНИЙ И ОТВЕТВЛЕНИЙ ЖИЛ

3.5.1. Основным методом контроля является внешний осмотр мест сварки, который производят после удаления со шва шлака, брызг металла и остатков флюса.

3.5.2. Поверхность сварных соединений не должна иметь трещин, прожогов, непроваров и надрезов.

3.5.3. Если качество швов вызывает сомнение, сваривают образцы-"свидетели" при тех же режимах и испытывают их.

3.5.4. Сварные соединения при испытании должны иметь механическую прочность не ниже прочности отожженного металла и электрическую проводимость не ниже электрической проводимости целой жилы.

3.5.5. Испытания сварных соединений, оконцеваний и ответвлений на механическую прочность и электрическую проводимость выполняют в соответствии с "Методикой и нормами определения качества сварных швов в электромонтажном производстве" МСН 92-65/ГМСС СССР (М.: Энергия, 1966).

4. СОЕДИНЕНИЕ, ОКОНЦЕВАНИЕ И ОТВЕТВЛЕНИЕ ЖИЛ ПАЙКОЙ

4.1. СОЕДИНЕНИЕ, ОКОНЦЕВАНИЕ И ОТВЕТВЛЕНИЕ ЖИЛ СЕЧЕНИЕМ ДО 10 мм2 ПРОПАЯННОЙ СКРУТКОЙ И ОФОРМЛЕНИЕМ В КОЛЬЦО

4.1.1. Для выполнения соединений, оконцеваний и ответвлений применяют наборы НСПУ, НСП-1 или паяльник (электротигель), стальную щетку, плоскогубцы или круглогубцы. Для пайки алюминиевых жил применяют припои, перечисленные в табл. 4.1.

Для пайки медных жил применяют мягкие оловянно-свинцовые припои, перечисленные в табл. 4.2, канифоль или флюс КСп. Данные по расходу материалов приведены в приложении 20.

Таблица 4.1

Припой

Температура плавления, °С

Состав припоя, %

Цинк

Олово

Медь

Алюминий

Оловянно-медноцинковый А

400-425

58-58,5

40

1,5-2

-

Цинкооловянистый ЦО-12

500-550

88

12

-

-

Цинкоалюминиевый ЦА-15

550-600

85

-

-

15

4.1.2. С концов жил удаляют изоляцию на длине, указанной в табл. 4.3.

4.1.3. Жилы зачищают до металлического блеска.

4.1.4. Алюминиевые жилы складывают внахлестку, соединяют их концы двойной скруткой (рис. 4.1, а, б) или оформляют в кольцо круглогубцами.

4.1.5. При пайке алюминиевых жил скрутку нагревают пламенем газовой горелки, одновременно вводя в пламя пруток припоя. После нагрева жил до температуры плавления припоя натирают желобок и место скрутки с одной стороны прутком припоя. В результате трения пленка окиси разрушается, желобок и скрутка облуживаются и заполняются припоем. Аналогично пропаивают другую сторону скрутки.

4.1.6. При пайке медных жил на скрутку (рис. 4.1, а) или кольцо наносят мелко истолченную канифоль или флюс КСп, пропаивают скрутку припоем с помощью паяльника или погружают оформленную в кольцо жилу в расплавленный припой на 1-4 с.

Таблица 4.2

Припой

(ГОСТ 21930-76)

Температура плавления, °С

Область преимущественного применения

ПОССу61-0,5

183-189

Лужение и пайка электроаппаратуры, пайка элементов печатных плат и обмоток электрических машин

ПОССу40-0,5

183-235

Лужение и пайка обмоток электрических машин, пайка монтажных элементов, моточных и кабельных изделий

ПОССу35-0,5

183-245

Лужение и пайка свинцовых кабельных оболочек электротехнических изделий

ПОССу40-2

185-229

Припой широкого назначения

Таблица 4.3

Сечение жилы, мм2

Длина снимаемой изоляции*, мм

Сечение жилы, мм2

Длина снимаемой изоляции*, мм

при пайке скрутки алюминиевых жил

при пайке скрутки медных жил

при пайке скрутки алюминиевых жил

при пайке скрутки медных жил

До 1

-

20

4

60

45

 

1,5

-

25

6

80

50

 

2,5

60

35

10

90

60

 

*При оформлении медных жил в кольцо изоляцию удаляют на длине 30-35 мм

Рис. 4.1. Соединение и ответвление жил сечением до 10 мм2 пайкой

4.1.7. Излишки припоя удаляют с поостывшего соединения чистой ветошью; место пайки изолируют.

4.2. СОЕДИНЕНИЕ И ОТВЕТВЛЕНИЕ ЖИЛ СЕЧЕНИЕМ 16-240 мм2 НЕПОСРЕДСТВЕННЫМ СПЛАВЛЕНИЕМ ПРИПОЯ В ФОРМАХ (МЕДНЫХ ГИЛЬЗАХ) ИЛИ ПОЛИВОМ ПРЕДВАРИТЕЛЬНО РАСПЛАВЛЕННЫМ ПРИПОЕМ

4.2.1. Для соединения и ответвления применяют набор НСПУ (для пайки непосредственным сплавлением припоя) или тигель, паяльную ложку, разъемные формы или формы из кровельной стали для пайки поливом (приложения 21-25), защитный экран, стальную щетку, напильник длиной 200 мм с насечкой № 2, кисточку для нанесения флюса и стальной скребок, мешалку (проволочный щуп), ручную ножовочную рамку с ножовочным полотном для металла; для соединения или ответвления в гильзах - медные соединительные или ответвительные гильзы (приложения 26, 27); термометр со шкалой 0-300° С.

4.2.2. При пайке алюминиевых жил применяют припои, указанные в табл. 4.1, медных - оловянно-свинцовые припои (табл. 4.2) и мелко истолченную канифоль или флюс КСп. Данные по расходу материалов приведены в приложении 28.

4.2.3. С концов алюминиевых жил удаляют изоляцию на длине:

Сечение жилы, мм2............................. 16-35                       50-95                   120 и выше

Длина удаляемой изоляции, мм.......... 50                            60                            70

С концов медных жил удаляют изоляцию на длине, равной половине длины гильзы плюс 10 мм.

4.2.4. У кабелей с бумажной изоляцией с оголенной части жилы удаляют масло-канифольный состав чистой ветошью, смоченной бензином или ацетоном.

4.2.5. Секторные жилы скругляют, используя механизмы и инструмент, перечисленные в разд. 2.

4.2.6. Жилы зачищают до металлического блеска.

4.2.7. С зачищенных концов жил снимают повивы ступенями (рис. 4.2, а-в соответственно для жил сечением 16-35; 50-95 и 120-240 мм2) или отрезают жилы 1 под углом 55° с помощью шаблона 2 (рис. 4.2, г, д).

4.2.8. Края изоляции жил обматывают несколькими витками асбестового шнура.

Рис. 4.2. Разделка концов жил сечением 16-240 мм2 перед пайкой

4.2.9. Облуживают концы жил следующим образом:

алюминиевые жилы при соединении и ответвлении непосредственным сплавлением припоя прогревают до плавления припоя, вводят палочку припоя в пламя горелки и наносят припой на всю ступенчатую поверхность концов жил, включая их торцы, тщательно растирают припой стальной кисточкой до полного облуживания жилы;

концы алюминиевых жил при соединении сплавлением припоя в медных гильзах облуживают сначала припоем А, затем припоем ПОССу. Припоем ПОССу после предварительной очистки облуживают медные соединительные гильзы;

медные жилы облуживают оловянно-свинцовым припоем.

4.1.10. Концы жил 1 (рис. 4.3, а) вводят в формы (гильзы) 2 так, чтобы стык жил находился в середине формы (для жил со срезанными под углом 55° концами зазор между торцами около 2 мм). Разъемные формы скрепляют бандажами из мягкой стальной проволоки, формы из кровельной стали - с помощью замка.

4.2.11. Место входа жил в форму уплотняют подмоткой из асбестового шнура 7. Формы устанавливают горизонтально для обеспечения полной заливки припоем, надевают на жилы защитные экраны 5 (приложение 29). При соединении жил сечением 120 мм2 и более рекомендуется дополнительно устанавливать охладители. В этом случае длина первой ступени разделываемого конца кабеля увеличивается от 40 до 55 мм (рис. 4.2, в).

4.2.12. Пламенем горелки 3 нагревают форму (гильзу) с введенными в нее облуженными концами жил. Одновременно в пламя вводят палочку припоя 4, расплав которого должен заполнить форму до верха. Расплавленный припой 6 перемешивают мешалкой и удаляют шлаки, затем прекращают нагрев и уплотняют припой легким постукиванием по форме.

4.2.13. При пайке поливом предварительно расплавленным припоем тигель 11 (рис. 4.3, б) с расплавленным припоем устанавливают несколько в стороне от места пайки, чтобы выделяемое им тепло дополнительно не нагрело жилы и не воспламенило кабельный пропиточный состав. Для стекания излишков припоя между местом пайки и тиглем устанавливают лоток 10, который крепят к оголенным жилам так, чтобы он не касался бумажной изоляции.

Рис. 4.3. Соединение жил сечением 16-240 мм2 пайкой

Рис. 4.4. Подготовка жил сечением 16-240 мм2 к ответвлению пайкой

1 - жила; 2 - форма; 3 - асбестовая подмотка; 4 - защитные экраны

4.2.14. При пайке алюминиевых жил температура расплавленного припоя ЦО-12, ЦА-15 должна составлять 600-700 °С (определяется началом плавления погруженной в припой алюминиевой проволоки); медных жил оловянно-свинцовым припоем - 270-280 °С (определяется термометром со шкалой 0-300°С). Масса припоя в тигле во избежание быстрого остывания должна быть 7-8 кг.

4.2.15. Припой заливают паяльной ложкой 9 через литниковое отверстие формы. При пайке алюминиевых жил заливку припоя продолжают до расплавления торцов соединяемых жил, что определяется прощупыванием проволочным щупом. С поверхности жил со скошенными концами под слоем припоя удаляют пленку окиси скребком 8, изготовленным из ножовочного полотна.

4.2.16. Тигель с расплавленным припоем подогревают перед соединением жил кабеля каждой фазы.

4.2.17. Длительность пайки во всех случаях не должна превышать 1-1,5 мин. Припой после остывания дает усадку, поэтому во избежание образования раковин следует долить припой в форму или гильзу до затвердения его верхнего слоя, сохраняя неизменным положение жил, чтобы избежать образования трещин.

4.2.18. Излишки незастывшего припоя удаляют, осторожно протерев форму (гильзу) чистой ветошью.

4.2.19. После остывания соединения снимают охладители, экраны, форму и опиливают шероховатости. Соединение протирают чистой ветошью, смоченной бензином или ацетоном.

4.2.20. Место пайки изолируют.

4.2.21. Ответвления (рис. 4.4) выполняют аналогично соединениям, применяя ответвительные гильзы или Т-образные формы (приложение 25).

4.3. СОЕДИНЕНИЕ АЛЮМИНИЕВЫХ ЖИЛ С МЕДНЫМИ И ЖИЛ РАЗНЫХ СЕЧЕНИЙ

4.3.1. Алюминиевые жилы соединяют с медными согласно требованиям подраздела 4.2 в медных гильзах (приложение 26). Концы алюминиевых жил облуживают сначала припоем А, затем ПОССу, а медные жилы и медные соединительные гильзы - припоем ПОССу.

4.3.2. Жилы разных сечений соединяют согласно требованиям подраздела 4.2 в формах, медных соединительных гильзах или медных гильзах, предназначенных для жил разных сечений. В месте входа жилы меньшего сечения в форму или гильзу выполняют центрирующую уплотняющую подмотку из асбестового шнура.

4.4. ОКОНЦЕВАНИЕ АЛЮМИНИЕВЫХ И МЕДНЫХ ЖИЛ НАКОНЕЧНИКАМИ П

4.4.1. С конца жилы удаляют изоляцию на длине, равной длине наконечника плюс 10 мм.

4.4.2. Секторные жилы скругляют.

4.4.3. С конца жилы удаляют маслоканифольный состав ветошью, смоченной бензином; у алюминиевых жил опиливают концы под углом 55° в стальном шаблоне (рис. 4.2, г, д); жилы зачищают до металлического блеска.

4.4.4. Облуживают жилу и наконечник (внутреннюю гильзу):

алюминиевые жилы - припоем А, затем оловянно-свинцовым припоем;

медные - оловянно-свинцовым припоем с применением канифоли или флюса КСп.

4.4.5. На жилу 2 (рис. 4.5, а) надевают наконечник 1 и уплотняют зазоры в его нижней части асбестовым шнуром 3, устанавливают защитный экран 4.

4.4.6. Конец жилы и наконечник прогревают горелкой 6 (рис. 4.5, б) и наплавляют в наконечник оловянно-свинцовый припой 5. При заполнении гильзы наконечника припоем необходимо следить за тем, чтобы он проник в зазоры между проволоками и наконечником. Образовавшиеся при пайке подтеки припоя разглаживают ветошью по поверхности наконечника.

4.4.7. После полного застывания припоя снимают подмотку из асбеста.

Рис. 4.5. Оконцевание жил наконечниками П пайкой

4.5. СОЕДИНЕНИЕ МЕДНЫХ ЖИЛ С ПЛОСКИМИ И ШТЫРЕВЫМИ ВЫВОДАМИ

Для соединения пайкой однопроволочных и многопроволочных медных жил сечением до 4 мм2 с плоскими выводами удаляют изоляцию с концов жил на длине 35 мм, со штыревыми выводами - 50 мм; зачищают оголенные части до металлического блеска; наносят на жилу флюс КСп или мелко истолченную канифоль и облуживают жилу оловянно-свинцовым припоем с помощью паяльника; закрепляют или укладывают жилу на выводе и пропаивают оловянно-свинцовым припоем.

4.6. Качество соединений и ответвлений, выполненных пайкой, контролируют в соответствии с требованиями подраздела 3.5.

5. СОЕДИНЕНИЕ ЖИЛ ПРОВОДОВ И КАБЕЛЕЙ С КОНТАКТНЫМИ ВЫВОДАМИ ЭЛЕКТРООБОРУДОВАНИЯ

5.1. КОНСТРУКЦИЯ КОНТАКТНЫХ ВЫВОДОВ

5.1.1. Контактные выводы бывают плоскими (рис. 5.1, а), штыревыми (рис. 5.1, б) и гнездовыми (рис. 5.1, в). Плоские и штыревые выводы предназначены для сварного, паяного и болтового присоединений, гнездовые - для втычного (непосредственного или через наконечники).

Рис. 5.1. Контактные выводы

Рис. 5.2. Контактные зажимы:
а - блок зажимов БЗ24 с плоскими выводами; б - гнездовой наборный зажим ЗН23; в - ответвительный зажим У730м-У734м; У739; У858м-У860м; У870-У872

5.1.2. В распределительных устройствах, силовых цепях до 1000 В, вторичных цепях, при соединении проводов с установочными изделиями и в осветительных сетях применяют зажимы (наборные, ответвительные и др., рис. 5.2).

5.1.3. Контактные выводы и токопроводящие детали зажимов из меди, ее сплавов и стали должны иметь защитное металлическое покрытие.

5.1.4. Выводы должны быть укомплектованы крепежными изделиями, предусмотренными стандартами и техническими условиями на электротехнические устройства. По заказу потребителя при присоединении алюминиевых проводов и кабелей выводы должны быть укомплектованы средствами стабилизации контактного давления.

5.2. ИНСТРУМЕНТ И МАТЕРИАЛЫ

5.2.1. Для выполнения соединений применяют ключи (гаечные, торцевые, разводные), напильники, слесарные молотки, малярные кисти, стальные щетки. Для растворителей, грунтовок и красок используют металлическую посуду. При выполнении сварных соединений пользуются инструментом, приспособлениями и материалами, указанными в "Инструкции по сварке цветных металлов в электромонтажном производстве" ВСП 369-76/ММСС СССР (М.: Энергия, 1978).

5.2.2. Для болтовых соединений применяют крепежные детали, перечисленные в табл. 5.1.

Таблица 5.1

Изделие

Материал

Класс и группа не ниже

Покрытие

Вид

Обозначение

Болт

Сталь

5,8

Цинковое с хроматированием

01

Латунь

32

Без покрытия или оловянное

00; 07

Алюминиевый сплав

36

Без покрытия

00

Гайка

Сталь

5

Цинковое с хроматированием

01

Латунь

32

Без покрытия или оловянное

00; 07

Алюминиевый сплав

36

Без покрытия

00

5.3. СОЕДИНЕНИЕ АЛЮМИНИЕВЫХ ЖИЛ С ПЛОСКИМИ КОНТАКТНЫМИ ВЫВОДАМИ

5.3.1. Разборные контактные соединения однопроволочных жил проводов и кабелей сечением до 10 мм2 выполняют непосредственно, путем изгибания конца жилы в кольцо или без формирования кольца с предохранением в обоих случаях фасонными шайбами или после оконцевания кольцевыми наконечниками (для жил сечением 2,5 мм2); жил сечением 16 мм2 и более - после оконцевания наконечниками или изгибания конца жилы с помощью специального инструмента.

5.3.2. Разборные контактные соединения многопроволочных жил выполняют после оконцевания наконечниками.

5.3.3. При оконцевании жил руководствуются требованиями разд. 2-4. Перед соединением жилы (наконечника) с выводом или зажимом поверхности, не имеющие защитных металлических покрытий, зачищают до металлического блеска стальной щеткой или шлифовальной шкуркой. Контактные поверхности деталей из алюминия и его сплавов зачищают под слоем технического вазелина или смазки ПИАТИМ-221. Контактные поверхности, имеющие защитное покрытие, очищают бензином, ацетоном, уайт-спиритом или другим растворителем.

5.3.4. Однопроволочные жилы сечением до 10 мм2 соединяют с плоскими выводами 3 (рис. 5.3) из меди, алюминия и его сплавов непосредственно после изгибания конца жилы 5 в кольцо (или без формирования кольца) или после оконцевания наконечником стальными винтами 1 с полукруглыми или цилиндрическими головками либо стальными болтами 7 с гайками 8. Для предотвращения их самоотвинчивания применяют пружинные шайбы. При оформлении конца жилы в кольцо (или без выполнения кольца) в соединении устанавливают фасонную ("звездочку") 4 и пружинную 2 шайбу (рис. 5.3, а), а при оконцевании плоским 6 или кольцевым наконечником (пистоном) только пружинную шайбу (рис. 5.3, б, в).

Рис. 5.3. Соединение жил сечением до 10 мм2 с плоскими выводами

5.3.5. Жилы сечением 16 мм2 и более, оконцованные алюминиевыми наконечниками, соединяют с плоскими выводами из меди, алюминия и его сплавов стальными болтами, гайками и шайбами с применением средств стабилизации контактного давления: тарельчатых пружин или крепежных изделий из цветных металлов с коэффициентом линейного расширения 18¸21´10-6 1/°С (например, из латуни ЛС59-1, ЛС62 или алюминиевого сплава АК-4-1).

5.3.6. До начала промышленного выпуска тарельчатых пружин электротехнического назначения можно применять тарельчатые пружины общего назначения (рис. 5.4, а), в табл. 5.2 указано их количество на один болт.

5.3.7. При сборке соединения с тарельчатыми пружинами (рис. 5.4, б) со стороны размещения пружин устанавливают увеличенную шайбу. Болты завинчивают моментным ключом или в два приема: сначала завинчивают пружины до полного сжатия, затем соединение ослабляют поворотом ключа на 1/4 оборота (90°) для болтов М6-М12 и на 1/6 оборота (60°) для других болтов. В соединениях с тарельчатыми пружинами контргайки не требуются.

Рис. 5.4. Соединение жил сечением 16 мм2 и более с плоскими выводами:

1 - жила; 2 - наконечник; 3 - плоский вывод; 4 - шайба; 5 - болт; 6 - гайка; 7 - увеличенная шайба; 8 - тарельчатая пружина; 9 - пружинная шайба

Таблица 5.2

Диаметр болта, мм

Размеры, мм

Усилие при f1*=0,8f, кН

Пружина

Количество пружин на один болт, шт.

Нормативный документ

D

d

D

f

h

6,8

16

8,5

1

0,5

1,5

1,8

1086-0701

2

МН-867-60

10

22

10,5

1,5

0,5

2

3,3

1086-0702

2

МН-867-60

10

28

12

1,5

0,8

2,3

4,1

НС28´12´1,5´0,8

2

ГОСТ 3057-79

12

32

14

3

0,7

3,7

21

НС32´14´3´0,7

1

ГОСТ 3057-79

16

40

20

2

1

3

6,2

НС40´20´2´1,0

3

ГОСТ 3057-79

20

45

25

3

1

4

14,5

1086-0710

2

МН-867-60

*f1 - размер пружины в сжатом состоянии.

5.3.8. Жилы, оконцованные наконечниками из твердых алюминиевых сплавов, соединяют с плоскими выводами из меди, стали или твердого алюминиевого сплава стальными болтами, гайками и шайбами (рис. 5.4, в, г).

5.3.9. Жилы соединяют с выводами электротехнических устройств из меди, стали или твердого алюминиевого сплава, расположенных на открытом воздухе, в сырых помещениях* и помещениях с агрессивной средой** после их оконцевания медно-алюминиевыми наконечниками или наконечниками из твердого алюминиевого сплава в соответствии с требованиями п. 5.3.8.

*По ГОСТ 15150-69*. Электротехнические устройства всех исполнений и категорий размещения, кроме размещения 4.1 и исполнений У, УЛ, ТС категорий размещений 3 и 4.

**По ГОСТ 15150-69*. Электротехнические устройства, работающие в среде, содержащей коррозионно-активные агенты, состав и концентрация которых превышают нормы атмосферы типа П.

5.3.10. Жилы, оконцованные медно-алюминиевыми наконечниками или наконечниками из твердого алюминиевого сплава, соединяют с плоскими выводами из алюминия в соответствии с требованиями п. 5.3.5.

5.3.11. Два проводника, оконцованные наконечниками, соединяют с плоским выводом с двух сторон вывода (рис. 5.4, д).

5.3.12. Не допускается рассверливать отверстия в выводе или лапке наконечника под болт большего диаметра.

5.3.13. Диаметр болта может быть меньше диаметра отверстия в выводе или наконечнике только на один типоразмер. Например, при диаметре отверстия вывода 13 мм, наконечника 11 мм используется болт М10.

5.3.14. Не разрешается изменять форму и размеры зажимной части наконечника. При невозможности подключения наконечника к выводу, несоответствии диаметров отверстий в выводе и наконечнике, присоединении более двух наконечников следует применять переходные детали (рис. 5.5, в, б).

Форма переходной детали (пластина, уголок, косынка и т.п.) зависит от конструкции и расположения вывода; детали изготовляют из того же материала, что и вывод, или однородного. В качестве переходных деталей применяют пластины из меди, медно-алюминиевые и из алюминиевого сплава (рис. 5.5, в).

Поперечное сечение переходной детали не должно быть меньше соответствующего сечения контактного вывода.

Жилы, оконцованные наконечниками, соединяют с переходными деталями из меди или алюминиевого сплава болтами (рис. 5.5, а) в соответствии с пп. 5.5.3 или 5.5.4. Алюминиевые жилы соединяют с переходными деталями из алюминия, алюминиевого сплава или с алюминиевой частью медно-алюминиевой детали сваркой (рис. 5.5, б, в).

Рис. 5.5. Соединение алюминиевых жил с переходными деталями:

1 - переходная деталь; 2 - болт; 3 - гайка; 4 - наконечник; 5 - жила; 6 - шайба; 7 - заклепочный шов; 8 - медно-алюминиевая пластина

5.4. СОЕДИНЕНИЕ МЕДНЫХ ЖИЛ С ПЛОСКИМИ КОНТАКТНЫМИ ВЫВОДАМИ

5.4.1. Перед соединением жилы оконцовывают наконечниками или оформляют в кольцо в соответствии с требованиями разд. 2 и 4. Подготовку контактных поверхностей производят согласно требованиям п. 5.3.3.

5.4.2. Однопроволочные жилы сечением до 10 мм2 соединяют с плоскими выводами согласно требованиям п. 5.3.4. Разрешается присоединять к одному выводу две жилы, оформленные в кольцо.

5.4.3. Многопроволочные жилы сечением до 2,5 мм2 соединяют с плоскими выводами из меди, алюминия и его сплавов после изгибания конца жилы в кольцо (или без формирования кольца с применением фасонной шайбы) и пропайки или оконцевания кольцевым наконечником (пистоном) стальными винтами с полукруглыми или цилиндрическими головками.

5.4.4. Жилы, оконцованные наконечниками П и Т, соединяют с плоскими выводами из мели или твердого алюминиевого сплава стальными болтами, гайками и шайбами (рис. 5.4, а, б).

5.4.5. Жилы, оконцованные наконечниками П и Т, соединяют с плоскими выводами из алюминия согласно требованиям п. 5.3.5.

5.4.6. Жилы, оконцованные наконечниками, соединяют с алюминиевыми выводами электротехнических устройств, расположенных на открытом воздухе, в сырых помещениях и в помещениях с агрессивной средой, через переходную медно-алюминиевую пластину, алюминиевую часть которой приваривают к выводу или соединяют с ним болтами, а к медной части болтом присоединяют наконечник. При болтовом соединении алюминиевой части пластины с выводом должны быть выполнены требования п. 5.3.5. Допускается непосредственное соединение медной жилы, оконцованной наконечником, с плоским алюминиевым выводом, если контактные поверхности вывода и наконечника имеют однородное защитное металлическое покрытие.

5.5. СОЕДИНЕНИЕ АЛЮМИНИЕВЫХ ЖИЛ СО ШТЫРЕВЫМИ ВЫВОДАМИ

5.5.1. Перед соединением жил следует выполнить требования пп. 5.3.1-5.3.3.

5.5.2. Однопроволочные жилы сечением до 10 мм2, оконцованные кольцевыми наконечниками (рис. 5.6, а) или оформленные в кольцо (рис. 5.6, б), соединяют с выводами гайками, фасонными и пружинными шайбами.

5.5.3. Многопроволочные жилы, оконцованные наконечниками из алюминия, на токи до 630 А соединяют с выводами медными гайками (рис. 5.6, в, г), на токи выше 630 А - через переходные детали (медно-алюминиевые или из твердого алюминиевого сплава) или медными (упорными) и стальными гайками после нанесения на их рабочие поверхности защитных металлических покрытий.

Рис. 5.6. Соединение алюминиевых жил со штыревыми выводами:

1 - вывод; 2 - гайка; 3 - пружинная шайба; 4 - жила, оконцованная кольцевым наконечником; 5 - фасонная шайба ("звездочка"); 6 - жила, оформленная в кольцо, 7 - наконечник; 8 - пластина из алюминия или алюминиевого сплава; 9 - заклепочный шов

5.5.4. На открытом воздухе, в сырых помещениях и в помещениях с агрессивной средой алюминиевые проводники оконцовывают переходными деталями, имеющими защитное металлическое покрытие рабочих поверхностей, и соединяют с выводами согласно требованиям п. 5.5.3.

5.5.5. Со штыревыми выводами из алюминиевого сплава жилы соединяют сваркой (рис. 5.6, д) или, при оконцевании жилы наконечником, - согласно требованиям п. 5.5.3.

5.5.6. Не допускается рассверливать отверстие в лапке наконечника под штыревой вывод большего диаметра. Диаметр штыревого вывода может быть меньше диаметра отверстия в наконечнике на один типоразмер. Например, при диаметре отверстия в наконечнике 17 мм используют выводы со штырями М14.

5.5.7. Две жилы, оконцованные наконечниками, при присоединении к штыревому выводу рекомендуется располагать, как показано на рис. 5.6, в.

При невозможности подключения наконечников к выводу или присоединении более двух наконечников следует применять переходные детали в соответствии с требованиями п. 5.3.14.

5.6. СОЕДИНЕНИЕ МЕДНЫХ ЖИЛ СО ШТЫРЕВЫМИ ВЫВОДАМИ

5.6.1. Перед соединением жил следует выполнить требования п. 5.5.1.

5.6.2. Жилы сечением до 10 мм соединяют с выводами гайками, фасонными и пружинными шайбами. При оформлении жилы в кольцо устанавливают фасонную и пружинную шайбы, а при оконцевании плоским или кольцевым наконечником (пистоном) - только пружинную шайбу (рис. 5.6).

5.6.3. Жилы, оконцованные медными наконечниками, соединяют со штыревыми выводами гайками из меди и ее сплавов. При токах до 40 А допускается применение стальных гаек с покрытием цинком, оловом, никелем или кадмием (рис. 5.6, а, б).

5.7. СОЕДИНЕНИЕ ЖИЛ С ГНЕЗДОВЫМИ ВЫВОДАМИ И ЗАЖИМАМИ

5.7.1. Разборные контактные соединения жил проводов и кабелей с гнездовыми выводами и зажимами выполняют непосредственно; после оконцевания жил штифтовыми наконечниками из меди и ее сплавов, медно-алюминиевыми или из твердого алюминиевого сплава; после сплавления алюминиевых жил в монолит с добавлением легирующих присадок из твердого алюминиевого сплава.

5.7.2. Перед соединением контактную часть жил, гнездовых выводов и зажимов очищают в соответствии с требованиями п. 5.3.

5.7.3. На открытом воздухе, в сырых помещениях и в помещениях с агрессивной средой алюминиевые проводники оконцовывают переходными медно-алюминиевыми наконечниками или наконечниками из твердого алюминиевого сплава (ГОСТ 23598-79).

5.7.4. Применение медно-алюминиевых наконечников (ГОСТ 9581-80) для соединения алюминиевых жил с гнездовыми выводами и зажимами не допускается.

5.8. СОЕДИНЕНИЕ ЖИЛ С ТРОЛЛЕЯМИ И МАГИСТРАЛЬНЫМИ ТОКОПРОВОДАМИ

5.8.1. Алюминиевые жилы 4 (рис. 5.7) соединяют со стальными троллеями 1 через троллейные планки, состоящие из стальной пластины 2, к которой приварен алюминиевый наконечник 3. Жилы соединяют с наконечником опрессовкой, планку к троллеям приваривают. Допускается присоединение к троллеям алюминиевых жил, оконцованных медно-алюминиевыми наконечниками; контактный участок троллея должен быть облужен.

Рис. 5.7. Соединение алюминиевых жил со стальными троллеями

Рис. 5.8. Соединение алюминиевых жил с токопроводами из алюминиевых сплавов сваркой: а - при расположении шины "на ребро"; б - при расположении шины "плашмя"

1 - шина; 2 - приспособление для сварки; 3 - вкладыш; 4 - жила

5.8.2. Медные жилы, оконцованные медными наконечниками, соединяют со стальными троллеями так же, как с плоскими медными выводами (подраздел 5.5). Контактный участок троллея должен быть облужен.

5.8.3. Одну или несколько алюминиевых жил соединяют с токопроводами из алюминиевого сплава сваркой с применением специального формующего приспособления (рис. 5.8). Болтовое соединение выполняют в соответствии с требованиями подраздела 5.5.

5.9. ЗАЩИТА СОЕДИНЕНИЙ ОТ КОРРОЗИИ И ВОЗДЕЙСТВИЯ ВНЕШНЕЙ СРЕДЫ

5.9.1. Для защитных покрытий применяют лак ГФ-9 - глифталево-масляный светло-коричневый пропиточный печной и воздушной сушки, эмаль ПФ-115, грунтовку ФЛ-0,3Ж, смазку ЦИАТИМ-221; в качестве растворителей - авиационный бензин Б-70 или автомобильный неэтилированный бензин, технический дихлорэтан, технический ацетон, растворитель Р-4.

5.9.2. Вопросы защиты от коррозии контактных соединений в помещениях с химически активной средой должны быть решены в проекте.

5.9.3. В сырых помещениях разборные и неразборные контактные соединения защищают стойкими лакокрасочными покрытиями или смазкой.

5.9.4. Лаки, краски и грунтовки наносят на боковые поверхности плоских выводов и наконечников или на жилы в месте их соприкосновения. При соединении жил со штыревыми выводами закрашивают место прилегания наконечника или переходной детали к гайкам, при сварных и паяных соединениях - шов и прилегающие к нему плоскости на расстоянии 5-10 мм. Лаки, краски и грунтовки наносят кистью или пульверизатором.

5.9.5. Перед нанесением покрытия поверхность контактного соединения очищают и обезжиривают.

5.9.6. По внешнему виду лакокрасочные покрытия должны соответствовать IV классу (ГОСТ 9825-73*) Поверхность должна быть однотонной или с характерным рисунком, допускаются неровности, связанные с состоянием поверхности до окраски, не влияющие на защитные свойства покрытий.

5.9.7. При температуре воздуха ниже 5 °С покрытия наносят после нагрева места, подлежащего окраске, до 40-60 °С пламенем пропано-воздушной горелки или паяльной лампы.

5.10. КОНТРОЛЬ КАЧЕСТВА СОЕДИНЕНИЙ

5.10.1. Качество сварных соединений контролирует внешним осмотром прораб или мастер. Поверхность сварных швов должна быть равномерно чешуйчатой, без наплывов. Швы не должны иметь трещин, прожогов, непроваров, незаплавленных кратеров.

5.10.2. В процессе монтажа или после окончания работ 0,5% (но не менее 10) болтовых контактных соединений подвергают контрольным испытаниям: осмотру на соответствие проекту и проверке электрического сопротивления (падения напряжения). Электрическое сопротивление контактного соединения после сборки на длине нахлестки должно быть не выше сопротивления целого подводимого проводника такой же длины, что и контактное соединение, если в технической документации на конкретные виды электротехнических устройств нет иных указаний.

5.10.3. Правила приемки и методы испытаний должны соответствовать приведенным в ГОСТ 17441-78.

6. ТЕХНИКА БЕЗОПАСНОСТИ

6.1. При выполнении соединений, оконцеваний и ответвлений жил изолированных проводов и кабелей способами, рассмотренными в настоящей Инструкции, следует соблюдать требования "Правил техники безопасности при электромонтажных и наладочных работах" (М.: Энергия, 1973) и СНиП III-4-80.

6.2. При работах с пропаном (сварке, пайке) необходимо руководствоваться следующими положениями:

к работам по пропано-кислородной сварке и пайке допускаются электромонтажники, имеющие квалификацию не ниже 3-го разряда, достигшие 18 лет, прошедшие специальное обучение, овладевшие технологией сварки и пайки и выполнившие технологическую пробу;

при работе баллоны с пропаном должны находиться в вертикальном положении;

газопламенные процессы с применением пропана, а также с применением открытого огня от других источников допускаются на расстоянии (по горизонтали) не менее 5 м от отдельных баллонов с кислородом и пропаном;

газопламенные процессы с применением сжиженных газов следует выполнять с соблюдением требований пожарной безопасности. При работе пламя горелки должно быть направлено в сторону, противоположную от установленных баллонов. При невозможности выполнения этого требования баллоны следует защитить ширмами (металлическими щитами);

при работе с передвижных постов, питаемых от отдельных баллонов, разрешается устанавливать на одной тележке специальной конструкции баллон с пропаном и баллон с кислородом. Баллоны должны быть закреплены таким образом, чтобы исключить возможность их удара друг о друга;

при дожигании пропано-кислородной горелки подачу газа следует изменять постепенно и плавно;

подходы ко всем газоразборным постам должны быть свободны.

6.3. При работах с пороховыми механизмами (ППО-95М, ППО-240) необходимо руководствоваться следующими положениями:

к работе с пороховыми прессами допускаются рабочие, имеющие квалификацию не ниже 3-го разряда, достигшие 18 лет, прошедшие специальное обучение и получившие удостоверения;

лицам, имеющим удостоверение на право эксплуатации других пороховых инструментов (УК-2М, ОДП-4М, ИПО-2М), делается соответствующая запись в этом удостоверении;

разрешается работать только исправным инструментом;

разрешается заряжать пресс только после полного прижатия жилы, подлежащей опрессовке, кожухом к матрице;

при "осечке" пресс следует разряжать не ранее чем через 1 мин;

разрешается работать только со средствами индивидуальной защиты: очками, перчатками, противошумными наушниками и каской (при необходимости ее применения на данном объекте);

в момент выстрела следует находиться вне направления движения пуансона;

при работе во взрыво- и пожароопасных помещениях необходимо получить разрешение на "огневые" работы по установленной форме;

перед ремонтом, осмотром, переноской и сдачей на склад (в кладовую) пороховых инструментов необходимо убедиться, что они разряжены.

6.4. При пайке способом полива расплавленным припоем запрещается передача тигля с припоем из рук в руки без установки на землю.

ПРИЛОЖЕНИЕ 1. ПЕРЕЧЕНЬ НОРМАТИВНЫХ ДОКУМЕНТОВ

Механизмы, оборудование

Аппарат ВКЗ-1 для сварки одножильных проводов                                ТУ 36-760-74

Выпрямители для дуговой сварки. Технические условия                       ГОСТ 13821-77*Е

Клещи гидравлические монтажные ГКМ                                                  ТУ 36-846-74

Наборы НСП-1, НСП-1м и горелка ГПВМ-0,1                                         ТУ 36-667-77

Полуавтомат ранцевый ПРМ                                                                      ТУ МО.005.000

Преобразователи постоянного тока для дуговой сварки.                        ГОСТ 7237-77Е

Технические условия

Пресс гидравлический переносный с электроприводом ПГЭП-2М      ТУ 36-1814-74

Пресс пороховой ППО-95м                                                                         ТУ 36-1518-75

Пресс пороховой ППО-240                                                                         ТУ 36-2128-78

Пресс ручной гидравлический ПГР-20М1                                                ТУ 36-1539-80

Пресс ручной гидравлический с электроприводом ПГЭ-20                   ТУ 36-1814-74

Пресс ручной механический РМП-7м                                                       ТУ 36-694-76

Пресс-клещи ПК-1М с блокирующим устройством                                 ТУ 36-930-74

Пресс-клещи ПК-2м                                                                                     ТУ 36-872-78

Пресс-клещи ПК-3                                                                                       ТУ 36-872-78

Редукторы для газопламенной обработки                                                 ГОСТ 6268-78*

Типы и основные параметры

Трансформатор ТПС-2000 У3                                                                    ТУ 16-517.433-70

Инструмент, приспособления, оснастка

Баллоны стальные малого и среднего объема для газов на РР£20 МПа (200 кгс/см2).

Технические условия                                                                               ГОСТ 949-73*

Баллоны стальные сварные для сжиженных газов                               ГОСТ 15860-70*

Газогорелочное устройство и принадлежности для соединения алюминиевых жил сваркой                                                                                                      ТУ 36-15

Зубила слесарные                                                                                     ГОСТ 7211-72*

Инструмент УСА для опрессовки алюминиевых наконечников и гильз двухзубым и однозубым вдавливанием

Кисти и щетки малярные. Технические условия                                  ГОСТ 10597-80

Ключи гаечные разводные                                                                      ГОСТ 7275-75

Лампы паяльные ПЛБ-0,5 и ПЛК-1                                                       ТУ 36-1033-69

Молотки слесарные стальные. Технические условия                          ГОСТ 2310-77

Набор инструментов НИОМ                                                                   ТУ 36-2083-77

Набор инструментов НИСО                                                                    ТУ 36-1817-75

Наборы инструментов ИСК и КС                                                           ТУ 36-620-77

Набор принадлежностей НСПК-1 для пропано-кислородной сварки алюминиевых жил проводов и кабелей сечением 16-240 мм2                                             ТУ 36-1732-74

Набор приспособлений НТС-2 для термитной сварки                        ТУ 36-666-78

Напильники. Технические условия                                                        ГОСТ 1465-80

Нож монтерский НМ-2                                                                            ТУ 36-76-70

Оснастка для оконцевания алюминиевых проводов и кабелей сечением 800-1500 мм2 пропано-кислородной сваркой                                                               ТУ 36-1699-77

Отвертки слесарно-монтажные. Технические условия                       ГОСТ 17199-71**

Плоскогубцы комбинированные. Технические условия                      ГОСТ 5547-75*

Полотна ножовочные для металла                                                         ГОСТ 6645-68*

Рамки ножовочные ручные. Технические условия                               ГОСТ 17270-71*

Щупы. Основные параметры. Технические требования                      ГОСТ 882-75*

Электрододержатели для ручной дуговой сварки                                ГОСТ 14651-78Е

Технические условия

Электроды угольные                                                                                ГОСТ 10720-75

Электропаяльники бытовые. Технические условия                             ГОСТ 7219-77Е

Материалы

Алюминий и сплавы алюминиевые деформируемые. Марки                   ГОСТ 4784-74*

Аргон газообразный и жидкий. Технические условия                               ГОСТ 10157-79

Ацетилен растворенный и газообразный технический.

Технические условия                                                                                     ГОСТ 5457-75*

Ацетон. Технические условия                                                                       ГОСТ 2603-79

Ацетон технический. Технические условия                                                ГОСТ 2768-79

Бензины авиационные                                                                                   ГОСТ 1012-72*

Бензины автомобильные. Технические требования                                   ГОСТ 2084-77*

Вазелин кремнийорганический марки КВ-3/10Э. Технические условия ГОСТ 15975-70*

Ветошь обтирочная сортировочная. Технические условия                       ГОСТ 5354-79

Газы. Условия для определения объема                                                      ГОСТ 2939-63

Газы углеводородные сжиженные топливные для

коммунально-бытового потребления. [Пропан]. Технические условия   ГОСТ 20448-80

Грунтовка ФЛ-03Ж. Технические условия                                                  ГОСТ 9109-81

Канифоль сосновая. Технические условия                                                  ГОСТ 19113-73

Картон асбестовый. Технические условия                                                  ГОСТ 2850-80

Кислород газообразный технический и медицинский.

Технические условия                                                                                     ГОСТ 5583-78

Лак асфальтовый №316                                                                                 ТУ МХП 564-41

Лак электроизоляционный пропиточный ГФ-95. Технические условия ГОСТ 8018-70*

Лента изоляционная прорезиненная. Технические условия                     ГОСТ 2162-78

Материалы лакокрасочные. Термины, определения и обозначения        ГОСТ 9825-73*

Мел для электродных покрытий. Технические условия                            ГОСТ 4415-75*

Паста кварцево-вазелиновая                                                                         ТУ 36-513-79

Патроны пиротехнические                                                                            ТУ 36-795-70

Патроны термитные:

ПАН, ПАТ                                                                                                       ТУ 84-442-74

ПА                                                                                                                    ТУ 84-547-74

Припои А; ЦО-12; ЦО-15                                                                               ТУ 48-21-71-72

Припои оловянно-свинцовые в чушках [ПОССу].

Технические условия                                                                                     ГОСТ 21930-76

Проволока сварочная из алюминия и алюминиевых сплавов

[СвАК5, СвАМг5]                                                                                           ГОСТ 7871-75

Растворитель Р-4                                                                                            ГОСТ 7827-74*

Смазка ЦИАТИМ-221. Технические условия                                              ГОСТ 9433-80

Спирт этиловый ректификованный. Технические требования                 ГОСТ 5962-67

Спички термитные МР                                                                                  ТУ 84-3-68

Угли сварочные                                                                                              ТУ 11-12-4

Флюс ВАМИ                                                                                                   ТУ 48-4-347-75

Шкурка шлифовальная тканевая                                                                  ГОСТ 5009-82

Шнуры асбестовые                                                                                         ГОСТ 1779-72

Эмали марок ГФ-92. Технические условия                                                 ГОСТ 9151-75*

Эмали ПФ-115. Технические условия                                                          ГОСТ 6465-76*

Кабельная продукция, электромонтажные изделия, метизы

Болты, винты, шпильки и гайки. Технические требования                     ГОСТ 1759-70*

Болты с шестигранной головкой (нормальной точности).

Конструкция и размеры                                                                               ГОСТ 7798-70

Винты с полукруглой головкой. Конструкция и размеры                        ГОСТ 17473-80

Винты с цилиндрической головкой. Конструкция и размеры                ГОСТ 1491-80

Втулки алюминиевые секторные к патронам ПА                                     ТУ 36-1688-79

Гайки шестигранные (нормальной точности).

Конструкция и размеры                                                                               ГОСТ 5915-70*

Гильзы алюминиевые для соединения однопроволочных

жил опрессовкой                                                                                          ТУ 36-1441-77Е

Гильзы кабельные соединительные алюминиевые, закрепляемые

опрессовкой. Конструкция и размеры                                                       ГОСТ 23469.2-79

Гильзы кабельные соединительные медные, закрепляемые

опрессовкой. Конструкция и размеры                                                       ГОСТ 23469.3-79

Гильзы ответвительные медные для соединения пайкой кабелей

до 1 кВ. Технические условия                                                                     ГОСТ 6107-77

Гильзы соединительные медные, для кабелей до 10 кВ. Размеры          ГОСТ 5676-76

Жилы токопроводящие медные и алюминиевые для кабелей,

проводов и шнуров                                                                                       ГОСТ 22483-77

Колпачки полиэтиленовые К440, К441, К444                                           ТУ 35 1438-80

Наконечники кабельные алюминиевые и медно-алюминиевые,

закрепляемые опрессовкой. Конструкция и размеры                              ГОСТ 9581-80

Наконечники кабельные из алюминиевого сплава для оконцевания

алюминиевых жил проводов и кабелей сваркой. Технические условия ГОСТ 7387-82

Наконечники кабельные кольцевые, закрепляемые обжатием.

Технические условия                                                                                    ГОСТ 9688-82

Наконечники кабельные медные, закрепляемые опрессовкой.

Конструкция и размеры                                                                               ГОСТ 7386-80

Наконечники кабельные медные П                                                            ТУ 36-33-79

Наконечники штифтовые медно-алюминиевые ШП                                ТУ 36-849-76

Пластины из твердого алюминиевого сплава АД31Т1                            ТУ 36-1740-74

Пружины тарельчатые                                                                                 МН 867-60

Пружины тарельчатые. Технические условия                                           ГОСТ 3057-79

Пружины тарельчатые электротехнические                                              ГОСТ 17579-71*

Шайбы. Технические условия                                                                     ГОСТ 11371-78

Шайбы пружинные                                                                                       ГОСТ 6402-70*

Общие вопросы

Машины, приборы и другие технические изделия. Исполнения для

различных климатических районов, категории, условия эксплуатации,

хранения и транспортирования в части воздействия климатических

факторов внешней среды                                                                             ГОСТ 15150-69*

Соединения контактные электрические. Классификация.

Общие технические требования                                                                  ГОСТ 10434-82

Соединения контактные электрические. Правила приемки и

методы испытаний                                                                                       ГОСТ 17441-78

ПРИЛОЖЕНИЕ 2. СОЕДИНИТЕЛЬНЫЕ ГИЛЬЗЫ ГАО (ТУ 36-1441-70), ЗАКРЕПЛЯЕМЫЕ ОПРЕССОВКОЙ НА АЛЮМИНИЕВЫХ ОДНОПРОВОЛОЧНЫХ ПРОВОДАХ СЕЧЕНИЕМ 2,5-10 мм2 (ГОСТ 22483-77)

Гильза*

Размеры, мм

Гильза*

Размеры, мм

d

d1

L

d

d1

L

ГАО-4-1

4

7

11

ГАО-6-1

6

10

18

ГАО-4-2

4

7

22

ГАО-6-2

6

10

36

ГАО-5-1

5

9

14

ГАО-8-1

8

14

18

ГАО-5-2

5

9

28

ГАО-8-2

8

14

36

*Г - гильза; О - закрепляемая опрессовкой; первая цифра - внутренний диаметр d; вторая - одностороннее заполнение.

ПРИЛОЖЕНИЕ 3. РАСХОД МАТЕРИАЛОВ НА 100 ОПРЕССОВАННЫХ СОЕДИНЕНИЙ

Сечение жилы, мм..................................................... До 50                70-120          150-240

Бензин неэтилированный, л..................................... 0,6                     1                   1,2

Паста кварцево-вазелиновая, г................................. 360                    840               1320

Ветошь, г.................................................................... 100                    120               150

ПРИЛОЖЕНИЕ 4. АЛЮМИНИЕВЫЕ ГИЛЬЗЫ (ГОСТ 23469.2-79)

Гильза*

Размеры, мм

d

d1

С

L+1

16-5,3

10

5,3

1,2

60

25-7,1

12

7,1

1,3

63

35-8

14

8

1,5

71

50-9

16

9

1,8

71

70-11

18

11

1,8

80

70-12

18

12

1,5

80

95-13

20

13

1,8

85

120-14

22

14

2

100

150-16

24

16

2

100

150-17

24

17

1,8

100

185-18

26

18

2

100

185-19

26

19

1,8

100

240-20

28

20

2

110

240-22

30

22

2

120

300-24

34

24

2,5

140

*Первая цифра - сечение жилы, мм; вторая - диаметр гильзы, мм.

ПРИЛОЖЕНИЕ 5. АЛЮМИНИЕВЫЕ ТА И МЕДНО-АЛЮМИНИЕВЫЕ ТАМ КАБЕЛЬНЫЕ НАКОНЕЧНИКИ (ГОСТ 9581-63), ЗАКРЕПЛЯЕМЫЕ ОПРЕССОВКОЙ

а - наконечники из трубки; б - из прутка; в - медно-алюминиевые

Размеры наконечников см. в ГОСТ 9581-68.

ПРИЛОЖЕНИЕ 6. ШТИФТОВЫЕ МЕДНО-АЛЮМИНИЕВЫЕ КАБЕЛЬНЫЕ НАКОНЕЧНИКИ ШП (ТУ 36-849-76)

Наконечник

Сечение жилы, мм2

Размеры, мм

Масса, кг

D

d

L

l

ШП5-10

16

10

5,4

58

30

0,02

ШП7-15

25

15

7

59

32

0,05

ШП8-15

35

15

8

64

31

0,06

ШП9-15

50

15

9

69

30

0,07

ШП11-15

70

15

11

72

30

0,07

ШП13-15

95

15

13

74

30

0,07

ШП14-15

120

15

14

83

30

0,09

ШП16-15

150

15

16

83

30

0,09

ШП18-15

185

15

18

86

30

0,10

ШП20-15

240

15

20

88

30

0,11

ПРИЛОЖЕНИЕ 7. МЕДНЫЕ КАБЕЛЬНЫЕ ГИЛЬЗЫ (ГОСТ 23469.3-79)

Гильза

Сечение жилы
(ГОСТ 22483-77), мм2

Размеры, мм

Масса 1000 шт., кг

d

d1

L

16-6

16

6

9

30

9,4

25-8

25

8

11

40

15,7

35-10

35

10

13

50

24,1

50-11

50

11

14

50

26,2

70-13

70

13

16

53

31,2

95-15

95

15

19

53

61,6

120-17

120

17

22

67

92

150-19

150

19

25

67

118

185-21

185

21

27

75

152

240-24

240

24

32

75

204

ПРИЛОЖЕНИЕ 8. МЕДНЫЕ КАБЕЛЬНЫЕ НАКОНЕЧНИКИ Т (ГОСТ 7386-80), ЗАКРЕПЛЯЕМЫЕ ОПРЕССОВКОЙ

Наконечник

Сечение, мм2, и класс жилы

Размеры, мм

Масса 1000 шт., кг, не более

d

d1

B

D

L

Т3-4

4 IV

3

5

10

4,5

32

3,6

Т4-4

6 I, 6 II, 6 III, 6 IV, 10 II

4

6

10

4,5

32

4,3

Т5-5

10 I, 10 II, 10 III, 10 IV

5

8

14

5,5

40

10

Т6-6

16 I, 16 II (16)

6

9

14

6,5

40

11,6

Т7-6

16 III, 16 IV, 25 I

7

10

14

6,5

45

15,5

Т8-6

25 II, 25 III, 25 IV, 35 I (25)

8

11

16

6,5

50

19,8

Т9-8

35 II

9

12

18

8,5

60

25

Т10-8

35 III, 35 IV, 50 I (35)

10

13

20

8,5

60

27,3

Т11-8

50 II, 50 III, 70 I (50)

11

14

23

8,5

62

31,4

Т13-10

50 IV, 70 II, 70 III, 70 IV, 95 I (70)

13

16

23

10,5

65

37,4

Т15-10

95 II, 95 III, 95 IV, 120 I (95)

15

19

28

10,5

75

66,8

Т16-10

150 I

16

20

28

10,5

75

70,7

Т17-12

120 II, 120 III, 120 IV, 150 I, 185 I

17

24

34

12,5

85

142,4

Т19-12

150 II, 150 IV (150)

19

25

36

12,5

90

155,5

Т20-12

150 III, 185 II, 240 I

20

26

38

12,5

90

168

Т23-16

240 II, 300 I

23

30

45

17

105

262,6

Примечание. В скобках указаны сечения медных жил, оконцовываемых наконечниками с применением набора инструментов НИОМ.

ПРИЛОЖЕНИЕ 9. КОЛЬЦЕВЫЕ КАБЕЛЬНЫЕ НАКОНЕЧНИКИ П (ГОСТ 9688-76)

                                                                                                                           II-1               II-2

Сечение жилы, мм2......................................................................................... 1-1,5            2,5

Размеры, мм

D.................................................................................................................. 7,2                9,5

d................................................................................................................... 5,3                4,8

H.................................................................................................................. 4,5                5,3

Масса 1000 шт., кг..................................................................................................... 0,2

ПРИЛОЖЕНИЕ 10. ФОРМЫ ДЛЯ ПРОПАНО-КИСЛОРОДНОЙ СВАРКИ АЛЮМИНИЕВЫХ ЖИЛ

Сварка по торцам

Стержневое оконцевание жил

Суммарное сечение жил, мм2

Размеры сварочной формы, мм

Сечение жилы, мм2

Размеры сварочной формы, мм

l

d

l

d

32 (2´16)

25

8

16

35

8

50 (3´16; 2´25)

25

12

25

35

8

 

 

35

35

8

75 (4´16; 3´25; 2´35)

30

12

50

40

12

 

 

70

40

12

 

 

95

45

16

105 (6´16; 4´25; 3´35; 2´50)

35

16

120

45

16

 

 

150

55

18

 

 

185

55

18

150 (4´35; 3´50)

35

18

240

55

22

210 (4´50; 3´70; 2´95)

35

22

 

 

 

Материал: Ст3.

ПРИЛОЖЕНИЕ 11. АЛЮМИНИЕВЫЕ ГИЛЬЗЫ К ТЕРМИТНЫМ ПАТРОНАМ ДЛЯ СВАРКИ КАБЕЛЕЙ 20 и 35 кВ

Сечение жилы, мм2

Размеры, мм

Сечение жилы, мм2

Размеры, мм

А

В

d

d1-0,2

d2+0,24

А

В

d

d1-0,2

d2+0,24

25

47

33

5

9,9

6,7

95

66

50

12

17,5

13,3

35

48

34

5,5

11,1

7,9

120

74

54

13

19,2

14,8

50

52

38

8

12,8

9,5

150

74

54

14

21

16,3

70

58

44

10

14,5

11,3

185

76

58

16

22,9

18,3

Материал: алюминий АО или А (ГОСТ 11069-64).

ПРИЛОЖЕНИЕ 12. НАКОНЕЧНИКИ А ИЗ АЛЮМИНИЕВОГО СПЛАВА

Наконечник

Размеры, мм

Масса 100 шт., кг

D

H

H1+1,5

l

l1

S

R

25-8,5

8,5

30

37

20

0,7

4

10

0,76

35-10,5

10,5

34

44

24

0,7

6

12

1,41

50-10,5

10,5

36

47

24

0,8

6

12

1,8

70-12,5

12,5

42

54

28

0,8

6

14

2,42

95-12,5

12,5

46

59

28

0,9

7

14

31

120-12,5

12,5

48

63

34

0,9

7

17

4,24

150-17

17

54

70

34

1

7

17

4,85

185-19

19

56

74

40

1

8

20

6,2

240-21

21

60

80

40

1

8

20

6,9

ПРИЛОЖЕНИЕ 13. ХИМИЧЕСКАЯ ОБРАБОТКА СВАРОЧНОЙ ПРОВОЛОКИ ИЗ АЛЮМИНИЯ И АЛЮМИНИЕВЫХ СПЛАВОВ

Для обезжиривания и удаления окисной пленки методом травления проволоку на 1,5-2 мин помещают в ванну с 5%-ным раствором едкого натра NаОН технического марки А (ГОСТ 2263-71). Температура раствора 60-70 °С. После травления проволоку промывают в горячей проточной воде в течение 30-40 с. Промытую проволоку осветляют погружением на 30-40 с в 15%-ный раствор азотной кислоты марки "чистая" или ЧДА (ГОСТ 701-68) при 16-25 °С. Осветленную проволоку промывают в проточной воде в течение 30-40 с и просушивают в шкафу при 100-150°С.

ПРИЛОЖЕНИЕ 14. ЭЛЕКТРОДОДЕРЖАТЕЛЬ НА ТОК ДО 800 А

ПРИЛОЖЕНИЕ 15. ФОРМУЮЩЕЕ ПРИСПОСОБЛЕНИЕ ДЛЯ ОКОНЦЕВАНИЯ

Сечение кабеля, мм

Размеры, мм

H

h

L*

D

d

300

10

6

29

42

34

400

10

6

31

46

38

500

15

9

36

49

41

625

15

9

36

54

46

800

15

9

39

60

52

1000

20

10

45

68

57

1500

20

10

56

80

69

* Справочный размер (определяется по месту). Материал: уголь графитированный.

ПРИЛОЖЕНИЕ 16. РАСХОД МАТЕРИАЛОВ ПРИ СВАРКЕ

1. Соединение алюминиевых жил пропано-кислородной сваркой (на 10 соединений)

Сечение жилы, мм2

Материал, г

Пропан

Кислород, л

Присадка

Асбест

Флюс

16

300

310

50

10

1

25

320

330

55

10

1

35

340

360

60

15

2

50

360

380

70

20

2

70

390

410

90

30

3

95

430

450

110

30

4

120

470

500

130

40

4

150

520

530

150

50

6

185

600

640

190

60

7

240

720

740

240

70

8

300

800

820

280

80

10

400

970

1000

360

120

15

500

1150

1200

440

140

20

625

1400

1450

530

180

25

800

1700

1760

670

220

30

1000

2100

2170

820

280

35

1500

3000

3100

1200

400

50

2. Соединение алюминиевых жил термитной сваркой (на 10 соединений)

Сечение жилы, мм2

Материал, г

Сечение жилы, мм2

Материал, г

Присадка

Асбест

Флюс

Присадка

Асбест

Флюс

16

50

10

1

185

190

60

7

25

55

10

1

240

240

70

8

35

60

15

2

300

280

80

10

50

70

20

2

400

360

120

15

70

90

30

3

500

440

140

20

95

110

30

4

625

530

180

25

120

130

40

4

800

670

220

30

150

150

50

6

 

 

 

 

3. Оконцевание алюминиевых жил пластинами из сплава АД31Т1 пропано-кислородной сваркой (на 10 оконцеваний)

Сечение жилы, мм2

Материал, г

Пропан

Кислород, л

Присадка

Асбест

Флюс

50

640

680

150

10

3

70

690

730

190

15

5

95

760

800

230

15

5

120

830

890

270

20

7

150

920

940

310

25

8

185

1960

1130

400

30

10

240

1270

1310

500

35

15

300

1410

1460

580

40

15

400

1710

1770

750

60

20

500

2030

2130

920

70

25

625

2470

2570

1100

90

30

800

3000

3120

1400

110

40

1000

3700

3840

1710

140

50

1500

5300

5500

2500

200

75

4. Соединение и ответвление алюминиевых жил сплавлением по торцам в общий монолитный стержень пропано-кислородной сваркой (на 10 соединений)

Суммарное сечение жил, мм2

Материал, г

Пропан

Кислород, л

Присадка

Асбест

32

340

360

15

7

50

360

380

50

1

70

390

410

35

15

95

430

450

85

15

120

470

500

50

20

150

520

530

100

25

185

600

640

120

30

240

720

720

130

35

5. Соединение и ответвление алюминиевых жил сплавлением по торцам в общий монолитный стержень термитной сваркой (на 10 соединений)

Суммарное сечение жил, мм2......................... 70           95          120        150       185........................................................................... 240

Присадка, г....................................................... 10           20          15          20         25         30

Асбест, г............................................................ 15           15          20          25         30         35

Флюс, г.............................................................. 3             4            4            6           7           8

6. Стержневое оконцевание алюминиевых жил пропано-кислородной сваркой (на 10 оконцеваний)

Сечение жилы, мм2

Материал, г

Пропан

Кислород, л

Присадка

Асбест

Флюс

16

300

310

55

5

1

25

320

330

50

6

1

35

340

360

45

7

2

50

360

380

95

10

2

70

390

410

75

15

3

95

430

450

180

15

4

120

470

500

150

20

4

150

520

530

260

25

6

185

600

640

230

30

7

240

720

720

360

35

8

7. Оконцевание алюминиевых жил наконечниками ЛАШт пропано-кислородной сваркой (на 10 оконцеваний)

Сечение жилы, мм2.......................................... 70         95          120        150        185........................................................................... 240

Пропан, г.......................................................... 390       430        470        520        600........................................................................... 720

Кислород, л...................................................... 410       450        500        530        640........................................................................... 740

Присадка, г....................................................... 60         80          75          95          105........................................................................... 155

Асбест, г........................................................... 6           7            10          10          15         20

Флюс, г............................................................. 3           4            4            6            7           8

8. Оконцевание алюминиевых жил наконечниками ЛАШт термитной сваркой (на 10 оконцеваний)

Сечение жилы, мм2................................................ 70          95         120      150      185................................................................................. 240

Присадка, г............................................................. 60          80         75        95        105................................................................................. 155

Асбест, г.................................................................. 6            7           10        10        15        20

Флюс, г.................................................................... 3            4           4          6          7          8

9. Ответвление алюминиевых жил пропано-кислородной сваркой в стальных формах (на 1 ответвление)

Сечение, мм2:                                                           

магистрального кабеля........................................... 800        1000       1000       1500................................................................................... 1500

ответвляемого кабеля или пластины.................... 800        800         1000            1000.......................................................................................................................................... 1500

Пропан, г.................................................................. 260        300         320         410         450

Кислород, л.............................................................. 270        310         330         420         470

Присадка, г............................................................... 100        115         125         160         180

Асбест, г................................................................... 15          20           20           30           30

Флюс, г..................................................................... 4            5             6             7             8

10. Оконцевание алюминиевых жил проводов и кабелей наконечниками А полуавтоматической сваркой (на 1 оконцевание)

Сечение жилы, мм2

Материал

Сечение жилы, мм2

Материал

Электродная проволока, г

Аргон, л

Электродная проволока, г

Аргон, л

16

0,3

0,4

95

1,45

0,8

25

0,35

0,4

120

2,15

1

35

0,4

0,5

150

3,2

1,5

50

0,5

0,6

185

4,8

1,8

70

0,75

0,7

240

6,5

2,2

11. Оконцевание алюминиевых жил наконечниками Л электродуговой сваркой (на 10 оконцеваний)

Сечение жилы, мм......................... 300         400          500        625        800      1000......................................................... 1500

Электродная проволока, г............. 90           110          150        200        220      270       400

Аргон, л........................................... 70           110          150        210        280      370       600

12. Оконцевание алюминиевых жил наконечниками ЛС пропано-кислородной сваркой (на 10 оконцеваний)

Сечение жилы, мм2

Материал, г

Пропан

Кислород, л

Присадка

Асбест

Флюс

300

800

820

280

40

10

400

970

1000

360

60

15

500

1150

1200

440

70

20

625

1400

1450

530

90

25

800

1700

1760

670

110

30

1000

2100

2170

820

140

35

1500

3000

3100

1200

200

50

13. Оконцевание алюминиевых жил наконечниками ЛС термитной сваркой (на 10 оконцеваний)

Сечение жилы, мм................................................. 300          400          500         625        800

Присадка, г............................................................. 280          360          440         530        670

Асбест, г................................................................. 40            60            70           90          110

Флюс, г................................................................... 10            15            20           25          30

ПРИЛОЖЕНИЕ 17. ЭЛЕКТРОДЫ ИЗ ГРАФИТИРОВАННОГО УГЛЯ (ГОСТ 10720-75)


ПРИЛОЖЕНИЕ 18. ПРОДОЛЖИТЕЛЬНОСТЬ, МИН, СОЕДИНЕНИЯ, ОТВЕТВЛЕНИЯ И ОКОНЦЕВАНИЯ АЛЮМИНИЕВЫХ ЖИЛ ПРОПАНО-КИСЛОРОДНОЙ СВАРКОЙ

Операция

Сечение жилы, мм2

16

25

35

50

70

95

120

150

185

240

300

400

500

625

800

1000

1500

Соединение

1

1

1

1,5

1,5

1,5

2

2

2,5

2,5

3,5

4,5

5

5,5

6

6-7

7-8

Оконцевание пластинами из сплава АД31Т1

-

-

-

1,5-2

1,5-2

1,5-2

2-2,5

2-2,5

2-2,5

2-2,5

3,5-5

3,5-5

3,5-5

5,5-6

5,5-6

6-8

8-10

Соединение и ответвление сплавлением по торцам в общий монолитный стержень

1

1

1

1,5

1,5

1,5

2,5

2,5

2,5

2,5

-

-

-

-

-

-

-

Стержневое оконцевание

1-2

1-2

1-2

2-3

2-3

2-3

3-4

3-4

4

4

-

-

-

-

-

-

-

Ответвление в стальных формах

-

-

-

-

-

-

-

-

-

-

-

-

-

-

9-10

10-12

11-12

Оконцевание наконечниками ЛС

-

-

-

-

-

-

-

-

-

-

3,5

4,5

5

5,5

6

6-7

7-8


ПРИЛОЖЕНИЕ 19. ЦИЛИНДРИЧЕСКИЕ РАЗЪЕМНЫЕ СВАРОЧНЫЕ ФОРМЫ

Сечение жилы, мм

Размеры, мм

а

d

d

для стальных форм

для угольных форм

16-25

25

7,5

2,5

3

30-50

30

10,5

3

4

70-95

30

14

3,5

4

120-150

35

18

4

5

185-240

35

22

4

6

ПРИЛОЖЕНИЕ 20. РАСХОД МАТЕРИАЛОВ ПРИ ПАЙКЕ (НА 100 КОНТАКТНЫХ СОЕДИНЕНИЙ)

1. Оконцевание медных жил сечением до 10 мм2

Сечение жилы, мм............................................ До 1,5      2,5           4              6               10

Припой ПОС (для меди), кг............................. 0,1            0,1           0,2           0,38          0,4

Бензин, л............................................................ 0,1            0,1           0,2           0,3            0,4

Шлифовальная шкурка, м................................ 0,02          0,02         0,07         0,02          0,5

Ветошь, кг.......................................................... 0,005        0,005       0,005       0,005............................................................................ 0,01

Пропан, г............................................................ 0,1            0,1           0,1           0,12............................................................................ 0,24

Канифоль или флюс КСп, кг........................... 0,05          0,12         0,15         0,23          0,4

Продолжительность пайки одного

оконцевания, c................................................... 17             17            17            20             20

2. Соединение и ответвление жил сечением до 10 мм2

Материал

Сечение алюминиевой жилы, мм2

Сечение медной жилы, мм2

2,5

4

6

10

До 1,5

2,5

4

6

10

Припой А, кг

0,1

0,1

0,15

0,2

-

-

-

0,3

0,4

Припой ПОС, кг

-

-

-

-

0,1

0,1

0,2

0,1

0,1

Бензин, л

0,1

0,1

0,1

0,1

0,1

0,1

0,1

-

-

Шлифовальная шкурка, м2

0,004

0,004

0,004

0,004

0,004

0,004

0,004

0,004

0,004

Ветошь, кг

0,02

0,02

0,02

0,02

0,02

0,02

0,02

0,02

0,02

Пропан, кг

0,1

0,1

0,15

0,25

0,1

0,1

0,1

0,15

0,25

Канифоль или флюс КСп, кг

-

-

-

-

0,03

0,03

0,06

0,1

0,15

Продолжительность пайки одного соединения, с

25

25

30

55

25

25

25

30

55

ПРИЛОЖЕНИЕ 21. РАЗЪЕМНЫЕ ФОРМЫ ДЛЯ СОЕДИНЕНИЯ АЛЮМИНИЕВЫХ ЖИЛ ПАЙКОЙ

Материал: Ст3.

Сечение жилы, мм2

Размеры, мм

d

D

a

b

L

l

c

16

7

19

11

15

60

20

15

25

9

21

13

17

60

20

17

35

10

22

14

18

60

20

18

50

11

23

15

19

60

20

19

70

13

25

17

21

60

20

21

95

15

27

19

23

70

30

23

120

17

29

21

25

70

30

25

150

18

30

22

26

70

30

26

185

21

33

25

29

80

40

29

240

23

36

28

32

80

40

32

ПРИЛОЖЕНИЕ 22. РАЗЪЕМНЫЕ ФОРМЫ ДЛЯ СОЕДИНЕНИЯ АЛЮМИНИЕВЫХ ЖИЛ ПАЙКОЙ

Сечение жилы, мм2

Размеры, мм

a

b

c

d

e

k

l

m

n

10

4,6

8

70

11

80

40

4

5

18

16

6

8

70

11

80

40

4

5

18

25

7

10

70

13

80

40

5

5

19

35

8

12

70

15

80

40

6

5

21

50

9

14

70

17

80

40

7

5

23

70

11,5

16

70

19

80

40

8

5

25

95

13

18

70

21

80

40

9

5

27

120

16

21

70

24

80

40

9

5

30

150

16,5

23

80

26

92

50

9

6

32

185

18,5

26

80

29

94

50

9

7

35

240

21

29

80

32

95

50

10

7,5

38

ПРИЛОЖЕНИЕ 23. ПЕРЕХОДНЫЕ РАЗЪЕМНЫЕ ФОРМЫ ДЛЯ СОЕДИНЕНИЯ АЛЮМИНИЕВЫХ ЖИЛ С МЕДНОЙ ПАЙКОЙ

а - верхняя часть; б - нижняя часть; в - собранная форма

Сечение жилы, мм2

Размеры, мм

a

a1

b

c

d

e

k

l

m

n

35 и 50

8,5

9,5

14

70

17

80

40

7

5

23

50 и 70

9,5

11

16

70

19

80

40

8

5

25

70 и 120

11

15

21

70

24

80

40

9

5

30

95 и 150

12,5

17

23

80

26

92

50

9

6

32

120 и 185

15

19

26

80

29

94

50

9

7

35

150 и 240

17

21

29

80

32

95

50

10

7,5

38

ПРИЛОЖЕНИЕ 24. НЕРАЗЪЕМНЫЕ ФОРМЫ ДЛЯ ПАЙКИ АЛЮМИНИЕВЫХ ЖИЛ

Сечение жилы, мм2

Размеры, мм

a

b

c

d

e

k

l

m

16

33

60

40

48

10

5

10

3

25

39

60

40

54

10

5

10

3

35

41

60

40

56

10

5

10

3

50

47

80

60

62

10

5

10

5

70

52

80

60

67

10

5

10

5

95

58

80

60

73

10

5

10

5

120

71

100

80

86

10

5

10

5

150

78

100

80

80

10

5

10

5

ПРИЛОЖЕНИЕ 25. ФОРМЫ ДЛЯ ОТВЕТВЛЕНИЯ ЖИЛ ПАЙКОЙ

Сечение жилы, мм2

Размеры, мм

a

a1

a2

b

c

d

e

k

16-25

50

44

25

8

10

1,0

10

4

35-50

70

64

35

10,5

13

1,5

14

5

70-95

70

64

35

14

17

1,5

14

5

ПРИЛОЖЕНИЕ 26. ПЕРЕХОДНЫЕ ГИЛЬЗЫ ДЛЯ СОЕДИНЕНИЯ ЖИЛ РАЗНЫХ СЕЧЕНИЙ ПАЙКОЙ

Сечение соединяемых жил, мм2

Размеры, мм

D

d

d1

a

b

c

k

l

10 и 16

10

5

6

50

38

6

3

25

16 и 25

10

6

7

50

38

6

3

25

25 и 35

13

7

9

50

38

6

6

25

35 и 50

14

9

10

50

38

6

6

25

50 и 70

16

10

12

60

46

7

6

30

70 и 95

18

12

14

60

46

7

8

30

95 и 120

20

14

16

70

50

10

10

35

120 и 150

22

16

28

70

50

10

10

35

150 и 185

24

18

20

80

56

12

12

40

185 и 240

26

20

22

80

56

12

12

40

Материал медь М1, М2

ПРИЛОЖЕНИЕ 27. КОМБИНИРОВАННЫЕ СОЕДИНИТЕЛЬНЫЕ ГИЛЬЗЫ ДЛЯ КАБЕЛЕЙ 35 кВ С МЕДНЫМИ ЖИЛАМИ

Сечение соединяемых жил, мм2

Размеры, мм

Размеры трубки (ГОСТ б 17-53), мм

D

d

d1

Наружный диаметр

Толщина стенки

70 и 95

18

11

13

18

3,5

70 и 120

20

11

15

20

5

70 и 150

20

11

16

20

5

95 и 120

20

13

15

20

4

95 и 150

20

13

16

20

4

120 и 150

20

15

16

20

2,5

Материал: медь М7.

ПРИЛОЖЕНИЕ 28. РАСХОД МАТЕРИАЛОВ НА СОЕДИНЕНИЕ И ОКОНЦЕВАНИЕ АЛЮМИНИЕВЫХ И МЕДНЫХ ЖИЛ СЕЧЕНИЕМ 16-240 мм2 ПАЙКОЙ (НА 100 КОНТАКТНЫХ СОЕДИНЕНИЙ)

Сечение жилы,

мм

Бензин, ацетон, л

Припой, кг

Наждачная бумага, м2

Пропан, кг

Канифоль, кг

Асбест, кг

Продолжительность пайки, с

16

0,1/0,1

3/0,2

0,06/0,03

0,65/0,37

0,15/0,06

0,1/0,1

120/70

25

0,1/0,1

4/0,5

0,06/0,03

0,65/0,37

0,2/0,15

0,15/0,1

120/70

35

0,2/0,1

4/0,6

0,06/0,03

0,85/0,5

0,4/0,2

0,15/0,1

160/100

50

0,2/0,1

5/0,8

0,08/0,03

0,85/0,5

0,4/0,2

0,2/0,1

160/100

70

0,2/0,1

6/1,8

0,12/0,06

6,5/3,9

1,5/0,6

0,2/0,1

230/140

95

0,2/0,1

8/3

0,12/0,06

6,5/3,9

2/1

0,3/1,15

230/140

120

0,3/0,2

10/3

0,12/0,06

9,3/5

2/1

0,4/0,2

330/180

150

0,3/0,2

10/4

0,12/0,06

9,3/5

3/1,5

0,5/0,2

330/180

185

0,3/0,2

16/5

0,18/0,09

12,6/6,5

3/1,5

0,6/0,3

450/230

240

0,3/0,2

19/7

0,18/0,09

12,6/6,5

6/2

0,7/0,4

450/230

Примечания: 1. В числителе приведены данные для соединения жил, в знаменателе - для оконцевания.

2. Расход ветоши при соединении жил 0,05 кг; при оконцевании 0,03 кг.

ПРИЛОЖЕНИЕ 29. ЗАЩИТНЫЙ СТАЛЬНОЙ ЭКРАН

Сечение жилы, мм2

Размеры, мм

а

b

с

16-25

100

6,5

2

35-50

100

9,5

2

70-95

100

13

3

120-150

110

16,5

3

185-240

110

20,5

3

Материал: сталь листовая

 



© 2013 Ёшкин Кот :-)