Информационная система
«Ёшкин Кот»

XXXecatmenu

Изменение № 1 ГОСТ Р 52582-2006 Замки для защитных конструкций. Требования и методы испытаний на устойчивость к криминальному открыванию и взлому

Утверждено и введено в действие Приказом Федерального агентства по техническому регулированию и метрологии от 06.11.2015 № 1720-ст

Дата введения - 2016-06-01

Титульный лист и первая страница. Наименование стандарта. Заменить слова: «Требования» на «Технические требования», «открыванию» на «отмыканию».

Наименование стандарта на английском языке изложить в новой редакции: «Locks of protective constructions. Technical requirements and test methods of resistance to criminal opening and burglary».

Предисловие. Первый абзац и слова «Сведения о стандарте» исключить;

последний абзац изложить в новой редакции:

«Правила применения настоящего стандарта установлены в ГОСТ Р 1.0-2012 (раздел 8). Информация об изменениях к настоящему стандарту публикуется в ежегодном (по состоянию на 1 января текущего года) информационном указателе «Национальные стандарты», а официальный текст изменений и поправок - в ежемесячном информационном указателе «Национальные стандарты». В случае пересмотра (замены) или отмены настоящего стандарта соответствующее уведомление будет опубликовано в ближайшем выпуске ежемесячного информационного указателя «Национальные стандарты». Соответствующая информация, уведомления и тексты размещаются также в информационной системе общего пользования - на официальном сайте Федерального агентства по техническому регулированию и метрологии в сети Интернет (www.gost.ru)».

Содержание. Заменить слова: «5 Требования» на «5 Технические требования», «5.2 Требования к криптостойкости» на «5.2 Требования к коду механических замков и замков с электронным управлением», «5.3 Требования устойчивости к криминальному открыванию» на «5.3 Требования устойчивости к криминальному отмыканию», «6.3 Оценка криптостойкости» на «6.3 Оценка используемого кода», «6.4 Испытания на устойчивость к криминальному открыванию» на «6.4 Испытания на устойчивость к криминальному отмыканию»;

наименования приложений А и Г. Заменить слово: «открыванию» на «отмыканию»;

дополнить наименованием приложения Е:

«Приложение Е (обязательное) Метод определения устойчивости механических ключевых замков с сувальдным блоком секрета к криминальному отмыканию манипуляционными методами на основании конструкционных параметров».

Разделы 1, 2 изложить в новой редакции:

«1 Область применения

Настоящий стандарт распространяется на механические, электромеханические, электромагнитные замки, замки с электронным управлением (электронные замки с мнемоническим способом введения кода, а также с вещественными носителями кода), устройства «Антипаника» и замки одноразового использования (в том числе с системами дистанционной идентификации и оповещения о состоянии замков), устанавливаемые на защитных конструкциях (далее - замки).

Настоящий стандарт устанавливает требования к замкам для защитных конструкций, а также методы их испытаний на устойчивость к криминальному отмыканию и взлому.

2 Нормативные ссылки

В настоящем стандарте использованы нормативные ссылки на следующие стандарты:

ГОСТ 12.1.004 Система стандартов безопасности труда. Пожарная безопасность. Общие требования

ГОСТ 12.1.005 Система стандартов безопасности труда. Общие санитарно-гигиенические требования к воздуху рабочей зоны

ГОСТ 12.1.010 Система стандартов безопасности труда. Взрывобезопасность. Общие требования

ГОСТ 12.2.003 Система стандартов безопасности труда. Оборудование производственное. Общие требования безопасности

ГОСТ 6629 Двери деревянные внутренние для жилых и общественных зданий. Типы и конструкция

ГОСТ 7338 Пластины резиновые и резинотканевые. Технические условия

ГОСТ 15150 Машины, приборы и другие технические изделия. Исполнения для различных климатических районов. Категории, условия эксплуатации, хранения и транспортирования в части воздействия климатических факторов внешней среды

ГОСТ 18321 Статистический контроль качества. Методы случайного отбора выборок штучной продукции

ГОСТ 31281 Устройства запорно-пломбировочные для транспорта и контейнеров общего и специального назначения. Общие технические требования

ГОСТ 31471 Устройства экстренного открывания дверей эвакуационных и аварийных выходов. Технические условия

ГОСТ Р 12.1.019 Система стандартов безопасности труда. Электробезопасность. Общие требования и номенклатура видов защиты

ГОСТ Р 50009 Совместимость технических средств электромагнитная. Технические средства охранной сигнализации. Требования и методы испытаний

ГОСТ Р 50862 Сейфы, сейфовые комнаты и хранилища ценностей. Требования и методы испытаний на устойчивость к взлому и огнестойкость

ГОСТ Р 51053-2012 (ЕН 1300:2004) Замки сейфовые. Требования и методы испытаний на устойчивость к несанкционированному открыванию

ГОСТ Р 52365 Устройства пломбировочные. Требования к методикам испытаний стойкости защитных свойств и устойчивости к несанкционированному вскрытию

ГОСТ Р 52931 Приборы контроля и регулирования технологических процессов. Общие технические условия

ГОСТ Р 53787 Устройства пломбировочные. Методы испытаний силовых пломбировочных устройств стержневого типа на устойчивость к несанкционированному вскрытию. Общие требования

ГОСТ Р 54302 Устройства пломбировочные. Методы испытаний силовых пломбировочных устройств на устойчивость к климатическим и механическим факторам внешней среды, воздействующим при эксплуатации

ГОСТ Р 54939 Замки механические. Термины и определения».

Пункт 3.1. Исключить ссылку: ГОСТ Р 51241.

Подпункты 3.1.1, 3.1.2, 3.1.4, 3.1.7 - 3.1.11 изложить в новой редакции:

«3.1.1 замок для защитной конструкции: Замок, предназначенный для запирания элементов защитной конструкции и отвечающий требованиям настоящего стандарта.

3.1.2 блок секрета: Часть запирающего устройства, обеспечивающая его секретность и после введения правильного кода позволяющая изменить состояние запирающего устройства.

3.1.4 кодовый замок: Механический, электромеханический, электромагнитный замок или замок с электронным управлением, отмыкание которого осуществляется набором кода в кодонаборном узле.

3.1.7 криминальное отмыкание замка: Несанкционированное отмыкание замка без повреждения его конструкции путем манипуляций нештатным (поддельным) носителем кодовой информации.

3.1.8 криминальный взлом замка (взлом): Противоправный (несанкционированный) способ открывания защитной конструкции путем частичного или полного разрушения запирающего ее замка.

3.1.9 взломостойкость замка (устойчивость замка к взлому): Характеристика конструкции замка, обеспечивающая его способность выполнять защитную функцию и определяющая класс устойчивости замка к взлому.

3.1.10 класс устойчивости замка: Условное числовое значение, определяющее степень устойчивости замка к воздействию при криминальном отмыкании или взломе, характеризуемое временем этого воздействия и эффективностью инструмента, использованного для данного воздействия.

3.1.11 защитная конструкция: Объект или изделие с заданными целевыми и физическими свойствами, конструкция которого позволяет противостоять разрушению в процессе нормированных механических воздействий»;

дополнить подпунктами - 3.1.12 - 3.1.14:

«3.1.12 замок одноразового использования: Устройство, в котором функцию засова выполняет силовой элемент замка, осуществляющий замыкание путем создания неразъемного соединения с корпусом замка, а отмыкание - путем его механического разрушения штатным инструментом.

3.1.13 специализированное оборудование: Инструмент, устройство, приспособление, предназначенные для санкционированного неразрушающего отмыкания замка защитной конструкции посредством подбора секрета при проведении его технического обслуживания, испытаниях, а также в аварийных ситуациях.

3.1.14 ключ испытательный: Ключ, предназначенный для проведения испытаний, на котором значение кода на одной из бородок изменено на одну величину в меньшую или большую сторону относительно штатного ключа».

Пункт 4.1. Заменить слово: «открыванию» на «отмыканию».

Пункт 4.4. Заменить слова: «кодовых устройств, каждое из которых» на «блоков секрета, каждый из которых».

Пункт 4.5. Заменить слова: «кодовых устройств» на «блоков секрета замка» (3 раза); «каждое кодовое устройство» на «каждый блок секрета замка».

Пункт 4.7. Таблица 1. Графа «Характеристика воздействующей силы». Для F6 заменить слова: «Отрывающая сила» на «Сила отрыва»; для F7 заменить слова: «Отрывающая сила» на «Сила сдвига»;

дополнить таблицу обозначением - F8 (после F7):

Обозначение силы

Характеристика воздействующей силы

F8

Сила отрыва лицевой планки от корпуса

рисунок 1. Верхнюю часть рисунка изложить в новой редакции:

подрисуночная подпись. Заменить обозначения: «F1 - F7» на «F1 - F8».

Раздел 5. Заголовок. Заменить слово: «Требования» на «Технические требования».

Пункт 5.1.1 изложить в новой редакции:

«5.1.1 Замки всех видов и классов устойчивости должны быть изготовлены из экологически безопасных материалов и комплектующих изделий в климатических исполнениях по ГОСТ 15150 и соответствовать технической и конструкторской документации на замки конкретных типов».

Пункт 5.1.4. Пятый абзац исключить.

Пункт 5.1.5. Заменить слова: «по ГОСТ 12997» на «по ГОСТ Р 52931».

Пункты 5.1.7, 5.1.8, 5.1.10 исключить.

Пункт 5.1.9 изложить в новой редакции:

«5.1.9 В замках с автономным электропитанием должен быть обеспечен визуальный и/или акустический контроль состояния источника питания».

Пункт 5.1.10 исключить.

Подраздел 5.2. Заголовок. Заменить слова: «Требования к криптостойкости» на «Требования к коду механических замков и замков с электронным управлением».

Пункты 5.2.1, 5.2.2 изложить в новой редакции:

«5.2.1 Код, применяемый в механическом ключевом замке, должен иметь:

- не более 40 % значений одной величины, обеспечивающих кодовую вариантность;

- смежное размещение не более двух одинаковых значений кода;

- перепад между максимальным и минимальным значениями кода (типоразмерами) для замков с сувальдным блоком секрета не менее трех шагов, как показано на рисунке 2.

1 - 6 - шаг типоразмера

Рисунок 2 - Схема перепада между максимальным и минимальным значениями кода

5.2.2 Фактическое число кодов механических замков в зависимости от типа блока секрета замка и его класса устойчивости должно соответствовать значениям, указанным в таблице , а число кодов и число цифр кода замков с электронным управлением - значениям, указанным в таблице ».

Таблица1а - Зависимость класса устойчивости механического замка от фактического числа кодов и типа блока секрета

Тип блока секрета замка

Фактическое число кодов замка, не менее, для класса устойчивости замка

U1

U2

U3

U4

Сувальдный блок секрета замка

2500

10000

30000

75000

Цилиндровый блок секрета замка

2500

10000

30000

75000

Кодонаборный блок секрета замка

8000

50000

100000

1000000

Таблица1б - Зависимость класса устойчивости замка с электронным управлением от фактического числа кодов и числа цифр кода

Замок с электронным управлением

Класс устойчивости замка

U1

U2

U3

U4

Число цифр кода, не менее

4

6

7

7

Число кодов, не менее

8000

100000

1000000

3000000

Пункт 5.2.3. Заменить слово: «открывания» на «отмыкания».

Пункт 5.2.4 исключить.

Пункт 5.2.5. Заменить слова: «Кодовые комбинации для» на «Коды для механических».

Пункт 5.2.6 изложить в новой редакции:

«5.2.6 Ключевые замки не должны отмыкаться испытательными ключами».

Подраздел 5.3 (заголовок), пункт 5.3.1. Заменить слово: «открыванию» на «отмыканию».

Пункт 5.3.2 изложить в новой редакции:

«5.3.2 В зависимости от класса и базисного значения применяемого инструмента В (см. приложение А) замки должны обладать показателями устойчивости к криминальному отмыканию Ек, усл. ед., приведенными в таблице .

Таблица1в - Показатели устойчивости к криминальному отмыканию

Класс устойчивости замка

Базисное значение применяемого инструмента, В

0

5

10

15

U1

³ 2 Ек < 5 усл. ед.

³ 7 Ек < 10 усл. ед.

³ 12 Ек < 17 усл. ед.

³ 17 Ек < 20 усл. ед.

U2

³ 5 Ек < 10 усл. ед.

³ 10 Ек < 15 усл. ед.

³ 15 Ек < 20 усл. ед.

³ 20 Ек< 25 усл. ед.

U3

³ 10 Ек £ 30 усл. ед.

³ 15 Ек £ 35 усл. ед.

³ 20 Ек £ 40 усл. ед.

³ 25 Ек £ 45 усл. ед.

U4

Св. 30 усл. ед.

Св. 35 усл. ед.

Св. 40 усл. ед.

Св. 45 усл. ед.

Пункт 5.3.3 и таблицу 2 исключить.

Пункт 5.4.1. Заменить слова: «приложении Б» на «приложении А».

Пункт 5.7.1 исключить.

Пункт 5.7.2. Заменить ссылку: ГОСТ 12.1.019 на ГОСТ Р 12.1.019.

Пункт 6.1.3. Второй абзац. Заменить слово: «открыванию» на «отмыканию».

Пункт 6.1.4 изложить в новой редакции:

«6.1.4 Комплектование групп испытателей и наблюдателей - по ГОСТ Р 50862 (приложение Б)».

Пункт 6.1.5 исключить.

Пункт 6.1.6. Второй абзац исключить.

Пункт 6.1.7. Исключить слова: «утвержденной в установленном порядке».

Пункт 6.1.8 исключить.

Пункт 6.1.9. Заменить слова: «конструктивным требованиям» на «требованиям к конструкции».

Подраздел 6.3. Заголовок. Заменить слова: «Оценка криптостойкости» на «Оценка используемого кода».

Пункты 6.3.1, 6.3.2 изложить в новой редакции:

«6.3.1 Код замка по 5.2 определяют по технической документации на замок, предъявленной на испытания, а также осмотром и сравнением конструкции замка, ключа (в случае ключевых замков) с технической документацией на них.

6.3.2 Возможность отмыкания испытуемого замка (для механических ключевых замков) проверяют при помощи испытательных ключей».

Подраздел 6.4. Заголовок. Заменить слово: «открыванию» на «отмыканию».

Пункты 6.4.1, 6.4.3. Заменить слово: «открыванию» на «отмыканию»;

Пункт 6.4.2 изложить в новой редакции:

«6.4.2 При проведении испытаний должны быть предприняты любые нештатные действия по отмыканию замка (бампинг, манипуляции, подбор ключа и т.д.)».

Подраздел 6.4 дополнить пунктом и подпунктами - 6.4.4, 6.4.4.1, 6.4.4.2:

«6.4.4 Механические ключевые замки с сувальдным блоком секрета, соответствующие параметрам, изложенным в приложении Е для замков классов U1 - U4, допускается не испытывать на устойчивость к криминальному отмыканию.

Замки, не соответствующие параметрам, указанным в приложении Е, должны быть испытаны на устойчивость к криминальному отмыканию по требованию заказчика.

6.4.4.1 Оценке замков по приложению Е должна обязательно предшествовать предварительная оценка требований к числу фактических кодов согласно 5.2.

6.4.4.2 Решение по определению класса устойчивости принимает руководитель испытательной лаборатории (см. приложение Е)».

Пункты 6.5.1, 6.5.1.5. Исключить слово: «разрушающим».

Подпункт 6.5.1.1. Первый абзац изложить в новой редакции:

«Испытания на устойчивость к взлому инструментом (5.4.1, 5.4.2) проводят с целью оценки защиты замка от разрушающих воздействий, полученных в результате использования ручного инструмента, применяемого в производстве, быту и находящегося в свободной продаже».

Подпункты 6.5.2.1, 6.5.2.4 изложить в новой редакции:

«6.5.2.1 При испытании замка на устойчивость к динамическим нагрузкам (5.4.3) воздействиям подвергают засов испытуемого замка.

6.5.2.4 Испытания проводят сериями по три удара энергией 100, 150, 200 и 300 Дж. После каждой серии ударов проводят осмотр образца замка. Замок считают выдержавшим испытание динамической нагрузкой, если после его окончания он сохранил свою работоспособность, т.е. состояние, при котором он способен выполнять заданную функцию с параметрами, установленными в технической документации на замок конкретного типа».

Подпункты 6.5.2.5, 6.5.2.6, 6.5.2.8 исключить.

Подпункт 6.5.4.2. Последний абзац. Заменить обозначение: «F2» на «F8».

Пункт 6.6.1 изложить в новой редакции:

«6.6.1 Испытания на устойчивость к воздействию электромагнитных помех (5.5) относят к разряду неразрушающих и проводят только для электромеханических, электромагнитных замков и замков с электронным управлением при нормальных климатических условиях и в соответствии с ГОСТ Р 50009».

Пункт 6.7.1. Исключить слова: «ГОСТ Р МЭК 60065 и».

Пункт 7.5. Заменить слово: «открыванию» на «отмыканию».

Приложение А. Заголовок. Заменить слово: «открыванию» на «отмыканию»;

таблицу А.1 изложить в новой редакции:

Таблица А.1 - Соответствие базисных значений виду инструмента

Категория инструмента

Базисное значение инструмента В, усл. ед.

Описание инструмента

Пример

Инструменты общего технического назначения

0

Инструменты, применяемые в производстве и быту и находящиеся в свободной продаже

Слесарно-сборочные инструменты (отвертки, напильники, плоскогубцы, клещи, иглы, пинцеты и пр.)

Инструменты целевого назначения разной эффективности

5

Инструменты, изготовленные непромышленным способом, приспособленные для отмыкания замков без применения штатных ключей

Наборы ключей, металлические заготовки, имитирующие штатный ключ, и т. п.

10

Инструменты, изготовленные промышленным способом, предназначенные для отмыкания замков без применения штатных ключей

Инструменты, изготовленные специально для отмыкания замков с целью проведения их испытаний и сервисного обслуживания

15

Инструменты, изготовленные промышленным способом, предназначенные для отмыкания замков конкретного типа без применения штатных ключей

Приложение Б. Заголовок. Исключить слово: «разрушающим».

Приложение В. Пункты 1 - 4 изложить в новой редакции:

«В.1 Конструкторская документация на замок должна включать:

- габаритные и присоединительные размеры, включая размеры для ключей, шпинделей, электрических коммуникаций и т.п.;

- размеры и допуски деталей механизмов, предусмотренных конструкцией замка для защиты от криминального отмыкания и взлома;

- фактическое число кодов с учетом ограничений по 5.2.1.

В.2 Комплект технической документации должен содержать:

- технические условия на изделие (при наличии);

- инструкцию по установке замка на защитной конструкции (руководство по монтажу);

- руководство по эксплуатации изделия, паспорт изделия.

Примечание - В отдельных случаях допускается предоставление указанной документации единым документом».

Приложение Г. Заголовок. Заменить слово: «открыванию» на «отмыканию»;

пункт Г.1. Заменить слово: «открыванию» на «отмыканию» (2 раза);

третий абзац. Исключить слово: «разрушающего»;

пункт Г.3. Заменить слова: «открыванию» на «отмыканию», «открывания» на «отмыкания», «открывание» на «отмыкание»;

пункт Г.4. Таблица Г.1. Графа «Базисное значение инструмента Е0, усл. ед.». Заменить значение: 5 на 7;

подпункт Г.5.2 исключить.

Приложение Д. Пункты Д.1, Д.2. Заменить слово: «открыванию» на «отмыканию»;

пункт Д.4. Четвертый абзац исключить.

Стандарт дополнить приложением - Е:

«Приложение Е
(обязательное)

Метод определения устойчивости механических ключевых замков
с сувальдным блоком секрета к криминальному отмыканию манипуляционными
методами на основании конструкционных параметров

Е.1.1 Общие положения

Замки классов U1 - U4, прошедшие предварительную оценку числа фактических кодов по 5.2, которые соответствуют критериям, установленным в Е.1.2 и Е.1.3, оценивают как устойчивые к криминальному отмыканию манипуляционными методами, в связи с чем испытание на оценку устойчивости к криминальному отмыканию допускается не проводить.

Е.1.2 Зазор между стойкой и кодовым каналом сувальды

Зазор С между шириной кодового канала и шириной той части стойки, которая при разблокировке засова входит в кодовый канал сувальды, не должен превышать 90 % максимально возможного перемещения кодового канала Н при изменении кода замка на один типоразмер. Зазор вычисляют по формуле

С £ (Н/100) · 90 или С £ Н · 90 %,

(Е.1)

(Поправка).

где С -зазор между кодовым каналом и стойкой;

Н -перемещения кодового канала при изменении кода замка на один типоразмер (см. рисунок Е.1).

Рисунок Е.1 - Схематическое представление перемещения кодового канала
при изменении кода замка на один типоразмер

Примечание - Метод, приведенный в настоящем приложении, дает оценку устойчивости, достаточную для того, чтобы определить и классифицировать конструкционные критерии, которые оказывают влияние на устойчивость к криминальному отмыканию.

Зазор С с учетом радиусов кромок кодового канала и стойки вычисляют по формуле

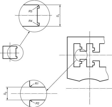
С = [S2 + (R1/2 + R2/2)] - [S1 - (R3/2 + R4/2)]

(Е.2)

где S1 - минимальная ширина стойки, соответствующая размерам, указанным на чертежах изготовителя;

S2 - максимальная ширина кодового канала, соответствующая размерам, указанным на чертежах изготовителя;

R1, R2, R3 и R4 - максимальные значения радиусов скруглений кромок кодового канала и стойки, соответствующие размерам, указанным на чертежах изготовителя (см. рисунок Е.2).

Примечание - Размеры, указанные на чертежах изготовителя, должны быть сверены с размерами на испытуемых образцах.

Рисунок Е.2 - Увеличенное представление радиусов скруглений на входе кодового
канала и передней стороне стойки

Е.1.3 Соответствие конструкционным критериям в зависимости от класса замка приведено в таблице Е.1.

Таблица Е.1 - Классификация замков по конструкционным критериям

Конструкционный критерий

Класс устойчивости замка

U1

U2

U3

U4

1 Наличие ложных пазов на сувальдах и соответствующих им выступов на стойке*

-

+

+

+

2 Число сувальд в блоке секрета замка**

4

6

8

10

3 Наличие дополнительной защиты (системы) от криминального отмыкания***

-

-

+

+

4 Наличие дополнительной защиты (системы) от отмыкания методом самоустановки кода***

-

-

-

+

5 Наличие возможности получения информации о коде замка по контуру рабочих закраин сувальд

-

6 Наличие возможности получения информации о коде замка по перемещению сувальд (их подъему)

-

* Сувальд с ложными пазами - не менее 50 % общего числа сувальд.

** Не распространяется на замки, соответствующие критериям 3, 4 или имеющие оригинальную конструкцию блока секрета замка.

*** Критерии 3, 4 могут быть выполнены одной деталью или одним узлом.

Библиография. Позиция [1]. Заменить слова: «ПУЭ-98 Правила устройства электроустановок ПУЭ. Утверждены Главным техническим управлением по эксплуатации энергосистем и Государственной инспекцией по энергонадзору Министерства энергетики и электрификации СССР (6-е изд., М., Энергоатомиздат, 1989)» на «ПУЭ - 2002 Правила устройства электроустановок (утверждены Приказом Минэнерго России от 08.07.2002 № 204)».

Библиографические данные дополнить кодами ОКП: 49 8100, 49 8130, 73 9930;

ключевые слова. Исключить слова: «криминальное открывание, шифр, криптостойкость, сопротивление взлому»; дополнить словами: «криминальное отмыкание».

(ИУС № 2 2016 г.)

 

 



© 2013 Ёшкин Кот :-)