Информационная система
«Ёшкин Кот»

XXXecatmenu

ИЗМЕНЕНИЕ № 5

OCT 26-2002-83

ЛЮКИ С ПЛОСКИМИ
КРЫШКАМИ СТАЛЬНЫХ
СВАРНЫХ СОСУДОВ И АППАРАТОВ.

Конструкция

 

 

УТВЕРЖДАЮ

Председатель ТК 260

«Оборудование химическое и
нефтегазоперерабатывающее»

_______________ В.А.Заваров

«01» __07__ 1998 г.

Дата введения 1998-08-01

 

 

ОАО «НИИхиммаш»

Зарегистрировано № 84 1998-07-01

Заместитель Генерального директора

по научно-производственной деятельности

___________________ В.В. Раков

Раздел 2. Четвертый абзац. Исключить;

седьмой абзац. Заменить ссылку. ОСТ 26-2037-77 на ОСТ 26-2037-96;

восьмой абзац. Заменить ссылку. ОСТ 26-2038-77 на ОСТ 26-2038-96.

Раздел 3 Пункт 3.2. Рисунок 1. Поз. 4. Исключить ссылку «Исполн. 1 по АТК 24.201.18-91».

Раздел 3. Дополнить пунктом 3.7 (после пункта 3.6).

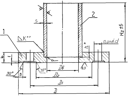
3.7 Конструкция и размеры фланцев поз. 4, люков исполнения 1 на условное давление 0,1 МПа (1 кгс/см2) должны соответствовать указанным на рисунке 6 и в таблице 4.

1. Фланец; 2. Втулка

* Размер h равен 0,5 м

** Размер К равен S.

Рисунок 6

Таблица 4

Размеры в миллиметрах

Dв

D

D1

D2

H2

d

n

b

S

400

510

470

446

270

18

20

18

4

500

610

570

546

290

24

600

710

670

646

330

28

20

700

810

770

746

370

32

800

925

880

850

390

23

28

5

Пример условного обозначения фланца люка исполнения 1 с условным проходом 500 мм на условное давление 0,1 МПа из стали марки Ст3сп

Фланец 1-500-0,1-Ст3сп ОСТ 26-2002-83.

Приложение А (справочное). Таблица А1. Колонка «Ручка», первая строка

Напечатано

Должно быть

Приложение А (справочное). Ввести таблицу А2.

Таблица А2

Масса фланцев и втулки

Давление условное МПа (кгс/см2)

Диаметр внутренний люка Dв, мм

Наименование

фланец

втулка

Масса, кг

0,1 (1)

400

9,44

10,4

500

11,50

14,0

600

15,10

19,1

700

17,50

25,0

800

22,40

37,7

Примечание - Масса подсчитана при плотности стали 7,85 г/см3.



© 2013 Ёшкин Кот :-)