Low voltage surge protective devices. Part 21. Surge protective devices connected to telecommunications and signalling networks. Performance requirements and testing methods 

Информационная система
«Ёшкин Кот»

XXXecatmenu

ФЕДЕРАЛЬНОЕ АГЕНТСТВО
ПО ТЕХНИЧЕСКОМУ РЕГУЛИРОВАНИЮ И МЕТРОЛОГИИ

НАЦИОНАЛЬНЫЙ
СТАНДАРТ
РОССИЙСКОЙ
ФЕДЕРАЦИИ

ГОСТ Р
54986-2012

(МЭК 61643-21:2009)

Устройства защиты от импульсных
перенапряжений низковольтные

Часть 21

УСТРОЙСТВА ЗАЩИТЫ
ОТ ИМПУЛЬСНЫХ ПЕРЕНАПРЯЖЕНИЙ
В СИСТЕМАХ ТЕЛЕКОММУНИКАЦИИ
И СИГНАЛИЗАЦИИ
(ИНФОРМАЦИОННЫХ СИСТЕМАХ)

Требования к работоспособности и методы испытаний

IEC 61643-21:2009
Low voltage surge protective devices - Part 21: Surge protective devices
connected to telecommunications and signalling networks -
Performance requirements and testing methods
(MOD)

Москва
Стандартинформ
2013

Предисловие

1 ПОДГОТОВЛЕН Обществом с ограниченной ответственностью «ВНИИэлектроаппарат» на основе собственного аутентичного перевода на русский язык международного стандарта, указанного в пункте 4

2 ВНЕСЕН Техническим комитетом по стандартизации ТК 331 «Низковольтная коммутационная аппаратура и комплексные устройства распределения, защиты, управления и сигнализации»

3 УТВЕРЖДЕН И ВВЕДЕН В ДЕЙСТВИЕ Приказом Федерального агентства по  техническому регулированию и метрологии от 17 сентября 2012 г. № 311-ст

4 Настоящий стандарт является модифицированным по отношению к международному стандарту МЭК 61643-21:2009 (издание 1.1) «Низковольтные устройства защиты от импульсных перенапряжений. Часть 21. Устройства защиты от импульсных перенапряжений в системах телекоммуникации и сигнализации. Требования к работоспособности и методы испытаний» (IEK 61643-21:2009, издание 1.1 «Low voltage surge protective devices - Part 21: Surge protective devices connected to telecommunications and signalling networks - Performance requirements and testing methods»).

При этом разделы 1 - 6 и приложения A - E полностью идентичны.

При применении настоящего стандарта рекомендуется использовать вместо ссылочных международных стандартов соответствующие им национальные стандарты Российской Федерации и межгосударственные стандарты, сведения о которых приведены в дополнительном приложении ДА.

Раздел «Нормативные ссылки» изложен в соответствии с требованиями ГОСТ Р 1.5-2004

5 ВВЕДЕН ВПЕРВЫЕ

Правила применения настоящего стандарта установлены в ГОСТ Р 1.0-2012 (раздел 8). Информация об изменениях к настоящему стандарту публикуется в ежегодном (по состоянию на 1 января текущего года) информационном указателе «Национальные стандарты», а официальный текст изменений и поправок - в ежемесячном информационном указателе «Национальные стандарты». В случае пересмотра (замены) или отмены настоящего стандарта соответствующее уведомление будет опубликовано в ближайшем выпуске ежемесячного информационного указателя «Национальные стандарты». Соответствующая информация, уведомление и тексты размещаются также в информационной системе общего пользования - на официальном сайте Федерального агентства по техническому регулированию и метрологиии в сети Интернет (gost.ru)

Содержание

1 Общие положения. 3

1.1 Область применения. 3

1.2 Конфигурации УЗИП.. 4

1.3 Пользование настоящим стандартом.. 4

2 Нормативные ссылки. 12

3 Термины и определения. 13

4 Условия эксплуатации и испытаний. 16

4.1 Условия эксплуатации. 16

4.2 Испытательные температура и влажность. 16

4.3 Испытание УЗИП.. 17

4.4 Допуски на форму волны.. 17

5 Требования к УЗИП.. 17

5.1 Общие требования. 17

5.2 Требования к электрической части. 18

5.3 Требования к механической части. 20

5.4 Требования к условиям окружающей среды.. 22

6 Типовые испытания. 23

6.1 Общие испытания. 23

6.2 Электрические испытания. 23

6.3 Механические испытания. 33

6.4 Испытания на воздействующие факторы окружающей среды.. 36

6.5 Приемо-сдаточные испытания. 38

Приложение А (рекомендуемое) Устройства с токоограничивающими компонентами. 48

Приложение В (свободное) 49

Приложение С (свободное) 49

Приложение D (рекомендуемое) Точность измерений. 49

Приложение Е (рекомендуемое) Определение сквозного тока Ip 49

Приложение ДА (справочное) Сведения о соответствии ссылочных национальных и межгосударственных стандартов международным стандартам, использованным в качестве ссылочных в примененном международном стандарте. 51

Библиография. 52

Введение

Целью настоящего стандарта является установление требований к устройствам защиты от импульсных перенапряжений (УЗИП), применяемых для защиты систем телекоммуникации и сигнализации, например цепей передачи данных, голосовой связи и аварийной сигнализации. Все эти системы могут подвергаться прямому или индукционному воздействию грозовых или коммутационных эффектов. Эти эффекты проявляются в виде перенапряжений или сверхтоков, достаточно высокого уровня.

В настоящем стандарте приведены испытания и требования к методам испытаний УЗИП, для определения их работоспособности.

УЗИП, рассматриваемые настоящим стандартом, могут содержать только компоненты защиты от перенапряжений, а также компоненты защиты от сверхтоков. Рассмотрение защитных устройств, содержащих исключительно компоненты защиты от сверхтоков, не является целью настоящего стандарта. Рассмотрение таких устройств приведено в приложении А.

Одно УЗИП может содержать несколько компонентов защиты от перенапряжений и сверхтоков. Все УЗИП испытывают по принципу «черного ящика», т. е. процедуру испытания определяет не число компонентов, содержащихся в УЗИП, а число его выводов. Конфигурации УЗИП приведены в 1.2. В случае многолинейных УЗИП каждую линию испытывают независимо от других, либо испытывают все линии одновременно.

Настоящий стандарт содержит ряд условий испытаний и требований, применяемых по усмотрению потребителя. Порядок применения требований настоящего стандарта к разным типам УЗИП рассмотрен в 1.3. Поскольку настоящий стандарт касается работоспособности УЗИП, некоторые из которых реализуются по заказу, вопросы о частоте повреждений УЗИП и их толковании оставлены на усмотрение потребителя. Принципы выбора и применения УЗИП рассматриваются в МЭК 61643-22.

Если известно, что УЗИП является однокомпонентным устройством, тогда оно должно соответствовать требованиям конкретного стандарта, а также требованиям настоящего стандарта.

ГОСТ Р 54986-2012
(МЭК 61643-21:2009)

НАЦИОНАЛЬНЫЙ СТАНДАРТ РОССИЙСКОЙ ФЕДЕРАЦИИ

Устройства защиты от импульсных перенапряжений низковольтные

Часть 21

УСТРОЙСТВА ЗАЩИТЫ ОТ ИМПУЛЬСНЫХ ПЕРЕНАПРЯЖЕНИЙ
В СИСТЕМАХ ТЕЛЕКОММУНИКАЦИИ И СИГНАЛИЗАЦИИ
(ИНФОРМАЦИОННЫХ СИСТЕМАХ)

Требования к работоспособности и методы испытаний

Low voltage surge protective devices. Part 21. Surge protective devices connected to
telecommunications and signaling networks (information systems). Performance requirements
and testing methods

Дата введения - 2013-07-01

1 Общие положения

1.1 Область применения

Настоящий стандарт распространяется на устройства защиты сетей телекоммуникации и сигнализации при прямом или косвенном воздействии грозовых или других переходных перенапряжений.

Назначением данных УЗИП является защита современного электронного оборудования в сетях телекоммуникации и сигнализации с паспортными напряжениями системы до 1000 В переменного тока и 1500 В постоянного тока.

1.2 Конфигурации УЗИП

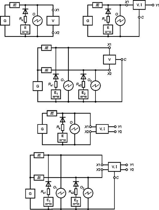
Конфигурации УЗИП, приведенные в настоящем стандарте, показаны на рисунке 1. Каждая конфигурация УЗИП содержит один или более компонентов ограничивающих напряжение, и также может содержать токоограничивающие компоненты.

1.3 Пользование настоящим стандартом

В настоящем стандарте рассматривают два основных типа УЗИП.

УЗИП первого типа в одном корпусе содержат не менее одного ограничивающего напряжение компонента и не содержат токоограничивающие компоненты. Все конфигурации УЗИП, представленные на рисунке 1, могут быть этого типа. Данные УЗИП должны отвечать требованиям 5.1, 5.2.1 и 5.3 (см. таблицу 1). УЗИП, представленные на рисунках 1b, 1d, 1e и 1f, между выводом питания и соответствующим выводом защищаемой линии могут содержать один линейный компонент. Данные УЗИП также должны соответствовать применимым требованиям 5.2.2.

УЗИП второго типа в одном корпусе содержат как ограничивающие напряжение, так и ограничивающие ток компоненты. Конфигурации УЗИП, представленные на рисунках 1b, 1d, 1e и 1f, применимы для УЗИП с ограничивающими напряжение и токоограничивающими компонентами. УЗИП данного типа должны соответствовать требованиям 5.1, 5.2.1, 5.2.2 и 5.3 (см. таблицу 1). Конфигурации защитных устройств, имеющих только токоограничивающие компоненты, представлены в приложении А.

В зависимости от своего назначения УЗИП могут удовлетворять дополнительным требованиям. Дополнительные требования изложены в 5.2.3 и 5.4 (см. таблицу 1).

В 5.2.3 предусмотрены испытания передачи данных, необходимые для соответствия УЗИП их назначению в информационных сетях. Выбор необходимых испытаний передачи данных выполняют по 5.2.3, исходя из назначения УЗИП. Таблица 1 предлагает общее руководство по выбору соответствующих испытаний.

V - компонент, ограничивающий напряжение; V, I - ограничивающие напряжение компоненты или их
сочетание с токоограничивающими компонентами; Х1, Х2 ... Х
n - выводы питания;
Y1, Y2 ... Yn - выводы защищаемой линии; С - общий вывод

Рисунок 1 - Конфигурации УЗИП

В 5.4 предусмотрены требования к условиям окружающей среды, если УЗИП предназначены для применения исключительно в неконтролируемых условиях окружающей среды, как указано в 4.1.

УЗИП должны удовлетворять этим требованиям при наличии соглашения между изготовителем и потребителем. В таблице 1 приведены примеры требований к соответствию УЗИП разных типов.

Таблица 1 - Общие требования к УЗИП

Серия испытаний4)

Требования, испытания

Пункт, подпункт

Тип УЗИП

УЗИП с единственной функцией ограничения напряжения

УЗИП с двумя функциями ограничения напряжения и токоограничения

УЗИП с функцией ограничения напряжения и линейным компонентом между выводами

УЗИП с двумя функциями ограничения напряжения и токоограничения и усиленной передающей способностью

УЗИП с единственной функцией ограничения напряжения, предназначенные для применения в окружающей среде с неограниченными условиями

УЗИП с двумя функциями ограничения напряжения и токоограничения, предназначенные для применения в окружающей среде с неограниченными условиями

1

Общие испытания

Подраздел 6.1

Идентификация и документация

6.1.1

П

П

П

П

П

П

Маркировка

6.1.2

П

П

П

П

П

П

Испытания передачи информации

6.2.3

 

 

 

 

 

 

 

Емкость

6.2.3.1

П

В

В

В

П

В

 

Потери при вводе

6.2.3.2

В

П

П

П

В

П

 

Возвратные потери

6.2.3.3

В

В

В

П

В

В

 

Продольный баланс

6.2.3.4

В

В

В

П

В

В

 

Коэффициент погрешности бит (КПБ)

6.2.3.5

В

В

В

В

В

В

 

Перекрестная наводка на передающем конце (ПНПК)

6.2.3.6

В

В

В

П

В

В

 

Механические испытания

Подраздел 6.1

1

Выводы и соединения

6.3.1

П

П

П

П

П

П

 

Общая процедура испытаний

6.3.1.1

П

П

П

П

П

П

 

Винтовые выводы

6.3.1.2

П

П

П

П

П

П

 

Безрезьбовые выводы

6.3.1.3

П

П

П

П

П

П

 

Соединения с проколом изоляции

6.3.1.4

П

П

П

П

П

П

 

Испытание на вытягивание одножильных проводников на выводах УЗИП

6.3.1.4.1

П

П

П

П

П

П

 

Испытание на вытягивание многожильных кабелей и шнуров на выводах УЗИП

6.3.1.4.2

П

П

П

П

П

П

Продолжение таблицы 1

Серия испытаний4)

Требования, испытания

Пункт, подпункт

Тип УЗИП

УЗИП с единственной функцией ограничения напряжения

УЗИП с двумя функциями ограничения напряжения и токоограничения

УЗИП с функцией ограничения напряжения и линейным компонентом между выводами

УЗИП с двумя функциями ограничения напряжения и токоограничения и усиленной передающей способностью

УЗИП с единственной функцией ограничения напряжения, предназначенные для применения в окружающей среде с неограниченными условиями

УЗИП с двумя функциями ограничения напряжения и токоограничения, предназначенные для применения в окружающей среде с неограниченными условиями

 

Механическая прочность (при монтаже)

6.3.2

П

П

П

П

П

П

 

Защита от попадания твердых частиц и проникновения воды

6.3.3

П

П

П

П

П

П

 

Защита от прямого прикосновения к токоведущим частям

6.3.4

П

П

П

П

П

П

 

Огнестойкость

6.3.5

П

П

П

П

П

П

1

Испытания на воздействующие факторы окружающей среды

Подраздел 6.4

 

Устойчивость к высоким температурам и влажности

6.4.1

В

В

В

В

П

П

 

Циклическое ис пытание окружающей средой с импульсными перенапряжениями

6.4.2

В

В

В

В

П

П

 

Циклическое испытание окружающей средой с импульсами переменного тока

6.4.3

В

В

В

В

П

П

 

Испытания на ограничение напряжения

6.2.1

 

 

 

 

 

 

2

Максимальное длительное рабочее напряжение (Uc)

6.2.1.1

П

П

П

П

П

П

 

Сопротивление изоляции

6.2.1.2

П

П

П

П

П

П

Продолжение таблицы 1

Серия испытаний4)

Требования, испытания

Пункт, подпункт

Тип УЗИП

УЗИП с единственной функцией ограничения напряжения

УЗИП с двумя функциями ограничения напряжения и токоограничения

УЗИП с функцией ограничения напряжения и линейным компонентом между выводами

УЗИП с двумя функциями ограничения напряжения и токоограничения и усиленной передающей способностью

УЗИП с единственной функцией ограничения напряжения, предназначенные для применения в окружающей среде с неограниченными условиями

УЗИП с двумя функциями ограничения напряжения и токоограничения, предназначенные для применения в окружающей среде с неограниченными условиями

 

Устойчивость к воздействию импульсов для функции ограничения напряжения1)

6.2.1.6

П

П

П

П

П

П

 

Ограничение импульсов напряжения2)

6.2.1.3

П

П

П

П

П

П

 

Возврат импульса коммутирующих типов

6.2.1.4

П

П

П

П

П

П

2

Устойчивость к воздействию переменного тока для функции ограничения напряжения1)

6.2.1.5

В

В

В

В

В

В

 

Испытание мертвой зоны многоступенчатого УЗИП

6.2.1.8

П

П

П

П

П

П

 

Режимы повреждения в результате перенапряже ния

6.2.1.7

П

П

П

П

П

П

 

Испытания на токоограничение

Пункт 6.2.2

 

Номинальный ток

6.2.2.1

Н

П

П

П

Н

П

3

Последовательное сопротивление

6.2.2.2

Н

П

П

П

Н

П

 

Время-токовая характеристика

6.2.2.3

Н

П

Н

П3)

Н

П3)

 

Время возврата в исходное состояние

6.2.2.4

Н

П

Н

П3)

Н

П3)

Окончание таблицы 1

Серия испы таний4)

Требования, испытания

Пункт, подпункт

Тип УЗИП

УЗИП с единственной функцией ограничения напряжения

УЗИП с двумя функциями ограничения напряжения и токоограничения

УЗИП с функцией ограничения напряжения и линейным компонентом между выводами

УЗИП с двумя функциями ограничения напряжения и токоограничения и усиленной передающей способностью

УЗИП с единственной функцией ограничения напряжения, предназначенные для применения в окружающей среде с неограниченными условиями

УЗИП с двумя функциями ограничения напряжения и токоограничения, предназначенные для применения в окружающей среде с неограниченными условиями

 

Максимальное напряжение отключения

6.2.2.5

Н

П

Н

П3)

Н

П3)

 

Испытание в рабочем режиме

6.2.2.6

Н

П

Н

П3)

Н

П3)

3

Устойчивость к воздействию переменного тока для функции токоограничения1)

6.2.2.7

Н

П

Н

П3)

Н

П3)

 

Устойчивость к воздействию импульсов для функции токоограничения 1)

6.2.2.8

Н

П

Н

П3)

Н

П3)

4

Приемо-сдаточные испытания

6.5

В

В

В

В

В

В

1) Для каждой категории испытательного импульса используют новый комплект образцов.

2) Рекомендуется измерять ограничение импульсного напряжения по 6.2.1.3 в ходе испытания на устойчивость к воздействию импульсов по 4.2.1.6.

3) Испытание неприменимо, если между выводами присутствует один линейный компонент.

4) Каждую испытательную серию проводят на трех образцах.

Обозначения в таблице: П - применимо; Н - неприменимо; В - возможно (по выбору).

2 Нормативные ссылки

В настоящем стандарте использованы нормативные ссылки на следующие стандарты:

ГОСТ Р 50571.24-2000 (МЭК 60364-5-51-97) Электроустановки зданий. Часть 5. Выбор и монтаж электрооборудования. Глава 51. Общие требования

ГОСТ Р 51317.4.5-99 (МЭК 61000-4-5-95) Совместимость технических средств электромагнитная. Устойчивость к микросекундным импульсным помехам большой энергии. Требования и методы испытаний

ГОСТ Р 51686.1-2000 (МЭК 60999-99) Соединительные устройства. Требования безопасности к контактным зажимам. Часть 1. Требования к винтовым и безвинтовым контактным зажимам для соединения медных проводников с номинальным сечением от 0,2 до 35 мм кВ

ГОСТ Р 51992-2011 (МЭК 61643-1:2005) Устройства для защиты от импульсных перенапряжений в низковольтных силовых распределительных системах. Часть 1. Требования к работоспособности и методы испытаний

ГОСТ Р МЭК 60950-2002 Безопасность оборудования информационных технологий

ГОСТ 14254-96 (МЭК 529-89) Степени защиты, обеспечиваемые оболочками (код IP)

ГОСТ 27483-87 (МЭК 695-2-1-80) Испытания на пожароопасность. Методы испытаний. Испы тания нагретой проволокой

ГОСТ 28216-89 (МЭК 68-2-30-82) Основные методы испытаний на воздействие внешних факторов. Часть 2. Испытания. Испытание Db и руководство: влажное тепло, циклическое (12 + 12-часовой цикл)

Примечание - При пользовании настоящим стандартом целесообразно проверить действие ссылочных стандартов в информационной системе общего пользования - на официальном сайте Федерального агентства по техническому регулированию и метрологии в сети Интернет или по ежегодно издаваемому информационному указателю «Национальные стандарты», который опубликован по состоянию на 1 января текущего года, и по соответствующим ежемесячно издаваемым информационным указателям, опубликованным в текущем году. Если ссылочный стандарт заменен (изменен), то при пользовании настоящим стандартом следует руководствоваться заменяющим (измененным) стандартом. Если ссылочный стандарт отменен без замены, то положение, в котором дана ссылка на него, применяется в части, не затрагивающей эту ссылку.

3 Термины и определения

В настоящем стандарте применены следующие термины с соответствующими определениями:

3.1 номер модели (model number): Код, нанесенный на устройство или указанный в прилагаемой документации, позволяющий идентифицировать УЗИП.

3.2 предпочтительные значения (preferred values): Значения параметров, указанные в таблицах для испытаний, предпочтительные в том смысле, что их применение способствует унификации и предоставляет возможность для сравнения разных типов защитных устройств и нахождения общего понимания между потребителем и изготовителем импульсных защитных устройств, применяемых в информационных системах. Тем не менее для специальных назначений могут потребоваться значения иные, чем предпочтительные значения, приведенные в таблицах.

3.3 режимы повреждения при перенапряжении (overstressed fault mode):

режим 1: Условие, при котором часть УЗИП, ограничивающая напряжение, отключилась. Функция ограничения напряжения не действует, но линия остается работоспособной;

режим 2: Условие, при котором часть УЗИП, ограничивающая напряжение, накоротко замкнута очень малым полным сопротивлением внутри УЗИП. Линия неработоспособна, однако оборудование остается защищенным коротким замыканием;

режим 3: Ситуация, при которой УЗИП подверглось разрыву внутренней цепи со стороны части УЗИП, ограничивающей напряжение. Линия неработоспособна, однако оборудование защищено разомкнутой линией.

3.4 защита (protection): Применение методов и средств для предупреждения распространения повреждающей электрической энергии сверх предусмотренных пределов.

3.5 время-токовая характеристика (current response time): Время, требующееся токоограничивающему компоненту, чтобы сработать при заданном токе и заданной температуре.

3.6 максимальное длительное рабочее напряжение Uc (maximum continuous operating voltage Uc): Максимальное напряжение (постоянного или действующего значения переменного тока), которое может длительно прикладываться к выводам УЗИП, не вызывая деградации передающих характеристик УЗИП.

3.7 максимальное напряжение отключения (maximum interrupting voltage): Максимальное напряжение (постоянного или действующего значения переменного тока), которое может длительно прикладываться к токоограничивающим элементам УЗИП, не вызывая его деградации. Данное напряжение может быть равно Uc УЗИП или иметь более высокое значение в зависимости от расположения токоограничивающих компонентов внутри УЗИП.

3.8 устройства для защиты от импульсного перенапряжения (УЗИП) [surge protective device SPD]: Устройства, которые ограничивают напряжение на определенном вводе или вводах, в ответ на импульс напряжения, превышающего заданный уровень.

Примечания

1 Устройства могут выполнять дополнительные функции, например функцию токоограничения на выводах.

2 Как правило, цепь защиты имеет не менее одного нелинейного компонента для ограничения импульсного перенапряжения.

3 УЗИП являются комплектными устройствами с выводами для присоединения проводников цепи.

3.9 ограничение напряжения (voltage limiting): Действия УЗИП, которые вызывают понижение на пряжений, превысивших заданное значение.

3.10 токоограничение (current limiting): Действия УЗИП, содержащих не менее одного нелинейного токоограничивающего компонента, которые вызывают ограничение токов, превысивших заданное значение.

3.11 невосстанавливаемое токоограничение (non-resettable current limiting): Действия УЗИП, которые ограничивают ток лишь один раз.

3.12 восстанавливаемое токоограничение (resettable current limiting): Действия УЗИП, которые ограничивают ток и могут быть восстановлены вручную после срабатывания.

3.13 самовосстанавливаемое токоограничение (self-resettinq current limiting): Действия УЗИП, которые ограничивает ток и восстанавливаются без внешнего воздействия после ликвидации токовых помех.

3.14 УЗИП ограничивающего типа (voltage clamping type SPD): УЗИП, сохраняющие высокое параллельное полное сопротивление, но постепенно снижающие его с возрастанием волны тока и напряжения, превысивших пороговый уровень УЗИП.

Примечание - Примерами компонентов, применяемых в УЗИП ограничивающего типа, являются варисторы (например, MOV) и лавинные пробиваемые диоды (ЛПД).

3.15 УЗИП коммутирующего типа (voltage switching type SPD): УЗИП, сохраняющие высокое параллельное полное сопротивление, но мгновенно или постепенно понижающие его в ответ на скачок напряжения, превысивший пороговый уровень УЗИП.

Примечание - Примерами компонентов, применяемых в УЗИП коммутирующего типа, являются воздушные разрядники, газоразрядные трубки (ГРТ) и тиристорные подавители импульсов (ТПИ).

3.16 защитный уровень напряжения Up (voltage protection level Up): Параметр, характеризующий УЗИП в части ограничения напряжения на его выводах. Данное значение больше, чем наибольшее из измеренных ограничиваемых напряжений, и определяется изготовителем.

3.17 многоступенчатое УЗИП (multi-stage SPD): УЗИП, которые имеют несколько компонентов ограничения напряжения. Данные ограничивающие компоненты могут быть электрически отделены или не отделены параллельным компонентом. Компоненты могут быть либо коммутирующего, либо ограничивающего типа.

3.18 мертвая зона (blind spot): Ситуация, в которой напряжения, превышающие максимальное длительное рабочее напряжение Uc, могут вызвать неполное срабатывание УЗИП. Неполное срабатывание УЗИП означает, что не все ступени многоступенчатых УЗИП сработали входе импульсных испытаний. Это может привести к перенапряжению компонентов УЗИП.

3.19 устойчивость к воздействию переменного тока (а.с. durability): Характеристика УЗИП, позволяющая ему проводить переменный ток заданных величины и длительности заданное число раз.

3.20 устойчивость к воздействию импульсного тока (impulse durability): Характеристика УЗИП, позволяющая ему проводить импульсный ток заданных формы волны и пикового значения заданное число раз.

3.21 время возврата в исходное состояние (current reset time): Время, требующееся устройству самоустанавливаемого токоограничения для возврата в свое нормальное состояние или состояние покоя.

3.22 номинальный ток (rated current): Максимальный ток, который устройство токоограничения УЗИП может длительно проводить без изменения полного сопротивления токоограничивающих компонентов.

Примечание - Это также касается линейных компонентов, включенных последовательно.

3.23 сопротивление изоляции (insulation resistance): Сопротивление между выводами УЗИП, к которым подается напряжение Uc.

3.24 возвратные потери (return loss): Модуль обратной величины коэффициента отражения, обычно выражают в децибелах (дБ).

Примечание - Если известны полные сопротивления, возвратные потери определяют по формуле:

20 log10 MOD [(Z, + Z2) / (Z1 - Z2)], где

Zi - характеристическое полное сопротивление передающей линии до отключения или полное сопротивление источника тока;

Z2 - полное сопротивление передающей линии после отключения или полное сопротивление нагрузки, рассматриваемое с точки зрения объединения источника питания и нагрузки [МЭК 60050 (702-07-25)] [1].

3.25 коэффициент погрешности бит (КПБ) [bit error ratio (BER)]: Отношение числа ошибок бит информации к общему числу бит информации, переданных в течение данного интервала времени.

3.26 потери при вводе (insertion loss): Потери в результате ввода УЗИП в передающую систему. Они выражаются отношением мощности, подаваемой в часть системы после УЗИП до его ввода, к мощности, подаваемой в ту же часть системы после ввода УЗИП. Это отношение обычно измеряют в децибелах.

[МЭК 60050 (726-06-07)] [2]

3.27 перекрестная наводка на передающем конце (ПНПК) [near-end crosstalk (NEXT)]: Перекрестная наводка вследствие помех, распространяемая в направлении, противоположном распространению тока. Вывод канала, на котором присутствует перекрестная наводка на передающем конце, обычно расположен рядом либо совпадает с выводом питания этого канала.

3.28 продольный баланс (аналоговых цепей речевой частоты) [longitudinal balance (analogue voice frequency circuits)]: Электрическая симметричность двух проводов, составляющих пару относительно земли.

3.29 продольный баланс (цепей передачи информации) [longitudinal balance (data transmission)]: Установление подобия полного сопротивления относительно земли (или общего типа) для двух или более проводников в сбалансированной цепи. Данный термин применяют для обозначения степени чувствительности к помехам общего типа.

3.30 продольный баланс (кабельных сетей коммуникации и управления) [longitudinal balance (communication and control cables)]: Отношение напряжения (Vs) переменного тока (действующее значение) при помехах общего типа (продольного) на землю к результирующему напряжению (Vm) переменного тока (действующее значение) испытуемого УЗИП при помехах дифференциального типа (металлического), выраженное в децибелах (дБ).

Примечание - Продольный баланс в децибелах находят по формуле:

20 log10 Vs/Vm , где Vs и Vm измеряют при одной и той же частоте.

3.31 продольный баланс (сетей телекоммуникации) [longitudinal balance (telecommunications)]: Отношение напряжения (Vs) при помехах общего типа (продольного) к результирующему напряжению (Vm) испытуемого УЗИП при помехах дифференциального типа (металлического), выраженное в децибелах (дБ).

3.32 импульс (в сетях телекоммуникации) [impulse (telecommunications)]: Временное превышение напряжения или тока или того и другого в сети телекоммуникации, вызванное влиянием постороннего источника электропитания.

Примечания

1 Типичными посторонними источниками электропитания являются грозовые разряды и силовые системы переменного/постоянного тока.

2 Связь с посторонним источником электропитания может быть одна или несколько - электрическая, магнитная, электромагнитная, кондуктивная.

4 Условия эксплуатации и испытаний

4.1 Условия эксплуатации

4.1.1 Нормальные условия эксплуатации

4.1.1.1 Атмосферное давление и высота

Атмосферное давление составляет от 80 до 106 кПа. Данные значения соответствуют высоте от 2000 м выше уровня моря и до 500 м ниже уровня моря соответственно.

4.1.1.2 Температура окружающего воздуха

Диапазоны температур:

- нормальный - от минус 5 °С до плюс 40 °С.

Примечание 1 - Данный диапазон обычно соответствует УЗИП, применяемых внутри помещений, код АВ4 согласно ГОСТ Р 50571.24;

- увеличенный - от минус 40 °С до плюс 70 °С.

Примечание 2 - Данный диапазон обычно соответствует УЗИП, применяемых снаружи помещений, в местах, не защищенных от погодных условий, класс 3К7 согласно МЭК 60721-3-3 [3];

- хранения - от минус 40 °С до плюс 70 °С.

Примечание 3 - Все значения за пределами диапазона определяет изготовитель.

4.1.1 3 Относительная влажность:

- нормальная - от 5 % до 95 %.

Примечание 1 - Данный диапазон обычно соответствует УЗИП, применяемых внутри помещений, код АВ4 согласно ГОСТ Р 50571.24;

- повышенная - от 5 % до 100 %.

Примечание 2 - Данный диапазон обычно соответствует УЗИП (например УЗИП в оболочке, защищенной от погодных условий), применяемых снаружи помещений, в местах, не защищенных от погодных условий.

4.1.2 Аномальные условия эксплуатации

Установка УЗИП в аномальных условиях эксплуатации может потребовать специальных мер, предусмотренных конструкцией согласно назначению УЗИП. Об этом следует предупредить изготовителя.

4.2 Испытательные температура и влажность

Заранее установлено, что конкретной технологией производства предусмотрена невосприимчивость УЗИП к температуре при испытании конкретной характеристики при температуре (23 ± 2) °С и относительной влажности от 45 % до 55 %. В других случаях испытания следует проводить на УЗИП, чувствительных к температуре, при предельных температурах диапазона, выбранных для предполагаемого назначения. Выбранный диапазон температур может быть сужен относительно полного диапазона согласно 4.1 в зависимости от назначения.

Для отдельных технологических исполнений УЗИП может быть заранее известно, что только одна из предельных температур из выбранного диапазона представляет собой случай наихудших условий испытания. Тогда испытание проводят только при этой предельной температуре. Данная предельная температура может быть разной в каждом случае испытаний согласно разделу 6 для одного и того же технологического исполнения УЗИП.

Для испытания, выполняемого при предельных температурах, УЗИП должны в течение достаточного времени постепенно нагреваться или охлаждаться во избежание теплового удара. Если не указано иное, это должно происходить в течение не менее 1 ч. Перед испытанием УЗИП должны выдерживаться при указанной температуре в течение достаточного времени для достижения теплового равновесия. Если не указано иное, это должно быть не менее 15 мин.

4.3 Испытание УЗИП

УЗИП согласно настоящему стандарту следует испытывать с теми же выводами и соединениями, которые используют, когда УЗИП установлены снаружи помещения. Кроме того, на выводах и соединениях УЗИП должны быть проведены измерения. Если выводы и соединения используют с основаниями или соединителями, тогда эти основания и соединители должны стать неотъемлемой частью испытания.

Международный союз электросвязи в своих рекомендациях серии K приводит требования к защитным держателям (K.65) [4] и модульным выводам (K.55) [5].

Когда испытания проводят с основанием, измерения следует проводить как можно ближе к выводам УЗИП. Осциллографы для измерений должны соответствовать МЭК 61083-1 [6].

Примечание - Настройку осциллографа см. приложение D.

УЗИП на рисунках , 1e и 1f могут иметь один общий путь тока (включая защитные компоненты или только внутренние соединения), по которому проходит суммарный импульсный ток. Изготовитель должен указать максимальное значение импульсного тока для данного токового пути. Данное значение импульсного тока может быть меньше, чем n-кратная токовая способность каждого вводного вывода, где п - число вводных выводов.

Все вводные выводы УЗИП должны быть испытаны одновременно относительно общего выводного вывода.

Вопросы числа образцов и допустимого числа отбраковок являются предметом соглашения между изготовителем и потребителем.

4.4 Допуски на форму волны

Форму волны определяют параметры A/B, где А - время фронта в миллисекундах, В - время полупериода в миллисекундах, которые должны соответствовать МЭК 60060-1 [7] (см. также ГОСТ Р 51317.4.5). В таблице 2 приведены допуски на форму волны, используемые в настоящем стандарте.

Таблица 2 - Допуски на форму волны

Параметры формы волны

Напряжение разомкнутой цепи формы волны 1,2/50 или 10/700

Ток короткого замыкания формы волны 8/20 или 5/300

Другие формы волны

Пик

±10 %

Время фронта

±30 %

±20 %

±30 %

Время полупериода

±20 %

5 Требования к УЗИП

5.1 Общие требования

Ко всем УЗИП, на которые распространяется действие настоящего стандарта, применимы следующие требования.

5.1.1 Идентификация и документация

Информация, приведенная в перечислениях a) - n), должна быть либо маркирована на корпусе УЗИП, либо указана в сопроводительной документации или на упаковке. Любые применяемые сокраще ния должны поясняться в информационном листе. Условия каждого испытания, проводимого на УЗИП со гласно разделу 6, должны быть указаны в документации:

a) наименование изготовителя или товарный знак;

b) год и дата изготовления или серийный номер;

c) номер модели;

d) условия эксплуатации;

e) максимальное длительное рабочее напряжение Uс;

f) номинальный ток;

g) уровень напряжения защиты Uр;

h) возврат в исходное состояние после импульса (по применению);

i) устойчивость к переменному току;

j) устойчивость к воздействию импульсов;

k) режимы повреждения в результате перенапряжения;

l) передающие характеристики;

m) дополнительная информация, касающаяся заменяемых компонентов и применения радиоизотопов (по применению);

n) последовательное сопротивление (по применению).

5.1.2 Маркировка

На УЗИП должна быть нанесена четкая маркировка, приведенная в перечислениях 5.1.1:

a) наименование изготовителя или товарный знак;

b) год и дата изготовления или серийный номер;

c) номер модели;

е) максимальное длительное рабочее напряжение Uc.

Материал маркировки должен быть устойчив к истиранию, а также к действию растворителей, встречающихся при нормальной эксплуатации УЗИП. Указания по специальному использованию УЗИП должны содержаться в сопроводительной документации либо должны быть нанесены на упаковочную единицу. Соответствие проверяют по 6.1.2.

5.2 Требования к электрической части

При испытании в соответствии с разделом 6 УЗИП должны отвечать следующим требованиям.

5.2.1 Требования к ограничению напряжения

Если УЗИП содержат исключительно компоненты, ограничивающие напряжение, они должны отвечать всем требованиям 5.2.1. УЗИП, содержащие как компоненты, ограничивающие напряжение, так и компоненты, ограничивающие ток, должны соответствовать всем требованиям 5.2.1, а также всем применимым требованиям 5.2.2.

УЗИП, которые между защищенными вводными выводами содержат линейный компонент, должны соответствовать применимым требованиям 5.2.2.

5.2.1.1 Максимальное длительное рабочее напряжение Uc

Изготовитель должен указать максимальное длительное рабочее напряжение для УЗИП, соответствующее их назначению, например для переменного тока (действующее значение) или постоянного тока.

Соответствие проверяют согласно 6.2.1.1.

5.2.1.2 Сопротивление изоляции

Данную характеристику указывает изготовитель. Соответствие проверяют согласно 6.2.1.2.

5.2.1.3 Ограничение импульсного напряжения

УЗИП должны ограничивать указанное импульсное напряжение при испытании в условиях, определяемых таблицей 3. Измеренное ограниченное напряжение не должно превышать заданного уровня напряжения защиты Up (см. МЭК 61180-1 [8]).

5.2.1.4 Возврат в исходное состояние после импульса

Данное требование распространяется на УЗИП только коммутирующего типа. После того, как к УЗИП была приложена волна импульса, выбранного по таблице 3, УЗИП должны его погасить или вернуться в состояние покоя. При прикладывании волны импульса к УЗИП подают напряжение по таблице 4. Если не указано иное, УЗИП должны в течение 30 с или ранее восстановить свое высокое полное сопротивление.

5.2.1.5 Устойчивость к переменному току

УЗИП, после того как были подвергнуты испытанию по 6.2.1.5 с током по таблице 5, должны соответствовать требованиям 5.2.1 и 5.2.2 по применению.

5.2.1.6 Устойчивость к воздействию импульса

УЗИП, после того как были подвергнуты испытанию по 6.2.1.6 с формой волны напряжения и тока по таблице 3, должны соответствовать требованиям 5.2.1 и 5.2.2 по применению.

5.2.1.7 Режим повреждения при перенапряжении

УЗИП не должны воспламениться, взорваться, иметь электрический пробой, а также не должны излучать токсичные газы при испытании по 6.2.1.7.

Изготовитель должен указать значение импульсного тока (с формой волны 8/20) и значение переменного тока, которые приведут к повреждению с ограничениями, указанными в 6.2.1.7.

5.2.1.8 Мертвая зона

Если изготовителем не представлено никакой информации, касающейся мертвых зон, или представленная информация требует проверки, проводят испытания многоступенчатых УЗИП по 6.2.1.8.

5.2.2 Требования к токоограничению

Если УЗИП содержат комбинацию из токоограничивающих и ограничивающих напряжение компонентов, то токоограничивающие компоненты должны соответствовать всем применимым требованиям 5.2.2. УЗИП, содержащие один линейный компонент (например, резистор или катушка индуктивности) между вводными выводами, должны отвечать требованиям 5.2.2.1, 5.2.2.2, 5.2.2.7 и 5.2.2.8.

5.2.2.1 Номинальный ток

Изготовитель должен указать номинальный ток. Для проверки значения номинального тока УЗИП испытывают согласно 6.2.2.1. Проведение данного испытания не должно вызвать изменение рабочих характеристик токоограничивающего компонента УЗИП.

5.2.2.2 Последовательное сопротивление

Изготовитель должен указать значение с допуском последовательного сопротивления. Для проверки указанного значения последовательного сопротивления УЗИП испытывают по 6.2.2.2.

5.2.2.3 Время-токовая характеристика срабатывания

При испытании согласно 6.2.2.3 токоограничивающие компоненты должны сработать при значении или ниже значения времени срабатывания, указанного изготовителем. Предпочтительные значения испытательного тока приведены в таблице 6. См. рекомендацию МСЭ К.30 [9].

5.2.2.4 Время возврата в исходное состояние

УЗИП, содержащие один или несколько самовосстанавливаемых токоограничивающих компонентов, испытывают согласно 6.2.2.4. Время возврата в исходное состояние должно составлять не менее 120 с, если не указано иное.

Это требование не распространяется на УЗИП, содержащие токоограничивающие компоненты, взводимые вручную.

5.2.2.5 Максимальное напряжение отключения

Данное требование распространяется только на УЗИП, содержащие самовосстанавливаемые или восстанавливаемые вручную токоограничивающие компоненты. Изготовитель УЗИП должен указать максимальное напряжение отключения токоограничивающих компонентов. Подтверждение данного значения производится при проведении испытания в соответствии с 6.2.2.5. После испытания не должно быть деградации рабочих характеристик токоограничивающих компонентов.

5.2.2.6 Испытание в рабочем режиме

Данное требование распространяется только на УЗИП, содержащие самовосстанавливаемые или восстанавливаемые вручную токоограничивающие компоненты. УЗИП подвергают воздействию повторяемого максимального напряжения отключения. Подаваемый ток должен быть достаточным для срабатывания токоограничивающих компонентов, его выбирают по таблице 7. После испытаний токоограничивающие компоненты должны соответствовать требованиям 5.2.2.3 и 5.2.2.4

5.2.2.7 Устойчивость к воздействию переменного тока

УЗИП подвергают воздействию повторяемого тока заданного значения. В таблице 8 приведены предпочтительные значения переменного тока. После воздействия этих токов токоограничивающие компоненты УЗИП должны отвечать требованиям 5.2.2.1 - 5.2.2.3.

5.2.2.8 Устойчивость к воздействию импульсов тока

УЗИП подвергают воздействию заданного числа импульсов заданного значения пикового тока. В таблице 9 приведены их предпочтительные значения. После воздействия этих импульсов в соответствии с 6.2.2.8 токоограничивающие компоненты УЗИП должны отвечать требованиям 5.2.2.1 - 5.2.2.3.

5.2.3 Требования к передаче информации

УЗИП в дополнение к соответствию требованиям 5.2.1 и 5.2.2 могут отвечать специфическим требованиям 5.2.3 согласно типу коммуникации и сигнала (например, голосовой, информационный и видео). В таблице 1 приведено руководство по выбору испытаний по применяемому типу передачи информации.

5.2.3.1 Емкость

Изготовитель должен указать значение емкости между указанными выводами. Соответствие прове ряют испытанием по 6.2.3.1.

5.2.3.2 Потери при вводе

УЗИП испытывают в соответствии с 6.2.3.2, чтобы определить, действительно ли при вводе УЗИП в испытательную систему происходит понижение напряжения между генерирующим и измерительным оборудованием.

5.2.3.3 Возвратные потери

УЗИП испытывают в соответствии с 6.2.3.3, что позволяет определить величину сигнала, отраженного в источник сигнала в заданном диапазоне частот при вводе УЗИП в передающую линию.

5.2.3.4 Продольный баланс

УЗИП испытывают в соответствии с 6.2.3.4. Данным испытанием определяют минимальный допустимый продольный баланс УЗИП, применяемых в сбалансированных цепях. Продольный баланс измеряют в интересуемом диапазоне частот.

5.2.3.5 Коэффициент погрешности передачи данных (бит) (КПБ)

УЗИП испытывают в соответствии с 6.2.3.5. Данным испытанием определяют, действительно ли при введении импульсного защитного устройства возникают погрешности передачи данных в цифровой передающей системе.

5.2.3.6 Перекрестная наводка на передающем конце (ПНПК)

УЗИП испытывают в соответствии с 6.2.3.6. Данным испытанием определяют величину сигнала, который передается из одной цепи в другую в результате ввода УЗИП.

5.3 Требования к механической части

5.3.1 Выводы и соединения

a) Крепление выводов и соединений к УЗИП выполняют так, чтобы они не ослаблялись при затягивании или отпускании зажимных винтов и блокировочных гаек. Для отпускания зажимных винтов и блокировочных гаек должен требоваться инструмент.

b) Винты, токоведущие части и соединения

1) Соединения, электрические и механические, должны выдерживать механические нагрузки, случающиеся при нормальной эксплуатации, а также механические нагрузки, возникающие под действием высоких импульсных токов.

Винты, применяемые при монтаже УЗИП, не должны быть самонарезающего типа.

Соответствие проверяют осмотром и испытанием согласно 6.3.1.2.

2) Электрические соединения должны быть выполнены так, чтобы контактное давление не передавалось через изолирующий материал, кроме керамики, чистой слюды или другого материала с не менее пригодными характеристиками, если металлические части в силу недостаточной гибкости не в состоянии компенсировать возможную усадку либо текучесть изоляционного материала.

Соответствие проверяют осмотром.

Пригодность материала оценивают по стабильности размеров.

3) Токоведущие части и соединения, включая части, предназначенные для заземления проводников, при их наличии, должны быть из:

- меди;

- сплава, содержащего не менее 58 % меди для частей, изготовленных холодным способом;

- сплава, содержащего не менее 50 % меди для частей, изготовленных не холодным способом, или другого металла или металла с соответствующим покрытием, не менее устойчивого к коррозии, чем медь, и с не худшими механическими свойствами.

Требования к механическим соединениям для специальных выводов изложены в ГОСТ Р 51992.1.

с) Безрезьбовые выводы для внешних проводников

1) Выводы должны иметь такую конструкцию, чтобы:

- каждый проводник зажимался отдельно, и проводники можно было присоединять или отсоединять либо все вместе одновременно, либо по отдельности;

- существовала возможность надежного крепления любого числа проводников вплоть до предусмотренного максимального числа.

2) Выводы должны иметь такую конструкцию, чтобы зажимать проводники, не повреждая их.

Соответствие проверяют осмотром.

d) Соединения с проколом изоляции для внешних проводников

1) Соединения с проколом изоляции должны обеспечивать надежное механическое соединение.

Соответствие проверяют осмотром и испытанием по 6.3.1.4.

2) Винты для создания контактного давления не должны служить для крепления других элементов, хотя они могут применяться для крепления на месте самого УЗИП для предупреждения его вращения.

Соответствие проверяют осмотром.

3) Винты не должны быть выполнены из мягкого или ломкого металла.

Соответствие проверяют осмотром.

e) Коррозиестойкие металлы

Зажимы (кроме винтов), стопорные гайки, зажимные скобы, упорные шайбы, провода и аналогичные элементы должны быть выполнены из металла, устойчивого к коррозии (см. ГОСТ Р 51686.1).

5.3.2 Механическая прочность (при монтаже)

УЗИП должны снабжаться соответствующими средствами для монтажа, гарантирующими их механическую надежность.

5.3.3 Защита от попадания твердых частиц и проникновения воды

Конструкция УЗИП должна обеспечивать их удовлетворительную работу в условиях эксплуатации, указанных в 4.1.

УЗИП, установленные вне помещения, должны быть защищены от влияния погодных условий экраном из стекла, стеклокерамики или другого подходящего материала, предохраняющим их от УФ-излучений, коррозии, эрозии и трекинга.

Они должны располагать достаточными расстояниями утечки между двумя частями разных потенциалов. В некоторых странах применяют национальные нормы.

5.3.4 Защита от прямого прикосновения

Защиту от прямого прикосновения (недоступность частей, находящихся под напряжением) должна выполнять конструкция УЗИП, так чтобы части, находящиеся под напряжением, были недоступны для прикосновения к ним, когда УЗИП установлены для предназначенной эксплуатации. Данное требование действительно для доступных УЗИП, в которых Uc составляет свыше 50 В (действующее значение) переменного тока или 71 В постоянного тока.

Конструкцией УЗИП, за исключением классифицируемых как недоступные, должно быть предусмотрено, чтобы когда УЗИП подсоединено и установлено как при нормальной эксплуатации, его части, находящиеся под напряжением, были недоступны для прикосновения к ним, даже после снятия частей, которые могут сниматься без помощи инструмента (проверочное испытание с помощью изолированного инструмента по 6.3.4).

Соединение между выводами заземления и всеми доступными частями, подсоединенными к ним, должно иметь низкое сопротивление (см. ГОСТ 14254).

В некоторых странах применяют национальные нормы.

5.3.5 Огнестойкость

Изолирующие части корпуса должны быть невоспламеняющимися или самозатухающими.

В некоторых странах применяют национальные нормы.

5.4 Требования к условиям окружающей среды

УЗИП, предназначенные для применения только в неконтролируемых условиях окружающей среды, согласно 4.1 должны отвечать нижеприведенным требованиям к окружающей среде, согласованным между изготовителем и потребителем.

5.4.1 Стойкость к повышенным температуре и влажности

УЗИП подвергают воздействию температуры 80 °С и относительной влажности 90 %. Длительность воздействия выбирают по таблице 15. Данное испытание проводят только для УЗИП, предназначенных для эксплуатации в неконтролируемых условиях окружающей среды, его проводят в соответствии с 6.4.1. После воздействия компоненты УЗИП, ограничивающие напряжение, должны соответствовать требованиям 5.2.1.2 и 5.2.1.3. Если испытуемые УЗИП содержат токоограничивающие компоненты, то они должны соответствовать требованиям 5.2.2.2 и 5.2.2.3.

Если представленные изготовителем серии УЗИП отличаются значением Uc и при идентичных частях имеют меняемые параметры напряжений компонентов ограничения напряжения и тока для калибровки специфичного значения Uc, в таком случае испытанию подлежат только УЗИП с наибольшим уровнем напряжения защиты.

5.4.2 Циклическое изменение окружающей среды с импульсными перенапряжениями

УЗИП подвергают циклическому изменению температур при повышенной влажности с одновременной подачей импульсных токов. Тип циклического изменения температур выбирают по таблице 16.

Во время и после циклического изменения окружающей среды компоненты УЗИП, ограничивающие напряжение, должны соответствовать требованиям 5.2.1.2 и 5.2.1.3. Если испытуемые УЗИП содержат токоограничивающие компоненты, тогда они должны соответствовать требованиям 5.2.2.2 и 5.2.2.3.

Данное испытание проводят только для УЗИП, предназначенных для эксплуатации в неконтролируемых условиях окружающей среды, и их следует проводить в соответствии с 6.4.2.

Если представленные изготовителем серии УЗИП отличаются значением Uc и при идентичных частях имеют меняемые параметры напряжений компонентов ограничения напряжения и тока для калибровки специфичного значения Uc, в таком случае испытанию подлежат только УЗИП с наибольшим уровнем напряжения защиты.

5.4.3 Циклическое изменение окружающей среды с воздействием переменного тока

УЗИП подвергают циклическому изменению температур при повышенной влажности с одновременной подачей переменных токов.

Значения этих токов и их длительность выбирают по таблице 5.

Тип циклического изменения температур выбирают по таблице 16.

Во время и после циклического изменения окружающей среды УЗИП должны соответствовать требованиям 5.2.1.2 и 5.2.1.3.

Данное испытание проводят только для УЗИП, предназначенных для эксплуатации в неконтролируемых условиях окружающей среды, и их следует проводить в соответствии с 6.4.3.

Если представленные изготовителем серии УЗИП отличаются значением Uc и при идентичных частях имеют меняемые параметры напряжений компонентов ограничения напряжения и тока для калибровки специфичного значения Uc, в таком случае испытанию подлежат только УЗИП с наибольшим уровнем напря жения защиты.

6 Типовые испытания

6.1 Общие испытания

6.1.1 Идентификация и документация

При осмотре идентификация и документация должны отвечать требованиям 5.1.1.

6.1.2 Маркировка

Проверку маркировки выполняют при осмотре. Проверке на устойчивость подвергают все типы маркировки, кроме нанесенной штампованием или гравированием.

Испытание проводят натиранием маркировки вручную в течение 15 с кусочком ваты, смоченной водой, и еще в течение 15 с кусочком хлопковой ткани, смоченной гексановым растворителем с содержанием ароматических веществ не более 0,1 % от объема, каурибутаноловым числом 29, начальной точкой кипения около 65 °С и удельным весом 0,68 г/дм3. После этого испытания маркировка должна быть ясно различимой.

6.2 Электрические испытания

6.2.1 Испытание ограничения напряжения

6.2.1.1 Максимальное длительное рабочее напряжение Uc

Uc проверяют в ходе испытания сопротивления изоляции по 6.2.1.2.

6.2.1.2 Сопротивление изоляции

Сопротивление изоляции измеряют в обеих полярностях на паре выводов одновременно. Испытательное напряжение должно быть равно Uc. Измеряют ток, пропускаемый между испытательными выводами. Сопротивление изоляции равно испытательному напряжению, деленному на измеренный ток, и должно быть равно или выше значения, указанного изготовителем.

6.2.1.3 Ограничение импульсного напряжения

УЗИП испытывают одним импульсом, выбранным из категории С по таблице 3 и приложенным к соответствующим выводам. Уровень тока выбирают, исходя из энергетической способности УЗИП, установленной при испытании на устойчивость к воздействию импульсов (см. 6.2.1.6). Оба испытания на ограничение импульсного напряжения и на устойчивость к воздействию импульсов выполняют с одним и тем же им пульсом. В таблице 3 приведены минимальные требуемые значения, другие параметры импульсного тока можно найти в других стандартах (например рекомендациях МСЭ).

Может потребоваться проведение дополнительных испытаний с применением форм волны, выбранных из категорий А1, В, С и D, а также взятых из документации по УЗИП. Однако такие испытания не являются обязательными и могут быть использованы для конкретного назначения УЗИП. Уровень тока выбирают, исходя из энергетической способности УЗИП, указанной изготовителем.

Если не установлено иное, в каждом испытании подают пять отрицательных и пять положительных импульсов. Напряжение холостого хода генератора и ток короткого замыкания выбирают по таблице 3.

Таблица 3 - Формы волны напряжения и тока при ограничении импульсного напряжения

Категория

Тип испытания

Напряжение холостого хода1)

Ток короткого замыкания

Минимальное число импульсов

Испытуемые выводы

А1

Очень низкая скорость возрастания

³1 кВ
Скорость возрастания
от 0,1 кВ/мкс
до 100 кВ/с

10 А
от 0,1 до 2 А/мкс
длительность
³1000 мкс

Не подаются

Х1 - С

Х2 - С

Х1 - Х22)

А2

Переменный ток

Выбрать испытание по таблице 5

Один цикл

В1

Низкая скорость возрастания

1 кВ
10/1000

100 А
10/1000

300

В2

от 1 до 4 кВ
 10/700

от 25 до 100 А
5/300

В3

³1 кВ
100 В/мкс

от 10 до 100 А
10/1000

С1

Высокая скорость возрастания

от 0,5 до < 2,0 кВ
1,2/50

от 0,25 до < 1 кА
8/20

300

С2

от 2 до 10 кВ
1,2/50

от 1 до 5 кА
8/20

10

С3

³1 кВ
1 кВ/мкс

от 10 до 100 А
10/1000

300

D1

Высоковольтный

³1кВ

от 0,5 до 2,5 кА
10/350

2

D2

³1 кВ

от 0,6 до 2,0 кА
10/250

5

1) Можно использовать напряжение, отличное от 1 кВ. Однако оно должно быть достаточным для срабатывания испытуемого УЗИП.

2) Выводы Х1 - Х2 испытывают только при необходимости.

Примечания

1 При проверке Up форма волны по категории С является обязательной, по категориям А, В и D - необязательны. Если не установлено иное, прикладывают 5 положительных и 5 отрицательных импульсов.

2 Для восстановления импульса выбирают испытание из категорий В, С и D. Если не установлено иное, прикладывают 3 положительных и 3 отрицательных импульса.

3 Для измерения устойчивости к воздействию импульсов форма волны импульса по категории С является обязательной, по категориям А1, В и D - необязательны.

4 Значения, приведенные в таблице, являются минимальными, возможно применение других параметров импульсного тока, которые приведены в других стандартах.

Ограничение напряжения измеряют для каждого импульса без нагрузки. Максимальное измеренное напряжение на соответствующих выводах не должно превышать указанного уровня напряжения защиты Up. Между импульсами должен быть достаточный интервал времени, чтобы не допустить накопления теплоты. Очевидно, что разные УЗИП имеют разные тепловые характеристики, поэтому интервалы времени между импульсами будут разные.

Сведения об уставках самописцев для записи импульсов приведены в приложении D.

Если необходимо, импульс может быть подан на выводы Х1 - Х2 УЗИП, показанных на рисунках и .

При испытаниях УЗИП, показанных на рисунках и , каждая пара выводов может быть испытана одновременно и при одной и той же полярности или порознь.

При испытаниях УЗИП, имеющих общий шунтированный элемент (см. 4.3), измеряют напряжение на вводных выводах, к которым не прикладывают импульс, оно не должно быть свыше Up.

В случае одновременного импульса во всех защищаемых проводниках, в многовыводных УЗИП может использоваться общий защитный элемент для возврата на землю общего импульсного тока. Два примера приведены на рисунке 16.

Все защищаемые линии должны иметь импульсный ток, равный общему импульсному току, деленному на число линий, подаваемый одновременно для проверки способности общего защитного элемента. После этого испытания не должно произойти деградации УЗИП. В ходе данного испытания также проверяют устойчивость к токам внутренних соединений УЗИП.

Распределительная линия (цепь связи), представленная на рисунке 4, должна отвечать следующим условиям:

- цепь связи не должна влиять на испытательный импульс. Все параметры формы волны импульса согласно 4.4 применимы к выходным выводам цепи связи;

- время фронта и длительность импульса должны проверяться на выходных выводах цепи связи для импульсных напряжений (разомкнутая цепь) и импульсных токов (короткое замыкание);

- форму волны импульса тока короткого замыкания можно измерять с помощью кольцевого трансформатора тока или нагрузочного сопротивления;

- в цепях связи предпочтительно использовать сопротивления;

- часть тока в каждом проводнике распределительной линии испытывать отдельно, в то время как остальные проводники перед присоединением к соответствующему испытательному образцу замыкать накоротко. Данное испытание не означает, что все части тока равны, когда УЗИП включено в цепь;

- в ходе одновременного испытания выяснять, что общий защитный элемент был подвергнут полному импульсному току без повреждения защитных компонентов.

6.2.1.4 Восстановление импульса

УЗИП присоединяют, как показано на рисунке 2. Источник напряжения и тока может быть выбран по таблице 4, но не исключительно. Такие силовые источники обычно рассчитаны на системные параметры. Для специального назначения установку импульса выполняют с источником напряжения и тока, предназначенным для конкретного применения.

Формы волны импульсного напряжения и тока выбирают по таблице 3 в категориях В, С и D. Пиковое напряжение холостого хода должно быть достаточно высоким, чтобы гарантировать срабатывание компонентов, ограничивающих напряжение. Полярность импульсного напряжения должна быть одинаковой с полярностью источника напряжения. Время восстановления определяют как интервал времени между по дачей импульса до возврата УЗИП в состояние высокого внутреннего сопротивления.

Подают три импульса с интервалом не более чем 1 мин, время восстановления измеряют для каждого импульса. Испытание повторяют в противоположной полярности.

Таблица 4 - Напряжения и токи источника для испытания на восстановление импульса

Напряжение холостого хода источника2), В

Ток короткого замыкания источника, мА

12

500

24

48

260

97

80

135

2001)

1) УЗИП может быть подсоединено параллельно последовательной комбинацией резистора на 135 - 150 Ом и конденсатора на 0,08 - 0,1 мкФ.

2) Допуск (включая интервал подачи импульсов) +10 %.

6.2.1.5 Устойчивость к воздействию переменного тока для функции ограничения напряжения

УЗИП присоединяют, как показано на рисунке 3. Переменный ток короткого замыкания выбирают по таблице 5. Применяют токи для подачи заданного числа импульсов и время между подачами импульсов, достаточное для того, чтобы не допустить накопления теплоты в испытуемом устройстве. Напряжение холостого хода должно быть достаточной величины, чтобы вызвать полное срабатывание УЗИП. До испытания и после завершения подачи переменного тока УЗИП должно соответствовать требованиям 5.2.1.2, 5.2.1.3, 5.2.1.4 (если применимо) и 5.2.2.2.

Токи, выбранные по таблице 5, подают к соответствующим выводам.

Таблица 5 - Предпочтительные значения токов для испытания устойчивости УЗИП к воздействию переменного тока

Токи короткого замыкания частотой от 48 до 62 Гц на каждый испытуемый вывод1) (действующий), А

Длительность, с

Число подач тока2)

Испытуемые выводы

0,10

1

5

Х1 - С

Х2 - С

Х1 - Х23)

0,25

1

5

0,50

1

5

0,50

30

1

1,00

1

5

1,00

1

60

2,00

1

5

2,50

1

5

5,00

1

5

10,00

1

5

20,00

1

5

1) Значения, приведенные в данной таблице, являются минимальными.

2) В других стандартах можно найти другое число подач тока.

3) Выводы Х1 - Х2 испытывают только при необходимости.

При необходимости токи подают на выводы Х1 -Х2 УЗИП, показанных на рисунках и .

При испытании на УЗИП по рисункам и каждая пара выводов (Х1 - С и Х2 - С) может быть испытана отдельно.

Испытания УЗИП с общим шунтированным элементом проводят по 4.3. При этом на многовыводных УЗИП с общим выводным выводом, испытание каждого вводного вывода выполняют отдельно.

6.2.1.6 Устойчивость к воздействию импульса для функции ограничения напряжения

УЗИП испытывают импульсом, выбранным из категории С по таблице 3, подаваемым к соответствующим выводам, выбранным по таблице 3. Такой же импульс применяют для испытания напряжением ограничения импульса согласно 6.2.1.3. Можно провести дополнительные испытания с другими импульсами, выбранными из категорий А1, В, С и D по таблице 3, а также с импульсами, указанными в документации на УЗИП. Однако такие испытания являются необязательными и проводятся только для определенных назначений УЗИП.

УЗИП присоединяют, как показано на рисунке 4. Импульсный ток берут согласно минимальному числу подач тока, указанному в таблице 3, с интервалами времени между подачами, достаточными, чтобы избежать накопления теплоты в испытуемом устройстве. Половину числа испытаний проводят в одной полярности, другую - в противоположной. Вместо этого допустимо половину образцов испытывать в одной полярности, а другую половину - в противоположной. До испытания и после завершения подач тока УЗИП должны соответствовать требованиям 5.2.1.2, 5.2.1.3 (по одному импульсу в каждой полярности), 5.2.1.4 (по применению) и 5.2.2.2 (по применению).

По требованию импульс прикладывают к выводам Х1 - Х2 УЗИП, показанных на рисунках и .

Каждую пару выводов (Х1 - С и Х2 - С) УЗИП, показанных на рисунках и , можно испытывать отдельно.

Сведения об УЗИП, имеющих общий путь тока, приведены в 4.3.

6.2.1.7 Режим повреждения при перенапряжении

УЗИП подвергают перенапряжению импульсным и переменным токами. Для УЗИП, показанных на рисунках , и 1f, каждую пару выводов можно испытывать отдельно. Для УЗИП по 1f выбирают два вывода в качестве характерного образца. Остальные УЗИП подвергают испытанию импульсным и переменным токами.

Затем проводят испытания на проверку сопротивления изоляции, ограничения напряжения и последовательного сопротивления (по применению) для определения приемлемого режима повреждения УЗИП от перенапряжения, как указано в 3.3. После срабатывания УЗИП от перенапряжения, его состояние не должно вызывать возгорания, взрыва, электрического удара и выброса токсичных газов.

Импульсное перенапряжение

УЗИП присоединяют, как показано на рисунке 4. Импульсный ток in, указанный изготовителем, с формой волны 8/20 подают к УЗИП в порядке возрастания в следующей последовательности:

Itest = in (1 + 0,5 N).

Испытательный цикл начинают c N = 0 (Itest = in). Для каждого последующего испытания N увеличивают на 1. Цикл ограничивают N = 6. Если после этого УЗИП не достигло режима перенапряжения, его подвергают испытанию на перенапряжение переменным током.

Перенапряжение переменным током

УЗИП присоединяют, как показано на рисунке 3. Испытание на перенапряжение переменным током определяет изготовитель. Ток подают в течение 15 мин. Величина напряжения холостого хода с частотой тока 50 Гц или 60 Гц должна быть достаточной, чтобы вызвать полное срабатывание УЗИП. По завершению испытания монтажная опорная поверхность должна быть готова к установке следующего УЗИП.

6.2.1.8 Испытание мертвой точки

Для определения мертвых точек в многоступенчатом УЗИП на новом образце проводят следующие испытания:

a) Выбирают форму волны импульса, чтобы определить Up. Во время подачи импульса осциллографом измеряют напряжение ограничения импульса и форму волны напряжение/время;

b) Снижают напряжение холостого хода до 10 % значения напряжения по перечислению а) и подают к УЗИП один положительный импульс, измеряя осциллографом ограниченное напряжение. Форма волны ограниченного напряжения должна отличаться от полученной в перечислении а). Если это не так, выбирают более низкое напряжение холостого хода. Тем не менее это напряжение должно быть выше Uс;

c) Подают положительные импульсы напряжения, значения которых должны составлять 20 %, 30 %, 45 %, 60 %, 75 % и 90 % значения перечисления а), продолжая измерять форму волны ограничиваемого напряжения;

d) При значении напряжения холостого хода, когда форма волны вернется к указанной в перечисле нии а), испытание прекращают;

e) Снижают напряжение холостого хода на 5 % и возобновляют испытание. Продолжают постепенно по 5 % снижать напряжение холостого хода до тех пор, пока форма волны не достигнет полученной в перечислении b);

f) На этом значении напряжение холостого хода подают два импульса положительной полярности и два отрицательной.

После проведения испытания от перечисления а) до перечисления f) УЗИП должно соответствовать требованиям 5.2.1.2.

6.2.2 Испытания на ограничение тока

6.2.2.1 Номинальный ток

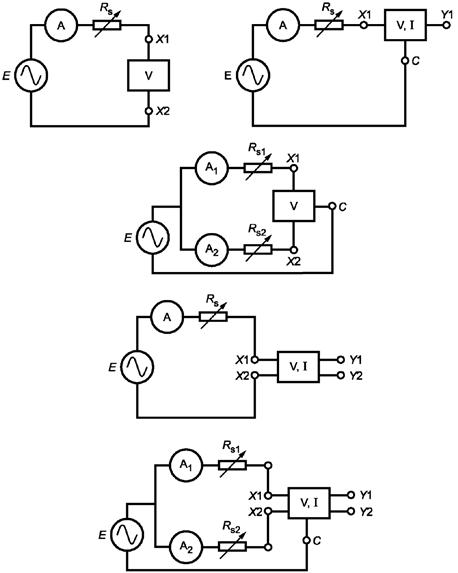
УЗИП присоединяют, как показано на рисунке 5. Источник испытательного напряжения должен подавать номинальный постоянный ток или переменный ток частотой 50 или 60 Гц.

Во время испытания с номинальным током функция токоограничения, если имеется, не должна действовать. Для каждой конфигурации УЗИП испытательный ток подают при регулирующих сопротивлениях Rs или Rs1 и Rs2. Испытуемая функция токоограничения должна проводить номинальный ток в течение не менее 1 ч. Во время испытания части, доступные для прикосновения, не должны достигать чрезмерного нагрева [см. ГОСТ Р МЭК 60950 (пункт 4.5.1)].

6.2.2.2 Последовательное сопротивление

УЗИП присоединяют, как показано на рисунке 5. Испытательное напряжение источника должно быть меньше максимального напряжения отключения, указанного изготовителем. Ток должен быть постоянным, или переменным частотой 50 или 60 Гц.

Испытательный ток делают равным номинальному току посредством регулирующих сопротивлений Rs или Rs1 и Rs2. Сопротивление определяют по формуле (e - IRs)/I, где e - напряжение источника; I - номинальный ток, измеренный по схеме испытательной цепи на рисунке 5.

6.2.2.3 Время срабатывания относительно тока

УЗИП присоединяют, как показано на рисунке 5. Испытательное напряжение источника должно быть меньше максимального напряжения отключения, указанного изготовителем. Ток должен быть постоянным, или переменным частотой 50 или 60 Гц. Выбор делают в соответствии с предполагаемым назначением.

Устройства испытывают при соответствующих температурах согласно 4.2. Чтобы устройства охладились до испытательной температуры, до следующего испытания должно пройти достаточно времени. Что бы не ждать охлаждения, для испытаний можно использовать каждый раз новое устройство. Сопротивления Rs или Rs1 и Rs2 должны быть отрегулированы для получения ожидаемых испытательных токов по таблице 6. Время срабатывания токоограничивающего устройства на каждом испытательном токе записывают. Время срабатывания - это время от момента подачи питания до момента, когда ток понизится до 10 % номинального тока. Если ожидаемый испытательный ток превышает максимальную токовую способность токоограничивающих компонентов, тогда наибольший испытательный ток будет максимальной способностью токоограничивающих компонентов.

Таблица 6 - Испытательные токи для времени срабатывания

Испытательные токи, А

1,5 In

2,1 In

2,75 In

4,0 In

10,0 In

6.2.2.4 Время возврата в исходное состояние

УЗИП присоединяют, как показано на рисунке 5. Испытательное напряжение источника должно быть меньше максимального напряжения отключения, указанного изготовителем. Ток должен быть постоянным, или переменным частотой 50 или 60 Гц.

Для каждой конфигурации УЗИП начальный ток нагрузки должен быть номинальным током, полученным с помощью регулируемых сопротивлений Rs или Rs1 и Rs2. УЗИП должно стабилизироваться при номинальном токе. После достижения стабилизации сопротивления Rs или Rs1 и Rs2 снижают до значений, при которых ток нагрузки возрастает до уровня, вызывающего срабатывание токоограничивающего устройства УЗИП. Это условие поддерживается в течение 15 мин после того, как ток снизится ниже 10 % номинального тока.

Затем сопротивления Rs или Rs1 и Rs2 повышают до их начальных значений. Время, которое потребуется, чтобы ток нагрузки вернулся к значению не менее 90 % номинального тока, записывают, оно должно быть не менее 120 с. В зависимости от назначения испытание проводят при токах, более низких, чем номинальный ток, например, для самовосстанавливаемых токоограничивающих устройств. Источник тока для восстанавливаемых токоограничивающих компонентов должен отключаться не менее чем на 120 с. Затем восстанавливаемое токоограничивающее устройство должно пропускать номинальный ток в течение 5 мин, чтобы функция вернулась в свое начальное состояние.

6.2.2.5 Максимальное напряжение отключения

УЗИП присоединяют, как показано на рисунке 5. Испытательное напряжение источника должно соответствовать максимальному напряжению отключения, указанному изготовителем. Ток должен быть постоянным, или переменным частотой 50 или 60 Гц. Сопротивления Rs или Rs1 и Rs2 должны быть отрегулированы до значения, которое вызовет срабатывание токоограничивающего компонента УЗИП. Данное условие должно сохраняться в течение 1 ч. Спустя 1 ч токоограничивающая функция УЗИП должна отвечать требованиям 5.2.2.2 - 5.2.2.4.

6.2.2.6 Испытание в рабочем режиме

УЗИП присоединяют, как показано на рисунке 5. Испытательное напряжение источника должно соответствовать максимальному напряжению отключения, указанному изготовителем. Ток должен быть постоянным, или переменным частотой 50 или 60 Гц.

Для каждой конфигурации УЗИП ток нагрузки должен регулироваться посредством сопротивлений Rs или Rs1 и Rs2 до значения, выбранного по таблице 7, при этом УЗИП временно заменен проводником, замкнутым накоротко. Выбранное значение должно быть достаточным, чтобы вызвать срабатывание токоограничивающего устройства УЗИП. После введения в цепь УЗИП подают испытательный ток до тех пор, пока он не снизится ниже 10 % номинального тока.

После каждого срабатывания УЗИП убирают питание на 2 мин, пока функция токоограничения не придет в свое начальное состояние. Этот цикл подачи испытательного тока с последующим обесточиванием повторяют число раз, указанное в таблице 7.

После финального цикла УЗИП должно отвечать требованиям 5.2.2.2 - 5.2.2.4.

Таблица 7 - Предпочтительные значения тока для испытаний в рабочем режиме

Ток (действующий, переменный или постоянный), А

Число подач тока

0,5

60

1,0

10

3,0

5

5,0

10,0

3

6.2.2.7 Устойчивость к воздействию переменного тока для функции токоограничения

УЗИП присоединяют, как показано на рисунке 6. Переменные токи короткого замыкания выбирают по таблице 8. Делают указанное число подач тока с интервалами между подачами, достаточными, чтобы не допустить накопления теплоты в испытуемом устройстве. Пиковое значение напряжения источника переменного тока не должно превышать максимального напряжения отключения, указанного изготовителем. До испытания и по завершению подач тока УЗИП должно отвечать требованиям 5.2.2.1 - 5.2.2.3.

Ток подают к соответствующим выводам, выбранным по таблице 8.

Таблица 8 - Предпочтительные значения испытательных переменных токов

Токи короткого замыкания частотой 48 Гц - 62 Гц на каждый испытуемый вывод (действующий), А

Длительность, с

Число подач тока

Испытуемые выводы

0,25

1

5

Х1 - С

Х2 - С

Х1 - Х2

0,50

1

5

0,50

30

1

1,00

1

5

1,00

1

60

2,00

1

5

2,50

1

5

5,00

1

5

Токи могут прикладываться к выводам Х1 -Х2, если это требуется для трех- и пятивыводных УЗИП. При испытаниях трех- и пятивыводных УЗИП каждую пару выводов (Х1 - С и Х2 - С) на незащищенной стороне можно испытывать одновременно в одной и той же полярности или раздельно.

6.2.2.8 Устойчивость к воздействию импульсов для токоограничивающей функции

УЗИП присоединяют, как показано на рисунке 7. Импульсные напряжения и токи выбирают по таблице 9. Делают указанное число подач импульсных токов с интервалами между подачами, достаточными, чтобы не допустить накопления теплоты в испытуемом устройстве. Половину подач импульсов проводят в одной полярности, другую - в противоположной. Вместо этого допустимо половину образцов испытывать подачей импульсов в одной полярности, а другую - в противоположной. До испытания и после завершения подач тока УЗИП должны соответствовать требованиям 5.2.2.1 - 5.2.2.3.

Импульсный ток выбирают по таблице 9 и прикладывают к соответствующим выводам. Импульсные токи могут прикладываться к выводам Х1 -Х2, если это требуется для трех- и пятивыводных УЗИП. При испытаниях трех- и пятивыводных УЗИП каждую пару выводов (Х1 - С и Х2 - С) на незащищенной стороне можно испытывать одновременно в одной и той же полярности или раздельно.

Для слаботочных плавких предохранителей при испытании может потребоваться снижение уровня I2t до предела параметров УЗИП.

Конструкцией электронных ограничителей тока может быть предусмотрено срабатывание при минимальном защитном полном сопротивлении или напряжении нагрузки (например, газоразрядные лампы в дуговом режиме). Для этого при необходимости в испытательную цепь могут быть внесены дополнения.

Таблица 9 - Предпочтительные значения импульсного тока

Напряжение холостого хода

Токи короткого замыкания

Число подач тока

Испытуемые выводы

1 кВ

100 А, 10/1000

30

Х1 - С

Х2 - С

Х1 - Х2

1,5 кВ, 10/700

37,5 А, 5/300

10

Максимальное напряжение отключения

25 А, 10/1000

30

Максимальное напряжение отключения

Рекомендация К17 МСЭ, рисунок 1/К17

10

4 кВ, 1,2/50

2 кА, 8/20

6.2.3 Испытания передачи информации

6.2.3.1 Емкость

Емкость УЗИП измеряют на указанных выводах на частоте генератора сигналов 1 МГц и при напряжении 1 В (действующее). Измерения производят на одной паре выводов одновременно. Все остальные выводы, не задействованные в измерениях, соединяют вместе и заземляют на генератор. Смещение постоянного тока не используют. Необходимо отметить, что емкость некоторых УЗИП зависит от смещающего напряжения. В некоторых назначениях смещающее напряжение может возникнуть только в одной линии пары коммуникаций и выразиться в значительном емкостном дисбалансе.

6.2.3.2 Потери при вводе

Потери при вводе в децибелах измеряют с проводами максимальной длиной 1 м и соответствующим характеристическим полным сопротивлением. Измерение выполняют в цепи по рисунку 8, в которой УЗИП заменено замкнутой накоротко перемычкой. Затем УЗИП вводят в цепь и производят измерение в децибелах. Потерями при вводе является вектор дифференциала двух измерений. В таблице 10 приведены характеристические полные сопротивления, диапазоны частот и типы кабелей. Рекомендуемый испытательный уровень - 10 дБм.

Измеренные потери совокупности симметрирующих трансформаторов и испытательных проводов по рисунку 8 не должны превышать 3 дБ в диапазоне передающих частот. Потери при вводе измеряют и записывают в диапазоне передающих частот, рекомендуемых для применения УЗИП.

Таблица 10 - Стандартные параметры для рисунка 8

Диапазон частот

Характеристические полные сопротивления Z0, Ом

Типы кабелей

От 300 Гц до 4 кГц

600

Витая пара

От 4 кГц до 250 МГц

100, 120 или 150

Витая пара

£ 1 ГГц

50 или 75

Коаксиальный

> 1 ГГц

50

Коаксиальный

6.2.3.3 Возвратные потери

Возвратные потери в децибелах измеряют с проводами максимальной длиной 1 м и соответствующим характеристическим полным сопротивлением. Измерение выполняют в цепи по рисунку 9, в которой УЗИП заменено замкнутой накоротко перемычкой. Затем УЗИП вводят в цепь и производят измерение в децибелах. В таблице 10 приведены характеристические полные сопротивления, диапазоны частот и типы кабелей. Рекомендуемый испытательный уровень - 10 дБм.

На УЗИП подают сигнал. Сигналы, отраженные благодаря неоднородности полного сопротивления, измеряют на тех выводах, к которым они прикладывались. Возвратные потери измеряют и записывают в диапазоне передающих частот, рекомендуемых для применения УЗИП.

6.2.3.4 Продольный баланс/продольные потери преобразования (ППП)

Продольный баланс, вычисляемый по формуле (1), равен продольным потерям преобразования (ППП) согласно рекомендации МСЭ О.9 [10].

На рисунке 10 показаны схемы соединений для испытания продольного баланса трех-, четырех- и пятивыводных УЗИП. Для четырех- и пятивыводных УЗИП испытание проводят с разомкнутым и замкнутым выключателем S1. Продольный баланс - это отношение продольного напряжения до включения Vs к результирующему напряжению Vm испытуемого УЗИП, выраженное в дБ, а именно:

Продольный баланс (дБ) = 20 log (Vs/Vm),

(1)

где Vs и Vm - сигналы одинаковой частоты.

Для большей точности на высоких частотах вместо показанных на рисунке 10 омических сопротивлений в испытательной установке может быть применен симметрирующий трансформатор, которым оснащается УЗИП. Конфигурация испытательного мостика с поперечным полным сопротивлением Z1, и продольным полным сопротивлением Z2 не представляет всех условий, встречающихся на практике. Значения и пределы предусмотренных передающих характеристик, например, диапазоны частот и напряжения, специальные требования к применяемым полным сопротивлениям выводов и измеряемым частотам, приведены в соответствующих рекомендациях МСЭ. Пример значений полных сопротивлений для разных частотных диапазонов до 190 кГц приведен в таблице 11. Если не установлено иное, испытания можно проводить на возрастающих частотах, например, 200, 500, 1000 и 4000 Гц для аналоговых устройств и 5, 60, 160 и 190 кГц для цифровых ISDN устройств. Свойственный измерительным инструментам продольный баланс должен быть на 20 дБ выше, чем предельная регулировка, устанавливаемая для УЗИП. Если на продольный баланс УЗИП влияет смещающее напряжение переменного тока, тогда испытание проводят с одновременно подаваемым на каждый вывод УЗИП смещающим напряжением переменного тока. Требования к измерительным инструментам приведены в рекомендациях МСЭ О.9 [10].

Если продольные потери преобразования зависят от калибровки последовательных сопротивлений УЗИП, то баланс может быть указан как максимальная омическая или процентная разница между последовательными сопротивлениями.

Таблица 11 - Значения полного сопротивления для испытания продольного баланса

Частота f, кГц

Назначение

Значения полного сопротивления

 Ом

Ом

£4

аналоговое

300

150

£190

ISDN

55 или 67,5

20 - 40

до 30 МГц

ADSL2+; VDSL

67,5

1) Реальная разница между продольным балансом испытательной установки и фактическим не зависит от входного полного сопротивления выводов и поэтому данный анализ касается всех виртуально обоснованных вводных полных сопротивлений. Подробности характеристики Z1 и Z2 см. конкретный стандарт на изделие.

2) Z2 должно составлять половину Z1

6.2.3.5 Коэффициент погрешности бит (КПБ)

Коэффициент погрешности бит (КПБ, см. рисунок 11), результат деления числа бит ошибок на общее число бит информации, может служить для характеристики производительности коммуникаций или как продукт накопления информации. Например 2,5 ошибочных бит из 100000 бит переданных составляет 2,5´10-5. Пример длительности испытаний для разных скоростей передачи приведен в таблице 12.

Испытания КПБ проводят для измерения изменения, если таковое имеется, вызванного вводом УЗИП. Испытания КПБ описаны в рекомендациях МСЭ серии G (для ISDN - G.821; ADSL2 - G.992.3, VDSL - G.993.1 ит.д.).

Таблица 12 - Длительность испытаний КПБ

Псевдо-случайные битовые комбинации (К)

Длительность

K < 64 кбит/с

1 ч

64 кбит/с £ K < 1554 кбит/с

30 мин

K £ 1554 кбит/с

10 мин

6.2.3.6 Перекрестная наводка на передающем конце (ПНПК)

ПНПК измеряют на коротких концах сбалансированных испытательных проводов, подсоединенных к УЗИП согласно рисунку 12. Сбалансированный входящий сигнал подают в помеховый канал УЗИП, одновременно в помеховом канале на передающем конце испытательных проводов измеряют наведенный сигнал. Рекомендуемый испытательный сигнал - 10 дБм.

Измеренные потери совокупности симметрирующих трансформаторов и испытательных проводов не должны превышать 3 дБ в диапазоне передающих частот. Перекрестную наводку на передающем конце в диапазоне передающих частот, рекомендуемых для применения УЗИП, измеряют и записывают.

6.3 Механические испытания

6.3.1 Выводы и соединения

Проверяют, чтобы все встроенные выводы отвечали требованиям 5.3.1.

6.3.1.1 Общая процедура испытаний

УЗИП устанавливают согласно рекомендациям изготовителя и защищают от чрезмерного внешнего нагрева и охлаждения.

Если не установлено иное, выводы оснащают проводниками с использованием наиболее жесткой конфигурации (т. е. максимального или минимального поперечного сечения) в соответствии с:

- таблицей 13 для УЗИП, оснащенных выводами питания, а также защищенными выводами питания;

- инструкциями изготовителя для остальных УЗИП.

Испытуемое УЗИП прикрепляют к деревянной поверхности, выкрашенной в матовый черный цвет, толщиной 20 мм. Способ крепления должен отвечать требованиям к монтажу, установленным изготовителем. Во время испытания не допускается проводить обслуживание или демонтаж образца.

6.3.1.2 Винтовые выводы

Соответствие проверяют осмотром, а для винтов, оперируемых при подсоединении УЗИП, следующим испытанием.

Винты затягивают и отпускают:

- десять раз винты, входящие в зацепление с резьбой в изоляционном материале;

- пять раз во всех остальных случаях.

Винты и гайки, входящие в зацепление с резьбой в изоляционном материале, каждый раз полностью снимают и вновь вставляют. Испытание проводят с помощью удобной испытательной отвертки или ключа с прикладыванием крутящего момента, устанавливаемого изготовителем. Винты следует затягивать плавно, без рывков. Каждый раз, когда винт отпускают, проводник снимают.

Во время испытания винтовые соединения не должны ослабляться и не должно быть повреждений, таких как поломка винтов или повреждение шлицев головок винтов, резьбы, шайб и скоб, которые могли бы повлиять на дальнейшую эксплуатацию УЗИП.

Кроме этого, не должны повреждаться оболочки и крышки.

Таблица 13 - Поперечные сечения присоединяемых медных проводников для выводов винтового типа и безрезьбовых выводов

Максимальный номинальный ток УЗИП, А

Диапазон номинальных поперечных сечений зажимаемых проводников

ИСО - мм2

AWG - вывод

До 1 включ.

От 0,1 до 1,0

От 26 до 18

Св. 1 «13 «

« 1,0 « 2,5

« 18 « 14

« 13 « 16 «

« 1,0 « 4,0

« 18 « 12

6.3.1.3 Безрезьбовые выводы

Соответствие проверяют следующими испытаниями.

В выводы присоединяют проводники, тип и максимальное и минимальное сечение которых определяют для двухвводных УЗИП - по таблице 13, для одновводных УЗИП - по указанию изготовителя.

Затем каждый проводник подвергают тянущему усилию по таблице 14. Усилие прикладывают равномерно, без рывков, в течение 1 мин в направлении оси проводника.

Таблица 14 - Тянущее усилие (для безрезьбовых выводов)

Поперечное сечение, мм2

0,5

0,75

1,00

1,50

2,50

4,00

Тянущее усилие, Н

30

30

35

40

50

60

Во время испытания не должны наблюдаться смещения проводника в выводе либо другие повреждения.

6.3.1.4 Соединения с проколом изоляции

6.3.1.4.1 Испытания на вытягивание для выводов УЗИП, предназначенных для одножильных проводников

Соответствие проверяют следующим испытанием.

В выводы устанавливают новые медные проводники, одножильные или скрученные (выбирают наиболее неблагоприятный вариант), наименьшего или наибольшего поперечного сечения из указанных в 6.3.1.1. Винты, при их наличии, затягивают согласно указанию изготовителя.

Проводники присоединяют и отсоединяют пять раз; проводники используют каждый раз новые. После каждого присоединения проводники подвергают в течение 1 мин вытягивающему усилию, прикладываемому равномерно, без рывков в направлении оси проводника согласно значениям по таблице 14.

Во время испытания не должны наблюдаться смещения проводника в выводе либо другие повреждения.

6.3.1.4.2 Испытание на вытягивание для выводов УЗИП, предназначенных для многожильных кабелей и шнуров

Испытание на вытягивание для выводов УЗИП, предназначенных для многожильных кабелей и шнуров, проводят по 6.3.1.4.1 с той разницей, что вытягивающее усилие прикладывают не к каждой жиле, а к всему многожильному кабелю или шнуру.

Тянущее усилие вычисляют по формуле

(2)

где F - общее прикладываемое усилие;

n - число жил кабеля;

F(x) - усилие для одной жилы соответственно поперечному сечению одного проводника (см. таблицу 14).

Во время испытания кабель или шнур не должен выскользнуть из вывода.

6.3.2 Механическая прочность при монтаже

Проверяют осмотром, обладает ли УЗИП достаточной механической прочностью, чтобы выдержать нагрузки, испытываемые при монтаже и эксплуатации.

6.3.3 Защита от попадания твердых частиц и проникновения воды

Проводят испытание согласно ГОСТ 14254 по проверке кода IP.

6.3.4 Защита от прямого прикосновения к токоведущим частям

Изоляционные части

Образец устанавливают, как при нормальной эксплуатации, присоединяют проводники наименьшего поперечного сечения и затем наибольшего поперечного сечения согласно таблице 13. Прикладывают стандартный испытательный палец (см. ГОСТ 14254) во всех возможных положениях.

Для УЗИП втычного типа (которые заменяют без помощи инструмента) испытательный палец прикладывают во всех возможных положениях, когда вилка не полностью и полностью вставлена в розетку. Для проверки наличия контакта с соответствующей частью используют электрический индикатор на напряжение не менее 40 В и не более 50 В.

Металлические части

Металлические части, доступные, когда УЗИП подсоединено и смонтировано как при нормальной эксплуатации, заземляют посредством соединения с низким сопротивлением, за исключением небольших винтов и подобных частей, изолированных от частей, находящихся под напряжением, предназначенных для крепления оснований и крышек или закрывающих пластин штепсельных розеток.

Ток от источника переменного тока с напряжением без нагрузки не более 12 В, равный 1,5 номинального тока или 25 А, выбирают, что больше, пропускают через вывод заземления и каждую доступную металлическую часть по очереди.

Между выводом заземления и доступной металлической частью измеряют падение напряжения и по току и падению напряжения вычисляют сопротивление. Сопротивление должно быть не выше 0,05 Ом.

Примечание - Необходимо следить за тем, чтобы контактное сопротивление между концом измерительного щупа и испытуемой металлической частью не влияло на результат испытания.

6.3.5 Огнестойкость

В соответствии с ГОСТ 27483 (разделы 4 - 10) проводят испытание раскаленной проволокой при следующих условиях:

-для наружных частей УЗИП, выполненных из изоляционного материала и необходимых для удерживания токоведущих частей и частей защитной цепи, - при температуре (850 ± 15) °С;

- для всех остальных наружных частей - при температуре (650 ± 10) °С.

Основания УЗИП наружного исполнения считают наружными частями. Испытанию не подвергают части из керамического материала. Если изоляционные части выполнены из одинакового материала, то испытанию подвергают одну из таких частей при соответствующей температуре испытания раскаленной проволокой.

Испытание раскаленной проволокой проводят, потому что существует гарантия того, что электрически нагретая проволока в строго определенных испытательных условиях не вызовет возгорания изоляционных частей, равно как и то, что изоляционная часть даже при условии возгорания от раскаленной проволоки имеет ограниченное время горения без выброса пламени и разбрасывания раскаленных частиц и капель из испытуемой части.

Испытанию подвергают один образец. В случае сомнения в результатах испытание повторяют еще на двух образцах. При испытании раскаленную проволоку прикладывают один раз. Образец располагают в наиболее неблагоприятном положении его предполагаемой эксплуатации (испытуемой поверхностью в вертикальном положении).

Кончик раскаленной проволоки прикладывают к определенной поверхности испытательного образца с учетом условий предполагаемой эксплуатации, при которых нагретый элемент может соприкоснуться с образцом.

Считают, что образец успешно выдержал испытание раскаленной проволокой, если:

- отсутствует видимое пламя и устойчивое свечение; или

- пламя и свечение на образце исчезли сами по себе в течение 30 с после снятия проволоки с образца.

Не должно быть следов возгорания папиросной бумаги или обугливания доски.

6.4 Испытания на воздействующие факторы окружающей среды

6.4.1 Стойкость к высоким температурам и влажности

УЗИП помещают в условия высокой температуры и повышенной влажности в течение времени, выбранном по таблице 15. Температура должна быть 80 °С, относительная влажность - 90 %.

УЗИП испытывают в испытательной цепи по рисунку 13. Одновременно с размещением УЗИП в вышеуказанных условиях температуры и влажности к нему подают постоянный или переменный ток. Напряжение источника питания должно быть равно максимальному длительному рабочему напряжению согласно 5.2.1.1. Этот источник должен обладать достаточной мощностью для подачи тока, потребляемого испытуемым УЗИП.

Затем УЗИП охлаждают до температуры окружающего воздуха (23 ± 2) °С.

Таблица 15 - Предпочтительные значения длительности испытания на устойчивость к высоким температурам и повышенной влажности

Длительность испытания в днях

10

21

30

56

6.4.2 Циклическое испытание окружающей средой с импульсными перенапряжениями

УЗИП подвергают циклу испытаний неконденсированной окружающей средой с длительностью цикла по таблице 16. Во время этого испытания на него воздействуют напряжением холостого хода, выбранным из категории С по таблице 3, посредством генератора импульсов с характеристиками, указанными в таблице 3.

При выборе цикла А каждый день в течение пяти последующих дней подают два импульса тока, далее - два дня пауза. При выборе цикла В два импульса тока подают в первый и последний дни температурного цикла. Причем в каждый импульсный день один импульс подают при верхней предельной температуре T1, другой импульс - при нижней предельной температуре Т2, выбранных по таблице 16. Импульсы подают в пределах 1 ч от середины времени задержки при нижней и верхней предельных температурах. Импульсы тока в один день должны быть одной полярности, а на следующий испытательный день - противоположной полярности. Эту процедуру повторяют до завершения температурного цикла.

УЗИП испытывают в испытательной цепи по рисунку 13, и на протяжении испытательного цикла к нему подают питание от источника постоянного тока. Как положительный, так и отрицательный уровень источника постоянного тока не должен превышать номинальное напряжение, указанное в 5.2.1.1. При подаче импульсного тока УЗИП должно быть отключено от источника постоянного тока.

Напряжение ограничения импульса измеряют при подаче каждого импульса тока. Сопротивление изоляции измеряют в течение 1 ч после подачи каждого импульса тока. Если известно, что УЗИП чувствительно к полярности источника постоянного тока, на сопротивление изоляции его испытывают с положительной и отрицательной полярностями.

В течение 1 ч после окончания циклического испытания УЗИП должно соответствовать требованиям 5.2.1.2 и 5.2.1.3.

6.4.3 Циклическое испытание окружающей средой с импульсами переменного тока

УЗИП подвергают циклу испытаний неконденсированной окружающей средой с длительностью цикла по таблице 16.

Таблица 16 - Предпочтительные значения температур и длительности воздействия для циклических испытаний окружающей средой

Циклы

Верхняя предельная температура (T1), °С

Нижняя предельная температура (Т2), °С

Длительность циклов, день

Цикл А - рисунок 14

32 ± 2

4 ± 2

30

Цикл В - рисунок 15 (ГОСТ 28216 (6.3.3, вариант 2)

40 ± 2 или 50 ± 2

25 ± 3

5

Во время этого испытания на него воздействуют посредством генератора напряжением холостого хода переменного тока с подачей токов короткого замыкания по таблице 5.

При выборе цикла А каждый день в течение пяти последующих дней подают два импульса тока, далее - два дня пауза. При выборе цикла В два импульса тока подают в первый и последний дни температурного цикла. Причем в каждый день, когда подают импульс, один импульс подают при верхней предельной температуре Т1, другой импульс - при нижней предельной температуре Т2, выбранных по таблице 16. Импульсы подают в пределах 1 ч от середины времени задержки при нижней и верхней предельных температурах. Импульсы переменного тока подают в пределах 1 ч от середины времени задержки при нижней и верхней предельных температурах. Данную процедуру повторяют до завершения цикла.

УЗИП испытывают в испытательной цепи по рисунку 13, и на протяжении испытательного цикла к нему подают питание от источника постоянного тока. Как положительный, так и отрицательный уровень источника постоянного тока не должен превышать номинальное напряжение, указанное в 5.2.1.1. При подаче переменного тока УЗИП должно быть отключено от источника постоянного тока.

Напряжение ограничения импульса переменного тока измеряют при подаче каждого импульса тока. Сопротивление изоляции измеряют в течение 1 ч после подачи каждого импульса переменного тока. Если известно, что УЗИП чувствительно к полярности источника постоянного тока, на сопротивление изоляции его испытывают с положительной и отрицательной полярностями.

В течение 1 ч после окончания циклического испытания функция ограничения напряжения должна соответствовать требованиям к напряжению ограничения импульса и сопротивлению изоляции.

6.5 Приемо-сдаточные испытания

Приемо-сдаточные испытания проводят по соглашению между изготовителем и потребителем.

О, О1, О2 - осциллографы; Е, Е1, Е2 - источники напряжения постоянного тока; G - генератор импульсов;
- изолирующий элемент; Rs, Rs1, Rs2 - активные сопротивления;
V- компонент ограничения напряжения; V, I- компоненты ограничения напряжения или комбинация
компонентов ограничения напряжения и компонентов ограничения тока; Х1, Х2 - выводы питания;
Y1, Y2 - защищенные выводы питания; С - общий вывод

Рисунок 2 - Испытательные цепи для проверки времени восстановления импульсов

A, A1, А2 - амперметры; Е - источник напряжения переменного тока; Rs, Rs1, Rs2 - активные сопротивления;
V - компонент ограничения напряжения; V, I - компоненты ограничения напряжения или комбинация
компонентов ограничения напряжения и компонентов ограничения тока; Х1, Х2 - выводы питания;
Y1, Y2 - защищенные выводы питания; С - общий вывод

Рисунок 3 - Испытательные цепи для проверки устойчивости к воздействию
переменного тока и режима повреждения при перенапряжении

О, О1, О2 - осциллографы для регистрации Up при испытании устойчивости к воздействию импульсов;
G - генератор импульсов; CD - распределитель тока; С - общий вывод;
V - компонент ограничения напряжения; V, I - компоненты ограничения напряжения или комбинация
компонентов ограничения напряжения и компонентов ограничения тока; Х1, Х2 -выводы питания;
Y1, Y2 - защищенные выводы питания;

Рисунок 4 - Испытательные цепи для проверки устойчивости к воздействию импульсов
и режима повреждения при перенапряжении

A, А1, А2 - амперметры; Е, Е1, Е2 - источники напряжения постоянного или переменного тока;
Rs, Rs1, Rs2 - активные сопротивления; V- компонент ограничения напряжения; V, I - компоненты
ограничения напряжения или комбинация компонентов ограничения напряжения и компонентов
ограничения тока; Х1, Х2 - выводы питания;
Y1, Y2 - защищенные выводы питания; С - общий вывод

Рисунок 5 - Испытательные цепи для проверки номинального тока, последовательного
сопротивления, времени срабатывания, времени возврата тока, максимального
напряжения отключения и рабочего режима

A, A1, A2 - амперметры; E - источник напряжения переменного тока; Rs, Rs1, Rs2 - активные сопротивления;
V - компонент ограничения напряжения; V, I - компоненты ограничения напряжения или комбинация
компонентов ограничения напряжения и компонентов ограничения тока; Х1, Х2 - выводы питания;
Y1, Y2 - защищенные выводы питания; С - общий вывод

Рисунок 6 - Испытательные цепи для проверки устойчивости к воздействию
переменного тока

О, О1, О2 - осциллографы; G - генератор импульсов; V- компонент ограничения напряжения;
V, I- компоненты ограничения напряжения или комбинация компонентов ограничения напряжения и
компонентов ограничения тока; Х1, Х2 - выводы питания;
Y1, Y2 - защищенные выводы питания;
С - общий вывод

Рисунок 7 - Испытательные цепи для проверки устойчивости к воздействию импульсов

N - сетевой анализатор; В - симметрирующий трансформатор

Рисунок 8 - Испытательная цепь для проверки потерь при вводе

N - сетевой анализатор; R - отражающий мостик; В - симметрирующий трансформатор;
Z1 - полное сопротивление вывода 100 Ом или 120 Ом, или 150 Ом

Рисунок 9 - Испытательная цепь для проверки возвратных потерь

Vs - напряжение помех общего вида (продольное); Vm - результирующее напряжение дифференциального
вида (металлическое);
Z1, Z2 - полные сопротивления выводов; V - компонент ограничения напряжения;
V, I- компоненты ограничения напряжения или комбинация компонентов ограничения напряжения и
компонентов ограничения тока; Х1, Х2 - выводы питания;
Y1, Y2 - защищенные выводы питания;
С - общий вывод

Рисунок 10 - Испытательные цепи для проверки продольного баланса

Т - КПБ тестер; V - компонент ограничения напряжения; V, I - компоненты ограничения напряжения или
комбинация компонентов ограничения напряжения и компонентов ограничения тока;
Х1, Х2 - выводы питания;
Y1, Y2 - защищенные выводы питания; С - общий вывод

Рисунок 11 - Испытательная цепь для проверки коэффициента погрешности бит (КПБ)

N - сетевой анализатор; В - симметрирующий трансформатор; Z1, Z2 - полные сопротивления выводов

Рисунок 12 - Испытательная цепь для проверки перекрестной наводки на передающем конце (ПНПК)

E, E1, E2 - источники напряжения постоянного или переменного тока;
Rs, Rs1, Rs2 - активные сопротивления; V - компонент ограничения напряжения; V, I - компоненты
ограничения напряжения или комбинация компонентов ограничения напряжения и компонентов
ограничения тока; Х1, Х2 - выводы питания;
Y1, Y2 - защищенные выводы питания; С - общий вывод

Рисунок 13 - Испытательные цепи для проверки устойчивости к повышенной
температуре/влажности и циклического воздействия окружающей среды

Рисунок 14 - Шкала А циклического воздействия окружающей среды при относительной влажности ³ 90 %

Т1 - верхняя температура; t1 - конец повышения температуры; t2 - начало понижения температуры

Рисунок 15 - Цикл В воздействия окружающей среды

Х1, Х2, Хn - вводные выводы; Y1, Y2, Yn - защищаемые вводные выводы; С - общий вывод;
1 - индивидуальный защитный элемент; 2 - общий защитный элемент

Рисунок 16 - Примеры многовыводных УЗИП с одним общим защитным элементом

Приложение А
(рекомендуемое)

Устройства с токоограничивающими компонентами

Конфигурации устройств с токоограничивающими компонентами показаны на рисунке А.1. Такое устройство испытывают на соответствие приемлемым требованиям 5.2.2. Источник напряжения, применяемый в соответствии с 6.2.2, должен иметь параметры меньшие или равные максимальному напряжению отключения, указанному изготовителем. Устройство токовой защиты должно быть также подвергнуто испытаниям по 6.3 и выборочно испытаниям по 6.2.3 согласно назначению.

I - токоограничивающие компоненты; Х1, Х2 - выводы питания; Y1, Y2 - защищенные выводы питания;
С - общий вывод

Рисунок А.1 - Конфигурации устройств с токоограничивающими компонентами

Приложение В
(свободное)

Приложение С
(свободное)

Приложение D
(рекомендуемое)

Точность измерений

МЭК 61083-1 [6] устанавливает точность измерений для аналоговых и цифровых импульсных регистрирующих приборов, например цифровые осциллографы с пробниками. Время разгона аналоговых цифровых приборов в пять раз меньше, чем время нарастания сигнала. Это гарантирует менее чем 2 % погрешность времени разгона на дисплее. Цифровые регистрирующие приборы должны иметь периоды выборки не менее 30/Tх, где Tх - интервал измеряемого времени. Номинальное разрешение отклонения натуральной величины 0,4 % (2-8 отклонения натуральной величины) рекомендуется для испытаний, если оценке подлежат только параметры импульса. Для определительных испытаний, которые требуют сравнение записей, должно использоваться номинальное разрешение отклонения натуральной величины 0,2 % (2-9 отклонения натуральной величины). МЭК 61083-1 [6] также приводит дополнительные параметры погрешностей для специфических форм волны.

Приложение Е
(рекомендуемое)

Определение сквозного тока Ip

Для определения максимального сквозного тока на выходных выводах УЗИП вводные выводы подвергают воздействию испытательного импульса по таблице 3. Измеряют форму волны выходного тока в коротком замыкании (рисунки Е.1 - Е.6). Если измеренная форма волны соответствует форме волны по таблице 3, тогда значение Iр определяется пиковым значением измеренного тока. Если измеренная форма волны отклоняется от приведенной в таблице 3, тогда можно предположить, что на рисунках 1b - 1f измеренный максимальный ток соответствует Iр. На рисунке Iр равен току короткого замыкания генератора. Чтобы сделать точный расчет координации, необходимо применить метод сквозной энергии (см. МЭК 61643-12 (раздел F.5) [11] или МЭК 62305-4 (раздел С.4) [12]).

Данное определение сквозного тока применяют для расчета координации УЗИП (см. рисунок Е.1 МЭК 61643-22 [13]).

Если указано несколько испытательных импульсов, то для каждого импульса указывают максимальные значения Up и Iр. В зависимости от типа УЗИП (см. раздел 1.2) выбирают испытание по следующим перечисле ниям а), b) или с):

a) асимметричная подача испытательных импульсов для определения Iр дифференциального вида (см. рисунок Е.1). Испытательный импульс подают на входную сторону УЗИП;

b) несимметричная подача испытательных импульсов для определения Iр общего вида (см. рисунок Е.2). Испытательный импульс подают на входную сторону УЗИП;

c) симметричная подача испытательных импульсов для определения Iр дифференциального вида (см. рисунок Е.3). Испытательный импульс подают распределителем тока (1:2) на входной стороне УЗИП;

d) асимметричная подача испытательных импульсов для определения Iр дифференциального вида (см. рисунок Е.4). Испытательный импульс подают на входную сторону УЗИП;

e) симметричная подача испытательных импульсов для определения Iр общего вида (см. рисунок Е.5). Испытательный импульс подают распределителем тока (1:2) на входной стороне УЗИП;

f) симметричная подача испытательных импульсов для определения Iр общего вида (см. рисунок Е.5). Испытательный импульс подают распределителем тока (1:n) на входной стороне УЗИП.

Рисунок Е.1 - Определение сквозного тока дифференциального вида

Примечание - Значение Iр соответствует импульсному току генератора.

Рисунок Е.2 - Определение сквозного тока общего вида

Рисунок Е.3 - Определение сквозного тока дифференциального вида

Рисунок Е.4 - Определение сквозного тока дифференциального вида

Рисунок Е.5 - Определение максимального сквозного тока общего вида

Рисунок Е.6 - Определение сквозного тока общего вида для многовыводных УЗИП

Приложение ДА (справочное)

Сведения о соответствии ссылочных национальных и межгосударственных
стандартов международным стандартам, использованным в качестве ссылочных
в примененном международном стандарте

Таблица ДА.1

Обозначение ссылочного национального, межгосударственного стандарта

Степень соответствия

Обозначение и наименование ссылочного международного стандарта

ГОСТ Р 50571.24-2000 (МЭК 60364-5-51-97)

MOD

МЭК 60364-5-51:2005 «Электрические установки зданий. Часть 5-51. Выбор и установка электрооборудования. Общие правила»

ГОСТ Р 51317.4.5-99 (МЭК 61000-4-5-95)

MOD

МЭК 61000-4-5:2005 «Электромагнитная совместимость (ЭМС). Часть 4-5. Устойчивость к микросекундным импульсным помехам большой энергии. Требования и методы испытаний»

ГОСТ Р 51686.1-2000 (МЭК 60999-1-99)

MOD

МЭК 60999-1:1999 «Соединительные устройства. Соединительные устройства для электрических медных проводников. Требования безопасности к резьбовым и безрезьбовым зажимам. Часть 1. Общие требования и дополнительные требования к зажимам для проводников сечением от 0,2 мм2 до 35 мм2 включительно»

ГОСТ Р 51992-2011 (МЭК 61643-1-2005)

MOD

МЭК 61643-1:2011 «Устройства для защиты от импульсных перенапряжений в низковольтных силовых распределительных системах. Часть 1. Требования к работоспособности и методы испытаний»

ГОСТ Р МЭК 60950-2002

MOD

МЭК 60950:1999 «Безопасность оборудования информационных технологий»

ГОСТ 14254-96 (МЭК 529-89)

MOD

МЭК 60529:1989 «Степени защиты, обеспечиваемые корпусами (Код IP)»

ГОСТ 27483-87 (МЭК 695-2-1-80)

NEQ

МЭК 60695-2-1/1:1994. «Испытания на пожароопасность. Часть 2. Методы испытаний. Раздел 1/лист 1. Испытание и руководство по испытанию конечного изделия раскаленной проволокой»

ГОСТ 28216-89 (МЭК 68-2-30-82)

MOD

МЭК 60068-2-30:80 «Испытания на воздействия внешних факторов. Часть 2. Испытания. Испытание Db и руководство: Влажное тепло, циклическое (12 + 12-часовой цикл)»

Примечание - В настоящей таблице использованы следующие условные обозначение степени соответствия стандартов:

- MOD - модифицированные стандарты;

- NEQ - неэквивалентные стандарты.

Библиография

[1] МЭК 60050 (702):1992

Международный электротехнический словарь (МЭС). Раздел 702. Колебания, сигналы и соответствующие устройства

(IEC 60050(702):1992 International Electrotechnical Vocabulary - Chapter 702: Oscillations, signals and related devices)

[2] МЭК 60050 (726): 1982

Международный электротехнический словарь (МЭС). Раздел 726. Передающие линии и волноводы

(IEC 60050(726):1982 International Electrotechnical Vocabulary - Chapter 726: Transmission lines and waveguides)

[3] МЭК 60721-3-3:1994

Классификация условий окружающей среды. Часть 3. Классификация групп параметров окружающей среды и их жесткости. Раздел 3. Стационарные установки в местах, защищенных от погодных условий

(IEC 60721-3-3:1994 Classification of environmental conditions - Part 3: Classification of groups of environmental parameters and their severities - Section 3: Stationary use at weatherprotected locations)

[4] Рекомендация МСЭ K.65:2004

Требования, касающиеся перенапряжения и сверхтока для выводных модулей, снабженных контактами для испытательных портов или УЗИП

(ITU-T Recommendation K.65:2004 Overvoltage and overcurrent requirements for termination modules with contacts for test ports or SPDs)

[5] Рекомендация МСЭ K.55:2002

Требования, касающиеся перенапряжения и сверхтока для выводов соединителей со смещением изоляции

(ITU-T Recommendation K.55:2002 Overvoltage and overcurrent requirements for insulation displacement connectors (IDC) terminations)

[6] МЭК 61083-1

Аппаратура и программное обеспечение, применяемые при испытаниях импульсами высокого напряжения. Часть 1. Требования к аппаратуре

(IEC 61083-1 Digital recorders for measurements in high voltage impulse tests - Part 1: Requirements for digital recorders)

[7] МЭК 60060-1:1989

Технология испытаний высоких напряжений. Часть 1. Общие определения и требования к испытаниям

(IEC 60060-1:1989 High-voltage test techniques - Part 1: General definitions and test requirements)

[8] МЭК 61180-1:1992

Техника высоковольтных испытаний низковольтного оборудования. Часть 1. Определения. Требования к испытаниям и методам испытаний

(IEC 61180-1:1992 High-voltage test techniques for low-voltage equipment - Part 1: Definitions, test and procedure requirements)

[9] Рекомендация МСЭ K.30:1993

Термисторы с коэффициентом положительных температур (КПТ)

(ITU-T Recommendation K.30:1993 Positive temperature coefficient (PTC) thermistors)

[10] Рекомендация МСЭ О.9:1999

Измерительные устройства для определения степени дисбаланса относительно земли

(ITU-T Recommendation 0.9:1999 Measuring arrangements to assess the degree of unbalance about earth)

[11] МЭК 61643-12

Устройства для защиты от импульсных перенапряжений в низковольтных силовых распределительных системах. Часть 12. Принципы выбора и применения

(IEC 61643-12 Low-voltage surge protective devices - Part 12: Surge protective devices connected to low-voltage power distribution systems - Seiection and application principles)

[12] МЭК 62305-4

Молниезащита. Часть 4. Электрические и электронные системы зданий

(IEC 62305-4 Protection against lightning - Part 4: Electrical and electronic systems within structures)

[13] МЭК 61643-22:2004

Низковольтные устройства для защиты от импульсных перенапряжений. Часть 22. Устройства для защиты от импульсных перенапряжений в системах телекоммуникации и сигнализации (информационных системах). Принципы выбора и применения

(IEC 61643-22:2004 Low-voltage surge protective devices - Part 22: Surge protection devices connected to telecommunications and signalling networks - Selection and application principles)

 

Ключевые слова: устройства для защиты, перенапряжение, токоограничивающие компоненты, работоспособность, испытания

 

 



© 2013 Ёшкин Кот :-)