Информационная система
«Ёшкин Кот»

XXXecatmenu

ФЕДЕРАЛЬНОЕ АГЕНТСТВО
ПО ТЕХНИЧЕСКОМУ РЕГУЛИРОВАНИЮ И МЕТРОЛОГИИ

НАЦИОНАЛЬНЫЙ

СТАНДАРТ

РОССИЙСКОЙ

ФЕДЕРАЦИИ

ГОСТ Р ИСО
8399-2-2010

АВИАЦИЯ И КОСМОНАВТИКА

Присоединения агрегатов к изделию.
Вспомогательные приводы и монтажные фланцы

(Метрическая серия)

Часть 2

Размеры

ISO 8399-2:1998

Aerospace - Accessory drives and mounting flanges (Metric series) -
Part 2: Dimensions

(IDT)

Москва

Стандартинформ

2011

Предисловие

Цели и принципы стандартизации в Российской Федерации установлены Федеральным законом от 27 декабря 2002 г. № 184-ФЗ «О техническом регулировании», а правила применения национальных стандартов Российской Федерации - ГОСТ Р 1.0-2004 «Стандартизация в Российской Федерации. Основные положения»

Сведения о стандарте

1 ПОДГОТОВЛЕН Федеральным государственным унитарным предприятием «Научно-исследовательский институт стандартизации и унификации» (ФГУП «НИИСУ») на основе собственного аутентичного перевода стандарта, указанного в пункте 4

2 ВНЕСЕН Техническим комитетом по стандартизации ТК 323 «Авиационная техника»

3 УТВЕРЖДЕН И ВВЕДЕН В ДЕЙСТВИЕ Приказом Федерального агентства по техническому регулированию и метрологии от 30 ноября 2010 г. № 743-ст

4 Настоящий стандарт идентичен международному стандарту ИСО 8399-2:1998 «Авиация и космонавтика. Вспомогательные приводы и крепежные фланцы (Метрическая серия). Часть 2. Размеры» (ISO 8399-1:1998 «Aerospace - Accessory drives and mounting flanges (Metric series) - Part 2: Dimensions»).

При применении настоящего стандарта рекомендуется использовать вместо ссылочных международных стандартов соответствующие им национальные стандарты Российской Федерации, сведения о которых приведены в дополнительном приложении ДА

5 ВВЕДЕН ВПЕРВЫЕ

Информация об изменениях к настоящему стандарту публикуется в ежегодно издаваемом информационном указателе «Национальные стандарты», а текст изменений и поправок - в ежемесячно издаваемых информационных указателях «Национальные стандарты». В случае пересмотра (замены) или отмены настоящего стандарта соответствующее уведомление будет опубликовано в ежемесячно издаваемом информационном указателе «Национальные стандарты». Соответствующая информация, уведомление и тексты размещаются также в информационной системе общего пользования - на официальном сайте Федерального агентства по техническому регулированию и метрологии в сети Интернет

СОДЕРЖАНИЕ

ГОСТ Р ИСО 8399-2-2010

НАЦИОНАЛЬНЫЙ СТАНДАРТ РОССИЙСКОЙ ФЕДЕРАЦИИ

АВИАЦИЯ И КОСМОНАВТИКА

Присоединения агрегатов к изделию. Вспомогательные приводы и монтажные фланцы
(Метрическая серия)

Часть 2

Размеры

Aerospace. Accessory connection to the product. Accessory drives and mounting flanges (Metric series).
Part 2.
Dimensions

Дата введения - 2011-07-01

1 Область применения

В настоящем стандарте установлены размеры фланцев для агрегатов и монтажных фланцев, обеспечивающих возможности быстрого присоединения или отсоединения, предназначенных в основном для использования в авиационных двигателях/редукторах и агрегатах двигателей.

2 Нормативные ссылки

Нижеследующие нормативные стандарты содержат положения, которые посредством ссылок в данном тексте составляют положения настоящего стандарта. Для нормативных документов с указанием даты публикации, на которые имеются ссылки, не распространяется действие последующих изменений или пересмотров этих документов.

ИСО 286-2:1988 Допуски и посадки по системе ИСО. Часть 2. Таблицы классов стандартных допусков и предельных отклонений на размеры отверстий и валов (ISO 286-2:1988 ISO system of limits and fits. Part 2. Tables of standard tolerance grades and limit deviations for holes and shafts)

ИСО 1302:1992 Чертежи технические. Метод обозначения шероховатости поверхности (ISO 1302:1992 Technical drawings. Method of indicating surface texture)1)

_____________

1) Стандарт ИСО 1302:1992 заменен на стандарт ИСО 1302:2002 «Геометрические характеристики изделий (GPS). Обозначение текстуры поверхности в технической документации на продукцию».

Для однозначного соблюдения требований настоящего стандарта, выраженных в датированных ссылках, рекомендуется использовать только данный ссылочный стандарт.

ИСО 2768-1:1989 Допуски общие. Часть 1. Допуски на линейные и угловые размеры без указания допусков на отдельные размеры (ISO 2768-1:1989 General tolerances. Part 1. Tolerances for linear and angular dimensions without individual tolerance indications)

ИСО 3601-1:1988 Приводы гидравлические и пневматические. Уплотнительные элементы. Уплотнительные кольца. Часть 1. Внутренние диаметры, поперечные сечения, допуски и идентификационные коды размеров (ISO 3601-1:1988 Fluid systems. Sealing. O-rings. Part 1. Inside diameters, cross-sections, tolerances and size identification code)2)

_____________

2) Стандарт ИСО 3601-1:1988 заменен на стандарт ИСО 3601-1:2008 «Системы гидравлические и пневматические. Уплотнительные кольца. Часть 1. Внутренние диаметры, поперечные сечения, допуски и коды обозначений».

Для однозначного соблюдения требований настоящего стандарта, выраженных в датированных ссылках, рекомендуется использовать только данный ссылочный стандарт.

ИСО 4156:1981 Шлицы прямые с боковыми эвольвентными поверхностями для цилиндрических валов. Метрический модуль, посадка по боковой поверхности. Общие положения, размеры и контроль (ISO 4156:1988 Straight cylindrical involute splines - Metric module, side fit - Generalities, dimensions and inspection)1)

_____________

1) Стандарт ИСО 4156:1981 заменен на стандарты:

ИСО 4156-1:2005 «Шлицы прямые с боковыми эвольвентными поверхностями для цилиндрических валов. Метрический модуль. Посадка по боковой поверхности. Часть 1. Общие положения»;

ИСО 4156-2:2005 «Шлицы прямые с боковыми эвольвентными поверхностями для цилиндрических валов. Метрический модуль. Посадка по боковой поверхности. Часть 2. Размеры»;

ИСО 4156-3:2005 «Шлицы прямые с боковыми эвольвентными поверхностями для цилиндрических валов. Метрический модуль. Посадка по боковой поверхности. Часть 3. Контроль».

Для однозначного соблюдения требований настоящего стандарта, выраженных в датированных ссылках, рекомендуется использовать только данный ссылочный стандарт.

ИСО 4287:1997 Геометрические характеристики изделий (GPS). Структура поверхности. Профильный метод. Термины. Определения и параметры структуры (ISO 4287:1997 Geometrical Product Specification (GPS). Surface texture. Profile method. Terms, definitions and surface texture parameters)

ИСО 8399-1:1998 Авиация и космонавтика. Приводы агрегатов и монтажные фланцы (Метрическая серия). Часть 1. Критерии проектирования (ISO 8399-1:1998 Aerospace. Accessory drives and mounting flanges (Metric series). Part 1. Design criteria)

ИСО 13715:1994 Чертежи технические. Углы. Словарь и указания на чертежах (ISO 13715:1994 Technical dravings. Corners. Vocabulary and indication of drawings)2)

_____________

2) Стандарт ИСО 13715:1994 заменен на стандарт ИСО 13715:2000 «Чертежи технические. Кромки произвольной формы. Словарь и указания на чертеже».

Для однозначного соблюдения требований настоящего стандарта, выраженных в датированных ссылках, рекомендуется использовать только данный ссылочный стандарт.

3 Размеры

3.1 Конструкция и размеры

Конструкция и размеры фланцев агрегатов и двигателей/редукторов должны соответствовать указанным на рисунке 1 и в таблице 1.

Рисунок 1 - Конструкция и размеры фланцев приводов агрегатов и фланцев двигателя/редуктора (лист 1)

Элементы:

U - см. рисунки 4b и 5d;

W - см. рисунки 2b и 3b;

X - см. рисунки 4а и 5а;

Z - см. рисунки 2а и 3а.

_____________

1) Для центрирующего диаметра размером не более 062.

2) Для центрирующего диаметра размером не более 075.

3) Контролируемый диаметр для длины l5

4) Опорная поверхность к буртику, проведенная по этому диаметру.

5) Диаметр d7 относится к глубине l4.

6) На этом участке не допускается наличие заусенца.

Рисунок 1 (лист 2)


Таблица 1 - Размеры для фланцев агрегатов и фланцев двигателей/редукторов (коробка приводов)

Размеры в миллиметрах

Код размера центрирующего выступа

d1

Пред откл.

d2

f7

d3 ± 0,25

d4

d5

d6 + 0,36

d7 + 0,08

l1 + 0,7

l2

l3 + 3

l4, не менее

l5 - 0,05

l6 - 0,7

Уплотнительные кольца

Канавка b - 0,25

Внутренний диаметр d9

Поперечное сечение (диаметр сечения) d8

040

33,62

-0,06

39,1

68

64

60

42

39,1

13

25

29,5

14,25

4,55

8,2

32,5 ± 0,29

3,55 ± 0,1

5,05

050

43,82

49,3

78

74

70

52

49,3

30

31

42,5 ± 0,36

062

56,12

61,6

91

87

83

64

61,6

36,5

33,5

54,5 ± 0,42

075

69,02

74,5

119

115

109

77

74,5

14

45,55

36,5

16,75

5,55

10

67 ± 0,49

088

82,32

87,8

134

130

124

90

87,8

53

38

80 ± 0,56

106

100,22

105,7

150

146

140

108

105,7

61

41,5

97,5 ± 0,66

118

112,12

117,6

162

158

152

120

117,6

67

44,5

109 ± 0,72

137

131,52

137

184

180

174

139

137

78

49

128 ± 0,83

160

154,12

159,6

204

200

194

162

159,6

88

52,5

150 + 0,95

186

180,02

185,5

234

230

224

188

185,5

103

59,5

175± 1,09

216

209,21

-0,07

217,62

268

264

258

220

217,62

120

63,5

212± 1,29

5,30 ± 0,13

7,35

257

248,24

248,24

309

305

299

259

256,62

140,5

71,5

250± 1,49


а - установочный штифт для фланцев агрегатов

b - отверстие на фланце двигателя/редуктора для использования с фланцами, имеющими установочный штифт

Рисунок 2 - Конструкция и размеры для фланцев агрегатов и фланцев двигателя/редуктора с установочными штифтами

а - соединительная трубка и уплотнение соединительной трубки для фланцев агрегатов

b - отверстие на фланцах двигателя/редуктора для использования с фланцами агрегатов, имеющими соедини-

Рисунок 3 - Конструкция и размеры соединительных трубок

а - внешний эвольвентный шлиц на фланцах агрегатов

b - внутренний эвольвентный шлиц на фланцах двигателя/редуктора

_____________

1) Делительный средний диаметр.

2) Фаски 0,8´45° ± 5° до 1,2´45° ± 5°.

Примечание - Агрегат должен удовлетворительно работать при среднем диаметре шлица на его входном вале, смещенном не более чем на 0,15 мм от оси диаметра центрирующей поверхности (см. ГОСТ Р ИСО 8399-1, пункт 6.3).

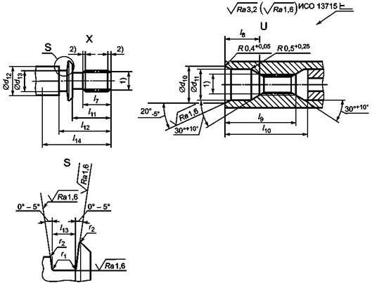
Рисунок 4 - Конструкция и размеры для несмазываемых эвольвентных шлицев

а - внешние эвольвентные шлицы на фланцах агрегатов

b - внутренние эвольвентные шлицы на фланцах двигателя/редуктора

_____________

1) Делительный средний диаметр.

2) Фаски 0,8´45° ± 5° до 1,2´45° ± 5°.

Примечания

1 Агрегат должен удовлетворительно работать со средним диаметром шлица на его входном валу, смещенном не более чем на 0,15 мм от оси диаметра центрирующей поверхности (см. ГОСТ Р ИСО 8399-1).

2 Используемое уплотнение - в соответствии с ИСО 3601-1, серии В и С.

Рисунок 5 - Конструкция и размеры для смазываемых эвольвентных шлицев

3.2 Отклонение осей

См. ИСО 8399-1, пункт 6.3.

3.3 Шероховатость поверхности

Значения параметров шероховатостей поверхностей, соответствующие требованиям ИСО 4287 и приведенные на рисунках в соответствии с ИСО 1302, используются при обработке поверхностей. Разрешается удвоить значение шероховатости поверхности, определенное на рисунках, для уплотняющих поверхностей деталей из алюминиевых сплавов.

3.4 Допустимые отклонения и посадки

Значения допустимых отклонений и посадок - по ИСО 286-2. Неуказанные допустимые отклонения на линейные и угловые размеры - по ИСО 2768-1.

4 Центрирующая поверхность

4.1 Размеры

Размеры центрирующей поверхности фланца агрегата должны соответствовать указанным на рисунке 1 и в таблице 1.

4.2 Уплотнение уплотнительной канавки центрирующей поверхности

Радиальное сжатие по поперечному сечению и растяжение во время сборки, допустимые в настоящем стандарте, основаны на использовании нитриловых, фторуглеродных и кремниевых эластомеров со способностью растяжения на 80 % и жесткостью 70 - 80 IRHD. Может потребоваться модификация размеров канавки и направляющей фаски, если используют материал с другими характеристиками.

5 Определение местоположения фланцев

5.1 Размещение штифта

Размеры для фланцев агрегатов и установочных штифтов для агрегатов должны соответствовать размерам, указанным на рисунках 1 и 2а и в таблице 2. Размеры для фланцев двигателя/редуктора для использования с фланцами агрегатов с установочным штифтом должны соответствовать размерам, указанным на рисунках 1 и 2b и в таблице 2.

Таблица 2 - Размеры для фланцев агрегатов и фланцев двигателей/редукторов с установочными штифтами

Размеры в миллиметрах

Код размера центрирующего диаметра

d8

h12

d9

H14

l15

-0,5

l16, не менее

040

4,38

5,2

7,5

8

050

062

075

6,88

7,7

10,5

11

088

106

118

137

160

186

218

257

5.2 Соединительная трубка и уплотнение соединительной трубки

Размеры и допуск расположения для соединительных трубок и уплотнений соединительныхbтрубок для фланцев агрегатов и двигателей/редукторов, для кода размера центрирующего диаметра не менее 0,75 должны соответствовать значениям, указанным на рисунках 1 и 3а (для фланцев агрегатов) и 1 и 3b (для фланцев двигателей/редукторов).

Уплотнительные О-образные кольца для соединительных трубок должны применяться с внутренним диаметром (6,9 ± 0,14) мм и диаметром поперечного сечения кольца - (1,8 ± 0,08) мм.

Примечание - Уплотнительные О-образные кольца и размер канавок под кольцо выбирают по ИСО 3601-1 и ИСО 3601-2.

6 Эвольвентные шлицы

6.1 Характеристики

Внутренние/внешние эвольвентные шлицы должны соответствовать требованиям ИСО 4156 и иметь следующие характеристики:

- число зубьев Z: см. таблицы 3 и 4;

- модуль т: см. таблицы 3 и 4;

- угол зацепления a, равный 30°;

- основание буртика;

- номер квалитета: 5;

- обозначение поля допуска 1);

- посадка по боковым сторонам.

_____________

1) Другие значения могут быть определены в соответствии с конструкцией ведущего хвостовика для обеспечения свободной посадки.

Таблица 3 - Длины и смежные размеры для несмазываемых эвольвентных шлицев

Размеры в миллиметрах

Код

Число зубьев Z

Модуль т

d10 + 0,8

d11 + 0,1

l7, не менее

l8 + 0,2

l9

l10

не менее

А

10

1

15,93

14,08

11,5

14,4

29

32

В

12

18,3

16,45

13

30,5

33,5

С

1,25

20,55

18,7

15

33

36

D

14

25,25

23,12

16,5

15,9

36

39

Е

16

27,3

25,17

18

37,5

40,5

F

20

32,03

29,9

21,5

41

44

G

24

36,53

34,4

24,5

44

47

Н

1,5

43,21

41,08

28,5

48,5

51,5

J

28

48,85

46,72

32

52

55

К

34

57,77

55,54

38

58

61

L

38

63,85

61,60

42

62

65

М

46

76,75

74,50

50

70

73

Таблица 4 - Длины и смежные размеры для смазываемых эвольвентных шлицев

Размеры в миллиметрах

Код

Число зубьев Z

Модуль т

d10 - 0,5

d11

d12 - 0,05

d13

l7, не менее

l8 + 0,2

l9, не менее

l10, не менее

А

10

1

15,93

14,04

+0,07

0

14,04

9,90

0

-0,05

11,5

14,4

29

32

В

12

18,30

16,40

16,40

12,26

13

30,5

33,5

С

1,25

20,55

18,70

18,70

14,56

15

33

36

D

14

25,25

23,10

+0,08

0

23,10

17,62

0

-0,06

16,5

15,9

36

39

Е

16

27,22

25,20

25,20

19,72

18

37,5

40,5

F

20

32,00

29,90

29,90

24,42

21,5

41

44

G

24

36,50

34,40

34,40

28,92

24,5

44

47

Н

24

1,5

43,25

41,10

41,10

35,62

28,5

48,5

51,5

J

28

48,85

46,70

46,70

41,22

32

52

55

К

34

57,80

55,60

55,60

50,12

38

58

61

L

38

63,85

61,60

61,60

56,12

42

62

65

М

46

76,75

74,50

74,50

69,02

50

74

77

Окончание таблицы 4

Размеры в миллиметрах

Код

Число зубьев Z

Модуль т

l11 - 0,25

l12 + 0,2

l13 - 0,25

l141), не менее

r1

r

О-образное кольцо

не менее

не более

не менее

не более

обозначение2)

Диаметр сечения кольца

А

10

1

16,5

22,6

3,85

31

0,4

0,8

0,1

0,3

В0095А

2,65 ± 0,09

В

12

18

24,1

32

В0118А

С

1,25

20,5

26,6

35

В0140А

D

14

22

29,3

5,05

37

С0170А

3,55 ± 0,10

Е

16

23,5

30,8

39

С0190А

F

20

27

34,3

42

С0230А

G

24

30

37,3

45

С0280А

Н

24

1,5

34,5

41,8

50

С0345А

J

28

38

45,3

53

С0400А

К

34

44

51,3

59

С0487А

L

38

48

55,3

63

С0545А

М

46

60

67,3

75

С0670А

1) Сечение среза вала не должно размещаться на этой длине или другом участке, где его разрушение может привести к повреждению гидравлического уплотнения.

2) В соответствии с ИСО 3601-1.

6.2 Сопрягаемые размеры эвольвентных шлицев

6.2.1 Несмазываемые шлицы редуктора

Длины и смежные размеры несмазываемых эвольвентных шлицев на фланцах агрегатов должны соответствовать значениям, указанным на рисунке 4а и в таблице 3. Длины и смежные размеры для несмазываемых внутренних эвольвентных шлицев на фланцах двигателя/редуктора должны соответствовать значениям, указанным на рисунке 4b и в таблице 3.

6.2.2 Шлицы редуктора, смазываемые маслом

Сопрягаемые размеры смазываемых внешних эвольвентных шлицев на фланцах агрегатов должны соответствовать значениям, указанным на рисунке 5а и в таблице 4. Сопрягаемые размеры смазываемых внутренних эвольвентных шлицев на фланцах двигателя/редуктора должны соответствовать значениям, указанным на рисунке 5b и в таблице 4.

Приложение ДА

(справочное)

Сведения о соответствии ссылочных международных стандартов
ссылочным национальным стандартам Российской Федерации

Таблица ДА.1

Обозначение ссылочного международного стандарта

Степень соответствия

Обозначение и наименование соответствующего национального стандарта

ИСО 286-2:1988

*

ИСО 1302:1992

*

ИСО 2768-1:1989

*

ИСО 3601-1:1988

*

ИСО 4156:1981

*

ИСО 4287:1997

*

ИСО 8399-1:1998

IDТ

ГОСТ Р ИСО 8399-1-2010 «Авиация и космонавтика. Присоединения агрегатов к изделию. Вспомогательные приводы и монтажные фланцы (Метрическая серия). Часть 1. Критерии проектирования»

ИСО 13715:1994

*

* Соответствующий национальный стандарт отсутствует. До его утверждения рекомендуется использовать перевод на русский язык данного международного стандарта. Перевод данного международного стандарта находится в Федеральном информационном фонде технических регламентов и стандартов.

Примечание - В настоящей таблице использовано следующее условное обозначение степени соответствия стандарта:

- IDT - идентичный стандарт.

 

Ключевые слова: авиация, присоединения агрегатов к изделиям, вспомогательный привод, монтажные фланцы, размеры



© 2013 Ёшкин Кот :-)