Информационная система
«Ёшкин Кот»

XXXecatmenu

ФЕДЕРАЛЬНОЕ АГЕНТСТВО
ПО ТЕХНИЧЕСКОМУ РЕГУЛИРОВАНИЮ И МЕТРОЛОГИИ

НАЦИОНАЛЬНЫЙ
СТАНДАРТ
российской
федерации

ГОСТ Р ИСО
4548-3-2009

МЕТОДЫ ИСПЫТАНИЙ ПОЛНОПОТОЧНЫХ
МАСЛЯНЫХ ФИЛЬТРОВ ДВИГАТЕЛЕЙ
ВНУТРЕННЕГО СГОРАНИЯ

Часть 3

Стойкость к высоким перепадам давлений
и повышенным температурам

ISO 4548-3:1997

Methods of test for full-flow lubricating oil filters for internal combustion

engines - Part 3: Resistance to high differential pressure and to elevated

temperature
(IDT)

Москва

Стандартинформ

2009

Предисловие

Цели и принципы стандартизации в Российской Федерации установлены Федеральным законом от 27 декабря 2002 г. № 184-ФЗ «О техническом регулировании», а правила применения национальных стандартов Российской Федерации - ГОСТ Р 1.0-2004 «Стандартизация в Российской Федерации. Основные положения»

Сведения о стандарте

1 ПОДГОТОВЛЕН Обществом с ограниченной ответственностью «Центральный научно-исследовательский дизельный институт» на основе собственного аутентичного перевода стандарта, указанного в пункте 4

2 ВНЕСЕН Техническим комитетом по стандартизации ТК-235 «Двигатели внутреннего сгорания поршневые»

3 УТВЕРЖДЕН И ВВЕДЕН В ДЕЙСТВИЕ Приказом Федерального агентства по техническому регулированию и метрологии от 19 августа 2009 г. № 300-ст

4 Настоящий стандарт идентичен международному стандарту ИСО 4548-3:1997 «Методы испытаний полнопоточных масляных фильтров двигателей внутреннего сгорания. Часть 3. Стойкость к высоким перепадам давлений и повышенным температурам» (ISO 4548-3:1997 «Methods of test for full-flow lubricating oil filters for internal combustion engines - Part 3: Resistance to high differential pressure and to elevated temperature»).

При применении настоящего стандарта рекомендуется использовать вместо ссылочных международных стандартов соответствующие им национальные стандарты Российской Федерации, сведения о которых приведены в дополнительном приложении А

5 ВВЕДЕН ВПЕРВЫЕ

Информация об изменениях к настоящему стандарту публикуется в ежегодно издаваемом информационном указателе «Национальные стандарты», а текст изменений и поправок - в ежемесячно издаваемых информационных указателях «Национальные стандарты». В случае пересмотра (замены) или отмены настоящего стандарта соответствующее уведомление будет опубликовано в ежемесячно издаваемом информационном указателе «Национальные стандарты». Соответствующая информация, уведомление и тексты размещаются также в информационной системе общего пользования - на официальном сайте Федерального агентства по техническому регулированию и метрологии в сети Интернет

СОДЕРЖАНИЕ

1 Область применения. 3

2 Нормативные ссылки. 3

3 Термины и определения. 3

4 Обозначения и сокращения. 3

5 Рабочие параметры, подлежащие определению.. 3

6 Требования к испытуемым фильтрам.. 4

7 Испытательный стенд. 4

8 Испытательные жидкости. 7

9 Точность измерений параметров при испытаниях. 8

10 Порядок проведения испытаний. 8

11 Отчет о результатах испытаний. 9

Приложение А (справочное) Сведения о соответствии национальных стандартов Российской Федерации  ссылочным международным стандартам.. 10

Библиография. 10

Введение

Настоящий стандарт входит в комплекс стандартов ИСО 4548, который устанавливает методы испытаний полнопоточных масляных фильтров двигателей внутреннего сгорания и состоит из 12 частей:

- часть 1. Зависимость перепада давлений от расхода;

- часть 2. Характеристики перепускного клапана;

- часть 3. Стойкость к высоким перепадам давлений и повышенным температурам;

- часть 4. Начальная эффективность задержания частиц, срок службы и совокупная эффективность (гравиметрический метод);

- часть 5. Имитация пуска холодного двигателя и испытания на устойчивость к гидравлическим ударам;

- часть 6. Испытание по определению статического давления разрыва;

- часть 7. Испытание на вибрационную усталость;

- часть 9. Испытания впускных и выпускных антидренажных клапанов;

- часть 10. Ресурс и кумулятивная эффективность при наличии воды в масле;

- часть 11. Самоочищающиеся фильтры;

- часть 12. Определение эффективности фильтрации путем подсчета частиц и способности удерживать загрязнения.

При этом каждая часть комплекса стандартов ИСО 4548 устанавливает методы определения того или иного показателя качества масляных фильтров. Таким образом, испытания по комплексу стандартов ИСО 4548 позволяют полностью определить все показатели качества фильтра.

ИСО 4548-3 устанавливает методы испытаний фильтрующих элементов полнопоточных масляных фильтров двигателей внутреннего сгорания на стойкость к высоким перепадам давлений и повышенным температурам.

ГОСТ Р ИСО 4548-3-2009

НАЦИОНАЛЬНЫЙ СТАНДАРТ РОССИЙСКОЙ ФЕДЕРАЦИИ

МЕТОДЫ ИСПЫТАНИЙ ПОЛНОПОТОЧНЫХ МАСЛЯНЫХ ФИЛЬТРОВ
ДВИГАТЕЛЕЙ ВНУТРЕННЕГО СГОРАНИЯ

Часть 3

Стойкость к высоким перепадам давлений и повышенным температурам

Methods of test for full-flow lubricating oil filters for internal combustion engines.
Part 3. Resistance to high differential pressure and to elevated temperature

Дата введения - 2010-01-01

1 Область применения

Настоящий стандарт распространяется на методы испытаний полнопоточных масляных фильтров двигателей внутреннего сгорания и определяет стойкость к высоким перепадам давлений и повышенным температурам.

2 Нормативные ссылки

В настоящем стандарте использованы ссылки на следующие стандарты:

ИСО 1219-1:2006 Приводы гидравлические и пневматические и их элементы. Графические обозначения и принципиальные схемы. Часть 1. Графические обозначения для общепринятого использования и применительно к обработке данных

ИСО 2942:2004 Приводы гидравлические. Фильтрующие элементы. Проверка на герметичность и определение давления, при котором появляется первый пузырек воздуха

ИСО 11841-1:2000 Транспорт дорожный и двигатели внутреннего сгорания. Словарь терминов, относящихся к фильтру. Часть 1. Определения фильтров и их компонентов

ИСО 11841-2:2000 Транспорт дорожный и двигатели внутреннего сгорания. Словарь терминов, относящихся к фильтру. Часть 2. Определения характеристик фильтров и их компонентов

3 Термины и определения

В настоящем стандарте применены термины по ИСО 11841-1 и ИСО 11841-2.

4 Обозначения и сокращения

В настоящем стандарте использованы обозначения по ИСО 1219-1.

5 Рабочие параметры, подлежащие определению

В процессе эксплуатации фильтры могут подвергаться воздействию высокого перепада давлений, в частности по мере засорения фильтрующего элемента. Фильтры могут подвергаться также воздействию высоких температур.

Испытания, предусмотренные настоящим стандартом, проводят с целью определения способности фильтрующего элемента выдерживать заданный максимальный перепад давлений без потери работоспособности, после чего его испытывают на термостойкость путем имитации повышенной рабочей температуры.

6 Требования к испытуемым фильтрам

6.1 Тип фильтра

Для испытаний на стенде различают следующие типы фильтров:

a) навинчиваемые фильтры, в которых сменная часть не включает в себя корпус фильтра (куда может также входить предохранительный клапан фильтрующего элемента);

b) навинчиваемые фильтры, в которых сменная часть включает в себя корпус фильтра, куда входит также предохранительный клапан фильтрующего элемента;

c) другие фильтры, по большей части со сменным фильтрующим элементом и обычно с собственным корпусом.

6.2 Фильтрующий элемент

Перед испытаниями, за исключением случаев, когда разборка фильтра по каким-либо причинам нежелательна, фильтрующий элемент должен быть проверен на герметичность в соответствии с ИСО 2942.

7 Испытательный стенд

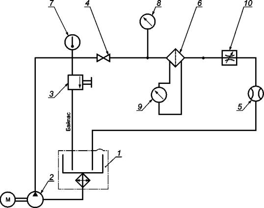
Схема испытательного стенда показана на рисунке 1.

Испытательный стенд должен содержать части, указанные в 7.1 - 7.4, а также все необходимые трубопроводы, фитинги и опоры.

7.1 Масляный бак

Масляный бак испытательного стенда должен вмещать достаточное количество масла, иметь подогреватель и охладитель с термостатами для поддержания необходимой температуры масла при испытаниях. Конструкция и расположение нагревателя должны исключать возможность местного перегрева масла. Выходные отверстия трубопроводов отвода масла из фильтра и байпаса должны быть расположены ниже уровня масла в баке во время работы стенда. Температура масла должна быть такой, чтобы его вязкость поддерживалась на заданном уровне.

7.2 Регулирующие клапаны

Регулирующие клапаны 3 и 10 (см. рисунок 1) предназначены для поддержания необходимых значений давления и расхода. В качестве регулирующих клапанов рекомендуется использовать игольчатые или мембранные клапаны.

7.3 Расходомер

Расходомер должен быть приспособлен для измерения расхода масла с кинематической вязкостью 500 мм2/с. Расход должен измеряться в трубопроводе, подводящем масло к фильтру. Допускается установка расходомера в трубопроводе, отводящем масло из фильтра.

7.4 Установка фильтра

7.4.1 При испытании фильтров, указанных в пункте 6.1, перечисление а), требуется специальная испытательная головка, типичная конструкция которой показана на рисунке 2.

Для измерения перепада давлений на фильтрующем элементе используют отводы А и С (см. рисунок 2).

7.4.2 При испытании фильтров, указанных в пункте 6.1, перечисления b) и с), один из штуцеров для измерения перепада давлений на фильтрующем элементе должен быть установлен в испытуемом фильтре перед фильтрующим элементом, а другой - за ним. Указанные штуцеры должны по возможности располагаться в фильтре так, чтобы давление измерялось в тех точках, где поток имеет минимальную скорость и не турбулизован. Другая возможность измерения перепада давлений на фильтрующем элементе состоит в использовании специального испытательного корпуса, пример которого показан на рисунке 3.

1 - бак (желательно теплоизолированный), имеющий подогреватель и охладитель с собственными термостатами;
2 - насос с приводом; 3 - дроссельный клапан (для регулирования давления); 4 - отсечной клапан;
5 - расходомер; 6 - испытываемый фильтр; 7 - датчик температуры, соединенный с индикатором температуры;
8 - манометр для измерения давления на входе в фильтр;
9 - дифференциальный манометр или два обычных манометра для измерения перепада давления на фильтрующем элементе;
10 - дроссельный клапан (для регулирования расхода)

Рисунок 1 - Схема испытательного стенда

_______

1) d= 10; 14; 24 или 28 мм, в зависимости от диаметра выходного отверстия фильтра

1 - отвод для измерения давления на входе А, непосредственно соединенный с входным кольцевым зазором;
2 - отверстие для входного соединения; 3 - отвод для измерения давления на выходе фильтрующего элемента С;
4 - отверстие для выходного соединения; 5 - отвод для измерения давления на выходе В;
6-размеры торцевой поверхности и резьбы -по ИСО 6415 [3] или в соответствии с конструкцией испытуемых фильтров;
7 - трубка наружным диаметром 3 мм и внутренним
диаметром 1,5 мм

Рисунок 2 - Типичная конструкция специальной испытательной головки для фильтра-патрона,
в котором сменный элемент не включает в себя головку фильтра

Размеры в миллиметрах (дюймах)

1 - верхняя (подвижная) пластина с уплотнением вокруг центральной трубки; 2 - заглушка в центральной трубке;
3 - опорная (неподвижная) пластина с уплотнением вокруг центральной трубки; 4 - вход;
5 - штуцеры для измерения перепада давления на фильтрующем элементе; 6 - отверстия, зачищенные от заусениц;
7 - отверстия в центральной трубке с общим проходным сечением не менее 1,5 площади проходного сечения входного отверстия; 8 - выход

Рисунок 3 - Типичная конструкция испытательного корпуса

8 Испытательные жидкости

8.1 Жидкости, применяемые для испытаний на сопротивление повышенному перепаду давлений

При испытаниях фильтрующих элементов на сопротивление повышенному перепаду давлений должно применяться смазочное масло, сорт и температура которого должны обеспечить кинематическую вязкость 500 мм2/с. При этом температура масла не должна превышать 100 °С.

Вязкость 500 мм2/с может быть получена при использовании масла ИСО VG 460 (SAE 140) (см. [1] и [4]) при температуре 38 °С.

8.2 Жидкости, применяемые для испытаний на термостойкость

Если между изготовителем и потребителем фильтра нет иной договоренности, то для испытания выбирают одно из стандартных промышленных масел.

Степень и характер разрушения фильтрующего элемента под влиянием повышенной температуры могут зависеть от взаимодействия материала элемента и масла, для которого он используется. Поэтому сравнение фильтрующих элементов по данному показателю будет корректным, если при его определении использовалось то же масло, на котором эти фильтрующие элементы должны работать при их эксплуатации. Только при этом условии результаты данного испытания могут быть использованы для сравнения фильтрующих элементов.

9 Точность измерений параметров при испытаниях

Точность измерений параметров при испытаниях должна быть не ниже указанной в таблице 1. Перепады давлений должны измеряться в килопаскалях (кПа).

Таблица 1 - Точность измерений

Параметр

Точность измерений, %

Перепад давления, кПа

± 5

Вязкость масла, мм2

± 5

Расход масла, л/мин

± 2

10 Порядок проведения испытаний

10.1 Испытания на сопротивление повышенному перепаду давлений

Для этого испытания используют только новый фильтрующий элемент.

10.1.1 Испытуемый фильтр устанавливают в соответствии с рисунком 1.

10.1.2 Наливают требуемое количество чистого испытательного масла (см. 8.1) в бак 1 (см. рисунок 1) и включают стенд. При этом масло должно прокачиваться только через перепускной трубопровод. На данном этапе масло не должно проходить через фильтр.

10.1.3 Включают подогреватель или охладитель и устанавливают термостат на поддержание требуемой температуры (см. 8.1). Следует подождать до установления температуры.

10.1.4 Когда температура масла в баке 1 (см. рисунок 1) стабилизируется, переключают поток на испытуемый фильтрующий элемент. Увеличивают расход масла до тех пор, пока перепад давлений на фильтрующем элементе не достигнет 175 кПа. Далее, увеличивая расход масла, повышают перепад давлений на фильтрующем элементе ступенями по 25 кПа до тех пор, пока он не достигнет 350 кПа (последняя цифра может быть изменена по соглашению между изготовителем и потребителем фильтра). На каждой ступени стенд должен работать при установившемся перепаде давлений в течение 1 мин.

При всех значениях перепада давлений превышение номинального расхода масла через фильтр не допускается. Если при работе на чистом испытательном масле не удается достигнуть требуемого значения перепада давлений на фильтрующем элементе, в масло добавляют некоторое количество загрязняющего вещества для частичного засорения фильтрующего элемента. Количество загрязняющего вещества должно обеспечивать получение необходимого перепада давлений на фильтрующем элементе при значении расхода, не превышающем номинальный.

10.1.5 Если дальнейшее увеличение расхода масла не сопровождается ростом перепада давлений или перепад давлений внезапно уменьшился, испытания необходимо прекратить, даже если требуемый перепад давлений не достигнут.

После завершения испытания фильтрующий элемент вынимают из корпуса, удаляют излишки масла и проверяют элемент на отсутствие повреждений (см. 11.1). Если видимых повреждений фильтрующего элемента не обнаружено, его целостность проверяют по ИСО 2942.

10.2 Испытания на термостойкость

10.2.1 Из корпуса фильтра сливают излишки масла, оставшиеся после предыдущих испытаний.

10.2.2 Погружают фильтр полностью в масло для испытаний (см. 8.2), следя за тем, чтобы из него был удален весь воздух.

10.2.3 Помещают контейнер с маслом вместе с фильтром в печь с термостатическим регулированием для поддержания температуры масла 135+2 °С, если между изготовителем и потребителем фильтра нет иной договоренности. Выдерживают фильтр при этой температуре в течение 96 ч.

10.2.4 Удаляют контейнер с маслом и фильтром из печи и охлаждают до температуры, не превышающей 40 °С.

10.2.5 Выливают масло из фильтра, не разбирая его.

10.2.6 Повторяют испытания по 10.2.2 - 10.2.5.

По договоренности между изготовителем и потребителем время выдерживания фильтра в горячем масле может быть более 192 ч.

10.2.7 Фильтр испытывают по 10.1.1 - 10.1.5.

11 Отчет о результатах испытаний

11.1 Отчет об испытаниях на сопротивление повышенному перепаду давлений

После проведения каждого испытания по определению способности фильтрующего элемента выдерживать повышенный перепад давлений оформляют протокол испытания, куда вносят:

a) наименование организации или подразделения, проводившей(го) испытания;

b) тип фильтра (изготовитель, номера модели и серии - в зависимости от назначения испытаний);

c) дату проведения испытаний;

d) обозначение, температуру и вязкость испытательной жидкости;

e) результаты проверки на герметичность (см. ИСО 2942);

f) сведения о любом остаточном изменении формы фильтрующего материала;

g) сведения о любом ухудшении состояния уплотнений;

h) сведения о любом остаточном изменении формы или частичном разрушении других компонентов фильтрующего элемента;

i) прочие наблюдения, относящиеся к изменению состояния компонентов фильтра, свойственных конструкции конкретного фильтра или фильтрующего элемента.

11.2 Отчет об испытаниях на термостойкость

После проведения каждого испытания на определение способности фильтрующего элемента выдерживать повышенную температуру составляют протокол испытания, куда вносят следующие данные:

a) наименование организации или подразделения, проводившей(го) испытания;

b) тип фильтра (изготовитель, номера модели и серии в зависимости от назначения испытаний);

c) дату проведения испытаний;

d) обозначение и температуру испытательной жидкости, использованной при испытаниях на термостойкость;

е) обозначение, температуру и вязкость испытательной жидкости, использованной в последующих испытаниях на способность выдерживать повышенный перепад давлений:

f) результаты проверки на герметичность (см. ИСО 2942);

g) сведения о любом остаточном изменении формы фильтрующего материала;

h) сведения о любом ухудшении состояния уплотнений;

i) сведения о любом остаточном изменении формы или частичном разрушении других компонентов фильтрующего элемента;

j) прочие наблюдения, относящиеся к изменению состояния компонентов фильтра, свойственных конструкции конкретного фильтра или фильтрующего элемента.

Приложение А
(справочное)

Сведения о соответствии национальных стандартов Российской Федерации
ссылочным международным стандартам

Таблица А.1

Обозначение ссылочного
международного стандарта

Обозначение и наименование соответствующего национального стандарта

ИСО 1219-1:2006

ГОСТ 2.780-96 «Единая система конструкторской документации. Обозначения условные графические. Кондиционеры рабочей среды, емкости гидравлические и пневматические»

ГОСТ 2.781-96 «Единая система конструкторской документации. Обозначения условные графические. Аппараты гидравлические и пневматические, устройства управления и приборы контрольно-измерительные»

ГОСТ 2.789-74 «Единая система конструкторской документации. Обозначения условные графические. Аппараты теплообменные»

ГОСТ 2.793-79 «Единая система конструкторской документации. Обозначения условные графические. Элементы и устройства машин и аппаратов химических производств. Общие обозначения»

ИСО 2942:2004

ГОСТ 25277-82 (ИСО 2941-74, ИСО 2942-85, ИСО 2943-74, ИСО 3723-76, ИСО 3724-76) «Фильтроэлементы для объемных гидроприводов и смазочных систем. Правила приемки и методы испытаний»

ГОСТ Р 50554-93 «Промышленная чистота. Фильтры и фильтрующие элементы. Методы испытаний»

ИСО 11841-1:2000 ИСО 11841-2:2000

ГОСТ 26070-83 «Фильтры и сепараторы для жидкостей. Термины и определения»

Библиография

[1]

ИСО 3448:1992

Жидкие смазки промышленные. Классификация вязкости по ИСО

 

(ISO 3448:1992)

(Industrial liquid lubricants. ISO viscosity classification)

[2]

ИСО 3968:1981

Приводы гидравлические. Фильтры. Определение перепада давления в функции от расхода

 

(ISO 3968:1981)

(Hydraulic fluid power/ Filters/ Evaluation of pressure drop versus flow characteristics)

[3]

ИСО 6415:1990

Двигатели внутреннего сгорания. Навинчиваемые масляные фильтры. Размеры

 

(ISO 6415:1990)

(Internal combustion engines. Spin-on filters for lubricating oil. Dimensions)

[4]

ANSI/SAE J300-MAR93

Классификация моторных масел

 

(ANSI/SAE J300-MAR93)

(Engine oil viscosity classification)

 

Ключевые слова: двигатели внутреннего сгорания, полнопоточные масляные фильтры, методы испытаний, стойкость к высоким перепадам давлений и повышенным температурам

 

 



© 2013 Ёшкин Кот :-)