Информационная система
«Ёшкин Кот»

XXXecatmenu

ФЕДЕРАЛЬНОЕ АГЕНТСТВО
ПО ТЕХНИЧЕСКОМУ РЕГУЛИРОВАНИЮ И МЕТРОЛОГИИ

НАЦИОНАЛЬНЫЙ
СТАНДАРТ
РОССИЙСКОЙ
ФЕДЕРАЦИИ

ГОСТ Р
53332-2009

Техника пожарная

МОТОПОМПЫ ПОЖАРНЫЕ

Основные параметры.
Общие технические требования.
Методы испытаний

Москва

Стандартинформ

2009

Предисловие

Цели и принципы стандартизации в Российской Федерации установлены Федеральным законом от 27 декабря 2002 г. № 184-ФЗ «О техническом регулировании», а правила применения национальных стандартов Российской Федерации - ГОСТ Р 1.0-2004 «Стандартизация в Российской Федерации. Основные положения»

Сведения о стандарте

1 РАЗРАБОТАН Федеральным Государственным Учреждением Всероссийским научно-исследовательским институтом противопожарной обороны МЧС России

2 ВНЕСЕН Техническим комитетом по стандартизации ТК274 «Пожарная безопасность»

3 УТВЕРЖДЕН И ВВЕДЕН В ДЕЙСТВИЕ Приказом Федерального агентства по техническому регулированию и метрологии от 18 февраля 2009 г. № 108-ст

4 ВВЕДЕН ВПЕРВЫЕ

Информация об изменениях к настоящему стандарту публикуется в ежегодно издаваемом информационном указателе «Национальные стандарты», а текст изменений и поправок - в ежемесячно издаваемых информационных указателях «Национальные стандарты». В случае пересмотра или отмены настоящего стандарта соответствующее уведомление будет опубликовано в ежемесячно издаваемом информационном указателе «Национальные стандарты». Соответствующая информация, уведомление и тексты размещаются также в информационной системе общего пользования - на официальном сайте Федерального агентства по техническому регулированию и метрологии в сети Интернет

СОДЕРЖАНИЕ

ГОСТ Р 53332-2009

НАЦИОНАЛЬНЫЙ СТАНДАРТ РОССИЙСКОЙ ФЕДЕРАЦИИ

Техника пожарная

МОТОПОМПЫ ПОЖАРНЫЕ

Основные параметры. Общие технические требования.
Методы испытаний

Fire equipment. Fire motor pumps. Main parameters.
General technikal requirements. Methods of testing

Дата введения - 2007-01-01

1 Область применения

Настоящий стандарт распространяется на пожарные мотопомпы, которые предназначены для подачи воды и водных растворов пенообразователей температурой до 30 °C с водородным показателем рН от 7 до 10,5, плотностью до 1100 кг × м-3 и массовой концентрацией твердых частиц до 0,5 % при их максимальном размере 3 мм при тушении пожаров.

2 Нормативные ссылки

В настоящем стандарте использованы ссылки на следующие стандарты:

ГОСТ Р 50588-93 Пенообразователи для тушения пожаров. Общие технические требования и методы испытаний

ГОСТ 2.601-2006 Единая система конструкторской документации. Эксплуатационные документы

ГОСТ 9.014-78 Единая система защиты от коррозии и старения. Временная противокоррозионная защита изделий. Общие требования

ГОСТ 9.032-74 Единая система защиты от коррозии и старения. Покрытия лакокрасочные. Группы, технические требования и обозначения

ГОСТ 12.2.033-78 Система стандартов безопасности труда. Рабочее место при выполнении работ стоя. Общие эргономические требования

ГОСТ 12.2.037-78 Система стандартов безопасности труда. Техника пожарная. Требования безопасности

ГОСТ 2991-95 Ящики дощатые неразборные для грузов массой до 500 кг. Общие технические условия

ГОСТ 6134-2007 (ИСО 9906:1999) Насосы динамические. Методы испытаний ГОСТ 12969-67 Таблички для машин и приборов. Технические требования

ГОСТ 12971-67 Таблички прямоугольные для машин и приборов. Размеры

ГОСТ 14254-96 (МЭК 529-89) Степени защиты, обеспечиваемые оболочками (Код IP)

ГОСТ 15150-69 Машины, приборы и другие технические изделия. Исполнения для различных климатических районов. Категория, условия эксплуатации, хранения, транспортирования в части воздействия климатических факторов внешней среды

ГОСТ 16504-81 Система государственных испытаний продукции. Испытания и контроль качества продукции. Основные термины и определения

ГОСТ 17187-81 Шумомеры. Общие технические требования и методы испытаний

ГОСТ 17398-72 Насосы. Термины и определения

ГОСТ 21752-76 Система «человек - машина». Маховики управления и штурвалы. Общие эргономические требования

ГОСТ 21753-76 Система «человек- машина». Рычаги управления. Общие эргономические требования

ГОСТ 24634-81 Ящики деревянные для продукции, поставляемой для экспорта. Общие технические условия

ГОСТ 28352-89 Головки соединительные для пожарного оборудования. Типы, основные параметры и размеры

Примечание - При пользовании настоящим стандартом целесообразно проверить действие ссылочных стандартов в информационной системе общего пользования - на официальном сайте Федерального агентства по техническому регулированию и метрологии в сети Интернет или по ежегодно издаваемому информационному указателю «Национальные стандарты», который опубликован по состоянию на 1 января текущего года, и по ежегодно издаваемым информационным указателям, опубликованным в текущем году. Если ссылочный стандарт заменен (изменен), то при пользовании настоящим стандартом следует руководствоваться заменяющим (измененным) стандартом. Если ссылочный стандарт отменен без замены, то положение, в котором дана ссылка на него, применяется в части, не затрагивающей эту ссылку.

3 Термины и определения

В настоящем стандарте применены следующие термины с соответствующими определениями:

3.1 мотопомпа пожарная (мотопомпа): Насосный агрегат с двигателем внутреннего сгорания, укомплектованный пожарно-техническим оборудованием.

3.2 номинальный режим насоса: Режим работы насоса, обеспечивающий установленные технические показатели: подачу и напор при установленной номинальной частоте вращения и номинальной геометрической высоте всасывания.

3.3 номинальная подача насоса Qном: Подача насоса при номинальном напоре Нном, номинальной геометрической высоте всасывания hr ном и номинальной частоте вращения рабочего колеса насоса nном

3.4 давление на входе в насос р1: Давление жидкой среды на входе в насос.

3.5 давление на выходе из насоса р2: Давление жидкой среды на выходе из насоса.

3.6 давление насоса рн, Па: Величина, вычисляемая по формуле

(1)

где р2 и р1 - давление на выходе и входе в насос соответственно, Па;

r - плотность жидкой среды, кг × м-3;

V2 и V1- скорость жидкой среды на выходе и входе в насос, м × с-1;

q - ускорение свободного падения, м × с-2;

z2 и z1 - высота центра тяжести сечения выхода и входа в насос, м.

3.7 напор насоса Н, м: Величина, вычисляемая по формуле

(2)

где р2 и р1 - давление на выходе и входе в насос, Па;

r - плотность жидкой среды, кг × м-3;

q - ускорение свободного падения, м × с-2;

V2 и V1 - скорость жидкой среды на выходе и входе в насос, м × с-1;

Z2 - Z1 - высота центра тяжести сечения выхода и входа в насос, м.

3.8 номинальный напор насоса Нном, м: Напор насоса при номинальной подаче Qном, номинальной геометрической высоте всасывания hr ном и номинальной частоте вращения рабочего колеса насоса nном.

3.9 геометрическая высота всасывания hг, м: Расстояние между осью вращения рабочего колеса первой ступени насоса и уровнем воды со стороны линии всасывания.

3.10 номинальная геометрическая высота всасывания hг, ном, м: Установленное расстояние между осью вращения рабочего колеса первой ступени насоса и уровнем воды со стороны линии всасывания, определяющее номинальный режим работы насоса Qном.

3.11 номинальная частота вращения nном, об × мин-1: Установленное значение частоты вращения рабочего колеса (приводного вала насоса), определяющее номинальный режим работы насоса.

3.12 направление вращения привода: Правое - вращение по часовой стрелке со стороны привода, левое - вращение против часовой стрелки со стороны привода.

3.13 мощность насоса в номинальном режиме Nном, кВт: Мощность, потребляемая насосом при номинальных значениях частоты вращения nном, подачи Qном и геометрической высоты всасывания nг,ном

3.14 система водозаполнения: Устройство, обеспечивающее заполнение всасывающей линии и насоса водой при работе с геометрической высоты всасывания до 7,5 м.

3.15 система подачи и дозирования пенообразователя: Устройство, обеспечивающее введение и дозирование пенообразователя в насос.

4 Классификация, номенклатура показателей

4.1 Определение видов насосов по принципу действия и конструкции должны соответствовать ГОСТ 17398.

4.2 Мотопомпы в зависимости от типа привода классифицируют на:

- мотонасосные агрегаты - насосные агрегаты, в которых приводным двигателем является карбюраторный двигатель;

- дизель-насосные агрегаты - насосные агрегаты, в которых приводным двигателем является дизельный двигатель.

4.3 В зависимости от конструктивных особенностей и основных показателей мотопомпы классифицируют на:

- мотопомпы нормального давления, обеспечивающие подачу воды и огнетушащих растворов при давлении на выходе до 2,0 МПа;

- мотопомпы высокого давления, обеспечивающие подачу воды и огнетушащих растворов при давлении на выходе свыше 2,0 МПа.

4.4 По способу перемещения при эксплуатации мотопомпы классифицируют на:

- переносные - мотопомпы, доставляемые к месту эксплуатации вручную;

- прицепные - мотопомпы, установленные на прицепе (полуприцепе) и доставляемые к месту применения автомобильным транспортом.

4.5 Для мотопомп устанавливается следующая номенклатура показателей, которые должны включаться в нормативные документы и техническую документацию:

- номинальная подача насоса Qном, л × с-1× мин-1, м3 × ч-1);

- номинальный напор насоса Нном, м;

- номинальная частота вращения nном, об × мин-1;

- номинальная геометрическая высота всасывания hr ном, м;

- максимальная геометрическая высота всасывания hr max м;

- подача при максимальной геометрической высоте всасывания Q, л × с-1;

- напор при максимальной геометрической высоте всасывания Н, м;

- максимальное рабочее давление на входе в насос p1 max, МПа (кгс × см-2);

- максимальное рабочее давление на выходе из насоса р2 max, МПа (кгс × см-2);

- габаритные размеры, мм;

- масса, кг;

- количество и условный диаметр всасывающих и напорных патрубков, мм;

- тип системы водозаполнения всасывающей линии;

- время всасывания (заполнения) с максимальной геометрической высоты всасывания tВС, с;

- тип системы дозирования пенообразователя (добавок, веществ);

-диапазон дозирования (регулирования) уровня концентрации пенообразователя при установленных значениях подачи и давления на выходе из насоса С, %;

- тип приводного двигателя;

- мощность приводного двигателя NДВ, кВт (л.с);

- вид топлива;

- расход топлива в номинальном режиме работы насоса qт, кг × ч-1;

- тип системы охлаждения;

- тип системы запуска двигателя.

В номенклатуру показателей могут быть внесены показатели, не указанные в 4.5.

5 Общие технические требования

5.1 Типы, основные параметры

5.1.1 Основные показатели мотопомп приведены в таблице 1.

Таблица 1

Наименование показателя

Мотопомпы

нормального давления

высокого давления

Номинальная подача, л × мин-1

200

400

600

800

1200

1600

2400

120

240

Номинальный напор, м, не менее

60

80

100

400

Номинальная геометрическая высота всасывания, м

1,5

3,5

1,5

Максимальная геометрическая высота всасывания, м, не менее

5

7

5

Время всасывания с максимальной геометрической высоты всасывания tBC, с, не более

40

Подача при максимальной геометрической высоте всасывания и номинальном напоре, л × с-1, не менее

100

200

300

400

600

800

1200

60

120

Максимальное рабочее давление на входе в насос, МПа

0,6

Максимальное рабочее давление на выходе из насоса, МПа

1,0

1,5

5,0

Условный диаметр всасывающего патрубка, мм

80

80 (100)

100 (125)

125

80

Количество и условный диаметр напорных патрубков, мм

1 ´ 50

(1 ´ 70)

1 ´ 70

(2 ´ 70)

2´70

2 ´ 70

(2 ´ 80)

1 ´ 25

1 ´ 25

(2 ´ 25)

Примечания

1 По согласованию с заказчиком допускается изменять количество и диаметр напорных патрубков.

2 Значения показателей, указанные в скобках, являются допустимыми.

5.2 Характеристики мотопомпы

5.2.1 Мотопомпа конструктивно должна представлять собой мотор-насосный агрегат, состоящий из центробежного насоса и приводного двигателя внутреннего сгорания.

5.2.2 Конструкцией насоса должна быть предусмотрена возможность его разборки и сборки с применением рекомендуемых изготовителем способов, инструментов и принадлежностей.

5.2.3 Конструкцией насоса должны быть предусмотрены устройства, обеспечивающие слив воды из полостей насоса.

5.2.4 В корпусе насоса должны быть предусмотрены отверстия для слива при наличии утечек через уплотнения вала.

5.2.5 Во всасывающем патрубке насоса должен быть установлен фильтр, размеры отверстий (ячеек) которого должны быть меньше ширины рабочего колеса насоса.

5.2.6 Напорный патрубок насоса должен быть оборудован запорно-регулирующей арматурой.

5.2.7 Конструкцией насоса (запорно-регулирующей арматуры) должно быть предусмотрено устройство, обеспечивающее предотвращение обратного тока жидкости из напорной магистрали в полость насоса.

5.2.8 Всасывающий и напорный патрубки насоса должны быть оборудованы пожарными головками по ГОСТ 28352.

5.2.9 Мотопомпа должна быть оборудована вакуумной или другого типа системой водозаполнения с ручным или автоматическим управлением.

Автоматическая система должна обеспечивать трехкратное заполнение насоса при следующих друг за другом срывах водяного столба во всасывающей линии при работе с максимальной геометрической высоты всасывания.

5.2.10 Мотопомпы могут иметь в своем составе систему дозирования пенообразователя с ручным или автоматическим управлением.

Система дозирования пенообразователя (ГОСТ Р 50588) должна обеспечивать его подачу с концентрацией по объему в водном растворе, указанной в нормативном документе (НД), при установленных подачах насоса и давлениях.

При наличии системы дозирования в конструкции насоса рекомендуется предусматривать устройство, исключающее попадание пенообразователя во всасывающую линию при нулевой подаче насоса.

5.2.11 Конструкцией насоса мотопомпы, предназначенной для работы как от пожарного гидранта, так и из открытого водоисточника, должно быть предусмотрено обеспечение его герметичности и прочности при испытательном статическом давлении р1исп = р1тах ± 0,5 кгс × см-2 и при испытательном динамическом давлении р2исп = p2max ± 0,5 кгс × см-2, а также обеспечение его герметичности при вакууме не менее минус 0,75 кгс × см-2.

5.2.12 Приводной двигатель должен быть оборудован ограничителем количества оборотов.

5.2.13 В системе управления двигателем должен быть предусмотрен плавный регулятор скорости вращения.

5.2.14 Электрическая система двигателя должна иметь защиту от воздействия влаги и коротких замыканий. Степень защиты по ГОСТ 14254 должна быть указана в нормативном документе (НД).

5.2.15 Двигатель должен быть оснащен ручной или электрической пусковой системой. Продолжительность запуска не должна превышать 2 мин.

5.2.16 Система водяного охлаждения должна быть оборудована сливными устройствами, обеспечивающими полный слив охлаждающей жидкости.

Конструкцией системы охлаждения должна быть предусмотрена возможность обеспечения доступа к элементам, подверженным загрязнению и требующим проведения профилактических работ без демонтажа других элементов.

5.2.17 Двигатель должен быть оборудован системой выпуска отработавших газов с глушителем. Отработавшие газы должны быть направлены в сторону, противоположную рабочему месту оператора.

Система выпуска отработавших газов должна обеспечивать исключение контакта с другими элементами конструкции мотопомпы (охлаждения, электропитания, подачи топлива) и возможность травматизма при эксплуатации.

Для дизельных двигателей система выпуска отработавших газов должна быть оборудована искрогасительным устройством.

5.2.18 Топливная система должна быть оборудована топливным баком, емкость которого должна обеспечивать непрерывную работу мотопомпы в номинальном режиме без дозаправки не менее 2 ч.

Элементы топливной системы должны сохранять прочность и герметичность при воздействии на них вибраций, возникающих при работе мотопомпы и во время ее транспортирования.

Топливный бак должен быть оборудован заливной горловиной с закрывающим устройством, конструкцией которой должна быть предусмотрена возможность исключения утечки топлива из горловины при допустимых углах наклона мотопомпы во время работы и при транспортировании.

Топливный бак для прицепных мотопомп рекомендуется оборудовать указателем уровня топлива.

Топливная система должна быть оборудована топливным краном и легкосъемным грязеотделительным отстойником или фильтрующим устройством.

5.2.19 Конструкцией системы смазки приводного двигателя и насоса должна быть предусмотрена возможность обеспечения доступа к заливке и сливу масла, а также к системе контроля за его уровнем.

Подтекание смазочных материалов при хранении мотопомпы, ее транспортировании и эксплуатации не допускается.

5.2.20 На всех режимах работы мотопомпы не допускаются течи и каплеобразования через стенки и соединения насоса (за исключением утечек из дренажного отверстия), подтекание масла и охлаждающей жидкости.

5.2.21 Переносные мотопомпы следует устанавливать на несущей раме, обеспечивающей возможность ее переноски вручную, транспортирования автотранспортом, автомобильным прицепом и установки на грунт.

Рукоятки на раме для перемещения мотопомпы должны быть оборудованы теплоизоляционным материалом.

5.2.22 Прицепные мотопомпы должны быть установлены на автомобильные прицепы в соответствии с существующими на них нормами и правилами оборудования и транспортирования грузов.

5.2.23 Сварные швы не должны иметь дефектов в виде трещин, непроваров, прожогов, шлаковых включений, подрезов.

5.2.24 Мотопомпа должна быть оборудована съемным кожухом, обеспечивающим защиту от механических повреждений и атмосферных осадков.

5.2.25 На мотопомпах рекомендуется устанавливать следующие контрольно-измерительные приборы:

- мановакуумметр во всасывающем патрубке насоса;

- манометр (мановакуумметр) в напорном патрубке насоса;

- тахометр;

- счетчик моточасов;

- датчик (индикатор) температуры охлаждающей жидкости (для двигателей с жидкостной системой охлаждения);

- датчик (индикатор) давления масла в системе смазки (для двигателей с картерной системой смазки);

- индикатор разрядки аккумуляторной батареи;

- индикатор включения системы зажигания. Класс точности приборов не менее 2,5.

Контрольно-измерительные приборы следует располагать в рабочей зоне оператора. Допускается установка дополнительных контрольно-измерительных приборов. Наличие манометра (мановакуумметра) в напорном патрубке насоса обязательно.

5.2.26 Рама, топливный бак, наружные поверхности мотопомпы и защитный кожух должны иметь защитное лакокрасочное покрытие по ГОСТ 9.032, удовлетворяющее условия эксплуатации. Основной цвет окрашиваемых наружных поверхностей - красный.

5.2.27 Затяжка и стопорение всех крепежных сборочных узлов и деталей должны исключать их самопроизвольное ослабление и отвинчивание при эксплуатации и транспортировании.

5.3 Требования надежности

5.3.1 Конструкцией мотопомпы должна быть предусмотрена возможность обеспечения ее непрерывной работы в номинальном режиме в течение времени не менее 2 ч.

5.3.2 Конструкцией мотопомпы должна быть предусмотрена возможность обеспечения надежной и устойчивой работы при подаче воды из открытых водоисточников при температуре окружающего воздуха от минус 40 °С до плюс 40 °С. Продолжительность запуска не должна превышать 2 мин.

5.3.3 Мотопомпа должна иметь следующие показатели надежности:

- установленную безотказную наработку до отказа не менее - 200 ч,

- цикл включения вакуумной системы не менее - 300 ч;

- установленный ресурс до первого капитального ремонта не менее 1500 ч,

- срок службы до списания- 10 лет.

5.4 Требования стойкости к внешним воздействиям

5.4.1 Климатическое исполнение мотопомп - У, категория размещения 1 по ГОСТ 15150 при температуре окружающего воздуха от минус 40 °С до плюс 40 °С.

5.4.2 Рама, топливный бак, наружные поверхности мотопомпы и защитный кожухдолжны иметь защитное лакокрасочное покрытие, стойкое к атмосферным осадкам, пенообразователю, смазочным материалам, моторному маслу и топливу.

5.5 Требования эргономики

5.5.1 Органы управления работой мотопомпы должны быть расположены в пределах зоны досягаемости оператора с учетом требований ГОСТ 12.2.033.

5.5.2 Уровень звука, создаваемый мотопомпой при работе в номинальном режиме, не должен превышать 90 дБА

5.5.3 Усилия на органах управления мотопомпой должны соответствовать требованиям ГОСТ 21752, ГОСТ 21753.

5.6 Требования к сырью, материалам, покупным изделиям

Физико-химические свойства исходных материалов, твердость, шероховатость их поверхностей должны соответствовать стандартам, техническим условиям на их изготовление, а также назначению и условиям работы изготовляемых из них деталей.

Комплектующие составные части мотопомпы должны соответствовать стандартам на их изготовление.

Применяемые смазочные материалы должны соответствовать стандартам, техническим условиям на их изготовление, назначению и условиям работы во время эксплуатации.

5.7 Комплектность

5.7.1 В комплект должны входить запасные детали в соответствии с ведомостью запасных частей и принадлежностей (ЗИП).

5.7.2 К мотопомпе должна быть приложена следующая эксплуатационно-техническая документация в соответствии с ГОСТ 2.601, содержащая:

- техническое описание;

- паспорт;

- инструкцию по эксплуатации;

- инструкцию по техническому обслуживанию;

- инструкцию по монтажу, пуску, регулированию и обкатке.

Допускается объединять отдельные эксплуатационные документы в единый документ.

5.8 Маркировка

5.8.1 Устройства для заливки топлива, охлаждающей жидкости, смазки, органы и элементы управления, контрольно-измерительные приборы, функциональное назначение которых требует пояснения, должны быть оборудованы табличками с разъяснительными надписями или обозначениями рабочих (регулирующих) положений.

5.8.2 На видном месте должна быть прикреплена табличка предприятия-изготовителя, выполненная по ГОСТ 12969 и ГОСТ 12971 и содержащая следующую информацию:

- наименование или товарный знак предприятия-изготовителя;

- условное обозначение мотопомпы;

- обозначение технических условий;

- заводской номер по системе предприятия-изготовителя;

- год выпуска;

- номинальную подачу;

- номинальный напор;

- мощность приводного двигателя.

5.8.3 Маркировка табличек, обозначение органов и элементов управления, контрольно-измерительных приборов должны быть выполнены способом, обеспечивающим четкость и сохранность надписей в течение всего срока эксплуатации.

5.8.4 На насосе мотопомпы должно быть указано стрелкой на поверхности корпуса или крышки направление вращения вала.

5.8.5 Запасные части и детали маркируют обозначением чертежа на деталях и узлах. Допускается маркировку запасных частей выполнять на прикрепленных к ним бирках.

5.9 Упаковка,транспортирование, хранение

5.9.1 Для обеспечения защиты при транспортировании от воздействия климатических факторов, механических повреждений и загрязнения мотопомпа должна быть упакована в тару по ГОСТ 2991, ГОСТ 24634. Упаковка должна быть проведена так, чтобы исключить перемещение груза в таре при погрузке, транспортировании и выгрузке.

Техническая и эксплуатационная документации, а также запасные части и инструменты должны быть помещены во влагонепроницаемый пакет. Пакет должен быть размещен внутри упаковочного ящика.

Допускается по согласованию с потребителем транспортировать мотопомпы без упаковки с обеспечением их сохранности от механических повреждений и атмосферных осадков.

5.9.2 Перед упаковкой мотопомпа и запасные детали должны быть очищены. Внутренние полости насоса должны быть осушены.

5.9.3 Мотопомпа, запасные детали, приспособления и специальный инструмент должны быть законсервированы по ГОСТ 9.014, вариант защиты ВЗ-1, ВЗ-2. Срок действия консервации - три года.

В эксплуатационной документации должны быть указаны дата консервации и установленный срок защиты без переконсервации, способ расконсервации мотопомпы.

5.9.4 Транспортирование мотопомп может осуществляться всеми видами транспорта в соответствии с правилами перевозки грузов, действующими на этих видах транспорта.

5.9.5 Длительное хранение мотопомп должно осуществляться в отапливаемых складских помещениях при температуре не свыше 40 °С.

6 Требования безопасности

6.1 Требования безопасности к конструкции мотопомп - по ГОСТ 12.2.037.

6.2 Мотопомпы должны иметь специальные устройства, обеспечивающие безопасную строповку, подъем и транспортирование их при изготовлении и монтаже.

6.3 Конструкцией сборочных единиц мотопомпы должна быть предусмотрена возможность обеспечения свободного доступа к ним, безопасность при монтаже, эксплуатации и ремонте.

6.4 Вращающиеся части, расположенные в зоне работы оператора, должны иметь ограждение, обеспечивающее безопасность обслуживания.

6.5 К испытанию и обслуживанию мотопомп допускаются лица, изучившие их устройство и правила эксплуатации.

6.6 Соединение и разъединение трубопроводов, а также подтяжка резьбовых соединений во время работы насоса запрещены.

6.7 Для работы в ночное время мотопомпа должна быть оборудована (укомплектована) фонарем для освещения рабочего места оператора.

7 Требования охраны окружающей среды

Подтекание смазочных материалов во время хранения, транспортирования и эксплуатации насоса не допускается.

8 Правила приемки

8.1 Виды испытаний, общие положения

8.1.1 Для мотопомп устанавливают следующие виды испытаний по ГОСТ 16504.

8.1.2 Периодические, типовые испытания, испытания на надежность, а также испытания по определению отдельных показателей, характеристик допускается проводить на предприятиях (организациях), имеющих необходимое испытательное оборудование.

8.1.3 Детали, сборочные единицы и мотопомпа в целом должны быть приняты службой технического контроля предприятия-изготовителя в соответствии с требованиями настоящего стандарта, чертежей, технологического процесса и карт контроля.

8.2 Предъявительские испытания

8.2.1 Предъявительским испытаниям подлежит каждая мотопомпа.

8.2.2 Мотопомпы, не выдержавшие предъявительских испытаний, подлежат возврату для устранения причин возникновения дефектов, повторной проверки и последующего предъявления на испытания.

8.3 Приемо-сдаточные испытания

8.3.1 Приемо-сдаточным испытаниям подлежит каждая мотопомпа, выдержавшая предъявительские испытания.

8.3.2 Принятыми считаются мотопомпы, выдержавшие испытания, укомплектованные и упакованные в соответствии с требованиями настоящего стандарта.

8.3.3 Допускается учитывать результаты предъявительских испытаний или совмещать их с приемо-сдаточными.

8.4 Периодические испытания

8.4.1 Периодичность проведения испытаний и количество мотопомп, подвергаемых испытаниям, устанавливают в НД на мотопомпы конкретных типов.

8.4.2 При положительных результатах испытаний считается подтвержденным качество мотопомп, выпущенных за контролируемый период, а также возможность их дальнейшего производства и приемки по той же документации до получения результатов очередных периодических испытаний.

8.4.3 При отрицательных результатах испытаний должны быть приостановлены приемка и отгрузка мотопомп до выявления причин возникновения дефектов, их устранения и получения положительных результатов повторных испытаний на удвоенном количестве мотопомп.

8.5 Типовые испытания

8.5.1 Типовые испытания следует проводить при внесении в конструкцию или технологию изготовления мотопомп изменений, которые могут повлиять на показатели назначения и качества, с целью определения эффективности и целесообразности внесения этих изменений.

8.5.2 При положительных результатах типовых испытаний вносят изменения в НД в установленном порядке.

8.6 Контрольные испытания на надежность

8.6.1 Контрольные испытания на надежность следует проводить не реже одного раза в три года. Испытаниям подвергают две мотопомпы, выдержавшие приемо-сдаточные испытания, одну - после трех лет хранения ее в законсервированном состоянии, вторую - из текущего выпуска.

8.6.2 Предельное состояние, критерии отказов, а также их классификацию устанавливают в соответствии с [1].

8.6.3 При оценке и контроле конкретных показателей надежности не учитывают следующие отказы, зафиксированные при испытаниях, вызванные:

- воздействием внешних факторов, не предусмотренных в НД на насосы конкретных видов;

- нарушением обслуживающим персоналом инструкции по эксплуатации и ремонтной документации.

8.7 Испытания

8.7.1 Испытания в зависимости от их вида должны соответствовать таблице 2.

Таблица 2

Наименование испытания

Вид испытаний

Предъявительские

Приемо-сдаточные

Периодические

Типовые

На надежность

Внешний осмотр

+

+

+

+

+

Обкатка

+

+

+

 

+

Определение характеристик насоса:

 

 

 

 

 

напорного

-

-

±

±

-

энергетического

-

-

±

±

-

кавитационного

-

-

±

±

-

Определение рабочей характеристики мотопомпы

-

-

+

±

±

Проверка герметичности:

 

 

 

 

 

максимальным давлением на входе

+

+

+

±

±

максимальным давлением на выходе

+

+

+

±

±

проверка на «сухой» вакуум и герметичность

+

+

+

±

±

Проверка системы заполнения:

 

 

 

 

 

проверка времени заполнения с максимальной геометрической высоты всасывания

-

-

+

±

±

проверка системы дозирования пенообразователя

+

+

+

±

±

проверка массы

-

-

+

±

-

проверка габаритных размеров

-

-

+

±

-

проверка уровня звука в рабочей зоне оператора

-

-

+

±

-

проверка усилий, прикладываемых к органам управления

-

-

+

±

+

проверка времени непрерывной работы

-

-

+

±

±

Проверка показателей надежности:

 

 

 

 

 

гамма-процентная наработка до отказа

-

-

-

±

+

гамма-процентный ресурс до первого капитального ремонта

-

-

-

±

 

средний срок сохраняемости

-

-

 

±

+

срок службы до списания

-

-

±

 

+

Проверка на транспортабельность

-

-

±

±

-

Примечание - Знак «+» означает, что испытания проводят; знак «-» - испытания не проводят; знак «+» - необходимость проведения проверки в данном виде испытаний оговаривается в программе испытаний.

9 Методы контроля

9.1 Общие положения

9.1.1 Все средства измерений, контроля, испытательное оборудование (стенды, устройства), используемые при проведении испытаний, должны иметь действующие аттестаты, клейма или свидетельства и применяться в условиях, установленных в эксплуатационной документации на них.

9.1.2 На периодические, сертификационные испытания и испытания на надежность предъявляются образцы, выбранные методом случайного отбора из числа насосов, прошедших приемо-сдаточные испытания.

9.1.3 Испытания следует проводить по программам и методикам, утвержденным в установленном порядке.

9.1.4 Испытания следует проводить при температуре воды от 5 °C до 30 °С.

9.1.5 Средства измерений при испытаниях следует выбирать так, чтобы относительные предельные погрешности приведенных результатов испытаний на номинальном режиме не превышали значений, установленных ГОСТ 6134.

9.2 Внешний осмотр

9.2.1 При внешнем осмотре следует проверять качество изготовления, крепление сборочных единиц и деталей, качество лакокрасочных и других защитных покрытий, наличие и правильность обозначений и маркировки, а также комплектность изделий.

9.3 Обкатка

9.3.1 При обкатке проверяют работоспособность мотопомп без количественных измерений параметров.

При необходимости осуществляют контроль за давлением и подачей на выходе из насоса и температурным режимом работы приводного двигателя.

Во время обкатки визуально контролируют утечки из дренажных отверстий, которые к моменту окончания обкатки должны отсутствовать или иметь форму отдельных капель.

9.3.2 Режимы и продолжительность обкатки устанавливает предприятие-изготовитель.

9.4 Определение характеристик насоса

9.4.1 Напорную, энергетическую и кавитационную характеристики насоса мотопомпы следует определять по ГОСТ 6134. Кавитационную характеристику определяют при номинальной подаче и номинальной частоте вращения.

9.5 Определение рабочей характеристики мотопомпы

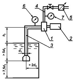
9.5.1 Испытания по определению рабочей характеристики мотопомпы следует проводить с помощью устройства, представленного на рисунке 1.

1- насос; 2- приводной двигатель; 3- всасывающая линия;
4- напорный вентиль; 5- устройство для измерения подачи; 6, 7 - мановакуумметры

Рисунок 1

9.5.2 Рабочую характеристику мотопомпы определяют с номинальной и максимальной геометрической высотами всасывания при номинальной частоте вращения в соответствии с графиком, изображенным на рисунке 2.

Рисунок 2

9.5.3 При снятии характеристик количество подач, при которых проводят измерения, должно быть не менее 10 при равномерном распределении по всему диапазону.

В каждой точке измеряют и фиксируют:

- давление на входе в насос;

- давление на выходе из насоса;

- подачу насоса;

- частоту вращения.

При испытаниях контролируют барометрическое давление.

9.5.4 Снятие характеристики начинают при нулевой подаче с последующим ее увеличением до значения, при котором давление на выходе из насоса будет меньше 0,3 МПа, после чего для отключения двигателя уменьшают подачу до нулевого значения.

9.5.5 При испытаниях с номинальной геометрической высоты всасывания должны быть определены параметры работы насоса в номинальном режиме.

При испытаниях с максимальной геометрической высоты всасывания должна быть определена подача насоса при номинальном напоре.

9.6 Проверка герметичности

9.6.1 Герметичность насоса следует проверять при невращающемся роторе испытательным статическим давлением р1исп = (6 ± 0,5) кгс × см-2. После заполнения насоса водой и полного выпуска из него воздуха должны быть перекрыты все запирающие устройства (вентили, краны, заглушки). С помощью поршневого или другого насоса давление плавно доводится до испытательного, которое следует поддерживать в течение не менее 5 мин.

9.6.2 При вращающемся роторе герметичность проверяется при испытательном давлении на выходе из насоса, равном (рмах ± 0,5) кгс × см-2. После заполнения насоса водой включают приводной двигатель и при увеличении частоты вращения давление на выходе из насоса доводят до испытательного и поддерживают в течение не менее 1 мин.

При проведении испытаний течь и каплеобразования через стенки корпуса и соединения деталей насоса не допускаются. Утечка из дренажного отверстия уплотнения вала должна отсутствовать или иметь форму отдельных капель.

9.6.3 Проверка на «сухой» вакуум и герметичность

9.6.3.1 При испытаниях следует проверять значение вакуума, создаваемого вакуумным насосом в объеме насоса, и герметичность.

При наличии вакуумной системы вакуум следует создавать собственным вакуумным насосом. При отсутствии вакуумной системы вакуум следует создавать любым другим вакуумным насосом.

9.6.3.2 Созданный вакуум в объеме насоса - не менее минус 0,8 кгс × см-2. Погрешность измерения вакуума - ± 0,05 кгс × см-2.

9.6.3.3 После отключения вакуумного насоса определяют падение вакуума (герметичность). Падение вакуума должно быть не более 0,13 кгс × см-2 за 150 с.

9.6.3.4 Отсчет времени следует проводить с момента отключения вакуумного насоса (перекрытия вакуумной магистрали). Время измеряют секундомером с ценой деления 0,2 с.

9.6.3.5 При испытаниях следует измерять и фиксировать значение вакуума, время.

9.7 Проверка системы заполнения

9.7.1 Проверка времени заполнения с максимальной геометрической высоты всасывания

9.7.1.1 Испытания следует проводить с помощью схемы, изображенной на рисунке 1.

9.7.1.2 Включают систему заполнения и фиксируют время заполнения водой всасывающей линии и насоса.

Начало отсчета времени должно происходить одновременно с включением системы заполнения. Временем заполнения насоса водой для вакуумной системы с ручным или полуавтоматическим управлением считают время от момента включения вакуумной системы до появления воды в насосе. Время измеряют секундомером с ценой деления 0,2 с. Максимальную геометрическую высоту всасывания определяют с погрешностью не более 0,1м.

9.7.1.3 При наличии автоматической системы заполнения следует проводить дополнительную проверку автоматического водозаполнения насоса при не менее чем десяти непрерывно следующих друг за другом срывах столба воды во всасывающей линии.

Примечание - При проверке автоматической системы заполнения в рамках проведения предъявительских и приемо-сдаточных испытаний геометрическая высота всасывания не регламентируется.

9.7.1.4 При испытаниях следует измерять и фиксировать геометрическую высоту всасывания, время.

9.8 Проверка системы дозирования пенообразователя

9.8.1 Проверка системы дозирования пенообразователя заключается в определении объемной концентрации пенообразователя в подаваемом растворе.

9.8.2 Испытания проводят при каждом регулировочном положении дозирующего устройства на режимах, установленных предприятием-изготовителем.

9.8.3 При наличии автоматической системы дозирования пенообразователя определение концентрации проводят на режимах, установленных предприятием-изготовителем.

9.8.4 Подачу пенообразователя следует проводить из мерной емкости и определять весовым, объемным или другим способом. Погрешность измерения подачи пенообразователя - не более ±0,1 л × с-1.

9.8.5 Концентрацию пенообразователя С, %, в водном растворе вычисляют по формуле

(3)

где Qn - расход пенообразователя, л • с-1;

QH - подача насоса, л × с-1.

Допускается при испытаниях использовать вместо пенообразователя воду с последующим пересчетом концентрации по формуле

(4)

где QB - расход воды, л × с-1;

К - коэффициент пересчета в зависимости от типа пенообразователя.

9.8.6 Отсутствие подачи пенообразователя во всасывающую линию при нулевой подаче насоса контролируют визуально по уровню в мерном баке в течение не менее 3 мин.

9.8.7 При испытаниях следует измерять и фиксировать подачу насоса, подачу эжектируемого пенообразователя, давление на входе в насос, давление на выходе из насоса.

9.9 Проверка массы

9.9.1 Массу насоса следует проверять взвешиванием с погрешностью ± 0,5 кг.

9.10 Проверка габаритных размеров

9.10.1 Габаритные размеры насоса следует проверять с погрешностью ± 5 мм.

9.11 Проверка уровня звука в рабочей зоне оператора

9.11.1 Испытания мотопомпы следует проводить по ГОСТ 17187 на открытой площадке при отсутствии атмосферных осадков и работе в номинальном режиме.

9.11.2 Прибор для измерения располагают со стороны органов (пульта) управления на расстоянии 0,8 - 1,0 м и на высоте 1,2 - 1,5 м.

9.12 Проверка усилий, прикладываемых к органам управления

9.12.1 Проверку значений усилий, прикладываемых к органам управления, проводят непосредственно на органах управления или с использованием шкивов, заменяющих маховик (рукоятку) и рычажные элементы управления двигателем.

9.12.2 Измерения проводят при открывании и закрывании органов управления и запорно-регулирующей арматуры при номинальной подаче, подаче, равной нулю, и номинальном напоре. Усилия следует измерять динамометром класса точности не ниже 2.

9.13 Проверка времени непрерывной работы

9.13.1 Проверку времени непрерывной работы проводят на предварительно прогретом приводном двигателе при работе в номинальном режиме (см. рисунок 1) без дозаправки топливного бака.

9.13.2 При испытаниях измеряют и фиксируют:

- подачу насоса QH;

-давление на входе в насос р1;

- давление на выходе из насоса р2;

- геометрическую высоту всасывания hг;

- время работы мотопомпы t, мин;

- температуру окружающего воздуха Твоз.

9.14 Проверка показателей надежности

9.14.1 При испытаниях, проводимых один раз в три года, должны быть проверены гамма-процентная наработка до отказа и средний срок сохраняемости. Остальные показатели допускается проверять при подконтрольной эксплуатации у потребителя по [1].

9.14.2 Проверка гамма-процентной наработки до отказа

9.14.2.1 Мотопомпа, отобранная из текущего выпуска для проведения испытаний, должна быть испытана по программе периодических испытаний.

9.14.2.2 Испытания по проверке времени гамма-процентной наработки до отказа следует проводить (см. рисунок 1) последовательно циклами и повторяющимися этапами, состоящими из нескольких циклов.

Рекомендуемые режимы работы приведены в приложении Б.

9.14.2.3 Каждый цикл содержит:

- запуск двигателя;

- включение системы заполнения;

- заполнение насосной установки водой;

- работу в течение 1 ч на каждом режиме;

- отключение двигателя и слив воды из насоса и всасывающих рукавов.

При наличии автоматической системы заполнения допускается не отключать насос, а имитировать срыв столба воды во всасывающих рукавах.

9.14.2.4 По завершении первого цикла испытаний все операции повторяют и проводят испытания на режимах последующих циклов, которые в совокупности составляют этап испытаний, после чего цикличность испытаний повторяют до значения гамма-процентной наработки до отказа.

Примечание - Отказом следует считать нарушение работоспособности двигателя, насоса, снижение номинальной подачи, номинального напора, увеличение времени заполнения с максимальной геометрической высоты всасывания более чем на 10 % нормативных значений, нарушение работоспособности вакуумной и дозирующей систем.

9.14.3 Проверка среднего срока сохраняемости

9.14.3.1 Мотопомпа, отобранная для испытаний, должна быть испытана по программе периодических испытаний, законсервирована, упакована и оставлена на хранение в соответствии с требованиями настоящего стандарта.

9.14.3.2 После трех лет хранения мотопомпа должна быть расконсервирована, пройти техническое обслуживание, обкатку и испытания по программе периодических испытаний.

Срок сохраняемости считают подтвержденным при положительных результатах периодических испытаний.

9.15 Проверка на транспортабельность

9.15.1 При проверке на транспортабельность определяют механическую прочность изделия в целом, прочность отдельных агрегатов, надежность крепления противопожарного оборудования.

9.15.2 Транспортирование заправленной и укомплектованной мотопомпы осуществляют автомобилем или трактором общего назначения, рекомендованным в НД. Протяженность транспортирования устанавливается в НД на конкретный вид продукции.

Транспортирование осуществляют по грунтовым дорогам, дорогам с гравийным и щебеночным покрытием (70 %) и по дорогам с асфальто-бетонным покрытием (30 %). Скорость транспортирования устанавливают в НД.

9.15.3 В процессе испытаний проводят внешний осмотр мотопомпы. При испытаниях фиксируют:

- протяженность и вид участка дороги;

- среднюю скорость транспортирования;

- сведения о выявленных неисправностях и принятых мерах по их устранению.

9.15.4 По окончании испытаний проводят проверку мотопомпы в соответствии с 9.5.

9.16 Обработка и оформление результатов испытаний

9.16.1 Результаты измерений должны быть обработаны с целью получения количественных значений параметров работы мотопомпы для сравнения с нормативными значениями.

9.16.2 Обработку результатов измерений следует проводить в соответствии с инструкциями по применению используемых средств измерения, а также по формулам, графикам, выражающим подсчет количественных значений требуемых параметров по результатам испытаний.

9.16.3 Результаты предъявительских и приемо-сдаточных испытаний следует заносить в специальный журнал, заведенный для данных видов испытаний.

9.16.4 Результаты периодических, типовых испытаний и испытаний на надежность должны быть оформлены актом и протоколами испытаний.

9.16.5 Протокол испытаний должен содержать:

- дату и место проведения;

- наименование типа насоса и его заводской номер;

- вид и условия испытаний;

- наименование и обозначение программы и методики испытаний;

- таблицы, содержащие результаты испытаний;

- оценку и краткие выводы по результатам испытаний.

Протокол подписывают руководитель испытаний и лица, проводившие испытания.

9.16.6 Мотопомпу следует считать удовлетворяющим требованиям НД, если выполнены следующие условия:

- объем испытаний соответствует программе испытаний;

- параметры, полученные в результате испытаний, соответствуют установленным.

Приложение А
(рекомендуемое)

Структура записи условного обозначения мотопомпы

А.1 Структура записи

А.2 Условное обозначение

Пример условного обозначения пожарной переносной мотопомпы

МП - 13/80.01 ТУ

Приложение Б
(справочное)

Режимы испытаний мотопомп

Б.1 Режимы испытаний насосов при контрольных испытаниях на надежность указаны в таблице Б.1

Таблица Б.1

Номер цикла испытаний

Подача насоса QH, л × с-1

Давление на выходе из насоса
pвых, кгс × см-2

1

0,25 Qhom

0,7 pном

2

0,50 Qhom

0,8 pном

3

0,75 Qhom

0,9 рном

4

Qhom

Pном

Примечания

1 В каждом цикле должна быть предусмотрена работа системы дозирования пенообразователя в течение 5 - 6 мин.

2 Геометрическая высота всасывания не регламентируется.

Библиография

[1] РД 50-204-87 Методические указания. Надежность в технике. Сбор и обработка информации о надежности изделий в эксплуатации. Основные положения

Ключевые слова: техника пожарная, мотопомпы пожарные, подача насоса, давление, подача водных растворов пенообразователей, система водозаполнения, технические требования, методы испытаний

 



© 2013 Ёшкин Кот :-)