Информационная система
«Ёшкин Кот»

XXXecatmenu

ФЕДЕРАЛЬНОЕ АГЕНТСТВО
ПО ТЕХНИЧЕСКОМУ РЕГУЛИРОВАНИЮ И МЕТРОЛОГИИ

НАЦИОНАЛЬНЫЙ
СТАНДАРТ
РОССИЙСКОЙ
ФЕДЕРАЦИИ

ГОСТ Р
51317.1.5-
2009

(МЭК 61000-1-5:2004)

Совместимость технических средств
электромагнитная

ВОЗДЕЙСТВИЯ ЭЛЕКТРОМАГНИТНЫЕ
БОЛЬШОЙ МОЩНОСТИ
НА СИСТЕМЫ ГРАЖДАНСКОГО НАЗНАЧЕНИЯ

Основные положения

Москва

Стандартинформ

2009

Предисловие

Цели и принципы стандартизации в Российской Федерации установлены Федеральным законом от 27 декабря 2002 г. № 184-ФЗ «О техническом регулировании», а правила применения национальных стандартов Российской Федерации - ГОСТ Р 1.0-2004 «Стандартизация в Российской Федерации. Основные положения»

Сведения о стандарте

1 РАЗРАБОТАН ЗАО «Научно-испытательный центр «САМТЭС» и Техническим комитетом по стандартизации ТК 30 «Электромагнитная совместимость технических средств» на основе собственного аутентичного перевода стандарта, указанного в пункте 4

2 ВНЕСЕН Техническим комитетом по стандартизации ТК 30 «Электромагнитная совместимость технических средств»

3 УТВЕРЖДЕН И ВВЕДЕН В ДЕЙСТВИЕ Приказом Федерального агентства по техническому регулированию и метрологии от 29 мая 2009 г. № 165-ст

4 Настоящий стандарт является модифицированным по отношению к техническому отчету МЭК 61000-1-5:2004 «Электромагнитная совместимость (ЭМС). Часть 1-5. Основы. Электромагнитные большой мощности (ЭМБМ) воздействия на гражданские системы» (IEC 61000-1-5:2004 «Electromagnetic compatibility (EMC) - Part 1-5: General - High power electromagnetic (HPEM) effects on civil systems»). При этом дополнительные положения и требования, включенные в текст стандарта для учета потребностей национальной экономики Российской Федерации и особенностей российской национальной стандартизации, выделены в тексте стандарта курсивом.

Наименование настоящего стандарта изменено относительно наименования указанного международного стандарта для приведения в соответствие с ГОСТ Р 1.5-2004 (подраздел 3.5).

Текст подраздела 4.1 указанного международного стандарта приведен в виде дополнительного приложения А.

При применении настоящего стандарта рекомендуется использовать вместо ссылочных международных стандартов соответствующие им национальные стандарты Российской Федерации, сведения о которых приведены в дополнительном приложении В

5 ВВЕДЕН ВПЕРВЫЕ

Информация об изменениях к настоящему стандарту публикуется в ежегодно издаваемом информационном указателе «Национальные стандарты», а текст изменений и поправок - в ежемесячно издаваемых информационных указателях «Национальные стандарты». В случае пересмотра (замены) или отмены настоящего стандарта соответствующее уведомление будет опубликовано в ежемесячно издаваемом информационном указателе «Национальные стандарты». Соответствующая информация, уведомление и тексты размещаются также в информационной системе общего пользования - на официальном сайте Федерального агентства по техническому регулированию и метрологии в сети Интернет

СОДЕРЖАНИЕ

1 Область применения. 3

2 Нормативные ссылки. 4

3 Термины и определения. 4

4 Общее введение. 7

4.1 Примеры электромагнитных воздействий большой мощности на системы в прошлом.. 9

4.2 Общие методы электромагнитной защиты в применении к системам гражданского назначения. 9

5 Классификация электромагнитных воздействий большой мощности. 10

5.1 Излучаемые и кондуктивные составляющие электромагнитных воздействий большой мощности. 12

5.2 Узкополосные электромагнитные воздействия (непрерывные колебания) 12

5.3 Сверхширокополосный электромагнитный импульс на основе кратковременного переходного процесса. 14

5.4 Повторяющаяся генерация. 15

6 Электромагнитные воздействия большой мощности на системы.. 16

6.1 Топологическое представление системы.. 17

6.2 Примеры электромагнитных воздействий большой мощности на электронные системы и компоненты.. 19

6.3 Выгорание и физические повреждения компонентов/подсистем.. 22

6.4 Нарушения функционирования логических схем (прекращения функционирования) 30

7 Концепции защиты от электромагнитных воздействий большой мощности. 31

7.1 Стратегия выбора уровней защищенности. 31

7.2 Обзор методов защиты от электромагнитных воздействий большой мощности. 32

7.3 Реализация методов защиты от электромагнитных воздействий большой мощности. 32

Приложение А.. 37 Примеры электромагнитных воздействий большой мощности на системы в прошлом

Приложение В.. 39 сведения о соответствии ссылочных международных стандартов национальным стандартам Российской Федерации. использованным в настоящем стандарте в качестве нормативных ссылок

Библиография. 40

Введение к МЭК 61000-1-5: 2004

Настоящий технический отчет МЭК входит в состав стандартов серии МЭК 61000, публикуемых по вопросам электромагнитной совместимости в соответствии со следующей структурой:

- часть 1. Основы:

общее рассмотрение (введение, фундаментальные принципы), определения, терминология;

- часть 2. Электромагнитная обстановка:

описание электромагнитной обстановки, классификация электромагнитной обстановки, уровни электромагнитной совместимости;

-часть 3. Нормы:

нормы помехоэмиссии, нормы помехоустойчивости (в случаях, если они не являются предметом рассмотрения техническими комитетами (ТК), разрабатывающими стандарты на продукцию);

- часть 4. Методы испытаний и измерений: методы испытаний, методы измерений;

- часть 5. Руководства по установке и помехоподавлению: руководства по установке, методы и устройства помехоподавления;

- часть 6. Общие стандарты;

- часть 9. Разное.

Каждая часть подразделяется на разделы, которые могут быть опубликованы как международные стандарты либо как технические условия или технические отчеты. Некоторые из указанных разделов опубликованы. Другие будут опубликованы с указанием номера части, за которым следует дефис, а затем номер раздела (например, 61000-6-1).

МЭК61000-1-5:2004 разработан Подкомитетом 77 С «Электромагнитные переходные явления большой мощности» Технического комитета МЭКТК 77 «Электромагнитная совместимость».

ГОСТ Р 51317.1.5-2009

(МЭК 61000-1-5:2004)

НАЦИОНАЛЬНЫЙ СТАНДАРТ РОССИЙСКОЙ ФЕДЕРАЦИИ

Совместимость технических средств электромагнитная

ВОЗДЕЙСТВИЯ ЭЛЕКТРОМАГНИТНЫЕ БОЛЬШОЙ МОЩНОСТИ НА СИСТЕМЫ ГРАЖДАНСКОГО НАЗНАЧЕНИЯ

Основные положения

Electromagnetic compatibility of technical equipment.

High power electromagnetic influences on civil systems.

Basic provisions

Дата введения - 2010-01-01

1 Область применения

Настоящий стандарт устанавливает основные положения в области деятельности, связанной с воздействиями электромагнитных полей, токов и напряжений большой мощности (далее - электромагнитные воздействия большой мощности) на системы гражданского назначения.

Настоящий стандарт предназначен для применения при разработке стандартов, применяемых при создании электромагнитных воздействий большой мощности и защите систем гражданского назначения от преднамеренного электромагнитного влияния.

Учитывая новые технологии антенн для импульсных излучений и расширяющееся применение цифровой электроники, необходимо принимать во внимание возможность умышленного нарушения функционирования или повреждения оборудования электромагнитными воздействиями большой мощности.

Настоящий стандарт устанавливает общее введение в данную область деятельности, термины и определения, а также содержит сведения об электромагнитных воздействиях большой мощности, их влиянии на системы гражданского назначения и методах защиты систем от электромагнитных воздействий большой мощности.

2 Нормативные ссылки

В настоящем стандарте использованы нормативные ссылки на следующие стандарты:

ГОСТ Р 51317.4.4-2007 (МЭК 61000-4-4:2004) Совместимость технических средств электромагнитная. Устойчивость к наносекундным импульсным помехам. Требования и методы испытаний

ГОСТ Р 51317.4.5-99 (МЭК61000-4-5-95) Совместимость технических средств электромагнитная. Устойчивость к микросекундным импульсным помехам большой энергии. Требования и методы испытаний

ГОСТ 30372-95/ГОСТ Р 50397-92 Совместимость технических средств электромагнитная. Термины и определения

Примечание - При пользовании настоящим стандартом целесообразно проверить действие ссылочных стандартов в информационной системе общего пользования - на официальном сайте Федерального агентства по техническому регулированию и метрологии в сети Интернет или по ежегодно издаваемому информационному указателю «Национальные стандарты», который опубликован по состоянию на 1 января текущего года, и по соответствующим ежемесячно издаваемым информационным указателям, опубликованным в текущем году. Если ссылочный стандарт заменен (изменен), то при пользовании настоящим стандартом следует руководствоваться заменяющим (измененным) стандартом. Если ссылочный стандарт отменен без замены, то положение, в котором дана ссылка на него, применяется в части, не затрагивающей эту ссылку.

3 Термины и определения

В настоящем стандарте применены термины по ГОСТ30372, [1],а также следующие термины с соответствующими определениями:

3.1 апертура (aperture): Отверстие в электромагнитном барьере (экране), через которое могут проникать электромагнитные поля.

3.2 отношение полосы частот (bandratio) br: Отношение верхней и нижней частот, между которыми сосредоточено 90 % энергии сигнала. Если спектр сигнала имеет значительную постоянную составляющую, за нижнее предельное значение частоты принимают 1 Гц.

3.3 отношение полосы частот в декадах (bandratio decades) brd: Отношение полосы частот, выраженное в декадах, определяемое по формуле brd = log10 (br).

3.4а) широкополосная электромагнитная эмиссия (broadband emission): Электромагнитная эмиссия с шириной полосы частот большей, чем требуется для конкретного измерительного прибора или приемника.

3.4b) широкополосное устройство (broadband device): Устройство, ширина полосы частот которого такова, что оно способно принимать и обрабатывать все спектральные составляющие конкретной электромагнитной эмиссии.

3.5 кондуктивная восприимчивость (conducted susceptibility): Восприимчивость системы к кондуктивным сигналам в кабелях, подключенных к системе.

3.6 связь (coupling): Взаимодействие электромагнитных полей с системой, в результате которого возникают токи и напряжения на поверхностях и в кабелях системы.

3.7 намеренно созданный путь электромагнитного проникновения (deliberate penetration): Отверстие, намеренно созданное в электромагнитном экране для обеспечения пути передачи полезного сигнала в экранированную область или из экранированной области в окружающее пространство. Пути электромагнитного проникновения могут быть также намеренно созданы для передачи энергии, воды, механических усилий или для прохода персонала в экранированное помещение и из него.

3.8 помеха (disturbance): См. 3.10.

3.9 электромагнитный барьер (экран) [electromagnetic barrier (shield)]: Топологически замкнутая поверхность, созданная для исключения или ограничения проникновения электромагнитных полей или кондуктивных переходных процессов внутрь защищаемой области. Электромагнитный барьер окружает защищенный объем и содержит экранирующую поверхность и защищенные точки входа.

3.10 электромагнитная помеха (electromagnetic disturbance): Любое электромагнитное явление, которое может ухудшить качество функционирования устройства, оборудования или системы.

3.11 электромагнитное влияние (electromagnetic interference): Ухудшение качества функционирования устройства, канала передачи или системы, вызванное электромагнитной помехой.

Примечание - Электромагнитное влияние представляет собой следствие электромагнитной помехи, электромагнитная помеха является причиной электромагнитного влияния.

3.12 электромагнитный стресс (electromagnetic stress): Действие на оборудование электромагнитного поля, напряжения или тока. Если электромагнитный стресс превышает пороговое значение уязвимости оборудования, могут иметь место повреждения или нарушения функционирования, приводящие к прекращению выполнения оборудованием установленной задачи. Характеристиками электромагнитного стресса могут быть, например, пиковое значение амплитуды, время нарастания импульса, длительность импульса.

Примечание - В настоящем стандарте вместо термина «электромагнитный стресс» в соответствии с [2] применен термин «электромагнитное воздействие».

3.13 электромагнитная восприимчивость (electromagnetic susceptibility): Неспособность устройства, оборудования или системы функционировать без ухудшения качества при наличии электромагнитной помехи.

Примечание - Электромагнитная восприимчивость представляет собой недостаточную устойчивость к электромагнитной помехе.

3.14 электромагнитное окружение, окружение (environment): Электромагнитное поле, созданное внешним устройством, которое воздействует на систему, возможно вызывая повреждение, нарушение функционирования или прекращение выполнения функции.

Примечание - В настоящем стандарте вместо терминов «электромагнитное окружение» и «окружение» в соответствии с [2] применен термин «электромагнитное воздействие».

3.15 уровень отказа (failure level): Установленные значения параметров, определяющих амплитудное значение или иные характеристики электромагнитного поля или наведенных напряжения или тока, воздействие которых на электрические компоненты системы приводит к прекращению возможности выполнения устройством требуемой функции.

3.16 электромагнитный импульс высотного ядерного взрыва, ЭМИ ВЯВ (high altitude electromagnetic pulse, HEMP): Электромагнитный импульс, вызванный ядерным взрывом вне атмосферы.

Примечание - Типичная высота взрыва равна 30 км.

3.17 электромагнитные воздействия большой мощности (high power electromagnetics, HPEM): Общий термин, характеризующий область деятельности или технологию, связанные с созданием интенсивных электромагнитных полей или кондуктивных напряжений и токов, способных повредить электронные системы или нарушить их функционирование. В общем случае уровни электромагнитных воздействий большой мощности превышают уровни электромагнитных помех, действующих на системы при обычных условиях эксплуатации (например, превышают 100 В/м или 100 В).

3.18 микроволны большой мощности (high power microwaves, HPM): Вид электромагнитных воздействий большой мощности, создаваемых, как правило, при использовании узкополосных сигналов и источника излучения пиковой мощностью более 100 МВт.

Примечание - Данное определение, связанное с мощностью источника излучения, сложилось исторически. В настоящем стандарте, в основном, рассматриваются электромагнитные поля, воздействующие на электронные системы.

3.19 устойчивость к электромагнитной помехе [immunity (to a disturbance)]: Способность устройства, оборудования или системы функционировать без ухудшения качества при наличии электромагнитной помехи.

3.20 уровень устойчивости к электромагнитной помехе (immunity level): Максимальный уровень электромагнитной помехи, воздействующей на конкретное устройство, оборудование или систему, при котором оно сохраняет требуемое качество функционирования.

3.21 ненамеренно созданный путь электромагнитного проникновения [inadvertent (EM) penetration]: Отверстие в электромагнитном экране, не являющееся намеренно созданным, которое может обеспечить путь для проникновения электромагнитной энергии через электромагнитный экран. Ненамеренно созданный путь электромагнитного проникновения, как правило, является нежелательным. Типичным ненамеренно созданным путем электромагнитного проникновения является утечка при некачественной изоляции проводников.

3.22 преднамеренное электромагнитное влияние (intentional electromagnetic interference, IEMI): Разрушение, приведение в беспорядок и повреждение электрических и электронных систем в террористических и криминальных целях путем намеренной генерации электромагнитной энергии и введения шума или сигналов в электрические и электронные системы.

3.23 схема последовательности взаимодействия (interaction sequence diagram): Графическое описание путей, которыми внешнее электромагнитное поле могло бы проникнуть через один или несколько экранов, окружающих оборудование или систему.

3.24 узкополосный (narrowband): Сигнал или процесс, для которых значение pbw < 1 % (см. 3.27) или значение отношения полосы частот br < 1,01 (см. 3.2).

3.25 электромагнитный импульс ядерного взрыва, ЭМИ ЯВ (nuclear electromagnetic pulse, NEMP): Электромагнитные поля различных видов, вызванные ядерным взрывом.

3.26 электромагнитное проникновение (penetration): Передача электромагнитной энергии через электромагнитный барьер от одного объема к другому. Электромагнитное проникновение может осуществляться проникновением электромагнитного поля через барьер или через отверстия и неоднородности в барьере, и прохождением электрического тока в проводящих средах, соединяющих два объема (проводах, кабелях, трубопроводах, радиаторах).

3.27 ширина полосы частот в процентах (percentage bandwidth) pbw: Ширина полосы частот сигнала, выраженная в процентах центральной частоты данного сигнала.

Примечание - Максимальное значение pbw равно 200 %, если центральная частота представляет собой среднее значение верхней и нижней частот спектра сигнала. Значение pbw не применяют для сигналов со значительным содержанием постоянной составляющей. Если спектр сигнала имеет значительную постоянную составляющую, применяют отношение полосы частот в декадах brd (см. 3.3).

3.28 точка/порт входа (point/port-of-entry, PoE): Определенное место (точка / порт) в электромагнитном барьере, в котором электромагнитная энергия может входить в топологический объем или выходить из него при отсутствии адекватных устройств защиты точки входа.

Примечания

1 Точки / порты входа не рассматривают как геометрические точки.

2 В соответствии с видами электромагнитного проникновения точки / порты входа подразделяют на точки / порты входа - отверстия и кондуктивные точки / порты входа. В соответствии с выполняемыми функциями точки / порты входа также классифицируют как архитектурные, механические, структурные или электрические.

3.29 излучаемая восприимчивость (radiated susceptibility): Восприимчивость системы к изучаемым электромагнитным полям.

3.30 арматурный прут (rebar): Стальной стержень, размещаемый в бетоне для усиления структурной однородности.

3.31 экранирование (shielding): Проведение мероприятий по применению проводящих сред с высокой электрической проводимостью, таких как стальные листы, рамки из арматурных прутьев, провода и т.д. для снижения интенсивности электрического или магнитного поля. Под «экранированием» часто понимают также создание помещений, обеспечивающих снижение интенсивности электрического или магнитного поля.

3.32 кратковременный импульс (short pulse): Сигнал, представляющий собой переходный процесс, характеризующийся временем нарастания и длительностью, измеряемыми в пико- или наносекундах.

3.33 устройство защиты от импульсных перенапряжений (surge protection device, SPD): Устройство, предназначенное для подавления кондуктивных перенапряжений и импульсных токов в линиях.

3.34 система (system):

Совокупность связанных друг с другом подсистем и сборок компонентов и/или отдельных компонентов, функционирующих совместно для выполнения установленной задачи или

совокупность оборудования, подсистем, обученного персонала и технических приемов, обеспечивающих выполнение или поддержку установленных функциональных задач. Полная система включает в себя относящиеся к ней сооружения, оборудование, подсистемы, материалы, обслуживание и персонал, необходимые для ее функционирования в той степени, которая считается достаточной для выполнения установленных задач в окружающей обстановке.

3.35 топологический контроль (topological control): Поддержание замкнутого электромагнитного экрана вокруг системы или оборудования для уменьшения влияния внешних электромагнитных полей и обеспечения защиты оборудования.

3.36 сверхширокополосный (ultrawideband): Сигнал или форма волны, характеризующиеся значением ширины полосы частот в процентах pbw от 163,4 % до 200 % или значением отношения полосы частот более 10. Сверхширокополосные сигналы называют также гиперширокополосными.

4 Общее введение

В последние 25 лет был достигнут значительный прогресс в понимании процессов влияния электромагнитных полей ЭМИ ВЯВ на электрические системы и оборудование и способов снижения этого влияния. Начиная с первых документов о характеристиках ЭМИ ВЯВ [3], [4] и учитывая недавние работы технического комитета МЭК ТК 77 «Электромагнитная совместимость» по разработке стандартов в области защиты от ЭМИ ВЯВ [5], имеются подробные рекомендации по методам и конструкциям устройств защиты электрических систем [6]. Недавно эти рекомендации по защите от ЭМИ ВЯВ были введены в практику конструирования военных сооружений [7], [8]. Были также разработаны средства и методы испытаний, учитывающие электромагнитную обстановку ЭМИ ВЯВ.

Вместе с тем недавно были созданы или предложены электромагнитные воздействия других видов, включая сверхширокополосные электромагнитные воздействия и кратковременные электромагнитные импульсы [9] и узкополосные микроволны большой мощности. Эти сигналы занимают участки радиочастотного спектра свыше нескольких ГГц [10]. Для обозначения таких сигналов, а также кондуктивных токов и напряжений большой мощности применяют общий термин «электромагнитные воздействия большой мощности». В связи с тем, что конструкции современных электрических систем включают в себя цифровые устройства, стало очевидным, что современное понимание концепции защиты систем необходимо расширить, предусмотрев указанные выше электромагнитные воздействия большой мощности.

Известно, что для анализа влияния ЭМИ ВЯВ на системы (см. 3.34) существует хорошо разработанная методология, которая включает в себя следующие шаги:

1) определение электромагнитной топологии системы;

2) определение коллекторов электромагнитной энергии;

3) идентификацию размещения интерфейсов восприимчивого оборудования;

4) расчет электромагнитного влияния на элементы интерфейсов;

5) определение уровня отказов в интерфейсах;

6) сопоставление значений интенсивности ЭМИ ВЯВ и уровней отказов для оценки уязвимости системы.

Подобная методология анализа должна быть развита и подтверждена испытаниями применительно к электромагнитным воздействиям большой мощности на современные системы. В частности, требуется изучение следующих вопросов:

- модификация способов топологической декомпозиции для учета высокочастотного характера воздействий и распределенных электромагнитных полей;

- расширение моделей электромагнитного взаимодействия (в части связи, проникновения и распространения) применительно к более высоким частотам (меньшим длительностям нарастания импульсов), характерным для электромагнитных воздействий большой мощности;

- совершенствование понимания поведения компонентов и систем при электромагнитных воздействиях большой мощности, в том числе механизмов отказов отдельных компонентов и нарушений функционирования, отключений и отказов систем.

К настоящему времени методы испытаний при воздействии ЭМИ ВЯВ достаточно разработаны. Однако эти методы не применимы непосредственно к испытаниям при электромагнитных воздействиях большой мощности на современные системы. Не решен вопрос о том, каковы должны быть «стандартные» и «репрезентативные» испытательные электромагнитные воздействия большой мощности. Не установлены также процедуры испытаний. Следует также учитывать, что в момент внешнего электромагнитного воздействия, система может находиться во многих различных состояниях в зависимости от характеристик ее функционирования, и ее отклик на внешнее электромагнитное воздействие, может зависеть от «начальных условий» системы. Более того, в ходе проводимых в настоящее время испытаний при воздействии ЭМИ ВЯВ обычно не контролируют особенности или внесенные изменения программного обеспечения, так как наиболее важным для испытаний считают конструкцию оборудования. Для таких систем применяемое программное обеспечение часто изменяют и модифицируют при подготовке к проведению испытаний, так что испытуемые системы могут не отражать свойств реальных систем.

Таким образом, необходимо разработать приемлемый порядок испытаний систем при электромагнитных воздействиях большой мощности, включая правила, допускающие гибкость программного обеспечения.

4.1 Примеры электромагнитных воздействий большой мощности на системы в прошлом

Текст подраздела 4.1 приведен в приложении А.

4.2 Общие методы электромагнитной защиты в применении к системам гражданского назначения

В развитии методов защиты от ЭМИ ВЯВ систем военного и гражданского назначения были проведены значительные работы [24]. Методы защиты включают в себя общее экранирование (т.е. топологический контроль систем [25]), установку фильтров и устройств защиты от перенапряжений на входящих силовых и сигнальных линиях [26], а также защиту отдельных образцов оборудования, которые могут быть особо восприимчивыми к ЭМИ ВЯВ [27], [28].

Многие из этих работ, проведенных ранее, непосредственно применимы к защите электрических систем и сооружений от высокочастотных электромагнитных воздействий большой мощности. Как и в случае защиты от ЭМИ ВЯВ, наиболее важными путями связи с внешними электромагнитными воздействиями большой мощности являются длинные линии, входящие в сооружение. Однако из-за более высоких частот составляющих спектра электромагнитных воздействий большой мощности наведенные сигналы в этих линиях, как правило, испытывают большее затухание в зависимости от расстояния, чем сигналы, наведенные ЭМИ ВЯВ. Поэтому в некоторых случаях требования к устройствам защиты намеренно созданных путей электромагнитного проникновения в сооружение (см. 3.7) могут быть не такими жесткими, как для ЭМИ ВЯВ.

Для электромагнитных воздействий большой мощности помимо «намеренных» существуют другие пути электромагнитного проникновения. К ним относятся так называемые «ненамеренно созданные пути электромагнитного проникновения» (см. 3.21), которые возникают, например, когда электромагнитное поле проникает через точки несовершенства в экране системы. Как правило, если частота внешнего электромагнитного воздействия повышается, эффективность проникновения электромагнитного поля через данные ненамеренно созданные (и нежелательные) пути также возрастает. Улучшение общего (топологического) экранирования рассматриваемой системы будет способствовать решению проблемы.

Так как многие электронные системы, рассматриваемые в настоящем стандарте, являются цифровыми, существуют дополнительные возможности для влияния электромагнитных воздействий большой мощности на системы. Электромагнитные воздействия большой мощности могут быть повторяющимися и частоты периодических электромагнитных влияний на систему могут совпадать с такими частотами в цифровых схемах. В результате возможно нарушение работы системы при определенной критической частоте импульсов, даже если интенсивность электромагнитного поля будет ниже порогового значения повреждения компонентов. Специалисты, занимающиеся вопросами электромагнитных воздействий большой мощности, такой подход обычно называют «хитрым». Следовательно, необходимо проводить дополнительные мероприятия по защите, заключающиеся в тщательном проектировании цифровой электроники для исключения ее восприимчивости к периодическим воздействиям.

Дальнейшие сведения и требования в отношении рекомендуемых концепций защиты от электромагнитных воздействий большой мощности и их реализации будут приведены в национальных стандартах, разрабатываемых на основе стандартов серии МЭК 61000.

5 Классификация электромагнитных воздействий большой мощности

Термин «электромагнитные воздействия большой мощности» используют для обозначения электромагнитных воздействий, генерируемых устройствами, созданными человеком, которые могут оказывать неблагоприятное влияние на функционирование электрических систем. Такие электромагнитные воздействия могут быть созданы в виде импульсных посылок энергии микроволн, часто называемых микроволновыми сигналами большой мощности. Альтернативный способ создания таких электромагнитных воздействий заключается в генерации электромагнитного импульса в достаточно широкой полосе частот, обычно называемого сверхширокополосным электромагнитным импульсом. Как правило, энергия электромагнитных воздействий большой мощности привносится в систему в форме внешнего электромагнитного поля.

Для того чтобы показать различие между микроволновыми сигналами большой мощности и сверхширокополосным электромагнитным импульсом, следует провести анализ их спектров в частотной области. Результаты такого анализа приведены (в качественной форме) на рисунке 1, где представлены значения спектральной плотности, (В/м)/Гц типового молниевого разряда, ЭМИ ВЯВ, микроволновых сигналов большой мощности и сверхширокополосного электромагнитного импульса, созданного кратковременным импульсным сигналом. Следует отметить, что спектральная плотность микроволновых сигналов большой мощности и сверхширокополосного электромагнитного импульса является существенной на частотах свыше 300 МГц. Спектральная плотность сверхширокополосного электромагнитного импульса распределена в достаточно широкой полосе частот, спектральная плотность микроволновых сигналов большой мощности напоминает спектральную плотность одночастных сигналов. Следует также отметить, что спектральная плотность сверхширокополосного электромагнитного импульса может часто уменьшаться свыше частот 3 - 5 ГГц, и что узкополосные «стрелы» спектральной плотности микроволновых сигналов большой мощности могут характеризоваться большими значениями спектральной плотности.

На рисунке 1 показано также множество электромагнитных помех низкого уровня. Эти электромагнитные помехи представляют собой внешний электромагнитный шум, вызванный работой электрических устройств, расположенных вблизи от мест измерений, и удаленных источников электромагнитных полей. Данные электромагнитные помехи также могут привести к электромагнитному влиянию на оборудование.

Электрические системы, как правило, защищены от воздействия электромагнитных помех низкого уровня, если соответствуют требованиям, установленным в стандартах в области ЭМС, распространяющихся на эти системы. Однако интенсивность электромагнитных воздействий большой мощности может существенно превысить типичные уровни помехоустойчивости систем гражданского назначения, соответствующих требованиям стандартов в области ЭМС.

1) Значительные спектральные составляющие на частотах до ~ 10 МГц в зависимости от удаления и параметров молниевого разряда.

2) В полосе частот приблизительно от 0,2 до 5 ГГц.

3) Не обязательно являющиеся электромагнитными воздействиями большой мощности.

Примечание - На рисунке применены логарифмические шкалы.

Рисунок 1 - Схема спектрального состава микроволновых сигналов большой мощности и сверхширокополосных электромагнитных импульсов в сравнении с другими электромагнитными излучениями (см. [10])

Способы генерирования и излучения электромагнитных полей, а также механизмы связи и возможности повреждения или нарушения функционирования систем могут в значительной степени различаться для электромагнитных воздействий разных видов, представленных на рисунке 1. Однако результаты влияния разных электромагнитных воздействий на электрические системы могут быть одинаковыми и представлять собой нарушение функционирования или физическое повреждение системы.

Источники микроволновых сигналов большой мощности в зависимости от конструкции, как правило, генерируют импульсы, подобные периодически повторяющимся синусоидальным сигналам. Типичные значения несущей частоты данных сигналов - от 0,2 до 5 ГГц, длительности импульса - до нескольких мкс. Другие важные особенности сигналов данного вида и их воздействия на системы указаны ниже:

a) импульсы могут быть повторяющимися, причем несущая частота импульсов может изменяться во времени (модулироваться).

При этом:

- максимальная связь может быть достигнута при совпадении перестраиваемой несущей частоты импульсов с частотами резонансов функции передачи системы;

- необходимое число импульсов на резонансных частотах может быть около 100;

- при воздействии микроволновых сигналов большой мощности возможно электромагнитное влияние на систему через ненамеренно созданные пути электромагнитного проникновения и постоянное физическое повреждение системы через намеренно созданные пути электромагнитного проникновения.

b) многие системы, подвергаемые воздействию, имеют значительную восприимчивость на частотах резонансов функции передачи. При этом возможна «настройка» микроволновых сигналов большой мощности с целью вызвать конкретное воздействие на систему;

c) типичными устройствами для генерации электромагнитных полей такого рода являются генераторные приборы радиолокационных станций и микроволновых печей, релятивистские магнетроны, виркаторы или супер-рельтроны.

Генерация сверхширокополосного электромагнитного импульса путем создания кратковременного переходного процесса представляет собой иной механизм распределения энергии в широкой полосе частот. В этом отношении сверхширокополосный электромагнитный импульс аналогичен ЭМИ ВЯВ.

Основные особенности сигналов данного вида указаны ниже:

a) типичные значения: время нарастания импульса - 100 пс; длительность импульса - 1 нс. В результате основные частотные составляющие и мощность импульса распределяются в весьма широкой полосе частот, приблизительно от 0,2 до 5 ГГц;

b) сверхширокополосные электромагнитные импульсы могут быть повторяющимися.

При этом:

- может быть обеспечено совпадение частот спектра с резонансными частотами различных систем;

- энергия отдельного импульса оказывается распределенной по многим частотам;

- спектральная плотность данных сигналов меньше, чем спектральная плотность микроволновых сигналов большой мощности.

c) при воздействии сверхширокополосных электромагнитных импульсов более вероятно электромагнитное влияние на систему, чем постоянное физическое повреждение системы.

Для лучшего понимания вопросов, связанных с электромагнитными воздействиями большой мощности на системы, может быть проведен анализ или выполнен эксперимент с конкретной системой. Для этого, прежде всего, необходимо установить характеристики электромагнитных воздействий большой мощности, влияющих на систему (см. 5.1).

5.1 Излучаемые и кондуктивные составляющие электромагнитных воздействий большой мощности

При воздействии ЭМИ ВЯВ на системы могут быть выделены излучаемая составляющая, представляющая собой электромагнитное поле, и кондуктивная составляющая, представляющая собой ток (см. [5]). Аналогичный подход может быть применен к электромагнитным воздействиям большой мощности на системы.

К характеристикам излучаемой составляющей электромагнитного воздействия большой мощности относят напряженность электрического (и возможно, магнитного) поля, форму волны, а также сведения о поляризации, угле наклона, расположении и размерах места воздействия электромагнитного поля на систему. Таким образом, характеристики излучаемой составляющей электромагнитного воздействия большой мощности представляют собой характеристики электромагнитного поля вне системы.

Характеристики кондуктивной составляющей электромагнитного воздействия большой мощности представляют собой формы волны и спектры токов в одном или в большем числе проводников в системе. Обычно эти характеристики устанавливают в точке электромагнитного проникновения в систему, где проводник, в котором внешним электромагнитном полем наведен ток, проходит через оболочку системы и инжектирует ток внутрь системы.

5.2 Узкополосные электромагнитные воздействия (непрерывные колебания)

Узкополосные излучаемые или кондуктивные микроволновые сигналы большой мощности обычно представляют собой модулированные синусоидальные колебания. Одним из таких сигналов является синусоидальный сигнал с гауссовой модуляцией, в соответствии с выражением

Форма волны (1) зависит от следующих параметров:

A0 - пиковое значение импульса напряженности электрического поля (в соответствующих единицах);

F0 - несущая частота сигнала, Гц;

t0 - период несущей частоты сигнала (1/f0), с;

ts -временной сдвиг сигнала, с;

а - эффективная ширина гауссовой формы волны (на уровне 1/е);

е - основание натуральных логарифмов.

В зависимости от вида источника излучаемого электромагнитного поля на практике возможны сигналы по (1) с различными огибающими [29]. Нормализованный по амплитуде сигнал с гауссовой формой модуляции параметром а = 10t0 и временным сдвигом ts = 2а в функции от нормализованного времени t/t0 представлен на рисунке 2а). Сигнал на рисунке 2а) естественно является узкополосным. Значение спектральной плотности данного сигнала представлено на рисунке 2b). Форма волны в соответствии с рисунком 2 представляет собой простой пример электромагнитного воздействия большой энергии, относящегося к виду микроволновых сигналов. Дополнительные сведения об узкополосных электромагнитных воздействиях большой энергии, их ожидаемых амплитудах, несущих частотах и т.д. приведены в [30].

Рисунок 2 - Пример узкополосного электромагнитного воздействия большой мощности - синусоидальный сигнал с гауссовой модуляцией (форма волны и спектр)

5.3 Сверхширокополосный электромагнитный импульс на основе кратковременного переходного процесса

Другим возможным способом создания электромагнитного воздействия большой мощности является генерация сверхширокополосного переходного процесса, показанного на рисунке 3.

В отличие от узкополосных микроволновых сигналов большой мощности данная форма волны близка к биполярному импульсу и, как следствие, имеет спектральные составляющие в весьма широкой полосе частот1). Как указано в [30], возможны несколько простых аналитических выражений, которые могут быть использованы для представления подобных широкополосных сигналов. К ним относятся гауссовый импульс и двойной экспоненциальный переходный процесс, который часто применяют для представления электромагнитных полей, связанных с высотным ядерным взрывом. Данная форма волны рассмотрена в [27].

__________

1) В спектре излучаемых электромагнитных полей большой мощности данного вида не должно быть постоянной составляющей. Поэтому площадь под кривой формы волны, представленной на рис. 3а), или площадь под кривой любой аналитической формы волны, представляющей данный вид воздействия, должна быть равна нулю (с учетом знака).

Рисунок 3 - Пример электромагнитного воздействия большой мощности на основе сверхширокополосного переходного процесса (форма волны и спектр)

5.4 Повторяющаяся генерация

Сведения, приведенные в 5.1 - 5.3, получены в предположении, что форма волны электромагнитного воздействия большой мощности представляет собой единичное явление - отдельный модулированный синусоидальный сигнал, либо отдельный сверхширокополосный импульс. Возможно, однако, периодическое повторение данных форм волны, т.е. импульсная последовательность (см. рисунок 4а). На данном рисунке представлена форма волны по рисунку 2а) при периоде основной частоты f0, периодически повторяемая с периодом повторения Tp = 40t0.

Рисунок 4 - Пример последовательности импульсов, аналогичных представленному на рисунке 2

Форма волны такого вида обеспечивает передачу на облучаемую систему большей энергии. На практике было показано, что при данной форме волны результаты нарушения функционирования в значительной степени зависят от частоты повторения сигналов (при ее изменении от 100 до 1000 Гц). В целом электромагнитное воздействие при данной форме волны может вызвать серьезные проблемы для систем. Следует учитывать, что периодичность сигнала приводит к изменению его спектра. Спектральная плотность последовательности импульсов представлена на рисунке 4b). Можно видеть, что непрерывная спектральная плотность одиночного импульса, представленного на рисунке 2а), преобразуется в совокупность спектральных компонентов, разделенных нормализованным частотным интервалом Δf = 0,025 f0. Если последовательность импульсов имеет бесконечную длительность, спектр становится дискретным.

Определению электромагнитных воздействий большой мощности (см. 3.17) могут соответствовать сигналы с многими различными параметрами. Дополнительные сведения об сверхширокополосных электромагнитных воздействиях большой мощности приведены в [30].

6 Электромагнитные воздействия большой мощности на системы

Намеренные влияния электромагнитных воздействий большой мощности на системы могут быть связаны с излучаемой и кондуктивной восприимчивостью систем, как это имеет место и в других областях технологии ЭМС.

Применительно к излучаемой восприимчивости систем учитывают распространение электромагнитных полей, созданных внешними источниками, в воздухе и их воздействие непосредственно на внешние кабели и антенны оборудования. Кроме того, учитывают, что внешние электромагнитные поля проходят через отверстия в кожухах и приникают внутрь защищенного объема, что может вызвать повреждение систем или ухудшение их работы.

Применительно к кондуктивной восприимчивости систем учитывают, что электрические сигналы могут быть инжектированы в силовые кабели и кабели сигналов и связи с использованием непосредственной (гальванической), емкостной и индуктивной связи. Данные электрические сигналы распространяются и достигают оборудования, подключенного к кабелям. При этом функции передачи проводов и кабелей могут ограничить распространение составляющих высоких частот. Например, электрические провода внутри здания существенно ослабляют сигналы с частотами свыше нескольких мегагерц. При этом другие кабели, например, категории 5, предназначены для применения на более высоких частотах (~ 1 ГГц).

В настоящем разделе приведены сведения о механизмах возбуждения систем, представлении систем с использованием концепций электромагнитной топологии и различных результатах влияния электромагнитных воздействий большой мощности на электрические системы и компоненты.

6.1 Топологическое представление системы

Для оценки результатов влияния электромагнитных воздействий большой мощности на сложную систему необходимо, прежде всего, понять, как провести анализ возбуждения системы и учесть при этом электромагнитное взаимодействие составных частей системы. Рассмотрение различных барьеров, существующих в сооружении, а также возможных путей распространения электромагнитной энергии, приводит к понятию электромагнитной топологии системы. Концепция электромагнитной топологии системы была применена в [26]. Подход, основанный на данной концепции, заключается в том, что система рассматривается как совокупность электромагнитных барьеров (экранов), препятствующих или в определенной степени способствующих распространению электромагнитной энергии от точки к точке. Источники электромагнитных полей большой мощности могут быть вне системы, как это имеет место в случаях молниевого разряда, интенсивного источника радиоизлучения или электромагнитного воздействия большой мощности.

Полностью замкнутых электромагнитных барьеров практически не существует. В экране всегда могут быть несколько отверстий, через которые возможно распространение электромагнитной энергии. Очевидно, что напряженность поля внутри произвольной экранированной оболочки будет меньше, чем напряженность внешнего поля, так как существует затухание в проводящих стенках оболочки и при прохождении сигналов неосновными путями. Однако данное затухание будет иметь конечное значение, и наличие апертур (отверстий) в экранированной поверхности и недостаточная проводимость материала экрана могут привести к проникновению электромагнитных полей через оболочку.

Пример упрощенной схемы экранированного сооружения, облучаемого внешним электромагнитным полем, представлен на рисунке 5. Очевидно, что проникновение электромагнитного поля в экранированное сооружение будет происходить в конкретных местах электромагнитного барьера, таких как дверные зажимы, панели доступа, отверстия воздушных вентиляторов, места сварки, неоднородности экрана. Кроме того, вводимые в экранированное сооружение силовые кабели, изолированные от экранирующего материала, представляют собой путь, которым энергия внешнего электромагнитного воздействия может проникать во внутренние помещения экранированного сооружения.

Рисунок 5 - Пример упрощенной схемы гипотетического сооружения, облучаемого внешним электромагнитным полем

Рассмотренный выше случай относится к экранированным сооружениям. Конечно не все сооружения (помещения) могут считаться хорошо экранированными. На практике во многих случаях не предпринимаются попытки обеспечить электромагнитное экранирование систем, например, применительно к обычным зданиям, коммерческим сооружениям и автомобилям. Тем не менее, возможно частичное экранирование путем применения арматурных прутьев и стальных балок в строительных конструкциях и за счет наличия металлического кузова у автомобиля. Более того, часто проводится защита силовых и сигнальных линий, вводимых в помещение, от воздействий молниевых разрядов.

В этих и во многих других случаях концепция электромагнитной топологии может быть полезным инструментом для определения защищенных зон, в которых интенсивность наведенных электромагнитных воздействий меньше, чем вне сооружения (помещения).

Использование концепции электромагнитной топологии заключается в следующем. Система (см. 3.34) рассматривается как совокупность одного или более числа электромагнитных барьеров или экранированных поверхностей, как показано на рисунке 6. Соединения между данными поверхностями и все точки проникновения электромагнитной энергии идентифицируют с установлением их характеристик.

Наибольшую значимость придают возможности кондуктивного электромагнитного проникновения, так как наличие изолированных силовых кабелей, проходящих через отверстия в проводящей экранированной оболочке, обычно приводит к наибольшему электромагнитному влиянию на систему. Электромагнитное проникновение через апертуры (отверстия) обычно имеет вторую степень значимости, так как диффузное проникновение менее эффективно. Возможны иные механизмы электромагнитного проникновения, например, через антенны и другие устройства, обеспечивающие связь системы с внешней электромагнитной средой.

Суммарный эффект влияния на систему электромагнитного воздействия большой мощности, созданного вне системы, определяется диаграммой последовательности взаимодействия. Данная диаграмма иллюстрирует различные аспекты генерирования электромагнитных полей, их распространения, взаимодействия с системой и отклика системы на воздействие. Для гипотетической системы, представленной на рисунке 5, диаграмма последовательности взаимодействия представлена (в упрощенном виде) на рисунке 7.

- электромагнитный барьер (экран);

- проникновение через барьер;

- распространение в проводнике;

- место создания электромагнитного поля;

- распространение электромагнитного поля;

- возбуждение электромагнитного поля;

 

 

- место реакции оборудования

Рисунок 6 - Топологическая схема простой системы, представленной на рисунке 5

Рисунок 7 - Обобщенная диаграмма последовательности взаимодействия для системы, представленной на рисунке 5

6.2 Примеры электромагнитных воздействий большой мощности на электронные системы и компоненты

Хотя использование топологической модели при проведении анализа системы помогает понять, как электромагнитное поле, представляющее собой электромагнитное воздействие большой мощности, может проникнуть в систему и оказать влияние на ее внутренние электронные компоненты, применение данного подхода для предсказания повреждений или нарушений функционирования системы затруднено. Это обусловлено не только значительной неопределенностью характеристик связи, проникновения и распространения, но и значительной неопределенностью сведений о возможных реакциях электрических компонентов при электрических воздействиях. Преимущество использования топологической модели заключается также и в том, что с ее помощью можно подготовить и провести адекватные эксперименты для оценки влияния электромагнитных воздействий большой мощности на системы.

Естественно, что результаты многих испытательных программ, связанных с электромагнитными воздействиями большой мощности на системы, носят закрытый характер и не известны широкому кругу специалистов. Вместе с тем, результаты нескольких испытаний известны. Так в [31] приведены результаты расчетов методом конечных разностей и измерений при анализе проникновения электромагнитного поля в корпус типового персонального компьютера (ПК). Исследования проводились применительно к различным конфигурациям ПК и включали облучение материнской платы при наличии кожуха и при снятом кожухе. Целью данных исследований было понимание механизмов связи при электромагнитных воздействиях большой мощности на ПК.

Основные экспериментальные результаты, как указано в [31], заключались в следующем:

- нарушение функций ПК происходило только при конкретных частотах повторения;

- вместе с тем, нарушение функций ПК происходило только при конкретной поляризации воздействующего электромагнитного поля;

- нарушение функций ПК всегда было связано с возникновением неисправности того или иного технического средства и для восстановления функционирования ПК была необходима его повторная загрузка.

Эксперименты с электромагнитными воздействиями большой мощности на ПК проводились в безэховой камере, где для облучения ПК применялась рупорная антенна при расстоянии облучения 1 м. Значение напряженности поля было приблизительно равно 100 В/м. Были испытаны три ПК. При испытаниях проводились изменения несущей частоты, напряженности поля и модуляции сигнала. Результаты исследований представлены в таблице 1.

Результаты испытаний, приведенные в таблице 1, показывают, что вид модуляции (непрерывные колебания, амплитудная модуляция глубиной 80 %, частотой 1 кГц, импульсные сигналы частотой повторения 217 Гц при рабочем цикле 50 %) также является критическим параметром в отношении вызываемых эффектов. Неблагоприятный результат электромагнитного воздействия на ПК наблюдался при всех видах модуляции. Результаты воздействия изменялись от потери данных, самостоятельного перезапуска системы и ошибок записи на диск до отключения электропитания, когда требовалось вновь включить компьютер.

Таблица 1 - Испытуемые ПК, параметры электромагнитных воздействий и наблюдаемые результаты (см. [31])

Вид ПК

Несущая частота, ГГц

Напряженность электрического поля, В/м

Модуляция

Наблюдаемые результаты

Пентиум

133 МГц

2,713

30

Непрерывные колебания

Потеря данных

2,770

50

AM

Потеря данных

1,133

50

AM, импульсы

Перезапуск

2,675

50; 75

AM, импульсы

Потеря доступа

2,887

75

AM

Потеря доступа

Пентиум II

233 МГц

1,070

100

Импульсы

Ошибка записи на диск

1,460

100

Непрерывные колебания, AM, импульсы

Ошибка записи на диск

1,480

100

Непрерывные колебания

Ошибка записи на диск

Пентиум III

300 МГц

1,040

45

Импульсы

Ошибка записи на диск

1,400

100

Непрерывные колебания

Ошибка записи на диск

100

AM

Ошибка записи на диск

100

AM

Перезапуск

75

Импульсы

Выключение питания

75

Импульсы

Выключение питания

50

Импульсы

Выключение питания

85

Импульсы

Выключение питания

Примечания

1 Параметры амплитудной модуляции: глубина 80 %, частота 1 кГц.

2 Параметры импульсов: частота повторения 217 Гц, рабочий цикл 50 %.

Наименьшая напряженность электрического поля, при которой происходили неблагоприятные эффекты, равнялась 30 В/м. Данные сведения об эффективности электромагнитных воздействий весьма полезны для понимания явлений электромагнитной связи в электронных системах. Важно отметить, что новые конструкции ПК, как правило, лучше сконструированы сточки зрения технологий ЭМС, что проявляется в том, что типичные значения напряженности поля, при которых происходят отказы функционирования компьютера составляют десятки и сотни В/м. Это обусловлено более высокой тактовой частотой процессора и соответствием нового оборудования требованиям распространяющихся на него стандартов ЭМС, что приводит к более эффективному экранированию оборудования.

Результаты испытаний компьютеров и неэкранированного военного оборудования, устанавливаемых на автомобилях при электромагнитных воздействиях большой мощности, приведены в [32]. В качестве источника электромагнитных воздействий большой мощности были использованы импульсные РЛС с несущей частотой 1 - 3 ГГц, длительностью импульсов 1 - 3 мкс и частотой повторения около 1 кГц. Нарушения функционирования, требующие перезагрузки или перезапуска автомобильного компьютера, имели место при пиковом значении среднеквадратической напряженности поля, равном нескольким сотням В/м. Физические повреждения возникали при напряженности поля, повышенной еще на 20 - 30 дБ.

Результаты данных испытаний позволяют сделать следующие выводы.

При использовании источника микроволн большой мощности, размещенного в автомобильном фургоне, нарушения функционирования незащищенных электронных систем могут быть инициированы с максимальных расстояний около 500 м. При использовании источника микроволн большой мощности меньших размеров, размещаемого в небольшом чемодане, расстояние, на котором может быть обеспечено нарушение функционирования незащищенных электронных систем, уменьшается до 50 м.

Могут быть также сделаны выводы о том, что максимальное расстояние, на котором может быть вызвано постоянное физическое повреждение электронных систем, должно быть приблизительно равно 15 м для источника микроволн большой мощности, размещенного в автомобильном фургоне. Источник микроволн большой мощности, размещенный в небольшом чемодане, будет способен вызвать постоянное физическое повреждение электронных систем лишь при его размещении в непосредственной близости к системе или даже при непосредственном контакте с системой. Обобщенные результаты данных испытаний представлены в таблице 2.

Таблица 2 - Результаты электромагнитных воздействий большой мощности на автомобили в зависимости от расстояния и мощности источника (см. [32])

Электромагнитное воздействие большой мощности

Результат воздействия при расстоянии, м

Источник, мощность

Вид

15

50

500

1 Автомобильный фургон, Р = 10 МВт

Микроволны большой мощности

Постоянное физическое повреждение

Нарушение функционирования2)

Нарушение функционирования

2 Небольшой чемодан1), Р = 100 кВт

Микроволны большой мощности

Нарушение функционирования2)

Нарушение функционирования2)

Эффекты воздействия отсутствуют

3 Автомобильный фургон, мощность уменьшена на 30 дБ в сравнении с мощностью источника 1

Микроволны большой мощности

Нарушение функционирования

Эффекты воздействия отсутствуют

Эффекты воздействия отсутствуют

4 Небольшой чемодан, мощность уменьшена на 30 дБ в сравнении с мощностью источника 2

Микроволны большой мощности

Эффекты воздействия отсутствуют

Эффекты воздействия отсутствуют

Эффекты воздействия отсутствуют

1) При использовании данного источника возможно постоянное физическое повреждение электронных систем при размещении в непосредственной близости к объекту воздействия (на расстоянии нескольких метров).

2) Нарушение функционирования означает, в основном, временное прекращение выполнения функции. Однако в некоторых случаях возможно также постоянное физическое повреждение.

Результаты влияния электромагнитных воздействий большой мощности при испытаниях многих электронных устройств облучением их электромагнитным полем, вызванным непрерывными колебаниями, на частоте микроволновых печей 2,4 ГГц, приведены в [10].

При проведении данных испытаний для излучения энергии коммерческой микроволновой печи использовался стандартный пирамидальный рупор. Облучению подвергались образцы различных электронных устройств. Испытуемые устройства размещались на расстоянии 6 м от источника излучения. Напряженность внешнего электромагнитного поля составляла около 250 В/м. Данные испытания демонстрируют реальные условия создания электромагнитных воздействий большой мощности с использованием имеющегося в наличии коммерческого оборудования.

Воздействию электромагнитных полей подвергались следующие устройства:

- радиоприемные устройства AM и ФМ;

- электронные часы в пластмассовых корпусах;

- небольшие электровзрывные устройства;

- портативные калькуляторы;

- радиопоглощающие материалы;

- люминесцентные лампы.

Наблюдались следующие эффекты электромагнитных воздействий:

a) термические повреждения радиоприемных устройств;

b) полное повреждение часов в пластмассовых корпусах;

c) подрыв электровзрывных устройств (если проводники образовывали полуволновый вибратор);

d) повреждение калькуляторов, сгорание ЖК дисплеев;

e) повышение температуры радиопоглощающих материалов;

f) свечение люминесцентных ламп.

Данные примеры показывают, что влияние электромагнитных воздействий большой мощности на электронные системы в значительной степени зависит не только от параметров воздействия, но и от конструктивных особенностей самой электронной системы.

6.3 Выгорание и физические повреждения компонентов/подсистем

Результаты испытаний, представленных в 6.2, показывают, что результатом электромагнитных воздействий большой энергии на системы может быть либо выгорание (физическое повреждение) оборудования либо нарушение функционирования устройства из-за состояний неисправности логических схем. Как правило, выявление выгорания (физического повреждения) устройства является наиболее эффективным способом количественной оценки эффективности электромагнитного воздействия. При этом следует использовать предельные значения различных параметров сигнала для того, чтобы оценить влияние электромагнитного воздействия на устройство и найти взаимосвязь данных предельных значений с отказами функционирования устройства (см. [24]). Типичные предельные значения могут включать в себя пиковое значение сигнала, воздействующего на компонент, суммарное значение энергии, передаваемой компоненту, и т.д.

Известно, что после 1970 г. были предприняты значительные усилия для того, чтобы определить и установить числовые значения параметров ЭМИ ВЯВ, вызывающих отказы и неисправности компонентов. Значительное число данных, относящихся к отказам компонентов в результате воздействия ЭМИ ВЯВ, содержится в [3], результаты интенсивных испытаний систем связи, электроснабжения и компонентов приведены в [33] - [44].

Вместе с тем, недавно стали известны результаты ряда экспериментов по оценке влияния интенсивности переходных процессов, которые могут быть отнесены к электромагнитным воздействиям большой энергии, на вызываемые ими отказы и неисправности отдельных компонентов и подсистем (в том числе ПК, подключаемых к силовым линиям и линиям связи). Исследовались также возможности распространения внутри здания переходных процессов, созданных в линиях электропитания вне здания. Результаты этих работ изложены в 6.3.1 - 6.3.3.

6.3.1 Повреждение компонентов

Как отмечалось выше, характеристики излученных электромагнитных полей, относящихся к электромагнитным воздействиям большой мощности, отличаются от характеристик электромагнитных полей ЭМИ ВЯВ. Поэтому сведения об отказах компонентов в результате воздействия ЭМИ ВЯВ не могут быть непосредственно применены к изучению электромагнитных воздействий большой мощности. Исследования влияния электромагнитных воздействий большой мощности на компоненты (см. [45]) позволяют сделать вывод о том, что в отношении электромагнитной восприимчивости к микроволнам большой мощности существуют значительные различия между цифровыми схемами разных технологий изготовления. В [45] отмечена близость результатов испытаний для различных образцов цифровых схем одного и того же типа, изготовленных одним и тем же производителем. С другой стороны, пороговые значения восприимчивости компонентов, изготовленных различными производителями, могут различаться до 16 дБ. Отмечается увеличение порогового значения восприимчивости компонентов с ростом частоты электромагнитного воздействия. Данный эффект для цифровых схем технологии TTL представлен на рисунке 8.

Следует отметить, что восприимчивость системы в целом к электромагнитным воздействиям большой мощности может отличаться от восприимчивости отдельных компонентов.

 - интегральная схема 1;

 - интегральная схема 2;

 - интегральная схема 3

Рисунок 8 - Результаты измерений зависимости пороговых значений восприимчивости интегральных схем TTL от частоты, иллюстрирующие возрастание пороговых значений восприимчивости с повышением частоты

6.3.2 Воздействие кондуктивных переходных процессов на ПК

В [46] приведены результаты испытаний с применением испытательных генераторов, обеспечивающих создание калиброванных и воспроизводимых переходных процессов, имитирующих процессы, вызываемые молниевыми разрядами и явлениями коммутации в электрических сетях [47], [48]. Для этой цели использовались испытательные генераторы микросекундных импульсных помех (МИП) большой энергии по ГОСТ Р 51317.4.5 и наносекундных импульсных помех (НИП) по ГОСТ Р 51317.4.4. Применялись МИП с параметрами 1/50 - 6,4/16 мкс и 6,5/700 - 4/300 мкс (см. ГОСТ Р 51317.4.5) и НИП с параметрами 5/50 нc (см. ГОСТ Р 51317.4.4).

6.3.2.1 Испытуемое оборудование

Испытаниям подвергались четыре персональных компьютера (Макинтош SE, Пентиум 66 МГц, Пентиум 486, Пентиум 120 МГц). На шнуры электропитания данных компьютеров подавались НИП и, кроме того, на шнуры электропитания двух ПК Пентиум были поданы МИП с параметрами 6,5/700 - 4/300 мкс. НИП были также поданы на кабели мыши, клавиатуры и провода, подключенные к модему.

Во второй серии испытаний, как указано в [46], НИП, а также МИП с параметрами 1/50 - 6,4/16 мкс и 6,5/700 - 4/300 мкс подавались на кабели локальных вычислительных сетей Ethernet, AppleTalk, подключенные к компьютерам.

6.3.2.2 Результаты испытаний (МИП)

МИП инжектировались в шнуры электропитания компьютеров и провода локальных вычислительных сетей Ethernet, AppleTalk.

Обобщенные результаты испытаний при подаче МИП на порты электропитания и связи ПК приведены ниже.

1) Порты электропитания (параметры МИП 6,5/700 - 4/300 мкс)

Отсутствуют повреждения или нарушения функционирования ПК при повышении напряжения испытательного генератора вплоть до максимального значения.

Отмечены перекрытия напряжения.

Типичные максимальные значения напряжения и тока на нагрузке составляют (при напряжении холостого хода испытательного генератора 4,5 кВ):

1,2 кВ (пиковое напряжение импульса длительностью 4 мкс),

200 - 300 В (медленное уменьшение напряжения, длительность 300 мкс);

300 A (пиковое значение тока, ограничиваемое испытательным генератором).

2) Порт связи (коаксиальный кабель Ethernet)

Повреждение порта при подаче МИП с параметрами 1/50 - 6,4/16 мкс напряжением 500 В. Отсутствуют повреждения в конструкции ПК за исключением платы Ethernet.

3) Порт связи (витая пара Ethernet)

Повреждение порта при подаче МИП с параметрами 6,5/700 - 4/300 мкс напряжением 4 кВ.

Для повреждения необходима энергия 4 Дж.

Отмечены перекрытия напряжения при напряжении 3 кВ.

Отсутствуют повреждения в конструкции ПК за исключением платы Ethernet.

При подаче МИП на шнуры электропитания не были отмечены воспроизводимые эффекты вплоть до напряжения холостого хода испытательного генератора МИП 4,5 кВ. При этом напряжение, непосредственно подаваемое на ПК, составляло лишь 1,2 кВ при длительности импульса 4 мкс и 300 В при длительности импульса 300 мкс. При испытаниях были отмечены перекрытия напряжения. Вместе с тем, после испытаний какие-либо результаты воздействий на ПК не были отмечены.

При подаче МИП на коаксиальные кабели происходило повреждение плат Ethernet при минимальном напряжении помехи 500 В. Было отмечено, что при подаче на кабель постоянного напряжения также происходило повреждение плат Ethernet. При проверке было выявлено, что экран кабеля не был заземлен в плате, что привело к преобразованию общего несимметричного напряжения помехи в симметричное напряжение. Необходимо особо отметить, что при повреждении платы Ethernet и потере связи в локальной вычислительной сети ПК не был поврежден.

При подаче НИП на витые пары локальной вычислительной сети Ethernet наблюдались аналогичные результаты, хотя нарушения функционирования происходили при существенно более высоких уровнях помех. При подаче МИП с параметрами 6,5/700 - 4/300 мкс нарушения функционирования отмечались при напряжении 4 кВ (при подаче помех по схеме «провод - провод»). Перекрытия напряжения наблюдались при напряжении 3 кВ.

На рисунке 9 представлен разъем, поврежденный при перекрытии напряжения входе испытаний при подаче МИП с параметрами 6,5/700 - 4/300 мкс. Энергия, необходимая для повреждения платы Ethernet, была равна 4 Дж. Как и в случае подачи НИП на коаксиальные кабели локальной сети, компьютер не был поврежден при испытаниях.

Рисунок 9 - Пример повреждений, вызванных одиночным импульсом напряжением 4,5 кВ испытательного генератора МИП (6,5/700 мкс - 4/300 мкс) по ГОСТ Р 51317.4.5

Таким образом, локальная вычислительная сеть с витыми парами существенно менее восприимчива к воздействиям МИП. Наиболее эффективной является подача МИП по схеме «провод - провод» (симметричное напряжение).

6.3.2.3 Результаты испытаний (НИП)

НИП подавались на шнуры электропитания всех четырех компьютеров с применением емкостных клещей связи по ГОСТ Р 51317.4.4. Хотя были отмечены некоторые неблагоприятные эффекты, например, непроизвольные движения курсора, перезапуск компьютера не потребовался. В большинстве случаев было очевидно, что для получения воспроизводимых нарушений функционирования компьютера необходимо напряжение испытательного генератора более 4,5 кВ.

При проведении испытаний с подачей помех на порты, подключаемые к локальной вычислительной сети, испытательный генератор НИП непосредственно подсоединялся к компьютеру (напряжение на портах связи было равно напряжению испытательного генератора). При этих условиях были отмечены воспроизводимые нарушения функционирования испытанных образцов компьютеров для различных видов портов связи. В таблице 3 показана зависимость между напряжением НИП и числом инжектированных импульсов, необходимым для нарушения функционирования компьютера (при подаче НИП на кабель локальной сети AppleTalk, подключенный к компьютеру Макинтош SE).

Таблица 3 - Результаты инжекции НИП в кабели связи локальной вычислительной сети AppleTalk

Частота повторения НИП, кГц /число импульсов в последовательности

Число нарушений функционирования компьютера/число инжектированных последовательностей НИП

при испытательном уровне НИП, В

1000

1500

2000

3000

4000

4500

1000/20000

0/3

4/4

3/3

3/3

3/3

2/2

100/2000

0/5

4/4

3/3

3/3

Испытания не проводились

3/3

10/200

0/4

4/4

3/3

3/3

Испытания не проводились

3/3

1/(20)

0/5

4/4

3/3

3/3

4/4

3/3

Одиночные импульсы

0/6

Испытания не проводились

0/2

0/2

0/3

1/0

 - отсутствие нарушений функционирования;

 - случайные нарушения функционирования;

 - нарушение функционирования при каждой инжектированной последовательности НИП.

Результаты, приведенные в нижней графе таблицы 3, показывают, что при инжекции одиночных импульсов НИП нарушения функционирования компьютера отмечены лишь при напряжении 4,5 кВ, причем на 10 инжектированных импульсов приходится лишь одно нарушение функционирования компьютера. При инжекции периодических импульсов, например, последовательности из 20 импульсов с частотой повторения 1 кГц, нарушения функционирования компьютера начинаются при напряжении НИП 2 кВ. При напряжении НИП 4,5 кВ подача каждого пакета импульсов приводит к нарушению функционирования компьютера. При частоте повторения НИП более 10 кГц нарушения функционирования компьютера происходят при напряжении 1500 В.

Аналогичная зависимость между напряжением НИП и числом инжектированных последовательностей НИП, необходимых для нарушения функционирования компьютера при подаче НИП на витые пары локальной сети Ethernet, представлена в таблице 4. Очевидно, что отдельные нарушения функционирования имеют место даже при напряжении НИП 1 кВ.

Таблица 4 - Результаты инжекции НИП в витые пары локальной вычислительной сети Ethernet

Частота повторения НИП, кГц/число импульсов в последовательности

Число нарушений функционирования компьютера/число инжектированных последовательностей НИП

при испытательном уровне НИП, В

1000

1500

2000

3000

4000

4500

1000/20000

0/7

2/5

1/5

3/3

3/3

Испытания не проводились

100/2000

7/9

3/3

3/3

3/3

2/2

Испытания не проводились

10/200

6/8

1/3

3/3

3/3

2/2

Испытания не проводились

1/(20)

0/6

2/5

3/5

6/8

3/3

Испытания не проводились

Одиночные импульсы

0/2

Испытания не проводились

0/3

1/3

0/3

4/4

 - отсутствие нарушений функционирования;

 - случайные нарушения функционирования;

 - нарушение функционирования при каждой инжектированной последовательности НИП.

Результаты инжекции НИП в коаксиальные кабели локальной вычислительной сети Ethernet представлены в таблице 5. Пороговое значение восприимчивости при инжекции одиночных импульсов равно 2,5 кВ. Следует отметить, что для локальной сети Ethernet с витыми парами это значение равно 4,5 кВ, а для локальной сети AppleTalk - более 4,5 кВ.

Таблица 5 - Результаты инжекции НИП в коаксиальные кабели локальной вычислительной сети Ethernet

Частота повторения НИП, кГц/число импульсов в последовательности

Число нарушений функционирования компьютера/число инжектированных последовательностей НИП при испытательном уровне НИП, В

500

1000

1500

2000

2500

3000

4000

4500

Одиночные импульсы

1/6

3/6

3/6

4/6

3/3

3/3

6/6

4/4

 - случайные нарушения функционирования;

 - нарушение функционирования при каждой инжектированной последовательности НИП.

6.3.2.4 Выводы по влиянию кондуктивных переходных процессов

Испытания, представленные в 6.3.2.1 - 6.3.2.3, были проведены при ограниченных пиковых напряжениях испытательных генераторов. Вместе с тем результаты данных испытаний показывают, что МИП по ГОСТ Р 51317.4.5 представляют определенную опасность для локальных вычислительных сетей Ethernet. При их инжекции в кабели локальных сетей возможно повреждение плат систем Ethernet. Учитывая, что частоты спектральных составляющих МИП не превышают 1 МГц, данные помехи свободно распространяются по любым кабелям локальных сетей. Инжекция НИП по ГОСТ Р 51317.4.4 представляет серьезную опасность для локальных сетей, вызывая повреждения компьютеров при относительно низком напряжении помех (1,5 - 2 кВ). Данные импульсы будут испытывать затухание при распространении по кабелям категории 5, но это затухание является приемлемым (30 % для расстояния 50 м).

Что касается инжекции переходных процессов в сети электропитания, то ограничения выходных напряжений стандартизованных испытательных генераторов не позволяют получить эффективные результаты при подаче МИП и НИП. Вместе с тем при инжекции НИП нарушения функционирования могут иметь место при напряжении 2 кВ. При инжекции МИП напряжение на нагрузке не превышает 1 кВ, в результате чего повреждений компьютеров и нарушений их функционирования не было отмечено.

6.3.3 Кондуктивные испытания в зданиях

Повышенное внимание в последние годы уделяется возможности умышленного создания преступниками или террористами электромагнитных кратковременных процессов для нарушения нормальной работы коммерческих и иных организаций. Многие из рассматриваемых в настоящее время угроз такого рода предусматривают возможность создания в зданиях высокочастотных электромагнитных полей. Однако вероятны и другие угрозы, включающие инжекцию кондуктивных переходных электрических процессов в кабели электропитания, входящие в здание, при условии, что доступ к таким кабелям не ограничен.

Ниже приведены обобщенные сведения о работах, в которых проводилась инжекция переходных сигналов различных видов в кабели электропитания, входящие в здание (см. [49], [50]). Целью этих работ было исследование характеристик распространения данных переходных сигналов от ввода в здание до настенных штепсельных розеток внутри здания. Кроме того, в [49], [50] исследовались виды переходных процессов, действующих в электрической сети, способных вызвать повреждение компьютера.

6.3.3.1 Испытательная установка

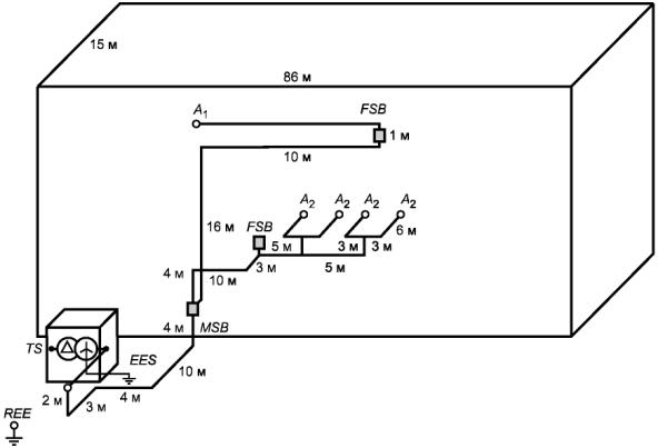
Испытания проводились в здании, рядом с которым был установлен силовой трансформатор 10 кВ/380 В, соединенный по дельтаобразной схеме, мощностью 1 МВт, как показано на рисунке 10. Испытательная установка включала в себя главный распределительный щит здания и распределительные щиты на этажах.

TS - трансформаторная подстанция; MSB - главный коммутационный щит; FSB - этажный коммутационный щит; REE - удаленный заземляющий электрод; EES - заземляющая система трансформаторной подстанции; A1, А2 - места проведения измерений

Примечание - Этажи здания обозначены: нижний этаж - наземный; следующий за ним - первый этаж; следующий - второй и т.д.

Рисунок 10 - Описание эксперимента по инжекции кондуктивных электромагнитных помех

При проведении испытаний импульсы инжектировались во вторичную обмотку силового трансформатора. Трансформатор был обесточен для удобства проведения испытаний, так как нет препятствий к инжекции помех в условиях рабочих напряжений на кабелях, входящих в здание.

Инжекция импульсов проводилась:

- между фазным проводом 1 и нейтральным проводом;

- между фазным проводом 2 и нейтральным проводом;

- между фазным проводом 1 и удаленным заземляющим электродом;

- между фазным проводом 2 и удаленным заземляющим электродом;

- между нейтральным проводом и удаленным заземляющим электродом.

Измерения в здании проводились во всех случаях между фазным проводом 1 и нейтральным проводом в различных настенных штепсельных розетках на этажах.

Инжектируемые сигналы включали в себя непрерывные колебания и импульсы. Характеристики импульсов изменялись, но в основном время нарастания импульсов было 30 нс при длительности между 30 нс и 10 мкс, частота повторения 5 Гц. В точке инжекции амплитуда импульсов составляла 1500 В. Очевидно, что инжекция импульсов амплитудой 1,5 кВ не могла вызывать повреждение изоляции в электропроводке здания. При подаче непрерывных колебаний использовались частоты между 500 Гц и 1 МГц.

6.3.3.2 Результаты испытаний в зданиях

Очевидно, что наименьшее затухание сигнала на пути от входа в здание до настенных штепсельных розеток будет иметь место, если измерения напряжения и инжекцию сигнала проводят между одним и тем же фазным проводником и нейтральным проводником. В ходе испытаний было выявлено, что затухание имеет минимальное значение при наибольшей длительности импульса (10 мкс). При проведении испытаний с источником непрерывных колебаний затухание увеличивалось с ростом частоты при максимальном значении затухания 5 дБ на частоте 1 МГц. Пики затухания отсутствовали. При проверке эффективности связи между различными фазными проводами было выявлено, что при инжекции сигналов между фазным проводом 2 и нейтральным проводом и при измерении между фазным проводом 1 и нейтральным проводом затухание было равно от 30 до 50 дБ на частотах между 0,1 и 1 МГц. При этом наблюдались резкие резонансы на частотах 250 и 900 кГц. При инжекции сигнала между фазным (или нейтральным) проводом и удаленным заземляющим электродом и измерении между фазным проводом 1 и нейтральным проводом затухание в той же полосе частот было равно 40 дБ.

6.3.3.3 Источники питания компьютера

Вторая часть работ, описанных в [49], [50], включала в себя исследования уязвимости источников питания компьютеров при импульсных переходных процессах в кабеле электропитания. Так как было ясно, что при преднамеренном воздействии наиболее вероятны повреждения и отказы в схеме фильтра силового питания, были проведены исследования трех различных схем фильтра силового питания - для малой нагрузки (номинальной мощностью 200 Вт), для нагрузки средней мощности (500 - 800 Вт) и промышленного фильтра.

Исследования были проведены при различных характеристиках входных импульсов при инжекции по схеме «фазный проводник - нейтральный проводник» на штепсельной вилке. Были рассмотрены нелинейные и паразитные элементы фильтров сетевого питания. Результаты анализа показали, что при инжекции импульсов длительностью 100 мкс должны ожидаться следующие эффекты:

- пробой конденсатора фильтра - при напряжении импульса 3 - 4 кВ;

- пробой выпрямительного диода - при напряжении импульса 5 - 6 кВ;

- перенапряжение на фильтре выпрямителя-при напряжении импульса 3 - 4 кВ.

При проведении испытаний для проверки отдельных результатов данного исследования на входные разъемы источника питания подавались импульсы с характеристиками, принятыми при проведении расчетов, начиная с напряжения 3 кВ. Пробой конденсатора происходил в схеме при напряжении от 4,2 до 5,6 кВ, что несколько выше расчетных данных, но находилось в пределах точности расчетов.

Для проверки качества функционирования компьютера при использовании промышленного фильтра в схему подавались импульсы длительностью 50 мкс. При испытаниях было выявлено, что отказы источника питания компьютера имеют место при инжекции импульсов напряжением 6 кВ. В схеме фильтра источника питания были выявлены повреждения: двух диодов, термокомпенсирующего резистора и предохранителя. Проведенный анализ влияния длительности импульса на эффективность воздействия показал, что при длительности импульса 1 мс ожидаемый уровень отказа может быть 1 - 2 кВ.

6.3.3.4 Обобщенные результаты кондуктивных испытаний в зданиях

Результаты испытаний, представленные в [49], [50], свидетельствуют о том, что напряжения, инжектированные в кабели, вводимые в здание, могут распространяться с малым затуханием в проводах электроустановки здания даже при наличии нескольких распределительных щитов в здании. Малое затухание при распространении испытывают непрерывные колебания частотой менее 1 МГц и импульсы длительностью более 1 мкс.

Хотя вопросы, относящиеся к нарушению изоляции электропроводки в здании при инжекции напряжений, непосредственно в [49], [50] не затрагивались, можно полагать, что пиковое значение напряжения пробоя изоляции нормальной электрической проводки может быть не менее 10 кВ.

При рассмотрении вопросов уязвимости компьютеров результаты анализа и проведенных ограниченных испытаний показывают, что источники питания компьютеров, в частности входные фильтры, уязвимы к импульсам длительностью 50 мкс при напряжении 6 кВ. Вычисления показывают, что при воздействии импульсов длительностью около 1 мс повреждения будут иметь место при напряжении 1 - 2 кВ. В целом результаты работы свидетельствуют о том, что в кабели электроустановок зданий возможно инжектировать сигналы при значительном напряжении. Инжектированные напряжения распространяются с малым затуханием в кабелях электроустановки здания и способны вызвать повреждения источников питания компьютеров.

6.4 Нарушения функционирования логических схем (прекращения функционирования)

Наиболее вероятным результатом влияния на системы электромагнитных воздействий большой мощности является временное нарушение функционирования внутренних цифровых схем, которое восстанавливается самостоятельно после окончания воздействия, или нарушение (прекращение) функционирования, устраняемое пользователем путем перезагрузки (повторного включения электропитания). Прогнозировать уязвимость системы в отношении данных видов нарушений функционирования достаточно сложно из-за неопределенности:

a) состояния логических схем и выполняемых ими операций в момент электромагнитного воздействия;

b) состояния связи влияющего электромагнитного поля с системой, которое зависит от большого числа различных параметров, значения которых неизвестны;

c) значений удаления системы от источника электромагнитного воздействия и ориентации системы относительно источника, которые, как правило, неизвестны;

d) степени изменения уязвимости объекта при переходе от одной модели системы к другой.

Поэтому применение аналитических методов для выявления возможных нарушений функционирования систем при электромагнитных воздействиях затруднено, и для понимания эффектов электромагнитных воздействий большой мощности на системы необходимо проведение испытаний систем.

Вместе с тем, исходя из известных значений напряжений переключений в логических схемах, существует возможность установить требование к системе, заключающееся в том, чтобы напряжение любого сигнала, возникающего в системе в результате электромагнитного воздействия большой мощности, было значительно меньше, чем нормальные напряжения переключений логических схем. Реализация данного консервативного подхода может привести к излишней защищенности системы. Однако данный подход может быть принят в качестве основного при защите от электромагнитных воздействий большой мощности систем высокой критичности.

7 Концепции защиты от электромагнитных воздействий большой мощности

Установлено (см. разделы 4 - 6), что электромагнитные воздействия большой мощности на системы могут привести к следующим результатам (в порядке убывания жесткости воздействия):

a) постоянному физическому повреждению системы;

b) постоянному прекращению выполнения установленной функции;

c) временному прекращению выполнения установленной функции;

d) ухудшению характеристик функционирования;

e) временному нарушению функционирования, которое может быть устранено действиями оператора.

В некоторых случаях может потребоваться защитить систему от электромагнитных воздействий большой мощности.

В настоящем разделе приведен обзор различных схем защиты.

7.1 Стратегия выбора уровней защищенности

Важнейшей составной частью мероприятий по защите от электромагнитных воздействий большой мощности является обоснование необходимой степени стойкости системы. Стойкость системы обычно выражают вероятностью отказа (прекращения выполнения установленной функции) при конкретном электромагнитном воздействии. Необходимая степень стойкости системы должна быть определена на статистической основе, учитывая неопределенности измерений параметров электромагнитных полей, воздействующих на систему, и изменения параметров системы.

Некоторые системы могут быть отнесены к «системам критичного функционирования». Для указанных систем должны быть установлены достаточно жесткие требования к выживаемости при электромагнитных воздействиях большой мощности. Обоснование требований к выживаемости системы является сложным и должно проводиться на основе статистических решений с учетом сценариев нападения, стоимости и т.д.

Для того чтобы оценить необходимость проведения мероприятий по защите от электромагнитных воздействий большой мощности, требования к выживаемости системы должны быть установлены с учетом ее взаимодействия с другими компонентами инфраструктуры, включающей в себя данную систему.

Например, если рассматриваемая система представляет собой систему связи, обеспечивающую управление и контроль в системе гражданской обороны, ее функционирование является критичным для обеспечения функционирования всей системы. С другой стороны, если функционирование данной системы не является критичным (например, связано с приготовлением кофе), требования к ее выживаемости являются минимальными. Поэтому при определении требований к защите от электромагнитных воздействий большой мощности необходима детальная оценка функций, выполняемых конкретной системой.

7.2 Обзор методов защиты от электромагнитных воздействий большой мощности

Если в результате проведенного анализа или испытаний системы выявлена необходимость защитить систему от электромагнитных воздействий большой мощности, следует учитывать возможность применения нескольких методов:

a) защита конкретной системы от электромагнитных воздействий;

b) конструирование технических средств и создание программного обеспечения, устойчивых к отказам отдельных элементов;

c) мониторинг окружающей обстановки с целью выявления электромагнитных воздействий большой мощности;

d) обеспечение физической безопасности системы;

e) избыточность системы при выполнении установленных функций.

Метод по перечислению а) в значительной степени аналогичен методам защиты систем от ЭМИ ВЯВ (см. [26]). Данный метод включает в себя: контроль электрической конфигурации системы для уменьшения связи с внешними электромагнитными полями, повышение эффективности экранирования системы путем обработки апертур и точек проникновения кондуктивных воздействий в систему, установку устройств защиты от импульсных перенапряжений в точках входа.

Так как многие системы являются цифровыми, существует возможность снизить вероятность нарушения функционирования системы при низких уровнях электромагнитных воздействий большой мощности за счет применения методов конструирования технических средств и создания программного обеспечения, устойчивых к отказам отдельных элементов (см. перечисление b). Данный метод, однако, неприменим для защиты от физических повреждений при воздействии электромагнитных полей.

Метод защиты по перечислению c) особенно полезен при повторяющихся электромагнитных воздействиях большой мощности. В соответствии сданным методом собственник сооружения может проводить поиск источников электромагнитных воздействий большой мощности. Наличие источника означает нападение на сооружение. Проведение мониторинга может быть полезным еще и потому, что источник электромагнитных воздействий большой мощности с большой вероятностью должен находиться поблизости от объекта воздействия.

Метод по перечислению d) является превентивным и направлен на исключение доступа в места потенциального нападения на систему.

Наконец, метод введения избыточности по перечислению e) уменьшает уязвимость системы, например, за счет того, что подсистема, функционирование которой нарушено, заменяется идентичной подсистемой, защищенной от электромагнитных воздействий.

7.3 Реализация методов защиты от электромагнитных воздействий большой мощности

Взаимодействие электромагнитных воздействий большой мощности с системой может быть, в целом, представлено произведением функций передачи последовательных звеньев, заключенных между источником электромагнитных воздействий большой мощности и портом системы, подвергаемым воздействию (например, компонентом) (см. рисунок 7). Для такого пути взаимодействия может быть проведен анализ отдельных звеньев, определены их функции передачи, а затем - определен результат воздействия на систему. Это более детальный, но вместе с тем и более сложный подход, чем подход, основанный на учете мест «утечки» в экране и применении фильтров в кабелях.

Используя понятие «топология системы», введенное в соответствии с 6.1, удобно относить пути электромагнитного проникновения к «намеренно созданным» и «ненамеренно созданным».

Как показано на рисунке 11, намеренно созданный путь электромагнитного проникновения представляет собой отверстие в электромагнитном экране, созданное для ввода информации (сигналов), электропитания, воды, механических усилий или для прохода персонала в экранированное помещение и из него. При таком определении необходимо относить пути электромагнитного проникновения внутрь экранированной оболочки через антенну, силовые и сигнальные кабели, как показано на рисунке 11, к намеренно созданным путям электромагнитного проникновения. Таким образом, путь электромагнитного проникновения через любую апертуру рассматривают как намеренно созданный, если апертура (окно, дверь и т.д.) намеренно создана в экране для прохождения «информации».

Рисунок 11 -Схема намеренно и ненамеренно созданных путей электромагнитного проникновения применительно к системе, представленной на рисунке 5

С другой стороны, путь электромагнитного проникновения через апертуру, образованную в шве между двумя пластинами экрана оболочки системы, следует отнести к ненамеренно созданному. Путь проникновения электромагнитного поля через некачественный изолирующий материал также представляет собой пример ненамеренно созданного пути электромагнитного проникновения.

Хотя механизм связи при намеренно созданном пути электромагнитного проникновения часто является известным и различные функции передачи при этом являются известными либо могут быть рассчитаны, защита данного пути проникновения, как правило, является более сложной, чем защита ненамеренно созданного пути электромагнитного проникновения. Для защиты ненамеренно созданного пути электромагнитного проникновения может быть применена стандартная технология обеспечения ЭМС, основанная на применении прокладок, фильтров, экранированных кабелей и т.д. Если интенсивность ожидаемых электромагнитных воздействий является значительной, необходимо многоуровневое применение средств защиты, однако с использованием стандартных технологий.

С другой стороны, для защиты намеренно созданного пути электромагнитного проникновения часто бывает трудно найти подходящие средства защиты, так как одновременно должно быть обеспечено прохождение полезных сигналов и ограничено влияние электромагнитных воздействий большой мощности.

Для защиты намеренно созданного пути электромагнитного проникновения часто рассматривают применение нелинейных схем. Однако, если импульсы электромагнитных воздействий большой мощности являются кратковременными, отклик устройств защиты может быть недостаточно быстрым для того, чтобы поглотить энергию импульса. Для некоторых видов намеренных путей электромагнитного проникновения достаточно трудно найти адекватные способы защиты.

При рассмотрении мер защиты необходимо учитывать, что высокочастотный характер электромагнитных воздействий большой мощности затрудняет определение наихудшего эффекта воздействия без проведения многочисленных измерений. Вместе с тем затрудняется и требует значительных затрат времени проведение испытаний с целью продемонстрировать, что система не является восприимчивой при любых углах воздействия электромагнитного поля [51].

7.3.1 Защита намеренно созданных путей проникновения электромагнитных воздействий большой энергии

Для защиты систем от электромагнитных воздействий большой мощности с установленным уровнем выживания необходимо проводить защиту намеренно созданных путей электромагнитного проникновения. Применяемые средства защиты должны, с одной стороны, не нарушать нормального функционирования системы, а с другой - не выходить из строя при электромагнитных воздействиях большой энергии, если данные средства не сконструированы как средства «одного удара», подобные плавким предохранителям.

Проведению мероприятий защиты способствует то, что пути связи при этом, как правило, хорошо известны и контролируются. Например, рассмотрим гипотетический путь связи, показанный на рисунке 12а). Данный путь связи может быть представлен последовательностью соединенных друг с другом двухпортовых схем, каждая из которых имеет функцию передачи Тi, как показано на рисунке 12b).

b) Модель функций передачи

E - напряженность внешнего электрического поля; Z0 - полное сопротивление обтекателя; Trad - функция передачи обтекателя; Tant -функция передачи антенны; Тm - функция передачи согласующей цепи; Ttr - - функция передачи линии; Trcvr - функция передачи приемника; Rload - нагрузка

Рисунок 12 - Пример намеренно созданных путей электромагнитного проникновения в систему

Функции передачи на рисунке 12b), в основном, известны в полосе рабочих частот системы.

Защита данной системы может быть выполнена двумя различными способами:

a) добавлением в путь прохождения сигнала последовательно или параллельно устройств защиты, как показано на рисунке 13, или

b) конструированием элементов системы (т.е. подбором функций передачи Ti) так, чтобы исключить внеполосные сигналы.

Zshumt - защитное устройство, параллельно включенное в путь прохождения сигнала; Zseries - защитное устройство, последовательно включенное в путь прохождения сигнала

Рисунок 13 - Включение устройств защиты в намеренно созданный путь электромагнитного проникновения для защиты от внеполосных помех

Устройства защиты, представленные на рисунке 13, могут быть нескольких видов. На низких частотах могут быть использованы фильтры с сосредоточенными параметрами, на высоких частотах - волноводные фильтры. Кроме того, обычно применяют нелинейные ограничивающие устройства, включая диодные ограничители, газовые разрядники, ферритовые ограничители и переключатели.

Помимо защиты намеренно созданных путей электромагнитного проникновения добавлением специальных компонентов в цепь функций передачи, возможно изменение конструкции системы.

Например, применительно к антенне, представленной на рисунке 12, возможно изменить полосу частот прозрачности обтекателя антенны с использованием специальных материалов для ограничения энергии внеполосных сигналов, достигающей антенны. Более того, конструкция антенны может обеспечивать управление поляризацией и шириной луча, что позволяет уменьшить влияние электромагнитных воздействий большой мощности. Каждое из этих конструктивных изменений приводит к корректировке функций передачи в полосах частот, отличных от полосы частот полезного сигнала.

Защита намеренно созданных путей кондуктивного проникновения, отличающихся от путей прохождения полезного сигнала, также может быть обеспечена установкой фильтров и устройств защиты от импульсных перенапряжений. Примерами таких путей проникновения являются прохождение экранированных кабелей управления, вращающихся осей, водяных труб и т.д. Основная концепция их защиты заключается в предотвращении непосредственной инжекции тока в систему, что может быть достигнуто хорошим электрическим соединением (сваркой) в точках проникновения и/или добавлением механических изоляторов, фильтров, подавителей помех. Выбор конструкций устройств защиты зависит от конкретных характеристик пути проникновения.

7.3.2 Защита ненамеренно созданных путей электромагнитного проникновения

Как отмечено ранее, основными ненамеренно созданными путями проникновения электромагнитных полей большой мощности являются проводящие поверхности экрана системы и отверстия, щели, швы, места соединений электромагнитного экрана.

Концепция защиты ненамеренно созданных путей электромагнитного проникновения проста: необходимо закрыть все отверстия в электромагнитном экране (экранах) системы. На рисунке 14 в обобщенном виде показано, как это может быть выполнено несколькими различными способами.

Рисунок 14 - Типичные способы защиты ненамеренно созданных путей электромагнитного проникновения

Во-первых, внешний экран системы должен быть изготовлен из материала с высокой проводимостью. Любые отверстия должны быть защищены с использованием проводящих материалов, сеток, проводящих покрытий. При необходимости, используют запредельные волноводы. На рисунке 14 представлены также требования к системе заземления. Должны быть как внешняя, так и внутренняя системы заземления, причем интерфейсом между ними должна быть экранирующая поверхность, а не провода, проходящие через экран.

Наконец, любое электрическое соединение с внешней системой должно включать продолжение общего экрана системы, как это показано на рисунке 14.

Важно отметить, однако, что защита намеренно созданного пути проникновения может защитить оборудование от повреждения, но не обязательно от временного нарушения функционирования (например, вследствие временной потери полезного сигнала). Напротив, адекватная защита ненамеренно созданного пути проникновения обеспечит защиту системы и от повреждений, и от нарушений функционирования.

7.3.3 Альтернативные схемы защиты от электромагнитных воздействий большой мощности

Если характеристики системы таковы, что мгновенное катастрофическое повреждение компонентов системы исключено и опасность для системы представляют нарушения или прекращения функционирования, вызванные возможными отказами логических схем, применимы альтернативные методы защиты от электромагнитных воздействий большой мощности, основанные на том, что время «повреждения» системы сравнимо с длительностью нескольких циклов работы логических схем, что предоставляет достаточное время для осуществления «динамической защиты».

Альтернативные схемы защиты от электромагнитных воздействий большой мощности включают в себя:

a) активную защиту;

b) введение избыточности системы;

c) выявление ошибок и применение корректирующего программного обеспечения.

Концепция активной защиты основана на применении отдельных устройств, обнаруживающих начальный момент влияния на систему электромагнитных воздействий большой мощности, и на проведении оперативной защиты системы до момента возникновения нарушений функционирования. Активная защита намеренно созданных путей электромагнитного проникновения применяется в системах радиолокации и связи. Важнейшим условием применения данного метода является допустимость задержки приема полезного сигнала. Допустимое время задержки должно быть достаточным для срабатывания устройств защиты и, вместе с тем, не влиять на нормальное функционирование системы.

Использование избыточности системы в целях ее защиты от электромагнитных воздействий большой мощности целесообразно в тех случаях, когда требуется повышенная надежность системы. Введение избыточности обеспечивает защиту системы как от повреждений, так и от нарушений функционирования. Концепция введения избыточности основана на применении нескольких подсистем или компонентов, выполняющих одну и ту же функцию (например, компьютеров в системе связи), выходные сигналы которых суммируются. В результате общий уровень выживаемости системы становится выше, чем уровень выживаемости отдельной подсистемы.

Выявление ошибок и применение корректирующих процедур в электронных схемах тоже обеспечивает повышение надежности систем.

В целом, для защиты систем от электромагнитных воздействий большой мощности следует применять методы конструирования технических средств и создания программного обеспечения, обеспечивающие стойкость к электромагнитным воздействиям большой мощности, совместно с осуществлением коррекции ошибок и пропусков сигналов. Возможен также периодический мониторинг (автоматический или ручной) функционирования системы и наличия электромагнитных воздействий большой мощности и осуществление (при необходимости) перезагрузки систем.

Приложение А

(справочное)

Примеры электромагнитных воздействий большой мощности на системы в прошлом

В прошлом имели место несколько подробно документированных случаев нежелательного электромагнитного влияния при электромагнитных воздействиях на системы, иногда с разрушительными последствиями. Ряд событий, вызванных электромагнитными влияниями, изучен в [11], некоторые из них будут кратко изложены ниже.

Прошлый опыт показывает, что нарушения функционирования систем не связаны с применением только современного оборудования. Наиболее разрушительные последствия электромагнитных воздействий большой мощности имели место в 1967 г. и были связаны с авианосцем «Форрестол» ВМС США. В соответствии с [11]:

«В 1967 г. у побережья Вьетнама при посадке реактивного самолета ВМС на авианосец «Форрестол» произошло неконтролируемое сбрасывание авиабомб, которыми был нанесен удар по полностью снаряженному и заправленному истребителю на взлетной палубе. Последовали взрывы, в результате которых были убиты 134 матроса и причинены серьезные повреждения авианосцу и самолету. Данный инцидент был вызван облучением самолета радиолокационной станцией авианосца. Результирующее электромагнитное влияние привело к подаче нежелательного сигнала на систему вооружения. Проведенное расследование показало, что степень экранирования систем самолета была пониженной, что и дало возможность радиолокационной станции оказать влияние на их нормальное функционирование. С учетом этого инцидента системный уровень требований ЭМС был пересмотрен, причем особое внимание было обращено на электровзрывные устройства».

Были отмечены следующие проблемы с системами управления полетом истребителя F-16:

«Истребитель F-16 потерпел аварию вблизи радиопередающей станции «Голос Америки» из-за того, что его система управления полетом была восприимчивой к радиочастотным электромагнитным полям высокой интенсивности, излучаемым передатчиком. Из-за неустойчивости, свойственной F-16, пилот должен был полагаться на бортовой компьютер при управлении самолетом. Учитывая это, многие из самолетов F-16 были модифицированы для исключения электромагнитного влияния, обусловленного неадекватными военными техническими требованиями к конкретным радиоэлектронным системам. Данный случай с самолетом F-16 явился одной из причин введения Федеральной авиационной администрацией (ФАА) программы сертификации в отношении радиочастотных излучений высокой интенсивности».

Был также отмечен следующий случай, связанный с воздействием на вертолет UH-60 излучений от расположенных поблизости радиопередатчиков:

«При пролете в 1987 г. вертолета UH-60 армии США возле радиопередающей башни в Западной Германии произошло неконтролируемое движение стабилизатора. Отмечалось также непреднамеренное включение индикаторных ламп и аварийных сигналов в кабине. Дальнейшие исследования и испытания показали, что система стабилизации этого вертолета подвержена воздействию радиочастотных излучений высокой интенсивности. Вертолет UH-60 был оснащен обычной механической системой управления полетом с гидроусилителями. Однако в системе стабилизации была использована передача цифровых сигналов автоматического управления положением вертолета на основе параметров полета и сигналов управления. Именно система передачи этих цифровых сигналов оказалась восприимчивой к радиочастотным излучениям высокой интенсивности. В период конструирования вертолета для нужд армии США еще не было опыта регулярных полетов вблизи мощных источников радиочастотного излучения. Вместе с тем, версия данного вертолета, разработанная для Военно-морских сил (SB-60), не имела подобных проблем с влиянием электромагнитных помех большой мощности, так как для SB-60 были установлены более жесткие требования, учитывающие мощные источники электромагнитного излучения, имеющиеся на борту современных морских судов. Армией США были идентифицированы несколько сотен «проблемных» источников излучения и было проведено инструктирование пилотов о необходимости соблюдать соответствующие безопасные удаления от них. Несмотря на это, с 1981 по 1987 гг. пять вертолетов UH-60 потерпели аварии, которые привели к гибели или ранениям всех, кто находился на борту, причем при каждой из аварий вертолеты пролетали слишком близко от радиопередатчиков. Для полного решения данной проблемы потребовалось улучшить экранирование электронных систем, восприимчивых к воздействию электромагнитного поля, и обеспечить дублирование работы некоторых автоматических систем».

Случаи нежелательного электромагнитного влияния не ограничивались только военной сферой, что очевидно с учетом приведенного ниже примера, связанного с автомобилями:

«В начальный период установки на автомобилях антиблокировочных систем тормозов (АБС) отмечались серьезные нарушения при торможении автомобилей, оснащенных такими системами, на определенных участках немецких автобанов. Если водители применяли торможение на изогнутых участках автобанов вблизи от мест расположения мощных радиопередатчиков, то излучения этих радиопередатчиков оказывали влияние на системы АБС. В качестве первоначального решения данной проблемы было предпринято экранирование участков автобанов проволочной сеткой для ослабления электромагнитных полей. Это обеспечило нормальное функционирование тормозных систем».

Электромагнитное влияние было отмечено также применительно к медицинским изделиям, о чем свидетельствует приведенный ниже случай:

«Состояние восприимчивости медицинских изделий к кондуктивной или излучаемой электромагнитной эмиссии вызывает озабоченность применительно к мониторам сердечной деятельности/дефибрилляторам, используемым в медицинских учреждениях. Имел место случай, когда 93-летний пациент с сердечным приступом был помещен в госпиталь, и медицинский персонал применил для лечения пациента монитор сердечной деятельности/дефибриллятор. Каждый раз, когда медицинские работники включали радиопередатчик при проведении консультаций по радио, дефибриллятор создавал электрический разряд. В результате пациент умер. Исследования показали, что монитор/дефибриллятор подвергался воздействию исключительно сильных электромагнитных излучений, так как на крыше медицинского учреждения была укреплена длинная радиоантенна, и крыша была сделана не из металла, а из пластика. Недостаточное экранирование в сочетании с интенсивными излучаемыми радиосигналами привело к электромагнитному влиянию на устройство жизнеобеспечения».

Приведенные выше примеры воздействия электромагнитных полей большой мощности на электрические системы представляли собой непреднамеренно возникающие последствия плохой конструкции систем или ненормально высокой интенсивности электромагнитных полей, или и того, и другого.

Возможно также использование источников электромагнитных воздействий большой мощности в целях намеренного нарушения функционирования или повреждения систем. Применение электромагнитных воздействий большой мощности для достижения данных целей может иметь место в военной обстановке, при которой электромагнитные воздействия большой мощности могут быть направлены против вражеских ракет, самолетов или других систем, содержащих восприимчивые электронные устройства.

Аналогичное военному нападение может быть предпринято хакерами, террористами или другими организациями против гражданских систем, что было определено как «электромагнитный терроризм» [12], [13] или «преднамеренное электромагнитное влияние».

Возможности таких нападений стали предметом обсуждений с технической точки зрения на нескольких научных симпозиумах (см. [14] - [17]) и продолжают обсуждаться в широкой печати (см. [18], [19]). Несколько отчетов об имевших место случаях использования такого («электромагнитного») оружия против гражданских и военных систем (см. [20], [21]) носят спорный характер. Поэтому необходимы ясные, убедительные и документированные свидетельства о применении электромагнитных воздействий большой мощности.

Однако даже в отсутствие бесспорных доказательств применения источников электромагнитных воздействий большой мощности против гражданских систем правительства нескольких стран развернули исследовательские программы с целью оценить возможные последствия электромагнитных воздействий большой мощности на свои системы и инфраструктуру. Работа такого рода была, например, проведена в Швеции [22]. Кроме того, возможности использования «высокочастотного» оружия были изложены в [23] для Конгресса США.

Дальнейшие сведения, касающиеся намеренного использования электромагнитных помех большой мощности, приведены в специальном выпуске журнала [52], посвященном преднамеренным электромагнитным влияниям.

Приложение В

(справочное)

Сведения о соответствии ссылочных международных стандартов национальным стандартам Российской Федерации, использованным в настоящем стандарте в качестве нормативных ссылок

Таблица В.1

Обозначение ссылочного национального стандарта Российской Федерации

Обозначение и наименование ссылочного международного стандарта и условное обозначение степени его соответствия ссылочному национальному стандарту

ГОСТ Р 51317.4.4-2007 (МЭК 61000-4-4: 2004)

МЭК 61000-4-4: 2004 «Электромагнитная совместимость (ЭМС). Часть 4. Методы испытаний и измерений. Раздел 4. Испытания на устойчивость к электрическим быстрым переходным процессам/пачкам» (MOD)

ГОСТ Р 51317.4.5-99 (МЭК 61000-4-5-95)

МЭК 61000-4-5: 1995 «Электромагнитная совместимость (ЭМС). Часть 4. Методы испытаний и измерений. Раздел 5. Испытания на устойчивость к импульсным перенапряжениям» (MOD)

ГОСТ 30372-95 / ГОСТ Р 50397-92

МЭК 60050-161: 1990 «Международный электротехнический словарь. Глава 161. Электромагнитная совместимость» (NEQ)

Примечание - В настоящей таблице использованы следующие условные обозначения степени соответствия стандартов:

MOD - модифицированные стандарты;

NEQ - неэквивалентные стандарты.

Библиография

[1]

МЭК 60050 (161):1990

Международный электротехнический словарь. Глава 161. Электромагнитная совместимость

(IEC 60050-161:1999)

 (International Electrotechnical Vocabulary (IEV) - Chapter 161: Electromagnetic compatibility

[2]

МЭК 61000-1-5:2004

Электромагнитная совместимость (ЭМС). Часть 1-5. Основы. Электромагнитные большой мощности (ЭМБМ) воздействия на гражданские системы

(IEC 61000-1-5:2004)

 (Electromagnetic compatibility (EMC) - Part 1-5: General - High power electromagnetic (HPEM) effects on civil systems)

[3]

EMP Engineering and Design Principles, Technical Publications Department, Bell Laboratories, Whippany, NJ., 1975

[4]

EMP Interaction: Principles, Techniques and Reference Data, K. S. H. Lee, editor, Hemisphere Publishing Co., New York, 1989

[5]

МЭК 61000-1-3:2002

Электромагнитная совместимость (ЭМС). Часть 1-3. Основы. Воздействия электромагнитного импульса высотного ядерного взрыва на гражданские оборудование и системы

(IEC 61000-1-3:2002)

 (Electromagnetic compatibility (EMC) -Part 1-3: General -The effects of high-altitude EMP (HEMP) on civil equipment and systems)

[6]

VANCE, ER, «EMP Hardening of systems», Proceeding of the 4th symposium and Technical Exhibition on Electromagnetic Compatibility, Zurich, March 10 - 12, 1981

[7]

MIL-STD-188-125-1,2:1999 High-Altitude Electromagnetic Pulse (HEMP) Protection For Ground-Based C41 Facilities Performing Critical, Time-Urgent Missions; Part 1: Fixed Facilities, Part 2 Transportable Systems

[8]

Electromagnetic Pulse (EMP) and Tempest Protection For Facilities, U.S. Army Corps of Engineers, Washington, DC 20314-1000, Publication 1110-3-2, 31 December 1990

[9]

TAYLOR, CD. and GIRI, D V. High Power Microwave Systems and Effects. Taylor & Francis, Inc., January 1994

[10]

GIRI, DV and KAELIN AW. Many Faces of High-Power Electromagnetics (HPEM) and Associated Problems in Standardization. Presentation at the AMEREM¢96 Meeting, Kirtland AFB, Albuquerque, NM, 1996

[11]

LEACH, PO. and ALEXANDER, MB. Electronic Systems Failures and Anomalies Attributed to Electromagnetic Interference», NASA Report 1374, National Aeronautics and space Administration. Washington, CC 20546-0001, July 1995

[12]

GARDNER, RL. Electromagnetic Terrorism. A Real Danger. Proceedings of the XIth Symposium on Electromagnetic Compatibility, Wroclaw, Poland, June 1998

[13]

BACKSTROM, M., NORDSTROM, В., LOVSTRAND, KG. Is HPM a Threat Against the Civil Society? URSI XXVIIth General Assembly, Maastricht, the Netherlands, August 17 - 24, 2002

[14]

Workshop on «Electromagnetic Terrorism and Adverse Effects of High PowerElectromagnetic (HPE) Environments», Proceedings of the 13th International Zurich Symposium and Technical Exhibition on Electromagnetic Compatibility, February 16 - 18 1999

[15]

AMEREM¢96 Meeting, Albuquerque, New Mexico, May 27 - 31, 1996

[16]

EUROEM¢98, Tel Aviv, Israel, June 14 - 19, 1998, and EUROEM 2000, Edinburgh, Scotland, 30 May - 2 June 2000

[17]

International Scientific Radio Union (URSI) General Assembly, Toronto, 1999

[18]

ROSENBERG, E. New Face of Terrorism: Radio-Frequency Weapons, New York Times, 23 June 97

[19]

City surrenders to Е400м gangs. The Sunday Times, London, 2 June 1996

[20]

LOBOREV, VM. The Modern Research Problems. Plenary Lecture, AMEREM¢96 Meeting, Albuquerque, NM, USA, May 1996

[21]

SAWYER, D. «20/20 Segment on Non-lethal Weapons», American Broadcasting Company (ABC), aired in February 1999

[22]

Anvandarrapport FOA-R-97-00538-612-SE, August 1997, ISSN 1104-9154. In Swedish (abstract in English), English title: «Preliminary Study on the Resistance of Critical Societal Functions Against Intense Electromagnetic Radiation»

[23]

MERRITT, IW, U. S. Army Space and Missile Defense Command. Proliferation and Significance of Radio Frequency

Weapons Technology. Testimony before the Joint Economic Committee, United States Congress, February 25, 1998

[24]

МЭК 61000-5-3:1999

Электромагнитная совместимость (ЭМС). Часть 5-3. Руководства по установке и помехоподавлению. Концепции защиты от электромагнитного импульса высотного ядерного взрыва

(IEC 61000-5-3:1999)

 (Electromagnetic compatibility (EMC) - Part 5-3: Installation and mitigation guidelines - HEMP protection concepts)

[25]

МЭК 61000-5-4:1996

Электромагнитная совместимость (ЭМС). Часть 5. Руководства по установке и помехоподавлению. Раздел 4. Устойчивость к электромагнитному импульсу высотного ядерного взрыва. Требования к устройствам защиты от излучаемых помех ЭМИ ВЯВ

(IEC 61000-5-4:1996)

 (Electromagnetic compatibility (EMC) - Part 5: Installation and mitigation guidelines - Section 4: Immunity to HEMP - Specifications for protective devices against HEMP radiated disturbance)

[26]

МЭК 61000-5-6:2002

Электромагнитная совместимость (ЭМС). Часть 5-6. Руководства по установке и помехоподавлению. Защита от внешних электромагнитных воздействий

(IEC 61000-5-6:2002)

 (Electromagnetic compatibility (EMC) - Part 5-6: Installation and mitigation guidelines - Mitigation of external EM influences)

[27]

МЭК 61000-2-9:1996

Электромагнитная совместимость (ЭМС). Часть 2. Электромагнитная обстановка. Раздел 9. Описание обстановки электромагнитного импульса высотного ядерного взрыва. Излучаемые помехи

(IEC 61000-2-9:1996)

 (Electromagnetic compatibility (EMC) -Part2: Environment -Section 9: Description of HEMP environment - Radiated disturbance)

[28]

МЭК 61000-2-10:1998

Электромагнитная совместимость (ЭМС). Часть 2. Электромагнитная обстановка. Раздел 10. Описание обстановки электромагнитного импульса высотного ядерного взрыва. Кондуктивные помехи

(IEC 61000-2-10:1998)

 (Electromagnetic compatibility (EMC) - Part 2-10: Environment Description of HEMP environment - Conducted disturbance)

[29]

BENFORD, J. and SWEAGLE, J. (Editors), High-Power Microwaves, Artech House, Norwood, Massachusetts, 1992

[30]

МЭК 61000-2-13:2005

Электромагнитная совместимость (ЭМС). Часть 2-13. Электромагнитная обстановка. Основы. Электромагнитные большой мощности (ЭМБМ) окружения - излучаемые и кондуктивные

(IEC 61000-2-13:2005)

 (Electromagnetic compatibility (EMC) - Part 2-13: Environment - High-power electromagnetic (HPEM) environments - Radiated and conducted (to be published)

[31]

LOVETRI, J., WILBERS, ATM. and ZWAMBORN, АРМ. Microwave Interaction with a Personal Computer: Experiment and Modeling. Proceedings of the 1999 Zurich EMC Symposium

[32]

BACKSTROM, M. HPM Testing of a Car: A Representative Example of the Susceptibility of Civil systems. Workshop W4, Proceedings of the 13th international Zurich symposium and Technical Exhibition on EMC, February 1999, pp. 189 - 190

[33]

ROE, JM. and PUGLIELLI, VG. Using the Integrated Circuit Electromagnetic Susceptibility Handbook to Assess the susceptibility of Electronic Systems. Proceedings of the 1979 Symposium and Technical Exhibition on EMC, Rotterdam, Holland

[34]

WHALEN, JJ. Assessment Procedure Application Utilizing UHF Transistor RF Pulse Susceptibility Data. Proceedings of the 1977 symposium and Technical Exhibition on EMC, Montreux, Switzerland

[35]

HJELLEN, GA. and LANGE, TJ. A Thermal Damage Model for Bipolar Semiconductors, Proceedings of the 1977 IEEE Symposium on EMC

[36]

VAN KEUREN, E., HENDRICKSON, R. and MAGYARICS, R. Circuit Failure Thresholds Due to Transient Induced Stresses. Proceedings of the 1975 symposium and Technical Exhibition on EMC, Montreux, Switzerland

[37]

CLARK, OM., Device and Methods for EMP Transient Suppression, Proceedings of the 1975 IEEE Symposium on EMC

[38]

FOWLES, HM. Test and Evaluation of Electrical PoE Protection Devices Using MIL-STD-188-125 Short-, Intermediate-, and Long-Duration Pulses. Mission Research Corp., Technical Report MRC/ABQ-1340, July 1990

[39]

WIK, M., KAPP, WH., EGGENDORFER, A., JOHL, W, BUCHMANN, W. Measurement and Application of Secondary Surge Arresters for the Purpose of HEMP Protection. Proceedings of the 1981 Symposium and Technical Exhibition on EMC, Zurich, Switzerland

[40]

EICHLER, CH., LEGRO, JR. and BARNES, PR. Experimental Determination of the Effects of Steep Front-Short Duration Surges on 25 KVA Pole-Mounted Distribution Transformers, IEEE Transactions on Power Delivery, Vol.4, No.2, April 1989

[41]

SALAS, TM., WIGGINS, CM. and BARNES, PR. Steep Front Impulse Flashover Tests on a Solid-State Relay. Paper No. 90 WM 126-3 PWRD, Proceedings of the IEEE/PE5 1990 Winter Meeting, Atlanta, Georgia, February 4 - 8, 1990

[42]

BARNES, PR. and HUDSON, TL. Steep-Front Short-Duration Voltage Surge Tests of Power Line Filters and Transient Voltage Suppressors. Paper 88 SM 541-5, Proceedings of the IEEE/PES Summer Meeting, July 1988

[43]

MILLER, D В., LUX, AE. GRZYBOWSKI, S. and BARNES, PR. The Effects of steep-Front, Short-Duration Impulses on Power Distribution Components. Digest of the IEEEIPES summer Meeting, Long Beach, CA, July 10 - 14, 1989

[44]

BACHL, H., MARTZLOFF, F and NASTASL, D. Using Incandescent Lamp Failure Levels for Assessment of the surge-Environment. Proceedings of the 1997 Symposium and Technical Exhibition on EMC, Zurich, Switzerland

[45]

GORANSSON, G. HPM Effects on Electronic Components and the Importance of this Knowledge in Evaluation of system susceptibility. Proceedings of the 1999 IEEE EMC Symposium, Seattle, Washington

[46]

RADASKY, WA., MESSIER, MA., WIK, MW Intentional Electromagnetic Interference(EMI) -Test Data and Implications. Proceedings of the 14th International Zurich Symposium and Technical Exhibition on EMC, February 2001

[47]

МЭК 61000-4-5:2002

Электромагнитная совместимость (ЭМС). Часть 4. Техника испытаний и измерений. Раздел 5. Испытания на устойчивость к скачкам напряжения

(IEC 61000-4-5:2002)

 (Electromagnetic Compatibility (EMC) - Part 4: Testing and measurement techniques - Section 5: Surge immunity test)

[48]

МЭК 61000-4-4:2004

Электромагнитная совместимость (ЭМС). Часть 4. Техника испытаний и измерений. Раздел 4. Испытания на устойчивость к электрически быстрым переходным процессам (пачкам)

(IEC 61000-4-4:2004)

 (Electromagnetic compatibility (EMC) - Part4-4: Testing and measurement techniques - Electrical fast transient/burst immunity test)

[49]

FORTOV, V., LOBOREV, V., PARFENOV, Y, SIZRANOV, V, YANKOVSKII, RADASKY, W. Estimation of Pulse Electromagnetic Disturbances Penetrating into Computers Through Building Power and Earthing Circuits. EUROEM 2000 Conference, Edinburgh, May 2000

[50]

FORTOV, V., PARFENOV, Y, ZDOUKHOV, L, BORISOV, R., PETROV, S., SINIY, L A computer code for estimating pulsed electromagnetic disturbances penetrating into building power and earthing connections. Proceedings of the 14th International Zurich Symposium and Technical Exhibition on EMC, February 2001

[51]

LANDGREN, PG. Some Directivity Properties of Test Objects in the Microwave Region. Proceedings of the 2001 IEEE EMC Symposium, Montreal, Canada

[52]

Special Issue on Intentional Electromagnetic Interference (IEMI). IEEE Transactions on EMC, August 2004

 

 

Ключевые слова: электромагнитная совместимость, электромагнитные воздействия большой мощности, системы гражданского назначения, преднамеренное электромагнитное влияние, защита систем от электромагнитных воздействий большой мощности

 



© 2013 Ёшкин Кот :-)