Информационная система
«Ёшкин Кот»

XXXecatmenu

СССР

ОТРАСЛЕВОЙ СТАНДАРТ

ВАГОНЫ ПАССАЖИРСКИЕ

МЕТОДИКА ОПРЕДЕЛЕНИЯ
ПЛАВНОСТИ ХОДА.

ОСТ 24.050.16-85

УТВЕРЖДЕН И ВВЕДЕН В ДЕЙСТВИЕ указанием Министерства тяжелого и транспортного машиностроения от 27.12.85 и ВА-002/14698

ИСПОЛНИТЕЛИ Ал.М. Березовский, к.т.н., И.И. Вучетич. к.т.н., М.Б. Зильберман (руководитель темы), Л.Д. Кузьмич, к.т.н., Л.М. Березовский, к.т.н., Н.И. Миронов, к.т.н.. В.С. Плоткин, к.т.н., В.И. Кириллов, к.т.н., В.С. Лебедев.

СОГЛАСОВАН

Главные управлением вагонного хозяйства МПС

Заместитель начальника И.А. Глухов

Главным управлением локомотивного хозяйства МПС

Заместитель начальника Ю.А. Тюпкин

Главным управлением метрополитенов МПС

Заместитель начальника К.М. Махмутов.

ОТРАСЛЕВОЙ СТАНДАРТ

ВАГОНЫ ПАССАЖИРСКИЕ.
МЕТОДИКА ОПРЕДЕЛЕНИЯ
ПЛАВНОСТИ ХОДА.

ОСТ 24.050.16-85

Взамен
ОСТ 24.050.16

Указанием Министерства тяжелого и транспортного машиностроения от 27.12.85 № ВА-002/14698 срок введения установлен

с 01.01.1987

Настоящий стандарт распространяется на вновь проектируемые и модернизируемые пассажирские в том числе служебные, почтовые и багажные вагоны локомотивной тяги, вагоны электро- и дизель-поездов, автомотрисы магистральных железных дорог колеи 1520 мм, вагоны метрополитена и трамвайные вагоны (в дальнейшем - вагоны).

Стандарт учитывает требования стандартов СТ СЭВ 1931-79, СТ СЭВ 1932-79, ГОСТ 12.1.012-78.

Термины и обозначения, используемые в стандарте, соответствуют ГОСТ 24346-80, ГОСТ 24347-80, ГОСТ 12.4.012-83, ГОСТ 16504-81.

1. ОБЩИЕ ПОЛОЖЕНИЯ

1.1. Плавность хода измеряется в условных единицах показателя плавности хода, являющегося характеристикой ходовых качеств вагона и зависящего от интенсивности и спектрального состава колебаний вагона.

1.2. Оценка плавности хода производится путем проверки соответствия показателя плавности хода вагона нормам, предусмотренным настоящим стандартом и другой нормативно-технической документацией на вагоны.

1.3. Оценка плавности хода вагона производится раздельно для вертикального и горизонтального (поперечного) направлений колебаний.

1.4. Оценка плавности хода вагона должна производиться при предварительных, приемочных, периодических (или аттестационных) и типовых (если это предусмотрено программой) испытаниях. При других видах испытаний оценка плавности хода производится по необходимости.

Сроки проведения периодических (или аттестационных) испытаний устанавливается техническими условиями на вагоны.

1.5. Общие цели и порядок проведения испытаний должны соответствовать ОСТ 24.001.08-76 и ОСТ 24.050.37-84.

2. ТРЕБОВАНИЯ, ПРЕДЪЯВЛЯЕМЫЕ К ИСПЫТУЕМОМУ ПОДВИЖНОМУ СОСТАВУ

Вагоны, подлежащие испытаниям, должны соответствовать требованиям утвержденной техдокументации и иметь полное служебное оснащение. Вагоны должны быть приняты ОТК предприятия-изготовителя и инспекцией заказчика.

3. РЕЖИМ РАБОТЫ ПОДВИЖНОГО СОСТАВА ПРИ ИСПЫТАНИЯХ

3.1. При испытаниях подвижного состава на плавность хода силовое и вспомогательное оборудование, которое может служить источником вибраций, должно быть по возможности отключено. Если отключение силового и вспомогательного оборудования не представляется возможным, сведения о режиме работы оборудования должны быть указаны при оформлении результатов испытаний.

3.2. Оценка плавности хода производится для порожних и груженых вагонов во всем диапазоне эксплуатационных скоростей, через 10 - 20 км/ч вплоть до конструкционной скорости. Разрешается проведение измерений плавности хода при скоростях, превышающих конструкционную, если это предусмотрено программой испытаний. Величина загрузки вагона устанавливается в соответствии с нормативно-технической документацией или программой испытаний.

3.3. Данные о фактической загрузке вагона (в т.ч. масса измерительной аппаратуры, вспомогательного оборудование, испытателей и т.п.) должны быть указаны при оформлении результатов измерений.

3.4. Допускается отклонение скорости движения подвижного состава при измерениях в интервале ±10 % от среднего значения при рассматриваемом режиме работы, но не более половины величины интервала скоростей по п. 3.2.

4. ТРЕБОВАНИЯ, ПРЕДЪЯВЛЯЕМЫЕ К ПУТИ

4.1. Техническое состояние участков пути должно соответствовать хорошей оценке по методам контроля, принятым на железнодорожном транспорте, и обеспечивать движение испытываемого подвижного состава с конструкционной скоростью.

4.2. Испытания следует проводить па прямых участках и участках, имеющих кривые R ≥ 600 м пути, с щебеночным балластным слоем. Конструкция пути метрополитена должна удовлетворять требованиям СНиП 11-40-80.

4.3. Общая длина участков для проведения испытаний на плавность хода должна быть не менее:

50 км для несамоходных вагонов локомотивной тяги;

20 км для пригородных электро- и дизель-поездов;

10 км для вагонов метрополитена;

5 км для вагонов трамвая.

5. СРЕДСТВА ОПРЕДЕЛЕНИЯ ПОКАЗАТЕЛЯ ПЛАВНОСТИ ХОДА

5.1. Показатель плавности хода вагона определяется по результатам измерений виброускорений в кузове вагона.

5.2. Средства измерения виброускорений кузова должны обеспечивать измерение виброускорений в диапазоне частот от 0,5 до 20 Гц и отвечать требованиям ГОСТ 12.4.012-83.

5.3. Показатель плавности хода может быть определен через среднее квадратическое значение виброускорений кузова вагона, откорректированных специальных фильтром.

5.4. Величина среднего квадратического значения откорректированных виброускорений может быть измерена с помощью специальной аппаратуры или получена путем расчета на ЦВМ.

5.5. Измерительная система (рекомендуемое приложение 1) может быть выполнена из следующих элементов: виброизмерительного преобразователя, корректирующего фильтра, пример принципиальной схемы которого дан в рекомендуемом приложении 2, квадратора, интегратора, датчика времени, нелинейного преобразователя, индикатора, генератора калибровки.

5.6. Амплитудно-частотная характеристика сквозного измерительного тракта не должна отличаться от установленной настоящим стандартом более, чем на ±6 % (±0,5 дБ).

5.7. Для контроля измерительной системы должна быть предусмотрена возможность калибровки. Калибровочное устройство должно отвечать требованиям ГОСТ 12.4.012-83.

5.8. Допускается при измерениях использовать устройства точной магнитной записи с последующим анализом записей ускорений в стационарных условиях. Тип магнитного носителя должен соответствовать ГОСТ 22507-77.

6. ПРОВЕДЕНИЕ ИЗМЕРЕНИЙ ВИБРОУСКОРЕНИЙ

6.1. Длительность измерения, необходимая для обеспечения статистической достоверности результата, должна быть не менее, 200 с. Допускается разбивать суммарное время измерения Т виброускорений при движении с данной скоростью V на отрезки продолжительностью Tj, каждому из которых соответствует свое среднее квадратическое значение корректированного виброускорений , замеренного на неперекрывающихся участках пути. Тогда среднее квадратическое значение корректированного виброускорения для скорости V определяется по формуле:

                                                      (1)

где Tj - продолжительность j-го отрезка измерения, с;

Т - суммарное время измерения при движении со скоростью V С;

 - среднее квадратическое значение корректированного виброускорения, м ∙ с-2.

Среднее квадратическое значение корректированного виброускорения  для у j-го отрезка измерения определяется по формуле:

                                   (2)

где fн = 0,5 Гц - значение нижней граничной, частоты диапазона измерения показателя плавности хода;

fв = 20 ГЦ - значение верхней граничной частоты диапазона измерения показателя плавности хода;

Sj(f) - Функция спектральной плотности виброускорения на j-ом отрезке измерения, м2 ∙ С-4 ∙ Гц-1;

qн(f) - значения нормированной амплитудно-частотной характеристики корректирующего фильтра, определяемые черт. 1 или формулой:

                     (3)

где f - частота колебаний, Гц;

6.2. При испытаниях измеряются виброускорения в вертикальном, и горизонтальном (поперечном) направлениях на полу кузова в зоне обоих пятников. При необходимости производился измерение виброускорений в других точках кузова вагона, например, на полу в середине кузова.

6.3. Крепление виброизмерительных преобразователей должно соответствовать разделу 1 ГОСТ 25865-83.

6.4. При измерениях виброускорений используются измерительные, регистрирующие и анализирующие приборы и устройства, установленные в специально оборудованных вагонах-лабораториях, включаемых в состав поезда, или непосредственно в испытуемом вагоне; анализирующие устройства допускается устанавливать в стационарных условиях.

Описание: 1

Черт. 1 Амплитудно-частотная характеристика корректирующего фильтра

7. ОПРЕДЕЛЕНИЕ ПОКАЗАТЕЛЕЙ ПЛАВНОСТИ ХОДА ВАГОНОВ

7.1. Оценка плавности хода вагонов производится по совокупности показателей, полученных во всем диапазоне эксплуатационных скоростей вплоть до конструкционной скорости.

7.2. Вычисление показателя плавности хода для реализации продолжительностью Т производится по формуле:

                                                         (4)

где Wj - показатель плавности хода для реализации продолжительностью Tj;

α = 4,346 для вибрации, действующей в вертикальном направлении;

α = 4,676 для вибрации, действующей в горизонтальном поперечном направлении;

 - среднее квадратическое значение виброускорения на выходе корректирующего фильтра, м ∙ с-2.

7.3. Определение показателя плавности хода по значению может быть произведено, по формуле (4) или черт. 2, либо с помощью специализированного, измерительного устройства (см. раздел 5).

7.4. Полученные для отдельных реализации, длительностью Tj значения показателей плавности хода Wj - могут быть усреднены для каждой скорости V движения по формуле:

                                            (5)

где Wcp - усредненное для каждой скорости v движения значение показателя плавности хода;

Tj - продолжительность j-го отрезка времени, с;

Описание: 1

Черт. 2 Зависимость показателя плавности хода от средних квадратических значений
ускорений на выходе корректирующего фильтра

1 - для вертикальной плавности хода; 2 - для горизонтальной плавности хода

7.5. Вычисление показателя плавности хода для реализации длительностью Т при измерении средних квадратических значений корректированных ускорений akj - производится по формуле:

                                                             (6)

где Wср - усредненное для каждой скорости движения V значение показателя плавности хода;

 - среднее квадратическое значение корректированного виброускорения, рассчитываемое по формуле (1), м ∙ с-2;

α = 4,346 - для вибрации, действующей в вертикальном направлении;

α = 4,676 - для вибрации, действующей в горизонтальном поперечной направлении.

7.6. Средний в данной точке вагона для соответствующего направления колебаний показатель плавности хода Wcp при каждой скорости движения должен быть не более:

3,25 - для пассажирских вагонов локомотивной тяги, вагонов электро- и дизель-поездов, автомотрис, груженых вагонов метрополитена;

3,4 - для порожних вагонов метрополитена;

3,5 - для трамвайных вагонов.

_____________

х) при новом проектировании норматив для порожних вагонов не применять

Допустимые, показатели плавности хода почтовых, багажных и других специализированных вагонов устанавливаются техническими условиями на эти вагоны.

8. ОФОРМЛЕНИЕ РЕЗУЛЬТАТОВ ИЗМЕРЕНИЙ

Результаты измерений и оценки плавности хода вагонов оформляются отчетом, актом или протоколом и должны содержать следующие сведения:

- наименование организации-исполнителя испытаний;

- ссылку на настоящий стандарт и другие документы, определяющие методику испытаний;

- тип, номер, завод-изготовитель, год выпуска и данные о техническом состоянии испытываемой единицы подвижного состава;

- наименования, типы, характеристики использовавшихся измерительных приборов, а также данные о классе точности приборов;

- место установки виброизмерительных преобразователей;

- характеристики участка пути;

- режимы работы единицы подвижного состава, и его оборудования;

- составность поезда и положение испытываемых единиц подвижного состава в поезде;

- данные о состоянии поверхности катания рельсов и колес;

- данные об отклонениях условий испытаний от требований настоящего стандарта, если они имели место;

- заключение о результатах испытаний (оценка, выводы, предложения и т.д.);

- дату и место проведения испытаний (участок железной дороги и километраж его начала и конца).

Блок-схема измерительной системы

Описание: 1

1 - виброизмерительный преобразователь; 2 - корректирующий фильтр; 3 - квадратор;
4 - интегратор; 5 - нелинейный преобразователь средних квадратических значений виброускорений;
6 - индикатор; 7 - датчик времени; 8 - генератор калибровки

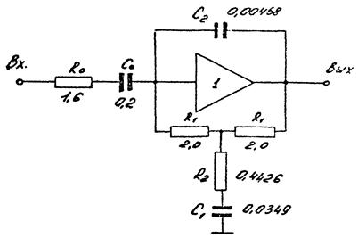
ПРИЛОЖЕНИЕ 2

Рекомендуемое

Принципиальная схема корректирующего фильтра

Описание: 1

Перечень
документов, на которые имеются ссылки в стандарте

Обозначение документа

Номер пункта стандарта

ГОСТ 12.4.012-83

п. 5.2, п. 5.7

ГОСТ 25865-83

п. 6.3

ГОСТ 22507-77

п. 5.7

ОСТ 24.001.08-76

п. 1.5

ОСТ 24.050.37-84

п. 1.5

СОДЕРЖАНИЕ

 



© 2013 Ёшкин Кот :-)