Информационная система
«Ёшкин Кот»

XXXecatmenu

ФЕДЕРАЛЬНОЕ АГЕНТСТВО
ПО ТЕХНИЧЕСКОМУ РЕГУЛИРОВАНИЮ И МЕТРОЛОГИИ

НАЦИОНАЛЬНЫЙ
СТАНДАРТ
РОССИЙСКОЙ
ФЕДЕРАЦИИ

ГОСТ Р
52965-2008

ХВОСТОВИКИ ЦИЛИНДРИЧЕСКИЕ
ДЛЯ ФРЕЗ

Основные размеры

Москва

Стандартинформ

2008

Предисловие

Цели и принципы стандартизации в Российской Федерации установлены Федеральным законом от 27 декабря 2002 г. № 184-ФЗ «О техническом регулировании», а правила применения национальных стандартов Российской Федерации - ГОСТ Р 1.0-2004 «Стандартизация в Российской Федерации. Основные положения»

Сведения о стандарте

1 ПОДГОТОВЛЕН Открытым акционерным обществом (ОАО) «ВНИИИНСТРУМЕНТ»

2 ВНЕСЕН Техническим комитетом по стандартизации ТК 95 «Инструмент»

3 УТВЕРЖДЕН И ВВЕДЕН В ДЕЙСТВИЕ Приказом Федерального агентства по техническому регулированию и метрологии от 2 октября 2008 г. № 227-ст

4 Настоящий стандарт включает в себя модифицированные основные нормативные положения следующих международных стандартов:

ИСО 3338-1:1996 «Цилиндрические хвостовики для фрез. Часть 1. Размеры гладких цилиндрических хвостовиков» (ISO 3338-1:1996 «Cylindrical shanks for milling cutters. Part 1. Dimensional characteristics of plain cylindrical shanks», MOD);

ИСО 3338-2:2007 «Цилиндрические хвостовики для фрез. Часть 2. Размеры цилиндрических хвостовиков с лысками» (ISO 3338-2:2007 «Cylindrical shanks for milling cutters. Part 2. Dimensional characteristics of flatted cylindrical shanks», MOD);

ИСО 3338-3:1996 «Цилиндрические хвостовики для фрез. Часть 3. Размеры хвостовиков с резьбовым концом» (ISO 3338-3:1996 «Cylindrical shanks for milling cutters. Part 3. Dimensional characteristics of threaded shanks», MOD).

При этом дополнительные положения, учитывающие потребности национальной экономики и особенности национальной стандартизации, приведены в разделе 1, в пункте 2.2, которые выделены курсивом.

Наименование настоящего стандарта изменено относительно наименований указанных международных стандартов для приведения в соответствие с ГОСТ Р 1.5-2004 (подраздел 3.5)

5 ВВЕДЕН ВПЕРВЫЕ

Информация об изменениях к настоящему стандарту публикуется в ежегодно издаваемом информационном указателе «Национальные стандарты», а текст изменений и поправок - в ежемесячно издаваемых информационных указателях «Национальные стандарты». В случае пересмотра (замены) или отмены настоящего стандарта соответствующее уведомление будет опубликовано в ежемесячно издаваемом информационном указателе «Национальные стандарты». Соответствующая информация, уведомление и тексты размещаются также в информационной системе общего пользования - на официальном сайте Федерального агентства по техническому регулированию и метрологии в сети Интернет

ГОСТ Р 52965-2008

НАЦИОНАЛЬНЫЙ СТАНДАРТ РОССИЙСКОЙ ФЕДЕРАЦИИ

ХВОСТОВИКИ ЦИЛИНДРИЧЕСКИЕ ДЛЯ ФРЕЗ

Основные размеры

Cylindrical shanks for milling cutters.
Basic dimensions

Дата введения - 2010-01-01

1 Область применения

Настоящий стандарт распространяется на гладкие цилиндрические хвостовики, цилиндрические хвостовики с лысками и цилиндрические хвостовики с резьбой, предназначенные для установки фрез в цанговых и зажимных патронах.

2 Основные размеры

2.1 Хвостовики следует изготовлять исполнений:

1 - гладкий цилиндрический хвостовик;

2 - цилиндрический хвостовик с лыской;

3 - цилиндрический хвостовик с двумя лысками;

4 - цилиндрический хвостовик с наклонной лыской;

5 - цилиндрический хвостовик с резьбой.

2.2 Основные размеры хвостовиков должны соответствовать указанным на рисунках 1 - 4 и в таблицах 1 - 4.

Рисунок 1 - Хвостовик исполнения 1

Таблица 1

В миллиметрах

d

h8

l

+2

d

h8

l

+2

2,0

24

6,0

36

2,5

8,0

3,0

10,0

40

3,0

28

12,0

45

4,0

14,0

45

5,0

16,0

48

18,0

48

40,0

70

20,0

50

50,0

80

25,0

56

63,0

90

32,0

60

-

-

Для хвостовиков от 6 до 20 мм

Для хвостовиков от 25 до 63 мм

Рисунок 2 - Хвостовики исполнений 2 и 3

Таблица 2

В миллиметрах

d

h6

l

+2

l1

-1

l2

+0,05

l3

+1

h

h11

6

36

18,0

4,2

-

4,8

8

5,5

6,6

10

40

20,0

7,0

8,4

12

45

22,5

8,0

10,4

14

12,4

16

48

24,0

10,0

14,2

18

16,2

20

50

25,0

11,0

18,2

25

56

32,0

12,0

17

23,0

32

60

36,0

14,0

19

30,0

40

70

40,0

38,0

50

80

45,0

18,0

23

47,8

63

90

50,0

60,8

Рисунок 3 - Хвостовик исполнения 4

Таблица 3

В миллиметрах

d

h6

l

+2

l1

l2

-1

h

h11

h1

b

b1

r

6

36

18,0

25

4,8

5,4

3,5

4,8

1,2

8

6,6

7,2

4,7

6,1

10

40

20,0

28

8,4

9,1

5,7

7,3

12

45

22,5

33

10,4

11,2

6,0

8,2

14

12,4

13,2

6,5

8,9

16

48

24,0

36

14,2

15,0

7,6

10,1

1,6

18

16,2

17,0

8,2

10,8

20

50

25,0

38

18,2

19,1

8,4

11,5

25

56

32,0

44

23,0

24,1

9,3

13,6

32

60

36,0

48

30,0

31,2

9,9

15,5

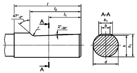
Рисунок 4 - Хвостовик исполнения 5

Таблица 4

В миллиметрах

d

h8

d1

d2

l

+2

l1

+2

Номин.

Пред. откл.

Номин.

Пред. откл.

6

5,9

-0,10

5,087

-0,10

36

10

10

9,9

9,087

40

12

11,9

11,087

45

16

15,9

15,087

48

20

19,9

-0,15

19,087

-0,15

50

15

25

24,9

24,087

56

32

31,9

31,087

60

2.3 Размеры резьбы - по ИСО 228-1 [1].

Библиография

[1] ИСО 228-1:2000

Резьбы трубные, не обеспечивающие герметичность соединения. Часть 1. Размеры, допуски и обозначения

 

Ключевые слова: фрезы, гладкий цилиндрический хвостовик, цилиндрический хвостовик с лыской, цилиндрический хвостовик с наклонной лыской, цилиндрический хвостовик с резьбой

СОДЕРЖАНИЕ

 



© 2013 Ёшкин Кот :-)