Информационная система
«Ёшкин Кот»

XXXecatmenu

АЛЬБОМ ТИПОВЫХ КОНСТРУКЦИЙ

ФЛАНЦЫ СОСУДОВ И АППАРАТОВ СТАЛЬНЫЕ
ПЛОСКИЕ ПРИВАРНЫЕ НА ДАВЛЕНИЕ УСЛОВНОЕ
ДО Ру 0,1 МПа
Конструкция, размеры и общие технические требования

АТК 26-18-14-98

Дочернее акционерное общество
«Центральное конструкторское бюро нефтеаппаратуры»
(ДАО «ЦКБН»)

Предисловие

РАЗРАБОТАН Дочерним акционерным обществом «Центральное конструкторское бюро нефтеаппаратуры» (ДАО «ЦКБН»)

2. ПРИНЯТ И ВВЕДЕН В ДЕЙСТВИЕ Техническим комитетом 260 «Оборудование химическое и нефтеперерабатывающее»

3. ВВЕДЕН ВПЕРВЫЕ

4 В настоящем альбоме реализованы данные ОСТ 26-01-54-77 «Фланцы сосудов и аппаратов стальные плоские приварные на давление до Ру 1 кгс/см2 (0,1 МПа)»

СОДЕРЖАНИЕ

 

АТК 26-18-14-98

АЛЬБОМ ТИПОВЫХ КОНСТРУКЦИЙ

ФЛАНЦЫ СОСУДОВ И АППАРАТОВ
СТАЛЬНЫЕ ПЛОСКИЕ ПРИВАРНЫЕ
НА ДАВЛЕНИЕ УСЛОВНОЕ
ДО Ру 0,1 МПа

Конструкция, размеры
и общие технические требования

Дата введения 1999-01-01

1 Область применения

Настоящий альбом типовых конструкций распространяется на фланцы стальные плоские приварные для сосудов и аппаратов диаметром от 400 до 4000 мм при температуре рабочей среды от минус 70 до 300 °С, предназначенных для работы в нефтяной, газовой, химической, нефтехимической, нефтеперерабатывающей и в других отраслях промышленности на условное давление до 0,1 МПа,

2 Нормативные ссылки

В настоящем альбоме использованы ссылки на следующие стандарты:

ГОСТ 481-80 Паронит и прокладки из него. Технические условия.

ГОСТ 2850-95 Картон асбестовый. Технические условия.

ГОСТ 5264-80 Ручная дуговая сварка. Соединения сварные. Основные типы, конструктивные элементы и размеры.

ГОСТ 5632-72 Стали высоколегированные и сплавы коррозионностойкие, жаростойкие и жаропрочные. Марки и технические требования.

ГОСТ 7338-90 Пластины резиновые и резинотканевые. Технические условия.

ГОСТ 8713-79 Сварка под флюсом. Соединения сварные. Основные типы, конструктивные элементы и размеры.

ГОСТ 9493-80 Сосуды и аппараты. Ряд условных (номинальных) давлений.

ГОСТ 9617-76 Сосуды и аппараты. Ряды диаметров.

ГОСТ 16037-80 Соединения сварные стальных трубопроводов. Основные типы, конструктивные элементы и размеры.

ОСТ 26-291-94 Сосуды и аппараты стальные сварные. Общие технические условия.

ОСТ 26-2043-91 Болты, шпильки, гайки и шайбы для фланцевых соединений. Технические требования.

3 Конструкция и размеры

Альбом устанавливает конструкции фланцев двух исполнений:

1 - плоские приварные

2 - плоские приварные, облицованные листом из коррозионностойкой стали.

3.2 Конструкция и размеры фланцев должны соответствовать:

исполнение 1 - рисунку 1, таблице 1

исполнение 2 - рисунку 2, таблице 1.

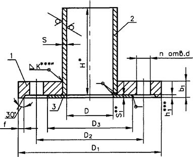
Исполнение 1

1 Фланец

2 Втулка

__________________

* Размер Н не менее 150 мм.

** Размер h равен 0,5 b.

*** размер К равен S.

Рисунок 1

Исполнение 2

 


1 Фланец

2 Втулка

3 Накладка

_______________

* Размер Н не менее 150 мм.

** Размер Si равен S , но не более 6 мм.

*** Размер hi равен Si.

**** Размер К равен S.

Рисунок 2

Таблица 1

Размеры в миллиметрах

d

Di

d2

d3

b

bi

S

f

d

n

Номинальный диаметр болтов или шпилек

400

510

470

446

18

22

 

 

 

20

 

500

610

570

546

 

 

4

 

18

24

 

600

710

670

646

 

 

 

 

 

28

м16

700

810

770

746

 

 

 

 

 

32

 

800

925

880

850

 

 

 

5

 

28

 

900

1030

980

950

20

25

 

 

 

 

 

1000

1135

1080

1050

 

 

5

 

 

32

 

1200

1335

1280

1250

 

 

 

 

 

40

 

1400

1535

1480

1450

 

 

 

 

23

48

м20

1600

1735

1680

1650

 

 

 

 

 

52

 

1800

1940

1880

1850

25

30

6

 

 

64

 

2000

2140

2080

2050

 

 

 

 

 

 

 

2200

2345

2285

2254

 

 

 

 

 

68

 

2400

2545

2485

2454

30

36

 

 

 

 

 

2500

2645

2585

2556

 

 

8

8

27

 

м24

2600

2750

2690

2656

35

40

 

 

 

 

 

2800

2950

2890

2856

 

 

 

 

 

72

 

3000

3150

3090

3056

40

45

 

 

 

 

 

3200

3365

3300

3260

45

50

 

 

 

76

 

3400

3565

3500

3460

50

55

 

 

30

80

 

3600

3765

3700

3664

55

60

10

10

 

84

м27

3800

3965

3900

3864

60

65

 

 

 

88

 

4000

4165

4100

4064

65

70

 

 

 

92

 

Пример условного обозначения фланца исполнения 1 с диаметром 500 мм при высоте втулки 150 мм из стали марки Ст20:

Фланец 1-500-150-Ст20 АТК 26-18-14-98.

При заказе фланца без втулки, высота втулки в обозначении не указывается.

4 Общие технические требования

4.1 Фланцы должны изготавливаться и соответствовать требованиям настоящего стандарта, ОСТ 26-291 и рабочим чертежам, утвержденным в установленном порядке.

4.2 Для сред взрывоопасных, пожароопасных и токсичных, фланцы применять для аппаратов, работающих под внутренним давлением до 0,07 МПа.

4.3 Давления условные по ГОСТ 9493.

Диаметры сосудов и аппаратов по ГОСТ 9617.

4.4 Материал фланцев, втулок выбирается из условий эксплуатации по ОСТ 26-291 с пределом текучести не менее 200 МПа и временным сопротивлением не менее 380 МПа.

Для фланцев из углеродистой стали должна применяться сталь спокойной и полуспокойной плавки.

4.5 Материал втулок и накладок - стали марок: 08Х18Г8Н2Т, 08Х22Н6Т, 08Х21Н6М2Т по ГОСТ 5632.

Для фланца и втулки исполнения 1, накладки фланца и втулки исполнения 2 должна применяться сталь одной марки.

Допускается применение материалов из других марок сталей, из условий эксплуатации по ОСТ 26-291.

4.6 Требования к материалам, виды их испытаний, назначение и условия применения, а также требования к сварочным материалам и контроль сварных швов должны соответствовать ОСТ 26-291.

4.7 Материал шпилек, болтов и гаек, пределы применения и механические свойства должны соответствовать ОСТ 26-2043.

Материал шпилек, болтов должен выбираться с коэффициентом линейного расширения, близким по значению коэффициенту линейного расширения фланца.

Разница в значениях коэффициентов линейного расширения не должна превышать 10 %.

Допускается применение сталей с различными коэффициентами линейного расширения (более 10 %) в случаях, обоснованных расчетом на прочность и герметичность фланцевого соединения, а также для фланцевых соединений при расчетной температуре не более 100 °С.

4.8 Поверхность фланцев не должна иметь раковин, трещин, заусенцев и других дефектов, снижающих прочность и надежность соединений.

4.9 Конструктивные элементы подготовленных кромок и швов сварных соединений фланцев должны соответствовать ГОСТ 5264, ГОСТ 16037, ГОСТ 8713 или другой нормативно- технической документации, утвержденной в установленном порядке.

4.10 Контроль плотности сварных соединений должен быть выполнен пневматическим испытанием при давлении 0,05 МПа.

Допускается выполнять отверстия для контроля плотности сварных швов фланцев исполнения 1 по рисунку 3, исполнения 2 по рисунку 4, после испытания заглушить отверстие пробкой М10.

Рисунок 3

Рисунок 4

4.11 Внутренний диаметр расточки фланца должен быть больше наружного диаметра втулки не более 3 мм для диаметров фланцев до 1000 мм и не более 5 мм для диаметров фланцев свыше 1000 мм.

4.12 Предельные отклонения от номинальных размеров:

отверстий – H14, валов – h14, остальных .

4.13 Позиционный допуск осей отверстий d (допуск зависимый) в диаметральном выражении не должен быть более, мм:

2 - для отверстий диаметром до 26 мм

3 - для отверстий диаметром от 27 до 30 мм.

4.14 Допуск на плоскостность поверхностей между которыми располагается прокладка не должен превышать ± 0,8 мм.

4.15 Допуск соосности окружностей диаметров D1, D2 , D3 относительно окружности диаметром D для фланцев типа 1 и 2 не должен превышать, мм:

2 - для D <= 1000 мм

3 - для Б > 1000 мм.

4.16 Маркировать: условное обозначение без наименования изделия, товарный знак предприятия-изготовителя.

Допускается не маркировать товарный знак предприятия- изготовителя, если фланец не является товарной продукцией.

Маркировку производить способами, принятыми на предприятии-изготовителе.

4.17 Масса фланцев, втулок и накладок указана в таблице А.1 приложения А.

4.18 Конструкция, размеры, материальное исполнение и масса прокладок указаны в приложении Б.

Приложение A (справочное)

Таблица А.1 Масса фланцев, втулок и накладок

Внутренний диаметр фланца D,.мм

Исполнение фланца

Втулка при Н = 150 мм

Накладка

1

2

Масса, кг *

400

9,4

9,9

6,0

1,0

500

11,5

12,1

7,5

1,2

600

15,1

15,8

8,9

1,4

700

17,5

18,2

10,4

1,6

800

22,4

23,3

14,9

2,5

900

26,5

27,5

16,7

2,8

1000

30,4

31,7

18,6

3,2

1200

35,4

37,4

22,3

3,8

1400

40,8

43,2

26,0

4,4

1600

58,1

60,5

35,6

6,0

1800

67,6

71,1

40,1

6,8

2000

75,1

78,9

44,5

7,5

2200

99,9

102,4

65,3

8,9

2400

109,5

112,2

71,3

9,7

2500

114,3

117,1

74,2

10,5

2600

144,5

147,1

77,2

10,9

2800

156,1

158,9

83,1

11,7

3000

189,1

191,5

89,0

12,5

3200

251,1

249,9

118,7

14,5

3400

296,7

295,3

126,1

15,2

3600

345,8

343,1

133,5

17,2

3800

398,2

394,1

140,9

18,1

4000

454,1

448,6

148,3

19,1

* Масса расчитана при плотности материала 7,85 г/см3.

Приложение Б (обязательное)

Б.1 Конструкция и размеры прокладок должны соответствовать рисунку Б.1 и таблице Б.1

_________________

* Толщина прокладок S принимается:

для прокладок из резины - З мм

для прокладок из паронита и картона, мм:

2-для D< 1400 мм

3-для D ³1400 мм

Рисунок Б.1

Таблица Б.1

Размеры в миллиметрах

Внутренний диаметр фланца D

D1

D2

D3

d

n

Масса, кг

400

510

422

470

20

20

0,35

500

610

522

570

24

0,42

600

710

622

670

28

0,50

700

810

722

770

32

0,57

800

925

824

880

25

28

0,75

900

1030

924

980

0,89

1000

1135

1024

1080

32

1,03

1200

1335

1224

1280

40

1,22

1400

1535

1424

1480

48

1,40

1600

1735

1622

1680

52

1,66

1800

1940

1822

1880

64

1,90

2000

2140

2022

2080

68

2,11

2200

2345

2226

2285

29

2,29

2400

2545

2426

2485

2,51

2500

2645

2520

2585

2,77

2600

2750

2620

2690

72

3,05

2800

2950

2820

2890

3,25

3000

3150

3020

3090

32

3,45

3200

3365

3224

3300

76

4,01

3400

3565

3424

3500

80

4,26

3600

3765

3624

3700

84

4,50

3800

3965

3824

3900

88

4,75

4000

4165

4024

4100

92

4,99

*Масса расчитана при плотности материала 2 г/см3.

Пример условного обозначения прокладки для фланца с внутренним диаметром 1000 мм из паронита марки ПОН:

Прокладка 1000-ПОН АТК 26-18-14-98

Б.2 Прокладки должны изготавливаться в соответствии с требованиями настоящего стандарта по чертежам, утвержденным в установленном порядке.

Б.3 Материал прокладок: паронит ГОСТ 481

картон асбестовый ГОСТ 2850

пластины резиновые ГОСТ 7338.

Допускается изготовление прокладок из других материалов, исходя из условий эксплуатации, по нормативно-технической документации, утвержденной в установленном порядке.

Б.4 Поверхность прокладок должна быть без надрывов.

Б.5 Допускается изготовление прокладок из двух или нескольких частей.

Соединение отдельных секторов прокладки должно осуществляться «под углом внахлестку».

Склеивание производить в соответствии с требованиями действующей нормативно-технической документации предприятия- изготовителя.

Б.6 Предельные отклонения номинальных размеров: отверстий - по H15, валов - по h15.

Для прокладок изготовленных из отдельных частей предельные отклонения не регламентируются.

Б.7 При поставке прокладок как самостоятельные изделия (запасные части) маркировать на бирке, прикрепленной к связке прокладок: условное обозначение и товарный знак предприятия- изготовителя.

 



© 2013 Ёшкин Кот :-)