АЛЬБОМ ТИПОВЫХ КОНСТРУКЦИЙ
ЗАГЛУШКИ ФЛАНЦЕВЫЕ СТАЛЬНЫЕ
Конструкция,
размеры и технические
требования
АТК
24.200.02-90
|
УТВЕРЖДЕНО
Указанием Министерства
тяжелого машиностроения СССР
от 19.06.90
№ BA-002-I-6288
|
ЛИСТ
УТВЕРЖДЕНИЯ
ЗАГЛУШКИ
ФЛАНЦЕВЫЕ СТАЛЬНЫЕ.
Конструкция, размеры и технические
требования
АТК
24.200.02-90
Первый
заместитель начальника
научно-технического отдела
Минтяжмаша СССР
|
_____________
подпись
|
В.А. Мажукин
|
|
|
|
Начальник
сектора
Минтяжмаша СССР
|
_____________
подпись
|
А.А. Полтарецкий
|
|
|
|
Главный
инженер ЦКБН
|
_____________
подпись
|
Ю.А. Кащицкий
|
|
|
|
Зав.
отделом стандартизации
|
_____________
подпись
|
А.Ю. Пролесковский
|
|
|
|
Вед.
конструктор
|
_____________
подпись
|
М.И. Байбакова
|
АЛЬБОМ ТИПОВЫХ КОНСТРУКЦИЙ
ЗАГЛУШКИ
ФЛАНЦЕВЫЕ СТАЛЬНЫЕ
Конструкция,
размеры и
технические требования
|
АТК
24.200.02-90
|
Дата
введения 01.01.91
Несоблюдение
альбома преследуется по закону
Настоящий альбом типовых конструкций распространяется на
заглушки фланцевые стальные на условное давление от 0,6 до 16 МПа (от 6 до 160
кгс/см2), температуру от минус 70 до 600 °С, применяемые в
химической, нефтеперерабатывающей, нефтехимической, газовой, нефтяной и других
смежных отраслях промышленности.
1. КОНСТРУКЦИЯ И РАЗМЕРЫ
1.1. Альбом типовых конструкций устанавливает пять
исполнений заглушек:
исполнение 1 - заглушки с соединительным выступом на
условное давление от 0,6 до 4,0 МПа (от 6 до 40 кгс/см2);
исполнение 2 - заглушки с выступом на условное давление от
0,6 до 6,3 МПа (от 6 до 63 кгс/см2);
исполнение 3 - заглушки с шипом на условное давление от 0,6
до 6,3 МПа (от 6 до 63 кгс/см2), кроме размеров уплотнительных
поверхностей под фторопластовые прокладки, которые должны соответствовать
указанным в табл. 17;
исполнение 4 - заглушки под прокладку овального сечения на
условное давление от 6,3 до 16,0 МПа (от 63 до 160 кгс/см2);
исполнение 5 - заглушки с впадиной на условное давление от
0,6 до 4,0 МПа (от 6 до 40 кгс/см2).
(Измененная редакция. Изм. № 1)
1.2. Заглушки на условные давления 1,0 МПа (10 кгс/см2);
1,6 МПа (16 кгс/см2); 2,5 МПа (25 кгс/см2) с условными проходами
от 10 до 50 мм включительно принимать на условное давление 4,0 МПа (40 кгс/см2).
Заглушки на условное давление 1,0 МПа (10 кгс/см2)
с условными проходами от 65 до 150 мм включительно принимать на условное
давление 1,6 МПа (16 кгс/см2).
Заглушки на условное давление 2,5 МПа (25 кгс/см2)
с условными проходами от 65 до 150 мм включительно принимать на условное
давление 4,0 МПа (40 кгс/см2).
Заглушки на условные давления 6,3 МПа (63 кгс/см2);
10,0 МПа (100 кгс/см2) с условными проходами от 15 до 40 мм
включительно принимать на условное давление 16,0 МПа (160 кгс/см2).
1.3. Конструкция и размеры заглушек исполнения I должны
соответствовать указанным на черт. 1 и в табл. 1
- 5.
Исполнение
1

Примечание. Шероховатость поверхностей А для заглушек из
поковок Rа ≤
100 мкм.
Черт. 1
Таблица 1
Py 0,6 МПа (6 кгс/см2)
Размеры в мм
Dу
|
D
|
D1
|
D2
|
b
|
b1
|
h
|
d2
|
d
|
n
|
Номинальный
диаметр болтов или шпилек
|
Масса,
кг, не более
|
10
|
75
|
50
|
35
|
12
|
10
|
2
|
6
|
11
|
4
|
М10
|
0,3
|
15
|
80
|
55
|
40
|
10
|
0,4
|
20
|
90
|
65
|
50
|
16
|
0,5
|
25
|
100
|
75
|
60
|
22
|
0,6
|
32
|
120
|
90
|
70
|
14
|
12
|
28
|
14
|
М12
|
1,0
|
40
|
130
|
100
|
80
|
3
|
36
|
1,1
|
50
|
140
|
110
|
90
|
46
|
1,3
|
65
|
160
|
130
|
110
|
60
|
1,7
|
80
|
185
|
150
|
128
|
76
|
18
|
M16
|
2,3
|
100
|
205
|
170
|
148
|
94
|
2,8
|
125
|
235
|
200
|
178
|
16
|
14
|
118
|
8
|
4,4
|
150
|
260
|
225
|
202
|
142
|
5,5
|
200
|
315
|
280
|
258
|
196
|
8,3
|
250
|
370
|
335
|
312
|
244
|
12
|
11,6
|
300
|
435
|
395
|
365
|
18
|
15
|
4
|
294
|
22
|
М20
|
17,4
|
350
|
485
|
445
|
415
|
344
|
22,1
|
400
|
535
|
495
|
465
|
20
|
17
|
390
|
16
|
30,6
|
450
|
590
|
550
|
520
|
22
|
19
|
440
|
41,8
|
500
|
640
|
600
|
570
|
490
|
49,7
|
600
|
755
|
705
|
670
|
24
|
20
|
5
|
590
|
26
|
20
|
М24
|
74,0
|
800
|
975
|
920
|
880
|
30
|
26
|
780
|
30
|
24
|
М27
|
159,3
|
1000
|
1175
|
1120
|
1080
|
36
|
32
|
980
|
28
|
285,5
|
1200
|
1400
|
1340
|
1295
|
40
|
36
|
1180
|
33
|
32
|
М30
|
454,2
|
Таблица 2
Ру 1,0 МПа (10 кгс/см2)
Размеры в мм
Dу*
|
D
|
D1
|
D2
|
b
|
b1
|
h
|
d2
|
d
|
n
|
Номинальный
диаметр болтов или шпилек
|
Масса,
кг, не более
|
200
|
335
|
295
|
268
|
16
|
14
|
3
|
196
|
22
|
8
|
М20
|
9,2
|
250
|
390
|
350
|
320
|
18
|
16
|
244
|
12
|
14,4
|
300
|
440
|
400
|
370
|
20
|
17
|
4
|
294
|
20,1
|
350
|
500
|
460
|
430
|
22
|
19
|
344
|
16
|
29,3
|
400
|
565
|
515
|
482
|
24
|
21
|
390
|
26
|
М24
|
41,0
|
450
|
615
|
565
|
532
|
440
|
20
|
48,9
|
500
|
670
|
620
|
585
|
26
|
23
|
490
|
64,0
|
600
|
780
|
725
|
685
|
30
|
26
|
5
|
590
|
30
|
М27
|
99,6
|
800
|
1010
|
950
|
905
|
40
|
36
|
780
|
33
|
24
|
М30
|
230,4
|
1000
|
1220
|
1160
|
1110
|
45
|
41
|
980
|
28
|
385,5
|
1200
|
1455
|
1380
|
1330
|
55
|
51
|
1180
|
39
|
32
|
М36
|
675,7
|
* Заглушки Dу 10 -
50 мм принимать по табл. 5 на Ру
4,0 МПа, Dу 65 - 150 мм принимать по табл. 3 на Ру 1,6 МПа.
|
Таблица 3
Ру 1,6 МПа (16 кгс/см2)
Размеры в мм
Dу*
|
D
|
D1
|
D2
|
b
|
b1
|
h
|
d2
|
d
|
n
|
Номинальный
диаметр болтов или шпилек
|
Масса,
кг, не более
|
65
|
180
|
145
|
122
|
16
|
14
|
3
|
60
|
18
|
4
|
М16
|
2,5
|
80
|
195
|
160
|
133
|
76
|
3,0
|
100
|
215
|
180
|
158
|
94
|
8
|
3,6
|
125
|
245
|
210
|
184
|
118
|
4,8
|
150
|
280
|
240
|
212
|
18
|
16
|
142
|
22
|
М20
|
7,1
|
200
|
335
|
295
|
268
|
196
|
|
10,4
|
250
|
405
|
355
|
320
|
22
|
20
|
244
|
26
|
12
|
М24
|
19,0
|
300
|
460
|
410
|
370
|
24
|
21
|
4
|
294
|
|
26,4
|
350
|
520
|
470
|
430
|
26
|
23
|
344
|
16
|
37,3
|
400
|
580
|
525
|
482
|
30
|
27
|
390
|
30
|
М27
|
54,3
|
450
|
640
|
585
|
532
|
440
|
20
|
66,2
|
500
|
710
|
650
|
585
|
36
|
33
|
490
|
33
|
М30
|
99,2
|
600
|
840
|
770
|
685
|
40
|
36
|
5
|
590
|
39
|
20
|
М36
|
152,2
|
800
|
1020
|
950
|
905
|
50
|
46
|
780
|
24
|
294,2
|
1000
|
1255
|
1170
|
1110
|
60
|
56
|
980
|
45
|
28
|
М42
|
539,3
|
1200
|
1486
|
1390
|
1330
|
70
|
66
|
1180
|
52
|
32
|
М48
|
885,9
|
* Заглушки
Dу 10 - 50 мм принимать по табл. 5
на Ру 4,0 МПа.
|
Таблица 4
Ру 2,5 МПа (25 кгс/см2)
Размеры в мм
Dу*
|
D
|
D1
|
D2
|
b
|
b1
|
h
|
d2
|
d
|
n
|
Номинальный
диаметр болтов или шпилек
|
Масса,
кг, не более
|
200
|
360
|
310
|
278
|
24
|
22
|
3
|
196
|
26
|
12
|
М24
|
16,2
|
250
|
425
|
370
|
335
|
30
|
27
|
244
|
30
|
|
М27
|
29,1
|
300
|
485
|
430
|
390
|
4
|
294
|
16
|
36,8
|
350
|
550
|
490
|
450
|
36
|
33
|
344
|
33
|
М30
|
58,3
|
400
|
610
|
550
|
505
|
40
|
37
|
390
|
81,4
|
450
|
660
|
600
|
555
|
440
|
20
|
95,5
|
500
|
730
|
660
|
615
|
45
|
42
|
490
|
39
|
М36
|
131,6
|
600
|
840
|
770
|
720
|
50
|
46
|
5
|
590
|
195,4
|
800
|
1075
|
990
|
930
|
60
|
56
|
780
|
45
|
24
|
М42
|
389,9
|
*
Заглушки Dу 10 - 150 мм принимать по табл. 5
на Ру 4,0 МПа.
|
Таблица 5
Ру 4,0 МПа (40 кгс/см2)
Размеры в мм
Dу*
|
D
|
D1
|
D2
|
b
|
b1
|
h
|
d2
|
d
|
n
|
Номинальный
диаметр болтов или шпилек
|
Масса,
кг, не более
|
10
|
90
|
60
|
42
|
14
|
12
|
2
|
6
|
14
|
4
|
M12
|
0,5
|
15
|
95
|
65
|
47
|
10
|
0,6
|
20
|
105
|
75
|
58
|
16
|
14
|
16
|
0,8
|
25
|
115
|
85
|
68
|
22
|
1,0
|
32
|
135
|
100
|
78
|
18
|
16
|
28
|
18
|
M16
|
1,6
|
40
|
145
|
110
|
88
|
3
|
36
|
1,8
|
50
|
160
|
125
|
102
|
46
|
2,2
|
65
|
180
|
145
|
122
|
20
|
18
|
60
|
8
|
3,1
|
80
|
195
|
160
|
133
|
76
|
3,7
|
100
|
230
|
190
|
158
|
22
|
20
|
94
|
22
|
М20
|
5,8
|
125
|
270
|
220
|
184
|
24
|
22
|
118
|
26
|
М24
|
8,8
|
150
|
300
|
250
|
212
|
26
|
24
|
142
|
12,1
|
200
|
375
|
320
|
285
|
30
|
28
|
196
|
30
|
12
|
М27
|
22,1
|
250
|
445
|
385
|
345
|
36
|
34
|
244
|
33
|
М30
|
38,4
|
300
|
510
|
450
|
410
|
40
|
37
|
4
|
294
|
16
|
55,2
|
350
|
570
|
510
|
465
|
45
|
42
|
344
|
79,7
|
400
|
655
|
585
|
535
|
50
|
47
|
390
|
39
|
М36
|
117,3
|
450
|
680
|
610
|
560
|
440
|
20
|
125,9
|
500
|
755
|
670
|
615
|
55
|
52
|
490
|
45
|
М42
|
170,6
|
Примечание к табл. 1 - 5. Масса подсчитана при плотности материала
- 7850 кг/м3.
Пример условного обозначения круглой заглушки исполнения I с
условным проходом 100 мм на условное давление 0,6 МПа (6 кгс/см2) из
стали 16ГС категории 6:
Заглушка
I - 100 - 0,6 - 16ГС - 6 АТК 24.200.02-90
То же, квадратной:
Заглушка
квадратная I - 100 - 0,6- 16ГС - 6 АТК 24.200.02-90
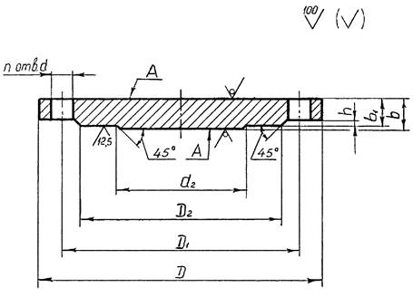
1.4. Конструкция и размеры заглушек исполнения 2 должны
соответствовать указанным на черт. 2 и в таблицах 6, 6а, 7 - 10.
(Измененная редакция. Изм. № 1)
Исполнение
2

Примечание. Шероховатость поверхностей А для заглушек из
поковок Ra ≤ 100 мкм.
Черт. 2
Таблица 6
Ру 1,0 МПа (10 кгс/см2)
Размеры в мм
Dу*
|
D
|
D1
|
D4
|
b
|
b1
|
h
|
d2
|
d
|
n
|
Номинальный
диаметр болтов или шпилек
|
Масса,
кг, не более
|
200
|
335
|
295
|
259
|
16
|
14
|
4
|
196
|
22
|
8
|
М20
|
8,8
|
250
|
390
|
350
|
312
|
18
|
16
|
244
|
12
|
14,0
|
300
|
440
|
400
|
363
|
20
|
17
|
5
|
294
|
19,4
|
350
|
500
|
460
|
421
|
22
|
19
|
344
|
16
|
28,4
|
400
|
565
|
515
|
473
|
24
|
21
|
390
|
26
|
М24
|
39,6
|
450
|
615
|
565
|
523
|
440
|
20
|
47,7
|
500
|
670
|
620
|
575
|
26
|
23
|
490
|
64,1
|
600
|
780
|
725
|
677
|
30
|
25
|
6
|
590
|
30
|
М27
|
96,0
|
800
|
1010
|
950
|
877
|
40
|
35
|
780
|
33
|
24
|
М30
|
223,7
|
*
Заглушки Dу 10 - 50 мм принимать по табл. 9
на Ру 4,0 МПа, Dу 65 - 150 мм по
табл. 7 на Ру 1,6
МПа.
|
Таблица 6а
Ру 0,6 МПа (6 кгс/см2)
Размеры в мм
Dy
|
D
|
D1
|
D4
|
b
|
b1
|
h
|
d2
|
d
|
n
|
Номинальный диаметр болтов или шпилек
|
Масса, кг, не более
|
10
|
75
|
50
|
29
|
12
|
10
|
4
|
6
|
11
|
4
|
М10
|
0,3
|
15
|
80
|
55
|
33
|
10
|
|
20
|
90
|
65
|
43
|
16
|
0,4
|
25
|
100
|
75
|
51
|
14
|
12
|
22
|
0,6
|
32
|
120
|
90
|
59
|
28
|
14
|
М12
|
0,8
|
40
|
130
|
100
|
69
|
36
|
1,0
|
50
|
140
|
110
|
80
|
46
|
1,2
|
65
|
160
|
130
|
100
|
16
|
14
|
60
|
2,0
|
80
|
185
|
150
|
115
|
76
|
18
|
М16
|
2,5
|
100
|
205
|
170
|
137
|
94
|
3,1
|
125
|
235
|
200
|
166
|
18
|
16
|
118
|
8
|
4,8
|
150
|
260
|
225
|
191
|
142
|
6,0
|
200
|
315
|
280
|
249
|
196
|
9,2
|
250
|
370
|
335
|
303
|
244
|
12
|
12,9
|
300
|
435
|
395
|
356
|
20
|
17
|
5
|
294
|
22
|
М20
|
19,1
|
350
|
485
|
445
|
406
|
344
|
24,3
|
400
|
535
|
495
|
456
|
390
|
16
|
29,8
|
450
|
590
|
550
|
509
|
22
|
19
|
440
|
40,9
|
500
|
640
|
600
|
561
|
490
|
48,8
|
600
|
755
|
705
|
661
|
26
|
22
|
6
|
590
|
26
|
20
|
М24
|
79,6
|
800
|
975
|
920
|
867
|
32
|
28
|
|
780
|
30
|
24
|
М27
|
169,4
|
(Введена дополнительно. Изм. № 1)
Таблица 7
Ру 1,6 МПа (16 кгс/см2)
Размеры в мм
Dу*
|
D
|
D1
|
D4
|
b
|
b1
|
h
|
d2
|
d
|
n
|
Номинальный
диаметр болтов или шпилек
|
Масса,
кг, не более
|
65
|
180
|
145
|
109
|
16
|
14
|
4
|
60
|
18
|
4
|
M16
|
2,3
|
80
|
195
|
160
|
120
|
76
|
2,7
|
100
|
215
|
180
|
149
|
94
|
8
|
3,4
|
125
|
245
|
210
|
175
|
118
|
4,5
|
150
|
280
|
240
|
203
|
18
|
16
|
142
|
22
|
М20
|
6,8
|
200
|
335
|
295
|
259
|
196
|
12
|
10,0
|
250
|
405
|
355
|
312
|
22
|
20
|
244
|
26
|
М24
|
18,6
|
300
|
460
|
410
|
363
|
24
|
21
|
5
|
294
|
25,8
|
350
|
520
|
470
|
421
|
26
|
23
|
344
|
16
|
36,5
|
400
|
580
|
525
|
473
|
30
|
27
|
390
|
30
|
М27
|
53,4
|
450
|
640
|
585
|
523
|
440
|
20
|
65,1
|
500
|
710
|
650
|
575
|
36
|
33
|
490
|
33
|
М30
|
97,9
|
600
|
840
|
770
|
677
|
40
|
35
|
6
|
590
|
39
|
М36
|
148,3
|
800
|
1020
|
950
|
877
|
50
|
45
|
780
|
24
|
288,4
|
Таблица 8
Ру 2,5 МПа (25 кгс/см2)
Размеры в мм
Dу**
|
D
|
D1
|
D4
|
b
|
b1
|
h
|
d2
|
d
|
n
|
Номинальный
диаметр болтов или шпилек
|
Масса,
кг, не более
|
200
|
360
|
310
|
259
|
24
|
22
|
4
|
196
|
26
|
12
|
М24
|
15,7
|
250
|
425
|
370
|
312
|
30
|
28
|
244
|
30
|
М27
|
28,3
|
300
|
485
|
430
|
363
|
27
|
5
|
294
|
16
|
35,6
|
350
|
550
|
490
|
421
|
36
|
33
|
344
|
33
|
М30
|
56,9
|
400
|
610
|
550
|
473
|
40
|
37
|
390
|
79,7
|
450
|
660
|
600
|
523
|
440
|
20
|
93,6
|
500
|
730
|
660
|
575
|
45
|
42
|
490
|
39
|
М36
|
129,3
|
600
|
840
|
770
|
677
|
50
|
45
|
6
|
590
|
189,9
|
800
|
1075
|
990
|
877
|
60
|
55
|
780
|
45
|
24
|
М42
|
381,4
|
Примечание
к табл. 7, 8
* Заглушки Dу 10 - 50 мм принимать по табл. 9 на Ру 4,0 МПа.
** Заглушки Dу
65 - 150 мм принимать по табл. 9 на Ру
4,0 МПа.
Таблица 9
Ру 4,0 МПа (40 кгс/см2)
Размеры в мм
Dу
|
D
|
D1
|
D4
|
b
|
b1
|
h
|
d2
|
d
|
n
|
Номинальный
диаметр шпилек
|
Масса,
кг, не более
|
10
|
90
|
60
|
34
|
14
|
12
|
4
|
6
|
14
|
4
|
M12
|
0,4
|
15
|
95
|
65
|
39
|
10
|
0,5
|
20
|
105
|
75
|
50
|
16
|
14
|
16
|
0,7
|
25
|
115
|
85
|
57
|
22
|
0,8
|
32
|
135
|
100
|
65
|
18
|
16
|
28
|
18
|
M16
|
1,4
|
40
|
145
|
110
|
75
|
17
|
36
|
1,8
|
50
|
160
|
125
|
87
|
46
|
2,2
|
65
|
180
|
145
|
108
|
20
|
18
|
60
|
8
|
3,0
|
80
|
195
|
160
|
120
|
76
|
3,5
|
100
|
230
|
190
|
149
|
22
|
20
|
94
|
22
|
М20
|
5,5
|
125
|
270
|
220
|
175
|
24
|
22
|
118
|
26
|
М24
|
8,5
|
150
|
300
|
250
|
203
|
26
|
24
|
142
|
11,7
|
200
|
375
|
320
|
259
|
30
|
28
|
196
|
30
|
12
|
М27
|
21,4
|
250
|
445
|
385
|
312
|
36
|
34
|
244
|
33
|
М30
|
37,4
|
300
|
510
|
450
|
363
|
40
|
37
|
5
|
294
|
16
|
53,6
|
350
|
570
|
510
|
421
|
45
|
42
|
344
|
77,8
|
400
|
655
|
585
|
473
|
50
|
47
|
390
|
39
|
М36
|
114,5
|
450
|
680
|
610
|
523
|
440
|
20
|
123,9
|
500
|
755
|
670
|
575
|
55
|
50
|
490
|
45
|
М42
|
164,4
|
Таблица 10
Ру 6,3 МПа (63 кгс/см2)
Размеры в мм
Dу
|
D
|
D1
|
D4
|
b
|
b1
|
h
|
d2
|
d
|
n
|
Номинальный
диаметр шпилек
|
Масса,
кг, не более
|
10
|
100
|
70
|
34
|
18
|
16
|
4
|
6
|
14
|
4
|
М12
|
0,7
|
15
|
105
|
75
|
39
|
10
|
0,8
|
20
|
125
|
90
|
50
|
20
|
18
|
16
|
18
|
M16
|
1,3
|
25
|
135
|
100
|
57
|
22
|
20
|
22
|
1,8
|
32
|
150
|
110
|
65
|
28
|
22
|
М20
|
2,2
|
40
|
165
|
125
|
75
|
24
|
22
|
36
|
3,0
|
50
|
175
|
135
|
87
|
46
|
3,4
|
65
|
200
|
160
|
109
|
28
|
26
|
60
|
8
|
5,3
|
80
|
210
|
170
|
120
|
76
|
5,9
|
100
|
250
|
200
|
149
|
94
|
26
|
М24
|
8,4
|
125
|
295
|
240
|
175
|
32
|
30
|
118
|
30
|
М27
|
13,8
|
150
|
340
|
280
|
203
|
36
|
34
|
142
|
33
|
М30
|
21,1
|
200
|
405
|
345
|
259
|
40
|
38
|
196
|
12
|
33,8
|
250
|
470
|
400
|
312
|
45
|
43
|
244
|
39
|
М36
|
51,9
|
300
|
530
|
460
|
363
|
50
|
47
|
5
|
294
|
16
|
72,1
|
350
|
595
|
525
|
421
|
55
|
52
|
344
|
103,2
|
400
|
670
|
585
|
473
|
60
|
57
|
390
|
45
|
М42
|
143,2
|
500
|
800
|
705
|
575
|
70
|
65
|
490
|
52
|
20
|
М48
|
234,2
|
600
|
925
|
820
|
677
|
80
|
75
|
6
|
590
|
56
|
М52
|
364,9
|
Примечание к табл. 6 - 10 Масса подсчитана при плотности
материала - 7850 кг/м3.
Пример условного обозначения круглой заглушки исполнения 2 с
условным проходом 80 мм на условное давление 1,6 МПа (16 кгс/см2) из
стали 16ГС категории 6:
Заглушка 2 - 80 - 1,6
- 16ГС - 6 АТК 24.200.02-90
То же, квадратной:
Заглушка квадратная 2
- 80 - 1,6 - 16ГС - 6 АТК 24.200.02-90
1.5. Конструкция и размеры заглушек исполнения 3 должны
соответствовать указанным на черт. 3 и в табл. 11 - 16
Исполнение
3

1. Шероховатость поверхностей
А для заглушек из поковок Ra
≤ 100 мкм.
2.* для
фторопластовых прокладок 
Черт. 3
Таблица 11
Ру 0,6 МПа (6 кгс/см2)
Размеры в мм
Dу
|
D
|
D1
|
D3
|
D4
|
b
|
b1
|
h
|
d2
|
d
|
n
|
Номинальный
диаметр болтов или шпилек
|
Масса,
кг, не более
|
10
|
75
|
50
|
19
|
29
|
14
|
13
|
4
|
6
|
11
|
4
|
M10
|
0,3
|
15
|
80
|
55
|
23
|
33
|
10
|
0,4
|
20
|
90
|
65
|
33
|
43
|
12
|
16
|
0,4
|
25
|
100
|
75
|
41
|
51
|
22
|
0,5
|
32
|
120
|
90
|
49
|
59
|
28
|
14
|
М12
|
0,7
|
40
|
130
|
100
|
55
|
69
|
36
|
0,9
|
50
|
140
|
110
|
66
|
80
|
46
|
1,1
|
65
|
160
|
130
|
86
|
100
|
60
|
1,4
|
80
|
185
|
150
|
101
|
115
|
76
|
18
|
M16
|
1,9
|
100
|
205
|
170
|
117
|
137
|
16
|
14
|
94
|
2,9
|
125
|
235
|
200
|
146
|
166
|
118
|
8
|
3,9
|
150
|
260
|
225
|
171
|
191
|
142
|
4,9
|
200
|
315
|
280
|
229
|
249
|
196
|
7,5
|
250
|
370
|
335
|
283
|
303
|
244
|
12
|
10,6
|
300
|
435
|
395
|
336
|
356
|
18
|
16
|
5
|
294
|
22
|
М20
|
16,4
|
350
|
485
|
445
|
386
|
406
|
344
|
20,9
|
400
|
535
|
495
|
436
|
456
|
20
|
17
|
390
|
16
|
28,4
|
450
|
590
|
550
|
489
|
509
|
22
|
19
|
440
|
39,2
|
500
|
640
|
600
|
541
|
561
|
490
|
46,8
|
600
|
755
|
705
|
635
|
661
|
24
|
21
|
6
|
590
|
26
|
20
|
М24
|
71,5
|
800
|
975
|
920
|
841
|
867
|
30
|
27
|
780
|
30
|
24
|
М27
|
154,9
|
Таблица 12
Ру 1,0 МПа (10 кгс/см2)
Размеры в мм
Dу*
|
D
|
D1
|
D3
|
D4
|
b
|
b1
|
h
|
d2
|
d
|
n
|
Номинальный
диаметр болтов или шпилек
|
Масса,
кг, не более
|
200
|
335
|
295
|
239
|
259
|
16
|
14
|
4
|
196
|
22
|
8
|
М20
|
8,3
|
250
|
390
|
350
|
292
|
312
|
18
|
16
|
244
|
12
|
13,3
|
300
|
440
|
400
|
343
|
363
|
20
|
17
|
5
|
294
|
18,4
|
350
|
500
|
460
|
395
|
421
|
22
|
19
|
344
|
16
|
27,2
|
400
|
565
|
515
|
447
|
473
|
24
|
21
|
390
|
26
|
М24
|
38,1
|
450
|
615
|
565
|
497
|
523
|
440
|
20
|
46,0
|
500
|
670
|
620
|
549
|
575
|
26
|
23
|
490
|
62,2
|
600
|
780
|
725
|
651
|
677
|
30
|
25
|
6
|
590
|
30
|
М27
|
93,2
|
800
|
1010
|
950
|
851
|
877
|
40
|
35
|
780
|
33
|
24
|
М30
|
219,4
|
*
Заглушки Dу 10 - 50 принимать по табл. 15
на Ру 4,0 МПа, Dу 65 - 150 мм по
табл. 13 на Ру 1,6
МПа.
|
Таблица 13
Py 1,6 МПа (16 кгс/см2)
Размеры в мм
Dу*
|
D
|
D1
|
D3
|
D4
|
b
|
b1
|
h
|
d2
|
d
|
n
|
Номинальный
диаметр болтов или шпилек
|
Масса,
кг, не более
|
65
|
180
|
145
|
95
|
109
|
16
|
14
|
4
|
60
|
18
|
4
|
M16
|
2,2
|
80
|
195
|
160
|
106
|
120
|
76
|
2,6
|
100
|
215
|
180
|
129
|
149
|
94
|
8
|
3,2
|
125
|
245
|
210
|
155
|
175
|
15
|
118
|
4,5
|
150
|
280
|
240
|
183
|
203
|
18
|
16
|
142
|
22
|
М20
|
6,4
|
200
|
335
|
295
|
239
|
259
|
20
|
18
|
196
|
12
|
10,8
|
250
|
405
|
355
|
292
|
312
|
22
|
20
|
244
|
26
|
М24
|
17,8
|
300
|
.460
|
410
|
343
|
363
|
24
|
21
|
5
|
294
|
24,6
|
350
|
520
|
470
|
395
|
421
|
26
|
23
|
344
|
16
|
35,1
|
400
|
580
|
525
|
447
|
473
|
30
|
27
|
390
|
30
|
М27
|
51,6
|
450
|
640
|
585
|
497
|
523
|
440
|
20
|
63,1
|
500
|
710
|
650
|
549
|
575
|
36
|
33
|
490
|
33
|
М30
|
95,6
|
600
|
840
|
770
|
651
|
677
|
40
|
35
|
6
|
590
|
39
|
М36
|
144,8
|
800
|
1020
|
950
|
851
|
877
|
50
|
45
|
780
|
24
|
283,1
|
Таблица 14
Ру 2,5 МПа (25 кгс/см2)
Размеры в мм
Dу**
|
D
|
D1
|
D3
|
D4
|
b
|
b1
|
h
|
d2
|
d
|
n
|
Номинальный
диаметр болтов или шпилек
|
Масса,
кг, не более
|
200
|
360
|
310
|
239
|
259
|
24
|
22
|
4
|
196
|
26
|
12
|
М24
|
15,1
|
250
|
425
|
370
|
292
|
312
|
30
|
28
|
244
|
30
|
М27
|
27,5
|
300
|
485
|
430
|
343
|
363
|
27
|
5
|
294
|
16
|
34,5
|
350
|
550
|
490
|
395
|
421
|
36
|
33
|
344
|
33
|
М30
|
55,5
|
400
|
610
|
550
|
447
|
473
|
40
|
37
|
390
|
77,9
|
450
|
660
|
600
|
497
|
523
|
440
|
20
|
91,7
|
500
|
730
|
660
|
549
|
575
|
45
|
42
|
490
|
39
|
М36
|
127,0
|
600
|
840
|
770
|
651
|
677
|
50
|
45
|
6
|
590
|
190,7
|
800
|
1075
|
990
|
851
|
877
|
60
|
55
|
780
|
45
|
24
|
М42
|
382,6
|
Примечание к табл. 13, 14
* Заглушки Dу 10 - 50 мм принимать по табл. 15 на Ру 4,0 МПа.
** Заглушки Dу
65 - 150 мм принимать по табл. 15 на Ру
4,0 МПа.
Таблица 15
Ру 4,0 МПа (40 кгс/см2)
Размеры в мм
Dу
|
D
|
D1
|
D3
|
D4
|
b
|
b1
|
h
|
d2
|
d
|
n
|
Номинальный
диаметр шпилек
|
Масса,
кг, не более
|
10
|
90
|
60
|
24
|
34
|
14
|
12
|
4
|
6
|
14
|
4
|
M12
|
0,4
|
15
|
95
|
65
|
29
|
39
|
10
|
0,5
|
20
|
105
|
75
|
36
|
50
|
16
|
14
|
16
|
0,7
|
25
|
115
|
85
|
43
|
57
|
22
|
0,8
|
32
|
135
|
100
|
51
|
65
|
18
|
16
|
28
|
18
|
M16
|
1,4
|
40
|
145
|
110
|
61
|
75
|
36
|
1,6
|
50
|
160
|
125
|
73
|
87
|
46
|
1,9
|
65
|
180
|
145
|
95
|
109
|
20
|
18
|
60
|
8
|
2,8
|
80
|
195
|
160
|
106
|
120
|
76
|
3,3
|
100
|
230
|
190
|
129
|
149
|
22
|
20
|
94
|
22
|
М20
|
5,3
|
125
|
270
|
220
|
155
|
175
|
24
|
22
|
118
|
26
|
М24
|
8,2
|
150
|
300
|
250
|
183
|
203
|
26
|
24
|
142
|
11,3
|
200
|
375
|
320
|
239
|
259
|
30
|
28
|
196
|
30
|
12
|
М27
|
20,8
|
250
|
445
|
385
|
292
|
312
|
36
|
34
|
244
|
33
|
М30
|
36,6
|
300
|
510
|
450
|
343
|
363
|
40
|
37
|
5
|
294
|
16
|
52,4
|
350
|
570
|
510
|
395
|
421
|
45
|
42
|
344
|
76,4
|
400
|
655
|
585
|
447
|
473
|
50
|
47
|
390
|
39
|
М36
|
112,8
|
450
|
680
|
610
|
497
|
523
|
440
|
20
|
123,5
|
500
|
755
|
670
|
549
|
575
|
55
|
50
|
490
|
45
|
М42
|
162,0
|
Таблица 16
Ру 6,3 МПа (63 кгс/см2)
Размеры в мм
Dу
|
D
|
D1
|
D3
|
D4
|
b
|
b1
|
h
|
d2
|
d
|
n
|
Номинальный
диаметр шпилек
|
Масса,
кг, не более
|
10
|
100
|
70
|
24
|
34
|
18
|
16
|
4
|
6
|
14
|
4
|
M12
|
0,7
|
15
|
105
|
75
|
29
|
39
|
10
|
0,8
|
20
|
125
|
90
|
36
|
50
|
20
|
18
|
16
|
18
|
M16
|
1,3
|
25
|
135
|
100
|
43
|
57
|
22
|
20
|
22
|
1,8
|
32
|
150
|
110
|
51
|
65
|
28
|
22
|
М20
|
2,0
|
40
|
165
|
125
|
61
|
75
|
24
|
22
|
36
|
2,9
|
50
|
175
|
135
|
73
|
87
|
46
|
3,3
|
65
|
200
|
160
|
95
|
109
|
28
|
26
|
60
|
8
|
5,1
|
80
|
210
|
170
|
106
|
120
|
76
|
5,8
|
100
|
250
|
200
|
129
|
149
|
94
|
26
|
М24
|
8,2
|
125
|
295
|
240
|
155
|
175
|
32
|
30
|
118
|
30
|
М27
|
13,5
|
150
|
340
|
280
|
183
|
203
|
36
|
34
|
142
|
33
|
М30
|
20,7
|
200
|
405
|
345
|
239
|
259
|
40
|
38
|
196
|
12
|
33,3
|
250
|
470
|
400
|
292
|
312
|
45
|
43
|
244
|
39
|
М36
|
51,2
|
300
|
530
|
460
|
343
|
363
|
50
|
47
|
5
|
294
|
16
|
70,9
|
350
|
595
|
525
|
395
|
421
|
55
|
52
|
344
|
101,8
|
400
|
670
|
585
|
447
|
473
|
60
|
57
|
390
|
45
|
М42
|
141,5
|
500
|
800
|
705
|
549
|
575
|
70
|
65
|
490
|
52
|
20
|
М48
|
231,9
|
600
|
925
|
820
|
651
|
677
|
80
|
75
|
6
|
590
|
56
|
М52
|
361,3
|
Примечание к табл. 11 - 16, Масса подсчитана при плотности
материала - 7850 кг/м3.
Пример условного обозначения круглой заглушки исполнения 3 с
условным проходом 100 мм на условное давление 0,6 МПа (6 кгс/см2) из
стали 16ГС категории 6:
Заглушка 3 - 100 -
0,6 - 16ГС - 6 АТК 24.200.02-90
То же, квадратной:
Заглушка квадратная 3
- 100 - 0,6 - 16ГС - 6 АТК 24.200.02-90
То же, под фторопластовую прокладку:
Заглушка 3 - 100 -
0,6 Ф - 16ГС - 6 АТК 24.200.02-90
Таблица 17
Размеры
уплотнительных поверхностей под
фторопластовые прокладки
Размеры
в мм
Dу
|
D3
|
D4
|
h
|
Ру, МПа (кгс/см2)
|
0,6
(6)
|
≥
1,0 (10)
|
0,6
(6)
|
≥
1,0 (10)
|
10
|
18
|
23
|
30
|
35
|
4
|
15
|
22
|
28
|
34
|
40
|
20
|
32
|
35
|
44
|
51
|
25
|
40
|
42
|
52
|
58
|
32
|
48
|
50
|
60
|
66
|
40
|
54
|
60
|
70
|
76
|
50
|
65
|
72
|
81
|
88
|
65
|
85
|
94
|
101
|
110
|
80
|
100
|
105
|
116
|
121
|
100
|
116
|
128
|
138
|
150
|
6
|
125
|
145
|
154
|
167
|
176
|
150
|
170
|
182
|
192
|
204
|
200
|
228
|
238
|
250
|
260
|
250
|
282
|
291
|
304
|
313
|
300
|
335
|
342
|
357
|
364
|
350
|
385
|
394
|
407
|
422
|
400
|
435
|
446
|
457
|
474
|
450
|
488
|
496
|
510
|
524
|
500
|
540
|
548
|
562
|
576
|
600
|
634
|
650
|
662
|
678
|
1.6. Конструкция и размеры заглушек
исполнения 4 должны соответствовать указанным на черт. 4 и в табл. 18 - 20
Исполнение
4

Примечание. Шероховатость поверхностей А для заглушек из
поковок Ra ≤ 100 мкм.
Черт. 4
Таблица 18
Ру 6,3 МПа (63 кгс/см2)
Размеры в мм
Dу*
|
D
|
D1
|
D2
|
b
|
b1
|
h
|
D8
|
b2
|
h2
|
r
|
d2
|
d
|
n
|
Номинальный
диаметр шпилек
|
Масса,
кг, не более
|
50
|
175
|
135
|
102
|
26
|
24
|
3
|
85
|
12
|
8,0
|
4,0
|
46
|
22
|
4
|
М20
|
3,8
|
65
|
200
|
160
|
132
|
110
|
60
|
8
|
4,9
|
80
|
210
|
170
|
133
|
30
|
28
|
115
|
76
|
6,4
|
100
|
250
|
200
|
170
|
145
|
94
|
26
|
М24
|
9,3
|
125
|
295
|
240
|
205
|
32
|
30
|
175
|
118
|
30
|
М27
|
14,0
|
150
|
340
|
280
|
240
|
36
|
34
|
205
|
142
|
33
|
М30
|
21,5
|
200
|
405
|
345
|
285
|
40
|
38
|
265
|
196
|
12
|
34,2
|
250
|
470
|
400
|
345
|
45
|
43
|
320
|
244
|
39
|
М36
|
51,6
|
300
|
530
|
460
|
410
|
42
|
4
|
375
|
294
|
16
|
65,3
|
350
|
595
|
525
|
465
|
50
|
47
|
420
|
344
|
94,3
|
400
|
670
|
585
|
535
|
55
|
52
|
480
|
390
|
45
|
М42
|
132,4
|
450
|
730
|
650
|
590
|
60
|
57
|
520
|
440
|
20
|
172,3
|
* Заглушки
Dу 10 - 40 мм принимать по табл. 20
на Ру 16,0 МПа.
|
Таблица 19
Ру 10,0 МПа (100 кгс/см2)
Размеры в мм
Dу
|
D
|
D1
|
D2
|
b
|
b1
|
h
|
D8
|
b2
|
h2
|
r
|
d2
|
d
|
n
|
Номинальный
диаметр шпилек
|
Масса,
кг, не более
|
50
|
195
|
145
|
102
|
30
|
28
|
3
|
85
|
12
|
8,0
|
4,0
|
46
|
26
|
4
|
М24
|
5,5
|
65
|
220
|
170
|
140
|
36
|
34
|
110
|
60
|
8
|
8,5
|
80
|
230
|
180
|
150
|
115
|
76
|
9,4
|
100
|
265
|
210
|
175
|
145
|
94
|
30
|
М27
|
12,5
|
125
|
310
|
250
|
210
|
40
|
38
|
175
|
118
|
33
|
М30
|
19,6
|
150
|
350
|
290
|
250
|
45
|
43
|
205
|
142
|
12
|
28,1
|
200
|
430
|
360
|
285
|
50
|
48
|
265
|
196
|
39
|
М36
|
47,8
|
250
|
500
|
430
|
345
|
55
|
53
|
320
|
244
|
73,7
|
300
|
585
|
500
|
410
|
60
|
57
|
4
|
375
|
294
|
45
|
16
|
М42
|
106,4
|
350
|
655
|
560
|
465
|
70
|
67
|
420
|
17
|
11,0
|
5,8
|
344
|
52
|
М48
|
156,1
|
400
|
715
|
620
|
535
|
75
|
72
|
480
|
390
|
204,6
|
*
Заглушки Dу 10 - 40 мм принимать по табл. 20
на Ру 16,0 МПа.
|
Таблица 20
Py 16,0 МПа (160 кгс/см2)
Размеры в мм
Dу
|
D
|
D1
|
D2
|
b
|
b1
|
h
|
D8
|
b2
|
h2
|
r
|
d2
|
d
|
n
|
Номинальный
диаметр шпилек
|
Масса,
кг, не более
|
15
|
105
|
75
|
55
|
26
|
24
|
2
|
35
|
9
|
6,5
|
2,8
|
10
|
14
|
4
|
М12
|
1,4
|
20
|
125
|
90
|
58
|
28
|
26
|
45
|
16
|
18
|
M16
|
2,2
|
25
|
135
|
100
|
68
|
30
|
28
|
50
|
22
|
2,8
|
32
|
150
|
110
|
78
|
65
|
28
|
22
|
М20
|
3,4
|
40
|
165
|
125
|
88
|
3
|
75
|
36
|
4,0
|
50
|
195
|
145
|
115
|
36
|
34
|
95
|
12
|
8,0
|
4,0
|
46
|
26
|
М24
|
6,9
|
65
|
220
|
170
|
140
|
40
|
38
|
110
|
60
|
8
|
9,6
|
80
|
230
|
180
|
150
|
130
|
76
|
10,6
|
100
|
265
|
210
|
175
|
145
|
94
|
30
|
М27
|
14,1
|
125
|
310
|
250
|
210
|
45
|
43
|
190
|
118
|
33
|
М30
|
22,3
|
150
|
350
|
290
|
250
|
55
|
53
|
205
|
14
|
10,0
|
4,2
|
142
|
12
|
34,7
|
200
|
430
|
360
|
315
|
60
|
58
|
275
|
17
|
11,0
|
5,8
|
196
|
39
|
М36
|
58,0
|
250
|
500
|
430
|
380
|
70
|
68
|
330
|
244
|
95,3
|
300
|
585
|
500
|
410
|
80
|
77
|
4
|
380
|
23
|
14,0
|
8,5
|
294
|
45
|
16
|
М42
|
143,2
|
350
|
700
|
590
|
520
|
95
|
92
|
420
|
344
|
52
|
|
М48
|
249,0
|
400
|
770
|
660
|
595
|
100
|
97
|
5
|
480
|
390
|
20
|
316,9
|
(Измененная редакция. Изм. № 2)
Примечание к табл. 18 - 20. Масса подсчитана при плотности
материала - 7850 кг/м3.
Пример условного обозначения круглой заглушки исполнения 4 с
условным проходом 100 мм на условное давление 6,3 МПа (63 кгс/см2)
из стали 16ГС категории 6:
Заглушка 4 - 100 - 6,3 - 16ГС - 6 АТК 24.200.02-90
1.7. Конструкция и размеры заглушек исполнения 5 должны
соответствовать указанным на черт. 5 и в таблицах 21, 21а, 21б, 21в, 21г.
(Измененная редакция. Изм. № 1)
Исполнение
5

Примечание. Шероховатость поверхностей А для заглушек из
поковок Rа ≤
100 мкм.
Черт. 5
Таблица 21
Ру 4,0 МПа (40 кгс/см2)
Размеры в мм
Dу
|
D
|
D1
|
D2
|
D6
|
b
|
b1
|
h
|
d2
|
d
|
n
|
Номинальный
диаметр шпилек
|
Масса,
кг, не более
|
10
|
90
|
60
|
42
|
35
|
16
|
13
|
2
|
6
|
14
|
4
|
М12
|
0,7
|
15
|
95
|
65
|
47
|
40
|
10
|
0,8
|
20
|
105
|
75
|
58
|
51
|
16
|
1,0
|
25
|
115
|
85
|
68
|
58
|
18
|
15
|
22
|
1,3
|
32
|
135
|
100
|
78
|
66
|
28
|
18
|
M16
|
1,7
|
40
|
145
|
110
|
88
|
76
|
3
|
36
|
2,0
|
50
|
160
|
125
|
102
|
88
|
20
|
17
|
4
|
46
|
2,6
|
65
|
180
|
145
|
122
|
110
|
3
|
60
|
8
|
3,3
|
80
|
195
|
160
|
133
|
121
|
22
|
19
|
4
|
76
|
4,3
|
100
|
230
|
190
|
158
|
150
|
94
|
22
|
М20
|
5,9
|
125
|
270
|
220
|
184
|
176
|
25
|
22
|
3
|
118
|
26
|
М24
|
9,5
|
150
|
300
|
250
|
212
|
204
|
26
|
23
|
4
|
142
|
12,5
|
200
|
375
|
320
|
285
|
260
|
30
|
27
|
196
|
30
|
12
|
М27
|
22,5
|
250
|
445
|
385
|
345
|
313
|
36
|
33
|
244
|
33
|
М30
|
38,8
|
300
|
510
|
450
|
410
|
364
|
40
|
36
|
5
|
294
|
16
|
56,6
|
350
|
570
|
510
|
465
|
422
|
45
|
41
|
4
|
344
|
87,7
|
400
|
655
|
585
|
535
|
474
|
50
|
46
|
390
|
39
|
М36
|
123,5
|
450
|
680
|
610
|
560
|
524
|
440
|
20
|
128,4
|
500
|
755
|
670
|
615
|
576
|
55
|
51
|
5
|
490
|
45
|
М42
|
172,8
|
(Измененная редакция. Изм. № 1)
Примечание. Масса подсчитана при плотности материала - 7850 кг/м3.
Пример условного обозначения заглушки исполнения 5 с
условным проходом 80 мм на условное давление 4,0 МПа (40 кгс/см2) из
стали 16ГС категории 6:
Заглушка
5 - 80 - 4,0 - 16ГС - 6 АТК 24.200.02-90
Таблица 21а
Ру 0,6 МПа (6 кгс/см2)
Размеры в мм
Dy
|
D
|
D1
|
D2
|
D6
|
b
|
b1
|
h
|
d2
|
d
|
n
|
Номинальный диаметр болтов или шпилек
|
Масса, кг, не более
|
10
|
75
|
50
|
35
|
30
|
14
|
11
|
2
|
6
|
11
|
4
|
М10
|
0,4
|
15
|
80
|
55
|
40
|
34
|
10
|
0,5
|
20
|
90
|
65
|
50
|
44
|
16
|
0,6
|
25
|
100
|
75
|
60
|
52
|
16
|
13
|
22
|
0,9
|
32
|
120
|
90
|
70
|
60
|
28
|
14
|
М12
|
1,2
|
40
|
130
|
100
|
80
|
70
|
3
|
36
|
1,4
|
50
|
140
|
110
|
90
|
81
|
46
|
1,6
|
65
|
160
|
130
|
100
|
101
|
18
|
15
|
60
|
2,4
|
80
|
185
|
150
|
128
|
116
|
76
|
18
|
М16
|
3,3
|
100
|
205
|
170
|
148
|
138
|
94
|
4,1
|
125
|
235
|
200
|
178
|
167
|
20
|
17
|
118
|
8
|
5,9
|
150
|
260
|
225
|
202
|
192
|
142
|
7,3
|
200
|
315
|
280
|
258
|
250
|
196
|
11,0
|
250
|
370
|
335
|
312
|
304
|
244
|
12
|
15,2
|
300
|
435
|
395
|
365
|
357
|
22
|
18
|
4
|
294
|
22
|
М20
|
22,7
|
350
|
485
|
445
|
415
|
407
|
344
|
28,7
|
400
|
535
|
495
|
465
|
457
|
390
|
16
|
35,0
|
450
|
590
|
550
|
520
|
510
|
440
|
42,8
|
500
|
640
|
600
|
570
|
562
|
490
|
50,9
|
600
|
755
|
705
|
670
|
662
|
28
|
23
|
5
|
590
|
26
|
20
|
М24
|
90,2
|
800
|
975
|
920
|
880
|
868
|
36
|
31
|
780
|
30
|
24
|
М27
|
197,0
|
(Введена дополнительно. Изм. № 1)
Таблица 21б
Ру 1,0 МПа (10 кгс/см2)
Размеры в мм
Dy*
|
D
|
D1
|
D2
|
D6
|
b
|
b1
|
h
|
d2
|
d
|
n
|
Номинальный диаметр болтов или шпилек
|
Масса, кг, не более
|
200
|
335
|
295
|
268
|
260
|
20
|
17
|
3
|
196
|
22
|
8
|
М20
|
12,3
|
250
|
390
|
350
|
320
|
313
|
22
|
19
|
244
|
12
|
18,4
|
300
|
440
|
400
|
370
|
364
|
25
|
21
|
4
|
294
|
26,7
|
350
|
500
|
460
|
430
|
422
|
344
|
16
|
34,6
|
400
|
565
|
515
|
482
|
474
|
390
|
26
|
М24
|
44,0
|
450
|
615
|
565
|
532
|
524
|
440
|
20
|
52,4
|
500
|
670
|
620
|
585
|
576
|
26
|
22
|
490
|
65,4
|
600
|
780
|
725
|
685
|
678
|
30
|
25
|
5
|
590
|
30
|
М27
|
102,3
|
800
|
1010
|
950
|
905
|
878
|
40
|
35
|
780
|
33
|
24
|
М30
|
235,1
|
*
Заглушки Dу 10 - 50 мм принимать по таблице 21 на Ру 4,0 МПа, Dу 65 - 150 по таблице 21в на Ру 1,6 МПа.
|
(Введена дополнительно. Изм. № 1)
Таблица 21в
Ру 1,6 МПа (16 кгс/см2)
Размеры в мм
Dy*
|
D
|
D1
|
D2
|
D6
|
b
|
b1
|
h
|
d2
|
d
|
n
|
Номинальный диаметр болтов или шпилек
|
Масса, кг, не более
|
65
|
180
|
145
|
122
|
110
|
20
|
17
|
3
|
60
|
18
|
4
|
М16
|
3,4
|
80
|
195
|
160
|
133
|
121
|
76
|
4,1
|
100
|
215
|
180
|
158
|
150
|
94
|
8
|
4,9
|
125
|
245
|
210
|
184
|
176
|
118
|
6,4
|
150
|
280
|
240
|
212
|
204
|
142
|
22
|
М20
|
8,3
|
200
|
335
|
295
|
268
|
260
|
196
|
12
|
12,0
|
250
|
405
|
355
|
320
|
313
|
22
|
19
|
244
|
26
|
М24
|
19,5
|
300
|
460
|
410
|
370
|
364
|
25
|
21
|
4
|
294
|
28,7
|
350
|
520
|
470
|
430
|
422
|
26
|
22
|
344
|
16
|
38,4
|
400
|
580
|
525
|
482
|
474
|
28
|
24
|
390
|
30
|
М27
|
51,7
|
450
|
640
|
585
|
532
|
524
|
30
|
26
|
440
|
|
20
|
63,0
|
500
|
710
|
650
|
585
|
576
|
36
|
32
|
490
|
33
|
М30
|
101,5
|
600
|
840
|
770
|
685
|
678
|
40
|
35
|
5
|
590
|
39
|
М36
|
157,0
|
800
|
1020
|
950
|
905
|
878
|
50
|
45
|
780
|
24
|
299,1
|
* Заглушки Dу 10 - 50 мм принимать по таблице 21 на Ру 4,0 МПа
|
(Введена дополнительно. Изм. № 1)
Таблица 21г
Ру 2,5 МПа (25 кгс/см2)
Размеры в мм
Dу*
|
D
|
D1
|
D2
|
D6
|
b
|
b1
|
h
|
d2
|
d
|
n
|
Номинальный диаметр болтов или шпилек
|
Масса, кг, не более
|
200
|
360
|
310
|
278
|
260
|
25
|
22
|
3
|
196
|
26
|
12
|
М24
|
17,5
|
250
|
425
|
370
|
335
|
313
|
244
|
30
|
М27
|
24,5
|
300
|
485
|
430
|
390
|
364
|
30
|
26
|
4
|
294
|
16
|
38,1
|
350
|
550
|
490
|
450
|
422
|
36
|
32
|
344
|
33
|
М30
|
60,0
|
400
|
610
|
550
|
505
|
474
|
40
|
36
|
390
|
83,4
|
450
|
660
|
600
|
555
|
524
|
440
|
20
|
97,6
|
500
|
730
|
660
|
615
|
576
|
490
|
39
|
М36
|
118,8
|
600
|
840
|
770
|
720
|
678
|
50
|
45
|
5
|
590
|
200,1
|
800
|
1075
|
990
|
930
|
878
|
60
|
55
|
780
|
45
|
24
|
М42
|
361,8
|
* Заглушки Dу 10 - 150 мм принимать по таблице 21 на Ру 4,0 МПа.
|
(Введена дополнительно. Изм. № 1)
Примечание. Масса подсчитана при плотности материала - 7850 кг/м3.
Пример условного обозначения заглушки исполнения 5 с
условным проходом 80 мм на условное давление 4,0 МПа (40 кгс/см2) из
стали 16ГС категории 6:
Заглушка
5 - 80 - 4,0 - 16ГС - 6 АТК 24.200.02-90
2. ТЕХНИЧЕСКИЕ ТРЕБОВАНИЯ
2.1. Заглушки должны изготовляться в соответствии с
требованиями настоящего альбома типовых конструкций по чертежам, утвержденным в
установленном порядке.
2.2. Давления условные и рабочие - по ГОСТ
356.
2.3. Присоединительные размеры заглушек - по ГОСТ
12815.
2.4. Требования к материалам, виды их испытаний должны
соответствовать ОСТ
26-291.
2.5. Материал заглушек выбирается исходя из условий
эксплуатации по ОСТ
26-291 из листового и полосового проката или поковок. Поковки с пределом
текучести не менее 215 МПа (2200 кгс/см2) при температуре 20 °С.
2.6. Прибавка на коррозию принята - 2 мм.
2.7. Для квадратных фланцев на Ру ≤
4,0 МПа (40 кгс/см2) по ГОСТ
12815 допускается изготовлять квадратные заглушки.
2.8. Неуказанные предельные отклонения номинального размера h:
±1 мм при h = 2 мм;
±2 мм при h > 2 мм.
2.9. Предельные отклонения размеров:
D3 - H12;
|
d -
H15;
|
b1 - js15;
|
D4 - h12;
|
D8 - ±0,15 мм;
|
b2; h 2 - ± 0,4 мм.
|
Неуказанные предельные отклонения размеров - по рабочим чертежам,
утвержденным в установленном порядке.
Предельные отклонения размеров D3
и D4 под фторопластовые прокладки:
D3
|
- свыше 130 до 500 мм
|
- Н11;
|
|
|
- свыше 500 мм
|
- Н10;
|
|
D4
|
- до 30 мм
|
- b12;
|
|
|
- свыше 30 до 260 мм
|
- d11;
|
|
|
- свыше 260 мм
|
- f9.
|
|
2.10. Предельные отклонения от номинального размера b - по соответствующим стандартам на листовой или
полосовой прокат, для поковок , для штамповок - по II
классу ГОСТ
7505.
2.11. Позиционный допуск осей отверстий d
в диаметральном выражении не должен быть более, мм:
1,0 - для отверстий диаметром 11 мм;
2,0 - для отверстий диаметром от 14 до 26 мм;
3,0 - для отверстий диаметром от 30 до 45 мм.
4,0 - для отверстий диаметром 52 и 56 мм.
2.12. Заглушки рассчитаны на применение с прокладками
эластичными, асбометаллическими, спирально-навитыми и овального сечения.
2.13. Поверхности заглушек не должны иметь раковин, трещин,
заусенцев и других дефектов, снижающих прочность заглушек и надежность
соединений.
2.14. Гидравлические испытания заглушек, как правило, должны
производиться совместно с оборудованием в соответствии с требованиями ОСТ
26-291.
2.15. Допускается изготовление заглушек сварными при условии
полного провара и 100 % контроля качества сварных швов в соответствии с ОСТ
26-291.
Разделка кромок и способ сварки определяется технической
документацией предприятия-изготовителя.
2.16. Срок службы заглушки не менее 10 лет.
2.17. На боковой поверхности заглушки должна быть выполнена
маркировка: условное обозначение без наименования изделия, товарный знак
предприятия-изготовителя.
Допускается не маркировать товарный знак
предприятия-изготовителя, если заглушка не является товарной продукцией.
2.18. Технические требования к крепежным изделиям по ОСТ
26-2043.
ИНФОРМАЦИОННЫЕ
ДАННЫЕ
1. УТВЕРЖДЕН И ВВЕДЕН В ДЕЙСТВИЕ
Указанием Министерства тяжелого машиностроения 19.06.90 № BA-002-I-6288
2. РАЗРАБОТЧИКИ:
Пролесковский А.Ю. (руководитель
темы), Байбакова М.И.
3. ЗАРЕГИСТРИРОВАН ВНИИКИ за №
__________ от ______________ 1990 г.
4. ВЗАМЕН ОСТ
26-11-07-85
5. ССЫЛОЧНЫЕ
НОРМАТИВНО-ТЕХНИЧЕСКИЕ ДОКУМЕНТЫ
Лист
регистрации изменений
Изм.
|
Номера листов (страниц)
|
Номер документа
|
Подпись
|
Дата
|
Срок введения изменения
|
измененных
|
замененных
|
новых
|
аннулированных
|
|
|
|
|
|
|
|
|
|
|
|
|
|
|
|
|
|
|
|
|
|
|
|
|
|
|
|
|
|
|
|
|
|
|
|
|
|
|
|
|
|
|
|
|
|
|
|
|
|
|
|
|
|
|
|
|
|
|
|
|
|
|
|
|
|
|
|
|
|
|
|
|
|
|
|
|
|
|
|
|
|
|