Информационная система
«Ёшкин Кот»

XXXecatmenu

ОТРАСЛЕВЫЕ СТАНДАРТЫ

НИППЕЛИ ПОВОРОТНЫЕ

Конструкция и размеры

ОСТ 1 12537-76

ОСТ 112538-76

Взамен 5824А

5825А

Проверено в 1987 г.

 

Распоряжением Министерства от 3 мая 1976 г.

срок введения установлен с 1 января 1977 г.

№ 087-16

 

Несоблюдение стандарта преследуется по закону

ПОВОРОТНЫЕ НИППЕЛИ ПО ОСТ 1 12537-76, ОСТ 1 12538-76 ВЗАИМОЗАМЕНЯЕМЫ С
ПОВОРОТНЫМИ НИППЕЛЯМИ ПО НОРМАЛЯМ 5824А, 5825А СООТВЕТСТВЕННО

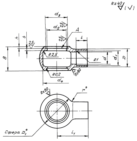
1. Настоящий стандарт распространяется на поворотные ниппели, предназначенные для соединения поворотных угольников с трубопроводами жидкостных или газовых систем самолетов и вертолетов.

2. Конструкция и размеры поворотных ниппелей должны соответствовать указанным на черт. 1 и 2 и в таблице.

Для Dн = 6 ÷ 8 мм

Черт. 1

Для Dн = 10 ÷ 18 мм

Остальное - см. черт. 1

Черт. 2

___________

* Размер для справок.

Размеры, мм

Наружный диаметр труб D*н

Применяемость

d

d1 Пред. откл. b11

d2

d3 Пред. откл. А4

d4

D

D1

l

l1

h

b

B

r

Масса 100 шт., кг

25

12Х18Н9Т

6

 

 

4

6

10,2

13

17

8,5

21

6

20

2,0

1,5

14

6

1,58

8

 

 

6

8

12,2

15

21

10,5

25

8

22

16

2,72

10

 

 

8

10

14,2

17

24

12,5

28

24

2,0

19

3,89

12

 

 

10

12

16,2

19

27

14,5

31

25

21

4,92

14

 

 

12

14

18,2

21

31

16,5

35

10

31

24

6,34

16

 

 

14

16

20,2

23

33

18,5

37

12

32

25

8,22

18

 

 

16

18

22,2

25

37

21,0

42

34

2,5

2,5

29

10

11,90

____________

* Размер для справок.

3. Материал: штамповка из стали 25 ОСТ 1 90085-82, стали 12Х18Н9Т (Х18Н9Т) ОСТ 1 90176-75, группа контроля III.

4. Термическая обработка: закалить* - для ниппелей из стали 12Х18Н9Т. Группа контроля 5 ОСТ 1 00021-78.

5. Предельные отклонения размеров необрабатываемых поверхностей - по ОСТ 1 41187-78, класс точности 5.

6. Неуказанные предельные отклонения размеров, формы и расположения поверхностей - по ОСТ 1 00022-80.

7. Допуск радиального биения поверхности d3 и допуск торцового биения поверхности А относительно оси поверхности d2 - не более 0,05 мм.

8. Покрытие: Кд9.фос.окс - для ниппелей из стали 25 производить после пайки с трубой; Хим.Пас - для ниппелей из стали 12Х18Н9Т*.

____________

* По действующему в отрасли документу.

9. Маркировать и клеймить - по ОСТ 1 00804-76.

10. Таблица соответствия поворотных ниппелей по настоящим стандартам поворотным ниппелям по нормалям 5824А, 5825А приведена в справочном приложении.

11. Технические условия - по ОСТ 1 00804-76.

Пример наименования и обозначения поворотного ниппеля к трубопроводу с Dн = 8 мм из стали 25:

Ниппель поворотный 8-ОСТ 1 12537-76

То же, из стали 12Х18Н9Т:

Ниппель поворотный 8-ОСТ 1 12538-76

ПРИЛОЖЕНИЕ

Справочное

Таблица соответствия поворотных ниппелей по настоящим стандартам поворотным ниппелям по нормалям 5824А, 5825А

Обозначение

по стандарту

по нормали

6-ОСТ 1 12537-76

5824А-4

8-ОСТ 1 12537-76

5824А-6

10-ОСТ 1 12537-76

5824А-8

12-ОСТ 1 12537-76

5824А-10

14-ОСТ 1 12537-76

5824А-12

16-ОСТ 1 12537-76

5824А-14

18-ОСТ 1 12537-76

5824А-16

6-ОСТ 1 12538-76

5825А-4

8-ОСТ 1 12538-76

5825А-6

10-ОСТ 1 12538-76

5825А-8

12-ОСТ 1 12538-76

5825А-10

14-ОСТ 1 12538-76

5825А-12

16-ОСТ 1 12538-76

5825А-14

18-ОСТ 1 12538-76

5825А-16

ЛИСТ РЕГИСТРАЦИИ ИЗМЕНЕНИЙ

Номер изменения

Номер листа (страницы)

Номер документа

Подпись

Дата внесения изм.

Дата введения изм.

измененного

замененного

нового

аннулированного

1

1 - 4

-

-

-

10510

 

17.07.87

01.01.88

2

1, 4

-

-

-

11353

 

10.05.90

01.07.90

СОДЕРЖАНИЕ

 



© 2013 Ёшкин Кот :-)