Информационная система
«Ёшкин Кот»

XXXecatmenu

Государственный ордена Трудового Красного Знамени
проектный и конструкторский институт «ПРОЕКТМОНТАЖАВТОМАТИКА»

ЭЛЕКТРИЧЕСКИЕ СХЕМЫ АВТОМАТИЧЕСКОГО РЕГУЛИРОВАНИЯ
ТЕХНОЛОГИЧЕСКИХ ПАРАМЕТРОВ

Измерительные приборы и регуляторы
приборного типа

РМ4-49-90

Часть 3

Дата введения

с 1.07.90

Зам. директора                                        М.А. Чудинов

Начальник отдела                                   А.М. Гуров

1990

Настоящий руководящий материал РМ4-49-90 ч. 3 разработан применительно к номенклатуре приборов и средств автоматизации промышленного назначения, серийно выпускаемых заводами в 1990 году. Приборы, приведенные в сборнике, применяются в системах автоматического контроля и регулирования.

В руководящем материале приведены схемы электрических соединений измерительных цепей и дополнительных устройств.

В третьей части руководящего материала даны схемы, выполненные для приборов, выпускаемых Орловским производственным объединением «Промприбор», Йошкар-Олинским заводом «Электроавтоматика», Казанским производственным объединением «Теплоконтроль», Ереванским производственным объединением «Электроприбор» и производственным объединением «Краснодарский ЗИП».

В основном схемы расположены группами по заводам-изготовителям. На схемах электрических соединений основная часть приборов изображена в масштабах 1:2,5 и 1:5. Масштаб для соответствующей группы приборов приведен в таблице на л. 9, 10.

Схемы электрических соединений некоторых приборов выполнены на нескольких листах. На этих листах даны ссылки, относящиеся к данной схеме.

Вид на приборы дан со стороны монтажа. Клеммные колодки и соединители показаны с учетом их фактического расположения и с указанием их номеров. Оцифровка клемм и штырей или гнезд соответствует заводской маркировке.

Маркировка жил проводов в приборах дана для определения связей отдельных элементов схем. При составлении монтажных схем щитов ее следует заменить применительно к системе маркировки принятой в конкретном проекте.

Источники питания приборов и установка аппаратов защиты данным материалом не рассматриваются. Указаны лишь напряжения питания.

СОДЕРЖАНИЕ

Приложение 1. Регулятор температуры электрический пропорциональный тэ2п.. 3

Приложение 2. Двухпозиционный регулятор температуры тэ3пз. 4

Приложение 3. Двухпозиционный регулятор температуры тэ3пз. 5

Приложение 4. Трехпозиционный регулятор температуры тэ4пз. 7

Приложение 5. Устройство контроля и регистрации фщл501 (фщл502) с преобразователями напряжения постоянного тока. 8

Приложение 6. Устройство контроля и регистрации фщл501 (фщл502) с преобразователями силы постоянного тока. 10

Приложение 7. Устройство контроля и регистрации фщл501 (фщл502) с термопреобразователями сопротивления при трехпроводном подключении. 11

Приложение 8. Устройство контроля и регистрации фщл501 (фщл502) с термопреобразователями сопротивления при четырехпроводном подключении. 12

Приложение 9. Устройство контроля и регистрации фщл501 (фщл502) с термоэлектрическими преобразователями. 14

Приложение 10. Термометры манометрические показывающие электроконтактные тгп-100эк и ткп-100эк.. 16

Приложение 11. Термометры манометрические показывающие электроконтактные тгп-100эк-м1 и ткп-100эк-м1. 17

Приложение 12. Манометры дифференциальные сильфонные самопишущие дсс-711, дсс-711- и дсс-711р. 17

Приложение 13. Термометры сигнализирующие взрывозащищенные тгп-16сгв3т4, ткп-16сгв3т4 и тягомеры, напоромеры и тягонапоромеры тмсп-16сгв3т4, нсп-16сгв3т4, тнсп-16сгв3т4. 18

Приложение 14. Манометр показывающий электроконтактный мт-160сг. 19

Приложение 15. Расходомеры тм2с-10/64 и тм2с-32/64. 19

Приложение 16. Система контроля и регулирования температуры к4504 для одного канала. 20

Приложение 17. Аппаратура атв-229 для сигнализации о перегреве подшипников и других частей производственных машин. 23

Приложение 18. Аппаратура атв-229 для защиты обмоток электрических машин. 23

Приложение 19. Температурное реле рт-230у.. 24

Приложение 20. Милливольтметр ш4540/1 восьмиточечный с панелью контактной пк-6. 25

Приложение 21. Милливольтметр ш4540/1 восьмиточечный с панелью контактной пк-8. 26

Приложение 22. Миллиамперметр самопишущий н332 и н3022к с трехпозиционным регулированием.. 26

Приложение 23. Преобразователь п-215. 27

Приложение 24. Преобразователь п-215 при дифференциальном включении входного усилителя. 28

Приложение 25. Преобразователь п-215и.. 30

Приложение 26. Преобразователь п-215и при дифференциальном включении входного усилителя. 30

 

Приложение

Тип прибора

Масштаб прибора

17, 18, 19

АВТ-229

б/м

12

ДСС-711,

1:5

 

ДСС-711-2С,

 

 

ДСС-711Р

 

16

К4504

1:2

14

МТ-160г

1:5

22

Н332К,

1:5

 

Н3022К

 

23, 24

П-215

1:5

25, 26

П-215И

1:5

1

ПЭ2П

1:2,5

2, 3

ТЭ3ПЗ

1:2,5

4

ТЭ4ПЗ

1:2,5

10

ТГП-100Эк,

1:5

 

ТКП-100Эк

 

11

ТГП-100Эк-М1

1:5

 

ТКП-100Эк-М1

 

13

ТГП-160гВ3Т4,

1:5

 

ТКП-160гВ3Т4,

 

 

ТмСП-160гВ3Т4,

 

 

НСП-160гВ3Т4,

 

 

ТНСП-160гВ3Т4

 

15

ТМ2С-32/64,

1:2

 

ТМ2С-32/64

 

5, 6, 7, 8, 9

ФЩЛ501,

1:5

 

ФЩЛ502

 

20, 21

Ш4540/1

1:2,5

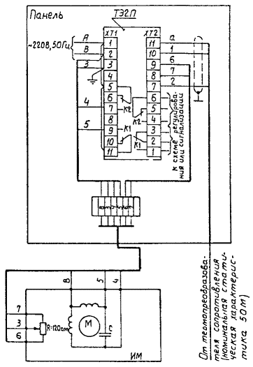
ПРИЛОЖЕНИЕ 1

РЕГУЛЯТОР ТЕМПЕРАТУРЫ ЭЛЕКТРИЧЕСКИЙ ПРОПОРЦИОНАЛЬНЫЙ ТЭ2П

СХЕМА ЭЛЕКТРИЧЕСКАЯ СОЕДИНЕНИЙ

Примечания:

1. Подключение датчика осуществляется трехжильным экранированным проводом или проводом, проложенным в заземленной металлической трубе, причем сопротивление каждой хилы провода не должно превышать 5 Ом.

2. Максимальная длина линии соединяющей прибор с датчиком экранированным проводом не должна превышать 1000 м.

3. Допускается выполнение трехпроводной линии неэкранированным проводом длиной не более 60 м, сопротивлением не более 1 Ом.

4. В комплект поставки входит ТС.

ПРИЛОЖЕНИЕ 2

ДВУХПОЗИЦИОННЫЙ РЕГУЛЯТОР ТЕМПЕРАТУРЫ ТЭ3ПЗ

(ВКЛЮЧЕНИЕ НАГРУЗКИ С ПОНИЖЕНИЕМ ТЕМПЕРАТУРЫ НА ОБЪЕКТЕ)

СХЕМА ЭЛЕКТРИЧЕСКАЯ СОЕДИНЕНИЙ

ПРИЛОЖЕНИЕ 3

ДвУХПОЗИЦИОННЫЙ РЕгулятор ТЕМПЕРАТУРЫ ТЭ3ПЗ

(включение нагрузки С ПОВЫШЕНИЕМ ТЕМПЕРАТУРЫ На ОБЪЕКТЕ)

СХЕМА ЭЛЕКТРИЧЕСКАЯ СОЕДИНЕНИЙ

Примечания:

1. Двухпозиционный регулятор температуры ТЭ3ПЗ может включать нагревательный элемент или холодильную установку.

2. При двухпозиционном регулировании срабатывание реле К при повышении или при понижении температуры на объекте по отношению температуры задания определяется установкой перемычек.

3. Сигнал с измерительного моста, в плечо которого включен датчик, поступает на вход микросборки. Микросборка преобразует входной сигнал в релейный сигнал «включено-выключено», который управляет нагрузкой. Нагрузкой являются электромагнитные реле и светодиоды.

4. Командный выход приборов обеспечивает переключение нагрузки переменного тока частотой 50 Гц, напряжением 220 В, мощностью 500 ВА и постоянного тока мощностью 50 Вт при напряжении до 220 В.

5. Подключение датчика осуществляется трехжильным экранированным проводом или проводом, проложенным в заземленной металлической трубе, причем сопротивление каждой жилы провода не должно превышать 5 Ом.

6. Максимальная длина линии, соединяющей прибор с датчиком экранированным проводом не должна превышать 1000 м.

7. Допускается выполнение трехпроводной линии неэкранированным проводом длиной не более 60 м, сопротивлением не более 1 Ом.

8. В комплект поставки входит ТС.

ПРИЛОЖЕНИЕ 4

ТРЕХПОЗИЦИОННЫЙ РЕГУЛЯТОР ТЕМПЕРАТУРЫ ТЭ4ПЗ

СХЕМА ЭЛЕКТРИЧЕСКАЯ СОЕДИНЕНИЙ

Примечания:

1. Трехпозиционный регулятор температуры ТЭ4ПЗ может включать нагревательный элемент или холодильную установку.

2. В основу работы приборов положен мостовой метод измерения сопротивления.

Сигнал с измерительного моста, в плечо которого включен датчик, поступает на вход микросборки. Микросборка преобразует входной сигнал в релейный сигнал «включено-выключено», который управляет нагрузкой. Нагрузкой являются электромагнитные реле и светодиоды.

3. Трехпозиционное регулирование и сигнализация обеспечиваются коммутацией цепей на выходе микросборки.

4. Командный выход приборов обеспечивает переключение нагрузки переменного тока частотой 50 Гц, напряжением 220 В, мощностью 500 ВА и постоянного тока мощностью 50 Вт при напряжении до 220 В.

5. Подключение датчика осуществляется трехжильным экранированным проводом или проводом, проложенным в заземленной металлической трубе, причем сопротивление каждой жилы провода не должно превышать 5 Ом.

6. Максимальная длина линии соединяющей прибор с датчиком экранированным проводом не должна превышать 1000 м.

7. Допускается выполнение трехпроводной линии неэкранированным проводом длиной не более 60 м, сопротивлением не более 1 Ом.

8. В комплект поставки входит ТС.

ПРИЛОЖЕНИЕ 5

УСТРОЙСТВО КОНТРОЛЯ И РЕГИСТРАЦИИ ФЩЛ501 (ФЩЛ502) С ПРЕОБРАЗОВАТЕЛЯМИ НАПРЯЖЕНИЯ ПОСТОЯННОГО ТОКА

СХЕМА ЭЛЕКТРИЧЕСКАЯ СОЕДИНЕНИЙ

Примечания: 1. Развернутая схема штепсельного соединителя ХР2.

Р - реле РПУ2 или другие исполнительные устройства, которые подключаются последовательно с КЦ405А к сети питания ~ 2208, 50 Гц

2.

При использовании одного или нескольких каналов необходимо подключить их входы параллельно входам используемых каналов той же группы.

3. Преобразователи напряжения подключаются к устройству обычным медным проводом.

4. Заземление осуществляется медным проводом сечением 2 - 3 мм2.

Рекомендуется для заземления подвести отдельную линию.

5. Прокладка проводов или кабелей должна осуществляться в соответствии с правилами монтажа электротехнических установок в гибких металлических шлангах или трубах, надежно заземленных. Рекомендуется применять провода с прорезиненной и водонепроницаемой изоляцией сечением не менее 1 мм2 и не более 1,5 мм2 (например типа ПР-100 или ПР2-100).

6. По защищенности от воздействия окружающей среды и по устойчивости к механическим воздействиям устройства ФЩЛ-501 изготавливаются в обыкновенном исполнении по ГОСТ 12997-84, а устройства ФЩЛ-502 - во взрывозащищенном исполнении группы IIC по ГОСТ 122.020-76.

ПРИЛОЖЕНИЕ 6

УСТРОЙСТВО КОНТРОЛЯ И РЕГИСТРАЦИИ ФЩЛ501 (ФЩЛ502) С ПРЕОБРАЗОВАТЕЛЯМИ СИЛЫ ПОСТОЯННОГО ТОКА

СХЕМА ЭЛЕКТРИЧЕСКАЯ СОЕДИНЕНИЙ

Примечания:

1. Развернутая схема штепсельного соединителя ХР2 приведена в прилож. 5, примеч. 1, л. 19.

2. Заземление осуществляется медным проводом сечением 2 - 3 мм2.

Рекомендуется для заземления подвести отдельную линию.

3. Прокладка проводов или кабелей должна осуществляться в соответствии с правилами монтажа электрических установок в гибких металлических шлангах или трубах, надежно заземленных. Рекомендуется применять провода с прорезиненной и водонепроницаемой изоляцией сечением не менее 1 мм2 и не более 1,5 мм2 (например типа ПР-100 или ПР2-100).

4. По защищенности от воздействия окружающей среды и по устойчивости к механическим воздействиям устройства ФЩЛ-501 изготавливаются в обыкновенном исполнении по ГОСТ 12997-84, а устройства ФЩЛ-502 во взрывозащищенном исполнении группы IIC по ГОСТ 122.020-76.

5. При неиспользовании одного или нескольких каналов необходимо подключить их входы параллельно входам используемых каналов той же группы (примеч. 2, л. 20).

ПРИЛОЖЕНИЕ 7

УСТРОЙСТВО КОНТРОЛЯ И РЕГИСТРАЦИИ ФЩЛ501 (ФЩЛ502) С ТЕРМОПРЕОБРАЗОВАТЕЛЯМИ СОПРОТИВЛЕНИЯ ПРИ ТРЕХПРОВОДНОМ ПОДКЛЮЧЕНИИ

СХЕМА ЭЛЕКТРИЧЕСКАЯ СОЕДИНЕНИЙ

Примечания:

1. Развернутую схему штепсельного соединителя ХР2 см. прилож. 5 примеч. 1, л. 19.

2. Клеммные колодки ХТ1, ХТ2, ХТ3, ХТ4, ХТ5, ХТ6.

Rл1 = Rл2 = 2,50 ± 0,01 Ом (сопротивление линии связи). Сопротивление каждого провода линии связи устройств с термопреобразователями сопротивления, кроме провода питания составляет (2,5 ± 0,01) Ом.

3. Термопреобразователи сопротивления подключаются к устройству обычным медным проводом.

4. Заземление осуществляется медным проводом сечением 2 - 3 мм2. Рекомендуется для заземления подвести отдельную линию.

5. Прокладка проводов должна осуществляться в соответствии с правилами монтажа электротехнических установок в гибких металлических шлангах или трубах, надежно заземленных. Рекомендуется применять провода с прорезиненной и водонепроницаемой изоляцией сечением не менее 1 мм2 и не более 1,5 мм2 (например типа ПР-100 или ПР2-100).

6. По защищенности от воздействия окружающей среды и по устойчивости к механическим воздействиям устройства ФЩЛ-501 изготавливаются в обыкновенном исполнении по ГОСТ 12997-84, а устройства ФЩЛ-502 - во взрывозащищенном исполнении группы IIC по ГОСТ 122.020-76.

7.

При неиспользовании одного или нескольких каналов необходимо подключить их входы параллельно входам используемых каналов той же группы.

ПРИЛОЖЕНИЕ 8

УСТРОЙСТВО КОНТРОЛЯ И РЕГИСТРАЦИИ ФЩЛ501 (ФЩЛ502) С ТЕРМОПРЕОБРАЗОВАТЕЛЯМИ СОПРОТИВЛЕНИЯ ПРИ ЧЕТЫРЕХПРОВОДНОМ ПОДКЛЮЧЕНИИ

СХЕМА ЭЛЕКТРИЧЕСКАЯ СОЕДИНЕНИЙ

Примечания:

1. Развернутую схему штепсельного соединителя ХР2 см. прилож. 5, примеч. 1, л. 19.

2. Клеммные колодки ХТ1, ХТ2, ХТ3, ХТ4, ХТ5, ХТ6

Сопротивление каждого провода линии связи устройств с термопреобразоватеями сопротивления, кроме провода питания не более 50 Ом.

3. Термопреобразователи сопротивления подключаются к устройству обычным медным проводом.

4. Заземление осуществляется медным проводом сечением 2 - 3 мм2. Рекомендуется для заземления подвести отдельную линию.

5. Прокладка проводов должна осуществляться в соответствии с правилами монтажа электротехнических установок в гибких металлических шлангах или трубах, надежно заземленных. Рекомендуется применять провода с прорезиненной и водонепроницаемой изоляцией сечением не менее 1 мм2 и не более 1,5 мм2 (например типа ПР-100 или ПР2-100).

6. По защищённости от воздействия окружающей среды и по устойчивости к механическим воздействиям устройства ФЩЛ-501 изготавливаются в обыкновенном исполнении по ГОСТ 12997-84, а устройства ФЩЛ-502 во взрывозащищенном исполнении группы IIC по ГОСТ 112.010-76.

7.

При неиспользовании одного или нескольких каналов необходимо подключить их входы параллельно входам используемых каналов той же группы.

ПРИЛОЖЕНИЕ 9

УСТРОЙСТВО КОНТРОЛЯ И РЕГИСТРАЦИИ ФЩЛ501 (ФЩЛ502) С ТЕРМОЭЛЕКТРИЧЕСКИМИ ПРЕОБРАЗОВАТЕЛЯМИ

СХЕМА ЭЛЕКТРИЧЕСКАЯ СОЕДИНЕНИЙ

Примечания:

1. Развернутая схема штепсельного соединителя ХР2 приведена в прилож. 5, примеч. 1, л. 19.

2. Клеммные колодки ХТ1, ХТ2, ХТ3, ХТ4, ХТ5, ХТ6

R4 - катушка, 10 Ом

Сопротивление линии связи устройства с термоэлектрическими преобразователями не должно быть более 200 Ом.

3. Термоэлектрические преобразователи Вр(А)-1, Вр(А)-2, Вр(А)-3, ХК(L), ХА(К), ПП(S) подключают к устройству либо своими концами, либо соединенными с ними компенсационными проводами по ГОСТ 1790-77 и ГОСТ 10811-75.

4. Заземление осуществляется медным проводом сечением 2 - 3 мм2. Рекомендуется для заземления подвести отдельную линию.

5. Прокладка проводов должна осуществляться в соответствии с правилами монтажа электротехнических установок в гибких металлических шлангах или трубах, надежно заземленных.

Рекомендуется применять провода с прорезиненной и водонепроницаемой изоляцией сечением не менее 1 мм2 и не более 1,5 мм2 (например типа ПР-100 или ПР2-100).

6. По защищенности от воздействия окружающей среды и по устойчивости к механическим воздействиям устройства ФЩЛ-501 изготавливаются в обыкновенном исполнении по ГОСТ 12997-84, а устройства ФЩЛ-502 - во взрывозащищенном исполнении группы IIC по ГОСТ 122.020-76.

ПРИЛОЖЕНие 10

ТЕРМОМЕТРЫ МАНОМЕТРИЧЕСКИЕ ПОКАЗЫВАЮЩИЕ ЭЛЕКТРОКОНТАКТНЫЕ ТГП-100Эк и ТКП-100Эк

СХЕМА ЭЛЕКТРИЧЕСКАЯ СОЕДИНЕНИЙ

Примечания:

1. Сигнализирующее устройство термометров обеспечивает коммутацию внешних электрических цепей исполнения IV по ГОСТ 13717-84.

2. Разрывная мощность контактов сигнализирующего устройства термометров при активной нагрузке 30 ВА. Значение коммутируемого тока от 0,01 до 1 А.

3. Напряжение внешних коммутируемых цепей следует выбирать:

24; 40; 60; 110 и 220 В - переменного тока,

24; 60; 110; 220 В - постоянного тока.

4. Подключение внешних электрических цепей к термометру должно осуществляться кабелем с сечением жил не менее 0,2 мм2.

5. Для коммутации напряжения внешних электрических цепей в термометрах используются два предельных контакта, один из них замыкает цепь минимального, а другой максимального значения контакта.

ПРИЛОЖЕНИЕ 11

ТЕРМОМЕТРЫ МАНОМЕТРИЧЕСКИЕ ПОКАЗЫВАЮЩИЕ электроконтактные ТГП-100Эк-М1 и ТКП-100Эк-М1

СХЕМА ЭЛЕКТРИЧЕСКАЯ СОЕДИНЕНИЙ

Примечания:

1. Сигнализирующее устройство термометров обеспечивает коммутацию внешних электрических цепей исполнения IV по ГОСТ 13717-84.

2. Разрывная мощность контактов сигнализирующего устройства термометров при активной нагрузке 30 ВА. Значение коммутируемого тока от 0,01 до 1 А.

3. Напряжение внешних коммутируемых цепей следует выбирать:

24; 40; 60; 110 и 220 В - переменного тока,

24; 60; 110; 220 В - постоянного тока.

4. Подключение внешних электрических цепей к термометру должно осуществляться кабелем с сечением жил не менее 0,2 мм2.

5. Для коммутации напряжения внешних электрических цепей в термометрах используются два предельных контакта, один из них замыкает цепь минимального, а другой максимального значения контакта.

приложение 12

МАНОМЕТРЫ ДИФФЕРЕНЦИАЛЬНЫЕ СИЛЬФОННЫЕ САМОПИШУЩИЕ ДСС-711, ДСС-711-2с и ДСС-711Р

СХЕМА ЭЛЕКТРИЧЕСКАЯ СОЕДИНЕНИЙ

Примечания:

1. Дифманометры с дополнительной записью давления ДСС-711-2с предназначены для работы в качестве расходомеров.

2. Потребляемая мощность дифманометров не более 5 ВА.

3. Самопишущие дифманометры с дополнительной записью давления, кроме механизма записи расхода, имеют также манометрический механизм для записи давления.

4. Приборы с электрическим питанием нельзя устанавливать во взрывоопасных помещениях.

5. Дифманометр устанавливается в вертикальном положении по уровню.

ПРИЛОЖЕНИЕ 13

ТЕРМОМЕТРЫ СИГНАЛИЗИРУЮЩИЕ ВЗРЫВОЗАЩИЩЕННЫЕ ТГП-16СгВ3Т4, ТКП-16СгВ3Т4 И ТЯГОМЕРЫ, НАПОРОМЕРЫ И ТЯГОНАПОРОМЕРЫ ТмСП-16СгВ3Т4, НСП-16СгВ3Т4, ТНСП-16СгВ3Т4

СХЕМА ЭЛЕКТРИЧЕСКАЯ СОЕДИНЕНИЙ

Примечания:

1. Сигнализация

№ контакта

Цепь

1

Общий

2

Норма

3

Максимум

4

Минимум

2. Приборы предназначены для эксплуатации во взрывоопасных зонах классов ВI, В-Iа, ВI-б, В-IIа и наружных установках класса В-Iг.

3. В качестве датчиков электрического сигнала используются обмотки генераторов высокой частоты блока электросигнального взрывозащищенного. Один выдает сигнал минимального, другой максимального значения измеряемой температуры.

4. Сигнализирующее устройство обеспечивает коммутацию внешних электрических цепей переменным или постоянным током до 220 В, 50 Гц.

5. Разрывная мощность контактов реле сигнализирующего устройства при активной нагрузке не более 50 ВА. Величина коммутируемого тока от 0,01 до 1 А.

6. При давлении измеряемой среды свыше 64 кгс/см2 для термометров ТГП-16СгВ3Т4 и ТКП-16СгВ3Г4 необходимо применять защитную гильзу.

ПРИЛОЖЕНИЕ 14

МАНОМЕТР ПОКАЗЫВАЮЩИЙ ЭЛЕКТРОКОНТАКТНЫЙ МТ-160Сг

СХЕМА ЭЛЕКТРИЧЕСКАЯ СОЕДИНЕНИЙ

1. Разрывная мощность контактов сигнализирующего устройства 30 ВА при условии питания цепи внешней нагрузки переменным током напряжением 220 В, 50 Гц.

2. Розетку 2РМД18КИН4Г5В1 допускается заменить по согласованию с заказчиком.

ПРИЛОЖЕНИЕ 15

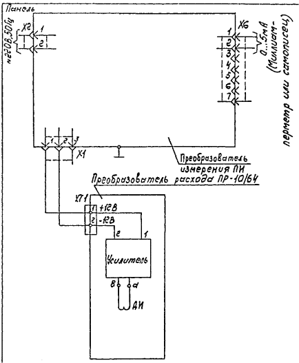
РАСХОДОМЕРЫ ТМ2С-10/64 И ТМ2С-32/64

СХЕМА ЭЛЕКТРИЧЕСКАЯ СОЕДИНЕНИЙ

ПРИЛОЖЕНИЕ 16

СИСТЕМА КОНТРОЛЯ И РЕГУЛИРОВАНИЯ ТЕМПЕРАТУРЫ К4504 ДЛЯ ОДНОГО КАНАЛА

СХЕМА ЭЛЕКТРИЧЕСКАЯ СОЕДИНЕНИЙ

Примечания:

1. Значение параметров линии связи между преобразователем расхода (ПР-10/64; ПР-32/64) и измерительным преобразователем:

длина линии связи - не более 1500 м

омическое сопротивление - не более 20 Ом

емкость - 0,16 мкФ

индуктивность - 2 мГн

2. Электрическое сопротивление нагрузки подключаемой на выходе ПИ с учетом линии связи, должно быть не более:

2,5 кОм при выходном сигнале (0 - 5 мА);

1,0 кОм при выходном сигнале (4 - 20 мА).

3. Сечение жил провода должно быть не менее 1,5 мм2. Провод должен быть уложен в трубы или лотки, в случае, если линия связи проходит вне помещения.

4. Монтаж ПР производится таким образом, чтобы стрелка на корпусе совпадала с направлением потока жидкости.

5. Габаритные размеры:

Типы

ПР-10/64

ПР-32/64

ПИ

Длина

220

150

438

Ширина

90

90

242

Высота

198

151

162

Примечания:

1. Передняя дверь системы является панелью измерительных и регулирующих приборов.

2. Модификации и количество каналов регулирования приведены в табл. 1

Таблица 1

Модификация системы

Количество каналов регулирования

К4504-00

12

К4504-01

10

К4504-02

8

К4504-03

6

3. Зависимость количества блоков управления мощности (БУМ) от модификации системы приведена в табл. 2.

Таблица 2

Модификация системы

Количество блоков БУМ

К4504-00

6

К4504-01

5

К4504-02

4

К4504-03

6

4. Для получения ПД закона регулирования контакты А1, А2 на соединителе ХР регулятора температуры Ш4538 необходимо закоротить.

Для получения ПЗ закона регулирования необходимо закоротить контакты А1, А2 на соединителе ХР регулятора температуры Ш4538, а ручку зоны пропорциональности поставить на минимум.

Аналогичным образом работает все каналы регулирования температуры.

5. В схеме использованы:

тумблер SA1 для включения одного канала питания регулятора температуры Ш4538, для подключения питания остальных 11 каналов регулирования температуры ставятся тумблеры SA2...SA12 (которые на схеме не показаны);

тумблер SA13 служит для включения вентиляторов, расположенных в БРВ;

кнопочный выключатель SA16 предназначен для включения схемы задержки;

реле времени КТ;

микроамперметр (М4247) - PmА1, предназначенный для измерения отклонения температуры от заданного значения;

миллиамперметр (Ц4209) - PmА1, предназначен для измерения тока нагревателей.

ПРИЛОЖЕНИЕ 17

Аппаратура АТВ-229 для сигнализации о перегреве подшипников и других частей производственных машин

СХЕМА ЭЛЕКТРИЧЕСКАЯ ПРИНЦИПИАЛЬНАЯ

Примечание. Для одновременного контроля температуры в нескольких точках одного агрегата с одинаковой температурой возможно параллельное включение к одному температурному реле РТ-230У до десяти термодатчиков, имеющих приблизительно одинаковые характеристики, с применением промежуточной коробки.

ПРИЛОЖЕНИЕ 18

Аппаратура АТВ-229 ДЛЯ ЗАЩиТЫ ОбмоТОК элЕКТРИЧЕСКИХ машин

СХЕМА ЭЛЕКТРИЧЕСКАЯ ПРИНЦИПИАЛЬНАЯ

Примечание. Для короткозамкнутых асинхронных двигателей рекомендуется закладывать термодатчики в лобовые части обмоток статора (по одному термодатчику в две фазы). Провода от термодатчиков выводятся через корпус вместе с выводами обмоток электрической машины. Соединение проводов термодатчиков с проводами от температурного реле РТ-230У осуществляется пайкой или через промежуточный клеммник, с применением промежуточной коробки.

ПРИЛОЖЕНИЕ 19

ТЕМПЕРАТУРНОЕ РЕЛЕ РТ-230У

СХЕМА ЭЛЕКТРИЧЕСКАЯ ПРИНЦИПИАЛЬНАЯ

приложение 20

МИЛЛИВОЛЬТМЕТР Ш4540/1 восьмиТОЧЕЧНЫЙ С ПаНЕЛЬЮ контактной пк-6

СХЕМА ЭЛЕКТРИЧЕСКАЯ СОЕДИНЕНИЙ

ПРИЛОЖЕНИЕ 21

милливольтметр Ш4540/1 восьмиточечный с панелью контактной пк-8

СХЕМА ЭЛЕКТРИЧЕСКАЯ СОЕДИНЕНИЙ

ПРИЛОЖЕНИЕ 22

МИЛЛИАМПЕРМЕТР САМОПИшущий Н332 и Н3022К С ТРЕХПОЗИЦИОННЫМ РЕГУЛИРОВАНИЕМ

СХЕМА ЭЛЕКТРИЧЕСКАЯ СОЕДИНЕНИЙ

Примечание.

1. Внутреннее сопротивление прибора не должно превышать:

1000 Ом - для приборов со значением диапазона измерения 0 ... 5 мА и

20 Ом - для приборов со значением диапазона измерения 0 ... 20 мА.

2. Выходные реле служат для включения или выключения устройств, обеспечивающих регулирование параметра. Контакты реле рассчитаны на разрыв или замыкание переменного тока £ 5 А и напряжения £ 220 В при мощности сигнала £ 500 ВА или постоянного тока £ 5 А и напряжения £ 220 В при мощности сигнала £ 50 Вт.

3. Прибор снабжен отметчиком времени, который срабатывает при подаче напряжения 24 В постоянного тока на его зажим.

ПРИЛОЖЕНИЕ 23

ПРЕОБРАЗОВАТЕЛЬ П-215

СХЕМА ЭЛЕКТРИЧЕСКАЯ СОЕДИНЕНИЙ

ПРИЛОЖЕНИЕ 24

ПРЕОБРАЗОВАТЕЛЬ П-215 ПРИ ДИФФЕРЕНЦИАЛЬНОМ ВКЛЮЧЕНИИ ВХОДНОГО УСИЛИТЕЛЯ

СХЕМА ЭЛЕКТРИЧЕСКАЯ СОЕДИНЕНИЙ

Примечания:

1. Преобразователи рассчитаны для работы с серийно выпускаемыми чувствительными элементами (ДПг-4М, ДМ-5М).

2. Выход используется для подключения самопишущих потенциометров с пределами измерения 50, 100 мВ; а также для вторичных регулирующих и записывающих токовых приборов.

Таблица 1

Клемма

Выходной сигнал

1

10 В

2

100 мВ

3

Общий

4

0 ... 5; 4 ... 20 мА

3. Наибольшие допустимые расстояния: от чувствительного элемента до входного усилителя преобразователя П-215 - 150 м;

от входного усилителя до блока преобразования П-215 - 5000 м.

4. Входной усилитель используется в режиме недифференциального и дифференциального включения.

Применение дифференциальной схемы включения рекомендуется при наличии значительных электрических помех. В этом случае входной усилитель преобразователя П-215 подключается к чувствительному элементу двумя коаксиальными кабелями, центральные жилы которых соединяются с контактами 1 и 2, а оплетки с контактом 3 вилки разъема ВХОД.

При недифференциальном включении входного усилителя между контактами 1 и 3 вилки соединительного устройства необходимо установить перемычку, при этом может быть применен один коаксиальный кабель.

5. ТКР-3, предназначенный для коррекции показаний, в зависимости от температуры контролируемого раствора, поставляется по отдельному заказу.

6. Колодка для установки перемычек, положения которых определяются в зависимости от диапазона измерений. Номера контактов колодки, соединяемые перемычками указаны в табл. 2.

Таблица 2

Выходной сигнал

постоянного тока

постоянного напряжения

0 ... 5мА

4 ... 20 мА

0 ... 5 мВ

0 ... 100 мВ

Перемычки

-

7 - 8; 8 - 9

5 - 6

-

7. Потребляемая мощность при номинальном напряжении питания не более 20 ВА.

ПРИЛОЖЕНИЕ 25

ПРЕОБРАЗОВАТЕЛЬ П-215И

СХЕМА ЭЛЕКТРИЧЕСКАЯ СОЕДИНЕНИЙ

ПРИЛОЖЕНИЕ 26

ПРЕОБРАЗОВАТЕЛЬ П-215И ПРИ ДИФФЕРЕНЦИАЛЬНОМ ВКЛЮЧЕНИИ ВХОДНОГО УСИЛИТЕЛЯ

СХЕМА ЭЛЕКТРИЧЕСКАЯ СОЕДИНЕНИЙ

Примечания:

1. Преобразователи рассчитаны для работы с серийно выпускаемыми чувствительными элементами ДПг-4М, ДМ-5М).

2. Выход - для подключения самопишущих потенциометров с пределами измерения 50, 100 мВ; а также для вторичных регулирующих и записывающих токовых приборов.

Таблица 1

Клемма

Выходной сигнал

1

10 В

2

100 мВ

3

Общий

4

0 ... 5; 4 ... 20 мА

3. Наибольшие допустимые расстояния:

от чувствительного элемента до входного усилителя преобразователя П-215И - 15 м;

от входного усилителя до блока искрозащиты преобразователя П-215И - 1000 м;

от блока искрозащиты до блока преобразования П-215И - 15 м.

4. Потребляемая мощность при номинальном напряжении питания не более 20 ВА.

5. ТКР-3, предназначенный для коррекции показаний в зависимости от температуры контролируемого раствора, поставляется по отдельному заказу.

6. Колодка для установки перемычек, положение которых определяется в зависимости от диапазона измерений. Номера контактов колодки, соединяемые перемычками указаны в табл. 2.

Таблица 2

Выходной сигнал

постоянного тока

постоянного напряжения

0 ... 5 мА

4 ... 20 мА

0 ... 5 мВ

0 - 100 мВ

Перемычки

-

7 - 8; 8 - 9

5 - 6

-

7. Блок преобразования П-215И и блок искрозащиты должны устанавливаться только вне взрывоопасных помещений. Блок входного усилителя преобразователя П-215И может устанавливаться во взрывоопасных зонах рядом с подключенными к нему серийно выпускаемыми чувствительными элементами, не имеющих собственных индуктивностей, ёмкостей и источников питания.

8. Входной усилитель используется в режиме недифференциального и дифференциального включения.

Применение дифференциальной схемы включения рекомендуется при наличии значительных электрических помех. В этом случае входной усилитель преобразователя П-215И подключается к чувствительному элементу двумя коаксиальными кабелями, центральные жилы которых соединяются с контактами 1 и 2, а оплетки с контактом 3 вилки разъема ВХОД.

При недифференциальном включении входного усилителя между контактами 1 и 3 вилки соединительного устройства необходимо установить перемычку, при этом может быть применен один коаксиальный кабель.



© 2013 Ёшкин Кот :-)