Информационная система
«Ёшкин Кот»

XXXecatmenu

СИСТЕМЫ АВТОМАТИЗАЦИИ ТЕХНОЛОГИЧЕСКИХ
ПРОЦЕССОВ

ОБОЗНАЧЕНИЯ УСЛОВНЫЕ ГРАФИЧЕСКИЕ
МНОГОПОЗИЦИОННЫХ КОММУТАЦИОННЫХ
УСТРОЙСТВ

ТРЕБОВАНИЯ К ВЫПОЛНЕНИЮ

Пособие к PM 4-106-82

РМ 4-231-90

ГОСУДАРСТВЕННЫЙ ПРОЕКТНЫЙ И КОНСТРУКТОРСКИЙ ИНСТИТУТ «ПРОЕКТМОНТАЖАВТОМАТИКА»

1990

СИСТЕМЫ АВТОМАТИЗАЦИИ ТЕХНОЛОГИЧЕСКИХ ПРОЦЕССОВ ОБОЗНАЧЕНИЯ УСЛОВНЫЕ ГРАФИЧЕСКИЕ МНОГОПОЗИЦИОННЫХ КОММУТАЦИОННЫХ УСТРОЙСТВ

ТРЕБОВАНИЯ К ВЫПОЛНЕНИЮ

Пособие к РМ 4-106-82

РМ 4-231-90

Взамен РМ 4-106-77

Приложение 5

Дата введения 01.09.90

Настоящий руководящий технический материал PTM 4-231-90 «Системы автоматизации технологических процессов. Схемы электрические принципиальные. Требования к выполнению. Обозначения условные графические многопозиционных устройств» содержит примеры выполнения условных графических обозначений многопозиционных коммутационных устройств, иллюстрирующие требования ГОСТ 2.755-87.

Приведенные примеры охватывают широкую номенклатуру переключателей, выключателей, наиболее часто применяемых в системах автоматизации технологических процессов.

1. ОБЩИЕ ПОЛОЖЕНИЯ

1.1. Примеры построения графических обозначений многопозиционных коммутационных устройств базируются на требованиях ГОСТ 2.755-87 «Обозначения условные графические в схемах. Устройства коммутационные и контактные соединения».

1.2. Многопозиционные коммутационные устройства на принципиальных электрических схемах проектов автоматизации должны изображаться в соответствии с указаниями, приведенными в табл. 4 ГОСТ 2.755-87.

1.3. В общем случае переключатели со сложной коммутацией, например, многопозиционные с фиксированными положениями и с самовозвратом из отдельных положений следует изображать ниже приведенным способом:

В примере:

вертикальные штриховые линии - положения рукоятки переключателя (пять положений);

цифры 1, 2, 3, 4, 5 над штриховыми линиями - условное цифровое обозначение положений рукоятки переключателя, соответствующее поясняющим надписям, наносимым на изделие, например, «ДИСТ», «МЕСТ», «АВТ». Условное цифровое обозначение положений рукоятки должно иметь соответствующее разъяснение на свободном поле схемы. Вместо условных цифровых обозначений положений рукоятки над штриховыми линиями можно проставлять сами поясняющие надписи «ДИСТ», «МЕСТ», «АВТ», либо положения рукоятки в градусах 0°, +45°, +90°, и т.д., если они вписываются параллельно основной надписи;

цифры над кружочками на сплошных горизонтальных линиях (например) - обозначение выводов контактов переключателя);

утолщенная линия на штриховой линии (положении рукоятки переключателей), где x - функция выключателя - позиция замыкания соответствующих контактов;

обозначение фиксирующего механизма по ГОСТ 2.721-74;

черточки над обозначением фиксирующего механизма на вертикальных штриховых линиях положений переключателя - положения фиксации переключателя.

В приведенном примере показано условное графическое обозначение переключателя, имеющего три фиксированных положения (2, 3, 4) и два нефиксированных (1, 5) с самовозвратом из положения 1 в 2 и из положения 5 в 4.

1.4. Обозначения фиксирующего механизма и положений фиксации переключателей изображаются только в тех случаях, когда переключатели имеют фиксированные и нефиксированные положения.

При построении изображений переключателей, имеющих только фиксированные положения, обозначение фиксирующего механизма и положений фиксации показывать не следует. Например, если бы переключатель, показанный в п. 1.3, имел не три фиксированных положения, а все пять, то его нужно было бы изобразить следующим образом:

1.5. Многопозиционные переключатели, у которых позиция замыкания соответствующего контакта при одних и тех же положениях переключателя меняется в зависимости от перемещения рукоятки переключателя слева направо и справа налево, изображаются следующим образом (на примере условного графического обозначения переключателя ПМО с контактом 93):

Вертикальные и горизонтальные линии, цифры, кружочки и (x) в приведенном условном графическом обозначении переключателя имеют то же назначение, что и в примере п. 1.3.

Перемычка у штриховой линии положения рукоятки переключателя указывает на новую позицию замыкания контактов, которая возникла в результате перемещения рукоятки переключателя влево или вправо от какого-то исходного положения с последующим возвращением ее в это положение.

Перемычка располагается слева или справа от штриховой линии положения переключателя (ближе к ней) в зависимости от направления перемещения его рукоятки (слева - при движении справа налево и справа - при движении слева направо).

В примере: в исходном положении 0° основная утолщенная линия размещена на линии положения рукоятки; в этом положении замкнуты контакты 1 - 3. В положении +45° замыкаются контакты 1 - 4. При возврате рукоятки переключателя в положение 0° контакты 1 - 4 остаются в замкнутом положении (вместо контактов 1 - 3 в исходном положении), на что указывается перемычка, расположенная слева от линии положения рукоятки 0° (движение рукоятки переключателя было справа налево).

Далее при переводе переключателя в положения -45°, -90° и -135° замыкаются соответственно контакты 1 - 3, 1 - 3 и 1 - 2. При последующем обратном переходе в положения -90° и -45° контакты 1 - 2 замыкаются, на что указывают перемычки, расположенные справа от этих положений рукоятки переключателя (движение рукоятки было слева направо). При возвращении переключателя из положения -45° в исходное положение 0° снова замкнутся контакты 1 - 3.

1.6. Расстояние между вертикальными штриховыми линиями положения рукоятки переключателя, а также между горизонтальными сплошными линиями, на которых расположены его выводы контактов, может быть произвольным в зависимости от требований наилучшей компоновки и изображения принципиальной электрической схемы, но не менее 3 мм.

1.7. На свободном поле схемы допускается помещать таблицу замыкания контактов переключателей.

При применении на схемах переключателей с простой коммутацией таблицу замыкания контактов не приводят.

1.8. При использовании таблиц замыкания контактов, приведенных в настоящем материале, следует иметь в виду, что нумерация неподвижных контактов переключателей, указанных в названных таблицах, в конкретных типах переключателей будет сквозной по всем пакетам и начинаться с верхнего контакта первого пакета и продолжаться против хода часовой стрелки.

Например, в переключателе ПМОФ45-Д11, имеющем пакеты 223344, первый пакет с типом контакта 2 имеет нумерацию неподвижных контактов 1, 2, 3, 4, а второй пакет с этим же типом контакта 2 имеет нумерацию неподвижных контактов 5, 6, 7, 8 и т.д.

1.9. В данном материале приведены структура условного обозначения переключателей, а также примеры записи их условного обозначения при заказе и в конструкторской документации. Условное обозначение переключателей, в общем случае, должно состоять из слова «Переключатель», сокращенного обозначения типономинала переключателя, обозначения климатического исполнения и номера технических условий (ГОСТа).

В данном материале согласно ГОСТ 2.755-87 приведены квалифицирующие символы, поясняющие принцип работы коммутационных устройств. Так на приведенных в материале примерах показаны функциональные признаки коммутационных устройств, например:

1) контакт без самовозврата ;

2) контакт с самовозвратом ;

3) контакт переключающий с нейтральным положением с самовозвратом из левого положения и без возврата из правого положения ;

4) контакт выключателя .

2. ПРИМЕРЫ ГРАФИЧЕСКОГО ОБОЗНАЧЕНИЯ МНОГОПОЗИЦИОННЫХ УСТРОЙСТВ

2.1. Переключатели пакетные МК

2.1.1. Структура условного обозначения типоисполнителей переключателей

Пример условного обозначения переключателя:

«Переключатель МКФ-444444/МХП-8сУЗ, ТУ 16-526.127-80»

2.1.2. Схема замыканий контактов различных типов при различном положении рукояток согласно ТУ 16-526.127-80.

Таблица 1

2.1.3. Построение обозначений контактов переключателей, указанных в табл. 1, на принципиальных электрических схемах согласно ГОСТ 2.755-87 показано в табл. 2.

Таблица 2

2.1.4. Пример условного графического обозначения переключателя МКВФ-14666а/МУШ на принципиальных электрических схемах согласно ГОСТ 2.755-87 приведен в табл. 3.

Таблица 3

2.1.5. Пример условного графического обозначения переключателя МКФ-1122/МХП-8С на принципиальных электрических схемах согласно ГОСТ 2.755-87 приведен в табл. 4.

Таблица 4

2.1.6. Пример условного графического обозначения переключателя МКВ-1266а/МУ1 на принципиальных электрических схемах согласно ГОСТ 2.755-87 приведен в табл. 5.

Таблица 5

2.1.7. Пример условного графического обозначения переключателя МКСВФ-Л144/М1 на принципиальных электрических схемах согласно ГОСТ 2.755-87 приведен в табл. 6.

Таблица 6

2.2. Переключатели серии ПМ

2.2.1. Структура условного обозначения типоисполнений переключателей

Пример условного обозначения переключателя:

«Переключатель ПМВ-Д118ТМЗ, ТУ 16-526.456-79»

2.2.2. Схема замыканий контактов различных типов при различном положении рукояток согласно ТУ 16-525.456-79 приведена в табл. 7.

Таблица 7

2.2.3. Построение обозначений контактов переключателей, указанных в табл. 7, на принципиальных электрических схемах согласно ГОСТ 2.755-87 показано в табл. 8.

Таблица 8

2.2.4. Пример условного графического обозначения переключателя ПМФ45-Д78 на принципиальных электрических схемах согласно ГОСТ 2.755-87 приведен в табл. 9.

Таблица 9

2.2.5. Пример условного графического обозначения переключателя ПМВФ-141 на принципиальных электрических схемах согласно ГОСТ 2.755-87 приведен в табл. 10.

Таблица 10

2.2.6. Пример условного графического обозначения переключателя ПМВ-Д115 на принципиальных электрических схемах согласно ГОСТ 2.755-87 приведен в табл. 11.

Таблица 11

2.3. Переключатели серии ПМО

2.3.1. Структура условного обозначения типоисполнений переключателей

Пример условного обозначения переключателя ПМОФ с фиксацией рукоятки через 90°, предназначенного для установки с фасадной стороны панели при заказе:

«Переключатели ПМОФ90-111111/П-Д42УЗ, ТУ 16-526.128-78»

2.3.2. Схемы замыканий контактов различных типов при различном положении рукояток согласно ТУ 16-526.128-78 приведены в табл. 12, 13.

Таблица 12

Таблица 13

2.3.3. Построение обозначений контактов переключателей, указанных в табл. 12, 13 на принципиальных электрических схемах согласно ГОСТ 2.755-87 показано в табл. 14.

Таблица 14

2.3.4. Построение обозначений контактов переключателей, указанных в табл. 13, на принципиальных электрических схемах согласно ГОСТ 2.755-87 показано в табл. 15.

Таблица 15

2.3.5. Пример условного графического обозначения переключателя ПМОФ45-233317/...Д83 на принципиальных электрических схемах согласно ГОСТ 2.755-87 приведен в табл. 16.

Таблица 16

2.3.6. Пример условного графического обозначения переключателя ПМОФ90-111144/...Д43 на принципиальных электрических схемах согласно ГОСТ 2.755-87 приведен в табл. 17.

Таблица 17

2.3.7. Пример условного графического обозначения переключателя ПМОВ-11336363/...Д69 на принципиальных электрических схемах согласно ГОСТ 2.755-87 приведен в табл. 18.

Таблица 18

2.4. Переключатели галетные П2Г-3

2.4.1. Структура условного обозначения переключателя

Пример условного обозначения переключателя всеклиматического исполнения:

«Переключатель П2Г-3 2П4Н В, ЦЭО.360.016ТУ»

для умеренного и холодного климата:

«Переключатель П2Г-3 2П4Н, ЦЭО.360.016ТУ»

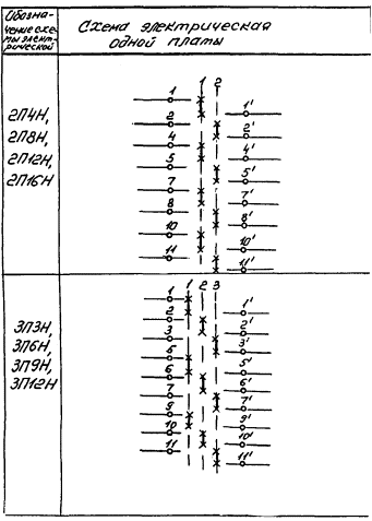
2.4.2. Электрические схемы переключателей согласно ЦЭО.360.016ТУ приведены в табл. 19.

Таблица 19

Примечание: Контактные зачерненные выводы являются не рабочими.

2.4.3. Построение обозначений контактов переключателей, указанных в табл. 19, на принципиальных электрических схемах согласно ГОСТ 2.755-87 показано в табл. 20.

Таблица 20

2.5. Переключатели галетные ПГ43

2.5.1. Структура условного обозначения переключателей

Соответствие обозначений типономиналов и электрических схем переключателей приведено в табл. 21.

Таблица 21

Пример условного обозначения 3-х платного переключателя со сплошной осью на 12 положений 3 направления:

«Переключатель ПГ43-3 В, АГО.360.041ТУ»

2.5.2. Электрические схемы переключателей согласно АГО.360.041ТУ приведены в табл. 22.

Таблица 22

2.5.3. Построение обозначений контактов переключателей, указанных в табл. 22, на принципиальных электрических схемах согласно ГОСТ 2.755-87 показан в табл. 23.

Таблица 23

2.6. Малогабаритные галетные переключатели ПГ2-1 - ПГ2-24

2.6.1. Условное обозначение переключателя

Пример условного обозначения переключателя:

«Переключатель ПГ2-24-2П16Н В Р, ОЮО.360.068ТУ»

2.6.2. Электрические схемы переключателей согласно ОЮО.360.068ТУ приведены в табл. 24.

Таблица 24

2.6.3. Построение обозначений контактов переключателей, указанных в табл. 24, на принципиальных электрических схемах согласно ГОСТ 2.755-87 показано в табл. 25

Таблица 25

2.7. Переключатели и выключатели пакетные ПП, ПВ

2.7.1. Структура условного обозначения переключателя

Пример условного обозначения переключателя

«Переключатель пакетный ПП2-40/Н2УЗ, Ш исполнение, ТУ 16-642.051-86»

2.7.2. Структура условного обозначения выключателя

Пример условного обозначения выключателя

«Выключатель пакетный ПВ1-16МЗ, ТУ 16-642.051-86»

2.7.3. Типы и номера электрических схем пакетных переключателей и выключателей согласно ТУ 16-642.051-86 приведены в табл. 26.

Таблица 26

2.7.4. Электрические схемы пакетных переключателей и выключателей ПП, ПВ согласно ГОСТ 2.755-87 приведены в табл. 27.

Таблица 27

2.8. Тумблер ПТ9, ПТ11, ПТ13

2.8.1. Структура условного обозначения тумблера

Пример условного обозначения тумблера

«Тумблер ПТ9-2В, ОЮО.360.073ТУ»

2.8.2. Электрические схемы тумблеров согласно ОЮО.360.073ТУ приведены в табл. 28.

Таблица 28

2.8.3. Построение обозначений контактов тумблеров, указанных в табл. 28, на принципиальных электрических схемах согласно ГОСТ 2.755-87 показано в табл. 29.

Таблица 29

2.9. Тумблер ПТ19, ПТ21, ПТ23, ПТ25, ПТ27, ПТ29

2.9.1. Структура условного обозначения тумблера

Пример условного обозначения тумблера

«Тумблер ПТ19-1В, ОЮО.360.092ТУ»

2.9.2. Электрические схемы тумблеров согласно ОЮО.360.073ТУ приведены в табл. 30.

Таблица 30

2.9.3. Построение обозначений контактов тумблеров, указанных в табл. 29, на принципиальных электрических схемах согласно ГОСТ 2.755-87 показано в табл. 30.

Таблица 31

Примечание. На примере показано условное графическое обозначение переключателя, имеющего три фиксированных положения (1, 2, 3).

Заместитель директора                                                                    М.А. Чудинов

Начальник отдела 10                                                                        A.M. Гуров

Нормоконтроль                                                                                 Ю.И. Сердобинцев

Ответственный исполнитель                                                           И.Б. Рубштейн

 

СОДЕРЖАНИЕ

 



© 2013 Ёшкин Кот :-)