Информационная система
«Ёшкин Кот»

XXXecatmenu

ФЕДЕРАЛЬНОЕ АГЕНТСТВО
ПО ТЕХНИЧЕСКОМУ РЕГУЛИРОВАНИЮ И МЕТРОЛОГИИ

НАЦИОНАЛЬНЫЙ
СТАНДАРТ
РОССИЙСКОЙ
ФЕДЕРАЦИИ

ГОСТ Р
51318.13-2006

(СИСПР 13:2006)

Совместимость технических средств электромагнитная

РАДИОВЕЩАТЕЛЬНЫЕ И ТЕЛЕВИЗИОННЫЕ
ПРИЕМНИКИ И ДРУГАЯ БЫТОВАЯ
РАДИОЭЛЕКТРОННАЯ АППАРАТУРА.
РАДИОПОМЕХИ ИНДУСТРИАЛЬНЫЕ

Нормы и методы измерений

CISPR 13:2006

Sound and television broadcast receivers and associated
equipment -
Radio disturbance characteristics - Limits and methods of
measurement
(MOD)

 

Москва

Стандартинформ

2007

 

Предисловие

Цели и принципы стандартизации в Российской Федерации установлены Федеральным законом от 27 декабря 2002 г. № 184-ФЗ «О техническом регулировании», а правила применения национальных стандартов Российской Федерации - ГОСТ Р 1.0-2004 «Стандартизация в Российской Федерации. Основные положения»

Сведения о стандарте

1 РАЗРАБОТАН ФГУП «Ленинградский отраслевой научно-исследовательский институт радио» (ЛОНИИР) и Техническим комитетом по стандартизации ТК 30 «Электромагнитная совместимость технических средств» на основе собственного аутентичного перевода стандарта, указанного в пункте 4

2 ВНЕСЕН Техническим комитетом по стандартизации ТК 30 «Электромагнитная совместимость технических средств»

3 УТВЕРЖДЕН И ВВЕДЕН В ДЕЙСТВИЕ Приказом Федерального агентства по техническому регулированию и метрологии от 27 декабря 2006 г. № 463-ст

4 Настоящий стандарт является модифицированным по отношению к международному стандарту СИСПР 13: 2006 «Радиовещательные и телевизионные приемники и связанное с ними оборудование - Характеристики радиопомех - Нормы и методы измерений» (CISPR 13: 2006 «Sound and television broadcast receivers and associated equipment - Radio disturbance characteristics - Limits and methods of measurement»). При этом дополнительные положения и требования, включенные в текст стандарта для учета потребностей национальной экономики Российской Федерации и особенностей российской национальной стандартизации, выделены в тексте стандарта курсивом.

Наименование настоящего стандарта изменено относительно наименования указанного международного стандарта для приведения в соответствие с ГОСТ Р 1.5-2004 (пункт 3.5).

При применении настоящего стандарта рекомендуется использовать вместо ссылочных международных стандартов соответствующие им национальные стандарты Российской Федерации, сведения о которых приведены в дополнительном приложении В

5 ВВЕДЕН ВПЕРВЫЕ

Информация об изменениях к настоящему стандарту публикуется в ежегодно издаваемом информационном указателе «Национальные стандарты», а текст изменений и поправок - в ежемесячно издаваемых информационных указателях «Национальные стандарты». В случае пересмотра (замены) или отмены настоящего стандарта соответствующее уведомление будет опубликовано в ежемесячно издаваемом информационном указателе «Национальные стандарты». Соответствующая информация, уведомления и тексты размещаются также в информационной системе общего пользования - на официальном сайте Федерального агентства по техническому регулированию и метрологии в сети Интернет

Предисловие к СИСПР 13:2006

Международный стандарт СИСПР 13:2006 подготовлен Международным специальным комитетом по радиопомехам (СИСПР) Международной электротехнической комиссии (МЭК), подкомитетом Е «Помехи, относящиеся к радиоприемникам».

Настоящее объединенное издание международного стандарта СИСПР 13 (издание 4.2) включает в себя четвертое издание, опубликованное в 2001 г., Изменение 1 (2003 г.) и Изменение 2 (2006 г.).

Введение к СИСПР 13:2006

Международный специальный комитет по радиопомехам рекомендует, чтобы нормы и методы измерений характеристик радиопомех от радиовещательных и телевизионных приемников, установленные в последнем издании международного стандарта СИСПР 13, включая опубликованные изменения, были использованы без добавлений или изменений на национальном или региональном уровне.

Установленные в СИСПР 13:2006 требования считаются достаточными для достижения адекватных уровней радиопомех, позволяющих обеспечить защиту служб радиовещания и телевидения и функционирование другой аппаратуры должным образом на приемлемых расстояниях.

НАЦИОНАЛЬНЫЙ СТАНДАРТ РОССИЙСКОЙ ФЕДЕРАЦИИ

Совместимость технических средств электромагнитная

РАДИОВЕЩАТЕЛЬНЫЕ И ТЕЛЕВИЗИОННЫЕ ПРИЕМНИКИ
И ДРУГАЯ БЫТОВАЯ РАДИОЭЛЕКТРОННАЯ АППАРАТУРА.
РАДИОПОМЕХИ ИНДУСТРИАЛЬНЫЕ

Нормы и методы измерений

Electromagnetic compatibility of technical equipment.

Sound and television broadcast receivers and associated equipment.

Radio disturbance. Limits and methods of measurement

Дата введения-2007-07-01

1 Область применения и цель

Настоящий стандарт распространяется на радиовещательные и телевизионные приемники и другую бытовую радиоэлектронную аппаратуру, в том числе платы тюнеров для персональных компьютеров (далее - аппаратура), и устанавливает нормы и методы измерений параметров индустриальных радиопомех (ИРП). Область применения стандарта охватывает полосу частот от 9 кГц до 400 ГГц, но нормы ИРП установлены в полосе частот от 150 кГц до 18 ГГц. Измерения на частотах, применительно к которым нормы не установлены, не проводят.

Методы измерений параметров ИРП, создаваемых радиовещательными и телевизионными приемниками цифровых сигналов, - в соответствии с приложением А, параметры сигналов при испытаниях указанных приемников приведены в приложении Б.

Настоящий стандарт не распространяется на оборудование информационных технологий, даже если оно предназначено для подключения к телевизионному приемнику.

Требования к оборудованию распределительных сетей приемных систем телевидения и радиовещания установлены в ГОСТ Р 51513.

Нормы ИРП на порте связи радиовещательных приемников, предназначенном для подсоединения к сети связи, и методы испытаний установлены в ГОСТ Р 51318.22. При этом измерения на порте связи проводят при блокировании на время измерений функций приема вещательного сигнала, не зависящих от функции связи.

Положения, касающиеся многофункциональной аппаратуры, которая должна одновременно соответствовать требованиям различных разделов настоящего стандарта и (или) других стандартов, устанавливающих нормы ИРП, приведены в 4.1.

2 Нормативные ссылки

В настоящем стандарте использованы нормативные ссылки на следующие стандарты:

ГОСТ Р 51318.11-2006 (СИСПР 11:2004) Совместимость технических средств электромагнитная. Промышленные, научные, медицинские и бытовые (ПНМБ) высокочастотные устройства. Радиопомехи индустриальные. Нормы и методы измерений

ГОСТ Р 51318.22-2006 (СИСПР 22:2006) Совместимость технических средств электромагнитная. Оборудование информационных технологий. Радиопомехи индустриальные. Нормы и методы измерений

ГОСТ Р 51319-99 Совместимость технических средств электромагнитная. Приборы для измерения индустриальных радиопомех. Технические требования и методы испытаний

ГОСТ Р 51320-99 Совместимость технических средств электромагнитная. Радиопомехи индустриальные. Методы испытаний технических средств - источников индустриальных радиопомех

ГОСТ Р 51513-99 Совместимость технических средств электромагнитная. Оборудование распределительных сетей приемных систем телевидения и радиовещания. Нормы электромагнитных помех, требования помехоустойчивости и методы испытаний

ГОСТ 9021-88 Телевизоры. Методы измерения параметров

ГОСТ 14777-76 Радиопомехи индустриальные. Термины и определения

ГОСТ 21879-88 Телевидение вещательное. Термины и определения

ГОСТ 27418-87 Аппаратура радиоэлектронная бытовая. Термины и определения

ГОСТ 30372-95/ГОСТ Р 50397-92 Совместимость технических средств электромагнитная. Термины и определения

Примечание - При пользовании настоящим стандартом целесообразно проверить действие ссылочных стандартов в информационной системе общего пользования - на официальном сайте Федерального агентства по техническому регулированию и метрологии в сети Интернет или по ежегодно издаваемому информационному указателю «Национальные стандарты», который опубликован по состоянию на 1 января текущего года, и по соответствующим ежемесячно издаваемым информационным указателям, опубликованным в текущем году. Если ссылочный стандарт заменен (изменен), то при пользовании настоящим стандартом следует руководствоваться замененным (измененным) стандартом. Если ссылочный стандарт отменен без замены, то положение, в котором дана ссылка на него, применяется в части, не затрагивающей эту ссылку.

3 Термины, определения и сокращения

3.1 Термины и определения

В настоящем стандарте применены термины по ГОСТ 14777, ГОСТ 21879, ГОСТ 27418, ГОСТ 30372, [1], [2], а также следующие термины с соответствующими определениями:

3.1.1 радиовещательные приемники, РП: Устройства, предназначенные для приема аналоговых или цифровых сигналов, создаваемых службами звукового радиовещания и аналогичными службами при их наземной, кабельной или спутниковой передаче.

3.1.2 телевизионные приемники, ТВ: Устройства, предназначенные для приема аналоговых или цифровых сигналов, создаваемых службами телевизионного вещания и аналогичными службами при их наземной, кабельной или спутниковой передаче.

3.1.3 аппаратура, функционально связанная с РП и ТВ: Бытовая радиоэлектронная аппаратура, предназначенная для непосредственного подключения к РП и ТВ, а также непосредственно для генерирования, записи, усиления или воспроизведения звуковой или визуальной информации (например усилители сигналов звуковой частоты, активные акустические системы, электрофоны и т.п.).

Примечания

1 Тюнеры могут быть оборудованы блоком приема сигнала спутникового вещания, а также демодуляторами, декодерами, демультиплексорами, цифроаналоговыми преобразователями, кодерами (например кодерами систем NTSC, PAL или SECAM) и т.д.

2 Конвертеры могут быть оборудованы блоком приема сигнала спутникового вещания и устройствами, переносящими спектр сигнала в другие частотные полосы.

3 Приемники, тюнеры или конвертеры могут быть перестраиваемыми или работать только на фиксированной частоте.

3.1.4 платы тюнера для ПК: Платы тюнера для приема сигналов радиовещательных и телевизионных передач, либо вставляемые в персональный компьютер, либо встроенные в него.

3.1.5 наружный блок систем непосредственного приема спутникового сигнала отдельным абонентом: Блок, состоящий из антенны, согласующего устройства (подводящего фидера) и малошумящего усилителя с соответствующим конвертером. Усилитель промежуточной частоты и демодулятор в указанный блок не включают.

3.1.6 многофункциональная аппаратура: Аппаратура, обеспечивающая выполнение двух функций или более в одном и том же блоке, например телевизионный прием, радиоприем, цифровые часы, магнитофон или проигрыватель и т.п.

3.2 Сокращения

В настоящем стандарте использованы следующие сокращения:

AM - амплитудная модуляция;

БРЭА - бытовая радиоэлектронная аппаратура;

ВЧ - высокая частота;

ДВ, СВ, KB - длинные, средние, короткие волны;

ПК - персональный компьютер;

РП - радиовещательный приемник;

ТВ - телевизионный приемник;

ИРП - индустриальные радиопомехи;

ЧМ - частотная модуляция;

МСЭ-Р - Международный союз электросвязи (сектор стандартизации в области радиосвязи);

МЭК - Международная электротехническая комиссия.

4 Нормы ИРП

4.1 Общие положения

Уровень ИРП, измеренный методами, приведенными в разделе 5, не должен превышать норм, указанных в 4.2 - 4.7. На частотах, разделяющих соседние полосы, нормой является меньшее из допускаемых значений. Для серийно выпускаемой аппаратуры необходимо, чтобы с доверительной вероятностью 0,8 установленным нормам соответствовало не менее 80 % продукции (см. раздел 6).

Многофункциональную аппаратуру, которая должна соответствовать требованиям различных разделов настоящего стандарта и (или) других стандартов, устанавливающих нормы ИРП, испытывают при выполнении каждой функции аппаратуры в отдельности, если это возможно обеспечить без модификации аппаратуры. Испытанную аппаратуру считают соответствующей требованиям настоящего стандарта, если при выполнении каждой функции она соответствует требованиям, установленным в настоящем стандарте и (или) других стандартах, устанавливающих нормы ИРП.

Многофункциональную аппаратуру, которую невозможно испытать при выполнении каждой функции в отдельности, или в случае, если выполнение отдельной функции может привести к невозможности выполнения основной функции, считают выдержавшей испытания, если она при задействованных необходимых функциях соответствует требованиям, установленным в настоящем стандарте и (или) других стандартах, устанавливающих нормы ИРП.

4.2 Напряжение ИРП на сетевых зажимах

Измерения напряжения ИРП на сетевых зажимах аппаратуры проводят в соответствии с 5.3 (см. таблицу 1).

Таблица 1 - Нормы напряжения радиопомех на сетевых зажимах аппаратуры

Тип аппаратуры

Полоса частот, МГц

Норма, дБ (мкВ)

Квазипиковое значение

Среднее значение

РП, ТВ и аппаратура, функционально связанная с РП и ТВ

0,15 - 0,5

66 - 561)

56 - 461)

0,5 - 5

56

46

5 - 30

60

50

1) Значение нормы линейно уменьшается с увеличением логарифма частоты.

В полосе частот от 0,15 до 0,5 МГц допускаемые значения напряжения радиопомех U в децибелах относительно 1 мкВ на частоте измерения вычисляют по формулам:

- для квазипикового значения

U = 66 - 19,1lg(f/0,15),                                      (1)

- для среднего значения

U = 56 - 19,1lg(f/0,15).                                               (2)

Примечания

1 Если при использовании измерителя ИРП с квазипиковым детектором выполняется норма для средних значений, то испытуемое ИТС следует считать соответствующим обеим нормам. В этом случае средние значения не измеряют.

2 Для аппаратуры с коаксиальным антенным разъемом выбирают большее из измеренных значений - при измерении с заземлением корпуса антенного разъема и без него.

3 Уровень напряжения ИРП на сетевых зажимах телевизионных приемников с телетекстом измеряют в режиме телетекста с телетекст-изображением.

4.3 Напряжение ИРП на антенных входах

Измерения напряжения ИРП на антенных входах аппаратуры проводит в соответствии с 5.4.

Значение нормы Lz, дБ (мкВ), для приемников с номинальным входным сопротивлением Z, отличным от 75 Ом, вычисляют по формуле

LZ = L75 + 10 lg(Z/75),                                                      (3)

где L75 - значение нормы при номинальном входном сопротивлении приемника 75 Ом (см. таблицу 2).

Таблица 2 - Нормы напряжения ИРП на антенных входах аппаратуры

Тип аппаратуры

Источник ИРП

Полоса частот, МГц

Норма L75, дБ (мкВ), квазипиковое значение1)

ТВ, видеомагнитофоны и платы тюнеров для ПК, работающие в полосе частот 30 МГц - 1 ГГц

Гетеродин, модулятор видеомагнитофона

≤ 1000

Основная частота 46

30 - 950

Гармоники 46

950 - 2150

Гармоники 54

Другие источники

30 - 2150

46

Тюнеры2) и телевизионные приемники для приема сигналов спутникового вещания

Гетеродин

950 - 2150

Основная частота 54

950 - 2150

Гармоники 46

Другие источники

30 - 2150

46

ЧМ радиовещательные приемники и платы тюнеров для ПК

Гетеродин

≤ 1000

Основная частота 54 (60)3)

30 - 300

Гармоники 50

300 - 1000

Гармоники 52

Другие источники

30 - 1000

46

ЧМ радиовещательные приемники автомобильные

Гетеродин

≤ 1000

Основная частота 66 (60)3)

30 - 300

Гармоники 59 (50)3)

300 - 1000

52

Другие источники

30 - 1000

46

Аппаратура, функционально связанная с РП и ТВ, имеющая ВЧ-вход, например видеопроигрыватели с магнитной ленты, лазерные видеопроигрыватели

Другие источники

30 - 2150

46

1) На частотах свыше 1 ГГц используется детектор пиковых значений.

2) Под антенным входом тюнеров и приемников спутникового вещания понимается вход по первой промежуточной частоте.

3) Для радиовещательных приемников, работающих в полосе частот от 65,8 до 74 МГц.

Примечание - Для ДВ, СВ и KB AM радиовещательных приемников нормы и методы измерений устанавливают в соответствии с [1].

4.4 Напряжение полезного сигнала и радиопомех на ВЧ-выходе аппаратуры со встроенным или подключаемым ВЧ-видеомодулятором

Измерение напряжения полезного сигнала и радиопомех на ВЧ-выходе аппаратуры со встроенным или подключаемым ВЧ-видеомодулятором (например видеомагнитофоны и декодеры) проводят в соответствии с 5.5. При номинальном сопротивлении ВЧ-выхода, отличном от 75 Ом, норму вычисляют по формуле (3) (см. таблицу 3).

Таблица 3 - Нормы напряжения полезного сигнала и радиопомех на ВЧ-выходе аппаратуры с ВЧ-видеомодулятором

Тип аппаратуры

Источник ИРП

Полоса частот, МГц

Норма L75, дБ (мкВ), квазипиковое значение1)

Аппаратура с ВЧ-видеомодулятором (например видеомагнитофоны, видеокамеры и декодеры)

Полезный сигнал

 

Частоты несущей и боковые полосы 76

30 - 950

Гармоники 46

950 - 2150

Гармоники 54

Другие источники

30 - 2150

46

1) На частотах свыше 1 ГГц используют детектор пиковых значений.

4.5 Мощность ИРП в сетевом шнуре и других подключаемых проводах

Измерение мощности ИРП в сетевом шнуре аппаратуры и других подключаемых проводах проводят в соответствии с 5.6 (см. таблицу 4).

Таблица 4 - Нормы мощности ИРП

Тип аппаратуры

Полоса частот, МГц

Норма, дБ (пВт)

квазипиковое значение

среднее значение

Аппаратура, функционально связанная с РП и ТВ (кроме видеомагнитофонов)

30 - 300

45 - 551)

35 - 451)

300 - 1000

55

-

1) Значение нормы линейно возрастает с увеличением частоты.

В полосе частот от 30 до 300 МГц допускаемое значение мощности радиопомех Р в децибелах относительно 1 пВт на частоте измерения вычисляют по формулам:

- для квазипикового значения

Р = 43,9 + f/27,                                                           (4)

- для среднего значения

P = 33,9 + f/27.                                                           (5)

Примечание - Если при использовании измерителя ИРП с квазипиковым детектором выполняется норма для средних значений, то испытуемое ИТС следует считать соответствующим обеим нормам. В этом случае средние значения не измеряют.

4.6 Напряженность поля излучаемых ИРП

Измерение напряженности поля излучаемых ИРП, создаваемых гетеродином ИТС на его основной частоте и гармониках, и всеми другими источниками, проводят в соответствии с 5.7 (см. таблицу 5).

Таблица 5 - Нормы напряженности поля излучаемых ИРП для измерительного расстояния 3 м

Тип аппаратуры

Источник ИРП

Полоса частот, МГц

Норма, дБ (мкВ/м), квазипиковое значение

Телевизионные приемники, видеомагнитофоны и платы тюнеров для ПК

Гетеродин, модулятор видеомагнитофона

≤ 1000

Основная частота 571)

30 - 300

Гармоники 52

300 - 1000

Гармоники 56

Другие источники

30 - 230

40

230 - 1000

47

Радиовещательные и телевизионные приемники для сигналов спутникового вещания (исключая наружные блоки), устройства дистанционного управления БРЭА и системы головных телефонов инфракрасного излучения

Другие источники

30 - 230

40

230 - 1000

47

ЧМ радиовещательные приемники и платы тюнеров для ПК

Гетеродин

≤ 1000

Основная частота 60 (43,52))

30 - 300

Гармоники 52 (43,52))

300 - 1000

Гармоники 56 (43,52))

Другие источники

30 - 230

40

230 - 1000

47

1) В Японии значение нормы для рабочих каналов в полосе частот 30 - 300 МГц уменьшено до 66 дБ (мкВ/м), а в полосе частот свыше 300 МГц - до 70 дБ (мкВ/м).

2) Для радиовещательных приемников, работающих в полосе частот от 65,8 до 74 МГц.

Примечание - Для автомобильных ЧМ радиовещательных приемников нормы на излучаемые ИРП не устанавливают. Для ДВ, СВ и KB AMрадиовещательных приемников нормы и методы измерений устанавливают в соответствии с [1].

4.7 Мощность излучаемых ИРП

Измерение мощности излучаемых ИРП, создаваемых гетеродином на его основной частоте и гармониках, и всеми другими источниками, проводят в соответствии с 5.8 (см. таблицы 6 и 7).

Таблица 6 - Нормы мощности излучаемых ИРП, создаваемых блоками тюнеров для непосредственного приема спутникового сигнала отдельным абонентом

Тип аппаратуры

Источник ИРП

Полоса частот, ГГц

Норма, дБ (пВт)

РП и ТВ для сигналов спутникового вещания: блоки тюнеров

Гетеродин

1 - 3

Основная частота 57

1 - 3

Гармоники 57

Таблица 7 - Нормы мощности излучаемых ИРП, создаваемых наружными блоками для непосредственного приема спутникового сигнала отдельным абонентом

Тип аппаратуры

Источник ИРП

Полоса частот, ГГц

Норма, дБ (пВт)

Наружные блоки для непосредственного приема спутникового сигнала отдельным абонентом

Эмиссия гетеродина через антенну внутри телесного угла ± 7° от оси основного лепестка1)

0,9 - 18

Основная частота 30

Эквивалентная излучаемая мощность от наружного блока, включая эмиссию гетеродина2)

1 - 2,5

43

2,5 - 18

57

1) Прямое измерение выполняют в соответствии с 5.9. Если отражатель параболической антенны снять невозможно, то выполняют косвенное измерение в соответствии с 5.8. В этом случае необходимо учитывать коэффициент усиления антенны.

2) Измерения эквивалентной излучаемой мощности проводят в соответствии с 5.8. Требования относительно излучаемой мощности вне телесного угла ± 7° от оси основного лепестка антенны не устанавливают.

5 Методы измерений

5.1 Общие положения

При испытаниях на соответствие требованиям настоящего стандарта используют методы измерений в соответствии с [3]1) и измерительную аппаратуру в соответствии с [4]2). Допускаются отклонения от требований настоящего стандарта, например, применение других, широкополосных антенн, или изменение размеров экранированной камеры при условии, что результаты измерений сопоставимы с результатами, полученными при выполнении требований настоящего стандарта, а все отклонения зафиксированы в протоколе испытаний.

1) Национальные стандарты на основе применения публикации СИСПР 16-2 [3] находятся на разработке. До введения указанных национальных стандартов в действие допускается при установлении методов измерений применять ГОСТ Р 51320.

2) Национальные стандарты на основе применения публикации СИСПР 16-1 [4] находятся на разработке. До введения указанных национальных стандартов в действие допускается при установлении требований к измерительной аппаратуре применять ГОСТ Р 51319.

В спорном случае преимущество отдают методу, изложенному в настоящем стандарте.

5.2 Испытательные сигналы

В соответствии с [5] испытательным сигналом для телевизионных приемников и для другой аппаратуры с входом/выходом видеосигнала и/или ВЧ-модулятором является телевизионный сигнал цветных полос номенклатуры 100/0/75/0 (см. ГОСТ 9021), характеристики которого приведены на рисунке 1. Модуляция ВЧ несущих аудио- и видеосигналов должна соответствовать модуляции, применяемой в системе, для которой предназначена данная аппаратура.

Испытательный сигнал для телевизионных приемников представляет собой несущую изображения, модулированную полным видеосигналом, включая сигнал цветовой синхронизации, и немодулированную несущую звука соответствующей амплитуды и частоты (ГОСТ 9021).

Изображение телетекста предпочтительно иметь таким, как оно показано на рисунке 2, т.е. состоящим из рядов цифр, полностью заполняющих экран. Если такого изображения нет, измерения проводят с основной индексной страницей национальной вещательной службы телетекста. В этом случае вид используемого изображения должен быть приведен в протоколе испытаний вместе с результатами измерений.

Примечание - В странах, использующих неалфавитные системы, может быть использовано тест-изображение национальной вещательной службы телетекста.

Стандартными испытательными сигналами для радиоприемников являются:

а) в диапазонах УКВ-I- и УКВ-II - ВЧ сигнал, модулированный по частоте гармоническим сигналом частотой 1 кГц, с девиацией 37,5 кГц;

б) в диапазонах ДВ/СВ/КВ - ВЧ сигнал, модулированный по амплитуде сигналом частотой 1 кГц, с глубиной модуляции 50 %.

Стандартные испытательные сигналы для аппаратуры, функционально связанной с РП и ТВ:

а) синусоидальный сигнал частотой 1 кГц:

- для усилителей звуковой частоты,

- для головных телефонов инфракрасного излучения;

б) аудиосигнал частотой 1 кГц, записанный на магнитную ленту или диск; стандартный уровень звука определяется производителем испытуемой аппаратуры:

для аудиоаппаратуры (например, магнитофонов, электропроигрывателей, проигрывателей компакт-дисков);

в) стандартный телевизионный сигнал цветных полос с аудиосигналом 1 кГц, записанный на магнитную ленту или диск со стандартным уровнем звука, определяемым производителем испытуемой аппаратуры:

для видеоаппаратуры (например, видеомагнитофонов, видеокамер, лазерных видеопроигрывателей);

г) сигнал, получаемый при нажатии на клавишу верхней ноты «до» (синусоидальное колебание с частотой приблизительно 523 Гц):

для электронных органов;

д) сигнал, возникающий при постоянном осуществлении типичной функции управления: для устройств дистанционного управления БРЭА.

На аппаратуру, испытательные сигналы для которой в настоящем стандарте не указаны (например, для вещательных приемников цифровых сигналов, декодеров и т.п.), во время испытаний должны подаваться номинальные сигналы, определяемые производителем. В своем техническом отчете производитель должен указать, какой входной сигнал подавался во время испытаний.

Устройства дистанционного управления БРЭА считают частью основного устройства и испытывают вместе с ним. Устройства дистанционного управления, функционирующие отдельно от основной аппаратуры, испытывают только на излучаемые радиопомехи в соответствии с таблицей 5.

При испытании ТВ и видеомагнитофонов радиопомехи измеряют в режиме приема радиосигналов телевизионного вещания на 1 - 12, 25 и 55 каналах.

При испытании РП радиопомехи измеряют в режиме приема радиосигналов на границах поддиапазонов приемника или вблизи их, а также на одной или нескольких частотах в середине поддиапазонов.

5.3 Измерение напряжения ИРП на сетевых зажимах аппаратуры в полосе частот от 150 кГц до 30 МГц

5.3.1 Общие положения

Измеряемые ИРП могут быть узкополосными (радиопомехи от цепей временной развертки и цепей видеосигнала) и широкополосными (например радиопомехи, создаваемые полупроводниковыми выпрямителями).

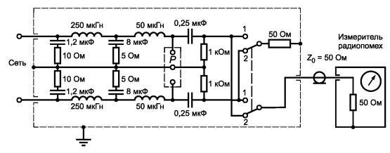
Для обеспечения необходимого полного сопротивления на высоких частотах между сетевыми зажимами испытуемой аппаратуры и эталонной землей, а также развязки испытуемой аппаратуры от посторонних ВЧ напряжений, которые могут присутствовать в сети питания, должен использоваться V-образный эквивалент сети, схема которого приведена на рисунках 3 и 4.

Измерение напряжения ИРП проводят в экранированной камере, аппаратуру в которой располагают в соответствии с рисунками 5 и 6.

Примечание - Напольную аппаратуру размещают непосредственно на полу. Если корпус испытуемой аппаратуры изготовлен из проводящего материала и не обеспечен изолирующими ножками или колесами, точки контактов должны быть изолированы от металлической пластины заземления с помощью изоляционного материала толщиной не менее 12 мм.

5.3.2 Приемники телевизионного вещания

Испытательный телевизионный радиосигнал, соответствующий требованиям, установленным в 5.2, подают на телевизионный приемник от излучающей антенны; к приемнику подсоединяют приемную антенну в соответствии с рисунками 5 и 6. Если приемник снабжен встроенной антенной, то используют встроенную антенну (внешнюю приемную антенну не подключают).

При испытаниях монитора генератор испытательного видеосигнала, соответствующего требованиям 5.2, подсоединяют к видеовходу монитора через развязывающий трансформатор.

Примечание - В полосе частот от 0,15 до 30 МГц развязка может обеспечиваться развязывающим трансформатором с общим несимметричным сопротивлением относительно земли 75 Ом. В ином случае видеосигнал может подаваться последовательно через тороидальные ВЧ дроссели (один в каждом проводнике) с индуктивностью 60 мкГн, подсоединенные к видеовходу с помощью очень коротких проводов.

Амплитуда испытательного сигнала должна быть достаточной для получения свободного от шумов изображения.

Органы управления контрастностью, яркостью и цветовой насыщенностью испытуемой аппаратуры устанавливают в положение, позволяющее получить нормированное изображение, при котором яркость должна быть:

2 кд/м2 - для черного участка испытательного изображения;

30 кд/м2 - для пурпурного участка испытательного изображения;

80 кд/м2 - для белого участка испытательного изображения.

Примечание - Если не удается достичь уровня яркости пурпурного участка 30 кд/м2, яркость устанавливают максимально возможной; установленный уровень указывают в протоколе испытаний.

ТВ приемники с телетекстом испытывают в режиме телетекста с телетекстовым изображением.

5.3.3 Радиовещательные приемники

Испытательные сигналы для радиовещательных приемников должны соответствовать требованиям 5.2.

Для AM радиовещательных приемников, имеющих ферритовые или штыревые антенны, в качестве излучающей антенны (см. рисунки 5 и 6) применяют излучающую рамочную или штыревую антенну.

Уровень громкости испытуемого приемника устанавливают так, чтобы мощность выходного сигнала составляла 1/8 номинальной выходной мощности. Другие органы управления должны находиться в средних или нейтральных положениях. К выходным зажимам подключают эквиваленты нагрузок с сопротивлениями, равными номинальным сопротивлениям нагрузок.

Если номинальное сопротивление нагрузки имеет некоторый диапазон значений, используют значение номинальной нагрузки, при котором испытуемая аппаратура обеспечивает максимальную мощность.

АМ/ЧМ звуковые приемники испытывают в режиме ЧМ.

5.3.4 Аппаратура, функционально связанная с РП и ТВ

Испытательные сигналы для аппаратуры, функционально связанной с РП и ТВ, должны соответствовать требованиям, установленным в 5.2.

Аппаратура, функционально связанная с РП и ТВ, имеющая ВЧ-вход, может испытываться как РП или ТВ соответственно.

Модульные блоки, которые выполняют часть функций, присущих только РП или ТВ (например, тюнеры, конвертеры, ВЧ усилители, ВЧ эквалайзеры, мониторы и т.п.), испытывают аналогично РП или ТВ.

Устройства дистанционного управления приемников и аппаратуры, функционально связанной с РП и ТВ, рассматривают как часть основного устройства.

5.3.5 Усилители сигналов звуковой частоты

Генератор сигналов звуковой частоты подключают к входу испытуемой аппаратуры через развязывающий трансформатор.

Примечание - В полосе частот от 0,15 до 30 МГц развязка может быть обеспечена развязывающим трансформатором с общим несимметричным сопротивлением относительно земли не менее 500 Ом. В ином случае аудиосигнал может подаваться последовательно через тороидальные ВЧ дроссели с индуктивностью 60 мкГн (по одному в каждом проводнике), подсоединенные к входному разъему с помощью очень коротких проводов.

Выход усилителя нагружают на эквивалент нагрузки с сопротивлением, равным номинальному сопротивлению нагрузки.

Если номинальное сопротивление нагрузки имеет некоторый диапазон значений, используют то значение номинальной нагрузки, при котором испытуемое устройство обеспечивает максимальную мощность.

Уровень громкости испытуемого усилителя устанавливают так, чтобы мощность выходного сигнала составляла 1/8 номинальной выходной мощности на каждом выходе. Другие органы управления усилителя должны находиться в средних или нейтральных положениях.

5.3.6 Измерение напряжения ИРП на сетевых зажимах аппаратуры

Измерения проводят измерителем радиопомех, имеющим квазипиковый детектор для широкополосных измерений и детектор средних значений для узкополосных измерений в соответствии с [4].

Расположение испытуемой аппаратуры и эквивалента сети приведено на рисунках 5 и 6. Эквивалент сети должен соответствовать требованиям 5.3.1.

Испытуемую аппаратуру подключают к эквиваленту сети штатным сетевым шнуром (далее - шнур). Шнур прокладывают по полу кратчайшим путем. Если длина шнура превышает 0,8 м (т.е. расстояние между испытуемым устройством и эквивалентом сети), его сворачивают плоскими петлями длиной 0,3 - 0,4 м).

Заземление испытуемой аппаратуры (если для нее предусмотрено защитное заземление) осуществляют через зажим заземления эквивалента сети с помощью провода возможной минимальной длины. Если шнур имеет провод для заземления, то используют этот провод.

Если испытуемая аппаратура имеет коаксиальный ВЧ входной разъем, то измерения проводят как с подсоединением, так и без подсоединения экрана коаксиального кабеля к зажиму заземления эквивалента сети. При проведении указанных испытаний дополнительное заземление испытуемой аппаратуры не требуется.

Если испытуемая аппаратура не имеет ВЧ входного коаксиального разъема и у нее есть зажим заземления, измерения проводят при заземлении этого зажима.

5.4 Измерение напряжения ИРП на антенном входе РП и аппаратуры, функционально связанной с РП и ТВ, имеющей ВЧ-вход, в полосе частот от 30 МГц до 2,15 ГГц

5.4.1 Общие положения

При измерении напряжения ИРП на антенных входах для подачи на вход приемника или аппаратуры, функционально связанной с РП и ТВ, радиосигнала на частоте настройки используют генератор испытательных сигналов, соответствующий требованиям, установленным в 5.2.

Выходной уровень генератора испытательных сигналов устанавливают так, чтобы получить на антенном входе напряжение 60 дБ (мкВ) для ЧМ приемников и 70 дБ (мкВ) - для телевизионных приемников при входном сопротивлении, равном 75 Ом.

Испытательным сигналом для ЧМ приемников является немодулированная несущая.

5.4.2 Измерение напряжения ИРП от аппаратуры, функционально связанной с РП и ТВ, имеющей коаксиальные антенные разъемы

Испытуемое устройство и измерительную аппаратуру устанавливают на столе из изоляционного материала высотой 0,8 м. Расстояние от испытуемой аппаратуры до стен и любых металлических предметов должно быть не менее 0,8 м.

Испытуемую аппаратуру и генератор испытательных сигналов подключают к измерителю радиопомехе помощью коаксиальных кабелей и разветвителя с ослаблением не менее 6 дБ, выполненного на резистивных элементах (см. рисунок 7).

Если входное сопротивление измерительной схемы со стороны испытуемой аппаратуры не равно номинальному входному сопротивлению антенны, на которую рассчитана испытуемая аппаратура, или если выходное сопротивление генератора испытательных сигналов или входные сопротивления измерителя радиопомех и разветвителя отличаются от требуемых, в коаксиальный тракт включают дополнительные согласующие аттенюаторы с ослаблением не менее 6 дБ.

Испытуемую аппаратуру настраивают на частоту полезного сигнала.

Плавно перестраивая, измеритель радиопомех настраивают на частоту измерений и фиксируют показание измерителя.

Напряжение ИРП на входе испытуемой аппаратуры на данной частоте измерений определяют как сумму показания измерителя радиопомех и значения затухания между антенным входом испытуемой аппаратуры и входом измерителя радиопомех.

Примечания

1 Для подавления высокочастотного тока, протекающего от шасси приемника по наружной поверхности экранирующей оболочки коаксиального кабеля и влияющего на результаты измерений, рекомендуется использовать, например, ферритовые трубки.

2 Следует помнить о возможной перегрузке входного каскада измерителя радиопомех выходным сигналом генератора испытательных сигналов.

5.4.3 Измерение напряжения ИРП от аппаратуры, функционально связанной с РП и ТВ, имеющей симметричные антенные разъемы

Метод измерения напряжения ИРП, создаваемых аппаратурой, функционально связанной с РП и ТВ, имеющей симметричные антенные разъемы, аналогичен методу, установленному в 5.4.2. Схема измерения представлена на рисунке 8.

Если для согласования испытуемой аппаратуры и симметрирующего трансформатора и ослабления асимметричных токов между испытуемой аппаратурой и измерителем радиопомех необходимо подключение согласующего устройства, то его подключают с помощью симметричного неэкранированного фидера на расстоянии 0,5 м от испытуемой аппаратуры. Наличие асимметричных токов определяют переключением контактов симметричного фидера на антенном разъеме испытуемой аппаратуры. Для подавления асимметричных токов используют ферритовые трубки или заграждающие фильтры.

Примечание - Характеристики согласующих устройств и симметрирующего трансформатора не приведены, так как при различном исполнении этих устройств их характеристики могут быть разными. Например, передающая линия может быть намотана на магнитный сердечник или ферритовые кольца.

5.4.4 Представление результатов

Результаты измерений представляют в протоколе в виде значений напряжения ИРП, выраженных в децибелах относительно 1 мкВ. Там же указывают входное сопротивление испытуемого приемника или аппаратуры, функционально связанной с РП и ТВ.

5.5 Измерение напряжения полезного сигнала и радиопомех на ВЧ-выходе аппаратуры, функционально связанной с РП и ТВ, имеющей ВЧ-видеомодулятор, в полосе частот от 30 МГц до 2,15 ГГц

5.5.1 Введение

Если аппаратура, функционально связанная с РП и ТВ, с ВЧ-выходом (например, видеомагнитофоны, видеокамеры, декодеры), предназначена для подключения к антенному входу телевизионного приемника, то должны быть проведены измерения напряжения на их ВЧ - выходах, так как возможно излучение слишком высокого уровня выходного ВЧ - сигнала или его гармоник, приводящее к появлению радиопомех соседним приемникам.

5.5.2 Метод измерения

ВЧ-выход испытуемой аппаратуры подсоединяют к входу измерителя радиопомех или анализатора спектра с помощью коаксиального кабеля и, при необходимости, согласующего аттенюатора в соответствии с рисунком 9. Сопротивление коаксиального кабеля должно быть равно номинальному выходному сопротивлению испытуемой аппаратуры.

На ВЧ-выходе испытуемой аппаратуры должна воспроизводиться несущая, модулированная видеосигналом вертикальных цветных полос (см. рисунок 1).

Измеритель радиопомех или анализатор спектра настраивают на частоту измерения и фиксируют показание измерительного прибора.

Значение напряжения на ВЧ-выходе испытуемой аппаратуры определяют как сумму максимального показания измерителя радиопомех и значения затухания, вносимого согласующим аттенюатором на частоте измерения.

Измеренное значение выражают в децибелах относительно 1 мкВ.

5.6 Измерение мощности ИРП, создаваемых аппаратурой, функционально связанной с РП и ТВ (за исключением видеомагнитофонов), в полосе частот от 30 МГц до 1 ГГц

5.6.1 Общие положения

ИРП на частотах свыше 30 МГц воздействуют на радиоприемные устройства за счет излучений, создаваемых техническими средствами. Радиопомехи излучаются, главным образом, участками шнура и другими подключенными к аппаратуре проводниками. Поэтому мощность ИРП, излучаемых аппаратурой, определяют как мощность, которую она могла бы передать в сетевой шнур и другие подсоединенные проводники.

Эта мощность приблизительно равна мощности, передаваемой аппаратурой в поглощающие клещи, размещенные на этих проводниках в том месте, где поглощаемая клещами мощность имеет максимальное значение.

5.6.2 Применение метода измерения

Настоящий метод применяют для измерения мощности ИРП, создаваемых аппаратурой в полосе частот от 30 МГц до 1 ГГц.

Параметры испытательного сигнала и режимы работы испытуемой аппаратуры приведены в 5.2. Метод измерения, характеристики измерителя радиопомех и поглощающих клещей должны соответствовать установленным в [3], [4].

5.6.3 Метод измерения

Испытуемую аппаратуру размещают на высоте 0,8 м относительно пола на столе из изоляционного материала на расстоянии не менее 0,8 м от других металлических предметов.

Расстояние от испытуемой аппаратуры до операторов должно быть не менее 0,8 м. Провод, в котором выполняют измерения мощности ИРП, должен быть вытянут в прямую горизонтальную линию на длину, достаточную для размещения поглощающих клещей и обеспечения возможности их перемещения вдоль провода для настройки на максимальное показание. Провод укладывают в поглощающие клещи, направленные трансформатором тока к испытуемому устройству (см. рисунок 10).

Кроме того, любой провод, на котором проводят измерения, должен быть либо отсоединен (если механически и функционально это возможно), либо на него должны быть надеты ферритовые кольца с тем, чтобы ослабить влияние ВЧ-токов на результаты измерений. Такой провод располагают перпендикулярно к проводу, в котором проводят измерения.

Все неиспользуемые разъемы испытуемой аппаратуры должны быть не нагружены. Все входы и выходы, имеющие подключенные провода, должны быть нагружены на соответствующие эквиваленты нагрузок. Если провода экранированы и предназначены для подключения к экранированным устройствам, то эквивалент нагрузки также должен быть экранирован.

Измерение мощности ИРП проводят последовательно во всех проводах, экранированных или неэкранированных, которые могут подсоединяться к отдельным блокам испытуемой аппаратуры (например, провод к сети питания или источнику питания, сигнальные провода, провода управления и т.п.).

На соединительных проводах между блоками испытуемой аппаратуры должны проводиться два измерения: первое - при расположении трансформатора тока поглощающих клещей, направленного в сторону одного блока, второе - при расположении этого трансформатора в сторону другого блока.

На каждой частоте испытаний поглощающие клещи передвигают вдоль провода по направлению от испытуемой аппаратуры на расстояние, равное половине длины волны, до тех пор, пока не будет выявлено максимальное значение показаний измерителя радиопомех. При необходимости соединительные провода удлиняют до значения, равного половине длины волны на частоте 30 МГц (5 м) плюс две длины поглощающих клещей.

На соединительном проводе, исходная длина которого на нижних частотах испытания менее половины длины волны, и подсоединенного к блоку, не имеющему другого внешнего провода, перемещение поглощающих клещей ограничивается расстоянием, равным исходной длине провода.

Испытания необходимо проводить только на тех соединительных проводах, длина которых (в соответствии с техническими требованиями производителя) больше длины поглощающих клещей.

Примечание - Измерения проводят на частотах максимального излучения, для определения которых первоначально используют фиксированное положение клещей в непосредственной близости от испытуемой аппаратуры.

5.6.4 Представление результатов

Измеренную мощность для данной частоты определяют как сумму максимального показания измерителя радиопомех и соответствующего значения коэффициента калибровки поглощающих клещей на этой частоте. Измеренную мощность выражают в децибелах относительно 1 пВт.

За результат измерения мощности ИРП в проводах и кабелях испытуемой аппаратуры принимают наибольшее из значений, зарегистрированных на каждой частоте измерения.

5.7 Измерение напряженности поля ИРП в полосе частот от 30 МГц до 1 ГГц на измерительном расстоянии 3 м

5.7.1 Введение

Данный метод применяется для измерения напряженности поля ИРП, создаваемых ЧМ приемниками, ТВ, видеомагнитофонами и функционально связанной с РП и ТВ аппаратурой других видов, указанных в таблице 5.

Измерения допускается проводить в безэховом помещении или на открытых площадках, защищенных от погодных условий непроводящими покрытиями, например надувными оболочками или герметическими пластиковыми куполами при условии, что данные площадки соответствуют требованиям, установленным в 5.7.2.

При проведении измерений на защищенных от погодных условий открытых площадках следует убедиться, что во время дождя или снега характеристики затухания площадки существенно не меняются.

Примечание - Влияние погодных условий на ВЧ характеристики площадки, накрытой пластиковым куполом, проверяют периодическими измерениями затухания испытательной площадки в течение всего времени измерений.

В качестве альтернативных методов допускаются методы измерений и аттестации измерительных площадок, установленные в [4], ГОСТ Р 51318.22.

5.7.2 Требования к измерительной площадке

Измерительная площадка должна быть ровной и свободной от строений и предметов, отражающих радиоволны. Вблизи испытуемой аппаратуры и антенны измерителя радиопомех не должно быть посторонних металлических предметов, любой из габаритных размеров которых превышает 50 мм. Антенну измерителя радиопомех и испытуемую аппаратуру на поворотном столе из изоляционного материала высотой 0,8 м устанавливают над металлической пластиной заземления размерами (6×9) м2 (см. рисунок 11).

Если пластина заземления не является идеальным проводником или измерения проводят в закрытом помещении, следует убедиться в том, что это не вносит значительных изменений в результаты измерений.

Расстояние по горизонтали между антенной измерителя радиопомех и диполем, соединенным с генератором, или центром испытуемой аппаратуры должно быть 3 м в соответствии с рисунками 12 и 14.

Расположение аппаратуры при аттестации измерительной площадки в полосе частот от 80 МГц до 1 ГГц приведено на рисунке 12.

Вместо испытуемой аппаратуры устанавливают генератор стандартных сигналов. К выходу генератора с помощью хорошо экранированного и согласованного кабеля подключают настроенную, горизонтально расположенную передающую дипольную антенну. Высота передающей антенны должна быть 4 м. Антенну измерителя радиопомех первоначально устанавливают на высоте 4 м, затем высоту плавно уменьшают до получения первого максимума показаний. Первый максимум показаний может наблюдаться на первоначальной высоте 4 м.

Затухание площадки А, дБ, вычисляют по формуле

A = Pt - Pr,                                                               (6)

где Pt - мощность, поступающая в настроенный передающий диполь, дБ (пВт);

Рr - мощность на зажимах настроенного приемного диполя, дБ (пВт).

Примечания

1 Если генератор сигналов, измеритель радиопомех и линии передачи имеют одинаковое сопротивление, затухание площадки А, дБ, должно быть

A = |Va - Vb| - at - ar,                                                                       (7)

где Va - уровень напряжения на входе измерителя радиопомех при постоянном выходном уровне генератора Vg или уровень напряжения на выходе генератора при постоянном показании измерителя Vr зафиксированный, когда генератор сигналов и измерительный приемник соединены с передающей и приемной антеннами соответственно, дБ/мкВ;

Vb - уровень напряжения на входе измерителя радиопомех при постоянном выходном уровне генератора Vr или уровень напряжения на выходе генератора при постоянном показании измерителя зафиксированный, когда генератор сигналов и измерительный приемник соединены напрямую, дБ/мкВ;

at - затухание симметрирующего трансформатора на частоте измерения, дБ;

аr - затухание согласующего аттенюатора на частоте измерения, дБ.

Примечание - at u аr учитывают, когда симметрирующий трансформатор и согласующий аттенюатор используют при измерениях с антеннами, и не учитывают, когда генератор и измерительный приемник соединены напрямую.

Измеренные значения затухания не должны отличаться от значений теоретической кривой, представленной на рисунке 13, более чем на ± 3 дБ.

2 При высокой чувствительности измерителя радиопомех могут возникать погрешности из-за рассогласования на входе измерителя радиопомех, а также из-за внутренних шумов или посторонних сигналов. Для того, чтобы измеритель радиопомех работал в области чувствительности, погрешность измерения для которой не превышает ± 1,5 дБ, излучаемая мощность должна быть достаточно велика.

5.7.3 Размещение испытуемой аппаратуры

Испытуемую аппаратуру размещают на высоте 0,8 м относительно пола на поворотном столе из изоляционного материала на расстоянии не менее 0,8 м от других металлических предметов в соответствии с рисунком 14.

Сетевой шнур прокладывают в вертикальной плоскости, соединяющей центр измерительной антенны и центр испытуемой аппаратуры (см. рисунок 14); излишек провода сворачивают плоскими петлями длиной 0,3 - 0,4 м на конце у сетевой вилки.

Для того, чтобы не допустить ошибок в измерениях, в сети обеспечивают соответствующую фильтрацию.

Испытательный сигнал (в соответствии с 5.2) подают от генератора сигналов, размещенного на пластине заземления ниже испытуемой аппаратуры.

Испытуемую аппаратуру и генератор сигналов соединяют экранированным кабелем минимально возможной длины и хорошего качества, проложенным вертикально. Экран кабеля подсоединяют к пластине заземления (см. рисунок 14).

При испытаниях аппаратуры, оснащенной встроенной антенной и не имеющей внешнего антенного разъема, используют встроенную антенну. Испытательный сигнал в соответствии с 5.2 подают с помощью излучающей антенны, расположенной вертикально и подсоединенной к генератору испытательных сигналов. Данная антенна должна находиться на расстоянии не менее 3 м от антенны испытуемой аппаратуры и не менее 6 м - от антенны измерителя радиопомех.

Телескопические антенны должны быть вытянуты на максимальную длину и зафиксированы в вертикальном положении, если они являются одиночными штырями, и - в положении под углом 45° от вертикали, т.е. в форме буквы V, если антенны имеют два штыря.

Примечание - Допускается измерять излучаемые ИРП без испытательного сигнала, подаваемого на антенный вход испытуемой аппаратуры. В этом случае антенный вход аппаратуры должен быть нагружен на резистивный эквивалент антенны с сопротивлением, равным номинальному входному сопротивлению испытуемой аппаратуры.

При испытании плат тюнеров для ПК, поставляемых отдельно для установки в различные модели основных устройств (например, компьютеров), эти платы испытывают применительно к каждой модели при их установке, по крайней мере, хотя бы в одно основное устройство данной модели по выбору производителя.

Измерения проводят с включенной платой тюнера, вставленной в ПК, при этом антенный вход нагружают на неизлучающий эквивалент антенны.

5.7.4 Размещение измерителя радиопомех

5.7.4.1 Антенна измерителя радиопомех

Антенна измерителя радиопомех представляет собой диполь, который может вращаться в вертикальной плоскости, перпендикулярной коси измерительной площадки (см. рисунок 11).

Высота центра антенны должна меняться в пределах от 1 до 4 м (см. рисунок 14).

В полосе частот от 80 МГц до 1 ГГц измерение напряженности поля проводят с помощью настраиваемого диполя длиной λ/2 на частоте измерения.

В полосе частот от 30 до 80 МГц напряженность поля измеряют с помощью диполя, имеющего постоянную длину λ/2, соответствующую частоте 80 МГц. Во всей полосе частот от 30 до 80 МГц измеритель радиопомех должен быть откалиброван вместе с данным диполем постоянной длины с помощью эталонного поля. Калибровку выполняют при высоте антенны 4 м над землей.

5.7.4.2 Фидер

Расположение фидера при соединении аппаратуры для измерения напряженности поля ИРП показано на рисунке 14. Расстояние между центром диполя и вертикальным отрезком снижения фидера должно быть не менее 1 м.

5.7.4.3 Измеритель радиопомех

Измеритель радиопомех устанавливают на столе из изоляционного материала на высоте, удобной для работы.

5.7.5 Метод измерений

Испытуемую аппаратуру устанавливают так, чтобы лицевая панель аппаратуры была обращена к измерительной антенне, установленной в горизонтальном положении; изменяя высоту установки антенны в пределах от 1 до 4 м, находят наибольшее показание измерителя радиопомех. Затем испытуемую аппаратуру поворачивают вокруг ее центра до тех пор, пока не будет получено максимальное показание измерителя радиопомех. После этого снова меняют высоту измерительной антенны от 1 до 4 м и отмечают максимальное показание измерителя радиопомех. Процедуру измерения повторяют при вертикальном положении измерительной антенны; при этом высоту установки антенны изменяют от 2 до 4 м.

За результат измерения на каждой частоте принимают максимальное из значений, полученных при горизонтальном и вертикальном расположениях измерительной антенны.

Если на некоторых частотах уровень мешающих сигналов в месте установки приемной антенны достаточно велик и не позволяет получить достоверного результата измерений, то для определения соответствия испытуемой аппаратуры требованиям настоящего стандарта может быть применен один из следующих методов:

а) интерполяция значения напряженности поля радиопомех от испытуемой аппаратуры для узкой полосы частот с мешающими сигналами высокого уровня по ближайшим значениям непрерывной кривой, описывающей функцию напряженности поля радиопомехи за пределами данной полосы;

б) метод, установленный в ГОСТ Р 51318.11, приложение В.

5.8 Измерение мощности излучаемых ИРП в полосе частот от 1 до 18 ГГц

5.8.1 Расположение испытуемой аппаратуры

Испытуемую аппаратуру размещают на высоте 1 м относительно пола на поворотном столе из изоляционного материала.

Испытуемую аппаратуру, для испытания которой необходим входной сигнал, подключают к соответствующему генератору испытательных сигналов хорошо экранированным кабелем.

Примечание - Кабель может считаться хорошо экранированным, если уровень его излучения при подключенной согласованной нагрузке не менее чем на 10 дБ ниже ожидаемого уровня излучаемых ИРП испытуемой аппаратурой, при этом на кабель и испытуемую аппаратуру должен подаваться одинаковый уровень входного сигнала.

Неиспользуемые выходы испытуемой аппаратуры нагружают на их номинальные сопротивления неизлучающими эквивалентами нагрузок.

Сетевой шнур (если имеется) прокладывают вертикально и включают в сетевую розетку через соответствующий сетевой фильтр. Излишек сетевого шнура сворачивают плоскими петлями длиной 0,3 - 0,4 м.

Для того, чтобы избежать ошибок при измерении, сетевой шнур и коаксиальный кабель генератора испытательных сигналов снабжают поглощающими устройствами (например, в виде ферритовых колец, надетых на провод).

Для измерений используют направленную антенну с малой апертурой, позволяющую измерять отдельно вертикальную и горизонтальную составляющие излучаемого поля. Высота расположения оси антенны над землей должна быть такой же, как высота центра излучения испытуемой аппаратуры.

Для того, чтобы избежать влияния на результаты измерения отражений от земли, целесообразно использовать рупорную антенну. В этом случае не требуется применение металлической пластины заземления. Измерительное расстояние d, м, должно соответствовать требованию

d ≥ 2b2/λ,                                                                     (8)

где b - больший размер апертуры рупора, м;

λ - длина волны, соответствующая частоте измерения, м.

Если отношение измерительного расстояния d к высоте измерения (h = 1 м) слишком велико, может потребоваться покрыть заземляющую пластину поглощающим материалом с тем, чтобы площадка соответствовала требованиям, установленным в 5.8.2.

Комплект измерительной аппаратуры, используемый в данной полосе частот, обычно включает в себя анализатор спектра. В случае, если уровень излучаемых ИРП низкий, можно использовать предварительный малошумящий усилитель.

5.8.2 Аттестация измерительной площадки

Аттестацию площадки выполняют в следующей последовательности.

Передающую антенну устанавливают в том месте, где предполагается размещение приблизительного центра излучения испытуемой аппаратуры (обычно - центр ее объема). Передающая антенна должна иметь такие же характеристики излучения, как и полуволновой диполь. Приемную антенну устанавливают в месте, выбранном для ее установки при проведении измерений. Передающую и приемную антенны устанавливают друг против друга; положения антенн должны соответствовать одной и той же поляризации. Измерения проводят как при горизонтальной, так и при вертикальной поляризации.

Площадку считают пригодной для испытаний на данной частоте измерения, если показание измерительного прибора меняется не более чем на ± 1,5 дБ при смещении центра передающей антенны в пределах от 0 до 15 см в любом направлении от его исходного положения.

Примечание - При измерениях на частотах от 1 до 4 ГГц в качестве передающей антенны может использоваться либо полуволновой диполь, либо рупорная антенна. При измерениях на частотах свыше 4 ГГц должна использоваться рупорная антенна. При использовании рупорной антенны следует учитывать ее коэффициент усиления относительно полуволнового диполя.

5.8.3 Метод измерения

Измерения проводят методом замещения с использованием передающей антенны, имеющей горизонтальную и вертикальную поляризации. Испытуемую аппаратуру устанавливают на поворотном столе. На каждой частоте измерения, меняя угол поворота стола и поляризацию приемной антенны, фиксируют наибольший уровень измеренного излучения. Затем испытуемую аппаратуру заменяют передающей антенной, центр которой совмещают с точкой, в которой ранее находился центр испытуемой аппаратуры. Передающая антенна должна быть такой же, как и приемная антенна (полуволновым диполем или рупорной антенной). На передающую антенну подают сигнал от генератора стандартных сигналов.

На каждой частоте измерения выходной уровень генератора стандартных сигналов устанавливают так, чтобы показания измерительного прибора соответствовали показаниям при измерениях с испытуемой аппаратурой. За уровень мощности ИРП, излучаемых испытуемой аппаратурой на данной частоте, принимают уровень мощности генератора стандартных сигналов в условиях согласования, суммированный с коэффициентом усиления излучающей антенны относительно полуволнового диполя.

Необходимо убедиться в том, что при выключенной испытуемой аппаратуре уровень посторонних радиопомех ниже нормы не менее чем на 10 дБ; в противном случае результаты измерений могут оказаться недостоверными.

Если вместо дипольной антенны используется рупорная антенна, результаты измерений выражают в единицах эквивалентной мощности излучаемых радиопомех, отнесенных к полуволновому диполю.

5.8.4 Представление результатов

Уровень мощности ИРП, излучаемых испытуемой аппаратурой, представляют в протоколе в виде значений замещенной эквивалентной мощности, выраженной в децибелах относительно 1 пВт.

5.9 Измерение мощности излучаемых ИРП, создаваемых гетеродином, на входном разъеме наружного блока

Если на входе наружного блока имеется соответствующий интерфейс (например, R120, С120), то в качестве альтернативы измерению излучаемых ИРП допускается измерять мощность ИРП, создаваемых гетеродином, непосредственно измерителем мощности или анализатором спектра вместе с соответствующим адаптером. Необходимо учитывать потери в фидере между имеющимся интерфейсом и фланцем антенны.

6 Интерпретация норм ИРП, установленных СИСПР

6.1 Значимость норм СИСПР

Для серийно производимой аппаратуры требованиям настоящего стандарта должны соответствовать не менее 80 % всех образцов аппаратуры с доверительной вероятностью 0,8.

Испытания на соответствие нормам, установленным настоящим стандартом, проводят:

а) на выборке образцов аппаратуры конкретного вида при использовании метода статистической оценки (см. 6.2);

б) с целью упрощения - только на одном образце аппаратуры.

Периодически проводят испытания образцов, выбранных методом случайного отбора из партии изготовленной аппаратуры, особенно в случае, указанном в перечислении б).

В спорном случае решение об отмене действия сертификата соответствия принимают только после проведения испытаний и использования метода статистической оценки.

6.2 Статистическая оценка

Оценку соответствия уровней радиопомех нормам, установленным в настоящем стандарте, проводят на основе нецентрального t-распределения с использованием выборки, состоящей не менее чем из пяти образцов аппаратуры конкретного вида. Если (в исключительных случаях) невозможно обеспечить отбор пяти образцов, то используют выборку, состоящую из трех образцов. Соответствие оценивают по соотношению

                                                              (9)

где sn - значение среднеквадратического отклонения уровней ИРП в выборке, состоящей из n образцов, определяемое по формуле

                                               (10)

 - среднеарифметическое значение уровней ИРП, вычисленное по n образцам;

хj - значение уровня радиопомех, создаваемых одним образцом;

k - коэффициент для нецентрального t-распределения при условии, что 80 % образцов аппаратуры конкретного вида с вероятностью 0,8 соответствуют норме или ниже ее; значение k зависит от объема выборки п и указано в таблице 8;

L - значение нормы.

Значения , sn и L должны быть выражены в логарифмических единицах дБ (мкВ), дБ (мкВ/м) или дБ (пВт).

Таблица 8 - Зависимость значения k от объема выборки

Объем выборки, п

3

4

5

6

7

8

9

10

11

12

k

2,04

1,69

1,52

1,42

1,35

1,30

1,27

1,24

1,21

1,20

Если проведенные испытания выявляют несоответствие выборки требованиям 6.2, проводят испытание второй выборки, и результаты объединяют с результатами испытаний первой выборки. Оценку соответствия нормам проводят по результатам испытаний объединенной выборки.

W - белый цвет;

Y - желтый цвет;

С - голубой цвет;

G - зеленый цвет;

М - пурпурный цвет;

R - красный цвет;

В - синий цвет;

ВК - черный цвет;

А - уровень исходного цветового сигнала при передаче белой цветной полосы;

В - уровень исходного цветового сигнала при передаче черной цветной полосы;

С - максимальное значение уровня исходного цветового сигнала при передаче желтой, голубой, зеленой, пурпурной, красной и синей цветных полос;

D - минимальное значение уровня исходного цветового сигнала при передаче желтой, голубой, зеленой, пурпурной, красной и синей цветных полос

Рисунок 1 - Уровни сигналов цветных полос (сигнал красного цвета) номенклатуры 100/0/75/0 (ГОСТ 9021)

Рисунок 2 - Изображение телетекста

Р - разъем для подключения испытуемого устройства

Рисунок 3 - Пример схемы V-образного эквивалента сети 50 Ом/50 мкГн

Р - разъем для подключения испытуемого устройства

Рисунок 4 - Пример схемы V-образного эквивалента сети 50 Ом/50 мкГн + 5 Ом

Рисунок 5 - Расположение аппаратуры в экранированной камере при измерении напряжения ИРП на сетевых зажимах

Рисунок 6 - Расположение аппаратуры в экранированной камере при измерении напряжения ИРП на сетевых зажимах (вид сверху)

1 - согласующий аттенюатор

Рисунок 7 - Структурная схема измерения напряжения ИРП на коаксиальном антенном входе

1 - согласующий аттенюатор

Рисунок 8 - Структурная схема измерения напряжения ИРП на симметричном антенном входе

Рисунок 9 - Структурная схема измерения напряжения радиопомех и полезного сигнала на ВЧ выходе испытуемой аппаратуры

Рисунок 10 - Структурная схема измерения мощности ИРП от аппаратуры, функционально связанной с РП и ТВ (за исключением устройств с ВЧ выходом)

Рисунок 11 - Размеры измерительной площадки

Рисунок 12 - Расположение аппаратуры при аттестации площадки

Рисунок 13 - Теоретическая кривая затухания площадки для полосы частот от 80 МГц до 1 ГГц

Рисунок 14 - Расположение аппаратуры при измерении на открытой измерительной площадке на расстоянии 3 м

Приложение А

(обязательное)

Радиовещательные и телевизионные приемники цифровых сигналов

А.1 Введение

В настоящем приложении приведены дополнительные сведения, касающиеся методов измерения параметров ИРП от радиовещательных и телевизионных приемников цифровых сигналов.

Приемники могут иметь выход для передачи данных, телекоммуникационный выход, запоминающие устройства, обратный канал.

Измерения на порте, не выполняющем функции вещания, например, на порте связи или на порте, подключаемом к локальным сетям связи, проводят на основе соответствующих стандартов, например ГОСТ Р 51318.22.

А.2 Нормативные ссылки

В соответствии с разделом 2 настоящего стандарта.

А.3 Термины и определения

В настоящем приложении используют следующие термины с соответствующими определениями:

А.3.1 цифровые радиовещательные приемники: Устройства, предназначенные для приема цифровых радиовещательных сигналов при их наземной, кабельной или спутниковой передаче.

А.3.2 цифровые телевизионные приемники: Устройства, предназначенные для приема цифровых телевизионных вещательных сигналов при их наземной, кабельной или спутниковой передаче. Приемник, как правило, имеет экран. Приемники без экрана обычно рассматриваются как приставки.

А.3.3 цифровой радиовещательный сигнал: ВЧ сигнал звукового вещания, в котором модуляция осуществлена потоком цифровых данных, содержащих звуковую информацию. В этот поток данных могут быть включены данные, касающиеся дополнительных услуг, и служебная информация провайдера службы.

А.3.4 цифровой телевизионный вещательный сигнал: ВЧ сигнал телевизионного вещания, в котором модуляция осуществлена потоком цифровых данных, содержащих видеоинформацию со звуковым сопровождением. В этот поток данных может быть включена информация, касающаяся дополнительных предоставляемых услуг, и служебная информация провайдера службы, например электронное руководство по программам.

Примечание - Информация о параметрах цифровых сигналов при их наземной, кабельной и спутниковой передачах приведена в приложении Б.

А.4 Нормы радиопомех

Применяют нормы, установленные в разделе 4.

А.5 Методы измерений

А.5.1 Общие положения

В соответствии с разделом 5.

А.5.2 Измерение напряжения ИРП на сетевых зажимах цифровых приемников спутниковых сигналов

При измерении напряжения ИРП на сетевых зажимах цифровых приемников спутниковых сигналов для подачи полезного сигнала вместо приемной антенны по 5.3.2 используют развязывающий трансформатор, представленный на рисунке А.1. Максимальная переходная емкость трансформатора должна быть 7,5 пФ. Это обеспечивает минимальное значение несимметричного полного сопротивления развязывающего трансформатора, равное 700 Ом на частоте 30 МГц. Пример развязывающего трансформатора, его габариты и характеристика приведены на рисунках А.2 - А.4.

Примечание - Развязывающий трансформатор может быть также использован для других типов приемников, например для приемников цифровых сигналов наземной передачи.

А.5.3 Полезные сигналы

А.5.3.1 Общие положения

Уровень полезного цифрового телевизионного или радиовещательного сигнала устанавливают при номинальном сопротивлении 75 Ом; это относится также и к мощности сигнала, которая определяется как среднее значение выделенного сигнала, измеренного тепловым измерителем мощности.

Необходимо, чтобы измерения были ограничены шириной полосы сигнала. При использовании анализатора спектра или калиброванного приемника необходимо учитывать мощность сигнала в пределах номинальной ширины полосы сигнала.

А.5.3.2 Цифровой радиовещательный сигнал

Уровень цифрового радиовещательного сигнала должен быть 50 дБ (мкВ).

Опорный уровень всех звуковых каналов должен быть минус 6 дБ на частоте 1 кГц во всей полосе измеряемых частот.

А.5.3.3 Цифровой телевизионный сигнал

Уровень цифрового телевизионного сигнала во время испытания для приемников различных сигналов должен быть:

50 дБ (мкВ) - ОВЧ для наземной передачи;

54 дБ (мкВ) - УВЧ для наземной передачи;

60 дБ (мкВ) - для кабельной передачи;

60 дБ (мкВ) - для спутниковой передачи.

Стандартное изображение телевизионного сигнала представляет собой испытательную таблицу, состоящую из вертикальных цветных полос в соответствии с [5] (см. ГОСТ 9021), при небольшом движущемся элементе, кодированном при 6 Мбит/с.

Опорный уровень всех звуковых каналов должен быть минус 6 дБ на частоте 1 кГц во всей полосе.

Дополнительные сведения приведены в приложении Б.

А.5.4 Приемники цифровых и аналоговых сигналов

Все измерения проводят в цифровом режиме. Если для цифрового приема и аналогового приема используют отдельные тюнеры, в аналоговом режиме дополнительно проводят измерения параметров излучаемых ИРП на частоте гетеродина и его гармоник.

Рисунок А.1 - Расположение аппаратуры при измерении напряжения ИРП на сетевых зажимах в полосе частот от 150 кГц до 30 МГц (вид сбоку)

Примечания

1 Характеристики развязывающего трансформатора: полоса частот от 46 МГц до 1,5 ГГц; вносимое затухание 30 Дб; входной импеданс 50 Ом; входной разъем N-R; выходной импеданс 75 Ом; выходной разъем NC-R; корпус - изоляционный материал.

2 Верхнюю частоту увеличивают в зависимости от вида испытуемого устройства (например, в Европе - до 2,15 ГГц).

Рисунок А.2 - Пример схемы развязывающего трансформатора с рабочей полосой частот от 46 МГц до 1,5 ГГц

Рисунок А.3 - Типовые размеры развязывающего трансформатора с рабочей полосой частот от 46 МГц до 1,5 ГГц

Рисунок А.4 - Типовая характеристика вносимого затухания развязывающего трансформатора с рабочей полосой частот от 46 МГц до 1,5 ГГц

Приложение Б

(справочное)

Параметры полезных сигналов при испытаниях цифровых радиовещательных и телевизионных приемников

Б.1 Общие положения

Таблица Б.1

Страна, стандарт

Параметр полезного сигнала

Значение параметра полезного сигнала

Европа, TR 101154

Кодирование источника

MPEG-2 видеосигнал,

MPEG-2 аудиосигнал

Элементарный поток изображения

Набор цветных полос с мелким движущимся элементом

Скорость цифрового потока изображения

6 Мбит/с

Элементарный поток звукового сигнала для измерения уровня сигнала

1 кГц / уровень минус 6 дБ

Элементарный поток звукового сигнала для измерения шума

1 кГц / пауза

Скорость цифрового потока звукового сигнала

192 кбит/с

Япония

Кодирование источника

MPEG-2 видеосигнал,

MPEG-2 аудиосигнал

Кодирование данных

По выбору

Элементарный поток изображения

Цветная полоса с мелким движущимся элементом

Скорость цифрового потока изображения

6 Мбит/с

Элементарный поток звукового сигнала для измерения уровня сигнала

1 кГц / уровень минус 6 дБ

Элементарный поток звукового сигнала для измерения шума

1 кГц / пауза

Скорость цифрового потока звукового сигнала

192 кбит/с

США, ATSC А/53В

Кодирование источника

MPEG-2 видеосигнал,

АС-3 аудиосигнал

Элементарный поток изображения

Цветная полоса с мелким движущимся элементом

Скорость цифрового потока изображения

6 Мбит/с

Элементарный поток звукового сигнала для измерения уровня сигнала

1 кГц / уровень минус 6 дБ

Элементарный поток звукового сигнала для измерения шума

1 кГц / пауза

Скорость цифрового потока звукового сигнала

192 кбит/с

Б.2 Телевизионный вещательный сигнал при наземной передаче

Таблица Б.2

Страна, стандарт

Параметр полезного сигнала

Значение параметра полезного сигнала

Европа, EN 300 744

Уровень

50 дБ (мкВ)/ 75 Ом - ОВЧ П III,

54 дБ (мкВ)/ 75 Ом - УВЧ П IV/V

Канал

9,25 или 55

Модуляция

Офсетная модуляция с частотным уплотнением (OFDM)

Режим

2k или 8/с

Схема модуляции

64 КАМ

Защитный интервал

1/32

Кодовая скорость

2/3

Полезная скорость цифрового потока

24,128 Мбит/с

Япония, ARIB STD-B21 Версия 3.1, ARIB STD-B31 Версия 1.2

Уровень

От 34 дБ (мкВ) до 89 дБ (мкВ)/ 75 Ом

Частота

От 470 до 770 МГц, ширина полосы 5,7 МГц

Модуляция

Офсетная модуляция с частотным уплотнением (OFDM)

Режим (разделение несущих)

4k, 2k, 1k

Модуляция несущей

4 ФМ, 16 КАМ, 64 КАМ

Защитный интервал

1/4, 1/8, 1/16, 1/32

Кодовая скорость

1/2, 2/3, 3/4, 5/6, 7/8

Скорость информации в битах: максимальная

23,224 Мбит/с

США, ATSC 8VSB

Уровень

54 дБ (мкВ) (ATSC 64, см. 4.2.5)

Канал

с 2 по 69

Модуляция

8 VSB или 16 VSB

Кодовая скорость

2/3

Полезная скорость цифрового потока

19,39 Мбит/с

Б.3 Телевизионный вещательный сигнал при спутниковой передаче

Таблица Б.3

Страна, стандарт

Параметр полезного сигнала

Значение параметра полезного сигнала

Европа, EN 300 421

Уровень

60 дБ (мкВ)/ 75 Ом

Частота

950 МГц - 2,15 ГГц

Модуляция

4ФМ

Кодовая скорость

3/4

Полезная скорость цифрового потока

38,015 Мбит/с

Япония (спутник связи) ARIB STD-B1 Версия 1.4

Уровень

48 ÷ 81 дБ (мкВ)/75 Ом

Частота первой ПЧ

1000 ÷ 1550 МГц, ширина полосы 27 МГц

Цифровое вещание через спутник связи

Частота передачи

12,5 ÷ 12,75 ГГц

Модуляция

4ФМ

Кодовая скорость

1/2, 2/3, 3/4, 5/6, 7/8

Скорость информации

34 Мбит

Япония (спутник вещания) ARIB STD-B20 Версия 3.0, ARIB STD-B21 Версия 3.1

Уровень

48 дБ (мкВ) ÷ 81 дБ (мкВ)/75 Ом

Частота первой ПЧ

1032 ÷ 1489 МГц, ширина полосы 34,5 МГц

Цифровое вещание через спутник вещания

Частота передачи

11,7 ÷ 12,2 ГГц

Модуляция

TC8PSK, 4 ФМ, 2 ФМ

Кодовая скорость

1/2, 2/3, 3/4, 5/6, 7/8

Скорость информации: максимальная

52,0 Мбит/с

Б.4 Телевизионный вещательный сигнал при кабельной передаче

Таблица Б.4

Страна, стандарт

Параметр полезного сигнала

Значение параметра полезного сигнала

Европа, EN 300 429

Уровень

60 дБ (мкВ)/ 75 Ом

Частота

Канал с гиперполосой, самый близкий к 375 МГц

Модуляция

64 КАМ

Полезная скорость цифрового потока

38,015 Мбит/с

Япония, JCTEA STD-002-1.0 (мультиплексная система для цифрового кабельного телевидения), JCTEA STD-004-1.0 (приемник для цифрового кабельного телевидения)

Уровень

(53 ÷ 85) дБ (мкВ)/ 75 Ом

Частота

90 ÷ 770 МГц, ширина полосы 6 МГц

Параметр цифрового вещания для кабельного телевидения

 

Модуляция

64 КАМ

Скорость передачи

31,644 Мбит/с

Скорость информации

29,162 Мбит/с

США

Уровень

60 дБ (мкВ)/ 75 Ом

Частота

88 ÷ 860 МГц

Модуляция

64 КАМ или 256 КАМ

Скорость цифрового потока

26,970 Мбит/с (64 КАМ) 38,810 Мбит/с (256 КАМ)

Обратный ход

5 - 40 МГц, 4 ФМ

СОДЕРЖАНИЕ

1 Область применения и цель. 2

2 Нормативные ссылки. 2

3 Термины, определения и сокращения. 3

3.1 Термины и определения. 3

3.2 Сокращения. 3

4 Нормы ИРП.. 3

4.1 Общие положения. 3

4.2 Напряжение ИРП на сетевых зажимах. 4

4.3 Напряжение ИРП на антенных входах. 4

4.4 Напряжение полезного сигнала и радиопомех на ВЧ-выходе аппаратуры со встроенным или подключаемым ВЧ-видеомодулятором.. 4

4.5 Мощность ИРП в сетевом шнуре и других подключаемых проводах. 5

4.6 Напряженность поля излучаемых ИРП.. 5

4.7 Мощность излучаемых ИРП.. 5

5 Методы измерений. 6

5.1 Общие положения. 6

5.2 Испытательные сигналы.. 6

5.3 Измерение напряжения ИРП на сетевых зажимах аппаратуры в полосе частот от 150 кГц до 30 МГц. 7

5.4 Измерение напряжения ИРП на антенном входе РП и аппаратуры, функционально связанной с РП и ТВ, имеющей ВЧ-вход, в полосе частот от 30 МГц до 2,15 ГГц. 8

5.5 Измерение напряжения полезного сигнала и радиопомех на ВЧ-выходе аппаратуры, функционально связанной с РП и ТВ, имеющей ВЧ-видеомодулятор, в полосе частот от 30 МГц до 2,15 ГГц. 8

5.6 Измерение мощности ИРП, создаваемых аппаратурой, функционально связанной с РП и ТВ (за исключением видеомагнитофонов), в полосе частот от 30 МГц до 1 ГГц. 9

5.7 Измерение напряженности поля ИРП в полосе частот от 30 МГц до 1 ГГц на измерительном расстоянии 3 м.. 10

5.8 Измерение мощности излучаемых ИРП в полосе частот от 1 до 18 ГГц. 11

5.9 Измерение мощности излучаемых ИРП, создаваемых гетеродином, на входном разъеме наружного блока. 12

6 Интерпретация норм ИРП, установленных СИСПР. 12

6.1 Значимость норм СИСПР. 12

6.2 Статистическая оценка. 13

Приложение А Радиовещательные и телевизионные приемники цифровых сигналов. 17

Приложение Б Параметры полезных сигналов при испытаниях цифровых радиовещательных и телевизионных приемников. 19

Приложение В Сведения о соответствии ссылочных международных стандартов национальным стандартам Российской Федерации, использованным в настоящем стандарте в качестве нормативных ссылок. 21

Библиография. 21

Б.5 Ссылочные документы

Б.5.1 Стандарты США

ATSC

Стандарт по цифровому телевидению

А/53В и Изменение 1

 

ANSI/SCTE 07 2000

Стандарт на передачу цифровых видеосигналов для телевидения

Б.5.2 Публикации ETSI для систем цифрового ТВ вещания (DVB)

EN 300421

Структура кадрирования, кодирование канала и модуляция для спутниковых служб в диапазоне 11/12 ГГц

EN 300429

Структура кадрирования, кодирование канала и модуляция для кабельных систем

 

EN 300744

Структура кадрирования, кодирование канала и модуляция для цифрового наземного телевидения

TR 101154

Применение руководств по использованию систем MPEG-2 видео и аудио в спутниковом, кабельном и наземном вещании

В.5.3 Стандарты Японии

ARIB STD-B1 (Версия 1.4)

Цифровые приемники служб цифрового спутникового вещания на базе спутников связи

ARIB STD-B20 (Версия 3.0)

Система передачи цифрового спутникового вещания

ARIB STD-B21 (Версия 3.1)

Приемник цифрового вещания

ARIB STD-B31 (Версия 1.2)

Система передачи цифрового наземного телевизионного вещания

JCTEA STD-002-1.0

Мультиплексная система цифрового кабельного телевидения

JCTEA STD-004-1.0

Приемник цифрового кабельного телевидения

Приложение В

(справочное)

Сведения о соответствии ссылочных международных стандартов национальным стандартам Российской Федерации, использованным в настоящем стандарте в качестве нормативных ссылок

Таблица В.1

Обозначение ссылочного национального стандарта Российской Федерации

Обозначение и наименование ссылочного международного стандарта и условное обозначение степени его соответствия ссылочному национальному стандарту

ГОСТ Р 51318.11-2006 (СИСПР 11:2004)

СИСПР 11:2004 «Промышленные научные и медицинские (ПНМ) высокочастотные устройства - Характеристики электромагнитных помех - Нормы и методы измерений» (MOD)

ГОСТ Р 51318.22-2006 (СИСПР 22:2006)

СИСПР 22:2006 «Оборудование информационных технологий - Характеристики радиопомех - Нормы и методы измерений» (MOD)

ГОСТ Р 51319-99

СИСПР 16-1:1999 «Технические требования к аппаратуре для измерения радиопомех и помехоустойчивости и методы измерений - Часть 1: Аппаратура для измерения радиопомех и помехоустойчивости» (NEQ)

ГОСТ Р 51320-99

СИСПР 16-2:1996 «Технические требования к аппаратуре для измерения радиопомех и помехоустойчивости и методы измерений - Часть 2: Методы измерений радиопомех и помехоустойчивости» (NEQ)

ГОСТ Р 51513-99

-

ГОСТ 9021-88

-

ГОСТ 14777-77

-

ГОСТ 21879-88

-

ГОСТ 27418-87

-

ГОСТ 30372-95 / ГОСТ Р 50397-92

МЭК 60050-161:1990 «Международный электротехнический словарь - Глава 161: Электромагнитная совместимость» (NEQ)

Примечание - В настоящей таблице использованы следующие обозначения степени соответствия стандартов:

- MOD - модифицированные стандарты;

- NEQ - неэквивалентные стандарты.

Библиография

[1]

Нормы ГКРЧ 12-76

Общесоюзные нормы допускаемых индустриальных радиопомех. Радиовещательные приемники с амплитудной модуляцией. Допускаемые величины. Методы испытаний

[2]

МЭК 60050-161:1990

Международный электротехнический словарь - Глава 161: Электромагнитная совместимость

[3]

СИСПР 16-2 (части 2-1, 2-2, 2-3, 2-4)

Технические требования к аппаратуре для измерения радиопомех и помехоустойчивости и методы измерений - Методы измерения радиопомех и  помехоустойчивости

[4]

СИСПР 16-1 (части 1-1, 1-2, 1-3, 1-4, 1-5)

Технические требования к аппаратуре для измерения радиопомех и помехоустойчивости и методы измерений - Аппаратура для измерения радиопомех и помехоустойчивости

[5]

Рекомендации МСЭ-Р ВТ 471-1 (1986)

Номенклатура и описание сигналов цветных полос

 

Ключевые слова: электромагнитная совместимость, индустриальные радиопомехи, радиовещательные и телевизионные приемники, бытовая радиоэлектронная аппаратура, платы тюнеров для ПК, нормы, методы измерений

 



© 2013 Ёшкин Кот :-)