Информационная система
«Ёшкин Кот»

XXXecatmenu

OCT 26-2013-83

ОТРАСЛЕВОЙ СТАНДАРТ

УСТРОЙСТВА ПОДЪЕМНО-ПОВОРОТНЫЕ
ДЛЯ КРЫШЕК ЛЮКОВ СТАЛЬНЫХ СВАРНЫХ
СОСУДОВ И АППАРАТОВ

Конструкция

 

Предисловие

1. РАЗРАБОТАН Центральным конструкторским бюро нефтеаппаратуры (ЦКБН)

2. УТВЕРЖДЕН И ВВЕДЕН В ДЕЙСТВИЕ письмом министерства химического и нефтяного машиностроения от 23 мая 1983 г. № 11-10-4/740.

3. ЗАРЕГИСТРИРОВАН ВНИИКИ ГР № 8297635 от 16 сентября 1983 г.

4. ВЗАМЕН ОСТ 26-2013-77, ОСТ 26-2014-77.

5. ПЕРЕИЗДАНИЕ 1994 г., июнь С ИЗМЕНЕНИЯМИ № 1; 2; 3; 4: 1 - ИУС № 3-1987 г.; 2 - ИУС № 6-1989 г.; 3 - ИУС № 12-1990 г.; 4 - ИУС № 7; 8-1992 г.

6. СРОК ПЕРВОЙ ПРОВЕРКИ - 1997 г., периодичность проверки - 5 лет.

 

СОДЕРЖАНИЕ

 

ОТРАСЛЕВОЙ СТАНДАРТ

УСТРОЙСТВА ПОДЪЕМНО-ПОВОРОТНЫЕ
ДЛЯ КРЫШЕК ЛЮКОВ СТАЛЬНЫХ СВАРНЫХ
СОСУДОВ И АППАРАТОВ

Конструкция

Дата введения 1994-01-01

1. Область применения

Настоящий стандарт распространяется на устройства подъемно-поворотные для люков по ОСТ 26-2002, ОСТ 26-2003, ОСТ 26-2005 ¸ ОСТ 26-2007 и ОСТ 26-2094, масса крышек которых превышает 40 кг.

2. Нормативные ссылки

В настоящем стандарте использованы ссылки на следующие стандарты:

ГОСТ 397-79 Шплинты. Технические условия.

ГОСТ 13716-73 Устройства строповые для сосудов и аппаратов. Технические условия.

ОСТ 26-2003-83 Люки со сферическими крышками стальных сварных сосудов и аппаратов. Конструкция.

ОСТ 26-2005-83 Люки с фланцами, приварными встык, с уплотнительной поверхностью «выступ-впадина» стальных сварных сосудов и аппаратов. Конструкция.

OCT 26-2006-83 Люки с фланцами, приварными встык, с уплотнительной поверхностью «шип-паз» стальных сварных сосудов и аппаратов. Конструкция.

ОСТ 26-2007-83 Люки с фланцами, приварными встык, под прокладку восьмиугольного сечения стальных сварных сосудов и аппаратов. Конструкция.

ОСТ 26-2015-83 Устройства шарнирные и подъемно-поворотные для крышек люков стальных сварных сосудов и аппаратов. Технические требования.

ОСТ 26-2038-96 Гайки шестигранные для фланцевых соединений. Конструкция и размеры.

ОСТ 26-2042-96 Шайбы для фланцевых соединений. Конструкция и размеры.

ОСТ 26-2094-83 Люки с фланцами и крышками, облицованными листом из коррозионностойкой стали, стальных сварных сосудов и аппаратов. Конструкция.

(Измененная редакция. Изм. № 5).

3. Конструкция и основные размеры

3.1. Стандарт устанавливает конструкции подъемно-поворотных устройств следующих исполнений:

1 - для вертикально установленных люков с плоскими крышками;

2 - для вертикально установленных люков со сферическими крышками;

3 - для горизонтально установленных люков.

3.2. Конструкция и размеры подъемно-поворотных устройств исполнения 1 должны соответствовать указанным на рисунке 1 и в таблице 1.

1. Кронштейн. 2. Втулка. 3. Рукоятка. 4. Болт. 5. Втулка. 6. Ребро. 7. Серьга по ГОСТ 13716.
8. Шайба по ОСТ 26-2042. 9. Шайба. 10. Шплинт по ГОСТ 397

Рисунок 1

3.3. Конструкция и размеры подъемно-поворотных устройств исполнения 2 должны соответствовать указанным на рисунке 2 и в таблице 1

1. Кронштейн. 2. Втулка. 3. Рукоятка. 4. Болт. 5. Втулка. 6. Ребро. 7. Серьга по ГОСТ 13716.
8. Шайба по ОСТ 26-2042. 9. Шайба. 10. Шплинт по ГОСТ 397

Рисунок 2

3.4. Конструкция и размеры подъемно-поворотных устройств исполнения 3 должны соответствовать указанным на рисунках 3, 4 и в таблице 1

1. Кронштейн. 2. Втулка. 3. Скоба. 4. Болт. 5. Серьга по ГОСТ 13716. 6. Гайка по ОСТ 26-2038.
7. Шайбы по ОСТ 26-2042. 8. Шайба. 9. Шплинт по ГОСТ 397

Рисунок 3

Б

Рисунок 4

Таблица 1

Размеры в миллиметрах

Давление условное

Диаметр внутренний люка

Толщина стенки обечайки люка

H

H1

l

a

 

МПа

кгс/см2

Исполнение устройства

 

1

2

3

1

2

3

3

3

 

1,0

10

400

8

335

-

475

250

-

420

135

100

 

1,6

16

10

140

2,5

25

16

160

 

24

170

 

32

180

 

40

 

4,0

40

12

540

450

165

 

20

180

 

30

200

 

45

220

 

50

 

6,3

63

14

205

 

20

210

 

32

220

 

45

230

 

50

 

65

250

 

10,0

100

20

560

-

470

250

 

30

260

 

40

270

 

50

280

 

60

300

 

65

 

75

 

16,0

160

32

605

510

320

 

45

375

 

60

 

75

 

80

 

90

 

0,6

6

450

8

540

250

420

135

 

1,0

10

460

 

1,6

16

10

335

250

 

2,5

25

-

-

140

16

 

26

175

 

36

 

45

 

4,0

40

12

565

-

470

175

 

20

190

 

28

210

 

36

340

260

 

45

 

55

335

250

220

 

6,3

63

16

 

22

 

30

 

40

 

50

230

 

55

340

260

 

65

250

 

70

 

10,0

100

24

375

590

290

500

 

32

 

45

290

 

55

390

295

 

65

300

 

75

 

80

 

16,0

160

34

375

635

290

540

 

50

385

 

70

 

85

405

335

 

95

 

100

 

0,6

6

500

8

335

515

250

460

135

 

1,0

10

335

525

250

 

1,6

16

10

125

 

2,5

25

-

-

145

16

 

26

 

36

180

 

45

 

4,0

40

12

595

500

 

20

200

 

30

230

 

40

 

50

 

55

 

6,3

63

16

200

 

26

 

36

260

 

45

 

55

 

65

 

75

 

10,0

100

26

375

620

290

530

270

 

36

 

45

 

70

325

 

80

 

90

 

0,3

3

600

8

335

370

565

250

285

510

135

100

 

0,6

6

 

1,0

10

10

575

 

1,6

16

125

 

2,5

25

12

-

-

145

 

16

 

30

170

 

40

 

50

190

 

4,0

40

14

595

550

 

20

 

32

210

 

45

 

60

230

 

65

 

0,1

1

700

4

370

610

285

560

150

 

0,3

3

8

615

 

0,6

6

 

1,0

10

10

625

 

1,6

16

12

 

0,1

1

800

5

-

670

-

610

 

0,3

3

8

665

 

0,6

6

 

 

Пример условного обозначения подъемно-поворотного устройства исполнения 2 для люка диаметром 400 мм на условное давление 1,6 МПа с шифром материального исполнения 1:

Устройство 2-400-1,6-1   ОСТ 26-2013-83

3.5. Конструкция и размеры кронштейнов, поз. 1, должны соответствовать указанным на рисунке 5 и в таблице 2

Рисунок 5

Таблица 2

Размеры в миллиметрах

Давление условное

Диаметр внутренний люка

Толщина стенки обечайки люка

d

l

h

b

 

Исполнение устройства

 

МПа

кгс/см2

1

2

3

1

2

3

 

1,0

10

400

8

30

345

-

330

415

-

540

35

 

1,6

16

45

350

420

45

 

2,5

25

10

 

16

360

 

24

390

 

32

 

4,0

40

12

370

370

440

570

 

20

380

 

30

 

45

420

 

50

 

6,3

63

14

390

 

20

410

 

32

430

 

45

440

 

50

 

65

470

 

10,0

100

20

390

430

590

 

30

440

 

40

460

 

50

480

 

60

500

 

65

510

 

75

520

 

16,0

160

32

60

430

500

510

630

60

 

45

530

 

60

 

75

580

 

80

 

90

 

0,6

6

450

8

30

345

330

415

540

35

 

1,0

10

 

1,6

16

10

45

370

345

370

440

415

570

45

 

2,5

25

-

-

16

 

26

 

 

36

420

 

45

 

 

4,0

40

12

390

390

590

 

20

410

 

28

440

 

36

 

45

 

55

460

 

6,3

63

16

50

390

430

440

610

50

 

22

 

30

440

 

40

 

50

460

 

55

 

65

490

 

70

 

10,0

100

24

60

420

460

510

645

60

 

32

 

45

510

 

55

 

65

 

75

530

 

80

540

 

16,0

160

34

70

460

510

550

685

70

 

50

570

 

70

600

 

85

 

95

 

100

 

0,6

6

500

8

30

370

-

360

415

-

580

35

 

1,0

10

70

415

 

1,6

16

10

390

390

440

615

50

 

 

 

50

390

-

-

 

 

 

16

 

 

 

26

430

 

2,5

25

36

 

 

 

45

 

4,0

40

12

420

470

630

 

20

 

30

 

40

 

50

 

55

 

6,3

63

16

430

645

 

26

460

 

36

 

45

470

 

55

 

65

500

 

75

 

10,0

100

26

60

450

490

550

-

675

60

 

36

 

45

570

 

70

 

80

 

90

 

0,3

3

600

8

30

425

425

410

415

415

630

35

 

0,6

6

 

1,0

10

10

36

450

36

 

1,6

16

50

440

440

440

665

50

 

 

 

12

-

-

 

 

 

16

 

2,5

25

30

500

 

 

 

40

 

 

 

50

 

 

 

14

60

470

460

695

60

 

 

 

20

470

 

4,0

40

32

500

 

 

 

45

 

 

 

60

530

 

 

 

65

 

0,1

1

700

4

30

480

480

470

415

45

710

35

 

0,3

3

8

36

36

 

0,6

6

 

1,0

10

10

 

1,6

16

12

45

430

45

 

0,1

1

800

5

30

520

-

520

415

-

760

35

 

0,3

3

8

36

430

36

 

0,6

6

45

45

 

Пример условного обозначения кронштейна с размерами d = 30 мм, l = 345 мм и h = 415 мм из стали марки Ст3пс4:

Кронштейн 30-345-415-Ст3пс  ОСТ 26-2013-83.

3.6. Конструкция и размеры втулок, поз. 2, должны соответствовать указанным на черт. 6 и в табл. 3, втулок, поз. 5 подъемно-поворотных устройств исполнения 1 и 2, указанным на рисунке 6 и в таблице 4.

Рисунок 6

Таблица 3

В миллиметрах

Диаметр кронштейна, поз. 1

dн

S

h

30

38

3,5

30

36

45

4,0

45

57

5,0

50

60

4,0

60

73

6,0

70

83

6,0

Таблица 4

В миллиметрах

Диаметр кронштейна, поз. 1

dн

S

h

30

45

7

135

36

57

10

45

60

6

150

50

68

8

60

76

7

220

70

89

8

Пример условного обозначения втулки с размерами dн = 38 мм и S = 3,5 мм из стали марки 20:

Втулка 38-3,5-20     ОСТ 26-2013-83.

3.7. Конструкция и размеры рукояток, поз. 3 подъемно-поворотных устройств исполнения 1 и 2 должны соответствовать указанным на рисунке 7.

_____________

* Для справок

1. Ручка. 2. Гайка.

Рисунок 7

Пример условного обозначения рукоятки подъемно-поворотного устройства с шифром материального исполнения 1:

Рукоятка 1 ОСТ 26-2013-83.

3.8. Конструкция к размеры ручек, поз. 1, должны соответствовать указанным на рисунке 8.

Масса - 0,1* кг

_____________

* Для справок

Рисунок 8

Пример условного обозначения ручки из стали марки Ст3пс4:

Ручка Ст3пс4          ОСТ 26-2013-83.

3,9, Конструкция и размеры гаек, поз. 2, должны соответствовать указанным на рисунке 9.

 

Масса - 0,19* кг

_____________

* Для справок

Рисунок 9

Пример условного обозначения гайки из стали марки Ст3сп4:

Гайка Ст3сп4       ОСТ 26-2013-83.

3.10. Конструкция и размеры болтов поз. 4 должны соответствовать указанным на рисунке 10 и в таблице 5.

Рисунок 10

Таблица 5

В миллиметрах

Исполнение устройства

L

l

1

180

120

200

140

220

180

2

130

70

3

130

70

180

120

220

180

Пример условного обозначения болта с размером L = 200 мм из стали марки Ст3сп4:

Болт 200-Ст3сп4     ОСТ 26-2013-83.

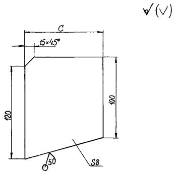
3.11. Конструкция и размеры ребер, поз. 6 подъемно-поворотных устройств исполнения 1 и 2 для люков с плоскими фланцами должны соответствовать указанным на рисунке 11 и в таблице 6.

Рисунок 11

Таблица 6

Размеры в миллиметрах

Давление условное

Диаметр внутренний люка

С

МПа

кгс/см2

0,1

1

700

 

0,3

3

600, 700, 800

51

0,6

6

450, 500, 600, 700, 800

 

0,1

1

800

57

1,6

16

700

1,0

10

400, 600, 700

59

1,6

16

400, 450, 500, 600

1,0

10

450, 500

61

Пример условного обозначения ребра с размером С = 51 мм из стали марки Ст3пс4:

Ребро 51-Ст3пс4     ОСТ 26-2013-83.

3.12. Конструкция и размеры ребер, поз. 6, подъёмно-поворотных устройств, исполнения 1, для люков с фланцами приварными встык должны соответствовать указанным на рисунке 12 и в таблице 7.

Рисунок 12

Таблица 7

Размеры в миллиметрах

Давление условное

Диаметр внутренний люка

Толщина обечайки люка

C

a

b

b1

МПа

кгс/см2

1,6

16

400

10

58

120

20

70

2,5

25

10

16

52

10

24

44

-

-

32

36

-

-

40

28

-

-

4,0

40

12

83

20

70

20

75

30

65

-

-

45

50

-

-

50

45

-

-

6,3

63

14

81

140

30

70

20

75

20

32

63

10

45

50

-

-

50

45

-

-

65

30

-

-

10,0

100

20

95

200

30

120

30

85

10

70

40

75

-

-

50

65

-

-

60

55

-

-

65

50

-

-

75

40

-

-

16,0

160

32

126

250

40

140

45

113

-

-

60

98

-

-

75

83

-

-

80

78

-

-

90

68

-

-

1,6

16

450

10

60

120

15

60

2,5

25

10

16

54

26

44

-

-

36

34

-

-

45

25

-

-

4,0

40

12

83

140

25

70

20

75

17

90

28

67

-

-

36

59

-

-

45

50

-

-

55

40

-

-

6,3

63

16

79

24

70

22

73

14

60

30

65

-

-

40

55

170

-

-

50

45

-

-

55

40

-

-

65

30

-

-

70

25

-

-

10,0

100

24

96

200

30

120

32

88

-

-

45

75

-

-

55

65

-

-

65

55

-

-

75

45

-

-

80

40

-

-

16,0

160

34

128

250

40

150

50

112

-

-

70

92

-

-

85

77

-

-

95

67

-

-

100

62

-

-

1,6

16

500

10

60

120

24

60

2,5

25

10

16

54

15

26

44

-

-

36

34

-

-

45

25

-

-

4,0

40

12

85

140

24

70

20

77

-

-

30

67

-

-

40

57

-

-

50

47

-

-

55

42

-

-

6,3

63

16

81

24

80

26

71

-

-

36

61

-

-

45

52

170

-

-

55

42

-

-

65

32

-

-

75

22

-

-

10,0

100

26

99

200

34

130

36

89

-

-

45

80

-

-

70

55

-

-

80

45

-

-

90

35

-

-

1,6

16

600

10

60

120

20

60

2,5

25

12

58

16

54

30

40

-

-

40

30

-

-

50

20

-

-

4,0

40

14

82

140

20

70

20

76

32

64

-

-

45

51

-

-

60

36

-

-

65

31

-

-

Пример условного обозначения ребра с размерами С = 60 мм, а = 120 мм из стали марки Ст3пс4:

Ребро 60-120 Ст3пс4                    ОСТ 26-2013-83

3.13. Конструкция и размеры скоб, поз. 3 подъемно-поворотных устройств исполнения 3, должны соответствовать указанным на рисунке 13 и в таблице 8.

Рисунок 13

Таблица 8

Размеры в миллиметрах

Давление условное

Диаметр внутренний люка

B

H

l

d1

l1

f

МПа

кгс/см2

1,0

10

400

100

200

70

32

35

50

1,6; 2,5; 4,0; 6,3;

16; 25; 40; 63;

120

90

47

45

10,0

100

16,0

160

62

0,6; 1,0

6; 10

450

100

70

32

35

1,6; 2,5; 4,0; 6,3

16; 25; 40; 63

120

90

47

45

10,0

100

62

16,0

160

72

60

0,6; 1,0

6; 10

500

100

70

32

35

50

1,6; 2,5; 4,0; 6,3

16; 25; 40; 6,3

120

250

90

52

45

10,0

100

62

0,3; 0,6

3; 6

600

100

200

70

32

35

1,0

10

38

1,6; 2,5

16; 25

120

250

90

52

45

4,0

40

62

0,1

1

700

120

250

90

32

45

0,3; 0,6; 1,0; 1,6

3; 6; 10; 16

38

0,1

1

800

32

0,3

3

38

0,61

6

47

Пример условного обозначения скобы с размерами В = 100 мм, Н = 200 мм и d1 = 32 мм из стали марки Ст3пс4:

Скоба 100-200-32-Ст3пс4    ОСТ 26-2013-83.

4. Материальное исполнение, пределы применения в зависимости от температуры, технические требования и маркировка по ОСТ 26-2015.

5. Масса подъемно-поворотных устройств и их деталей указана в справочном приложении А.

6. Конструкция и размеры шайб, поз. 9, рисунок 1, 2 и поз. 8 рисунок 3 должны соответствовать указанным на черт. 14 и в табл. 9.

Рисунок 14

Таблица 9

В миллиметрах

Диаметр кронштейна, поз. 1

d1

D

30

31

45

36

37

57

45

48

60

50

52

68

60

62

76

70

73

89

Пример условного обозначения шайбы для кронштейна диаметром 30 мм из стали марки Ст3сп4:

Шайба 30-Ст3сп4   ОСТ 26-2013-83.


Приложение А
(справочное)

Таблица A.1

Масса подъемно-поворотных устройств

Давление условное

Диаметр внутренний люка, мм

Толщина стенки обечайки люка, мм

Наименование

 

Кронштейн, поз. 1

Ребро, поз. 6

Болт, поз. 4

Скоба, поз. 3

Рукоятка, поз. 3

Втулка

Шайба поз. 9, рис. 1, 2; поз. 8 рис. 3

Устройство

 

поз. 5

поз. 2

 

МПа

кгс/см2

Масса, кг, при исполнении устройства

 

1

2

3

1

2

1

2

3

3

1

2

1

2

1; 3

2

1; 2; 3

1

2

3

 

1,0

10

400

8

3,86

-

4,15

0,4

-

0,52

-

0,41

2,00

0,41

-

0,89

-

0,09

-

0,05

6,74

-

7,22

 

1,6

16

8,75

10,4

0,45

2,75

1,20

0,19

0,06

12,12

14,37

10

2,5

25

16

10,70

14,67

 

24

10,83

0,49

12,16

14,80

 

32

11,00

14,98

 

40

11,10

 

4,0

40

12

9,31

10,86

0,59

12,83

14,84

 

20

11,20

10,49

12,73

15,18

 

30

11,35

0,45

12,69

15,33

 

45

11,58

0,38

12,61

15,56

 

50

0,34

12,57

 

6,3

63

14

11,20

0,65

12,89

15,18

 

20

11,40

0,57

12,81

15,38

 

32

11,60

0,50

12,75

15,58

 

45

11,83

0,44

12,67

15,81

 

50

0,40

12,63

 

65

12,20

0,26

12,49

16,19

 

10,0

100

20

9,56

12,08

1,06

13,55

16,07

 

30

12,21

1,00

13,49

16,20

 

40

12,45

0,91

13,40

16,44

 

50

12,67

0,81

13,24

16,6

 

60

12,80

0,69

13,18

16,8

 

65

12,94

0,62

13,11

16,9

 

75

13,22

0,50

13,00

17,22

 

16,0

160

32

19,43

23,65

1,79

2,54

2,62

0,30

0,09

25,84

27,62

 

45

24,32

1,57

25,61

28,3

 

60

1,45

25,49

 

75

25,43

1,28

25,32

29,48

 

80

1,22

25,26

 

90

1,06

25,10

 

0,6

6

450

8

3,86

4,47

0,35

0,52

0,41

2,00

0,41

0,89

0,09

0,05

6,69

7,54

 

1,0

10

0,41

0,19

6,75

 

1,6

16

10

 

8,68

10,93

0,42

0,41

0,41

2,75

0,41

1,20

1,20

0,19

0,06

12,65

11,96

14,91

 

2,5

25

9,31

 

-

-

-

-

-

16

 

26

11,56

0,31

12,54

15,54

 

36

0,26

12,50

 

45

0,19

12,42

 

4,0

40

12

9,56

11,43

0,72

13,21

15,41

 

20

11,68

0,68

13,17

15,66

 

28

12,06

0,59

13,08

16,05

 

36

0,50

13,00

 

45

0,44

12,93

 

55

12,31

0,35

12,84

16,3

 

6,3

63

16

12,88

-

15,04

0,67

-

-

2,75

-

1,78

-

0,17

0,09

17,10

19,07

 

22

0,61

17,05

 

30

15,19

0,55

16,99

19,22

 

40

0,59

16,95

 

50

15,35

0,48

16,92

19,38

 

55

0,43

16,87

 

65

15,96

0,32

16,75

20,00

 

70

0,27

16,70

 

10,0

100

24

19,21

23,10

1,06

2,54

2,62

0,30

24,87

27,13

 

32

1,01

24,82

 

45

24,21

0,91

24,72

28,25

 

55

0,81

24,62

 

65

0,69

24,50

 

75

24,65

0,56

24,37

28,69

 

80

24,87

0,50

24,31

28,92

 

16,0

160

34

28,57

34,16

1,78

2,38

3,52

0,34

0,12

36,04

38,20

 

50

35,97

1,61

35,86

40,04

 

70

36,87

1,40

35,65

40,94

 

85

1,22

35,47

 

95

1,06

35,40

 

100

0,97

35,22

 

0,6

6

500

8

4,00

4,86

0,35

0,52

2,00

0,89

0,09

0,05

6,83

8,34

 

1,0

10

4,00

0,41

0,41

0,41

0,41

0,89

0,09

6,89

6,78

 

1,6

16

10

11,80

11,11

14,5

0,42

3,04

1,78

1,78

0,17

0,17

0,09

15,78

14,95

17,64

 

2,5

25

 

14,50

0,42

-

-

-

1,78

-

0,17

-

15,77

-

18,82

 

16

 

0,33

15,68

 

26

 

15,11

0,28

15,63

19,43

 

36

 

0,25

15,59

 

45

 

0,20

15,54

 

4,0

40

12

 

15,96

0,69

16,47

 

20

 

0,68

16,49

 

30

 

0,59

16,40

 

40

 

0,50

16,30

 

50

 

0,41

16,22

 

55

 

0,37

16,18

 

6,3

63

16

 

15,58

0,66

16,47

19,91

 

26

 

16,04

0,62

16,43

20,37

 

36

 

0,53

16,34

 

45

 

16,19

0,56

16,37

20,52

 

55

 

0,45

16,26

 

65

 

16,66

0,34

16,15

21,00

 

75

 

0,23

16,04

 

10,0

100

26

20,77

 

24,43

1,09

2,90

2,62

0,30

26,48

28,85

 

36

 

0,98

26,37

 

45

 

26,20

0,81

26,20

30,63

 

70

 

0,69

26,08

 

80

 

0,56

25,95

 

90

 

0,44

25,83

 

0,3

3

600

8

4,30

4,30

5,41

0,35

0,35

0,52

0,41

0,41

2,00

0,41

0,41

0,89

0,89

0,09

0,09

0,05

7,19

7,02

8,48

 

0,6

6

 

1,0

10

10

6,20

6,20

7,80

0,40

0,40

1,95

1,56

1,56

0,12

0,12

0,09

9,9

9,71

10,89

 

1,6

16

12,57

12,57

16,04

0,42

3,04

1,78

1,78

0,17

0,17

16,5

16,41

20,37

 

2,5

25

12

-

0,40

-

-

-

-

-

-

 

16

0,39

 

30

16,96

0,37

16,43

21,30

 

40

0,31

16,4

 

50

0,27

 

4,0

40

14

18,77

21,21

1,06

2,90

2,62

0,30

24,43

28,62

 

20

24,43

0,75

24,12

28,84

 

32

25,09

0,68

24,05

29,5

 

45

0,60

23,96

 

60

25,76

0,39

23,76

30,2

 

65

0,28

23,65

 

0,1

1

700

4

4,61

4,61

6,19

0,35

0,35

0,41

3,24

0,41

0,89

0,89

0,09

0,09

0,06

7,44

7,33

10,50

 

0,3

3

8

6,64

5,64

8,91

3,19

1,56

1,56

0,12

0,12

0,09

10,21

10,1

13,27

 

0,6

6

 

1,0

10

10

 

1,6

16

12

10,56

10,56

13,93

0,40

0,40

1,20

1,20

0,19

0,19

0,06

13,90

13,79

18,38

 

0,1

1

800

5

4,83

-

6,75

0,39

-

-

3,24

-

0,89

-

0,09

-

0,05

7,71

-

11,07

 

0,3

3

8

7,08

9,71

0,35

3,19

1,56

0,12

0,09

10,66

14,08

 

0,6

6

11,06

13,93

3,10

1,20

0,19

0,06

14,35

18,30

 

Примечание - Масса крышек подсчитана при плотности стали 7,85 кгс/cм3.



© 2013 Ёшкин Кот :-)