ОТРАСЛЕВОЙ СТАНДАРТ
Приказом Министерства энергетики и
электрификации СССР срок введения установлен
с 01.05.1983 г.
Настоящий
стандарт распространяется на однолинзовые осевые компенсаторы Ду от 100 до 2200
мм, предназначенные для компенсации температурных изменений длины трубопроводов
только в осевом направлении, работающих в условиях неагрессивных и малоагрессивных
сред, с условным давлением Ру до 1,6 МПа (16 кгс/см2) и температурой
до 300 °С и для Ду £ 100 мм температурой до 425 °С.
1. КОНСТРУКЦИЯ И РАЗМЕРЫ ОДНОЛИНЗОВЫХ ОСЕВЫХ
КОМПЕНСАТОРОВ
1.1. Конструкция и размеры однолинзовых осевых
компенсаторов должны соответствовать указанным на черт. 1
и в табл. 1.
1.2. Сварка автоматическая или
полуавтоматическая в углекислом газе.
Проволока
СВ-08ГС или СВ-08Г2С по ГОСТ 2246-70*.
1.3. Неуказанные предельные отклонения
размеров ± .
1.4. Остальные технические требования по ОСТ
34-42-581-82.
Для
Ду £
350 мм
Исполнение
1

Исполнение
2
остальное
см. исполнение 1

* Размеры для справок.
Черт. 1
Для
Ду от 400 до 2200 мм
Исполнение 1

Исполнение
2
остальное
см. исполнение 1

* Размеры для справок.
Черт. 1
Вид А

Черт. 1
Таблица 1
Размеры в мм
|
Обозначение
компенсатора
|
Давление условное Ру, МПа (кгс/см2)
|
Проход условный Dу
|
Dн
|
D
|
L
|
S
|
S1
|
Техническая характеристика
|
Масса, кг
|
|
Компенсирующая способность1 D, мм
|
Жесткость линзы на сжатие, кН/см
|
Эффективная площадь, м2
|
Исполнение
1
|
Исполнение
2
|
|
01 ОСТ
34-42-569-82
|
0,6 (6)
|
100
|
108
|
259
|
365
|
4
|
2,5
|
5
|
12,85
|
0,025
|
5,5
|
5,6
|
|
02
|
125
|
133
|
284
|
14,60
|
0,033
|
7,0
|
7,1
|
|
03
|
150
|
159
|
309
|
4,5
|
16,45
|
0,041
|
9,0
|
9,1
|
|
04
|
200
|
219
|
369
|
6
|
20,70
|
0,065
|
14,3
|
14,4
|
|
05
|
250
|
273
|
422
|
7
|
5,5
|
24,60
|
0,091
|
20,1
|
20,2
|
|
06
|
300
|
325
|
473
|
8
|
28,40
|
0,121
|
24,0
|
24,1
|
|
07
|
350
|
377
|
525
|
9
|
32,15
|
0,155
|
32,0
|
32,1
|
|
08
|
400
|
426
|
575
|
35,70
|
0,193
|
37,4
|
37,5
|
|
09
|
450
|
478
|
627
|
7
|
39,50
|
0,235
|
35,1
|
35,2
|
|
10
|
500
|
530
|
679
|
8
|
43,30
|
0,282
|
42,6
|
42,7
|
|
11
|
600
|
630
|
779
|
50,60
|
0,385
|
50,0
|
50,1
|
|
12
|
700
|
720
|
869
|
57,10
|
0,490
|
58,6
|
58,8
|
|
13
|
800
|
820
|
967
|
9
|
64,40
|
0,623
|
73,0
|
73,1
|
|
14
|
900
|
920
|
1067
|
10
|
71,70
|
0,771
|
88,6
|
88,7
|
|
15
|
1000
|
1020
|
1167
|
465
|
79,00
|
0,934
|
128,0
|
128,0
|
|
16
|
1200
|
1220
|
1368
|
11
|
3
|
165,00
|
1,308
|
169,0
|
169,1
|
|
17
|
1400
|
1420
|
1568
|
14
|
190,00
|
1,745
|
234,0
|
234,1
|
|
18
|
1600
|
1620
|
1768
|
565
|
216,00
|
2,240
|
335,0
|
335,4
|
|
19
|
1800
|
1820
|
1968
|
10
|
241,70
|
2,800
|
286,0
|
286,8
|
|
20
|
2000
|
2040
|
2188
|
269,90
|
3,490
|
320,0
|
320,8
|
|
21
|
2200
|
2240
|
2388
|
12
|
295,40
|
4,190
|
408,0
|
408,1
|
|
22 ОСТ 34-42-569-82
|
1,0 (10)
|
100
|
108
|
260
|
365
|
4
|
4
|
22,55
|
0,025
|
5,7
|
5,8
|
|
23
|
125
|
133
|
285
|
25,65
|
0,033
|
7,4
|
7,5
|
|
24
|
150
|
159
|
310
|
4,5
|
28,90
|
0,041
|
9,6
|
9,7
|
|
25
|
200
|
219
|
370
|
6
|
36,40
|
0,065
|
15,5
|
15,6
|
|
26
|
250
|
273
|
423
|
7
|
43,25
|
0,091
|
21,1
|
21,2
|
|
27
|
300
|
325
|
474
|
8
|
49,90
|
0,121
|
24,8
|
24,9
|
|
28
|
350
|
377
|
526
|
9
|
56,50
|
0,155
|
33,7
|
33,9
|
|
29
|
400
|
426
|
576
|
62,70
|
0,193
|
38,2
|
38,3
|
|
30
|
450
|
478
|
628
|
7
|
69,40
|
0,235
|
36,5
|
36,6
|
|
31 ОСТ 34-42-569-82
|
500
|
530
|
680
|
8
|
76,00
|
0,282
|
44,0
|
44,1
|
|
32
|
600
|
630
|
780
|
88,90
|
0,385
|
52,2
|
52,3
|
|
33 ОСТ 34-42-569-82
|
1,0 (10)
1,6 (16)
|
700
|
720
|
872
|
4
|
3,5
|
246,00
|
0,490
|
64,0
|
64,2
|
|
34
|
800
|
820
|
970
|
9
|
278,00
|
0,623
|
78,8
|
78,9
|
|
35
|
900
|
920
|
1070
|
10
|
309,00
|
0,771
|
95,0
|
95,2
|
|
36
|
1000
|
1020
|
1170
|
465
|
341,00
|
0,934
|
136,3
|
136,4
|
|
37
|
1200
|
1220
|
1370
|
11
|
404,00
|
1,308
|
174,8
|
174,9
|
|
38
|
1400
|
1420
|
1570
|
14
|
467,00
|
1,745
|
242,3
|
242,5
|
|
39 ОСТ 34-42-569-82
|
1,6 (16)
|
100
|
108
|
262
|
365
|
4
|
3
|
55,20
|
0,025
|
6,7
|
6,8
|
|
40
|
125
|
133
|
287
|
62,75
|
0,033
|
8,3
|
8,4
|
|
41
|
150
|
159
|
312
|
4,5
|
70,70
|
0,041
|
10,8
|
10,9
|
|
42
|
200
|
219
|
372
|
6
|
89,20
|
0,065
|
16,7
|
16,8
|
|
43
|
250
|
273
|
425
|
7
|
106,00
|
0,091
|
22,3
|
22,4
|
|
44
|
300
|
325
|
476
|
8
|
122,20
|
0,121
|
26,6
|
26,7
|
|
45
|
350
|
377
|
528
|
9
|
138,45
|
0,155
|
35,9
|
36,0
|
|
46
|
400
|
426
|
578
|
9
|
3,5
|
154,00
|
0,193
|
41,2
|
41,3
|
|
47
|
450
|
478
|
630
|
7
|
170,00
|
0235
|
39,3
|
39,4
|
|
48
|
500
|
530
|
682
|
8
|
186,00
|
0,282
|
47,4
|
47,5
|
|
49 ОСТ 34-42-569-82
|
600
|
630
|
782
|
218,00
|
0,385
|
56,2
|
56,3
|
1 при 1000 циклах
нагружения. При расчете технической характеристики использована Методика,
разработанная в НПО ЦКТИ им. И.И. Ползунова и ИП МАШ АНУ ССР.
Пример
условного обозначения компенсатора однолинзового осевого исполнение 1 Ру £
0,6 МПа (6 кгс/см2) и Ду 200 мм:
Компенсатор
0,6 (6)-200-1 04 ОСТ 34-42-569-82
Таблица 2
|
Обозначение
компенсатора
|
Поз. 1
Полулинза
Кол. 2
|
Поз. 2
Патрубок
Кол. 3
|
Поз. 3
Стакан
Кол. 1
|
Поз. 4
Трубка дренажная
Кол. 1
|
Поз. 5
Гайка колпачковая
Кол. 1
|
Поз. 6
Прокладка Паронит ПОН 1
ГОСТ 481-80
|
|
Обозначение
|
Размеры, мм
|
Масса, кг
|
|
01 ОСТ
34-42-569-82
|
1-01 ОСТ
34-42-569-82
|
2-01 ОСТ
34-42-569-82
|
3-01 ОСТ 34-42-569-82
|
4-01 ОСТ
34-42-569-82
|
5-01 ОСТ
34-42-569-82
|
Æ 11,5 ´ 1
|
0,001
|
|
02
|
1-02
|
2-02
|
3-05
|
|
03
|
1-03
|
2-03
|
3-09
|
|
04
|
1-04
|
2-04
|
3-13
|
|
05
|
1-05
|
2-05
|
3-17
|
|
06
|
1-06
|
2-06
|
3-21
|
|
07
|
1-07
|
2-07
|
3-25
|
|
08
|
1-08
|
2-08
|
3-29
|
|
09
|
1-09
|
2-09
|
3-33
|
|
10
|
1-10
|
2-10
|
3-37
|
|
11
|
1-11
|
2-11
|
3-41
|
|
12
|
1-12
|
2-12
|
3-45
|
|
13
|
1-13
|
2-13
|
3-49
|
|
14
|
1-14
|
2-14
|
3-53
|
|
15
|
1-15
|
2-15
|
3-57
|
|
16
|
1-16
|
2-16
|
3-61
|
|
17
|
1-17
|
2-17
|
3-65
|
|
18
|
1-18
|
2-18
|
3-69
|
|
13
|
1-19
|
2-19
|
3-73
|
|
20
|
1-20
|
2-20
|
3-77
|
|
21
|
1-21
|
2-21
|
3-81
|
|
22
|
1-22
|
2-01
|
3-01
|
|
23
|
1-23
|
2-02
|
3-05
|
|
24
|
1-24
|
2-03
|
3-09
|
|
25
|
1-25
|
2-04
|
3-13
|
|
26
|
1-26
|
2-05
|
3-17
|
|
27
|
1-27
|
2-06
|
3-21
|
|
28
|
1-28
|
2-07
|
3-25
|
|
29
|
1-29
|
2-08
|
3-29
|
|
30
|
1-30
|
2-09
|
3-33
|
|
31
|
1-31
|
2-10
|
3-37
|
|
32
|
1-32
|
2-11
|
3-41
|
|
33
|
1-33
|
2-12
|
3-45
|
|
34
|
1-34
|
2-13
|
3-49
|
|
35
|
1-35
|
2-14
|
3-53
|
|
36
|
1-36
|
2-15
|
3-57
|
|
37
|
1-37
|
2-16
|
3-61
|
|
38
|
1-38
|
2-17
|
3-65
|
|
39
|
1-39
|
2-01
|
3-01
|
|
40
|
1-40
|
2-02
|
3-05
|
|
41
|
1-41
|
2-03
|
3-09
|
|
42
|
1-42
|
2-04
|
3-13
|
|
43
|
1-43
|
2-05
|
3-17
|
|
44
|
1-44
|
2-06
|
3-21
|
|
45
|
1-45
|
2-07
|
3-25
|
|
46
|
1-46
|
2-08
|
3-29
|
|
47
|
1-47
|
2-09
|
3-33
|
|
48
|
1-48
|
2-10
|
3-37
|
|
49 ОСТ
34-42-569-82
|
1-49 ОСТ 34-42-569-82
|
2-11 ОСТ 34-42-569-82
|
3-41 ОСТ 34-42-569-82
|
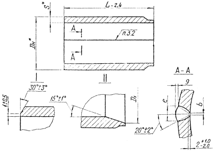
2. КОНСТРУКЦИЯ И РАЗМЕРЫ ПОЛУЛИНЗ
2.1 Конструкция и
размеры полулунз должны соответствовать указанным на черт. 2
и в табл. 3.
Для Ду £
350 мм

Для
Ду от 400 до 2200 мм

* Размеры для справок.
** Допуски на данные размеры обеспечиваются
технологической оснасткой.
Черт.
2
Таблица
3
Размеры
в мм
|
Обозначение
полулинзы
|
Давление условное Ру, МПа (кгс/см2)
|
Проход условный Dу
|
Д
|
Дв
|
S
|
D1
|
Dв1
|
L
|
B
|
Масса, кг
|
|
Номин.
|
Пред. откл.
|
Номин.
|
Пред. откл.
|
|
1-01 ОСТ 34-42-569-82
|
0,6 (6)
|
100
|
259
|
±1,2
|
104
|
+0,3
|
2,5
|
273
|
82
|
-
|
-
|
1,1
|
|
1-02
|
125
|
284
|
129
|
+0,4
|
299
|
107
|
1,2
|
|
1-03
|
150
|
309
|
154
|
324
|
132
|
1,3
|
|
1-04
|
200
|
369
|
±2,0
|
214
|
384
|
192
|
1,5
|
|
1-05
|
250
|
422
|
267
|
438
|
246
|
2,0
|
|
1-06
|
300
|
473
|
318
|
+0,6
|
488
|
296
|
2,4
|
|
1-07
|
350
|
525
|
370
|
540
|
348
|
2,8
|
|
1-08
|
400
|
575
|
420
|
-
|
-
|
780
|
193
|
3,1
|
|
1-09
|
450
|
627
|
472
|
862
|
3,4
|
|
1-10
|
500
|
679
|
524
|
945
|
3,6
|
|
1-11
|
600
|
779
|
624
|
1101
|
4,2
|
|
1-12
|
700
|
869
|
714
|
1242
|
4,7
|
|
1-13
|
800
|
967
|
812
|
1400
|
5,4
|
|
1-14
|
900
|
1067
|
±3,0
|
912
|
1556
|
6,2
|
|
1-15
|
1000
|
1167
|
1012
|
+1,0
|
1713
|
6,6
|
|
1-16
|
1200
|
1368
|
1212
|
3
|
2028
|
9,3
|
|
1-17
|
1400
|
1568
|
1412
|
2342
|
10,6
|
|
1-18
|
1600
|
1768
|
1612
|
2656
|
12,0
|
|
1-19
|
1800
|
1968
|
1812
|
2970
|
13,5
|
|
1-20
|
2000
|
2188
|
±5,0
|
2032
|
+1,6
|
3315
|
15,0
|
|
1-21
|
2200
|
2388
|
2232
|
3630
|
16,5
|
|
1-22
|
1,0 (10)
|
100
|
260
|
±1,2
|
104
|
+0,3
|
273
|
82
|
-
|
-
|
1,3
|
|
1-23
|
125
|
285
|
129
|
+0,4
|
298
|
107
|
1,4
|
|
1-24
|
150
|
310
|
154
|
324
|
132
|
1,6
|
|
1-25
|
200
|
370
|
±2,0
|
214
|
384
|
192
|
2,1
|
|
1-26
|
250
|
423
|
267
|
438
|
246
|
2,5
|
|
1-27
|
300
|
474
|
318
|
+0,6
|
488
|
296
|
2,8
|
|
1-28
|
350
|
526
|
370
|
540
|
348
|
3,2
|
|
1-29
|
400
|
576
|
420
|
-
|
-
|
780
|
193
|
3,5
|
|
1-30
|
450
|
628
|
472
|
862
|
4,0
|
|
1-31
|
500
|
680
|
524
|
945
|
4,3
|
|
1-32
|
600
|
780
|
624
|
1101
|
5,0
|
|
1-33
|
1,0 (10)
1,6 (16)
|
700
|
872
|
714
|
4
|
-
|
-
|
1242
|
7,5
|
|
1-34
|
800
|
970
|
812
|
1400
|
8,5
|
|
1-35
|
900
|
1070
|
±3,0
|
912
|
1556
|
9,5
|
|
1-36
|
1000
|
1170
|
1012
|
+1,0
|
1713
|
10,4
|
|
1-37
|
1200
|
1370
|
1212::
|
2028
|
12,3
|
|
1-38
|
1400
|
1570
|
1412
|
2342
|
14,2
|
|
1-39
|
1,6 (16)
|
100
|
262
|
±1,2
|
104
|
+0,3
|
276
|
84
|
-
|
-
|
1,7
|
|
1-40
|
125
|
287
|
129
|
+0,4
|
301
|
109
|
1,9
|
|
1-41
|
150
|
312
|
154
|
326
|
134
|
2,2
|
|
1-42
|
200
|
372
|
±2,0
|
214
|
386
|
194
|
2,7
|
|
1-43
|
250
|
425
|
267
|
439
|
247
|
3,2
|
|
1-44
|
300
|
476
|
318
|
+0,6
|
492
|
298
|
3,7
|
|
1-45
|
350
|
528
|
370
|
542
|
350
|
4,2
|
|
1-46
|
400
|
578
|
420
|
-
|
-
|
780
|
193
|
5,0
|
|
1-47
|
450
|
630
|
472
|
862
|
5,5
|
|
1-48
|
500
|
682
|
524
|
945
|
6,0
|
|
1-49 ОСТ
34-42-569-82
|
600
|
782
|
624
|
1101
|
7,0
|
Пример условного обозначения полулинзы с
диаметром Дв = 420 мм, Д = 575 мм и толщиной стенки 2,5 мм.
Полулинза
1-08 ОСТ 34-42-569-82
2.2. Материал: лист или лист при температуре t
£ 300 °С
и лист при температуре t
£ 425 °С.
2.5. Остальные технические
требования по ОСТ 34-42-581-82.
3. КОНСТРУКЦИЯ И РАЗМЕРЫ ПАТРУБКОВ
3.1. Конструкция и размеры патрубков
должны соответствовать указанным на черт. 3 и в табл. 4

Вариант
изготовления из листа

* Размеры для справок.
Черт.
3
Таблица 4
Размеры в мм
|
Обозначение
патрубка
|
Dн
|
S
|
Dв
|
D1
|
L
|
b
|
e
|
g
|
Масса, кг
|
Материал
|
|
Номин.
|
Пред. откл.
|
Номин.
|
Пред. откл.
|
Номин.
|
Пред. откл.
|
Номин.
|
Пред. откл.
|
Номин.
|
Пред. откл.
|
Марка стали
|
Технические требования
|
|
2-01 ОСТ
34-42-569-82
|
108
|
4
|
104
|
-0,35
|
-
|
-
|
150
|
-
|
-
|
-
|
-
|
-
|
-
|
1,2
|
Сталь 20
ГОСТ 1050-74*
|
ГОСТ 8731-74*
гр. В
|
|
2-02
|
133
|
129
|
-0,4
|
1,7
|
|
2-03
|
159
|
4,5
|
154
|
2,5
|
|
2-04
|
219
|
6
|
214
|
-0,46
|
4,6
|
|
2-05
|
273
|
7
|
267
|
-0,52
|
6,8
|
|
2-06
|
325
|
8
|
318
|
-0,57
|
8,1
|
|
2-07
|
377
|
9
|
370
|
12,0
|
|
2-08
|
426
|
420
|
-0,63
|
13,6
|
|
2-09
|
478
|
7
|
472
|
11,9
|
ГОСТ 10705-80
гр. В
|
|
2-10
|
530
|
8
|
524
|
-0,7
|
15,2
|
17ГС, 17Г1С
ГОСТ 19282-73
|
ТУ 14-3-620-77
|
|
2-11
|
630
|
624
|
18,1
|
Сталь 20
ГОСТ 1050-74*
|
ТУ 14-3-808-78
|
|
2-12
|
720
|
8
|
714
|
-0,8
|
21,1
|
17ГС
17Г1С
17Г1С-у
|
ТУ 14-3-620-77
|
|
2-13
|
820
|
9
|
812
|
-0,9
|
27,0
|
|
2-14
|
920
|
10
|
912
|
906
|
+2,3
|
33,7
|
Сталь 20
ГОСТ 1050-74*
|
ТУ 14-3-808-78
|
|
2-15
|
1020
|
1012
|
-1,05
|
1006
|
+2,6
|
200
|
49,8
|
17ГС
17Г1С
17Г1С-у
|
ТУ 14-3-620-77
|
|
2-16
|
1220
|
11
|
1212
|
1206
|
65,6
|
|
2-17
|
1420
|
14
|
1412
|
-0,3
|
1406
|
+3,1
|
96,1
|
Сталь 20 ГОСТ 1050-74*
|
ТУ 14-3-808-78
|
|
2-18
|
1620
|
1612
|
1606
|
+3,7
|
250
|
138
|
|
2-19
|
1820
|
10
|
1812
|
1806
|
1,0
|
±1,0
|
10
|
±2
|
1,0
|
±1,0
|
110
|
ГОСТ 1577-70*
|
|
2-20
|
2040
|
2032
|
-0,5
|
2026
|
+4,4
|
123
|
|
2-21 ОСТ 34-42-569-82
|
2240
|
12
|
2232
|
2226
|
2,0
|
+1,0
-2,0
|
13
|
±3
|
163
|
Пример условного обозначения патрубка диаметром Dн = 219 мм с толщиной стенки S = 6 мм и длиной L = 150 мм:
Патрубок
2-04 ОСТ 34-42-569-82
3.2 Сварка автоматическая или
полуавтоматическая в углекислом газе. Проволока СВ-08 ГС или СВ-08 Г2С по ГОСТ 2246-70*.
3.3. При изготовлении из листа
предельные отклонения Dн по h 14.
4. Конструкция и размеры стаканов
4.1. Конструкция и размеры стаканов
должны соответствовать указанным на черт. 4 и в табл. 5.

* Размер для справок.
Черт. 4
Таблица
5
Размеры
в мм
|
Обозначение
стакана
|
Проход условный
|
D1
|
L
|
Длина развертки
|
Масса, кг
|
|
Номин.
|
Пред. откл.
|
Номин.
|
Пред. откл.
|
|
3-01 ОСТ
34-42-569-82
|
100
|
97
|
-1,0
|
160
|
-2,4
|
300
|
0,95
|
|
3-02
|
230
|
1,37
|
|
3-03
|
290
|
1,72
|
|
3-04
|
360
|
-4,0
|
2,14
|
|
3-05
|
125
|
122
|
160
|
-2,4
|
378
|
1,19
|
|
3-06
|
230
|
1,71
|
|
3-07
|
290
|
2,15
|
|
3-08
|
360
|
-4,0
|
2,67
|
|
3-09
|
150
|
147
|
160
|
-2,4
|
454
|
1,43
|
|
3-10
|
230
|
2,05
|
|
3-11
|
290
|
2,58
|
|
3-12
|
360
|
-4,0
|
3,20
|
|
3-13
|
200
|
214
|
-1,3
|
160
|
-2,4
|
633
|
2,13
|
|
3-14
|
230
|
2,86
|
|
3-15
|
290
|
3,60
|
|
3-16
|
360
|
-4,0
|
4,47
|
|
3-17
|
250
|
256
|
160
|
-2,4
|
796
|
2,50
|
|
3-18
|
230
|
3,59
|
|
3-19
|
290
|
4,53
|
|
3-20
|
360
|
-4,0
|
5,62
|
|
3-21
|
300
|
306
|
160
|
-2,4
|
954
|
3,01
|
|
3-22
|
230
|
4,33
|
|
3-23
|
290
|
5,46
|
|
3-24
|
360
|
-4,0
|
6,78
|
|
3-25
|
350
|
356
|
-1,6
|
160
|
-2,4
|
1110
|
3,49
|
|
3-26
|
230
|
5,01
|
|
3-27
|
290
|
6,32
|
|
3-28
|
390
|
-4,0
|
7,84
|
|
3-29
|
400
|
409
|
160
|
-2,4
|
1277
|
4,00
|
|
3-30
|
230
|
5,75
|
|
3-31
|
290
|
7,26
|
|
3-32
|
360
|
-4,0
|
9,02
|
|
3-33
|
450
|
461
|
160
|
-2,4
|
1440
|
4,51
|
|
3-34
|
230
|
6,49
|
|
3-35
|
290
|
8,18
|
|
3-36
|
360
|
-4,0
|
9,90
|
|
3-37
|
500
|
511
|
160
|
-2,4
|
1600
|
5,01
|
|
3-38
|
230
|
7,21
|
|
3-39
|
290
|
9,09
|
|
3-40
|
360
|
-4,0
|
11,30
|
|
3-41
|
600
|
611
|
160
|
-2,4
|
1912
|
6,00
|
|
3-42
|
230
|
8,63
|
|
3-43
|
290
|
10,88
|
|
3-44
|
360
|
-4,0
|
13,51
|
|
3-45
|
700
|
701
|
160
|
-2,4
|
2194
|
6,88
|
|
3-46
|
230
|
9,89
|
|
3-47
|
290
|
12,47
|
|
3-48
|
360
|
-4,0
|
15,51
|
|
3-49
|
800
|
799
|
160
|
-2,4
|
2502
|
7,85
|
|
3-50
|
230
|
11,28
|
|
3-51
|
290
|
14,22
|
|
3-52
|
360
|
-4,0
|
17,67
|
|
3-53
|
900
|
897
|
160
|
-2,4
|
2816
|
8,83
|
|
3-54
|
230
|
12,69
|
|
3-55
|
290
|
16,01
|
|
3-56
|
360
|
-4,0
|
19,89
|
|
3-57
|
1000
|
997
|
-2,4
|
260
|
-2,4
|
3124
|
15,89
|
|
3-58
|
330
|
-4,0
|
20,17
|
|
3-59
|
390
|
23,24
|
|
3-60
|
450
|
27,50
|
|
3-61
|
1200
|
1195
|
260
|
-2,4
|
3746
|
19,09
|
|
3-62
|
330
|
-4,0
|
24,23
|
|
3-63
|
390
|
28,64
|
|
3-64
|
450
|
33,05
|
|
3-65
|
1400
|
1389
|
260
|
-2,4
|
4356
|
21,89
|
|
3-66
|
330
|
-4,0
|
27,78
|
|
3-67
|
390
|
32,82
|
|
3-68
|
450
|
37,87
|
|
3-69
|
1600
|
1589
|
360
|
5009
|
35,37
|
|
3-70
|
430
|
42,25
|
|
3-71
|
490
|
48,15
|
|
3-72
|
550
|
57,43
|
|
3-73
|
1800
|
1797
|
360
|
5638
|
39,70
|
|
3-74
|
430
|
47,55
|
|
3-75
|
490
|
54,18
|
|
3-76
|
550
|
60,82
|
|
3-77
|
2000
|
2017
|
-4,0
|
360
|
6329
|
44,68
|
|
3-78
|
430
|
53,38
|
|
3-79
|
490
|
60,83
|
|
3-80
|
550
|
68,28
|
|
3-81
|
2200
|
2213
|
360
|
6945
|
49,03
|
|
3-82
|
430
|
58,57
|
|
3-83
|
490
|
66,75
|
|
3-84 ОСТ
34-42-569-82
|
550
|
74,92
|
Пример условного обозначения стакана с
диаметром Д1 = 256 мм и длиной L = 230 мм:
Стакан
3-18 ОСТ 34-42-569-82
4.2. Материал: лист 
4.3. Остальные технические
требования по ОСТ 34-42-581-82.
5. КОНСТРУКЦИЯ И РАЗМЕРЫ ДРЕНАЖНОЙ ТРУБКИ
5.1. Конструкция и размеры дренажной
трубки должны соответствовать указанным на черт. 5

* Размеры для справок. Масса
- не более 0,04 кг
Черт. 5
Условное
обозначение дренажной трубки:
Трубка
дренажная 4-01 ОСТ 34-42-569-82
5.2. Материал: труба 
5.3. Остальные технические
требования по ОСТ 34-42-581-82
6. КОНСТРУКЦИЯ И РАЗМЕРЫ КОЛПАЧКОВОЙ ГАЙКИ
6.1. Конструкция и размеры колпачковой гайки
должны соответствовать указанным на черт. 6

* Размеры для справок.
Масса - не более 0,05 кг
Черт. 6
Условное
обозначение колпачковой гайки:
Гайка
колпачковая 5-01 ОСТ 34-42-569-82
6.2. Материал: шестигранник 
6.3. Остальные технические требования по ОСТ
34-42-381-82
Лист
регистрации изменений
ОСТ 34-42-569-82
|
Изм.
|
Номер листов (страниц)
|
Номер документа
|
Подпись
|
Дата
|
Срок введения изм.
|
|
измененных
|
замененных
|
новых
|
аннулированных
|
|
|
|
|
|
|
|
|
|
|
СОДЕРЖАНИЕ
|