Информационная система
«Ёшкин Кот»

XXXecatmenu

ОТРАСЛЕВОЙ СТАНДАРТ

Плиты закладные сварные и литые турбоагрегатов

ПЛИТЫ ЗАКЛАДНЫЕ ЛИТЫЕ СИММЕТРИЧНЫЕ

Конструкция и размеры

ОСТ
34-10-471-89

Взамен
ОСТ 34-42-471-80

Приказом Министерства энергетики и электрификации СССР от 14.12.89 № 167а срок действия установлен

с 01.02.90

до 01.02.95

Несоблюдение стандарта преследуется по закону

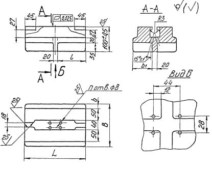
1. Настоящий стандарт распространяется на плиты закладные литые симметричные длиной от 200 до 720 мм для турбин и генераторов мощностью 50 - 1200 МВт, устанавливаемых на постоянных подкладках.

2. Конструкция и размеры плит закладных должны соответствовать указанным на чертеже и в таблице.

Исполнение 1

Исполнение 2

Размеры в мм

Обозначение плиты закладной

Исполнение

L

B

b

b1

l

l1

n отв.

Масса, кг

01 ОСТ 34-10-471-89

1

200

170

15

75

90

-

4

15,2

02

250

180

20

80

115

19,4

03

230

45

105

21,6

04

330

155

28,1

05

2

380

180

20

80

100

140

8

30,7

06

450

120

170

34,8

07

530

160

40,7

08

580

220

44,4

09

630

185

48,1

10 ОСТ 34-10-471-89

720

230

54,5

Пример условного обозначения плиты закладной литой симметричной длиной 380 мм и шириной 180 мм:

плита закладная 05 ОСТ 34-10-471-89.

3. Материал - Отливка 25Л-II ГОСТ 977-75.

4. Припуски на механическую обработку, допуски на размеры и массу отливки должны соответствовать II классу точности ГОСТ 2009-55, а формовочные уклоны - ГОСТ 3212-80.

5. Отливка должна быть очищена от песка и окалины, прибыли и литники - удалены, а места их расположения - зачищены в пределах допусков.

6. Отливка должна подвергаться термической обработке, обеспечивающей механические свойства, соответствующие требованиям ГОСТ 977-75.

7. На обрабатываемых поверхностях отливки не допускаются поверхностные дефекты, превышающие по глубине 2/3 припуска на механическую обработку.

8. Неуказанные литейные радиусы 8 мм.

9. Неуказанные предельные отклонения размеров: отверстий по Н14, валов по h14, остальных ±.

 

 



© 2013 Ёшкин Кот :-)