Информационная система
«Ёшкин Кот»

XXXecatmenu

ОТРАСЛЕВОЙ СТАНДАРТ

ПЛИТЫ ЗАКЛАДНЫЕ СВАРНЫЕ ДЛЯ УСТАНОВКИ ДИНАМОМЕТРА

Конструкция и размеры

ОСТ
34-10-470-89

Взамен
ОСТ 34-42-470-89

Приказом Министерства энергетики и электрификации СССР от 14.12.89 № 167а срок действия установлен

с 01.02.90

до 01.02.95

Несоблюдение стандарта преследуется по закону

1. Настоящий стандарт распространяется на плиты закладные сварные для установки динамометра для турбин и генераторов мощностью 50 - 1200 МВт, устанавливаемых на постоянных подкладках.

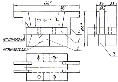
2. Конструкция и размеры плит закладных должны соответствовать указанным на чертеже и в табл. 1 и 2.

Исполнение 1

* Размеры для справок

Исполнение 2

* Размеры для справок

Таблица 1

Обозначение плиты закладной

Исполнение

Масса, кг

01 ОСТ 34-10-470-89

1

2,6

02 ОСТ 34-10-470-89

2

3,0

Пример условного обозначения плиты закладной сварной для установки динамометра исполнения 1:

ПЛИТА ЗАКЛАДНАЯ 01 ОСТ 34-10-470-89

Таблица 2

Обозначение плиты закладной

Поз. 1

Лист опорный

Кол. 1

Поз. 2

Ребро

Кол. 2

Поз. 3

Ребро

Кол. 1

Поз. 4

Упор

Кол. 4

Размеры в мм

Масса, кг

Размеры в мм

Масса, кг

Размеры в мм

Масса, кг

Обозначение

Ширина

Длина

Ширина

Длина

Ширина

Длина

01 ОСТ 34-10-470-89

80

120

1,51

35

30

0,16

35

120

0,66

 

02 ОСТ 34-10-470-89

1-01 ОСТ 34-10-470-89

2.1. Материал поз. 1, 2, 3 - Лист .

2.2. Сварку производить электродами Э42 ГОСТ 9467-75.

2.3. Плита закладная после сварки подвергается термической обработке с целью снятия остаточных напряжений.

2.4. Предельные отклонения размеров: отверстий по Н14, валов по h14, остальных ±.

3. Конструкция и размеры упора должны соответствовать указанным на чертеже.

Масса - не более 0,1 кг

* Размер для справок

Черт. 2.

Пример условного обозначения упора:

УПОР I-01 ОСТ 34-10-470-89

3.1. Материал - Лист .

3.2. Предельные отклонения размеров: валов по h14, остальных ±.

 

 



© 2013 Ёшкин Кот :-)