Информационная система
«Ёшкин Кот»

XXXecatmenu

ГОСУДАРСТВЕННЫЙ КОМИТЕТ СССР ПО СТАНДАРТАМ

Всесоюзный научно-исследовательский институт
метрологической службы
(ВНИИМС)

УТВЕРЖДАЮ

Зам. директора ВНИИМС

_________ В.В. Горбатюк

26.03.1986 г.

МЕТОДИЧЕСКИЕ УКАЗАНИЯ

Государственная система обеспечения
единства измерений

Преобразователи давления МП.

Методика поверки

ми 1224-86

 

 

Москва
1986

 

 

Разработаны Московским производственным объединением «Манометр»

Руководитель темы:                             А.Л. Вайнштейн

Исполнители                                         Е.Г. Испуганов

С.И. Марюхна

Подготовлены к утверждению ВНИИМС

Нач. отдела    А.М. Кипнис

Исполнитель Л.А. Шильдкрет

Утверждены ВНИИМС

 

Настоящие методические указания распространяются на измерительные преобразователи давления МП моделей 22517 и 22518 по ТУ 25.05.2544-79 предназначенные для непрерывного преобразования значений избыточного давления, разрежения и давления-разрежения в унифицированный токовый сигнал, и устанавливают методы и средства первичной и периодической поверок преобразователей с пределами допускаемой основной погрешности 0,6; 1 и 1,5 %.

Основные нормативно-технические характеристики:

Измерительные преобразователи МП моделей 22517 и 22518 соответствуют ТУ 25.05.2544-79.

Верхние пределы преобразователей:

избыточного давления

мод. 22518 от 0,1 до 1,6 МПа

мод. 22517 от 2,5 до 160 МПа

разрежения

мод. 22518 0,1 МПа

давления-разрежения

мод. 22518 от минус 0,1 - 0 - плюс 0,06 МПа

до минус 0,1 - 0 - плюс 1,5 МПа

мод. 22517 минус 0,1 - 0 - плюс 2,4 МПа

Предельное значение выходного сигнала 0 - 5 мА

Преобразователи имеют линейно возрастающую характеристику выходного сигнала.

 

1. ОПЕРАЦИИ ПОВЕРКИ

1.1. При проведении поверки должны выполняться операции, указанные в табл. 1.

Таблица I

Наименование операций

Номера пунктов методических указаний

1. Внешний осмотр

4.1

2. Опробование

4.2

3. Определение герметичности

4.3

4. Определение основной погрешности и вариации выходного сигнала

4.4

2. СРЕДСТВА ПОВЕРКИ

2.1. При проведении поверки должны применяться средства поверки, указанные в табл. 2.

Таблица 2

Наименование средств поверки

Нормативно-технические характеристики

Манометр грузопоршневой МП-6 I и II разряда ГОСТ 8291-83

Предел допускаемой основной погрешности ±0,02; 0,05 % от измеряемого давления в диапазоне измерений от 0,06 до 0,6 МПа (от 0,6 до 6 кгс/см2).

Манометр грузопоршневой МП-60 I и II разряда ГОСТ 8291-83

Предел допускаемой основной погрешности ±0,02; 0,05 % от измеряемого давления в диапазоне измерений от 0,6 до 6 МПа (от 6 до 60 кгс/см2).

Манометр грузопоршневой МП-600 I и II разряда ГОСТ 8291-83

Предел допускаемой основной погрешности ±0,02; 0,05 % от измеряемого давления в диапазоне измерений от 6 до 60 МПА (от 60 до 600 кгс/см2).

Манометр грузопоршневой МП-2500 II разряда ГОСТ 8291-83

Предел допускаемой основной погрешности ±0,05 % от измеряемого давления в диапазоне измерений от 25 до 250 МПа (от 250 до 2500 кгс/см2).

Преобразователи давления измерительные электрические ипд ТУ 25-05.2473-79

Предел допускаемой основной погрешности ±0,1; 0,15; 0,25 % для пределов измерений 0 - 1 и 0 - 1,6 кПа (0 - 100 и 0 - 160 кгс/м2). Предел допускаемой основной погрешности ±0,06; 0,1; 0,15 % для пределов измерений от 0 - 2,5 кПа до 0 - 16 МПа (от 0 - 250 кгс/м2 до 0 - 160 кгс/см2).

Комплекс для измерения давления цифровой ИПДЦ ТУ 25-05.2472-79

Предел допускаемой основной погрешности ±0,05; 0,06 %. Пределы 1 кПа до 16 МПа (100 кгс/м2 до 160 кгс/см2).

Манометр грузопоршневой МП-2,5 I и II разряда ГОСТ 8291-83

Предел допускаемой основной погрешности 0,02; 0,05 % от измеряемого давления в диапазоне измерений от 25 кПа до 0,25 МПа (от 0,25 до 2,5 кгс/см2).

Манометр грузопоршневой МВП-2,5 ТУ 50-46-78

Пределы измерения избыточного давления 0 - 0,25 МПа (0 - 2,5 кгс/см2); вакуумметрического давления 0 - 0,1 МПа (0 - 1,0 кгс/см2). Предел допускаемой основной погрешности: ±5 Па (0,00005 кгс/см2) при давлении (избыточном или вакуумметрическом) 0 - 0,01 МПа (0 - 0,1 кгс/см2); ±0,05 % от измеряемой величины при давлении свыше 0,01 МПа (0,1 кгс/см2).

Образцовая катушка сопротивления Р331 ТУ 25-04.3368-78

Класс точности 0,01.

Сопротивление 100 Ом.

Магазин сопротивлений Р33 ГОСТ 23737-79

Класс точности 0,2.

Сопротивление до 99999,9 Ом

Магазин сопротивлений Р 4831 ТУ 25-04.3919-80

Класс точности 0,02/2 ∙ 10-6

Сопротивление до 111111,1 Ом

Цифровой вольтметр Щ 1516 ТУ 25-04.2467-75

Класс точности 0,015. Верхний предел измерений 5 В.

Вольтметр универсальный Щ 31 ТУ 25-04.3305-77

Предел допускаемой основной погрешности 0,015 % при измерении тока 5 мА.

Миллиамперметр постоянного тока ГОСТ 8711-60

Класс точности 0,1 и 0,2. Верхний предел измерений 30 мА.

2.2. Средства поверки, применяемые при первичной поверке, должны быть поверены или аттестованы органами государственной метрологической службы и иметь действующие свидетельства о поверке или аттестации.

Средства поверки, применяемые при периодической поверке, должны быть поверены или аттестованы органами государственной или ведомственной службы и иметь действующие свидетельства о поверке или аттестации.

2.3. Допускается применение средств поверки, не предусмотренных настоящими методическими указаниями, при условии обеспечения ими требований п. 4.4.3.

3. УСЛОВИЯ ПОВЕРКИ И ПОДГОТОВКА К НЕЙ

3.1. При проведении поверки должны соблюдаться следующие условия:

1) преобразователи должны быть установлены в рабочее положение с соблюдением указаний технического описания и инструкции по эксплуатации;

2) температура окружающего воздуха (20 ± 2) °С. Преобразователи должны быть предварительно выдержаны при указанной температуре окружающего воздуха не менее 6 ч;

3) относительная влажность окружающего воздуха от 30 до 80 %;

4) напряжение питания (36 ± 0,72) В частотой 50 Гц;

5) вибрация, тряска, удары, наклоны и магнитные поля, кроме земного, влияющие на работу преобразователя, должны отсутствовать;

6) выдержка преобразователя перед началом испытания после включения питания должна быть не менее 1 ч;

7) нагрузочное сопротивление: (1200 ± 50) Ом;

8) измеряемая среда для преобразователей с верхними пределами до 2,5 МПа (25 кгс/см2) включительно - воздух или нейтральный газ, более 2,5 МПа (25 кгс/см2) - жидкость. Допускается использование жидкости при поверке преобразователей с верхними пределами измерений от 0,4 до 2,5 МПа (от 4 до 25 кгс/см2) при условии обеспечения тщательного заполнения системы жидкостью;

3.2. Перед проведением поверки следует проверить герметичность системы, состоящей из соединительных линий и образцовых приборов, давлением, равным верхнему пределу измерений давлений или разности давления поверяемого преобразователя.

При определении герметичности систему отключают от устройства, создающего давление. Систему считают герметичной, если после трехминутной выдержки под давлением, равным верхнему пределу измерений, в течение последующих 2 мин, в ней не наблюдается падения давления.

4. ПРОВЕДЕНИЕ ПОВЕРКИ

4.1. При проведении внешнего осмотра должно быть установлено соответствие преобразователей следующим требованиям:

поверяемые преобразователи не должны иметь повреждений, препятствующих их применению;

при периодической поверке преобразователь должен иметь паспорт или документ его заменяющий;

маркировка преобразователей должна соответствовать данным, указанным в паспорте.

4.2. При опробовании проверяют работоспособность преобразователя и функционирование корректора нуля.

Работоспособность преобразователя проверяют, изменяя измеряемое давление от нижнего предельного значения до верхнего. При этом должно наблюдаться изменение выходного сигнала.

Функционирование корректора нуля проверяют, задав одно (любое) значение измеряемого давления. Корректор нуля поворачивают по часовой стрелке. При этом должно наблюдаться изменение выходного сигнала. Затем корректор нуля поворачивают против часовой стрелки. При этом должно наблюдаться изменение выходного сигнала в противоположную сторону.

При операции опробования допускается применять средства поверки, не соответствующие требованиям п. 4.4.3.

4.3. Определение герметичности преобразователей давления-разрежения с верхними пределами измерений минус 0,1 - 0 - плюс 0,06 МПа и преобразователей разрежения производят при подаче в измерительную камеру разрежения равного 0,1 МПа.

Определение герметичности преобразователей избыточного давления и преобразователей давления-разрежения производят при подаче в измерительную камеру избыточного давления, равного верхнему пределу измерений.

Преобразователь считают герметичным, если после перекрытия канала, подводящего давление, и после трехминутной выдержки под давлением (разрежением) указанным выше, в течение последующих 2 мин не наблюдается изменение выходного сигнала. При арбитражных поверках время выдержки должно быть соответственно 15 и 10 мин.

Допускается изменение давления, обусловленное изменением температуры окружающего воздуха и измеряемой среды, но не превышающее 0,6 % при изменении температуры на 0,5 °С при проверке пневматическим давлением до 5 кгс/см2; 10 и 5 % при изменении температуры на 1 °С при проверке гидравлическим давлением до 60 и от 100 и более кгс/см2 соответственно.

Допускается определение герметичности преобразователя совмещать с проверкой герметичности системы, проводимой по п. 3.2.

4.4. Определение основной погрешности и вариации выходного сигнала.

4.4.1. Основную погрешность определяют следующим способом:

по образцовому прибору на входе преобразователя устанавливают измеряемый параметр, равный номинальному, а по другому образцовому прибору измеряют выходной сигнал преобразователя.

4.4.2. Определение значений выходного сигнала и его отклонений производят непосредственно в мА по показаниям миллиамперметра или в мВ по падению напряжения на образцовом сопротивлении.

4.4.3. При выборе образцовых средств для определения погрешности поверяемого преобразователя должны быть соблюдены следующие условия:

1) при определении значений выходного сигнала в мА

                                                  (1)

где DР - предел допускаемой абсолютной погрешности образцового прибора, контролирующего входной параметр при давлении или разрежении, равном верхнему пределу измерений поверяемого преобразователя, в тех же единицах, что и Рmax;

Рmax - верхний предел измерений (или диапазон измерений для преобразователей давления-разряжения) поверяемого преобразователя; МПа (кг/см2);

Dд - предел допускаемой основной погрешности поверяемого преобразователя, %;

DI - предел допускаемой абсолютной погрешности образцового прибора, контролирующего выходной сигнал, при верхнем предельном значении выходного сигнала поверяемого преобразователя, мА;

Imax - верхнее предельное значение выходного сигнала, мА;

С - коэффициент, равный 1/4.

2) при определении значений выходного сигнала в мВ по падению напряжения на образцовом сопротивлении

                                         (2)

где DU - предел допускаемой абсолютной погрешности образцового прибора, контролирующего выходной сигнал, при верхнем предельном значении выходного сигнала поверяемого преобразователя, в тех же единицах, что и Umax;

Umax - верхнее предельное значение выходного сигнала, определяемое по формуле:

Umax = Imax Rоб.

DR - предел допускаемой абсолютной погрешности образцового сопротивления Rоб в тех же единицах, что и Rоб;

Rоб - значение образцового сопротивления, Ом;

4.4.4. Основную погрешность определяют сравнением действительных значений выходного сигнала с расчетными.

4.4.5. Расчетные значения выходного сигнала для заданного номинального значения измеряемого параметра определяют по следующим формулам:

для преобразователей давления-разрежения при измерении избыточного давления

                                                    (3)

при измерении разрежения

                                                   (4)

для остальных преобразователей

                                                           (5)

где Iр - расчетное значение выходного сигнала, соответствующее измеряемому параметру Р, мА;

Р - значение измеряемого параметра, в тех же единицах, что и Ризб.max, Рраз.max, Рmax;

Рmax - верхний предел измерений для преобразователей избыточного давления и разрежения, МПа или кгс/см2;

Рраз.max - верхний предел измерений разрежения для преобразователей давления-разрежения, МПа или кгс/см2;

Ризб.max - верхний предел измерений избыточного давления для преобразователей давления-разрежения, МПа или кгс/см2.

Расчетные значения выходного сигнала, выраженные в напряжении постоянного тока определяют по формуле:

где Uр - расчетное значение выходного сигнала, мВ.

Uр = IрRоб.                                                            (6)

4.4.6. Основную погрешность определяют не менее чем на пяти значениях измеряемой величины, достаточно равномерно распределенных в диапазоне измерения, в том числе при значениях измеряемой величины, соответствующих нижнему и верхнему предельным значениям выходного сигнала.

Основную погрешность определяют при значении измеряемой величины, полученной при приближении к нему как от меньших значений к большим, так и от больших к меньшим (при прямом и обратном ходе).

Перед проверкой при обратном ходе преобразователь выдерживают в течение 5 мин под воздействием верхнего предельного значения измеряемого параметра, соответствующего предельному значению выходного сигнала.

Допускается выдержку преобразователей давления-разрежения производить только на верхнем пределе измерений избыточного давления.

При поверке преобразователей разрежения и давления-разрежения если атмосферное давление равно или менее 0,1 МПа (1 кгс/см2), максимальное разрежение допускается устанавливать численно равным 0,95Рб (Рб - атмосферное давление в мм рт. ст.). Расчетное значение выходного сигнала при этом разрежении определяется по формулам (4) или (5).

Перед определением основной погрешности должно быть проверено и, в случае необходимости, откорректировано начальное значение выходного сигнала.

Начальное значение выходного сигнала при значении измеряемого давления равном нулю для преобразователей давления и преобразователей разрежения должно быть равно нулю, для преобразователей давления-разрежения в соответствии с табл. 3

Таблица 3

Верхний предел измерений избыточного давления, МПа (кгс/см2)

Значение выходного сигнала при нулевом значении измеряемого давления, мА

0,06 (0,6)

3,125

0,15 (1,5)

2,0

0,3 (3)

1,25

0,5 (5)

0,833

0,9 (9)

0,5

1,5 (15)

0,3125

2,4 (24)

0,2

Установка значений выходного сигнала производится после выдержки преобразователя при включенном питании в течение 1 ч и после подачи и сброса измеряемого параметра, равного:

для преобразователей давления-разрежения - 50 - 100 % верхнего предела измерений избыточного давления, для остальных - 80 - 100 % верхнего предела измерений.

Точность установки выходного сигнала должна быть не хуже 0,2Dд без учета погрешности контрольных средств.

4.4.7. Предел допускаемой основной погрешности поверяемого преобразователя должен соответствовать значениям, указанным в ТУ 25-05.2544-79.

4.4.8. Основная погрешность преобразователя не должна превышать при первичной поверке - 0,8Dд, при периодической поверке - Dд, где Dд - предел допускаемой основной погрешности поверяемого преобразователя.

4.4.9. Вариация выходного сигнала, определяемая при каждом поверяемом значении измеряемого параметра, кроме значений, соответствующих нижнему и верхнему пределам измерений, не должна превышать значения, указанного в ТУ 25.05.2544-79.

4.4.10. Вариацию выходного сигнала определяют как разность между значениями выходного сигнала (при многократных измерениях между средними арифметическими значениями), соответствующими одному и тому же значению измеряемого параметра, полученными при прямом и обратном ходе.

4.4.11. Основную погрешность Dд в % от нормирующего значения вычисляют по формулам:

                                                            (7)

                                                           (8)

где I - действительное значение выходного сигнала (среднее арифметическое действительных значений выходного сигнала при многократных поверках) при измерении на выходе тока, мА;

U - действительное значение выходного сигнала (среднее арифметическое действительных значений выходного сигнала при многократных поверках) при измерении на выходе падения напряжения на образцовом сопротивлении, мВ.

4.4.13. Вариацию выходного сигнала Dв в % от нормирующего значению вычисляют по формулам:

                                                            (9)

или

                                                          (10)

где I и I' - действительные значения выходного сигнала (средние арифметические действительных значений выходного сигнала при многократных поверках) на одной и той же точке при измерении на выходе тока соответственно при прямом и обратном ходе, мА;

U и U' - действительные значения выходного сигнала (средние арифметические действительных значений выходного сигнала при многократных поверках) на одной и той же точке при измерении на выходе падения напряжения на образцовом сопротивлении соответственно при прямом и обратном ходе, мВ.

5. ОФОРМЛЕНИЕ РЕЗУЛЬТАТОВ ПОВЕРКИ

5.1. Преобразователи, удовлетворяющие требованиям настоящих методических указаний, допускаются к применению.

5.2. При положительных результатах первичной или периодической поверки в паспорте (или документе, его заменяющем) производят запись о годности преобразователя к применению с указанием даты поверки и удостоверяют запись в установленном порядке.

5.3. Преобразователи, не удовлетворяющие требованиям, бракуют и не допускают к выпуску из производства, ремонта, а находящие в эксплуатации - к применению.

Приложение. Схемы, применяемые при поверке преобразователей см. рис. 1 - 5.

Руководитель темы:                                                            А.Л. Вайнштейн

Исполнители                                                                       Е.Г. Испуганов

С.И. Марюхна

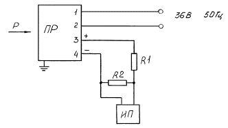
Схема включения преобразователя при измерении выходного сигнала по падению напряжения на образцовом сопротивлении

Рис. 1

ПР - преобразователь МП

R1 - резистор МЛТ или магазин сопротивлений Р33

R2 - магазин сопротивлений (например Р4831) или образцовая катушка сопротивления Р331

ИП - вольтметр цифровой (например Щ1516)

Р - измеряемое давление (варианты подключения приборов для задания измеряемого давления приведены на рис. 3, 4, 5)

Примечание. R1 + R2 = (1200 ± 50) Ом. Значение сопротивления R2 выбирается из условия получения необходимой точности измерения напряжения с учетом характеристик используемого измерительного прибора. Например, с целью получения предельного значения выходного сигнала, равного 1 В, R2 = 200 Ом.

Схема включения преобразователя при измерении выходного сигнала в мА

Рис. 2

ИП - миллиамперметр (например Щ31)

R1 - резистор МЛТ или магазин сопротивлений Р33

ПР - преобразователь МП

Р - измеряемое давление

Примечание. R1 = (1200 ± 50) Ом.

Схема подключения к поверяемому преобразователю образцового прибора

Рис 3

I - источник давления (разряжение)

II - образцовый прибор

ПР - поверяемый преобразователь

Рис 4

1. Баллон со сжатым газом

2. Редуктор

3. Запорный вентиль

4. Разделительный сосуд

5. Рабочая жидкость

Примечание. Уровень жидкости в разделительном сосуде должен находиться в плоскости торца поршня.

 

СОДЕРЖАНИЕ

 

 



© 2013 Ёшкин Кот :-)