Информационная система
«Ёшкин Кот»

XXXecatmenu

«УТВЕРЖДАЮ»

Зам. директора ВНИИМС

_________ В.В. Горбатюк

«20»         06          1989 г.

РЕКОМЕНДАЦИЯ

Государственная система обеспечения единства измерений

ПРЕОБРАЗОВАТЕЛИ ДАВЛЕНИЯ ИЗМЕРИТЕЛЬНЫЕ

МЕТОДИКА ПОВЕРКИ

 

МИ 1997-89

 

 

Государственный комитет СССР по стандартам

Москва
1989

 

РЕКОМЕНДАЦИЯ

Государственная система обеспечения единства измерений

ПРЕОБРАЗОВАТЕЛИ ДАВЛЕНИЯ ИЗМЕРИТЕЛЬНЫЕ МЕТОДИКА ПОВЕРКИ

МИ 1997-89

Взамен МИ 333-83

Дата введения 01.11.89

Настоящая рекомендация распространяется на измерительные преобразователи типа «Сапфир», выпускаемые по ГОСТ 22520-85 и предназначенные для непрерывного преобразования избыточного давления (далее давления), разряжения, избыточного давления-разрежения, абсолютного давления и разности давлений в унифицированный токовый сигнал, в том числе на преобразователи разности давлений, используемые для измерений расхода и уровня. Рекомендация устанавливает методику их первичной и периодической поверок.

Допускается применять данную рекомендацию для поверки других измерительных преобразователей (датчиков), если это предусмотрено НТД на эти изделия.

Основные нормативно-технические характеристики преобразователей:

Верхние пределы измерений:

избыточного давления от 0,06 кРа до 1000 МРа;

разрежения от 0,06 до 100 кРа;

избыточного давления-разрежения от минус 0,125 - плюс 0,125 кРа до минус 0,1 - плюс 2,4 МРа;

абсолютного давления от 2,5 кРа до 16 МРа;

разности давлений от 0,06 кРа до 16 МРа.

Предельные значения выходных сигналов 0 - 5, 0 - 20, 4 - 20, 5 - 0, 20 - 0 и 20 - 4 мА.

Преобразователи разности давлений имеют линейно возрастающую или линейно убывающую характеристику выходного сигнала, остальные преобразователи - линейно возрастающую.

Пределы допускаемой основной погрешности от ±0,2 до ±1,5 %.

Межповерочный интервал установлен в эксплуатационной документации на преобразователь конкретного типа.

1. ОПЕРАЦИИ ПОВЕРКИ

1.1. При проведении первичной и периодической поверок должны быть выполнены следующие операции:

Внешний осмотр - п. 5.1.

Опробование - п. 5.2.

Определение основной погрешности преобразователя - п. 5.3.

Определение вариации выходного сигнала преобразователя - п. 5.4.

Примечание. Первичную ведомственную поверку совмещают с приемкой ОТК, если представитель ОТК, осуществляющий приемку, имеет право ведомственной поверки. В этом случае при наличии на предприятии Госприемки или других видов специальной приемки первичную поверку проводит ОТК при предъявительских испытаниях.

2. СРЕДСТВА ПОВЕРКИ

2.1. При проведении поверки применяют средства, указанные в табл. 1.

Таблица 1

Наименование средства поверки и обозначение НТД

Основные метрологические и технические характеристики средства поверки

Манометр абсолютного давления МПА-15

Пределы допускаемой основной погрешности ±6,65 Ра в диапазоне 0 - 2 ∙ 104 Ра; ±13,3 Ра в диапазоне 2 ∙ 104 - 1,33 ∙ 10 Ра; ±0,01 % от действительного значения измеряемого давлении в диапазоне 1,33 ∙ 105 - 4 ∙ 105 Ра

Микроманометр МКМ-4

Класс точности 0,01. Диапазон измерений 0,1 - 4,0 кРа

Микроманометр МКВ-250

Пределы измерений 0 - 2,5 кРа. Абсолютная погрешность ±0,5 Ра

Манометр грузопоршневой МП-2,5 I и II-го разрядов по ГОСТ 8291-83

Предел допускаемой основной погрешности ±0,02; ±0,05 % от измеряемого давления в диапазоне измерений от 25 кРа до 0,25 МРа

Мановакуумметр грузопоршневой МВП-2,5 по ГОСТ 8291-83

Пределы измерения избыточного давления 0 - 0,25 МРа; вакуумметрического давления 0 - 0,1 МРа, предел допускаемой основной погрешности: ±5 Ра при давлении (избыточном или вакуумметрическом) 0 - 0,01 МРа; ±0,05 % от измеряемого значения при давлении свыше 0,01 МРа

Манометр грузопоршневой МП-6 I и II-го разрядов по ГОСТ 8291-83

Предел допускаемой основной погрешности ±0,02, ±0,05 % от измеряемого давления в диапазоне измерений от 0,06 до 0,6 МРа

Манометр грузопоршневой МП-60 I и II-го разрядов

Предел допускаемой основной погрешности ±0,02; ±0,05 % от измеряемого давления в диапазоне измерений от 0,6 до 6 МРа

Манометр грузопоршневой МП-600 I и II-го разрядов по ГОСТ 8291-83

Предел допускаемой основной погрешности ±0,02; ±0,05 % от измеряемого давления в диапазоне измерений от 6 до 60 МРа

Манометр грузопоршневой МП-2500 II-го разряда по ГОСТ 8291-83

Предел допускаемой основной погрешности ±0,05 % от измеряемого давления в диапазоне измерений от 25 до 250 МРа

Установка УПВД МП-1000

Классы точности 0,1 и 0,2. Верхний предел измерений 1000 МРа

Преобразователи давления измерительные электрические ИПД

Предел допускаемой основной погрешности ±0,1; ±0,15; ±0,25 % для пределов измерений 0 - 1 и 0 - 1,6 кРа. Предел допускаемой основной погрешности ±0,06; ±0,1; ±0,15 % для пределов измерений от 0 - 2,5 кРа до 0 - 16 МРа

Комплекс для измерения давления цифровой ИПДЦ

Предел допускаемой основной погрешности ±0,05; ±0,06 %. Пределы измерений от 1 кРа до 16 МРа

Автоматизированный задатчик избыточного давления «Воздух-250»

Верхние пределы измерений разности давлений 10 ... 250 Ра; предел допускаемой основной погрешности ±(0,2 - 0,4) Ра. Верхние пределы измерения избыточного давления 400 - 2500 Ра; предел допускаемой основной погрешности ±(0,1 - 0,2) % от номинального значения выходного сигнала

Автоматизированный задатчик избыточного давления «Воздух-1,6»

Верхние пределы измерений 1 ... 160 кРа; предел допускаемой основной погрешности ±0,02 %; ±0,05 % от действительного значения измеряемого параметра

Автоматизированный задатчик избыточного давления «Воздух-2,5»

Верхние пределы измерений 25 ... 250 кРа; предел допускаемой основной погрешности ±0,02 %; ±0,05 % от действительного значения измеряемого параметра

Автоматизированный задатчик избыточного давления «Воздух-6,3»

Верхние пределы измерений 63 ... 630 кРа; предел допускаемой основной погрешности ±0,02 %; ±0,05 % от действительного значения измеряемого параметра

Барометр М 67

Пределы измерений 610 - 900 mmHg

Погрешность измерения ±0,8 mmHg

Вакуумметр теплоэлектрический ВТБ-1

Пределы измерений 2 ∙ 10-3 mmHg - 750 mmHg

Образцовая катушка сопротивления Р 331

Класс точности 0,01.

Сопротивление 100 Ω

Магазин сопротивлений РЗЗ по ГОСТ 23737-79

Класс точности 0,2.

Сопротивление до 99999,9 Ω

Магазин сопротивлений Р 4831

Класс точности 0,02 / 2 ∙ 10-6

Сопротивление до 111111,1 Ω

Цифровой вольтметр Щ 1516

Класс точности 0,015. Верхний предел измерений 5 V

Потенциометр постоянного тока Р 363-1

Класс точности 0,001. Верхний предел измерений 2,121111 V

Вольтметр универсальный Щ 31

Предел допускаемой основной погрешности ±0,015 % при измерении тока 5 mA

Миллиамперметр постоянного тока по ГОСТ 8711-78

Классы точности 0,1 и 0,2. Верхний предел измерений 30 mA

Блок питания 22БП-36

Напряжение постоянного тока (36 ± 0,72) V

Источник постоянного тока Б5-8

Наибольшее значение напряжения 50 V.

Допускаемые отклонения ±0,5 % от установленного значения

Термометр ртутный стеклянный лабораторный по ГОСТ 215-73

Предел измерений 0 - 55 °С.

Цена деления шкалы 0,1 °С.

Предел допускаемой погрешности ±0,2 °С

Манометр МТИ и вакуумметр ВТИ для точных измерений

Классы точности 0,6 и 1.

Пределы измерений от 0 - 0,1 до 0 - 160 МРа

Разделительный сосуд

 

Стальной баллон малой и средней емкости по ГОСТ 949-73 с газообразным техническим азотом по ГОСТ 9293-74

 

Газовый баллонный редуктор по ГОСТ 6268-78

 

Запорные игольчатые вентили по ГОСТ 23230-78

 

Фланец

Присоединительные размеры по ГОСТ 12815-80

2.2. Образцовые средства измерений, применяемые при поверке (далее - образцовые СИ), должны быть поверены или аттестованы и иметь действующие свидетельства о поверке или аттестации. Вспомогательные средства измерения должны иметь действующее свидетельство о поверке или клеймо, удостоверяющее ее проведение.

2.3. Допускается применять средства поверки, не предусмотренные перечнем, приведенным в табл. 1, при условии обеспечения ими условий и проведения поверки в соответствии с разд. 4 и 5.

3. ТРЕБОВАНИЯ БЕЗОПАСНОСТИ

3.1. При проведении поверки должны быть соблюдены требования безопасности по ОСТ 25-997-82 для изделий, относящихся к классу 01 по ГОСТ 12.2.007.0-75, и требовании по безопасности эксплуатации применяемых средств поверки, указанных в НТД на эти средства.

4. УСЛОВИЯ ПОВЕРКИ И ПОДГОТОВКА К НЕЙ

4.1. При проведении поверки должны быть соблюдены следующие условия:

1) температура окружающего воздуха 23 ± 2 °С;

2) относительная влажность окружающего воздуха от 30 до 80 %;

3) давление в помещении, где проводят поверку (далее атмосферное давление) от 84 до 106,7 кРа (от 630 до 800 mmHg);

4) колебания давления окружающего воздуха, влияющие на результаты сравнения выходного сигнала поверяемого преобразователя и соединенного с ним образцового СИ, должны отсутствовать; в случаях, когда это позволяет конструкция поверяемого преобразователя и образцового СИ (например, для преобразователей разности давления), влияние этих колебаний может быть существенно уменьшено, для чего камеры поверяемого преобразователя и образцового СИ, соединяющие с атмосферой, следует соединить между собой. Импульсную линию, через которую подают измеряемое давление, допускается соединять с дополнительными емкостями, вместимость каждой из которых должна находиться в пределах от 1 до 50l. Влияние колебаний давления окружающего воздуха может быть также снижено при использовании образцовых задатчиков с опорным давлением;

5) Вибрация, тряска, удары, наклоны и магнитные поля, кроме земного, влияющие на работу преобразователя, должны отсутствовать;

6) напряжение питания постоянного тока (36 ± 0,72)V;

Пульсация напряжения не должна превышать ±0,5 % значения напряжения питания;

7) сопротивление нагрузки

(500 ± 50)Ω - при поверке преобразователей с предельными значениями выходного сигнала 0 и 20 или 4 и 20 mА;

(1200 ± 50)Ω - при поверке преобразователей с предельными значениями выходного сигнала 0 и 5 mА;

8) рабочая среда для преобразователей с верхними пределами до 2,5 Мра включительно - воздух или нейтральный газ, более 2,5 МPа - жидкость;

Примечание. Допускается использовать: жидкость - при поверке преобразователей с верхними пределами измерений от 0,4 до 2,5 МРа при условии обеспечения тщательного заполнения системы жидкостью; воздух или нейтральный газ - при поверке преобразователей с верхним пределом измерений от 2,5 до 60 МРа.

9) при поверке преобразователей разности давления значение измеряемого параметра устанавливают при сообщении минусовой камеры с атмосферой и подаче соответствующего избыточного давления в плюсовую камеру преобразователей разности давлений. При поверке преобразователей этих видов на малые пределы измерения следует руководствоваться условиями «4» настоящего пункта. При использовании в качестве образцовых СИ задатчиков с опорным давлением следует подавать в минусовую камеру опорное давление.

4.2. Перед проведением поверки должны быть выполнены следующие подготовительные работы.

Преобразователи должны быть выдержаны при температуре, указанной в п. 4.1, не менее 3h, если время выдержки не указано в техническом описании и инструкции по эксплуатации;

выдержка преобразователя перед началом испытаний после включения питания должна быть не менее 0,5h;

преобразователи должны быть установлены в рабочее положение с соблюдением указаний технического описания и инструкции по эксплуатации;

система, состоящая из соединительных линий, образцовых СИ и вспомогательных средств для задания и передачи измеряемого параметра при необходимости (п. 5.2.4 п/п. 2) должна быть проверена на герметичность в соответствии с п.п. 4.2.1 - 4.2.4.

4.2.1. Проверка герметичности системы для поверки преобразователей давления, разности давлений, разрежения с верхними пределами измерений менее 100 кРа, абсолютного давления с верхними пределами измерения более 0,25 МРа проводится при значениях давления или разрежения, равных верхнему пределу измерений поверяемого преобразователя.

Проверку герметичности системы для поверки преобразователей давления-разрежения проводят при давлении, равном верхнему пределу измерений избыточного давления.

Проверку герметичности системы для поверки преобразователей разрежения с верхним пределом измерений 100 кРа проводят при разрежении, равном 0,9 - 0,95 значения атмосферного давления.

Примечание. Проверку герметичности системы для поверки преобразователей абсолютного давления с верхними пределами измерения менее 0,25 МРа проводят при давлениях и методах, изложенных в п. 4.2.3.

4.2.2. При проверке герметичности системы, предназначенной для поверки преобразователей, указанных в п. 4.2.1, на место поверяемого преобразователя устанавливают преобразователь, герметичность которого проверена, или любое другое средство измерений, имеющее погрешность (приведенную к значениям давления, указанным в п. 4.2.1) не более 2,5 % и позволяющее заметить изменение давления 0,5 % заданного значения давления.

Создают давление, указанное в п. 4.2.1, и отключают источник давления. Если в качестве образцового СИ применяют грузопоршневой манометр, его колонку и пресс также отключают.

Систему считают герметичной, если после трехминутной выдержки под давлением, равным верхнему пределу измерений, в течение последующих 2 мин в ней не наблюдают падение давление (разрежения).

Допускается изменение давления (разрежения), обусловленное изменением температуры окружающего воздуха и изменением температуры измеряемой среды, которое не должно превышать значений, указанных в табл. 2. Суммарное время выдержки под давлением может быть увеличено до 15 мин, а изменение давления за последние 5 мин также не должно превышать значений, указанных в табл. 2.

Таблица 2

Верхний предел измерений

Допускаемое изменение температуры в процессе проверки, °С

Допускаемое изменение давления при проверке, % верхнего предела измерения

 

кРа

МРа

пневматическим давлением

гидравлическим давлением

 

От 0,06 до 0,25

 

±0,5

±60

-

 

От 0,4 до 0,63

±30

-

 

От 1,0 до 1,6

±13

-

 

От 2,5 до 4,0

±8

-

 

От 6,3 до 10

±3,5

-

 

От 16 до 25

±1,2

-

 

 

От 0,03 до 0,5

±1,0

±0,6

-

 

От 0,6 до 2,5

От 4 до 6

-

±10

 

От 10 и более

-

±5

 

Примечание. При меньшем изменении температуры допускаемое изменение давления пропорционально уменьшается.

4.2.3. Проверку герметичности системы, предназначенной для проверки преобразователей абсолютного давления с верхними пределами измерений 0,25 МРа и менее, осуществляют следующим образом.

В системе с вакуумметром для измерения малых абсолютных давлений создают давление не более 0,07 кРа. Предварительно на место подключаемого преобразователя устанавливают средство измерений, отвечающее тем же требованиям, что и при проверке по п. 4.2.2. Поддерживают указанное давление в течение 2 - 3 мин. Отключают устройство, создающее абсолютное давление, и, при необходимости, образцовое СИ (колонки грузопоршневого манометра). После выдержки системы в течение 3 мин изменение давления не должно превышать 0,5 % верхнего предела измерений поверяемого преобразователя.

4.2.4. Если система предназначена для поверки преобразователей с разными значениями верхних пределов измерений, проверку герметичности рекомендуют проводить при давлении (разрежении), соответствующем наибольшему из этих значений.

5. ПРОВЕДЕНИЕ ПОВЕРКИ

5.1. Внешний осмотр

При внешнем осмотре должно быть установлено соответствие преобразователей следующим требованиям:

- преобразователь должен иметь паспорт или документ его заменяющий; при периодической поверке допускается вместо паспорта представлять документ с указанием предела измерения, предельных значений выходного сигнала, требуемого предела допускаемой основной погрешности и номера, присвоенного предприятием-изготовителем. Справка должна быть подписана метрологической службой предприятия, эксплуатирующего преобразователь;

- на преобразователе должна быть табличка с маркировкой, соответствующей паспорту или документу его заменяющему;

- должна быть обеспечена возможность снятия крышки, закрывающей устройство регулировки нуля, клеммы контроля и колодку внешних соединений;

- резьбы на присоединительных элементах не должны иметь сорванных ниток.

5.2. Опробование

5.2.1. При опробовании проверяют работоспособность преобразователя, функционирование корректора нуля, герметичность преобразователя.

5.2.2. Работоспособность преобразователя проверяют, изменяя измеряемое давление от нижнего предельного значения до верхнего. При этом должно наблюдаться изменение выходного сигнала.

Для преобразователей давления-разрежения работоспособность проверяют только при избыточном давлении, для преобразователей разрежения с верхним пределом измерений 100 кРа - при изменении разрежения до значения, равного не менее чем 0,9 атмосферного давления.

5.2.3. Функционирование корректора нуля проверяют, задав одно (любое) значение измеряемого давления. Корректор нуля поворачивают по часовой стрелке. При этом должно наблюдаться изменение выходного сигнала. Затем корректор нуля поворачивают против часовой стрелки. При этом должно наблюдаться изменение выходного сигнала в противоположную сторону.

5.2.4. Проверку герметичности преобразователя рекомендуется совмещать с операцией определения основной погрешности (п. 5.3.8).

Методика проверки герметичности преобразователя аналогична методике проверки герметичности системы (п.п. 4.2.1 - 4.2.4) со следующими особенностями:

1) изменение давления или разрежения определяют по изменению выходного сигнала поверяемого преобразователя, включенного в систему (п. 4.2.2);

2) в случае обнаружения негерметичности системы с поверяемым преобразователем следует проверить отдельно систему и преобразователь;

3) проверку герметичности преобразователей разности давлений при поверке не проводят.

5.3. Определение основной погрешности

5.3.1. Основную погрешность определяют следующими способами:

1) по образцовому СИ на входе преобразователя устанавливают измеряемый параметр, равный номинальному, а по другому образцовому СИ измеряют значение выходного сигнала;

2) по образцовому СИ на выходе преобразователя устанавливают расчетное значение выходного сигнала, соответствующее номинальному значению измеряемого параметра, а по другому образцовому СИ измеряют значение этого параметра на входе преобразователя;

3) сравнением выходных сигналов проверяемого и образцового преобразователей.

5.3.2. Схема включения преобразователей для измерения выходного сигнала при проведении поверки по способам 1 и 2 (п. 5.3.1) приведены в приложениях 1 - 4, по способу 3 - в приложениях 5 - 7. Схемы включения образцовых средств измерения давления приведены в приложениях 8 - 10.

При использовании автоматизированных задатчиков давления их включение осуществляют в соответствии с эксплуатационной документацией на эти задатчики.

5.3.3. Устанавливают следующие критерии достоверности поверки:

Рвам - наибольшая вероятность ошибочно признанного годным любого в действительности дефектного экземпляра преобразователя;

(δм)ва - отношение наибольшего возможного модуля основной погрешности экземпляра преобразователя, который может быть ошибочно признан годным, к пределу допускаемой основной погрешности.

Допускаемые значения критериев достоверности поверки принимают равными:

Рвам = 0,20; (δм)ва max = 1,25

5.3.4. Устанавливают следующие параметры поверки:

m - число проверяемых точек в диапазоне изменений, m ³ 5;

n - число наблюдений при экспериментальном определении значений погрешности в каждой из проверяемых точек при прямом и обратном ходах, n = 1;

gк - абсолютное значение отношения контрольного допуска к пределу допускаемой основной погрешности;

aр - отношение предела допускаемого значения погрешности образцовых СИ, применяемых при поверке, к пределу допускаемого значения основной погрешности поверяемого преобразователя.

Значения gк и aр принимают равными в соответствии с принятыми критериями достоверности поверки по табл. 3 п. 5.3.5.

5.3.5. Выбор образцовых средств для определения основной погрешности поверяемых преобразователей осуществляют, исходя из технических возможностей и технико-экономических предпосылок с учетом критериев достоверности поверки п. 5.3.3 и таблицы 3.

Таблица 3

Параметры и критерии достоверности поверки

aр

0,2

0,25

0,33

0,4

0,5

gк

0,94

0,93

0,91

0,82

0,70

Рвам

0,20

0,20

0,20

0,10

0,05

м)ва

1,14

1,18

1,24

1,22

1,20

Примечание. Табл. 3 составлена в соответствии с принятыми в п. 5.3.3 критериями достоверности поверки согласно МИ 187-86 «ГСИ. Критерии достоверности и параметры методик поверки» и МИ 188-86 «ГСИ. Установление значений параметров методик поверки».

5.3.6. При выборе образцовых средств для определения погрешности поверяемого преобразователя должны быть соблюдены следующие условия:

1) при поверке по способам 1 и 2 (п. 5.3.1) и определении значений выходного сигнала в mА

                                            (1)

где Dp - предел допускаемой абсолютной погрешности образцового прибора, контролирующего входной параметр при давлении или разрежении, равном верхнему пределу измерений поверяемого преобразователя, кРа, МРа;

Pmax - верхний предел измерений (или диапазон измерений для преобразователей «Сапфир-22ДИВ») поверяемого преобразователя, кРа; МРа;

DI - предел допускаемой абсолютной погрешности образцового прибора, контролирующего выходной сигнал, при верхнем предельном значении выходного сигнала поверяемого преобразователя, mА;

Imax, I0 - соответственно верхнее и нижнее предельные значения выходного сигнала, :

Примечание. I0 = 0 - для преобразователей с выходными сигналами 0 - 5, 5 - 0 и 0 - 20, 20 - 0 mА; I0 = 4 mА - для преобразователей с выходными сигналами 4 - 20, 20 - 4 mA

g - предел допускаемой основной погрешности поверяемого преобразователя, % нормирующего значения.

За нормирующее значение принимают: для преобразователей «Сапфир-22ДИВ» - сумму абсолютных значений верхних пределов измерений избыточного давления и разрежения; для остальных преобразователей - верхний предел измерений выходного параметра;

2) при поверке по способам 1 и 2 (п. 5.3.1) и определении значений выходного сигнала в mV по падению напряжения на образцовом сопротивлении

                                     (2)

где DИ - предел допускаемой абсолютной погрешности образцового прибора, контролирующего выходной сигнал, при верхнем предельном значении выходного сигнала поверяемого преобразователя, mV;

Иmax, И0 - соответственно верхнее и нижнее предельные значения выходного сигнала, определяемые по формулам:

Иmax = Imax Rоб, И0 = I0 · Rоб, mV;

DR - предел допускаемой абсолютной погрешности образцового сопротивления Rоб, Ω;

Rоб - значение образцового сопротивления, Ω;

3) при поверке по способу 3 (п. 5.3.1) и использовании образцового преобразователя, имеющего выходной сигнал в виде напряжения постоянного тока

                                       (3)

где gоб - предел допускаемой основной погрешности образцового преобразователя, % от нормирующего значения поверяемого преобразователя;

DИК - предел допускаемой абсолютной погрешности прибора, на котором осуществляют сравнение выходных сигналов образцового и поверяемого преобразователей, mV.

4) при поверке по способу 3 (п. 5.3.1) и использовании образцового преобразователя, имеющего токовый выходной сигнал

                                                (4)

где DIK - предел допускаемой абсолютной погрешности прибора, на котором осуществляют сравнение выходных сигналов образцового и поверяемого преобразователей, mА;

Примечание. Если средство для контроля разности выходных сигналов поверяемого и образцового преобразователей обеспечивает по абсолютному значению погрешности измерения этой разности менее 0,1gп, то DИК или DIK принимают равным нулю.

5.3.7. Расчетные значения выходного сигнала поверяемого преобразователя в микроамперах для заданного номинального значения измеряемого параметра Р в килопаскалях или мегапаскалях определяют по формулам

для преобразователей давления-разрежения при измерении избыточного давления

                                           (5)

при измерении разрежения

                                           (6)

для остальных преобразователей с возрастающей характеристикой выходного сигнала

                                                  (7)

для преобразователей разности давлении «Сапфир-22ДД» с убывающей характеристикой выходного сигнала

                                            (8)

где Pmax - верхний предел измерений для преобразователей избыточного давления, разрежения и абсолютного давления, кРа, МРа;

Pраз.max - верхний предел разрежения для преобразователей давления-разрежения, кРа, МРа;

Pизб.max - верхний предел измерений избыточного давления для преобразователей давления-разрежения, кРа, МПа.

Расчетные значения выходного сигнала Ир, выраженные в напряжении постоянного тока, определяют по формуле

Ир = IрRоб, mV.                                                        (9)

5.3.8. Перед определением основной погрешности должны быть соблюдены требования п. 4.2 и, в случае необходимости, откорректировано значение выходного сигнала, соответствующее нижнему предельному значению измеряемого параметра, указанному в табл. 4. Эта корректировка проводится после подачи и сброса измеряемого параметра, равного:

- для преобразователей давления-разрежения - 50 - 100 % верхнего предела измерений избыточного давления;

- для преобразователей абсолютного давления после выдержки их в пределах от 0 до 10 % верхнего предела измерений;

- для остальных преобразователей - 80 - 100 % верхнего предела измерений.

При периодической поверке в случае совмещения проверки герметичности с подачей давления (разрежения) перед корректировкой выходного сигнала выдержка проводится при давлении (разрежении) в соответствии с п. 4.2.2.

Установку выходного сигнала следует провести с наибольшей возможной точностью, обеспечиваемой устройством корректора и разрешающей способностью образцовых СИ. Погрешность установки (без учета погрешности контрольных средств) более 0,2 предела допускаемой основной погрешности поверяемого преобразователя не допускается.

Таблица 4

Наименование преобразователя

Выходной сигнал, соответствующий нижнему предельному значению измеряемого параметра, mA

0 и 20

4 и 20

0 и 5

Преобразователи абсолютного давления, избыточного давления, разрежения, разности давлений с возрастающей характеристикой выходного сигнала и гидростатического давления

0

4

0

Преобразователи разности давления с убывающей характеристикой выходного сигнала

20

20

5

Преобразователи давления-разрежения с равными по абсолютному значению верхними пределами измерений избыточного давления и разрежения

10

12

2,5

Преобразователи давления-разрежения с верхними пределами измерений избыточного давления

 

 

 

кРа

МРа

 

 

 

60

 

12,5

14,0

3,125

150

 

8,0

10,4

2,0

 

0,3

5,0

8,0

1,25

 

0,5

3,333

6,667

0,833

 

0,9

2,0

5,6

0,5

 

1,5

1,25

5,0

0,312

 

2,4

0,8

4,64

0,2

5.3.9. Основную погрешность определяют при пяти значениях измеряемой величины, достаточно равномерно распределенных в диапазоне измерений, в том числе при значениях измеряемой величины, соответствующих нижнему и верхнему предельным значениям выходного сигнала. Интервал между значениями измеряемой величины не должен превышать 30 % диапазона измерений.

Основную погрешность определяют при значении измеряемой величины, полученной при приближении к нему как от меньших значений к большим, так и от больших к меньшим (при прямом и обратном ходе). При поверке способом 3 (п. 5.3.1) значения  измеряемого параметра, при которых определяют погрешности при обратном ходе, могут отличаться от значений при прямом ходе не более, чем на 5 %.

Перед поверкой при обратном ходе преобразователь выдерживают в течение 1 мин под воздействием верхнего предельного значения измеряемого параметра, соответствующего предельному значению выходного сигнала.

Допускается выдержку преобразователей давления-разрежения проводить только на верхнем пределе измерений избыточного давления.

При периодической поверке основную погрешность определяют в два цикла: до корректировки диапазона изменения выходного сигнала (калибровки) и после корректировки диапазона. Допускается второй цикл не проводить, если основная погрешность gд < gкg.

При поверке преобразователей с верхним пределом измерений разрежения 0,1 МРа, если атмосферное давление равно или менее 0,1 МРа, максимальное разрежение допускается устанавливать равным 0,90 - 0,95Рб, где Рб - атмосферное давление. Расчетное значение выходного сигнала при этом разрежении определяют по формулам (5) и (6). Рб следует привести к тем единицам, в которых выражено Р.

Примечание. 1 mm Hg = 0,0001333 МРа.

Основную погрешность преобразователей абсолютного давления с верхним пределом измерений выше 0,25 МРа следует определять в соответствии с пп. 5.3.10 и 5.3.11. Допускается по методике п. 5.3.10 определять основную погрешность преобразователей абсолютного давления с верхними пределами измерений от 0,1 до 0,25 МРа.

5.3.10. Определение основной погрешности преобразователей абсолютного давления с верхними пределами измерений выше 0,25 до 2,5 МРа включительно следует проводить с использованием образцовых СИ разрежения и давления (например, МВП-2,5; МП-6 и МП-60).

В этом случае преобразователь поверяют на точках: при разрежении в пределах 0,90 - 0,95Рб, при значениях избыточного давления Ризб.max, определяемом по формуле (10),

и при трех промежуточных значениях давления

Ризб.max = Рабс.max - А,                                                    (10)

где Рабс.max - верхний предел измерений абсолютного давления, равный Рmax, МРа;

А = 0,1 МПа.

Расчетные значения выходного сигнала Iр при задании разрежения определяют по формуле

                                              (11)

где абсолютная погрешность определения Рб не должна превышать

Рраз - значение задаваемого разрежения.

Рб и Рраз должно быть выражено в тех же единицах, что и Рабс.max. Расчетное значение выходного сигнала Iр при задании избыточного давления определяют по формуле

                                              (12)

где Ризб - значение задаваемого избыточного давлении, МРа.

Перед поверкой корректором нуля устанавливают выходной сигнал на расчетное значение, соответствующее разрежению в пределах 0,90 - 0,95Рб. Расчетное значение выходного сигнала определяют по формуле (11).

Если значение атмосферного давления находится в пределах 0,093 - 0,102 МРа (700 - 770 mmHg), допускается расчетное значение выходного сигнала определять по формулам:

при задании разрежения

                                              (13)

при задании избыточного давления

                                             (14)

где Р'б = 0,1 МРа

В остальном следует руководствоваться п. 5.3.8.

5.3.11. Определение основной погрешности преобразователей абсолютного давления с верхними пределами измерений свыше 2,5 МРа следует проводить с использованием образцовых СИ избыточного давления следующим образом:

1) корректором нуля при атмосферном давлении установить значение выходного сигнала, равное I0;

2) провести поверку при прямом и обратном ходе, задавая избыточное давление, численно равное абсолютному давлению, с соблюдением условий, изложенных в п. 5.3.8;

3) после определения основной погрешности при атмосферном давлении корректором нуля установить значение выходного сигнала Iрн

                                              (15)

где К = 0,1 МРа.

5.3.12. Основную погрешность gд в % нормирующего значения вычисляют по формулам:

при поверке по способу 1 (п. 5.3.1)

                                                  (16)

                                                 (17)

где I - действительное значение выходного сигнала при измерении на выходе тока, mA;

И - действительное значение выходного сигнала при измерении на выходе падения напряжения на образцовом сопротивлении, mV;

при поверке по способу 2 (п. 5.3.1) для преобразователей давления-разрежения

                                          (18)

для остальных преобразователей

                                                  (19)

где Рн - номинальное значение измеряемого параметра, кРа, МРа;

Рд - действительное значение измеряемого параметра, кРа, МРа;

при поверке по способу 3 (п. 5.3.1)

                                                   (20)

где Ип - показание СИ, измеряющего разность выходных сигналов поверяемого и образцового преобразователей, mV.

Вычисление gд проводят с точностью до второго знака после запятой.

Преобразователь признают годным при первичной поверке, если во всех проверяемых точках основная погрешность |gд| £ |gкg|.

Преобразователь признают негодным при первичной поверке, если хотя бы в одной точке основная погрешность |gд| > |gкg|. Преобразователь признают годным при периодической поверке, если во всех проверяемых точках при первом или втором цикле определения основной погрешности |gд| £ |gкg|.

Преобразователь признают негодным при периодической поверке, если хотя бы в одной точке при первом цикле определения основной погрешности |gд| £ |(δм)ва max g| или при втором цикле |gд| > |gкg|, (обозначения g по п. 5.3.6; gк по п. 5.3.4).

5.3.13. Допускается вместо определения действительных значений погрешности устанавливать соответствие ее предельно допускаемым значениям.

5.4. Определение вариации

5.4.1. Вариацию выходного сигнала определяют при каждом проверяемом значении измеряемого параметра, кроме значений, соответствующих нижнему и верхнему пределам измерений, по показаниям, полученным при определении основной погрешности (п. 5.3.1).

5.4.2. Вариацию выходного сигнала gг в % нормирующего значения вычисляют по формулам:

для способа 1 (п. 5.3.1)

                                                  (21)

или

                                                (22)

где I и I' - действительные значения выходного сигнала на одной и той же точке при измерении на выходе тока соответственно при прямом и обратном ходе, mA;

И и И' - действительные значения выходного сигнала на одной и той же точке при измерении на выходе падения напряжения на образцовом сопротивлении, соответственно при прямом и обратном ходе, mV;

для способа 2

                                                    (23)

где Рд и Р'д - действительные значения измеряемого параметра на одной и той же точке соответственно при прямом и обратном ходе, кРа, МРа;

для способа 3

gг = gд - g'д,                                                          (24)

где gд и g'д - основная погрешность преобразователя, соответственно при прямом и обратном ходе, % нормирующего значения.

Допускается использовать формулу (24) для определения вариации выходного сигнала по способам 1 и 2.

Значения gг, полученные по формулам (21 - 24), не должны превышать предела ее допускаемого значения.

5.4.3. Вариацию выходного сигнала преобразователей не определяют, если предел допускаемого ее значения менее 0,5 предела допускаемой основной погрешности.

5.4.4. Допускается вместо определения действительного значения вариации осуществлять контроль соответствия ее предельно допускаемым значениям.

6. ОФОРМЛЕНИЕ РЕЗУЛЬТАТОВ ПОВЕРКИ

6.1. Положительные результаты первичной поверки измерительных преобразователей давления оформляют записью в паспорте (раздел «Свидетельство о приемке»), заверенной поверителем и удостоверенной оттиском клейма.

6.2. Положительные результаты периодической государственной поверки измерительных преобразователей давления оформляют выдачей свидетельства о государственной поверке.

6.3. Положительные результаты периодической ведомственной поверки оформляют в порядке, установленном ведомственной метрологической службой.

6.4. При отрицательных результатах поверки измерительные преобразователи давления бракуют. При периодической государственной поверке выдают извещение о непригодности.

МПО «Манометр»

Главный инженер                                                                              С.М. Антонов

Начальник отдела

стандартизации                                                                                  А.А. Алексеев

Главный конструктор                                                                        С.И. Мильман

Ведущие инженеры                                                                            А.Л. Вайнштейн

О.В. Лаврененкова

ВНИИМИСП                                                                                       М.А. Головашкин

ИНФОРМАЦИОННЫЕ ДАННЫЕ

1.     Разработана Московским производственным объединением «Манометр» и Всесоюзным научно-исследовательским институтом метрологии, испытаний и стандартизации в приборостроении (ВНИИМИСП)

Исполнители:

С.И. Мильман, канд. техн. наук и М.А. Головашкин, канд. техн. наук (руководители темы)

2.     Утверждена зам. директора ВНИИМС 20.06.89 г.

3.     Зарегистрирована ВНИИМС 14.06.89 г. под номером МИ 1997-89

Приложение 1

Обязательное

Схема включения преобразователя с выходным сигналом 0 - 5 mА или 0 - 20 mА, или 5 - 0 mА, или 20 - 0 mА при измерении выходного сигнала по падении напряжения на образцовом сопротивлении

ПР - поверяемый преобразователь.

G - источник питания постоянного тока (например, Б5-8, 22БП-36).

R1 - резистор (например, типа МЛТ) или магазин сопротивлении (например, Р 33).

R2 - образцовое сопротивление (например, магазин сопротивлений Р 4831; образцовая катушка сопротивления Р 331).

RV - цифровой вольтметр (например, Щ 1516) или потенциометр (например, Р 363).

Р - измеряемый параметр (вариант подключения средств для задания и (или) определении (контроля) измеряемого параметра приведены в приложениях 8 - 10).

С - конденсатор емкости от 6 до 15 нФ и от 15 до 40 нФ для преобразователей с верхним предельным значением выходного сигнала 5 и 20 mА, соответственно.

Примечания. 1. Сумма значений сопротивлений R1 + R2 должна соответствовать значениям сопротивления нагрузки, указанным в п. 4.1; значение сопротивления 2 выбирают из условия получения необходимой точности измерения напряжения с учетом характеристик цифрового вольтметра или потенциометра РV.

2. Конденсатор С допускается не устанавливать

Приложение 2

Обязательное

Схема включения преобразователя с выходным сигналом 0 - 5 mА или 0 - 20 mА, или 5 - 0 mА, или 20 - 0 mА при измерении выходного сигнала по миллиамперметру

РJ - миллиамперметр (например, Щ 31).

Остальные обозначения в приложении 1.

Примечание. R1 должно соответствовать значениям сопротивления нагрузки, указанным в п. 4.1.

Приложение 3

Обязательное

Схемы включения преобразователя с выходным сигналом 4 - 30 mА или 20 - 4 mА при измерении выходного сигнала по падению напряжения на образцовом сопротивлении

а) - подключение сопротивления нагрузки и клеммам 5 и 6.

б) - включение сопротивления нагрузки последовательно с источником питания.

Обозначения - в приложении 1.

Примечание. Для преобразователей «Сапфир-22Ех» использование схемы а) не допускается.

Приложение 4

Обязательное

Схемы включения преобразователя с выходным сигналом 4 - 20 mА, или 20 - 4 mА при измерении выходного сигнала миллиамперметром

а) - подключение образцового сопротивления нагрузки к клеммам 5 и 6.

б) - включение образцового сопротивления нагрузки последовательно с источником питания.

Обозначения - в приложении 2.

Примечание. Для преобразователей «Сапфир-22Ех» использование схемы а) не допускается.

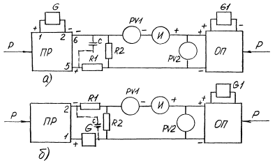
Приложение 5

Обязательное

Схемы включения преобразователей с выходными сигналами 0 - 5 mА, 0 - 20 mА, 5 - 0 mА, 20 - 0 mА при сравнении выходных сигналов поверяемого и образцового преобразователей

а) - при одинаковом характере изменения выходного сигнала поверяемого и образцового преобразователя (или возрастающий или убывающий)

б) - при убывающей характеристике поверяемого и возрастающей характеристике образцового преобразователей.

ОП - образцовый преобразователь давления и (или) разряжения с выходным сигналом в виде напряжения постоянного тока (например, преобразователь ИПД). В качестве ОП может быть использован образцовый преобразователь с токовым выходным сигналом с подключенным к нему образцовым сопротивлением.

RV1 и RV2 - вольтметры с входным сопротивлением Rвх ³ 100 М Ω для измерения разности выходных сигналов и для измерения выходного сигнала ОП (контроля давления или разряжения), например, вольтметр Щ 1516. Погрешность измерения давления или разряжения должна быть не ниже 1 % верхнего предела измерений или суммы верхних пределов измерений. Допускается вместо RV1 и RV2 использовать один вольтметр с переключением его для соответствующих измерений при этом на месте второго вольтметра должен быть предусмотрен разрыв цепи.

И - источник опорного напряжения (например, потенциометр Р-363-1); значение опорного напряжения должно быть равно значению выходного сигнала ОП при значении давления, равном верхнему пределу измерения.

G и G1 - независимые источники питания.

R1 и R2 - тоже, что и в приложении 1; значение R2 должно равняться отношению диапазона изменения выходного сигнала ОП к соответствующему ему номинальному диапазону изменения выходного сигнала ПР.

ПР и Р - тоже, что и в приложении 1.

Приложение 6

Обязательное

Схема включении преобразователей с выходным сигналом 4 - 30 mА при сравнении выходных сигналов поверяемого и образцового преобразователей

а) - подключение сопротивления нагрузки (R1 + R2) и клеммам 5 и 6.

б) - включение сопротивления нагрузки (R1 + R2) последовательно с источником питания.

И - источник опорного напряжения (например, потенциометр Р-363-1). Значение опорного напряжения должно быть равно 0,25 диапазона изменения выходного сигнала ОП при изменении измеряемого параметра от нуля до верхнего предела измерения, если нижнее предельное значение выходного сигнала ОП равно нулю.

Если нижнее предельное значение выходного сигнала ОП составляет 0,2 его верхнего предельного значения, то источник И не устанавливают и вместо него предусматривают перемычку.

Остальные обозначения - в приложении 5.

Примечание. Для преобразователей «Сапфир-22Ех» использование схемы а) не допускается.

Приложение 7

Обязательное

Схема включения преобразователей с выходным сигналом 20 - 4 mА при сравнении выходных сигналов поверяемого и образцового преобразователей

а) - подключение сопротивления нагрузки (R1 + R2) к клеммам 5 и 6;

б) - включение сопротивления нагрузки (R1 + R2) последовательно с источником питания.

И - образцовый источник опорного напряжения (например, потенциометр Р-363-1).

Значение опорного напряжения должно быть равно 1,25 диапазона измерения выходного сигнала ОП при изменении измеряемого параметра от нуля до верхнего предела измерения (если нижнее предельное значение выходного сигнала ОП равно нулю).

Остальные обозначения - в приложении 5.

Примечание. Для преобразователей «Сапфир-22Ех» использование схемы а) не допускается.

Приложение 8

Обязательное

Общая схема подключения образцового СИ давления или разряжения и источника этих параметров к поверяемому преобразователю

Р - измеряемый параметр (давление или разрежение);

ОР - образцовое средство давления и (или) разрежения;

ПР - поверяемый преобразователь;

ИР - источник давления и (или) разрежения;

С - дополнительные емкости вместимостью от 1 до 50l;

В - вакуумметр для измерения малых абсолютных давлений (например, вакуумметр теплоэлектрический ВТБ-1) образцовым СИ не является и рекомендуют только в схемах поверки преобразователей абсолютного давления с верхним пределом измерений 0,25 МРа и менее.

Примечание. Схема не распространяется на случаи использования в качестве образцовых СИ автоматизированных задатчиков давления, а так же на системы с опорным давлением и последовательным включением нескольких ОР.

Приложение 9

Обязательное

Схема подключения к преобразователю, для которого рабочей средой при поверке должен быть газ, грузопоршневого манометра, предназначенного для передачи давления жидкостью

Р и Р' - измеряемое давление и давление под поршнем МП (как правило Р = Р');

ИРГ - источник давления газа (например, баллон со сжатым азотом и редуктор);

ПР - поверяемый преобразователь;

РГЖ - разделительный сосуд (газ-жидкость);

МП - измерительная колонка грузопоршневого манометра (например, МП6, МП60, МП600);

УПЖ - устройства для подкачки жидкости с целью поддержания ее уровня в разделительном сосуде. Уровень жидкости в разделительном сосуде должен находиться на уровне в плоскости торца поршня МП. Если это не соблюдается, то Р ≠ Р' и должна вводиться поправка Р на разность этих уровней. DР = вg, а Р = Р' ± DР («+» если уровень в сосуде ниже торца поршня, «-» если выше). Если DР £ 0,15gп, то его не учитывают.

Приложение 10

Обязательное

Схема подключения к поверяемому преобразователю образцовых задатчиков давления и (или) разряжения

ОЗР - образцовый задатчик давления и (или) разряжения (например, «Воздух-250»);

ПР - поверяемый преобразователь;

Р' = Р + Роп Если опорное давление Роп = 0, то Р' = Р, где Р - измеряемое давление.

Примечание. Линия опорного давления может отсутствовать.

 

СОДЕРЖАНИЕ

 

 



© 2013 Ёшкин Кот :-)