Информационная система
«Ёшкин Кот»

XXXecatmenu

ФЕДЕРАЛЬНОЕ АГЕНТСТВО
ПО ТЕХНИЧЕСКОМУ РЕГУЛИРОВАНИЮ И МЕТРОЛОГИИ

НАЦИОНАЛЬНЫЙ
СТАНДАРТ
РОССИЙСКОЙ
ФЕДЕРАЦИИ

ГОСТ Р ИСО 14589-2005

 

Заклепки «слепые»

МЕХАНИЧЕСКИЕ ИСПЫТАНИЯ

ISO 14589:2000
Blind rivets - Mechanical testing
(IDT)

 

 

Москва

Стандартинформ

2006

 

Предисловие

Цели и принципы стандартизации в Российской Федерации установлены Федеральным законом от 27 декабря 2002 г. № 184-ФЗ «О техническом регулировании», а правила применения национальных стандартов Российской Федерации - ГОСТ Р 1.0-2004 «Стандартизация в Российской Федерации. Основные положения»

Сведения о стандарте

1. ПОДГОТОВЛЕН Всероссийским научно-исследовательским институтом стандартизации и сертификации в машиностроении (ВНИИНМАШ) на основе собственного аутентичного перевода стандарта, указанного в пункте 4

2. ВНЕСЕН Техническим комитетом по стандартизации ТК 229 «Крепежные изделия»

3. УТВЕРЖДЕН И ВВЕДЕН В ДЕЙСТВИЕ Приказом Федерального агентства по техническому регулированию и метрологии от 14 декабря 2005 г. № 312-ст

4. Настоящий стандарт идентичен международному стандарту ИСО 14589:2000 «Заклепки «слепые». Механические испытания» (ISO 14589:2000 «Blind rivets - Mechanical testing», IDT)

5. ВВЕДЕН ВПЕРВЫЕ

Информация об изменениях к настоящему стандарту публикуется в ежегодно издаваемом информационном указателе «Национальные стандарты», а текст изменений и поправок - в ежемесячно издаваемых информационных указателях «Национальные стандарты». В случае пересмотра (замены) или отмены настоящего стандарта соответствующее уведомление будет опубликовано в ежемесячно издаваемом информационном указателе «Национальные стандарты». Соответствующая информация, уведомление и тексты размещаются также в информационной системе общего пользования - на официальном сайте национального органа Российской Федерации по стандартизации в сети Интернет

 

СОДЕРЖАНИЕ

1. Область применения. 2

2. Нормативные ссылки. 2

3. Испытания на срез и растяжение. 2

4. Испытание способности головки сердечника удерживаться в корпусе заклепки. 7

5. Испытание сопротивления выталкиванию сердечника (до установки) 8

6. Испытание усилия разрыва сердечника. 9

Приложение А Пример испытательного пакета для испытаний заклепок на растяжение. 10

Приложение В Сведения о соответствии ссылочных международных (региональных) стандартов национальным стандартам Российской Федерации. 11

 

НАЦИОНАЛЬНЫЙ СТАНДАРТ РОССИЙСКОЙ ФЕДЕРАЦИИ

Заклепки «слепые»

МЕХАНИЧЕСКИЕ ИСПЫТАНИЯ

Blind rivets. Mechanical testing

Дата введения - 2007-01-01

1. Область применения

Настоящий стандарт устанавливает методы механических испытаний «слепых» заклепок с номинальными диаметрами до 6,4 мм включительно при температуре окружающей среды от 10 °C до 35 °C.

2. Нормативные ссылки

В настоящем стандарте использована ссылка на следующий международный стандарт:

ИСО 7500-1:1999 Металлические материалы - Проверка статических аксиальных машин для испытаний - Часть 1: Машины для испытаний растяжения/сжатия - Проверка и калибровка систем для измерения силы

3. Испытания на срез и растяжение

3.1. Принцип испытаний на срез и растяжение

Испытание состоит в деформации «слепой» заклепки, установленной в приспособлении для испытаний, нагрузками на срез или растяжение до ее разрушения.

3.2. Приспособления для испытаний на срез и растяжение

Для каждого из обоих методов испытаний определены два вида приспособлений для испытаний. Приспособления, указанные в 3.2.1.1 и 3.2.2.1, используются для обычных испытаний. Приспособления, указанные в 3.2.1.2 и 3.2.2.2, могут также быть использованы для обычных испытаний, но их показания являются решающими в спорных случаях.

3.2.1. Приспособления для испытаний на срез

3.2.1.1. Обычные испытания на срез

Основные размеры представлены на рисунке 1.

Пластины для испытаний должны быть изготовлены из стали твердостью не менее 420 HV30. Для уменьшения деформации пластин под действием приложенной нагрузки следует закреплять приспособление к захватам испытательной машины стальными болтами.

Пластины для испытаний заменяются в случаях, когда отверстия, в которые устанавливаются испытуемые заклепки, отличаются по форме от правильной окружности, имеют признаки износа или повреждений или превышают максимальный диаметр, указанный в таблице 2. Значения толщин пластин и диаметров отверстий для испытаний приведены в 3.2.3.

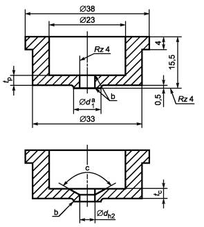
а - Rz4; b - на кромках отверстий не должно быть заусенцев; с - угол потая равен номинальному углу головки заклепки с допуском - 2°; d - круговая плоская поверхность вокруг оси образца с минимальным диаметром 25 мм

Рисунок 1. - Приспособление для обычных испытаний на срез

а - d1 = 2d (d - номинальный диаметр заклепки); b - на кромках отверстий не должно быть заусенцев; с - угол потая равен номинальному углу потайной головки заклепки с допуском - 2°

Рисунок 2. - Испытательные вставки для «слепых» заклепок с выступающей головкой и с потайной головкой

а - ширина 50 мм

Рисунок 3. - Приспособление с установленной испытуемой заклепкой для разрешения спорного случая при испытании на срез

3.2.1.2. Испытания на срез в спорных случаях

Испытательные вставки, используемые в приспособлениях для испытаний в соответствии с рисунком 3, должны соответствовать размерам и допускам, приведенным на рисунке 2. Вставки изготавливаются из закаленной и отпущенной стали и должны иметь твердость не менее 700 HV30. Устройство, в которое устанавливают вставки, должно самоцентрироваться при установке в машину для испытаний на растяжение. Для каждой серии испытаний в спорных случаях должны использоваться новые вставки. Если устройство, соответствующее рисунку 3, используется для обычных испытаний, то вставки должны быть заменены в случаях, если отверстия, в которые устанавливают испытуемые заклепки, отличаются по форме от правильной окружности, обнаруживают признаки износа или повреждения или превышают максимальный диаметр, указанный в таблице 2. Значения толщины вставок и диаметров отверстий для испытаний приведены в 3.2.3.

3.2.2. Приспособления для испытаний на растяжение

3.2.2.1. Обычное испытание на растяжение

Основные размеры приведены на рисунке 4.

Примечание. - Пример приспособления для испытаний приведен в приложении A.

Пластины для испытаний должны быть изготовлены из стали твердостью не менее 420 HV30. Для уменьшения деформации пластин под действием приложенной нагрузки следует закреплять приспособление к захватам испытательной машины стальными болтами. Пластины для испытаний заменяются в случаях, когда диаметры отверстий, в которые устанавливаются испытуемые заклепки, отличаются по форме от правильной окружности, обнаруживают признаки износа или повреждений или превышают максимальный диаметр, указанный в таблице 2. Значения толщины пластин и диаметров отверстий для испытаний приведены в пункте 3.2.3.

а - угол потая равен номинальному углу потайной головки заклепки с допуском - 2°; b - круговая плоская поверхность вокруг оси образца с минимальным диаметром 25 мм

Рисунок 4. - Приспособление для обычных испытаний на растяжение

3.2.2.2. Испытания на растяжение в спорных случаях

Требования к вставкам, используемым в испытательном приспособлении, соответствующем рисунку 5, приведены в 3.2.1.2.

1 - вставка (подробнее см. на рисунке 2); а - ширина 50 мм; b - при испытании длинных заклепок может использоваться прокладка

Рисунок 5. - Приспособление с установленной испытуемой заклепкой для испытания на растяжение в спорном случае

3.2.3. Толщина испытательных пластин/вставок и диаметры отверстий для испытаний

Для всех испытательных устройств толщины пластин или вставок для испытаний должны соответствовать данным таблицы 1, а диаметры отверстий для испытаний должны соответствовать указанным в таблице 2.

Таблица 1. - Толщина испытательных пластин/вставок для различных типов «слепых» заклепок

Тип заклепки

Толщина пластины/вставки, не менее

tp

tc

Заклепка с протягиваемым насквозь сердечником

0,5d

0,75d

Заклепка с разрывающимся сердечником

0,5d

0,75d

Заклепка с неразрывающимся сердечником

0,5d

0,75d

Заклепка с сердечником с заданной точкой разрыва

0,75d

d

Заклепка с ступенчатым сердечником с заданной точкой разрыва

0,65d

0,75d

Заклепка с забивным штифтом

0,5d

0,75d

tp - толщина для заклепок с выступающей головкой;

tc - толщина для заклепок с потайной головкой;

d - номинальный диаметр заклепки.

Таблица 2. - Диаметры отверстий для испытательных пластин/вставок

dномин.

dh2

dномин.

dh2

не более

не менее

не более

не менее

2,4

2,60

2,55

4,8

5,00

4,95

3,0

3,20

3,15

5,0

5,20

5,15

3,2

3,40

3,35

6,0

6,20

6,15

4,0

4,20

4,15

6,4

6,60

6,55

d - номинальный диаметр заклепки;

dh2 - диаметр отверстия.

3.2.4. Подготовка испытательного пакета

Две испытательные пластины/вставки, имеющие одинаковую номинальную толщину, должны быть соединены заклепкой, подлежащей испытанию. Заклепка должна быть установлена с помощью установочного инструмента и наконечника в соответствии с рекомендациями производителя заклепок. Общая толщина испытательного пакета не должна превышать максимальную толщину пакета, установленную для заклепки, подлежащей испытанию.

3.3. Процедура испытаний на срез и растяжение

Испытательный пакет должен быть установлен в машину для испытаний на растяжение, соответствующую требованиям ИСО 7500-1. Захваты машины для испытаний на растяжение должны быть самоцентрирующиеся и должны гарантировать, что нагрузка приложена по прямой линии вдоль плоскости среза образца для испытания на срез или по прямой линии вдоль оси образца для испытания на растяжение. Нагрузку необходимо прикладывать непрерывно со скоростью не менее 7 мм/мин и не более 13 мм/мин до разрушения образца. Максимальная нагрузка регистрируется как предел прочности заклепки на срез или растяжение. В случае если заклепка повреждается при нагрузке менее установленных значений пределов прочности на срез или растяжение, то она не проходит испытание.

3.4. Испытания коротких заклепок

Для заклепок с максимальной толщиной пакета меньше, чем указанные в таблице 1 значения 2tp min или 2tс min, суммарная толщина испытательных пластин/вставок должна быть равна максимальной толщине пакета для заклепок, подлежащих испытанию. Формирование испытательного пакета и процедура испытания в соответствии с 3.2. Оценка испытания зависит от того, могут ли испытательные пластины/вставки выдерживать предельные нагрузки на срез или растяжение заклепок, подлежащих испытанию. Результаты испытаний заклепок могут быть следующими:

a). В случае, если пластины или вставки для испытаний остаются неповрежденными до тех пор, пока не разрушается заклепка, максимальная зарегистрированная нагрузка является пределом прочности на срез или растяжение. Если этот предел равен или превышает указанные минимальные нагрузки на срез или растяжение, то заклепка прошла испытание.

b). Если заклепка остается неповрежденной, а пластины или вставки для испытаний разрушаются при нагрузке, равной или превышающей указанные минимальные нагрузки на срез и растяжение, то заклепка прошла испытание. Однако в этом случае пределы прочности заклепки на срез и растяжение определить нельзя.

c). Если заклепка остается неповрежденной, а пластины или вставки для испытаний разрушаются при нагрузке менее, чем указанные минимальные нагрузки на срез или растяжение, то возможность применения таких заклепок может быть согласована между производителем и покупателем.

d). Если заклепка разрушается при нагрузке, не достигшей указанных минимальных значений нагрузок на срез и растяжение, то заклепка не прошла испытание.

4. Испытание способности головки сердечника удерживаться в корпусе заклепки

4.1. Принцип испытания способности удерживания головки

Испытание состоит в приложении осевой нагрузки к хвостовику сердечника со стороны головки установленной «слепой» заклепки до выпадения сердечника из корпуса «слепой» заклепки.

Примечание. - Это испытание не применимо к «слепым» заклепкам с закрытым концом, забивным штифтом, с разделяющимся концом, с разрезным стержнем.

4.2. Приспособление для испытания способности сердечника удерживаться в корпусе заклепки (рисунок 6)

1 - сердечник; 2 - испытательный блок

Рисунок 6. - Приспособление для испытания способности сердечника удерживаться в корпусе заклепки

В испытательный пакет может быть включена одна или более стальных пластин, дающих общую толщину ttot, равную указанной максимальной длине пакета заклепки, подлежащей испытанию. Не должны использоваться пластины толщиной менее 1,5 мм. Пластины должны иметь ширину, обеспечивающую круговую плоскую поверхность вокруг оси образца с минимальным диаметром 25 мм. Диаметры отверстий в пластинах должны соответствовать таблице 2.

Заклепка должна быть установлена с помощью установочного инструмента в соответствии с рекомендациями производителя заклепок. Отверстие испытательного блока, на который помещен склепанный пакет, должно соответствовать размерам «слепой» головки, но диаметр dh3 не должен превышать номинальный диаметр заклепки более чем в 2 раза (dh3 £ 2d).

4.3. Процедура испытания способности головки сердечника удерживаться в корпусе заклепки

Испытательный пакет должен быть установлен в машину для испытаний, соответствующую требованиям ИСО 7500-1 и оборудованную прессом, как показано на рисунке 6. Нагрузка должна прилагаться к необработанному концу сердечника непрерывно и без удара, строго вдоль оси сердечника, и действие нагрузки должно продолжаться до тех пор, пока сердечник не начнет двигаться относительно корпуса заклепки. Скорость испытания должна быть не менее 7 мм/мин и не более 13 мм/мин. Максимальная нагрузка до начала сдвига сердечника регистрируется как предел удерживания головки сердечника заклепки.

5. Испытание сопротивления выталкиванию сердечника (до установки)

5.1. Принцип испытания сопротивления выталкиванию сердечника (до установки)

Испытание состоит в приложении осевой нагрузки к сердечнику со стороны головки «слепой» заклепки до его выталкивания.

Примечание. - Это испытание не применимо к «слепым» заклепкам с закрытым концом и с забивным штифтом.

5.2. Приспособление для испытания сопротивления выталкиванию сердечника (до установки) (рисунок 7)

1 - испытательный блок

Рисунок 7. - Приспособление для испытания сопротивления выталкиванию сердечника (до установки)

В испытательный пакет может быть включена одна или более стальных пластин, дающих общую толщину пакета ttot ³ 10 мм. Не должны использоваться пластины толщиной менее 1,5 мм. Испытательные пластины должны иметь ширину, обеспечивающую минимальную плоскую круговую поверхность диаметром 25 мм вокруг оси образца. Диаметры отверстий в испытательных пластинах должны соответствовать таблице 2.

Диаметр отверстия dh4 испытательного блока, на который помещены испытательные пластины с заклепкой, не должен превышать максимальный диаметр конца заклепки более чем на 1 мм.

5.3. Процедура испытания сопротивления выталкиванию сердечника (до установки)

Испытательное устройство должно быть установлено в машину для испытаний, соответствующую требованиям ИСО 7500-1 и оборудованную прессом, как показано на рисунке 7. Нагрузка должна быть приложена к концу сердечника непрерывно и без удара, строго вдоль оси сердечника, и действие нагрузки должно продолжаться до тех пор, пока сердечник не начнет двигаться относительно корпуса заклепки. Скорость испытания должна быть не менее 7 мм/мин и не более 13 мм/мин. Максимальная нагрузка регистрируется как предельное сопротивление выталкиванию сердечника заклепки.

6. Испытание усилия разрыва сердечника

6.1. Принцип испытания усилия разрыва сердечника

Испытание состоит в приложении к сердечнику, перемещенному из корпуса заклепки в испытательное приспособление, осевой нагрузки до его разрыва.

6.2. Приспособление для испытания усилия разрыва сердечника (рисунок 8)

1 - испытательная пластина; 2 - испытательное приспособление, соответствующее рисунку 5 (только одна часть); 3 - испытательная вставка; а - диаметр отверстия  мм

Рисунок 8. - Приспособление для испытания усилия разрыва сердечника

Приспособление состоит из стальных испытательных пластин/вставок твердостью не менее 700 HV30. Диаметр отверстия испытательной пластины/вставки должен быть равным номинальному диаметру сердечника, подлежащего испытанию, с допуском + 0,4; + 0,2 мм. Толщина испытательной пластины или вставки должна быть не менее 5 мм, но должна быть достаточной, чтобы выдержать нагрузку, приложенную при испытании, без проявления признаков пластической деформации.

6.3. Процедура испытания

Приспособление должно быть установлено в машину для испытаний, соответствующую требованиям ИСО 7500-1, оборудованную устройством для захвата сердечника. Нагрузка должна быть приложена к сердечнику непрерывно и без удара, строго вдоль оси сердечника, и действие нагрузки должно продолжаться до тех пор, пока сердечник не разрушится. Скорость испытания должна быть не менее 7 мм/мин и не более 13 мм/мин. Максимальная нагрузка регистрируется как усилие разрыва сердечника заклепки.

Приложение А

(справочное)

Пример испытательного пакета для испытаний заклепок на растяжение

Две испытательные пластины (рисунок А.1), соответствующие 3.2.2, соединены друг с другом заклепкой, подлежащей испытанию.

Склепанное соединение помещают в испытательное приспособление, как показано на рисунке А.1, а испытательное приспособление помещают между головками пресса машины для испытаний.

Рисунок А.1. - Приспособление для испытаний заклепок на растяжение

Приложение В

(справочное)

Сведения о соответствии ссылочных международных (региональных) стандартов национальным стандартам Российской Федерации

Обозначение ссылочного международного стандарта

Обозначение и наименование соответствующего национального стандарта

ИСО 7500-1:1999

*

* Соответствующий национальный стандарт отсутствует. До его утверждения рекомендуется применять перевод на русский язык данного международного стандарта. Перевод данного международного стандарта находится в Федеральном информационном фонде технических регламентов и стандартов.

 

Ключевые слова: «слепая» заклепка, испытания

 

 



© 2013 Ёшкин Кот :-)