Информационная система
«Ёшкин Кот»

XXXecatmenu

ОТРАСЛЕВЫЕ СТАНДАРТЫ

 

ДЕТАЛИ И СБОРОЧНЫЕ ЕДИНИЦЫ ИЗ УГЛЕРОДИСТЫХ
И КРЕМНЕМАРГАНЦОВИСТЫХ СТАЛЕЙ
ДЛЯ ТРУБОПРОВОДОВ ПАРА И ГОРЯЧЕЙ ВОДЫ
С ДАВЛЕНИЕМ
pу ≥ 4,0 МПа (PУ ≥ 40 кгс/см2)
ТЕПЛОВЫХ ЭЛЕКТРОСТАНЦИЙ

ТИПЫ, КОНСТРУКЦИЯ, РАЗМЕРЫ И ТЕХНИЧЕСКИЕ ТРЕБОВАНИЯ

ОСТ 108.462.02-82

 

 

УТВЕРЖДЕН И ВВЕДЕН В ДЕЙСТВИЕ указанием Министерства энергетического машиностроения от 04.06.82 № ВВ-002/4628

ИСПОЛНИТЕЛИ: НПО ЦКТИ и БЗЭМ

СОГЛАСОВАН с Главным управлением по проектированию и научно-исследовательским работам Министерства энергетики и электрификации СССР

Л.М. ВОРОНИН

ОТРАСЛЕВОЙ СТАНДАРТ

ШТУЦЕРЫ ДЛЯ ТРУБОПРОВОДОВ ТЭС

КОНСТРУКЦИЯ И РАЗМЕРЫ

ОСТ 108.462.02-82

Взамен ОСТ 24.462.02 в части
pном = 380 кгс/см2, t = 280 °С;
pном = 230 кгс/см2, t = 230 °С;
pном = 185 кгс/см2, t = 215 °С;
pном = 40 кгс/см2, t = 440 °С;
pном = 76 кгс/см2, t = 145 °С;
ОСТ 24.462.15 в части
pном = 380 кгс/см2, t = 280 °С;
ОСТ 24.462.17

Указанием Министерства энергетического машиностроения от 04.06.82 № ВВ-002/4628 срок действия установлен

с 01.01.85

до 01.01.96

Несоблюдение стандарта преследуется по закону

1. Настоящий стандарт распространяется на штуцеры трубопроводов тепловых электростанций с абсолютным давлением и температурой среды:

p = 37,27 МПа (380 кгс/см2), t = 280 °С;

p = 23,54 МПа (240 кгс/см2), t = 250 °С;

p = 18,14 МПа (185 кгс/см2), t = 215 °С;

p = 3,92 МПа (40 кгс/см2), t = 440 °С;

p = 7,45 МПа (76 кгс/см2), t = 145 °С;

p = 4,31 МПа (44 кгс/см2), t = 340 °С.

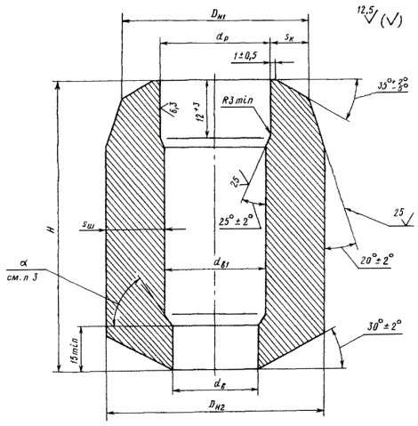
2. Конструкция, размеры и материал штуцеров должны соответствовать указанным на черт. 1, 2 и в таблице.

3. Угол α не регламентируется.

4. Остальные технические требования - по ОСТ 108.030.113 и ОСТ 24.125.60.

5. Пример условного обозначения штуцера исполнения 02 с условным проходом 100 мм:

ШТУЦЕР 100 02 ОСТ 108.462.02.

5. Пример маркировки: 02 ОСТ 108.462.02

Черт. 1

Остальное - см. черт. 1

Черт. 2


Размеры, мм

Исполнение

Черт.

Условный проход Dу

Dн1

Dн2 (пред. откл. +2)

dв

dв1

dр

H (пред. откл. ± 2)

sш

s

Материал (марка, ГОСТ, ТУ)

Масса, кг

Номин.

Пред. откл.

Номин.

Пред. откл.

Номин.

Пред. откл.

Номин.

Пред. откл.

не менее

p = 37,27 МПа (380 кгс/см2), t = 280 °С

01

1

40

60

± 1

75

31

+0,62

36

+0,62

39

+0,62

82

15,0

9,0

Сталь 20 ГОСТ 1050

1,92

02

2

100

135

± 1

148

84

+0,87

90

+0,54

98

+0,54

125

27,0

15,9

Сталь 15ГС ТУ 14-1-1529

10,5

03

150

196

228

124

+1,0

131

+0,63

144

+0,63

200

45,0

22,5

47,2

p = 23,54 МПа (240 кгс/см2), t = 250 °С; p = 18,14 МПа (185 кгс/см2), t = 215 °С

04

1

65

80

± 1

90

50

+0,62

55

+0,46

58

+0,46

100

13,5

8,1

Сталь 15ГС ТУ 14-1-1529

2,77

p = 3,92 МПа (40 кгс/см2), t = 440 °С; p = 7,45 МПа (76 кгс/см2), t = 145 °С

05

1

80

90

± 1

95

71

+0,74

75

+0,46

77

+0,46

100

7,0

5,4

Сталь 20 ТУ 14-1-3987 Гр. IIТ ОСТ 108.030.113

1,81

p = 4,31 МПа (44 кгс/см2), t = 340 °С

06

1

50

58

± 1

60

38

+0,62

43

+0,39

50

+0,62

82

6,0

3,0

Сталь 20 ГОСТ 1050

0,89

07

65

78

84

57

+0,74

63

+0,46

69

+0,46

100

7,5

3,5

Сталь 20 ТУ 14-1-3987 Гр. IIТ ОСТ 108.030.113

1,90

08

80

90

95

71

76

81

+0,54

4,0

3,6

1,44

09

100

110

-

115

90

+0,87

94

+0,54

97

125

7,5

5,0

3,38


ИНФОРМАЦИОННЫЕ ДАННЫЕ

1. УТВЕРЖДЕН И ВВЕДЕН В ДЕЙСТВИЕ указанием Министерства энергетического машиностроения от 04.06.82 № ВВ-002/4628

2. ИСПОЛНИТЕЛИ

П.М. Христюк, канд. техн. наук; Д.Д. Дорофеев, канд. техн. наук (руководитель темы); Г.Н. Смирнов (руководитель темы); Л.Н. Жылюк; В.Н. Шанский; Н.В. Москаленко; Д.Ф. Фомина; Г.А. Мисирьянц; В.Ф. Логвиненко; Ф.А. Гловач; А.З. Гармаш; Н.Г. Мазин; А.С. Шестернин

3. ЗАРЕГИСТРИРОВАН Государственным комитетом СССР по стандартам за № 8273640 от 26.02.83

4. ВЗАМЕН ОСТ 24.462.02, ОСТ 24.462.15, ОСТ 24.462.17

5. ССЫЛОЧНЫЕ НОРМАТИВНО-ТЕХНИЧЕСКИЕ ДОКУМЕНТЫ

Обозначение НТД, на который дана ссылка

Номер пункта, подпункта, перечисления, приложения

ГОСТ 1050-88

2

ОСТ 24.125.60-89

4

ОСТ 108.030.113-87

2; 4

ОСТ 14-1-1529-84

2

ОСТ 14-1-3987-85

2

6. ПЕРЕИЗДАНИЕ (1992 г.) с Изменениями № 1, 2, 3, 4.

Срок действия продлен до 1996 г. Изменением № 4, утвержденным письмом Минтяжмаша СССР от 27.12.90 № ВА-002-1-12060

 

 



© 2013 Ёшкин Кот :-)