Информационная система
«Ёшкин Кот»

XXXecatmenu

ОТРАСЛЕВЫЕ СТАНДАРТЫ

ДЕТАЛИ И СБОРОЧНЫЕ ЕДИНИЦЫ
ИЗ ХРОМОМОЛИБДЕНОВАНАДИЕВЫХ СТАЛЕЙ
ДЛЯ ПАРОПРОВОДОВ ТЕПЛОВЫХ
ЭЛЕКТРОСТАНЦИЙ

ТИПЫ, КОНСТРУКЦИЯ, РАЗМЕРЫ
И ТЕХНИЧЕСКИЕ ТРЕБОВАНИЯ

ПАРАМЕТРЫ:

р = 13,73 МПа (140 кгс/см2), t = 560 °С;

р = 13,73 МПа (140 кгс/см2), t = 545 °С;

р = 9,81 МПа (100 кгс/см2), t = 540 °С;

р = 4,02 МПа (41 кгс/см2), t = 545 °С

ТРОЙНИКИ РАВНОПРОХОДНЫЕ ДЛЯ ПАРОПРОВОДОВ ТЭС

КОНСТРУКЦИЯ И РАЗМЕРЫ

ОСТ 108.720.05-82

Срок действия стандартов не ограничен в соответствии
с указанием Госстандарта РФ № 1/28-332 от 15.02.94

УТВЕРЖДЕН И ВВЕДЕН В ДЕЙСТВИЕ указанием Министерства энергетического машиностроения от 04.06.82 № ВВ-002/4628

СОГЛАСОВАН с Главным управлением по проектированию и научно-исследовательским работам Министерства энергетики и электрификации СССР

Л.М. ВОРОНИН

Отраслевые стандарты
на детали и сборочные единицы
с расчетным ресурсом 200 тыс. ч

ОСТ 108.720.05-82

ОТРАСЛЕВОЙ СТАНДАРТ

ТРОЙНИКИ РАВНОПРОХОДНЫЕ ДЛЯ ПАРОПРОВОДОВ ТЭС

КОНСТРУКЦИЯ И РАЗМЕРЫ

ОСТ 108.720.05-82

Взамен НО 778-66 в части
pном = 255 кгс/см2, t = 545 °С;
ОСТ 24.720.12 в части
pном = 140 кгс/см2, t = 560 °С;
pном = 140 кгс/см2, t = 545 °С;
pном = 100 кгс/см2, t = 540 °С;
pном = 41 кгс/см2, t = 545 °С

Указанием Министерства энергетического машиностроения от 04.06.82 № ВВ-002/4628 срок действия установлен

с 01.01.85

до 01.01.96

1. Настоящий стандарт распространяется на тройники равнопроходные для паропроводов тепловых электростанций с абсолютным давлением и температурой пара:

p = 25,01 МПа (255 кгс/см2), t = 545 °С;

p = 13,73 МПа (140 кгс/см2), t = 560 °С;

p = 13,73 МПа (140 кгс/см2), t = 545 °С;

p = 13,73 МПа (140 кгс/см2), t = 515 °С;

p = 9,81 МПа (100 кгс/см2), t = 540 °С;

p = 4,02 МПа (41 кгс/см2), t = 545 °С.

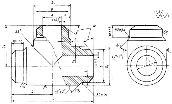
2. Конструкция и размеры тройников должны соответствовать указанным на чертеже и в таблице.

3. Материал - сталь марки 12Х1МФ по ТУ 14-1-3987 Гр. IIТ ОСТ 108.030.113.

4. Остальные технические требования - по ОСТ 108.030.113 и ОСТ 24.125.60.

5. Исполнение, указанное в скобках, применять по согласованию с предприятием-изготовителем.

6. Пример условного обозначения тройника равнопроходного исполнения 02 с условным проходом Dy = 15 мм:

ТРОЙНИК РАВНОПРОХОДНЫЙ 15 02 ОСТ 108.720.05.

7. Пример маркировки: 02 ОСТ 108.720.05                                   

* Размер для справок.


Размеры, мм

Исполнение

Условный проход Dу

Присоединяемые трубы

D

D1

d

S, не менее

S1, не менее

L

L1

α, . . .°

Масса, кг

Наружный диаметр

Толщина стенки

Номин.

Пред. откл.

Номин.

Пред. откл.

Номин.

Пред. откл.

Номин.

Пред. откл.

Номин.

Пред. откл.

Номин.

Пред. откл.

p = 25,01 МПа (255 кгс/см2), t = 545°С

01

10

16

3,5

17

+ 0,5

20

+ 1,1

- 0,5

9

+ 0,36

3,2

4,0

60

+ 4

- 2

30

+ 2

- 1

45

± 2

0,15

02

15

28

6

29

35

+ 1,3

- 0,7

16

+ 0,43

5,4

8,0

80

40

35

+ 2

- 5

0,66

03

32

57

12

58

+ 1,0

63

+ 1,9

- 1,0

31

+ 0,62

11,7

14,0

130

65

3,20

p = 13,73 МПа (140 кгс/см2), t = 560 °С; p = 13,73 МПа (140 кгс/см2), t = 545 °С; p = 13,73 МПа (140 кгс/см2), t = 515 °С; p = 9,81 МПа (100 кгс/см2), t = 540 °С; p = 4,02 МПа (41 кгс/см2), t = 545 °С

04

10

16

2,5

17

+ 0,5

20

+ 1,1

- 0,5

11

+ 0,4.3

2,3

3,0

60

+ 4

- 2

30

+ 2

- 1

45

± 2

0,11

p = 13,73 МПа (140 кгс/см2), t = 560 °С; p = 13,73 МПа (140 кгс/см2), t = 545 °С

05

20

28

4,5

29

+ 0,5

35

+ 1,3

- 0,7

19

+ 0,52

4,1

6,5

80

+ 4

- 2

40

+ 2

- 1

35

+ 2

- 5

0,56

06

50

76

13

77

+ 1,0

82

+ 2,4

- 1,2

50

+ 0,62

11,7

14,0

180

90

6,15

p = 13,73 МПа (140 кгс/см2), t = 515 °С; p = 9,81 МПа (100 кгс/см2), t = 540 °С; p = 4,02 МПа (41 кгс/см2), t = 545 °С

07

20

28

3

29

+ 0,5

35

+ 1,3

- 0,7

22

+ 0,52

2,7

5,0

80

+ 4

- 2

40

+ 2

- 1

35

+ 2

- 5

0,45

p = 13,73 МПа (140 кгс/см2), t = 515 °С

(08)

65

76

9

Ч

+ 1,0

88

+ 2,4

- 1,2

58

+ 0,46

8,1

13,0

180

+ 4

- 2

90

+ 2

- 1

35

+ 2

- 5

5,42

p = 4,02 МПа (41 кгс/см2), t = 545 °С

09

50

57

3,5

58

+ 0,5

63

+ 1,9

- 1,0

50

+ 0,62

3,2

4,5

130

+ 4 - 2

65

+ 2

- 1

35

+ 2

- 5

1,40


ИНФОРМАЦИОННЫЕ ДАННЫЕ

1. УТВЕРЖДЕН И ВВЕДЕН В ДЕЙСТВИЕ указанием Министерства энергетического машиностроения от 04.06.82 № ВВ-002/4628

2. ИСПОЛНИТЕЛИ

П.М. Христюк, канд. техн. наук; Д.Д. Дорофеев, канд. техн. наук (руководитель темы); Г.Н. Смирнов (руководитель темы); Л.Н. Жылюк; В.Н. Шанский; Н.В. Москаленко; Д.Ф. Фомина; Г.А. Мисирьянц; В.Ф. Логвиненко; Ф.А. Гловач; А.З. Гармаш; Н.Г. Мазин; А.С. Шестернин

3. ЗАРЕГИСТРИРОВАН Государственным комитетом СССР по стандартам за № 8257000 от 09.09.82

4. ВЗАМЕН ОСТ 24.720.12, НО 778-66

5. ССЫЛОЧНЫЕ НОРМАТИВНО-ТЕХНИЧЕСКИЕ ДОКУМЕНТЫ

Обозначение НТД, на который дана ссылка

Номер пункта, подпункта, перечисления, приложения

ОСТ 24.125.60-87

4

ОСТ 108.030.113-87

3; 4

ТУ 14-1-3987-85

3

6. ПЕРЕИЗДАНИЕ (1992 г.) с Изменениями № 1, 2, 3, 4, 5

Срок действия продлен до 1996 г. Изменением № 4, утвержденным письмом Минтяжмаша СССР от 27.12.90 № ВА-002-1-12060.



© 2013 Ёшкин Кот :-)