Информационная система
«Ёшкин Кот»

XXXecatmenu

МИНИСТЕРСТВО ТРАНСПОРТА
РОССИЙСКОЙ ФЕДЕРАЦИИ

ФЕДЕРАЛЬНАЯ АВТОМОБИЛЬНО-ДОРОЖНАЯ СЛУЖБА

АЛЬБОМ
АРХИТЕКТУРНОЙ ЧАСТИ ТИПОВЫХ РЕШЕНИЙ
ПАВИЛЬОНОВ НА АВТОБУСНЫХ ОСТАНОВКАХ

г. Москва, 1996 г.

ПОЯСНИТЕЛЬНАЯ ЗАПИСКА

Разработка проектов архитектурной части типовых решений павильонов на автобусных остановках заказана Федеральным дорожным Департаментом Российской Федерации и выполнена согласно технического задания.

На основе восьми планировочных схем разработаны 32 павильона. Альбом включает в себя три серии павильонов. Размеры павильонов рассчитаны на 10, 15, 25 человек. Маркировка серий означает: I, II, III - номера серий; 10, 15,25 - количество человек; 1, 2, 3, 4 - порядковый номер павильона.

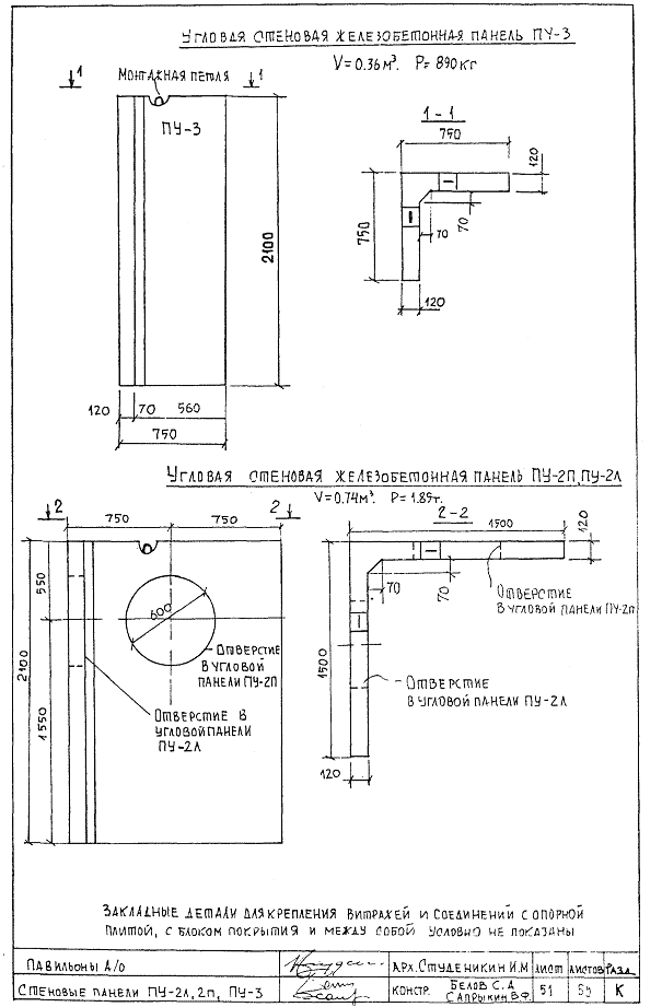
Серии I и III основаны на применении углообразных панелей из ж/б размером 1,5 м×1,5 м×2,1 м (h). Серия II основана на применении углообразных панелей из ж/б размером 0,75 м×0,75 м×2,1 м (h). Панели всех серий устанавливаются на ж/б плиту (или плиты) фундамента. Плиты, панели и основные узлы крепления показаны в разделе К (конструкции). Каждый павильон оснащен 2 скамьями и рекламным планшетом. Для лучшего обзора дорог в панелях 1,5 м×1,5 м предусмотрены проемы 600 мм.

Архитектура павильонов разработана с учетом региональных особенностей Российской Федерации. Большое значение в архитектурной композиции павильона, а также этнографической характеристике имеет решение покрытия (крыши) павильона. В альбоме разработаны несколько видов покрытий: шатровые плоские, шатровые криволинейные, цилиндрические, арочные, простые двухскатные и пр. Материал покрытий - сталь. Конструкция заводского изготовления. В разделе К показаны конструктивные решения покрытий, некоторые узлы стыковок.

Дизайн. Элементами дизайна типовых решений павильонов являются:

- отделка лицевых поверхностей панелей;

- скамьи;

- информационные планшеты;

- декоративные решетки;

- цветовое решение окраски павильонов.

Панели могут быть с гладкими (внутри павильона) поверхностями и офактуренными, с применением различных видов рисунка: вертикальная насечка, горизонтальная и более сложный рисунок.

Монтажные стыки заделываются по месту.

Скамьи из деревянного бруса толщиной 60 мм по металлическому каркасу.

Информационные планшеты выполняются из металлического листа 2-х размеров: для серии II-10, II-15 - 800×500 (h); для серии I и III половина круга D 1200. Размещаются в конструкции кровли.

Декоративные решетки из квадратного профиля 30 × 30 мм двух типов: тип Т-1 для серии I-10; тип Т-2 для серии I-15. Окраска решеток согласуется с общим решением окраски павильона. Цветовые решения окраски павильонов самые разнообразные. Несколько вариантов показаны в настоящем альбоме. Основная концепция цветового решения - применение и взаимное сочетание ярких открытых цветов. Для окраски металлических поверхностей и изделий (витражи) применять нитрогрунтовки, нитролаки.

Исходя из требований технического задания и принципов, заложенных в архитектурно-планировочной концепции павильонов ожидания пассажиров, конструктивные решения учитывают следующие моменты:

- максимальная унификация конструктивных элементов;

- технологичность изготовления сборных ж/б элементов на базе имеющихся предприятий строительной индустрии;

- простота сборки конструктивных элементов с минимальным использованием трудоемких «мокрых» процессов (замоноличивание и т.п.).

Фундамент павильонов - сборные ж/б плиты, жестко соединяемые в отдельных точках через петлевые выпуски арматуры.

Сборные ж/б панели стен углообразного профиля толщиной 120 мм должны быть изготовлены в заводских условиях из бетона класса В-25 с морозостойкостью не ниже F100 (СНиП 2.03.01-84). Лицевые поверхности изделий - в соответствии с архитектурными требованиями.

Основной тип соединений элементов стен с основанием и между собой - на стальных болтах через закладные детали (см. чертежи стыковых узлов). Возможны другие типы соединений, в т.ч. с помощью сварки закладных деталей. Заделка мест стыковки - пескобетоном класса В25.

Покрытия павильонов нескольких типов - шатровые с плоскими гранями, с криволинейными гранями и др. Предлагается выполнять покрытия целиком из стали - с каркасом из прямоугольных труб (гнутосварных профилей) или уголков и обшивкой из тонколистовой стали толщ. 3 мм. Покрытия целесообразно изготавливать целиком на заводе. Заводские соединения всех элементов каркаса и обшивки на электросварке. Покрытие павильона серии II.25-2 по условиям транспортировки изготавливается в виде отдельных плоских элементов с последующей сборкой на месте установки в специальном кондукторе. Антикоррозийная и декоративная окраска металлоизделий должна производиться на заводе-изготовителе.

Монтаж железобетонных и металлических конструкций павильонов может производиться обычным автокраном так как максимальный вес сборного железобетонного элемента и полностью собранного стального покрытия не превышает 2 т. Для строповки сборных ж/б элементов предусматриваются скрытые монтажные петли; для строповки покрытий целесообразно использовать инвентарные рым-болты, ввинчиваемые в специальные строповочные детали с внутренней резьбой. Железобетонные элементы монтируются обычными стропами, покрытия монтируются с помощью траверс, обеспечивающих неизменность формы легких конструкций при монтаже.

Крепление стальных покрытий к железобетонным стенам - с помощью штырей-фиксаторов, болтов или электросваркой к закладным деталям. Стальные рамки светопрозрачных и глухих ограждающих элементов крепятся к стенам болтами, ввинчиваемыми в закладные детали с внутренней резьбой. Деревянные элементы скамеек крепятся винтами снизу к опорным столикам из уголков; сами уголки крепятся к стенам сваркой на заводе или болтами по месту. Декоративные элементы оформления устанавливаются на покрытия с креплением винтами-саморезами в заранее просверленные отверстия.

Каркас стальных ограждающих элементов из квадратной трубы. Зазоры в примыканиях к панелям стен и покрытиям закрываются нащельником.

В конструктивном разделе проекта разработаны эскизно опалубочные чертежи железобетонных фундаментов («платформ») и стен, узлы соединения железобетонных элементов между собой, конструктивные решения покрытий и детали их стыков.

Альбом разработан архитектурной мастерской «СТУД-АРТ».

Авторы разработки:       архитектор Студеникин И. М.

конструктор Белов С. А.

конструктор Сапрыкин В. Ф.

СОСТАВ ПРОЕКТА

1. Пояснительная записка.

2. Схемы планировок павильонов серий I, II, III лист 1

Серия I-10                           схемы фасадов                                                     лист 2

Серия I-10-1                       павильон а/о, фасады, планы, разрезы             лист 3

Серия I-10-2                                           -«-                                                      лист 4

Серия I-10-3                                           -«-                                                      лист 5

Серия I-10-4                                           -«-                                                      лист 6

Серия I-15                           схемы фасадов                                                     лист 7

Серия I-15-1                       павильон а/о, фасады, планы, разрезы             лист 8

Серия I-15-2                                           -«-                                                      лист 9

Серия I-15-3                                           -«-                                                      лист 10

Серия I-15-4                                           -«-                                                      лист 11

Серия II-10 (II-15)              схемы фасадов                                                     лист 12, 13

Серия II-10-1 (II-15-1)       павильон а/о, фасады, планы, разрезы             лист 14

Серия II-10-2 (II-15-2)                           -«-                                                      лист 15

Серия II-10-3 (II-15-3)                           -«-                                                      лист 16

Серия II-10-4 (II-15-4)                           -«                                                       лист 17

Серия II-15-5 ÷ 8                схемы фасадов                                                     лист 18

Серия II-15-5                      павильон а/о, фасады, планы, разрезы             лист 19

Серия II-15-6                                          -«-                                                      лист 20

Серия II-15-7                                          -«-                                                      лист 21

Серия II-15-8                                          -«-                                                      лист 22

Серия II-25                         схемы фасадов                                                     лист 23

Серия II-25-1                      павильон а/о, фасады, планы, разрезы             лист 24

Серия II-25-2                                          -«-                                                      лист 25

Серия II-25-3                                          -«-                                                      лист 26

Серия II-25-4                                          -«-                                                      лист 27

Серия III-10                        схемы фасадов                                                     лист 28

Серия III-10-1                     павильон а/о, фасады, планы, разрезы             лист 29

Серия III-10-2                                        -«-                                                      лист 30

Серия III-10-3                                        -«-                                                      лист 31

Серия III-10-4                                        -«-                                                      лист 32

Серия III-15                        схемы фасадов                                                     лист 33

Серия III-15-1                     павильон а/о, фасады, планы, разрезы             лист 34

Серия III-15-2                                        -«-                                                      лист 35

Серия III-15-3                                        -«-                                                      лист 36

Серия III-15-4                                        -«-                                                      лист 37

3. Дизайнерское оформление павильонов серий I, II, III.

Элементы дизайна покрытий павильонов                                                    лист 38

Элементы дизайна ограждений (стен) павильонов                                     лист 39

Схема фасадов. Дизайн цветового решения                                                 лист 40

                                                                -«-                                                      лист 41

                                                                -«-                                                      лист 42

                                                                -«-                                                      лист 43

                                                                -«-                                                      лист 44

                                                                -«-                                                      лист 45

                                                                -«-                                                      лист 46

                                                                -«-                                                      лист 47

4. Конструктивные решения павильонов серий I, II, III (раздел К)

Опорные плиты павильонов ПФ-1, 1л, 1п                                                    лист 48

Опорные плиты павильонов ПФ-2, 2к, 2с                                                    лист 49

Стеновые панели. Панели ПУ-1, 1л, 1п                                                        лист 50

            -«-                Панели ПУ-2л, 2п; ПУ-3                                                лист 51

Расположение точек крепления стеновых панелей к опорным

плитам для серий I-10, I-15, II-10, II-15, III-10, III-15                                  лист 52

            -«-                для серий II-15, II-25                                                      лист 53

Узлы соединения стеновых панелей                                                             лист 54

Узлы соединения скамеек, витражей и щитов к стеновым панелям         лист 55

                 -«-                                                                                                          лист 56

Конструктивные решения покрытий; узел крепления к стенам                лист 57

            -«-                                                                                                          лист 58

            -«-                                                                                                          лист 59

Лист 18 в документе отсутствует



© 2013 Ёшкин Кот :-)