Информационная система
«Ёшкин Кот»

XXXecatmenu

СОВЕТ ЭКОНОМИЧЕСКОЙ ВЗАИМОПОМОЩИ

СТАНДАРТ СЭВ

СТ СЭВ 4714-84

МАСЛА РАСТИТЕЛЬНЫЕ НЕРАФИНИРОВАННЫЕ И РАФИНИРОВАННЫЕ

Правила приемки и методы отбора проб

 

Группа Н69

Утвержден Постоянной Комиссией по сотрудничеству
в области стандартизации

Берлин, июль 1984 г.

Настоящий стандарт СЭВ распространяется на все виды растительных масел различной степени очистки.

1. ПРАВИЛА ПРИЕМКИ

1.1. Общие положения

1.1.1. Партией при приемо-сдаточном контроле качества продукции, отгружаемой с предприятия-изготовителя или контролируемой при приемке по контракту, считают масло одного вида, выработанное в одних и тех же условиях, одного сорта, в одинаковой упаковке, предназначенное к единовременной отгрузке-приемке и оформленное одним документом о качестве.

При транспортировании масла в цистернах партией считают каждую цистерну.

На контроль должна предъявляться полностью сформированная партия масла. Допускается производить отбор проб в процессе формирования партии лишь в случае загрузки цистерн.

1.1.2. Каждая партия должна сопровождаться документом, содержащим следующие реквизиты:

наименование документа;

изготовитель (экспортер);

грузоотправитель;

потребитель (импортер), адрес, страна;

сведения, касающиеся транспортирования (порт, станция ж. д., пункт назначения);

номер контракта, номер заказ-наряда;

число и вид грузовых мест;

описание товаров (вид масла);

масса брутто (нетто);

поставленное количество (количество бутылок в транспортной таре, количество ящиков в партии);

показатели качества, в том числе:

кислотное число;

массовая доля нежировых примесей;

массовая доля летучих веществ.

1.2. Отбор и объем выборок

1.2.1. Объем проб, отбираемых из трубопровода, маслохранилищ, наливных судов и цистерн

Количество масла, отобранного пробоотборниками по разд. 2, устанавливается в зависимости от вместимости цистерн и других емкостей в соответствии с табл. 1.

Таблица 1

Количество масла в емкости или транспортном средстве, t

Объем объединенной пробы, cm3, не менее

До 50

2000

От 50 ² 500

10000

Св. 500

20000

1.2.2. Объем выборок от партий масла в однородной упаковке

От партии масла в однородной упаковке (бочки, фляги и контейнеры) отбирают по СТ СЭВ 1934-79 методом «вслепую» 5 % упаковочных единиц, но не менее четырех упаковочных единиц.

1.2.3. Объем выборок от партий масла, разлитого в потребительскую упаковку

1.2.3.1. Отбор выборок проводят по СТ СЭВ 1934-79 методом «вслепую».

1.2.3.2. Объем выборок для контроля неизмеряемых показателей определяют по планам альтернативного контроля изделий в. выборке.

Контролю по альтернативному признаку подлежат такие показатели, как внешний вид транспортной и потребительской тары, маркировка, плотность укупорки и др.

Объем выборки в зависимости от объема партии, предъявленной к приемке, определяют в соответствии с табл. 2, которая составлена по СТ СЭВ 548-77 для нормального одноступенчатого контроля уровня 1 и AQL = 1,0 %, если нет других указаний в стандартах СЭВ на конкретные виды продукции.

1.2.3.3. Контроль массы нетто производят по количественному признаку.

Объем выборки в зависимости от объема партии определяют в соответствии с табл. 3, которая составлена по СТ СЭВ 1672-79 для нормального одноступенчатого контроля, уровня S-3 по S-плану и AQL = 6,5 %.

Таблица 2

Объем партии, шт.

Уровень контроля 1 AQL = 1,0 %

Код

Объем выборки п

Приемочное число Ac

До 500

Е

13

0

От 501 » 3200

Н

50

1

» 3201 » 10000

I

80

2

» 10001 » 35000

К

125

3

Таблица 3

Объем партии, шт.

Код

Объем выборки п

Контрольный норматив ks

От 2 до 280

В

3

0,765

» 281 » 500

C

4

0,814

» 501 » 1200

D

5

0,874

» 1201 » 3200

Е

7

0,955

» 3201 » 10000

F

10

1,03

» 10001 » 35000

G

15

1,09

1.2.3.4. Для контроля физико-химических и органолептических показателей производят случайный отбор по СТ СЭВ 1934-79 из расчета одной упаковки на 1 t масла, но не менее четырех упаковок от партии.

1.3. Оценка качества продукции

1.3.1. Оценка качества партии должна проводиться по каждому из контролируемых показателей в отдельности.

1.3.2. Партия принимается, если по каждому из контролируемых показателей продукция отвечает требованиям стандартов СЭВ на конкретный вид продукции.

1.3.3. При оценке расфасованного масла проверка измеряемых показателей должна осуществляться после оценки партии по неизмеряемым показателям (контроль качества упаковки и маркировки).

1.3.4. При оценке расфасованного масла по неизмеряемым показателям определяют число дефектных единиц упаковок продукции в выборке.

Партию считают удовлетворяющей требованиям стандарта по данному показателю, если число дефектных единиц меньше или равно приемочному числу Ас, указанному в соответствующей строке табл. 2.

1.3.5. При проверке массы нетто расфасованного масла определение производят для каждой бутылки из выборки.

По результатам измерений рассчитывают среднее арифметическое значение показателя по п. 1 и среднее квадратическое отклонение по п. 2 приложения. Вычисляют значение Qн, если нормируется нижнее предельно допустимое значение контролируемого показателя Тн, по формуле

                                                           (1)

значение Qв, если нормируется верхнее предельно допустимое значение контролируемого показателя Тв

                                                                (2)

где  - среднее арифметическое значение контролируемого показателя;

s - среднее квадратическое отклонение контролируемого показателя;

Тн - нижняя граница контролируемого показателя;

Тв - верхняя граница контролируемого показателя.

Партию считают удовлетворяющей требования стандарта по данному показателю, если найденное значение Qн или Qв больше или равно приемочной постоянной ks, приведенной в соответствующей строке табл. 3.

2. МЕТОДЫ ОТБОРА ПРОБ

2.1. Общие положения

2.1.1. Отбор проб производят от каждой партии масла.

2.1.2. Отбор проб проводит специалист, прошедший специальную подготовку и имеющий соответствующие полномочия; он несет ответственность за правильность отбора проб. Представители заинтересованных сторон могут присутствовать при отборе проб.

2.2. Отбор проб из трубопровода

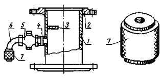
2.2.1. При перекачке масла по трубопроводу объединенную пробу отбирают непрерывно и равномерно в течение всего времени перекачки штуцерным пробоотборником по черт. 1, представляющим собой пробковый кран, установленный в вертикальной части трубы за насосом на расстоянии около 800 mm. Для турбулизации потока непосредственно за краном пробоотборника устанавливают пластинку-турбулизатор. Допускается применение пробоотборников другой конструкции, обеспечивающих такую же представительность объединенной пробы.

2.2.2. При помощи крана часть струи отводят в чистый сухой накопительный сосуд. На кран навинчивают насадку, имеющую отверстие необходимого диаметра.

1 - патрубок; 2 - фланец; 3 - турбулизатор; 4 - штуцер; 5 - пробковый кран; 6 - отвод; 7 - штуцерная насадка

Черт. 1

2.2.3. После тщательного перемешивания в накопительном сосуде пробы переливают в переносной сосуд, плотно закрывают и доставляют в лабораторию.

2.3. Отбор проб из маслохранилищ (вертикальных цилиндрических баков)

2.3.1. Отбор точечных проб производят по всей высоте слоя зональным пробоотборником вместимостью 500 cm3. Первую пробу отбирают на глубине 100 mm от поверхности, последующие через каждые 300 mm и так до уровня слива масла из маслохранилища в цистерну.

2.3.2. Объединенную пробу масла составляют в накопительном сосуде путем смешения точечных проб, равных по массе.

2.4. Отбор проб из наливных судов

2.4.1. Отбор проб масла при наполнении и разгрузке наливных судов и баков производят путем отведения части струи при помощи штуцерного пробоотборника таким же образом, как указано в пп. 2.2.1; 2.2.2 настоящего стандарта.

2.4.2. Если температура масла ниже температуры плавления, то перед отбором пробы его подогревают на 5 - 10 °С выше температуры плавления. Масло в транспортных средствах разогревают методом горячего размыва или с помощью глухого пара, подаваемого в стационарные змеевики или другие устройства. При этом не допускается перегрев масла и попадание в него воды.

2.5. Отбор проб из цистерн

2.5.1. Отбор проб при наполнении производят по п. 2.4.1.

2.5.2. Отбор проб перед разгрузкой производят при помощи пробоотборника по черт. 2 или пробоотборника другой конструкции, обеспечивающего отбор представительной объединенной: пробы по слоям в определенных соотношениях, учитывающих цилиндрическую форму цистерны.

Черт. 2

2.5.3. При необходимости производят подогревание масла по п. 2.4.2.

2.5.4. Пробу, изъятую из цистерны, сливают в применяемый для этой цели сосуд.

2.6. Отбор проб из бочек, фляг и контейнеров

Для отбора пробы объемом не менее 1500 cm3 из бочек, фляг и контейнеров применяют трубчатый пробоотборник, представляющий собой стальную или алюминиевую трубку длиной несколько больше высоты тары, из которой производят отбор пробы.

2.7. Составление объединенной пробы

Для оценки качества составляют объединенную пробу из точечных проб, отобранных по пп. 2.3; 2.5; 2.6 или из бутылок, отобранных по п. 1.2.3.4.

Объединенную пробу тщательно перемешивают, сокращают до объема 2000 cm3 и помещают в четыре чистые сухие бутылки по 500 cm3.

2.8. Маркировка и хранение проб

Отобранные пробы снабжают этикеткой с указанием:

наименования продукта, его вида и сорта;

изготовителя (экспортера);

потребителя (импортера);

номера и массы партии;

даты изготовления;

количества мест в партии;

даты и места отбора проб;

фамилий лиц, отобравших пробу;

обозначения стандарта СЭВ на продукцию.

Пробы хранят в сухом прохладном затемненном помещении не более 30 d, а в портах - не более 50 d.

От проб в потребительской упаковке 2 - 3 бутылки должны храниться до истечения срока реализации.

Конец

ИНФОРМАЦИОННОЕ ПРИЛОЖЕНИЕ

1. Расчет среднего арифметического значения

Результаты измерений контролируемого показателя, полученные для отдельных единиц продукции, суммируют и сумму делят на объем выборки.

                                                         (3)

где п - объем выборки;

xi - значение контролируемого показателя для i-той упаковки выборки.

2. Расчет среднего квадратического отклонения контролируемого показателя производят по формуле

                                                (4)

 

ИНФОРМАЦИОННЫЕ ДАННЫЕ

 

1. Автор - делегация СССР в Постоянной Комиссии по сотрудничеству в области пищевой промышленности.

2. Тема - 20.500.01-82.

3. Стандарт СЭВ утвержден на 55-м заседании ПКС.

4. Сроки начала применения стандарта СЭВ:

Страны - члены СЭВ

Сроки начала применения стандарта СЭВ

в договорно-правовых отношениях по экономическому и научно-техническому сотрудничеству

в народном хозяйстве

НРБ

 

 

ВНР

Июль 1986 г.

-

СРВ

 

 

ГДР

Январь 1986 г.

Январь 1986 г.

Республика Куба

 

 

МНР

 

-

ПНР

Январь 1986 г.

 

СРР

Июль 1986 г.

-

СССР

Январь 1986 г.

 

ЧССР

Июль 1986 г.

Январь 1987 г.

5. Срок проверки - 1990 г.

СОДЕРЖАНИЕ

 

 



© 2013 Ёшкин Кот :-)