Информационная система
«Ёшкин Кот»

XXXecatmenu

ГОСТ 30677-2000

МЕЖГОСУДАРСТВЕННЫЙ СТАНДАРТ

 

СТАНКИ КРУГЛОШЛИФОВАЛЬНЫЕ

КОЖУХИ

ТИПЫ И ОСНОВНЫЕ РАЗМЕРЫ

 

 

МЕЖГОСУДАРСТВЕННЫЙ СОВЕТ
ПО СТАНДАРТИЗАЦИИ, МЕТРОЛОГИИ И СЕРТИФИКАЦИИ

МИНСК

 

Предисловие

1 РАЗРАБОТАН Техническим комитетом по стандартизации ТК 75 «Станки»

ВНЕСЕН Комитетом Украины по вопросам стандартизации, метрологии и сертификации

2 ПРИНЯТ Межгосударственным Советом по стандартизации, метрологии и сертификации (протокол № 17 от 22 июня 2000 г.)

За принятие проголосовали:

Наименование государства

Наименование национального органа по стандартизации

Азербайджанская Республика

Азгосстандарт

Республика Армения

Армгосстандарт

Республика Беларусь

Госстандарт Республики Беларусь

Республика Казахстан

Госстандарт Республики Казахстан

Кыргызская Республика

Кыргызстандарт

Российская Федерация

Госстандарт России

Республика Таджикистан

Таджикгосстандарт

Туркменистан

Главгосинспекция «Туркменстандартлары»

Республика Узбекистан

Узгосстандарт

Украина

Госстандарт Украины

3 Постановлением Государственного комитета Российской Федерации по стандартизации и метрологии от 22 января 2001 г. № 25-ст межгосударственный стандарт ГОСТ 30677-2000 введен в действие непосредственно в качестве государственного стандарта Российской Федерации с 1 января 2002 г.

4 ВВЕДЕН ВПЕРВЫЕ

 

СОДЕРЖАНИЕ

ГОСТ 30677-2000

МЕЖГОСУДАРСТВЕННЫЙ СТАНДАРТ

Станки круглошлифовальные

КОЖУХИ

Типы и основные размеры

Circular grinding machines. Shields. Types and main dimensions

Дата введения 2002-01-01

1 Область применения

Настоящий стандарт распространяется на сварные кожухи шлифовальных кругов (далее - кожухи круга), используемых при круглом наружном шлифовании со скоростью до 60 м/с на круглошлифовальных станках общего назначения по ГОСТ 11654 и предназначенных для защиты работающего на станке от осколков при возможном разрыве круга, а также от повышенной запыленности воздуха рабочей зоны и образующихся в нем аэрозолей при обработке с использованием сож.

Стандарт распространяется на вновь разрабатываемые узлы.

Все требования стандарта являются обязательными.

2 Нормативные ссылки

ГОСТ 12.3.028-82 Система стандартов безопасности труда. Процессы обработки абразивным и эльборовым инструментом. Требования безопасности

ГОСТ 2424-83 Круги шлифовальные. Технические условия

ГОСТ 11654-90 Станки круглошлифовальные. Основные параметры и размеры. Нормы точности

ГОСТ 30676-2000 Станки круглошлифовальные. Фланцы для крепления шлифовальных кругов. Конструкция и размеры

3 Типы и основные размеры кожухов

3.1 Кожухи круга должны изготовляться двух типов:

1 - левый кожух: крышка кожуха и круг находятся слева от шлифовальной бабки (рисунок 1);

2 - правый кожух: крышка кожуха и круг находятся справа от шлифовальной бабки (рисунок 2).

Основные требования к форме и конструкции кожуха - по ГОСТ 12.3.028.

3.2 Конструкция и основные размеры кожухов круга должны соответствовать указанным на рисунках 1, 2 и в таблице 1.

3.3 Крышка кожуха должна быть сварной и устанавливаться на петлях. Крышка к корпусу кожуха должна крепиться невыпадающими болтами.

В случае, когда крышка не может быть установлена на петлях, допускается установка съемной крышки.

3.4 Структура условного обозначения кожуха круга:

3.5 Пример условного обозначения кожуха для шлифовального круга диаметром 900 мм и фланца круга 125.22 ГОСТ 30677-2000:

Кожух круга 1.8.900 ГОСТ 30677-2000

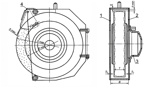
1 - корпус кожуха; 2 - крышка кожуха; 3 - крышка механизма балансировки; 4 - козырек

В - внутренняя ширина кожуха; S - толщина обечайки корпуса кожуха и крышки кожуха; S1 - толщина стенки корпуса кожуха; T - высота шлифовального круга; пmin - минимальный зазор между максимальным диаметром и обечайкой корпуса кожуха круга; Dmax - максимальный диаметр шлифовального круга; Dmin - минимальный диаметр шлифовального круга

Рисунок 1 - Левый кожух

1 - корпус кожуха; 2 - крышка кожуха; 3 - крышка механизма балансировки; 4 - козырек

В - внутренняя ширина кожуха; S - толщина обечайки корпуса кожуха и крышки кожуха; S1 - толщина стенки корпуса кожуха; T - высота шлифовального круга; пmin - минимальный зазор между максимальным диаметром и обечайкой корпуса кожуха круга; Dmax - максимальный диаметр шлифовального круга; Dmin - минимальный диаметр шлифовального круга

Рисунок 2 - Правый кожух

Таблица 1

Типоразмер кожуха круга

Номер конструктивного исполнения кожуха

Номер конструктивного исполнения фланца

Круг шлифовальный тип 1 по ГОСТ 2424

Размеры, мм

Диаметр болта, мм

Dmax (Dmin) мм

Тmax, мм

В

S

S1

nmin

Число болтов, шт.

1.1.400

1

26 - 39

400

100

186

8

5

11

(300)

1.2.600

2

01 - 07

600

100

160

12

8

14

(450)

1.3.600

3

08

600

125

184

12

10

14

(450)

1.4.750

4

09 - 16

750

100

167

14

10

26

(450)

2.4.750

4

09 - 16

750

100

167

14

10

26

(450)

2.5.750

5

17

750

150

215

16

10

19

(450)

2.6.750

6

18

750

200

262

20

12

15

(450)

1.7.750

7

19

750

250

315

20

12

20

(450)

1.8.900

8

20 - 25

900

100

170

20

12

20

(500)

2.8.900

8

09 - 16

900

100

170

20

12

20

(500)

2.9.900

9

17

900

150

215

20

12

20

(500)

2.10.900

10

18

900

200

262

22

14

20

(500)

1.11.1060

11

20 - 25

1060

100

170

20

16

30

(500)

 

Ключевые слова: станки круглошлифовальные, кожухи, типы, основные размеры

 

 



© 2013 Ёшкин Кот :-)