Информационная система
«Ёшкин Кот»

XXXecatmenu

СОВЕТ ЭКОНОМИЧЕСКОЙ ВЗАИМОПОМОЩИ

СТАНДАРТ СЭВ
СТ СЭВ 1610-79

ПРИБОРЫ ЭЛЕКТРОННЫЕ ИЗМЕРИТЕЛЬНЫЕ

ИНТЕРФЕЙС ИИС-1

ЛОГИЧЕСКИЕ И ЭЛЕКТРИЧЕСКИЕ УСЛОВИЯ,
ИНФОРМАЦИОННЫЕ, УПРАВЛЯЮЩИЕ И
ПРОГРАММНЫЕ СИГНАЛЫ

 

 

1982

 

Постановлением Государственного комитета СССР по стандартам от 28 октября 1981 г. № 4723 стандарт Совета Экономической Взаимопомощи СТ СЭВ 1610-79 «Приборы электронные измерительные. Интерфейс ИИС-1. Логические и электрические условия, информационные, управляющие и программные сигналы» введен в действие непосредственно в качестве государственного стандарта СССР

в народном хозяйстве СССР

с 01.01 1982 г.

в договорно-правовых отношениях по сотрудничеству

с 01.07 1981 г.

 

СОВЕТ ЭКОНОМИЧЕСКОЙ ВЗАИМОПОМОЩИ

СТАНДАРТ СЭВ

СТ СЭВ 1610-79

 

Приборы электронные измерительные

ИНТЕРФЕЙС ИИС-1

Логические и электрические условия, информационные, управляющие и программные сигналы

Взамен PC 3826-73

 

Группа П90

 

Настоящий стандарт СЭВ распространяется на интерфейс электронных измерительных приборов и других устройств, обеспечивающий их объединение в информационно-измерительные системы, в которых используется однонаправленная передача сигналов по индивидуальным линиям связи, и устанавливает логические и электрические связи между ними при максимальном расстоянии 20 т.

Настоящий стандарт СЭВ не распространяется на:

сигналы, которые замыкаются внутри функциональной единицы (прибора) ФЕ(П) и не имеют выхода наружу и не контролируются извне;

приборы и устройства, сигналы которых выдаются только на устройства, поставляемые комплектно с ними и не рассчитанные для совместного использования с другими приборами и устройствами;

на устройства и приборы, объединяемые интерфейсами, имеющими общую магистраль;

на форматы передаваемых данных.

1. ФУНКЦИИ ИНТЕРФЕЙСА

1.1. Виды сигналов

По функциональному назначению сигналы подразделяются на:

1) управляющие (дискретные);

2) информационные (цифровые, аналоговые);

3) программные (цифровые, аналоговые).

ФЕ(П) может быть оснащена не всеми видами сигналов. Условные обозначения и наименования, применяемые в стандарте СЭВ, приведены в табл. 1.

Таблица 1

Условное обозначение

Наименование

Пояснение

(X)

Сигнал

Стоящая в скобках буква характеризует вид сигнала: например, командный сигнал (В)

Несколько сигналов одного вида, но различного назначения, отличаются с помощью порядковых номеров, например, командный сигнал (В1)

Если на вход, (с выхода) ФЕ(П) подаются (снимаются) несколько сигналов одного вида и назначения, то условное обозначение вводится косой чертой с добавлением второго числа, например:

(J 1/1) до (J 1/16) - информация из 16 бит

Различные сигналы, относящиеся к одинаковым действиям, должны иметь под косой чертой одинаковую нумерацию

X

Контакт

Условное обозначение контактов должно совпадать с условным обозначением сигнала в скобках, который проводится через контакт, например B1

= 01

Переходы уровней

Например (М2) = 01

= 10

Например (В1) = 10

= 1

Состояние уровней

Например (В0) = 1

= 0

Например (М4) = 0

1.2. Управляющие сигналы

1.2.1. В ФЕ(П) применяются следующие управляющие сигналы:

1) командные В-сигналы;

2) контрольные М-сигналы.

Условные обозначения и назначение управляющих сигналов приведены в табл. 2.

При объединении ФЕ(П) в систему М-сигналы одной ФЕ(П) могут использоваться в качестве В-сигналов для других ФЕ(П). ФЕ(П) может иметь несколько управляющих сигналов одного вида. В этом случае управляющие сигналы различаются по табл. 1. Допускается использовать только часть управляющих сигналов.

Таблица 2

Условное обозначение сигнала

Назначение

(В0)

Сигнал, устанавливающий ФЕ(П) в исходное положение

(В1)1

Сигнал, подготавливающий ФЕ(П) к выполнению определенной функции ФЕ(П)

(B2)1

Сигнал, вызывающий начало выполнения определенной функции ФЕ(П)

(В4)

Сигнал, вызывающий вследствие принятого сигнала (М4) устанавливаемую изготовителем функцию

(В5)

Сигнал, показывающий, что программные сигналы действительны

(В6)

Сигнал, используемый для переключения ФЕ(П) от режима «местное управление» в режим «дистанционное управление»2

(M1)

Сигнал, показывающий, что происходят измерение и (или обработка информационного сигнала на входе ФЕ(П) и не допускается изменение информационного сигнала

(М2)

Сигнал, показывающий, что ФЕ(П) окончила выполнение своей функции и информационные сигналы на ее выходе действительны

(М3)

Сигнал, показывающий прекращение выполнения функции ФЕ(П) из-за неисправности/отказа

(М4)3

Сигнал, показывающий наличие ошибки в информационных сигналах, выданных или принятых ФЕ(П)

(М5)4

Сигнал,  показывающий, что требуются программные сигналы на входе ФЕ(П) и не допускается их изменение до тех пор,  пока последняя ФЕ(П) цепочки не закончила свою работу

1 Сигналы (В1) и (В2) по своему действию на схему управления являются равноправными. Сигналы (В1) и (В2) могут быть импульсными, если их длительность τ ³ 3 μs.

2 Под управлением при сигнале (В6) понимается выбор режима работы, функции ФЕ(П) и т.д.

3 Сигнал (М4) должен быть выполнен таким образом, чтобы обеспечить соединение по «монтажному ИЛИ».

4 Сигнал (М5) применяется только в ФЕ(П) с входным запоминающим устройством для Р-сигналов. При ФЕ(П) без запоминающего устройства для программных сигналов последние не должны изменяться до тех пор, пока вся цепочка ФЕ(П) не закончит свою работу; в этом случае сигнал (М2) последней в цепочке ФЕ(П) может быть использован вместо сигнала (М5).

При соединенных ФЕ(П) сигнал (В0) должен быть подан одновременно на все ФЕ(П) и сохранен до момента, пока ФЕ(П) не установлены в исходное положение. ФЕ(П), принимающие сигналы (В0), сами должны быть способны генерировать сигнал (В0).

1.2.2. В ФЕ(П) могут применяться следующие особые управляющие сигналы:

1) особые командные,

2) особые контрольные.

Эти сигналы не влияют на функцию и действие управляющих сигналов, указанных в табл. 2.

Для нумерации особых управляющих сигналов изготовитель может использовать любое число, начиная с 20, например (В20), (М41) и т.д.

Изготовитель ФЕ(П) должен определить внутреннее действие особых управляющих сигналов на функцию и (или) другие сигналы.

В документации на ФЕ(П) должны быть указаны эти особые управляющие сигналы и их назначение.

1.2.3. Логические состояния управляющих сигналов приведены в табл. 3.

Таблица 3

Условное

обозначение

сигнала

Пояснение действия1

Логическое состояние

(В0)

Без влияния на ФЕ(П)

= 1

ФЕ(П) находится в определенном положении и блокирована

= 0

(В1)

ФЕ(П) не подготовлена для запуска

= 1

ФЕ(П) подготовлена для запуска сигналом (В2)

= 0

(В2)

Запуск ФЕ(П) не осуществлен

= 1

Запуск ФЕ(П) осуществлен, если она была подготовлена (M1) или после подачи сигнала (В0)

= 0

(В4)

Определяемое изготовителем действие не вызывается

= 1

Определяемое изготовителем действие вызывается

= 0

(В5)

Программные сигналы не действительны

= 1

Программные сигналы действительны

= 0

(В6)

ФЕ(П) установлена на местном управлении*

= 1

ФЕ(П) установлена на дистанционном управлении*

= 0

(M1)

Информационные сигналы на входе ФЕ(П) не требуются или не оцениваются

= 0

Информационные сигналы на входе ФЕ(П) обрабатываются; не допускаются изменения состояния этих сигналов

= 1

(М2)

Информационные сигналы на выходе ФЕ(П) действительны; не допускается изменение состояния этих сигналов

= 0

Информационные сигналы на выходе ФЕ(П) не действительны

= 1

(М3)

ФЕ(П) готова к работе

= 1

ФЕ(П) не готова к работе (например, отказ)

= 0

(М4)

Информация без ошибок

= 1

Информация с ошибками

= 0

(М5)

Программные сигналы на входе ФЕ(П) могут изменяться

= 0

Программные сигналы на входе ФЕ(П) не должны изменяться

= 1

* См. сноску2 к табл. 2.

1.2.4. Взаимодействие управляющих сигналов внутри одной ФЕ(П) приведено в табл. 4.

1.3. Информационные сигналы J-сигналы

1.3.1. Цифровые J-сигналы должны сохраняться в течение всего времени операции передачи и выдаваться параллельно.

Таблица 4

Сигналы

(M1)

(М2)

(М3)

(М4)

(М5)

(В0) = 0

0

1

1

1

О

(В1) = 10

-

1

-

-

-

(В2) = 10

1

-

-

-

-

(В4) = 10

+/

+/

+/

+/

+/

(В5) = 0

-

-

-

-

1

(В6) = 1 или 0

+/

+ /

+/

+/

+/

Примечание. Знак «-» обозначает, что сигналы не воздействуют друг на друга. Знак «+/» обозначает, что взаимодействие сигналов определяется изготовителем.

1.3.2. Для кодирования цифровых J-сигналов допускаются следующие коды:

1) двоично-десятичный код (8-4-2-1 - предпочтителен к применению);

2) двоичный код - для ФЕ(П) с быстрыми последовательностями измерений;

3) 7-битный код ИСО - для алфавитно-цифрового представления сигналов;

4) код «1 из n» - для специальных случаев (например классификатор).

1.3.3. В состав цифровых J-сигналов могут входить следующие элементы:

1) основная единица измерения;

2) приставка для десятичной кратной основной единицы измерения (микро, милли и т.д.);

3) переполнение, перегрузка, калиброванная величина;

4) знак мантиссы;

5) мантисса;

6) десятичная запятая;

7) разделитель (Е);

8) знак степени;

9) степень.

Примечания:

1. Информация может не содержать все указанные элементы, а может содержать и дополнительные элементы.

2. Для различных элементов цифровой информации рекомендуется применять единое кодирование.

1.3.4. Для кодирования цифровых J-сигналов необходимо использовать суженную часть 7-битного кода ИСО (столбцы 2 - 5 таблицы кода):

1) кодирование чисел - согласно столбцу 3;

2) кодирование буквенных символов - согласно столбцам 4 и 5;

3) кодирование простых символов - согласно столбцам 2 и 3.

Для обозначения физических величин необходимо использовать буквенные символы. Буквенный символ должен совпадать со стандартным буквенным обозначением, используемым для обозначения сокращения соответствующей физической величины или ее размерности. Для обозначения физических величин и размерностей нельзя использовать символ Е.

1.3.5. Длина слова цифровых J-сигналов не ограничена. Она устанавливается изготовителем и указывается в документации для потребителя.

1.4. Программные сигналы (Р-сигналы)

1.4.1. Программирование может осуществляться в следующих вариантах:

1) управляющий сигнал (В5)-сигнал сопровождения - сообщает ФЕ(П), что программные сигналы присутствуют на входе ФЕ(П) и что ФЕ(П) может начинать программирование. Автоматика внутри ФЕ(П) сигнализирует о конце программирования в ФЕ(П) и разрешает запуск функции;

2) программные сигналы подаются на вход ФЕ(П) (в момент Т0). После установленного времени D I подается управляющий сигнал (В5) - сигнал сопровождения, который разрешает запуск функции;

3) один из управляющих сигналов, например сигнал (В2), сообщает ФЕ(П), что программные сигналы приложены на входе ФЕ(П) и ФЕ(П) может начинать программирование. Автоматика внутри ФЕ(П) запускает (после программирования) функцию.

Примечание. Если ФЕ(П) не имеет запоминающего устройства для Р-сигналов, то они должны присутствовать на входах данной ФЕ(П) до окончания функции. В режиме «дистанционное управление» органы «местного управления» должны быть блокированы (см. сноску2 к табл. 2).

Допускается применять дополнительные управляющие сигналы для программирования; Р-сигналы могут быть цифровые и аналоговые. Если ФЕ(П) имеет запоминающее устройство для Р-сигналов, допускается отключать их от входов ФЕ(П) после (М5) = 10.

1.4.2. Для кодирования цифровых Р-сигналов допускаются следующие коды:

1) двоично-десятичный код (8-4-2-1 - предпочтителен к применению);

2) двоичный код;

3) 7-битный код ИСО.

1.4.3. В документации на ФЕ(П) должны быть указаны количество и использование Р-сигналов, а также построение программного слова, если оно используется.

2. ТРЕБОВАНИЯ К ПАРАМЕТРАМ СИГНАЛОВ И ИХ ВХОДНЫМ И ВЫХОДНЫМ ЦЕПЯМ

2.1. Цифровые управляющие, информационные и программные сигналы

2.1.1. Диапазоны напряжения должны соответствовать логическим уровням транзисторно-транзисторной логики (ТТЛ):

логический «0» - от 0 до 0,4 V на выходах,

логический «0» - от 0 до 0,8 V на входах,

логическая «1» - от 2,4 до 5,5 V на выходах,

логическая «1» - от 2,0 до 5,5 V на входах.

В технически обоснованных случаях допускается применять элементы с верхним пределом логической «1» не более 4,5 V.

Данные уровни напряжений измеряются относительно «логической земли» на определенном контакте.

2.1.2. Коэффициенты нагрузки приборов должны соответствовать следующим значениям:

1) коэффициент нагрузки на выходе приборов должен быть не менее 5 (Nout ³ 5).

Реализованное Nout рассчитывается по формуле

где Iin = 1,6 mA - единичный ток нагрузки, полученный подключением одного входа;

In - максимально допустимый ток на контакте выхода.

Значение Nout должно быть указано в документации на ФЕ(П);

2) коэффициент нагрузки на входе прибора должен быть не более 2 (Nin £ 2).

Реализованное Nin рассчитывается по формуле

где Iin = 1,6 mA - единичный ток нагрузки;

IМ - ток, вытекающий из входа.

Значение Nin должно быть указано в документации по ФЕ(П);

3) при подключении нескольких входов на выходе необходимо соблюдать следующее условие присоединения: Σ Nin £ Nout;

2.1.3. Временные характеристики должны соответствовать следующим значениям:

1) продолжительность функции ФЕ(П) должна быть не менее 3000 ns (tF ³ 3000 ns).

Из этого следует, что минимальная продолжительность для сигналов (M1), (М2), (М4) составляет 3000 ns. Величина tF должна быть указана в документации на ФЕ(П). Продолжительность сигналов (М3), (М5) и особых управляющих сигналов должна быть не менее 3000 ns (t ³ 3000 ns). В замкнутой подсистеме ФЕ(П) для быстрых последовательностей измерений допускается любое уменьшение продолжительности функции. Если такие ФЕ(П) могут работать с другими, не входящими в данную подсистему ФЕ(П), то это должно быть указано изготовителем;

2) характеристики выходов должны обеспечивать время установления управляющих сигналов (= 10) не более 50 ns на эквиваленте нагрузки R = 5,1 и с = 15 pF (при отсоединенном кабеле).

Цифровые J-сигналы должны быть поданы на выходы не меньше чем на 100 ns ранее выдачи контрольного сигнала (М2);

3) характеристики входов должны гарантировать достоверную обработку поступающих управляющих сигналов, совершающих переход (= 10) за время t £ 1000 ns.

2.1.4. Помехоустойчивость входов командных сигналов и особых командных сигналов должна быть такая, чтобы отрицательные импульсы и импульсы с продолжительностью t £ 1 μs не влияли на ФЕ(П).

2.1.5. Допускается реализация Р-сигналов при помощи «сухого контакта» с подсоединением к «логической земле».

2.2. Аналоговые информационные сигналы

Применяются следующие диапазоны напряжения:

1) от 0 до +100 mV

2) от 0 до + 1 V                                     предпочтительно к применению

3) от 0 до +10 V

4) от - 100 mV до + 100 mV

5) от – 1 V до + 1 V                              допускается к применению

6) от - 10 V до + 10 V

Примечание. Эти напряжения недействительны, например для входного напряжения цифрового вольтметра и выходного напряжения сигнального генератора.

2.3. Аналоговые программные сигналы

Применяются следующие диапазоны напряжения:

1) от 0 до + 10 V;

2) от - 10 V до + 10 V.

ИНФОРМАЦИОННОЕ ПРИЛОЖЕНИЕ 1

ТЕРМИНЫ И ОПРЕДЕЛЕНИЯ

Таблица 5

Термин

Определение

1. Функциональная единица (прибор)

ФЕ(П)

Устройство для реализации определенных функций в системе (например цифровой вольтметр, преобразователь кода, коммутатор)

2. Информационная измерительная система-1

(ИИС-1)

Совокупность соединенных ФЕ(П), предназначенных для выполнения определенных задач и удовлетворяющих требованиям настоящего интерфейса

3. Интерфейс

Стыкующая часть, расположенная между устройствами системы или частями одного устройства, через которую происходит обмен информации

4. Функция интерфейса

Способность интерфейса к выполнению оговоренной задачи в системе

5. Подготовка*

Преобразование принятых сигналов согласно настоящему стандарту в форму, которая позволяет измерять, обрабатывать или выдавать информации (например усиление, преобразование в код)

6. Измерение*

Определение количественного значения параметров сигналов и представление их в аналоговых и (или) цифровых величинах

7. Обработка*

Математический и (или) логический анализ результатов измерения

8. Выдача*

Представление результатов измерения и обработка в форме, удобной для дальнейшего использования (например графическое изображение, запоминание)

9. Система сигналов

Совокупность программных, информационных и управляющих сигналов, которые необходимы для взаимодействия ФЕ(П)

10. Сигнал

Физическое представление информации**

11. Параметр сигнала

Параметр электрической величины, значение или последовательность значений которой несет информацию

12. Аналоговый сигнал

Сигнал, связанный с информацией о представляемой величине и имеющий одно или несколько непрерывных значений параметра сигнала. Значение аналогового сигнала является представлением входной контролируемой величины

13. Дискретный сигнал

Сигнал, имеющий конечное число значений величин

14. Цифровой сигнал

Дискретный сигнал, который дает представление о значении контролируемой величины в цифровом виде

15. Информационные сигналы (1-сигналы)

Электрические сигналы, несущие информацию о величине или состоянии исследуемого объекта или процесса

16. Управляющие сигналы

Сигналы для пуска и контроля выполнения функций ФЕ(П) ИИС. Управляющие сигналы подразделяются на командные и контрольные

17. Командные сигналы (В-сигналы)

Управляющие сигналы, подаваемые на ФЕ(П) и вызывающие выполнение определенной функции в ФЕ(П)

18. Контрольные сигналы (М-сигналы)

Управляющие сигналы, выдаваемые ФЕ(П) и определяющие ее состояние

19. Программные сигналы (Р-сигналы)

Сигналы, определяющие режим работы ФЕ(П), а также алгоритм обработки информационных сигналов без непосредственного влияния на пуск

20. Функция

Выполнение заданной последовательности операций внутри ФЕ(П)

21. Продолжительность Функции

Длительность протекания функции внутри одной ФЕ(П)

22. Интерфейсные сечения

Совокупность сигналов на определенном месте ФЕ(П). Существуют внутреннее и внешнее интерфейсные сечения

23. Код

Система однозначных правил, с помощью которой величины могут быть представлены совокупностью символов

24. Дистанционное управление

Метод программирования устройства через его интерфейсные сечения для того, чтобы данное устройство могло выполнять одну или несколько оговоренных задач

25. Местное управление

Метод программирования устройства с помощью ручек управления, расположенных на его панели для того, чтобы данное устройство могло выполнять одну или несколько оговоренных задач

* Основные функции ИИС.

** Здесь относится только к цифровым и аналоговым электрическим сигналам.

ИНФОРМАЦИОННОЕ ПРИЛОЖЕНИЕ 2

ПРИМЕРЫ ДЛЯ ИЗОБРАЖЕНИЯ ВЗАИМОДЕЙСТВИЯ УПРАВЛЯЮЩИХ СИГНАЛОВ ВНУТРИ ФЕ(П)

Пример логической схемы (пояснения см. табл. 6)

Черт. 1

Таблица 6

Функция сигнала внутреннего сечения интерфейса

Пояснение

Сброс

Внутренняя установка ФЕ(П) в исходное положение

Прием

Запись J-сигналов во входное запоминающее устройство ФЕ(П)

Конец приема

Конец записи J-сигналов во входное запоминающее устройство ФЕ(П)

Запуск

Запуск внутренней функции ФЕ(П)

Конец работы

Конец внутренней функции ФЕ(П)

Ошибка

Сообщение о неправильной работе ФЕ(П), ошибочных результатах измерений и т.д.

Примечание. Конструктор ФЕ(П) сам решает, какой тип логики принимается для сигналов на внутреннем сечении интерфейса.

Пример диаграммы состояний для ФЕ(П) без запоминающего устройства для J-сигналов (пояснения: см. табл. 7)

Черт. 2

(В0), (B1), (B2) соответствуют логическому «0» (см. п. 2.1).

(В0) соответствует логической «1» (см. п. 2.1)

end означает конец работы

Таблица 7

Состояние

Наименование состояний

Действие состояния на сигналы

Пояснения

(M1)

(М2)

S0

Покой

0

1

Ввод (вывод) J- и (или) Р-сигналов невозможны

S1

Готовность

0

1

J- и (или) Р-сигналы на входе могут изменяться

S2

Готовность

1

0

J- и (или) Р-сигналы на входе не должны изменяться

S3

Начало

1

1

J- и (или) Р-сигналы на входе не должны изменяться ФЕ(П) работает

S4

Конец

0

0

Конец функции J- и (или) Р-сигналы на выходе действительны

ИНФОРМАЦИОННОЕ ПРИЛОЖЕНИЕ 3

РЕКОМЕНДУЕМЫЕ УСЛОВНЫЕ ОБОЗНАЧЕНИЯ ЕДИНИЦ ИЗМЕРЕНИЯ И ИХ РАЗМЕРНОСТИ

Таблица 8

Буквенные обозначения

Физическая величина

Единица

Наименование

Представление

Наименование

Представление

Время

Т

Секунда

S

 

 

Минута

MNT

 

 

Час

HR

 

 

Сутки

D

 

 

Год

ANN

Ток

I

Ампер

А

Температура

θ

Кельвин

К

 

 

Цельсия

CEL

Напряжение

U

Вольт

V

Мощность

р

Ватт

W

Емкость

с

Фарада

F

Индуктивность

L

Генри

H

Масса

-

Грамм

G

Угол

-

Градус

DEG

Таблица 9

Множители

Приставка

Множитель

Международное обозначение приставки

Представление

Тера

1012

т

T

Гига

109

G

G

Мега

106

М

MA

Кило

103

k

К

Гекто

102

h

H

Дека

101

da

DA

Деци

10-1

d

D

Санти

10-2

с

С

Милли

10-3

m

M

Микро

10-6

μ

U

Нано

10-9

п

N

Пико

10-12

p

P

Фемто

10-15

f

F

Атто

10-18

a

A

Таблица 10

7-битный код ИСО

 

b7

0

0

0

0

1

1

1

1

b6

0

0

1

1

0

0

1

1

b5

0

1

0

1

0

1

0

1

b4

b3

b2

b1

колонка

ряд

0

1

2

3

4

5

6

7

0

0

0

0

0

NUL

TC

DLE

SP

0

 

P

 

p

0

0

0

1

1

TC1

SOH

DC1

!

1

A

Q

a

q

0

0

1

0

2

TC2

STX

DC2

»

2

В

R

b

r

0

0

1

1

3

TC3

ETX

DC3

#

3

С

S

с

s

0

1

0

0

4

TС4

EOT

DC4

$

4

D

T

d

t

0

1

0

1

5

TC5

ENQ

TC8

NAK

%

5

E

U

e

u

0

1

1

0

6

тс6

АСК

TC9

SYN

&

6

F

V

f

v

0

1

1

1

7

BEL

ТC10

ETB

1

7

G

w

g

w

1

0

0

0

8

FE0

BS

CAN

(

8

H

X

h

x

1

0

0

1

9

FE1

нт

EM

)

9

I

Y

i

y

1

0

1

0

10

FE2

LF

SUB

*

:

J

Z

j

z

1

0

1

1

11

FE3

VT

ESC

+

;

К

/

k

{

1

1

0

0

12

FE4

FT

is4

FS

,

<

L

]

l

:

1

1

0

1

13

FE5

CR

is3

GS

-

=

M

m

}

1

1

1

0

14

SO

IS2

RS

.

>

N

n

~

1

1

1

1

15

SI

IS1

US

/

?

O

-

o

DEL

ИНФОРМАЦИОННОЕ ПРИЛОЖЕНИЕ 4

ПРИМЕРЫ ВЗАИМОДЕЙСТВИЯ ФЕ(П) В СИСТЕМЕ ИНТЕРФЕЙС ИИС-1

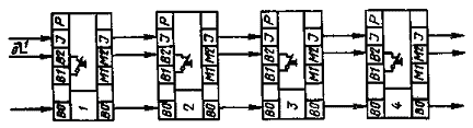
Пример 1. Соединение ФЕ(П) с последовательным переносом J-сигналов из одной ФЕ(П) к следующей без использования контрольных сигналов в качестве обратной связи (см. черт. 3).

Принцип работы: каждая ФЕ(П) запускает последующую ФЕ(П) после окончания выполнения функции при помощи сигнала (М2). Для запуска необходимо, чтобы в каждой ФЕ(П) входы сигналов (В1) и (В2) были соединены между собой с помощью внутреннего соединения, как показано на черт. 3, или с помощью внешнего соединения. Предварительно перед запуском необходимо параллельно на все ФЕ(П) подать сигнал (В0). Сигналы (В1) и (В2) на входе ФЕ(П) запоминаются только тогда, когда прием информационных сигналов (при наличии на входе запоминающего устройства ФЕ(П)) или функция закончены. Поступающие до этого на В1 или В2 сигналы управляющей схемой не принимаются. У ФЕ(П) с входным запоминающим устройством на входе принятые (В1) и (В2) начинают оказывать свое действие только тогда, когда ФЕ(П) уже закончила свою функцию.

Примечание. При таком соединении ФЕ(П) должно выполняться условие, при котором новый запуск каждой ФЕ(П) должен осуществляться только тогда, когда следующая ФЕ(П) уже не нуждается в информационных сигналах на своем входе.

Если это условие не выполняется, то могут возникнуть следующие случаи:

1) в ФЕ(П) без входного запоминающего устройства по окончании функции сразу же может быть вызван новый запуск независимо от того, необходимы для следующей ФЕ(П) J-сигналы на входе или нет;

2) ФЕ(П) с входным запоминающим устройством после окончания приема J-сигналов может быть запущена снова независимо от того, закончила она свою функцию или нет.

Способы запуска

а) Запуск с помощью внутреннего тактового генератора в первой ФЕ(П).

В качестве первых ФЕ(П) могут использоваться, например следующие ФЕ(П):

1) вольтметры цифровые;

2) электронно-счетные частотомеры;

3) коммутатор измерительный;

4) часы цифровые.

В этом случае сигнал (В2) не нужен. Внутренний тактовый генератор каждым своим сигналом запускает ФЕ(П), которая по окончании функции в свою очередь запускает следующую ФЕ(П). Такт генератора выбирается из условия обеспечения надежного протекания функции во всех ФЕ(П).

б) Однократный запуск.

ФЕ(П) часто имеет кнопку для однократного запуска функции, которая должна приводиться в действие только в такой последовательности, при которой надежно обеспечивается протекание функции во всех ФЕ(П).

Пример 2. Соединение ФЕ(П) с последовательным переносом J-сигналов из одной ФЕ(П) к следующей с частичным разветвлением информационных сигналов без использования контрольных сигналов в качестве обратной связи (см. черт. 4).

Принцип работы: такой же, как в примере 1, однако часть J-сигналов представлена в форме, не требующей обработки всеми последующими ФЕ(П).

Способы запуска: такие же, как в примере 1.

ФЕ(П)1 - коммутатор измерительный для коммутации аналоговых сигналов с выдачей аналоговых сигналов на последующую ФЕ(П)2 и выдачей номера коммутируемого канала (в цифровой форме) непосредственно на ФЕ(П)4 для регистрации;

ФЕ(П)2 - вольтметр цифровой;

ФЕ(П)3 - компаратор цифровой предельных значений;

ФЕ(П)4 - цифропечатающее устройство.

Примечание. Измерительный коммутатор может быть переключен только после того, как относящееся к измерительной точке значение измерения совместно с поданным после окончания функции с ФЕ(П)1 на ФЕ(П)4 номером измерительной точки отпечатаны цифропечатающим устройством ФЕ(П)4.

Пример 3. Соединение ФЕ(П) с использованием контрольного сигнала последней ФЕ(П) для запуска первой ФЕ(П) (см. черт. 5).

Принцип работы:

При таком соединении сигнал (М2) последней ФЕ(П) используется для запуска первой ФЕ(П).

Для запуска необходимо, чтобы в каждой ФЕ(П) входы сигналов (В1) и (В2) были соединены между собой с помощью внутреннего соединения, как показано на черт. 3, или с помощью внешнего соединения.

Перед запуском необходимо параллельно подать на все ФЕ(П) сигнал (В0).

Примечание. Это соединение не требует соблюдения временных условий для запуска. После окончания выполнения функции последней ФЕ(П) первая ФЕ(П) запускается снова и тем самым обеспечивается надежное протекание функций во всех ФЕ(П).

Возможности запуска и остановки

Запуск осуществляется нажатием кнопки для однократного запуска функции или соединением В1 и В2 на ФЕ(П). Остановка может быть осуществлена путем размыкания внутреннего или внешнего соединения между В1 и В2 на любой (предпочтительно первой) ФЕ(П), за исключением тех случаев, когда выполняется первый цикл работы (см. черт. 6).

Пример 4. Соединение ФЕ(П) с многократной обратной связью на предыдущие ФЕ(П), в качестве которой используются контрольные сигналы (см. черт. 7).

Принцип работы заключается в том, что каждая ФЕ(П):

1) по окончании приема при наличии входного запоминающего устройства подготавливает предыдущую ФЕ(П) для запуска и после окончания функции запускает следующую ФЕ(П);

2) без наличия входного запоминающего устройства обе команды подаются только после окончания функции.

Примечание. Для запуска необходимо, чтобы на каждой ФЕ(П), кроме последней, входы сигналов (В1) и (В2) были разъединены. Перед запуском необходимо параллельно подать на все ФЕ(П) сигнал (В0). Такое соединение ФЕ(П) не требует соблюдения временных условий для запуска всего соединения и обеспечивает одновременную работу нескольких ФЕ(П).

Способы запуска и остановки

Первоначальный запуск осуществляется путем соединения входов сигналов (В1) и (В2) на первой ФЕ(П) (см. черт. 8). Размыканием соединения входов сигналов (В1) и (В2) у ФЕ(П)1 может быть предотвращен повторный запуск.

Необходимо учесть, что исходное положение управляющей схемы, вызванное подачей (В0) = 0, такое, как если бы к ФЕ(П) подвели (В1) = 0. Это означает, что после (В0) = 0 запуск каждой ФЕ(П) может осуществляться только подачей (В2) = 0. Последняя ФЕ(П) подготавливает предыдущую ФЕ(П) только тогда, когда закончена функция, т.е. сигналом (М2) (см. черт. 9). Если последняя ФЕ(П) не имеет входного запоминающего устройства, то может использоваться сигнал (M1) (см. черт. 8, 11, 12).

Пример 5. Соединение ФЕ(П) при программировании ФЕ(П) с помощью блока программного управления (см. черт. 10).

Принцип работы:

Соединение с использованием контрольного сигнала последней ФЕ(П) для обратной связи на блок программного управления.

Блок программного управления запускается, как первая ФЕ(П) и после окончания функции подает Р-сигналы. После подачи Р-сигналов блок программного управления запускает ФЕ(П)1 и она начинает работать. Последняя ФЕ(П) запускает блок программного управления снова, программа меняется и после окончания функции блока программного управления снова запускается ФЕ(П)1.

Соединение ФЕ(П) с последовательным переносом J-сигналов

Черт. 3

Соединение ФЕ(П) с частичным разветвлением J-сигналов

Черт. 4

Соединение ФЕ(П) с использованием сигнала (М2) последней ФЕ(П) для запуска первой ФЕ(П)

Черт. 5

Временная диаграмма для соединения ФЕ(П) согласно примеру 3

Черт. 6

Соединение ФЕ(П) с многократной обратной связью на предыдущие ФЕ(П)

Черт. 7

Способ запуска путем соединения В1 и В2 первой ФЕ(П)

Черт. 8

Использование сигнала (М2) последней ФЕ(П), имеющей запоминающее устройство для J-сигналов

Черт. 9

Соединение ФЕ(П) при программировании ФЕ(П) с помощью блока программного управления

Черт. 10

Временная диаграмма для соединения ФЕ(П) без запоминающего устройства на входе согласно примеру 4

Черт. 11

Временная диаграмма для соединения с ФЕ(П) с запоминающим устройством на входе согласно примеру 4

Черт. 12

ИНФОРМАЦИОННОЕ ПРИЛОЖЕНИЕ 5

ДАННЫЕ О СОЕДИНИТЕЛЯХ, ПРИМЕНЯЕМЫХ В ГДР ДЛЯ ИНТЕРФЕЙСА ИИС-1, И О ТРАССИРОВКЕ СОЕДИНИТЕЛЕЙ СИГНАЛАМИ

1. Соединители

1.1. Соединители для цифровых J-сигналов

На ФЕ(П) рекомендуется использовать соединители исполнения VIII-I табл. 9* 39-контактные.

* Обозначение типов соединителей приводится в соответствии с «Унифицированной системой электрических прямоугольных соединителей для ИИС, ЕС ЭВМ и аналогичных приборов» (протокол 23/74 секции № 4 КРЭП, том IV).

Для входов J-сигналов применяются штекерные колодки.

Для выходов J-сигналов применяются гнездовые колодки.

1.2. Соединители для аналоговых J-cигналов

Предпочтительны соединители BNC 50 Ом в соответствии с рекомендацией МЭК 159 (IEC-50-3-а, в). Далее допускаются коаксиальные соединители исполнения VII-I, VIII-I, IX-I табл. 13* (4-, 6-, 2-контактные, установка коаксиальных соединителей). В технически обоснованных случаях допускается применение специальных соединителей (например для техники защитных экранов).

* Обозначение типов соединителей приводится в соответствии с «Унифицированной системой электрических прямоугольных соединителей для ИИС, ЕС ЭВМ и аналогичных приборов» (протокол 23/74 секции № 4 КРЭП, том IV).

1.3. Соединители для управляющих сигналов

На ФЕ(П) рекомендуется использовать коаксиальные соединители исполнения VII-I, VIII-I, IX-I табл. 13* (4-, 6-, 2-контактные, установка коаксиальных соединителей). Ввод и вывод сигналов необходимо, осуществлять через коаксиальные розетки (гнездовые колодки). Допускается вводить и (или) выводить особые управляющие сигналы совместно через одну монтажную колодку.

* Обозначение типов соединителей приводится в соответствии с «Унифицированной системой электрических прямоугольных соединителей для ИИС, ЕС ЭВМ и аналогичных приборов» (протокол 23/74 секции № 4 КРЭП, том IV).

1.4. Соединители для цифровых Р-сигналов

На ФЕ(П) рекомендуется использовать соединители типа VIII-I табл. 9* 39-контактные.

* Обозначение типов соединителей приводится в соответствии с «Унифицированной системой электрических прямоугольных соединителей для ИИС, ЕС ЭВМ и аналогичных приборов» (протокол 23/74 секции № 4 КРЭП, том IV).

Для входов Р-сигналов применяются штекерные колодки.

Для выходов Р-сигналов применяются гнездовые колодки.

1.5. Соединители для аналоговых Р-сигналов

На ФЕ(П) рекомендуется использовать:

1) BNC 50 Ом в соответствии с Публикацией МЭК 159 IEC-50-3-а, в) - предпочтительно;

2) коаксиальные соединители исполнения VII-I, VIII-I, IX-I табл. 13* (4-, 6-, 2-контактные, установка коаксиальных соединителей) - допускается к применению.

* Обозначение типов соединителей приводится в соответствии с «Унифицированной системой электрических прямоугольных соединителей для ИИС, ЕС ЭВМ и аналогичных приборов» (протокол 23/74 секции № 4 КРЭП, том IV).

В технически обоснованных случаях допускается применение специальных соединителей (например для техники защитных экранов).

Допускается также вводить и (или) выводить управляющие сигналы через низкочастотные разъемы совместно с информационными и программными сигналами.

2. Арматуры

Рекомендуется использовать арматуры в соответствии с приложением 3, исполнение 1 и 2, черт. 2 и 5**.

** Арматуры приводятся в соответствии с «Унифицированной системой электрических прямоугольных соединителей для ИИС, ЕС ЭВМ и аналогичных приборов» (протокол 23/74 секции № 4 КРЭП, том IV).

3. Трассировка соединителей цифровыми J-сигналами

3.1. Трассировка при использовании кода BCD-8-4-2-1

Контакты следует нагружать в текущей нумерации, начиная с младшего десятичного разряда (разрядность 10° общей информации). При помощи цифр от 0 до 9 шифруются в коде BCD как цифры, так и другие элементы информации согласно информационному приложению 3, например знак измеряемой величины, знак степени, порядок основной размерности, основная размерность, дополнительные информации к измеряемой величине.

Соотношение десятичных разрядов общей информации с отдельными : элементами и их шифрование цифрами от 0 до 9 следует проводить согласно информационному приложению 3 и указывать в документации для потребителя.

В табл. 11 приведен пример трассировки соединителя исполнения VIII-I табл. 9* 39-контактного.

* Обозначение типов соединителей приводится в соответствии с «Унифицированной системой электрических прямоугольных соединителей для ИИС, ЕС ЭВМ и аналогичных приборов» (протокол 23/74 секции № 4 КРЭП, том IV).

Таблица 11

Контакт

Десятичный разряд общей информации

Разрядность

 

А1

А2

A3

А4

1

1

2

4

8

 

А5

А6

А7

А8

2

1

2

4

8

 

А9

А10

А11

А12

3

1

2

4

8

 

А13

Экран

 

В1

В2

В3

В4

4

1

2

4

8

В5

В6

В7

В8

5

1

2

4

8

 

В9

В10

В11

В12

6

1

2

4

8

 

B13

Опорный потенциал или контакт для схемы опознавания неподключенных входов J-сигналов (если в ФЕ(П) имеется)

 

 

С1

С2

С3

С4

7

1

2

4

8

 

От С8 до С13

Опорный потенциал

 

 

Незанятые контакты на выходе следует присоединять к опорному потенциалу.

3.2. Трассировка при использовании кода 1 из п

Контакты следует загружать в текущей нумерации, начиная с младшего разряда, в соответствии с п. 3.1 настоящего приложения.

3.3. Трассировка при использовании двоичного кода

Контакты следует загружать в текущей последовательности, начиная с младшего двоичного разряда, в соответствии с п. 3.1 настоящего приложения.

4. Трассировка соединителей управляющими сигналами

Трассировка соединителей исполнения VIII-I табл. 13* (6-контактный, установка коаксиальных соединителей) приведена в табл. 12.

* Обозначение типов соединителей приводится в соответствии с «Унифицированной системой электрических прямоугольных соединителей для ИИС, ЕС ЭВМ и аналогичных приборов» (протокол 23/74 секции № 4 КРЭП, том IV).

Таблица 12

Номер контакта

Контакт

Сигнал

1

В0

(В0)

2

В0

(В0)

3

В1

(В1)

4

В2

(В2)

5

M1

(M1)

6

М2

(М2)

С целью соединения с другими ФЕ(П) каждая ФЕ(П) должна иметь два контакта В0.

5. Трассировка соединителей цифровыми Р-сигналами

Трассировка соединителей цифровыми Р-сигналами проводится в соответствии с п. 3.

6. Соединительные кабели

Типы кабелей устанавливаются изготовителем. Рекомендуется использовать экранированные кабели.

7. В технической документации необходимо указывать применяемые типы соединителей и их трассировку сигналами.

ИНФОРМАЦИОННОЕ ПРИЛОЖЕНИЕ 6

ДАННЫЕ О СОЕДИНИТЕЛЯХ, ПРИМЕНЯЕМЫХ В ВНР ДЛЯ ИНТЕРФЕЙСА ИИС-1 и ТРАССИРОВКЕ СОЕДИНИТЕЛЕЙ СИГНАЛАМИ

Применяются два исполнения 50-полюсных соединителей с миниатюрным игольчатым контактом от двух поставщиков:

1. KONTAKTA

гнездовая колодка:            DS2112-150.1         1.506.0222 или

                                             DS2112-250.1    3   1.506.0228

штекерная колодка:           DS2112-150.2         1.506.0234 или

                                             DS2112-250.2    3   1.506.0240

2. HARTING

гнездовая колодка: 09 65 050 2801

штекерная колодка: 09 60 050 2601

Трассировка соединителей изменяется в зависимости от типа прибора. Инструкция по эксплуатации отдельных типов всегда дает точную трассировку соединителя.

ИНФОРМАЦИОННЫЕ ДАННЫЕ

1. Автор - делегация ГДР в Постоянной Комиссии по радиотехнической и электронной промышленности.

2. Тема - 18.350.04-77.

3. Стандарт СЭВ утвержден на 45-м заседании ПКС.

4. Сроки начала применения стандарта СЭВ:

Страны - члены СЭВ

Срок начала применения стандарта СЭВ в договорно-правовых отношениях по экономическому и научно-техническому сотрудничеству

Срок начала применения стандарта СЭВ в народном хозяйстве

НРБ

Январь 1982 г.

Январь 1982 г.

ВНР

Январь 1981 г.

Январь 1981 г.

ГДР

Январь 1981 г.

Январь 1981 г.

Республика Куба

 

 

МНР

 

 

ПНР

Январь 1980 г.

Январь 1980 г.

СРР

 

 

СССР

Июль 1981 г.

Июль 1981 г.

ЧССР

Январь 1982 г.

Январь 1982 г.

5. Срок первой проверки - 1984 г., периодичность проверки - 5 лет.

 

СОДЕРЖАНИЕ

1. Функции интерфейса. 2

2. Требования к параметрам сигналов и их входным и выходным цепям.. 5

Приложение 1 Термины и определения. 7

Приложение 2 Примеры для изображения взаимодействия управляющих сигналов внутри ФЕ(П) 8

Приложение 3 Рекомендуемые условные обозначения единиц измерения и их размерности. 10

Приложение 4 Примеры взаимодействия ФЕ(П) в системе интерфейс ИИС-1. 12

Приложение 5 Данные о соединителях, применяемых в ГДР для интерфейса ИИС-1, и о трассировке соединителей сигналами. 17

Приложение 6 Данные о соединителях, применяемых в ВНР для интерфейса ИИС-1 и трассировке соединителей сигналами. 20

 

 



© 2013 Ёшкин Кот :-)