Информационная система
«Ёшкин Кот»

XXXecatmenu

МИНИСТЕРСТВО ЭНЕРГЕТИКИ РОССИЙСКОЙ ФЕДЕРАЦИИ

Утверждено
Приказом
Минэнерго России
от 30.06.2003 № 266

ИНСТРУКЦИЯ
ПО ПЕРЕКЛЮЧЕНИЯМ
В ЭЛЕКТРОУСТАНОВКАХ

СО 153-34.20.505-2003

Москва  2004

Вводится в действие с
30.06.2003

1 ОБЩАЯ ЧАСТЬ

1.1 Настоящая Инструкция СО 153-34.20.505-2003 определяет порядок и последовательность выполнения переключений в электроустановках напряжением до и выше 1000 В.

1.2 Инструкция составлена в соответствии с федеральным законодательством, правилами технической эксплуатации электрических станций и сетей, правилами по охране труда.

1.3 На основании настоящей Инструкции на электростанциях, в электрических сетях разрабатываются местные инструкции энергопредприятий по производству переключений (далее - инструкции энергопредприятий), учитывающие особенности нормальных и «ремонтных» схем электрических соединений электроустановок, конструкцию и состав оборудования РУ, особенности устройств РЗА, порядок оперативного обслуживания этих объектов.

В инструкциях энергопредприятий отражаются особенности и порядок переключений при оперативном обслуживании новых серий электрооборудования, в том числе: тиристорных и бесщеточных систем возбуждения генераторов, тиристорных пусковых устройств газовых турбин, реверсивных бесщеточных систем возбуждения синхронных компенсаторов, статических компенсаторов, управляемых шунтирующих реакторов, элегазовых и вакуумных выключателей.

1.4 Настоящая Инструкция используется персоналом, участвующим в разработке, согласовании и утверждении инструкций энергопредприятий, а также оперативным и административно-техническим персоналом, участвующим в проведении оперативных переключений.

Инструкция энергопредприятия находится на рабочем месте оперативного персонала.

1.5 К оперативному персоналу энергообъектов, энергосистем, ОДУ, ЦДУ ЕЭС России относятся:

- оперативный персонал - персонал, непосредственно воздействующий на органы управления электроустановок и осуществляющий управление и обслуживание электроустановок в смене;

- оперативно-ремонтный персонал - персонал с правом непосредственного воздействия на органы управления электроустановок;

- оперативные руководители (диспетчеры) - персонал, осуществляющий оперативное руководство в смене работой закрепленных за ним объектов (энергосистем, электрических сетей, электростанций) и подчиненного ему персонала.

1.6 К оперативному персоналу электростанций, подстанций, электрических сетей и энергосистем относятся:

- начальники смен электрических цехов электростанций;

- начальники смен энергоблоков;

- дежурные электромонтеры электростанций;

- дежурные электромонтеры подстанций;

- персонал ОВБ.

К оперативно-ремонтному персоналу электрических сетей относится ремонтный персонал с правом выполнения переключений в электроустановках.

Оперативными руководителями в смене являются:

- диспетчер ЕДС (России), ОЭС, МЭС;

- диспетчер энергосистемы;

- диспетчер предприятия (района, участка) электрической сети;

- начальник смены (дежурный инженер) электростанции.

В течение смены оперативные руководители, осуществляя оперативное управление работой энергосистем, электростанций и электрических сетей, руководят работой оперативного персонала при выполнении переключений в электроустановках.

1.7 Оперативное состояние электрического оборудования (генераторов, трансформаторов, синхронных компенсаторов, коммутационных аппаратов, сборных шин, токоведущих частей, линий электропередачи и пр.) определяется положением коммутационных аппаратов, с помощью которых оно отключается или включается под напряжение и вводится в работу.

Принятое в эксплуатацию оборудование находится в одном из следующих оперативных состояний:

- в работе, в том числе в автоматическом резерве, под напряжением;

- в резерве;

- в ремонте;

- в консервации.

1.8 Оборудование считается находящимся в работе, если коммутационные аппараты в его цепи включены и образована или может быть автоматически образована замкнутая электрическая цепь между источником питания и приемником электроэнергии.

Вентильные разрядники, конденсаторы связи, трансформаторы напряжения, ограничители перенапряжения и другое оборудование, жестко (без разъединителей) подключенные к источнику питания и находящиеся под напряжением, считаются находящимися в работе.

1.9 Оборудование считается находящимся в автоматическом резерве, если оно отключено только выключателями или отделителями, имеющими автоматический привод на включение, и может быть введено в работу действием автоматических устройств.

1.10 Оборудование считается находящимся под напряжением, если оно подключено коммутационными аппаратами к одному источнику напряжения (силовой трансформатор на холостом ходу, линия электропередачи, включенная со стороны питающей ее подстанции и т.д.).

Отключенный от сети, но продолжающий вращаться невозбужденный генератор (или синхронный компенсатор) с отключенным АГП считается находящимся под напряжением.

1.11 Оборудование считается находящимся в резерве, если оно отключено коммутационными аппаратами и возможно включение его в работу с помощью этих коммутационных аппаратов.

1.12 Оборудование считается находящимся в ремонте, если оно отключено коммутационными аппаратами, снятыми предохранителями или расшиновано, заземлено и подготовлено в соответствии с требованиями правил безопасности к производству ремонтных работ.

1.13 Каждое устройство РЗА может находиться в состоянии:

- включенном (введенном) в работу;

- отключенном (выведенном) из работы;

- отключенном для технического обслуживания.

1.14 Устройство РЗА считается включенным в работу, если все выходные цепи, в том числе контакты выходных реле этого устройства, с помощью накладок (блоков, ключей) подключены к цепям управления включающих или отключающих электромагнитов управления коммутационных аппаратов.

1.15 Устройство РЗА считается отключенным, если все выходные цепи, в том числе контакты выходных реле этого устройства, отключены накладками (блоками, ключами) от включающих или отключающих электромагнитов управления коммутационных аппаратов.

1.16 Устройство РЗА считается отключенным для технического обслуживания (эксплуатационной проверки), если его нельзя включить в работу из-за неисправности самого устройства или его цепей, а также для проведения профилактических работ на устройстве или в его цепях.

1.17 Переключения в нормальном режиме работы электроустановки при переводе оборудования и устройств РЗА из одного состояния в другое, а также переключения, связанные с изменением эксплуатационных режимов работы оборудования и устройств РЗА, выполняются оперативным персоналом по распоряжению оперативного руководителя, в оперативном управлении которого находится это оборудование и устройства РЗА.

1.18 В нормальном режиме работы операции с оборудованием и устройствами РЗА находящимися в оперативном ведении диспетчера, могут выполняться только после получения его разрешения. Разрешение отдается в общем виде, например: «Отключение энергоблока № 1 разрешаю»; «Разрешаю ввод в работу второй системы сборных шин 110 кВ» и т.д.

Получив разрешение на выполнение переключений, оперативный руководитель или оперативный персонал, в оперативном управлении которого находится это оборудование и устройства РЗА, устанавливает необходимую в данном случае последовательность операций и отдает распоряжение о переключении местному оперативному персоналу.

1.19 В распределительных электросетях напряжением до 35 кВ включительно при отсутствии оперативно-диспетчерского управления переключения могут выполняться по распоряжению уполномоченного административно-технического персонала, выполняющего в этом случае функции диспетчера.

Перечень электроустановок, для которых принят такой порядок выполнения переключений, устанавливается распоряжением по ПЭС.

Допуск лиц административно-технического персонала к исполнению обязанностей диспетчера производится после проверки их знаний в порядке, установленном руководством ПЭС.

1.20 В случаях, не терпящих отлагательства (при явной опасности для жизни людей или сохранности оборудования, несчастном случае, стихийном бедствии, пожаре, технологическом нарушении в работе энергообъекта), местному оперативному персоналу разрешается в соответствии с инструкциями энергопредприятий самостоятельно выполнять необходимые в этом случае переключения оборудования, находящегося в оперативном управлении или оперативном ведении вышестоящего оперативно-диспетчерского персонала, без получения распоряжения или разрешения диспетчера, но с последующим уведомлением его обо всех выполненных операциях, как только появится такая возможность.

1.21 В настоящей Инструкции приняты следующие сокращения и термины:

АВ - автоматический выключатель.

АВР - автоматическое включение резерва.

АГП - автомат гашения магнитного поля генератора или синхронного компенсатора.

АО-энерго - региональное акционерное общество энергетики и электрификации.

АПВ - автоматическое повторное включение.

АПВТ - автоматическое повторное включение трансформатора.

АРВ - автоматический регулятор возбуждения.

АРКТ - автоматический регулятор коэффициента трансформации трансформатора.

АСДУ - автоматизированная система диспетчерского управления.

АСУ ТП - автоматизированная система управления технологическими процессами.

АТ - автотрансформатор.

ВЛ - воздушная линия электропередачи.

ДЗО - дифференциальная защита ошиновки.

ДЗШ - дифференциальная защита сборных шин.

ДФЗ - дифференциально-фазная защита.

ДГР - дугогасящий реактор.

ЕЭС - единая энергетическая система.

ЗН - заземляющие ножи разъединителя.

КЗ - короткое замыкание (короткозамыкатель).

КЛ - кабельная линия электропередачи.

КРУ - комплектное распределительное устройство.

КРУН - комплектное распределительное устройство наружной установки.

МТП - мачтовая трансформаторная подстанция.

МУТ - механизм управления мощностью турбины.

МЭС - межсистемные электрические сети.

ОВ - обходной выключатель.

ОВБ - оперативно-выездная бригада.

ОД - отделитель.

ОДС - оперативно-диспетчерская служба.

ОМП - определение мест повреждения ВЛ.

ОЭС - объединенная электроэнергетическая система.

ПА - противоаварийная автоматика.

ПЭС - предприятие электрических сетей.

РУ - распределительное устройство.

РЗА - релейная защита и электроавтоматика.

РП - распределительный пункт.

РПН - переключатель регулирования напряжения трансформатора под нагрузкой.

РЭС - район электрических сетей.

СВ - секционный выключатель.

СН - собственные нужды.

СДТУ - средства диспетчерского и технологического управления.

СШ - система шин.

ТН - трансформатор напряжения.

ТП - трансформаторная подстанция.

ТС - телесигнализация.

ТСН - трансформатор собственных нужд.

ТТ - трансформатор тока.

ТУ - телеуправление.

УРОВ - устройство резервирования отказа выключателя.

ЦДС - центральная диспетчерская служба.

ЦП - центр питания.

ШСВ - шиносоединительный выключатель.

ЭДС - электродвижущая сила.

Бланк переключений (обычный) - оперативный документ, в котором приводится строгая последовательность операций с коммутационными аппаратами, заземляющими разъединителями (ножами), цепями оперативного тока, устройствами релейной защиты, противоаварийной и режимной автоматики, операций по проверке отсутствия напряжения, наложению и снятию переносных заземлений, вывешиванию и снятию плакатов, а также необходимых (по условиям безопасности персонала и сохранности оборудования) проверочных операций.

Типовой бланк переключений - оперативный документ, в котором указывается строгая последовательность операций при выполнении повторяющихся сложных переключений в электроустановках для конкретных схем электрических соединений и состояний устройств РЗА.

Программа переключений (типовая программа) - оперативный документ, в котором указывается строгая последовательность операций при переключениях в электроустановках разных уровней управления или разных энергообъектов.

Дистанционное управление - управление коммутационным аппаратом с удаленного на безопасное расстояние поста (щита, пульта) управления.

Местное управление - управление коммутационным аппаратом от местной кнопки или ключа управления, расположенных вблизи коммутационного аппарата.

2 ОРГАНИЗАЦИЯ И ПОРЯДОК ПЕРЕКЛЮЧЕНИЙ

2.1 Распоряжение о переключениях

2.1.1 Оперативному руководителю (диспетчеру) рекомендуется перед отдачей распоряжения на производство переключений выяснить состояние схемы электроустановки, готовность оперативного персонала к производству переключений, наличие бланка (программы) переключений, присутствие контролирующего лица и др.

Распоряжение о переключении диспетчер отдает, как правило, непосредственно оперативному руководителю нижестоящего уровня управления. Принимающий распоряжение о переключении повторяет текст отдающему распоряжение и записывает его в оперативный журнал.

Допускается передача распоряжения о переключении дежурному электроустановки, прямая связь с которым нарушилась, через дежурного другой электроустановки, который записывает распоряжение в свой оперативный журнал или на пленку звукозаписи (при наличии звукозаписи переговоров), а затем передает распоряжение по его назначению.

2.1.2 В случае срочной необходимости и при отсутствии на щите управления начальника смены электростанции диспетчер энергосистемы отдает распоряжение о выполнении единичной операции на оборудовании (а также на устройствах РЗА), находящемся в его оперативном управлении, непосредственно начальнику смены электроцеха или дежурному электромонтеру главного (центрального) щита управления (например, о дистанционном включении или отключении выключателя, о переключении в цепях релейной защиты и т.д.). Указанный оперативный персонал выполняет распоряжение диспетчера, сообщает об этом диспетчеру, отдавшему распоряжение, и начальнику смены электростанции.

2.1.3 Содержание распоряжения о переключении и порядок его выполнения определяются отдающим его вышестоящим оперативно-диспетчерским персоналом (диспетчером) с учетом сложности задания, необходимой координации действий оперативного персонала и согласованности изменений в схемах электроустановок.

В распоряжении о переключениях указывается цель переключений и последовательность выполнения операций в схеме электроустановки и цепях РЗА с необходимой степенью детализации, определяемой вышестоящим оперативно-диспетчерским персоналом.

При переключениях в цепях РЗА называются наименования присоединений, устройства РЗА и операции, которые выполняются.

2.1.4 Распоряжение о переключении должно быть ясным по содержанию, четким и по возможности кратким. Отдающий и принимающий распоряжение четко усваивают последовательность выполнения намеченных операций и допустимость их выполнения по условиям безопасности, состоянию схемы, режиму работы оборудования и сети.

Не допускается выполнение оперативным персоналом непонятного для него распоряжения.

2.1.5 На электростанциях и подстанциях с постоянным дежурством оперативного персонала исполнителю переключений одновременно выдается не более одного задания на проведение оперативных переключений, содержащего операции одного целевого назначения.

2.1.6 Персоналу ОВБ, обслуживающему подстанции и распределительные сети, в целях экономии времени и рационального использования транспорта разрешается выдавать одновременно несколько заданий на переключения с указанием очередности их выполнения. Число заданий, выдаваемых одной бригаде, определяется отдающим распоряжение. Задания записываются в оперативный журнал ОВБ в том порядке, в котором выполняются. К выполнению каждого очередного задания персонал ОВБ приступает после сообщения диспетчеру о выполнении предыдущего задания и только после получения его разрешения на выполнение очередного задания.

При устранении повреждений в электросетях 10 кВ и ниже допускается выполнение очередных заданий без предварительного сообщения диспетчеру о выполнении предыдущих заданий.

2.1.7 Распоряжение вышестоящего оперативно-диспетчерского персонала по вопросам, входящим в его компетенцию, обязательно к исполнению подчиненным ему оперативно-диспетчерским персоналом.

В случае если распоряжение вышестоящего оперативно-диспетчерского персонала представляется подчиненному оперативно-диспетчерскому персоналу ошибочным, он немедленно докладывает об этом лицу, отдавшему распоряжение. При подтверждении распоряжения оперативно-диспетчерский персонал выполняет его.

Не допускается выполнение распоряжений вышестоящего оперативно-диспетчерского персонала, содержащих нарушения требований правил безопасности, а также распоряжений, которые могут привести к повреждению оборудования, потере питания СН электростанции, подстанции или обесточению потребителей I категории. О своем отказе выполнить распоряжение оперативно-диспетчерский персонал немедленно докладывает вышестоящему оперативно-диспетчерскому персоналу, отдавшему распоряжение, и соответствующему административно-техническому руководителю, а также записывает в оперативный журнал (с указанием причины отказа).

2.1.8 Переключения на электрооборудовании и в устройствах РЗА, находящихся в оперативном управлении вышестоящего оперативно-диспетчерского персонала, производятся по распоряжению, а находящихся в его ведении - с его разрешения.

2.1.9 Распоряжение диспетчера о переключении считается выполненным, если об этом сообщено диспетчеру лицом, получившим распоряжение.

2.1.10 Если оборудование находится в оперативном ведении вышестоящего оперативного персонала, то время получения разрешения на переключения и время сообщения об окончании переключений лицу, разрешившему их, записывается в оперативный журнал или на пленку звукозаписи (при наличии звукозаписи переговоров) аналогично записям о переключениях, выполняемых по распоряжениям вышестоящего оперативного персонала, в оперативном управлении которого находится оборудование.

2.1.11 Вышестоящий оперативно-диспетчерский персонал разрешение на переключения дает в общем виде (без перечисления отдельных операций) после проверки возможности их выполнения по схеме, проверки режима работы оборудования и проведения необходимых режимных мероприятий.

2.2 Бланки переключений

2.2.1 Сложные переключения, а также все переключения (кроме одиночных) на электроустановках, не оборудованных блокировочными устройствами или имеющих неисправные блокировочные устройства, выполняются по программам, бланкам переключений.

К сложным относятся переключения, требующие строгой последовательности операций с коммутационными аппаратами, заземляющими разъединителями и устройствами релейной защиты, противоаварийной и режимной автоматики. Указанная в программах, бланках переключений последовательность операций обеспечивает безопасность оперативного и ремонтного персонала и предотвращает возникновение или развитие нарушения в работе электроустановки.

Наряду с обычными бланками переключений для повторяющихся сложных переключений должны разрабатываться и использоваться типовые программы и типовые бланки переключений.

Не допускается при производстве сложных переключений замена бланков или программ переключений какими-либо другими оперативными документами.

2.2.2 Для каждой электростанции, подстанции и электроустановки распределительных электросетей разрабатываются перечни видов переключений, выполняемых по обычным бланкам переключений, по типовым бланкам переключений и программам, а также перечень видов переключений, выполнение которых допускается без бланков переключений. В каждом перечне указывается число лиц оперативного персонала, участвующих в тех или иных переключениях.

Перечни сложных переключений, утверждаемые техническими руководителями соответствующих AO-энерго и энергообъектов, должны храниться на диспетчерских пунктах АО-энерго и энергообъектов, центральных (главных) щитах управления электрических станций и подстанций.

Перечни сложных переключений пересматриваются при изменении схемы, состава оборудования, устройств защиты и автоматики.

2.2.3 Обычный бланк переключений составляется оперативным или оперативно-ремонтным персоналом, который будет производить переключения, после записи распоряжения в оперативном журнале.

Допускается составление бланка переключений заблаговременно в течение смены указанным персоналом.

Для облегчения работы оперативного персонала, экономии времени и повышения безошибочности его действий составление бланков переключений рекомендуется производить с помощью ЭВМ.

2.2.4 Типовые бланки переключений заранее разрабатываются персоналом энергопредприятий применительно к сложным переключениям в главной схеме электрических соединений электроустановки в цепях СН, устройствах РЗА. При этом следует руководствоваться тем, что переключения, содержащие операции с аппаратурой вторичной коммутации в цепях противоаварийной системной автоматики, относятся к числу сложных.

Типовые бланки переключений должны подписываться на электростанциях - начальниками электрических цехов и их заместителями по РЗА; в ПЭС - начальниками ОДС и начальниками местных служб РЗА (МС РЗА).

Типовые бланки переключений согласовываются с начальником ОДС или ЦДС, в оперативном управлении которой находится оборудование, и утверждаются техническим руководителем предприятия.

2.2.5 Программы переключений (типовые программы) применяются оперативными руководителями при производстве переключений в электроустановках разных уровней управления и разных энергообъектов.

Программа переключений утверждается руководителем диспетчерского управления, в оперативном подчинении которого находится все переключаемое оборудование.

Степень детализации программ соответствует уровню диспетчерского управления.

Лицам, непосредственно выполняющим переключения, разрешается применять программы переключений соответствующего диспетчера, дополненные бланками переключений.

Типовые программы и бланки переключений своевременно корректируются при изменениях в главной схеме электрических соединений электроустановок, связанных с вводом нового оборудования, заменой или частичным демонтажем устаревшего оборудования, реконструкцией РУ, а также при включении новых устройств РЗА или изменениях в установленных.

При планируемых изменениях схемы и режимов работы ОЭС, энергосистемы и изменениях в устройствах РЗА производственными службами ОДУ и AO-энерго, в управлении которых находится оборудование и устройства РЗА, заранее вносятся необходимые изменения и дополнения в типовые программы и бланки переключений на соответствующих уровнях оперативного управления.

2.2.6 В бланках переключений, которые являются оперативными документами, устанавливаются порядок и последовательность операций при проведении переключений в схемах электрических соединений электроустановок и цепях РЗА.

Бланки переключений (типовые бланки) должен использовать оперативно-диспетчерский персонал, непосредственно выполняющий переключения.

В бланке переключений (обычном и типовом) записываются все операции с коммутационными аппаратами и цепями оперативного тока, операции с устройствами РЗА (а также с цепями питания этих устройств), операции по включению и отключению ЗН, наложению и снятию переносных заземлений, операции по фазировке оборудования, результаты осмотра опорно-стержневых изоляторов (наличие трещин и сколов) перед производством операций с разъединителями, операции с устройствами телемеханики и другие в определенной последовательности их выполнения.

В бланках переключений указываются наиболее важные проверочные действия персонала: проверка отсутствия напряжения перед наложением заземлений (включением заземляющих ножей) на токоведущие части; проверка на месте включенного положения шиносоединительного выключателя до начала выполнения операций по переводу присоединений с одной СШ на другую; проверка на месте отключенного положения выключателя, если следующей является операция с разъединителями; проверка на месте или по устройствам сигнализации положения каждого коммутационного аппарата первичной цепи после выполнения операции этим аппаратом; проверка по окончании переключений соответствия переключающих устройств в цепях РЗА режимным картам.

Каждая операция (или действие), вносимая в бланк переключений, имеет порядковый номер.

Непосредственно перед выполнением переключений по обычному бланку переключений правильность записанных в нем операций проверяется по оперативной схеме (или схеме-макету), точно отражающей действительное положение коммутационных аппаратов электроустановки на момент проверки.

После проверки бланк переключений подписывается двумя лицами - выполняющим переключения и контролирующим их.

При выполнении переключений одним лицом из оперативного персонала лицом, контролирующим правильность составления бланка переключений, является оперативный руководитель, отдавший распоряжение о переключении, и в бланк вносится его фамилия.

На электростанциях при участии в переключениях начальника смены электрического цеха (в качестве контролирующего лица) и дежурного электромонтера (в качестве выполняющего операции) на бланке переключений делается надпись «Переключения разрешаю» за подписью начальника смены электростанции.

2.2.7 При пользовании типовыми бланками переключений соблюдаются следующие условия:

а) решение о применении типового бланка переключений при выполнении конкретных операций принимается лицом, выполняющим переключения, и контролирующим лицом;

б) на типовом бланке переключений указывается, для каких присоединений, какого задания и при какой схеме электроустановки он может быть применен;

в) перед началом выполнения переключений типовой бланк переключений проверяется по оперативной схеме или схеме-макету электроустановки контролирующим лицом.

О проверке типового бланка переключений и правильности изложенной в нем последовательности операций и проверочных действий в оперативном журнале после записи распоряжения диспетчера о переключении делается запись о том, что соответствующий типовой бланк переключений проверен, соответствует схемам, переключения в указанной в нем последовательности могут быть выполнены. Допускается данную запись делать в типовом бланке переключений за подписями лица, производящего операции, и лица, контролирующего данные переключения;

г) не допускается применять типовой бланк переключений в случае несоответствия схемы электроустановки или состояния устройств РЗА той схеме, для которой был составлен типовой бланк.

Не допускается оперативному персоналу вносить изменения и дополнения в типовой бланк переключений, если он соответствует схеме и заданию;

д) если в схеме первичных соединений или цепях РЗА электроустановки произошли изменения, исключающие возможность выполнения операций по отдельным пунктам типового бланка переключений, или обнаружены ошибки в типовом бланке переключений, оперативный персонал электростанции, подстанции делает соответствующую запись в оперативном журнале и сообщает об этом лицам, подписавшим типовой бланк переключений, или лицам, заменяющим их по должности, а также оперативному руководителю; применение типового бланка переключений в этом случае не допускается; составляется обычный бланк переключений;

е) в случае когда при пользовании типовым бланком переключений на проведение очередной операции на данной электроустановке требуется получить распоряжение диспетчера (например, распоряжение на включение ЗН на отключаемую линию электропередачи), в типовом бланке переключений перед записью этой очередной операции делается отметка «Выполняется по распоряжению диспетчера».

2.2.8 При сложных переключениях в электроустановках с применением обычных и типовых бланков переключений допускается привлекать к выполнению отдельных операций в схемах РЗА лиц из числа работников местных служб РЗА, закрепленных за этими устройствами. Привлеченный к переключениям работник службы РЗА проверяет правильность и очередность операций, записанных в бланке переключений, подписывает бланк переключений как участник переключений и выполняет очередные операции в цепях РЗА по распоряжению лица, выполняющего переключения в схеме первичных соединений. При этом распоряжения и сообщения об их выполнении могут передаваться с помощью средств связи.

2.2.9 Бланки переключений (обычные и типовые) являются отчетными документами и находятся под строгим учетом.

Выдаваемые оперативному персоналу резервные экземпляры бланков как обычных, так и типовых оперативных переключений нумеруются. Номера всех видов выданных оперативному персоналу резервных бланков переключений фиксируются в оперативном журнале. При сдаче смены указываются номера последних использованных (заполненных) бланков. Хранятся использованные бланки переключений (в том числе и испорченные) по порядку их номеров.

Использованные бланки переключений хранятся не менее 10 дн.

Правильность заполнения, применения и ведения отчетности по бланкам переключений периодически контролируется руководством электроцеха на электростанциях, оперативно-диспетчерской службы в электрических сетях.

2.3 Общие положения о переключениях

2.3.1 Все переключения на электростанциях и подстанциях выполняются в соответствии с инструкциями энергопредприятий.

2.3.2 Переключения в электроустановке разрешается выполнять оперативному персоналу, знающему ее схему, расположение оборудования и устройств РЗА, обученному правилам выполнения операций с коммутационными аппаратами и ясно представляющему последовательность переключений, прошедшему проверку знаний ПТЭ, правил безопасности и производственных инструкций. Допуск к оперативной работе разрешается после дублирования на рабочем месте.

Не допускается выполнение переключений (даже отдельных операций) лицам, не имеющим на это права.

Список лиц, имеющих право производить переключения (с указанием, на каких электроустановках), а также список лиц административно-технического персонала, имеющих право контролировать выполнение переключений, утверждается руководителем предприятия (организации).

2.3.3 Дежурный получает и оформляет распоряжение о переключении в следующем порядке:

а) получив распоряжение о переключении, записывает его на «черновик», повторяет по записи и получает подтверждение диспетчера о том, что распоряжение понято правильно;

б) записывает задание в оперативный журнал;

в) проверяет по оперативной схеме (схеме-макету) последовательность выполнения операций и при необходимости составляет бланк переключений или готовит к использованию типовой бланк переключений.

При наличии звукозаписи переговоров запись задания в оперативном журнале производится в общем виде без перечисления операций. Пленка со звукозаписью переговоров хранится в течение 10 сут со дня последней записи, если не поступит запрос на продление срока хранения.

Цель полученного распоряжения и последовательность предстоящих операций разъясняется второму лицу, если оно будет привлечено к участию в переключениях.

2.3.4 Переключения в электроустановках, за исключением сложных, могут производиться единолично - при одном дежурном в смене или двумя лицами - при двух дежурных в смене или в составе ОВБ.

Сложные переключения выполняются двумя лицами, из которых одно является контролирующим.

Все остальные переключения при наличии работоспособного блокировочного устройства могут быть выполнены единолично независимо от состава смены.

При выполнении переключений двумя лицами контролирующим, как правило, является старший по должности, который кроме функций пооперационного контроля осуществляет контроль за переключениями в целом.

В отдельных случаях непосредственное выполнение операций в соответствии с инструкцией энергопредприятия может быть возложено и на старшего по должности.

При наличии в смене одного лица из числа оперативно-диспетчерского персонала контролирующим лицом может быть лицо из административно-технического персонала, допущенное к выполнению переключений распоряжением по энергообъекту.

Перед началом переключений он знакомится с оперативной схемой и делает запись в оперативном журнале.

Ответственность за правильность переключений во всех случаях возлагается на оба лица, участвующих в переключениях.

При участии в переключениях более двух лиц, включая уполномоченное лицо из персонала службы РЗА, ответственность за правильность переключений возлагается на всех лиц, участвующих в переключениях.

Во время переключений не допускается изменение установленного инструкцией энергопредприятия распределения обязанностей между участниками переключений.

Не допускается приступать к выполнению операций единолично, если в переключениях должны участвовать два человека.

2.3.5 Переключения по бланкам переключений выполняются в следующем порядке:

а) на месте переключений персонал внимательно проверяет по надписи наименование присоединения и название аппарата, на котором предстоит проведение операции, и соответствие их указанным в бланке переключений.

Не допускается переключение по памяти без прочтения надписи на аппарате;

б) убедившись в правильности выбранного присоединения и аппарата, контролирующее лицо зачитывает по бланку переключений содержание операции или проверочного действия, подлежащего выполнению;

в) лицо, выполняющее операцию, повторяет ее содержание и, получив разрешение контролирующего лица, выполняет операцию.

В случае чрезмерной плотности расположения аппаратов управления на пультах и панелях рекомендуется следующий порядок выполнения операции:

- лицо, выполняющее операцию, берется за ключ управления (накладку, испытательный блок и др.) и повторяет содержание данной операции;

- контролирующее лицо убеждается в том, что ключ управления (накладка и др.) выбран правильно и понято содержание проводимой операции, и дает разрешение на ее выполнение;

- лицо, производящее переключение, выполняет операцию.

При выполнении переключений одним дежурным зачитывается по бланку переключений содержание предстоящей операции и затем она выполняется;

г) сразу после выполнения отдельных операций или проверочных действий в бланке переключений делаются отметки об их выполнении, чтобы исключить возможность пропуска какой-либо операции;

д) перед началом и по окончании операций по переключениям в бланке переключений указываются дата и время начала и окончания операций.

Использованный бланк перечеркивается и кладется в папку использованных бланков переключений.

Не допускается изменять установленную в бланке последовательность переключений.

При возникновении сомнений в правильности проводимых операций переключения прекращаются, последовательность операций проверяется по оперативной схеме или схеме-макету и в случае необходимости получается соответствующее разъяснение оперативного руководителя, отдавшего распоряжение о переключении.

2.3.6 Во время переключений не допускаются разговоры, не имеющие прямого отношения к исполняемому заданию; нежелательны и перерывы в переключениях, если нет необходимости. Не допускается во время переключений отвлекать оперативный персонал на другие вопросы или работы, не входящие в объем выполняемых операций. Если во время переключений произошел вынужденный перерыв (например, в связи с ликвидацией технологических нарушений), то к прерванным переключениям можно приступить лишь после проверки соответствия бланка переключений новому состоянию схемы. При этом проверяется выполнение последней отмеченной в бланке переключений выполненной операции.

При появлении несоответствия схемы составляется новый бланк переключений.

2.3.7 По окончании переключений в оперативном журнале делается запись о всех операциях с коммутационными аппаратами, изменениях в цепях РЗА, о включении (отключении) ЗН, наложении (снятии) переносных заземлений с указанием их номеров и мест нахождения. Порядок учета, наложения и снятия заземлений указан в приложении А.

При проведении операций по бланку переключений в оперативном журнале указывается номер бланка переключений, по которому проводились операции, с указанием установленных (снятых) заземлений и делается запись об изменении первичной схемы электроустановки.

В бланках переключений и записях в оперативном журнале допускается употребление сокращенных наименований оборудования, предусмотренных инструкцией энергопредприятия.

Все изменения в схемах электрических соединений электроустановок и в цепях устройств РЗА, выполненные при производстве переключений, а также места установки заземлений отражаются на оперативной схеме или мнемосхеме (схеме-макете) по окончании переключений. Порядок ведения оперативной схемы и схемы-макета электрических соединений электростанций и подстанций указан в приложении Б.

Об окончании переключений сообщается диспетчеру, отдавшему распоряжение о переключении.

2.3.8 В инструкции энергопредприятия указывается порядок переключений, исключающий появление резонанса в РУ 110 - 500 кВ и высоких уровней высокочастотных коммутационных перенапряжений.

Не допускается отключение трансформаторов напряжения серии НКФ разъединителями после возникновения феррорезонансного процесса независимо от типа привода (ручной или с дистанционным управлением).

Не допускается производство плановых переключений разъединителями трансформаторов напряжения 110 кВ и выше, находящихся под напряжением, при наличии подключенных к шинам или другим присоединениям данного РУ вентильных разрядников типа РВМГ, а также типа РВС, имеющих значительные отклонения характеристик от нормативных.

2.3.9 Плановые переключения рекомендуется производить в часы наименьших нагрузок.

Время начала плановых переключений в каждом конкретном случае определяется диспетчером, в оперативном управлении и оперативном ведении которого находится данное оборудование.

Не допускается производство плановых переключений в часы максимума нагрузок и во время грозы или урагана, а также начало переключений за полчаса до окончания смены оперативно-диспетчерского персонала.

Рекомендуется производить осмотр оборудования открытых РУ в дневное время (с записью в оперативном журнале) перед сложными переключениями в ночное время.

Переключения могут производиться при освещенности на рабочих местах, достаточной для четкого определения положения коммутационных аппаратов и прочтения надписей на оборудовании и переключающих устройствах.

2.4 Переключения в схемах РЗА

2.4.1 Оперативный персонал ознакомляется с принципом работы устройств РЗА, АСУ ТП, ПА, АСДУ, применяемых на данной электроустановке, а также назначением и расположением на панелях предохранителей и автоматических выключателей, испытательных блоков и рубильников, переключающих и отключающих устройств, с помощью которых выполняются переключения в схемах РЗА.

При переключениях в электроустановках оперативный персонал своевременно выполняет все необходимые операции с устройствами РЗА в соответствии с требованиями инструкций энергопредприятий.

2.4.2 Силовое электрооборудование и линии электропередачи могут находиться под напряжением или в автоматическом резерве только с включенной релейной защитой от всех видов повреждений.

При выводе из работы или неисправности отдельных видов защит оставшиеся в работе устройства релейной защиты обеспечивают полноценную защиту электрооборудования, СШ и линий электропередачи от всех видов повреждений. Если это условие не выполняется, то осуществляется временная быстродействующая защита или вводится ускорение резервной защиты, в противном случае присоединение отключается.

2.4.3 При наличии быстродействующих релейных защит и УРОВ все операции по включению линий, сборных шин и оборудования после ремонта или нахождения без напряжения, а также по переключению разъединителями и воздушными выключателями выполняются при введенных в работу этих защитах.

Не допускается отключение ДЗШ при выполнении операций с шинными разъединителями и воздушными выключателями, находящимися под напряжением. До начала операций с шинными разъединителями проверяется исправность ДЗШ (измерением тока небаланса).

При отключенной ДЗШ операции с шинными разъединителями и воздушными выключателями 110 кВ и выше (находящимися под напряжением) выполняются при введенных ускорениях на соответствующих резервных защитах или при включенных временных защитах.

Если для работ в цепях ДЗШ узловых подстанций напряжением 110 кВ и выше требуется кратковременное (до 30 мин) выведение этой защиты из действия, допускается на период до обратного ее ввода в работу не включать ускорения резервных защит, но при этом, как правило, не выполняются в зоне действия этой защиты никакие операции по включению и отключению шинных разъединителей и воздушных выключателей под напряжением.

На время проведения операций с шинными разъединителями и воздушными выключателями, выкатными тележками КРУ устройства АПВ шин, АВР секционных и шиносоединительных выключателей отключаются.

2.4.4 При изменении фиксации присоединений по СШ, вводе в работу выключателя по окончании его ремонта, а также в других случаях, связанных с переключениями в РУ напряжением 330 кВ и выше, операции в токовых цепях ДЗШ и УРОВ выполняются персоналом местной службы РЗА. Допускается проведение этих операций оперативным персоналом при условии, что все переключения производятся с помощью испытательных блоков и по типовым бланкам переключений.

Операции во вторичных цепях трансформаторов тока и напряжения, в том числе испытательными блоками, производятся с выводом из действия соответствующих устройств РЗА (или отдельных их ступеней) которые по принципу действия и параметрам настройки (уставкам) могут срабатывать ложно в процессе выполнения указанных операций.

2.4.5 Перед отключением устройства релейной защиты, действующей на пуск УРОВ, предварительно отключается пуск УРОВ этой защитой.

Накладка пуска УРОВ переводится в положение «Включен» после включения в работу защиты, пускающей УРОВ.

2.4.6 При выводе в ремонт силовых трансформаторов персонал следит за сохранением «режима» заземления нейтралей данной электроустановки или участка сетей. В инструкциях энергопредприятий указываются мероприятия, выполнение которых необходимо при отключении или включении трансформаторов.

При выводе в ремонт трансформаторов (автотрансформаторов, шунтирующих реакторов) с принудительной системой охлаждения, не имеющих собственных выключателей или включенных по схеме «полуторная», «4/3» с последующим включением выключателей, принимаются меры к предотвращению их отключения после отключения системы охлаждения выведенного в ремонт трансформатора.

2.4.7 При производстве операций с линейными разъединителями ВЛ 110 кВ и выше или при переводе их через ОВ на время операций с линейными разъединителями, как правило, выводится из работы устройство АПВ линии с противоположной стороны.

2.4.8 Для сложных переключений в устройствах РЗА привлекаются уполномоченные лица из релейного персонала энергопредприятия.

2.5 Переключения при ликвидации технологических нарушений

2.5.1 Ликвидация технологических нарушений в электроустановках производится в соответствии с инструкциями энергопредприятий и вышестоящего органа оперативно-диспетчерского управления.

При пожаре оперативно-диспетчерский персонал действует в соответствии с инструкцией энергопредприятия и оперативным планом пожаротушения.

2.5.2 Переключения при ликвидации аварий и технологических нарушений (инцидентов) выполняются в том же порядке и последовательности, которые изложены в настоящей Инструкции и инструкции энергопредприятия. При этом не допускаются отступления от требований правил безопасности.

2.5.3 При осмотре панелей РЗА и сигнализации отмечаются все сработавшие указательные реле (мелом или другим способом) и прошедшие сигналы о срабатывании устройств, записывается, какие устройства РЗА сработали. Перед повторным включением оборудования сигналы квитируются, флажки указательных реле поднимаются. Не допускается повторное включение отключившегося оборудования без квитирования указательных реле.

В случае невозможности квитирования сигналов, при отсутствии фактических признаков срабатывания устройств РЗА и условий для их срабатывания решение о возможности включения отключившегося оборудования принимает оперативный руководитель, в управлении которого находится отключившееся оборудование.

Оперативный персонал снимает показания приборов ОМП, самопишущих приборов, производит первичную оценку правильности действий устройств РЗА.

2.5.4 При ликвидации технологических нарушений или для их предотвращения разрешается производить переключения без применения бланков переключений с последующей записью в оперативном журнале после ликвидации технологического нарушения.

2.5.5 При ликвидации технологических нарушений в случае неисправности устройств оперативной блокировки, отказе выключателей или других коммутационных аппаратов в отключении (включении) оперативному персоналу может быть дано разрешение самостоятельно деблокировать указанные устройства блокировки только после тщательной проверки схемы и правильности выполнения предыдущих операций. Разрешение на деблокирование в этих случаях дает оперативный руководитель в смене энергопредприятия (электростанции, электрической сети).

2.5.6 При ликвидации технологических нарушений в условиях отсутствия связи с диспетчером оперативный персонал самостоятельно выполняет операции с коммутационными аппаратами и устройствами РЗА в случаях, предусмотренных инструкцией энергопредприятия по ликвидации технологических нарушений. О выполненных операциях он сообщает диспетчеру, в оперативном управлении или оперативном ведении которого находятся эти аппараты и устройства, как только восстановится связь.

2.6 Переключения при вводе в работу нового оборудования и проведении испытаний

2.6.1 Включение под напряжение и в работу вновь вводимых электроустановок и оборудования, а также специальные испытания оборудования проводятся по программам, согласованным с соответствующими производственными службами и утвержденным руководителем AO-энерго или предприятия в зависимости от способа диспетчерского управления оборудованием. Программы составляются в соответствии с действующим Положением о порядке разработки, согласования и утверждения программ испытаний на тепловых, гидравлических и атомных электростанциях, в энергосистемах, тепловых и электрических сетях.

2.6.2 Переключения в электроустановках, связанные с включением вновь вводимого оборудования или специальными испытаниями, производятся по бланкам переключений, составленным в соответствии с утвержденными программами, под руководством оперативного руководителя предприятия или энергосистемы - в зависимости от характера испытаний. Если специальные испытания проводятся в течение двух смен и более, бланки переключений рекомендуется составлять заблаговременно - до начала испытаний.

3 ВЫПОЛНЕНИЕ ПЕРЕКЛЮЧЕНИЙ

3.1 Проведение операций с выключателями, разъединителями, отделителями и выключателями нагрузки

3.1.1 Отключение и включение под напряжение и в работу присоединения, имеющего в своей цепи выключатель, производится выключателем и, как правило, дистанционно. При этом ключ управления (кнопку) выключателя необходимо держать в положении «Отключить» или «Включить» до момента срабатывания сигнализации, указывающей на окончание операции (загорание соответствующей сигнальной лампы, окончание мигания сигнальной лампы в ключе управления и пр.).

В случае отказа в отключении при дистанционном управлении выключателя запрещается его отключение воздействием на кнопку местного управления, защелку привода или сердечник отключающего электромагнита (во избежание несчастного случая). Для вывода выключателя в ремонт в этом случае обесточивается соответствующая секция или участок электроустановки. Отключение такого выключателя по месту допустимо лишь при настоятельной необходимости, например для снятия напряжения с пострадавшего, если нет других вариантов.

Включение масляных выключателей 6 - 10 кВ в РУ, не имеющих сплошной защитной стенки, производится дистанционно или с помощью выносных пультов.

В РУ, имеющих защиту персонала от взрыва выключателя, ручное отключение масляного выключателя, имеющего дистанционный привод, выполняется воздействием на защелку привода или сердечник отключающего электромагнита.

Включение масляного выключателя ручным приводом производится быстро, поворачивая рычаг управления (штурвал) до упора, но без значительных усилий в конце хода рычага управления.

На выключателях с грузовыми и пружинными приводами принимаются меры, предотвращающие ошибочное или самопроизвольное включение выключателя (снимается оперативный ток с привода выключателя; накладка заводки привода и накладка АПВ переключаются в нейтральное положение; включающие пружины приводятся в нерабочее положение путем выполнения операций «отключить - включить - отключить»).

3.1.2 Включение и отключение воздушных выключателей всех типов и классов напряжения выполняется дистанционно со щита управления.

Отключение и включение воздушных выключателей в процессе ремонтных работ выполняется дистанционно со щита управления или с пульта передвижной ремонтной мастерской после удаления персонала на безопасное расстояние или в укрытие.

3.1.3 В момент включения выключателя контролируются показания амперметров и ваттметров включаемого присоединения. При броске тока или мощности, указывающих на наличие КЗ или несинхронное включение, вследствие которого появился асинхронный режим, необходимо отключить выключатель, не дожидаясь отключения его действием релейной защиты.

3.1.4 Для включения или отключения выключателя с помощью устройства телемеханики ключ-символ выключателя ставится в положение «Несоответствие», при этом загорается лампа грифа ключа и горит мигающим светом. Поворотом общего ключа выбора операции подается команда на ТУ. Операция ТУ продолжается 5 - 7 с после посылки исполнительного импульса. Операция переключения выключателя считается выполненной после поступления извещающей информации, передаваемой в обратном направлении устройством ТС, при этом сигнальная лампа грифа ключа гаснет.

Если операция ТУ окажется неуспешной (сигнал о переключении выключателя не поступил, а устройство ТУ пришло в состояние готовности), делается запрос, после чего повторяется операция ТУ.

Одновременно выполняется операция ТУ только одного выключателя. Каждая последующая операция осуществляется после окончания предыдущей. Перед выполнением операции ТУ квитируются все сигналы положения выключателей и аварийные сигналы, если они поступили вследствие технологического нарушения на электроустановке. При наличии несквитированных сигналов положения выключателей команда ТУ не будет успешной.

Коммутационные аппараты телемеханизированной подстанции переводятся на «местное управление» перед выполнением переключений персоналом непосредственно на самой подстанции.

3.1.5 При выполнении операций с разъединителями на присоединении, отключенном выключателем, с привода этого выключателя снимается оперативный ток и принимаются меры, исключающие самопроизвольные включения выключателя. На ключ управления отключенного выключателя вывешивается плакат «Не включать - работают люди».

Операции с разъединителями производятся при отсутствии у них дефектов и повреждений.

Перед проведением операций с разъединителями 110 - 220 кВ производится их тщательный осмотр, в том числе с применением бинокля.

Не допускается производство операций разъединителями, изоляторы которых имеют дефекты в виде трещин или царапин на фарфоре глубиной более 0,5 мм, а также сколы глубиной более 1 мм.

Не допускается производство переключений разъединителями 110 - 220 кВ с применением неинвентарных (удлиненных) ручных приводов.

Все операции с разъединителями производятся при введенных в работу быстродействующих релейных защитах и УРОВ.

Не рекомендуется выполнять операции с шинными разъединителями присоединений под напряжением, если в процессе переключений по бланку или программе переключений эти операции могут быть выполнены, когда напряжение с шинных разъединителей будет снято отключением соответствующего выключателя.

Не допускается пребывание посторонних лиц (в том числе лиц ремонтного персонала) в опасной зоне в момент переключений.

3.1.6 Включение разъединителей выполняется быстро и решительно, но без удара в конце хода. Начатая операция включения продолжается до конца в любом случае, даже при появлении дуги между контактами.

Отключение разъединителей выполняется медленно и осторожно. Вначале необходимо сделать небольшое движение рычагом привода, чтобы убедиться в отсутствии качаний и поломок изоляторов. Если при расхождении контактов между ними возникает дуга, разъединитель возвращается во включенное положение и до выяснения причины возникновения дуги операции с ним не выполняются. Смотреть на электрическую дугу не рекомендуется.

Исключение составляют операции по отключению разъединителями (отделителями) намагничивающего тока силовых трансформаторов, зарядного тока воздушных и кабельных линий. Отключение разъединителей в этих случаях выполняется быстро, чтобы обеспечить гашение дуги. При этом дежурный, выполняющий операцию, располагается под защитным козырьком для ограждения от воздействия электрической дуги.

Оперативный персонал до и после проведения операции с разъединителями убеждается в том, что произошла фиксация стержней блокирующих замков электромагнитной блокировки разъединителей в отверстии вала привода.

3.1.7 Операции отключения однополюсных разъединителей с помощью оперативных штанг выполняются в той очередности, которая обеспечивает наибольшую безопасность для персонала.

При любом расположении разъединителей первым всегда отключается разъединитель средней фазы. У разъединителей горизонтально-поворотного типа вторым отключается разъединитель, ножи которого расходятся в наружную сторону. Последним отключается разъединитель, ножи которого расходятся внутрь трехфазной группы разъединителей. При вертикальном расположении разъединителей (один над другим) вторым отключается верхний разъединитель, третьим - нижний.

Операции включения однополюсных разъединителей выполняются в обратном порядке.

3.1.8 Разъединителями допускается выполнять следующие операции:

а) включения и отключения зарядного тока ошиновки и оборудования всех классов напряжения (кроме тока батарей силовых конденсаторов); зарядным током в данном случае называется переходный и переменный установившийся ток через емкости всех видов;

б) включения и отключения ТН, нейтралей силовых трансформаторов и дугогасящих реакторов с номинальным напряжением до 35 кВ включительно при отсутствии в сети замыкания фазы на землю или резонанса;

в) включения и отключения ТН электромагнитного типа с номинальным напряжением 110 кВ и выше;

г) шунтирования и расшунтирования включенных выключателей (с приводов которых снят оперативный ток) вместе с прилегающей к ним ошиновкой.

3.1.9 В кольцевых сетях 6 - 10 кВ допускается отключение разъединителями уравнительных токов до 70 А и замыкание разъединителем сети в кольцо при разности напряжений в момент операции на подстанциях, питающих стороны этого разъединителя, не более 5 %.

Допускается отключение и включение трехполюсными разъединителями наружной установки при напряжении 10 кВ и ниже тока нагрузки до 15 А.

Допускается дистанционное отключение разъединителями неисправного выключателя 220 кВ и выше, зашунтированного одним выключателем или цепочкой из нескольких выключателей других присоединений СШ (схема четырехугольника, полуторная и т.п.), если отключение выключателя может привести к его разрушению или обесточению подстанции.

3.1.10 Допустимые значения отключаемых и включаемых разъединителями токов определяются на основе нормативных документов.

Порядок и условия выполнения операций разъединителями для конкретных электроустановок и видов электрооборудования указываются в инструкциях энергопредприятий.

Разъединители и ОД наружной и внутренней установок для отключения и включения зарядных токов воздушных и кабельных линий, а также токов замыкания на землю в распределительных электросетях напряжением 6 - 35 кВ применяются в зависимости от напряжения, способа установки и расстояний между осями полюсов.

3.1.11 Операции с разъединителями в цепях, содержащих выключатели с пружинными и грузовыми приводами, выполняются после принятия мер, предотвращающих их ошибочное включение.

3.1.12 Оперативный персонал при выполнении операций с разъединителями и отделителями ненагруженных трансформаторов (автотрансформаторов), линий электропередачи, сборных шин и присоединений обязан:

а) на присоединениях 35 - 220 кВ, имеющих в одной цепи ОД и разъединители, отключение намагничивающих токов трансформаторов и зарядных токов линий выполнять дистанционно ОД, а включение - разъединителями при предварительно включенных ОД.

Перед отключением намагничивающего тока трансформатора его РПН рекомендуется устанавливать в положение, соответствующее номинальному напряжению. Переключатель вольтодобавочного трансформатора (последовательного регулировочного трансформатора) рекомендуется устанавливать в положение, соответствующее нулевому значению добавочной ЭДС;

б) отключение и включение намагничивающих токов силовых трансформаторов 110 - 220 кВ, имеющих неполную изоляцию нейтрали и работающих с разземленной нейтралью, независимо от наличия защиты разрядником выполняются после предварительного заземления их нейтрали разъединителем нейтрали или через токоограничивающий реактор (или резистор);

в) отключение и включение ненагруженных трансформаторов, к нейтрали которых подключен ДГР, во избежание появления перенапряжений выполняются после отключения ДГР;

г) пофазное отключение ненагруженного трансформатора производится в порядке, изложенном в п. 3.1.7 настоящей Инструкции;

д) перед включением разъединителя нейтрали 110 кВ и выше проверяется отсутствие напряжения на выводе нейтрали трансформатора (указателем напряжения соответствующего класса). При неполнофазном режиме (обрыв фазы) заземляющий нож трансформатора включать не допускается.

3.1.13 Для тех электроустановок, где применены ОД и разъединители 35 - 220 кВ с дутьевыми приставками, в инструкциях энергопредприятия указываются операции, выполняемые с помощью этих аппаратов.

Операция включения ОД или разъединителей с дутьевыми приставками выполняется без дутья как обычная операция включения ОД и разъединителей.

Операции отключения разъединителей или ОД с дутьевыми приставками выполняются в такой последовательности:

а) проверяется нагрузка на присоединении, которая не должна превышать предельно допустимую для отключения аппаратом (проверяется по амперметру);

б) проверяется готовность к действию дутьевой приставки по наличию дутья, для чего при минимальном избыточном давлении следует нажать на шток дутьевого клапана. Наличие дутья у всех фаз ОД или разъединителей определяется по открытию крышек и звуку выходящего через сопла воздуха;

в) создается в резервуаре давление, соответствующее рабочему давлению аппарата;

г) надеваются резиновые (диэлектрические) перчатки, боты и персонал располагается под защитным козырьком;

д) выполняется операция отключения.

3.1.14 Для исключения отказов в работе оборудования (повреждений фарфоровой изоляции разъединителей, ОД, воздушных выключателей и пр.) не рекомендуется производить плановые переключения в электроустановках при низких температурах окружающего воздуха, а также при резких колебаниях температуры окружающего воздуха (более 15 °С) с переходом через 0 °С. Минимальная отрицательная температура воздуха, при которой возможно выполнение плановых переключений в электроустановках, расположенных в той или иной климатической зоне, указывается в инструкции энергопредприятия.

3.1.15 Выключателями нагрузки обычной конструкции серий ВН и ВНП допускается выполнять операции включения и отключения токов нагрузки и уравнительных токов, значение которых не превышает номинальный ток аппарата.

3.1.16 Включение выключателя нагрузки ручным приводом производится быстрым перемещением рукоятки привода снизу вверх до упора.

3.1.17 Отключение выключателя нагрузки ручным приводом производится нажатием на защелку рукоятки привода и отведением рукоятки вниз до упора. При этом скорость перемещения рабочих ножей не менее 3 - 4 м/с. Движение рабочих ножей в конце хода должно быть плавным, без жестких ударов.

Перед отключением выключателя нагрузки проверяется значение тока в отключаемой цепи, которое не должно превышать номинальный ток аппарата.

При отсутствии в электрической цепи измерительного прибора максимально возможное значение тока в цепи заранее измеряется и в инструкции энергопредприятия указывается, что это значение тока не может превысить номинальный ток аппарата.

3.1.18 Не допускается с помощью выключателя нагрузки серии ВН подавать напряжение на линии, трансформаторы и шины, отключившиеся действием устройств РЗА, без осмотра оборудования и устранения повреждения.

3.1.19 При операциях с коммутационными аппаратами оперативный персонал располагается в безопасной зоне, определяемой с учетом местных условий, конструктивных особенностей оборудования или по указанию лица, контролирующего переключения.

3.2 Снятие оперативного тока с приводов коммутационных аппаратов

3.2.1 Операции с коммутационными аппаратами, имеющими дистанционное управление, производятся при отсутствии замыкания на землю в цепях оперативного тока.

При наличии замыкания на землю в цепях оперативного тока плановые операции с выключателями не выполняются на время поиска и устранения замыкания на землю.

Операции с выключателями присоединений при наличии замыкания на землю в цепях оперативного тока допускаются только в аварийных ситуациях.

Если в аварийной ситуации возникнет необходимость выполнения операций с разъединителями, с приводов отключенных выключателей соответствующих присоединений снимается оперативный ток отключением АВ (или предохранителей) на обоих полюсах цепей управления.

3.2.2 Снятие оперативного тока с приводов коммутационных аппаратов (разъединителей, ОД, выключателей нагрузки) производится в случаях, предусмотренных правилами безопасности.

3.2.3 Для перевода присоединений с одной СШ на другую с помощью ШСВ перед проведением операций с шинными разъединителями снимается оперативный ток с привода и защит включенного ШСВ.

Оперативный ток снимается АВ (или предохранителями) на обоих полюсах цепей управления и защит (при наличии отдельных АВ или предохранителей для питания оперативных цепей защит ШСВ отключаются также эти АВ или снимаются предохранители) до проверки положения ШСВ на месте его установки.

3.2.4 Оперативный ток снимается с приводов разъединителей, имеющих дистанционное управление, если в процессе переключений необходима жесткая фиксация этих разъединителей во включенном положении.

Рекомендуется также отключать и цепи переменного тока приводов указанных разъединителей.

3.2.5 Перед подачей напряжения на линию включением разъединителей (ОД) со стороны подстанции, выполненной по упрощенной схеме, с другого конца этой линии (где имеется выключатель) снимается на это время с привода отключенного выключателя оперативный ток.

3.2.6 Перед выполнением операций с разъединителями на присоединении, отключенном выключателем, снимается оперативный ток с привода этого выключателя и принимаются меры, исключающие произвольное включение выключателя.

3.2.7 Необходимость снятия оперативного тока с привода включенного выключателя перед выполнением операции шунтирования или дешунтирования разъединителями данного выключателя определяется указаниями инструкции энергопредприятия.

3.2.8 На время проведения фазировки присоединения косвенным методом (на зажимах вторичных обмоток ТН) до подачи напряжения по фазируемой цепи снимается оперативный ток с привода отключенного выключателя, разделяющего источники напряжения.

3.3 Проверка положений коммутационных аппаратов

3.3.1 Отключение и включение разъединителей присоединения, имеющего в своей цепи выключатель, выполняется после проверки отключенного положения выключателя на месте его установки.

3.3.2 На подстанциях с упрощенными схемами перед выполнением операций с разъединителями или ОД на стороне высшего напряжения трансформатора проверяется отключенное положение выключателей трансформатора со стороны среднего и низшего напряжений на месте установки выключателей.

3.3.3 В КРУ выкатного исполнения перемещение тележки выключателя из рабочего в контрольное положение и наоборот следует выполнять после проверки отключенного положения выключателя.

3.3.4 Проверка положения выключателя на месте установки осуществляется пофазно по:

- механическому указателю, имеющемуся на выключателе;

- положению рабочих контактов у выключателей с видимым разрывом цепи тока;

- показаниям манометров у воздушных выключателей.

3.3.5 Проверка положений выключателей по сигнальным лампам ключей управления и показаниям измерительных приборов (амперметров, вольтметров) допускается при:

- отключении присоединения только выключателем (без последующего проведения операций с разъединителями);

- отключении присоединения выключателем и проведении операций с разъединителями с помощью дистанционного привода;

- включении присоединения под нагрузку;

- подаче и снятии напряжения с шин.

3.3.6 После каждой проведенной операции включения или отключения разъединителей, ОД, выключателей нагрузки, а также стационарных ЗН их действительное положение проверяется визуально. При этом каждая фаза коммутационного аппарата и ЗН проверяются отдельно независимо от фактического положения аппаратов других фаз (положения других ЗН) и наличия механических связей между ними.

3.4 Действия с оперативной блокировкой

3.4.1 Оперативная блокировка рассматривается как дополнительное средство, предотвращающее выполнение ошибочных операций с коммутационными аппаратами и ЗН в процессе всех переключений в электроустановках.

Блокировка разъединителей с выключателем предотвращает ошибочные операции включения и отключения разъединителей под нагрузкой при включенном положении выключателя.

Блокировка заземляющих ножей предотвращает ошибочные операции:

- включения ЗН на шины и участки присоединений, находящиеся под напряжением;

- включения находящихся под напряжением разъединителей на секции, системы сборных шин, участки присоединений, заземленные с помощью ЗН;

- подачи напряжения выключателем на заземленные с помощью ЗН участки шин;

- возбуждения генератора при включенных ЗН.

3.4.2 Для шинных разъединителей и ЗН сборных шин выполняется полная оперативная блокировка, предотвращающая включение ЗН на сборные шины при включенных шинных разъединителях (хотя бы одном шинном разъединителе) и включение любого из шинных разъединителей при включенных ЗН сборных шин.

В электроустановках, где блокировка выполнена не в полном объеме (ЗН сборных шин имеют блокировку только с разъединителями трансформатора напряжения и не имеют блокировочных устройств с шинными разъединителями всех присоединений данной СШ), приводы ЗН сборных шин запираются висячими замками, ключи от которых находятся у оперативного персонала, обслуживающего электроустановку. В этом случае при выводе СШ в ремонт включение ЗН на шины, а также операции с шинными разъединителями выведенных в ремонт присоединений выполняются только после тщательной проверки схемы электрических соединений в натуре.

3.4.3 У линейных разъединителей приводы ЗН в сторону линии имеют только механическую блокировку с приводом главных ножей, что не исключает возможности подачи на включенные ЗН напряжения с противоположной стороны линии. Для предотвращения ошибочных действий оперативного персонала диспетчер, координирующий выполнение операций с обеих сторон линии, сообщает оперативному персоналу о положении главных и заземляющих ножей линейных разъединителей на противоположной стороне линии каждый раз перед подачей напряжения на линию и заземлении ее при выводе в ремонт.

3.4.4 Во время переключений в электроустановках все устройства оперативной блокировки находятся в работе.

Блокировочные замки, находящиеся в эксплуатации, пломбируются.

3.4.5 В том случае когда блокировка не разрешает выполнение какой-либо операции, переключения прекращаются и проверяется:

- правильно ли выбраны присоединение и коммутационный аппарат;

- положение других коммутационных аппаратов, операции с которыми предшествовали выполняемой операции;

- наличие напряжения в цепях блокировки и исправность электромагнитного ключа;

- исправность (проверяется визуально) механической части привода коммутационного аппарата.

Если такой проверкой не будет установлена причина, вследствие которой блокировка запрещает выполнение операции, об этом сообщается оперативному руководителю, отдавшему распоряжение о переключении.

3.4.6 Оперативно-диспетчерскому персоналу, непосредственно выполняющему переключения, самовольно выводить из работы блокировки безопасности не допускается.

Деблокирование разрешается только после проверки на месте отключенного положения выключателя и выяснения причины отказа блокировки по разрешению и под руководством лиц, уполномоченных на это указанием по энергообъекту. В этом случае в бланк переключений вносится операция по деблокированию. Если возникает необходимость деблокирования, а операции выполнялись без бланка переключений, составляется бланк переключений с внесением в него операций по деблокированию.

В аварийных ситуациях разрешение на деблокирование дает оперативный руководитель в смене энергопредприятия (электростанции, электрической сети).

3.4.7 В электроустановках напряжением выше 1000 В разрешается пользоваться деблокировочным ключом для открытия дверей сетчатых ограждений ячеек при работах с токоизмерительными клещами, фазировке оборудования прямым методом и определении степени нагрева контактов с помощью изолирующих штанг. Указанные работы выполняются в соответствии с требованиями правил безопасности. На деблокирование дверей сетчатых ограждений разрешение выдается оперативным руководителем.

3.4.8 Обо всех случаях деблокирования блокировочных устройств производится запись в оперативном журнале.

3.5 Последовательность операций с коммутационными аппаратами присоединений линий, трансформаторов, синхронных компенсаторов и генераторов

3.5.1 Операции с коммутационными аппаратами выполняются в последовательности, определяемой назначением этих аппаратов и безопасностью для лиц, выполняющих переключения.

В инструкциях энергопредприятия указываются проверочные действия, которые выполняются персоналом в процессе переключений.

Далее приводится последовательность операций с коммутационными аппаратами при переключениях в схемах электроустановок, выполненных в основном по типовым проектным решениям. Во всех других случаях последовательность операций определяется инструкциями энергопредприятия.

3.5.2 Последовательность типовых операций с коммутационными аппаратами при включении и отключении присоединений воздушных и кабельных линий:

Включение (рисунок 1):

1 - шинный разъединитель;
2 - линейный разъединитель;
3 - выключатель

Рисунок 1 - Присоединение линии 10 кВ

а) проверяется отключенное положение выключателя;

б) включается шинный разъединитель;

в) включается линейный разъединитель;

г) включается выключатель.

Отключение:

а) отключается выключатель;

б) отключается линейный разъединитель;

в) отключается шинный разъединитель.

Примечание - В РУ 6 - 35 кВ закрытого типа в зависимости от конструкции РУ допускается после отключения выключателя присоединения линии сначала отключать шинный, а потом линейный разъединитель; при включении линии - первыми включать линейный, а затем шинный разъединитель. Последовательность операций указывается в инструкции энергопредприятия.

3.5.3 Последовательность операций в КРУ с выкатными элементами при включении присоединений воздушных и кабельных линий:

Включение:

а) проверяется, отключен ли выключатель;

б) перемещается тележка выключателя из контрольного в рабочее положение;

в) включается выключатель.

Отключение:

а) отключается выключатель;

б) проверяется, отключен ли выключатель;

в) перемещается тележка с выключателем в контрольное или ремонтное положение.

Примечание - При отключении линий для производства работ вне КРУ (на линии) тележка с выключателем, как правило, выкатывается из шкафа (ремонтное положение). При наличии блокировки между заземляющими ножами и тележкой с выключателем допускается устанавливать тележку в контрольное положение после включения ЗН на линии. При отсутствии блокировки, а также если шкафы КРУ не оснащены стационарными ЗН, допускается устанавливать тележку в промежуточное между контрольным и ремонтным положение и запирать ее на замок в этом положении.

3.5.4 Последовательность операций при включении и отключении трехобмоточного трансформатора (автотрансформатора):

Включение:

а) включаются шинные и трансформаторные разъединители высшего напряжения;

б) включаются шинные и трансформаторные разъединители среднего напряжения;

в) включаются шинные и трансформаторные разъединители низшего напряжения;

г) включаются выключатели со стороны высшего, среднего и низшего напряжений трансформатора.

Для некоторых типов автотрансформаторов, имеющих недостаточную динамическую устойчивость при КЗ на стороне высшего напряжения, рекомендуется такая последовательность включения их выключателей: включаются выключатели среднего, низшего, а затем высшего напряжений.

Отключение:

а) отключаются выключатели со стороны низшего, среднего и высшего напряжений трансформатора;

б) отключаются трансформаторные и шинные разъединители низшего напряжения;

в) отключаются трансформаторные и шинные разъединители среднего напряжения;

г) отключаются трансформаторные и шинные разъединители высшего напряжения.

3.5.5 При включении или отключении воздушным выключателем ненагруженного трансформатора с неполной изоляцией нейтрали обмотки 110 кВ предварительно заземляется нейтраль, если она была разземлена, независимо от наличия защиты ее разрядником или ограничителем перенапряжений.

3.5.6 На электростанциях последовательность включения и отключения трансформаторов (АТ) связи с энергосистемой зависит от местных условий и должна выполняться в соответствии с инструкциями энергопредприятия.

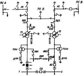
3.5.7 Последовательность операций и действий персонала при включении и отключении трансформатора Т1 на двухтрансформаторной подстанции, выполненной по упрощенной схеме:

Включение трансформатора Т1 (рисунок 2):

а) переключается АРКТ трансформатора Т1 на дистанционное управление;

б) дистанционно переводится РПН трансформатора Т1 в положение, соответствующее режиму его номинального возбуждения;

в) проверяется отключенное положение выключателя В1;

г) перемещается тележка выключателя В1 в контрольное положение; соединяются штепсельные разъемы цепей вторичной коммутации;

- выключатель включен;  - выключатель отключен;
 - разъединитель включен;  - разъединитель отключен;
 - ОД включен;  - ОД отключен;  - АВ включен;
 - АВ отключен;  - короткозамыкатель отключен;
 - ЗН включены;  - ЗН отключены;
 - выключатель КРУ отключен и перемещен в ремонтное положение

Рисунок 2 - Участок сети 110 кВ с проходной
двухтрансформаторной подстанцией,
выполненной по упрощенной схеме

Примечание - Далее в схемах приняты такие же условные графические обозначения положений коммутационных аппаратов.

д) проверяется, отключен ли разъединитель дугогасящего реактора ДГР1;

е) проверяется, отключен ли короткозамыкатель КЗ1;

ж) включается разъединитель в нейтрали трансформатора Т1;

з) включается отделитель ОД1;

и) проверяется полнофазность включения трансформатора Т1 под напряжение и отключается заземляющий разъединитель в его нейтрали;

к) переключается АРКТ работающего трансформатора Т2 с автоматического на дистанционное управление;

л) дистанционно переводится РПН трансформатора Т1 в положение, одинаковое с положением РПН трансформатора Т2;

м) перемещается тележка с отключенным выключателем В1 трансформатора Т1 в рабочее положение;

н) включается выключатель В1 и его АПВТ;

о) отключается СВ и включается АВР СВ;

п) переключается АРКТ трансформаторов Т1 и Т2 с дистанционного на автоматическое управление;

р) восстанавливается нормальная схема питания нагрузки СН на напряжении 0,4 кВ;

с) включается разъединитель дугогасящего реактора ДГР1 (настроенного для работы в нормальном режиме компенсации емкостного тока);

т) отключается разъединитель дугогасящего реактора ДГР2, настраивается ДГР2 для работы в нормальном режиме компенсации емкостного тока, включается разъединитель дугогасящего реактора ДГР2.

Отключение трансформатора Т1:

а) переводится питание нагрузки СН с трансформатора ТСН1 на трансформатор ТСН2 и при отключенном автоматическом выключателе АВ1 отключается рубильник 0,4 кВ в сторону трансформатора ТСН1;

б) отключается разъединитель дугогасящего реактора ДГР2, настраивается ДГР2 на компенсацию емкостного тока присоединений 1-й и 2-й секций, включается разъединитель дутогасящего реактора ДГР2;

в) отключается разъединитель дугогасящего реактора ДГР1;

г) переключается АРКТ трансформаторов Т1 и Т2 с автоматического на дистанционное управление;

д) дистанционно переводится РПН трансформатора Т1 в положение, одинаковое с положением РПН трансформатора Т2;

е) отключается АВР СВ и включается СВ;

ж) отключаются АПВТ и выключатель В1 трансформатора Т1;

з) переключается АРКТ работающего трансформатора Т2 с дистанционного на автоматическое управление;

и) дистанционно переводится РПН трансформатора Т1 в положение, соответствующее режиму его номинального возбуждения;

к) перемещается тележка с отключенным выключателем В1 в контрольное или ремонтное положение в зависимости от характера намечаемых работ;

л) включается заземляющий разъединитель в нейтрали трансформатора Т1;

м) отключается отделитель ОД1 в цепи трансформатора Т1.

3.5.8 Последовательность операций и действий персонала при отключении и включении трансформатора Т1 на ответвительной двухтрансформаторной подстанции, выполненной по упрощенной схеме и подключенной к двум проходящим параллельным линиям с двусторонним питанием:

Отключение трансформатора Т1 (рисунок 3):

а) переводится на ответвительной подстанции В питание нагрузки СН с трансформатора ТСН1 на трансформатор ТСН2;

б) отключается разъединитель дугогасящего реактора ДГР2, настраивается ДГР2 на компенсацию емкостного тока присоединений 1-й и 2-й секций, включается разъединитель дугогасящего реактора ДГР2;

в) отключается разъединитель дугогасящего реактора ДГР1;

г) переключается АРКТ трансформаторов Т1 и Т2 с автоматического на дистанционное управление;

д) дистанционно переводится РПН трансформатора Т1 в положение, одинаковое с положением РПН трансформатора Т2;

Рисунок 3 - Участок сети 110 - 220 кВ с упрощенной
двухтрансформаторной подстанцией, питающейся
от двух проходящих параллельных линий
с двусторонним питанием

е) отключается АВР СВ и включается СВ;

ж) отключается АПВТ и выключатель В1 трансформатора Т1;

з) переключается АРКТ оставшегося в работе трансформатора Т2 с дистанционного на автоматическое управление;

и) перемещается тележка с отключенным выключателем В1 в ремонтное или контрольное положение в зависимости от характера намечаемых работ;

к) включается заземляющий разъединитель в нейтрали трансформатора Т1;

л) отключаются на питающих подстанциях А и Б с помощью устройств телемеханики (или дистанционно вручную) выключатели с обеих сторон линии А1 (при этом напряжение снимается с линии Л1 и одновременно отключается ток намагничивания трансформатора Т1 на подстанции В);

м) отключается на подстанции В отделитель ОД1 трансформатора Т1;

н) включаются на подстанциях А и Б с помощью устройств телемеханики (или дистанционно вручную) выключатели линии Л1.

Включение трансформатора Т1:

а) перемещается тележка с отключенным выключателем В1 в рабочее положение, соединяются штепсельные разъемы цепей вторичной коммутации;

б) проверяется, отключен ли разъединитель дугогасящего реактора ДГР1;

в) проверяется, отключен ли короткозамыкатель К31;

г) включается разъединитель в нейтрали трансформатора Т1;

д) отключаются на питающих подстанциях А и Б с помощью устройств телемеханики (или дистанционно вручную) выключатели с обеих сторон линии Л1;

е) включается на подстанции В отделитель ОД1 трансформатора Т1;

ж) включаются на питающих подстанциях А и Б с помощью устройств телемеханики (или дистанционно вручную) выключатели линии Л1;

з) отключается на подстанции В разъединитель в нейтрали трансформатора Т1 (если он был включен);

и) переключается АРКТ трансформаторов Т1 и Т2 на дистанционное управление;

к) дистанционно переводится РПН трансформатора Т1 в положение, одинаковое с положением РПН трансформатора Т2;

л) включается выключатель В1 и его АПВТ;

м) отключается СВ и включается АВР СВ;

н) переключается АРКТ трансформаторов Т1 и Т2 с дистанционного на автоматическое управление;

о) восстанавливается нормальная схема питания нагрузки СН напряжением 0,4 кВ;

п) включается разъединитель дугогасящего реактора ДГР1, настроенного для работы в нормальном режиме компенсации емкостного тока;

р) отключается разъединитель дугогасящего реактора ДГР2, настраивается ДГР2 для работы в нормальном режиме компенсации емкостного тока, включается разъединитель дугогасящего реактора ДГР2.

Примечание - В обоих случаях отключения и включения трансформатора на ответвительной подстанции операции с поперечной дифференциальной защитой параллельных линий и автоматическими устройствами на ответвительной подстанции выполняются в соответствии с требованиями инструкций энергопредприятия.

3.5.9 При автоматическом пуске синхронного компенсатора серии КСВ с машинным возбуждением после подготовки водяной, масляной и газовой систем компенсатора для работы в нормальном режиме соблюдается такая последовательность операций и действий персонала:

а) проверяется отключенное положение аппаратуры автоматики для пуска компенсатора;

б) проверяется отключенное положение пускового выключателя и включаются его разъединители;

в) проверяется положение рабочего выключателя и включаются шинные разъединители компенсатора;

г) включаются ГН компенсатора;

д) устанавливается тележка выключателя двигателя возбудителя в рабочее положение;

е) устанавливается шунтовой регулятор возбудителя в положение холостого хода;

ж) подается оперативный ток на цепи автоматики управления и ключом автоматического пуска подается импульс на включение компенсатора;

з) проверяется по устройствам сигнализации и приборам последовательность операций пуска: включение агрегата возбуждения, системы смазки и водяного охлаждения, пускового выключателя, АГП, включение рабочего выключателя после снижения пускового тока и отключения пускового выключателя;

и) включается АРВ и устройство форсировки возбуждения, если они отключались по принципу действия;

к) набирается нагрузка (скорость повышения токов статора и ротора при этом не ограничивается).

3.5.10 При останове синхронного компенсатора соблюдается такая последовательность операций и действий персонала:

а) полностью снимается нагрузка компенсатора;

б) отключаются АРВ и устройство форсировки возбуждения, если это необходимо по принципу их действия;

в) подается импульс на отключение компенсатора ключом автоматического управления;

г) контролируется отключение рабочего выключателя, выключателя двигателя возбудителя и АГП;

д) снимается оперативный ток с цепей автоматического управления компенсатора, если последний предполагается вывести в ремонт;

е) проверяется отключенное положение пускового выключателя и отключаются его разъединители;

ж) проверяется отключенное положение рабочего выключателя и отключаются шинные разъединители компенсатора;

з) проверяется отключенное положение выключателя двигателя возбудителя и выкатывается тележка выключателя из шкафа КРУ.

3.5.11 При включении генератора в сеть способом точной синхронизации при достижении частоты вращения генератора, близкой к номинальной, соблюдается такая последовательность операций и действий персонала:

а) проверяется отключенное положение выключателя генератора и включаются его шинные разъединители на ту СШ, на которую он работает;

б) включаются разъединители и АВ (устанавливаются предохранители) ТН генератора;

в) включается колонка синхронизации и блокировка от несинхронных включений;

г) проверяется, полностью ли введен шунтовой реостат возбуждения.

Включается АГП, возбуждается генератор до напряжения, равного значению напряжения на шинах.

Примечание - При наличии тиристорного, высокочастотного или иных схем возбуждения операции по синхронизации генератора выполняются в соответствии с требованиями инструкций энергопредприятий;

д) добиваются воздействием на ключ МУТ, чтобы частота генератора превышала частоту электрической сети энергосистемы на значение скольжения, контролируемого оператором по стрелке частотомера.

Импульс на включение выключателя генератора подается при равенстве частот, напряжений и совпадений по фазе векторов напряжений включаемого генератора и электрической сети энергосистемы с опережением, учитывающим время включения выключателя.

Не допускается подача повторного импульса на включение выключателя, если при подаче первого импульса на его включение генератор не включился. С генератора снимается возбуждение, и выключатель выводится в ремонт. После устранения причины отказа в работе выключатель опробуется на включение и отключение.

3.5.12 Включение генератора в сеть методом самосинхронизации выполняется в соответствии с требованиями инструкции энергопредприятия.

3.5.13 При отключении от сети турбогенератора, который работает с турбиной, имеющей промышленный отбор пара, для предупреждения разгона турбины после разгрузки генератора по активной и реактивной нагрузкам отдается распоряжение о закрытии клапанов и главных паровых задвижек турбины. Только убедившись в полном прекращении подачи пара в турбину, отключают выключатель генератора. Затем проверяется его полнофазное отключение и отключается АГП. Учитывается, что АГП с деионными решетками (АГП1 и аналогичные ему по принципу действия) не способны отключать токи менее 10 % номинального тока автомата.

3.5.14 В случае неполнофазного отключения выключателя генератора (неотключение двух фаз) развозбуждение генератора не допускается и АГП может быть отключен только после устранения неполнофазного режима. В инструкциях энергопредприятий указывается последовательность действий персонала по ликвидации неполнофазных режимов.

3.5.15 При отключении от сети блока турбогенератор-трансформатор без генераторного выключателя соблюдается такая последовательность операций и действий персонала:

а) разгружается турбогенератор по активной и реактивной нагрузкам до значения не менее потребляемой мощности механизмами СН энергоблока;

б) переводится питание секции шин СН энергоблока на резервный источник и отключаются выключатели рабочего трансформатора СН энергоблока;

в) полностью разгружается турбогенератор по активной и реактивной нагрузкам;

г) отдается распоряжение о прекращении подачи пара в турбину и проверяется полное прекращение доступа пара в турбину;

д) отключается выключатель энергоблока на стороне высшего напряжения, убеждаются в его полнофазном отключении;

е) проверяется соответствие тока в цепи ротора требуемому (по отключающей способности АГП) значению и отключается АГП; полностью вводится шунтовой регулятор возбудителя;

ж) отключаются разъединители на стороне высшего напряжения энергоблока;

з) отключается шинный разъединитель (выкатываются тележки выключателей в шкафах КРУ) рабочего трансформатора СН энергоблока;

и) отключаются АВ (снимаются предохранители) и разъединители ТН генератора.

3.5.16 Все указания по пуску и останову турбогенераторов и гидрогенераторов в инструкциях энергопредприятий даются с указанием конкретных числовых значений параметров режима (в амперах, вольтах и т.д.).

3.6 Последовательность операций при включении и отключении линий электропередачи

3.6.1 При включении и отключении линий электропередачи, оснащенных устройствами АПВ (трехфазными или однофазными), действия с последними в зависимости от их схемы и конструкции выполняются в соответствии с указаниями инструкций энергопредприятий. В настоящей Инструкции действия с АПВ линий не рассматриваются.

3.6.2 При отключении воздушных и кабельных линий тупикового питания первым рекомендуется отключать выключатель со стороны нагрузки, вторым - со стороны питания.

Включение осуществляется в обратной последовательности.

3.6.3 При отключении линий, отходящих от электростанций, первым, как правило, отключается выключатель со стороны электростанции, вторым - выключатель со стороны энергосистемы.

Подача напряжения на линию при ее включении производится, как правило, со стороны энергосистемы.

3.6.4 Включение или отключение одной из двух спаренных линий при отключенной другой (рисунок 4) выполняется в обычном порядке, предусмотренном для включения и отключения одиночной линии.

Рисунок 4 - Схема спаренных КЛ, находящихся
в различных оперативных положениях
(линия Л1 включена, линия Л2 отключена)

3.6.5 Включение одной из спаренных КЛ, например Л2, при находящейся в работе другой (Л1) независимо от расположения линейных разъединителей каждой линии (в общей ячейке, в отдельных камерах, в ячейке, разделенной специальными перегородками) выполняется, как правило, после отключения линии, находящейся в работе.

Для этого:

а) отключается выключатель В1 работающей линии Л1 со стороны нагрузки;

б) отключается выключатель В3 спаренных линий со стороны питания;

в) включаются линейные разъединители с обеих сторон включаемой линии Л2;

г) включается выключатель В3 спаренных линий со стороны питания;

д) включаются выключатели В1 и В2 со стороны нагрузки.

3.6.6 Допускается включение или отключение одной из спаренных линий 6 - 10 кВ линейными разъединителями без отключения выключателя со стороны питания при допустимом зарядном токе линии только при наличии дистанционного управления разъединителем, а также в случае, когда линия оборудована выключателем нагрузки с дистанционным управлением.

3.6.7 Отключение одной из двух спаренных линий, когда обе линии находятся в работе, выполняется в такой последовательности:

а) отключаются выключатели обеих линий со стороны нагрузки;

б) отключается выключатель спаренных линий со стороны питания;

в) отключаются линейные разъединители с обеих сторон отключаемой линии;

г) включается выключатель спаренных линий со стороны питания;

д) включается выключатель остающейся в работе линии со стороны нагрузки.

3.6.8 Последовательность операций и действий персонала при включении и отключении транзитной линии, не имеющей выключателей на промежуточной подстанции:

Включение линии Л1 (см. рисунок 2):

На подстанции А:

а) включается линейный разъединитель, а затем выключатель линии Л1 (линия Л1 опробуется напряжением);

б) проверяется наличие напряжения на всех фазах ввода линии Л1;

в) отключается выключатель линии Л1, проверяется его положение и снимается оперативный ток с привода выключателя.

В случае управления выключателями подстанции А по каналам ТУ и включения линии одной ОВБ после опробования линии напряжением оперативный ток с привода отключенного выключателя допускается не отключать.

На подстанции Б:

а) убеждаются в отсутствии напряжения на вводе линии Л1;

б) включается линейный разъединитель линии Л1 - на линию Л1 подается напряжение. Эта операция проводится в порядке, указанном в п. 3.1.10 настоящей Инструкции.

На подстанции А подается оперативный ток на привод выключателя и включается выключатель линии Л1.

Отключение линии Л1:

На подстанции А отключаются выключатель и линейный разъединитель линии Л1.

На подстанции Б отключается линейный разъединитель линии Л1.

3.6.9 Последовательность операций при включении и отключении транзитной линии:

Включение линии Л1 (рисунок 5):

Рисунок 5 - Транзитная линия 110 кВ
в отключенном положении

На подстанции А:

а) отключаются ЗН развилки шинных разъединителей линии Л1;

б) отключаются ЗН линии Л1.

На подстанции Б:

а) отключаются ЗН развилки шинных разъединителей линии Л1;

б) отключаются ЗН линии Л1;

в) включается шинный разъединитель линии Л1 на соответствующую СШ;

г) включается линейный разъединитель линии Л1.

На подстанции А:

а) включается шинный разъединитель линии Л1 на соответствующую СШ;

б) включается линейный разъединитель линии Л1;

в) включается выключатель линии Л1.

На подстанции Б включается выключатель линии Л1.

Отключение линии Л1:

На подстанции А отключается выключатель линии Л1.

На подстанции Б:

а) отключается выключатель линии Л1;

б) отключается линейный разъединитель линии Л1;

в) отключается шинный разъединитель линии Л1.

На подстанции А:

а) отключается линейный разъединитель линии Л1;

б) убеждаются в отсутствии напряжения на вводе линии Л1;

в) включается заземляющий разъединитель в сторону линии Л1;

г) отключается шинный разъединитель линии Л1;

д) убеждаются в отсутствии напряжения на развилке шинных разъединителей линии Л1;

е) включается заземляющий разъединитель в сторону выключателя линии Л1.

На подстанции Б:

а) убеждаются в отсутствии напряжения на вводе линии Л1;

б) включается заземляющий разъединитель в сторону линии Л1;

в) убеждаются в отсутствии напряжения на развилке шинных разъединителей линии Л1;

г) включается заземляющий разъединитель в сторону выключателя линии Л1.

3.6.10 Порядок включения и отключения транзитных линий 110 - 220 кВ и линий межсистемных электропередач 330 кВ и выше устанавливается диспетчерскими службами энергосистем, ОДУ (ЦДУ) и указывается в инструкциях энергопредприятий соответствующей ступени диспетчерского управления.

Диспетчер при включении и отключении транзитных линий и линий межсистемных электропередач руководствуется указаниями инструкции энергопредприятия и учитывает фактическое состояние схемы сетей и условия работы электростанций в данный момент, надежность питания отдельных подстанций и участков сети в случае подачи от них напряжения на линию, наличие быстродействующих защит на линии и другие условия.

При включении и отключении линий межсистемных электропередач, как правило, предварительно выполняются режимные мероприятия: регулирование перетоков мощности по линиям, отключение (или включение) устройств ПА (разгрузки электростанции, автоматического ограничения перегрузки линии и др.), а также изменение уставок срабатывания автоматических устройств.

4 ПЕРЕКЛЮЧЕНИЯ ПРИ ПЕРЕВОДЕ ПРИСОЕДИНЕНИЙ С ОДНОЙ СШ НА ДРУГУЮ

4.1 При переводе присоединений с одной СШ на другую необходимость и последовательность операций с защитой шин и устройствами резервирования при отказе выключателей определяются указаниями инструкций энергопредприятий.

4.2 При переводе присоединений с одной СШ на другую и необходимости проверки синхронности напряжений в электроустановках, где нет приборов контроля синхронизма, синхронность напряжений СШ и переводимых присоединений подтверждается диспетчером, отдающим распоряжение о переводе.

4.3 Последовательность операций и действий персонала при переводе всех присоединений, находящихся в работе, с рабочей СШ на резервную с помощью ШСВ:

а) убеждаются в отсутствии напряжения на резервной СШ, а также в отсутствии включенных ЗН и наложенных переносных заземлений;

б) проверяются уставки на защитах ШСВ (они должны соответствовать уставкам, указанным в инструкции энергопредприятия для режима «Опробование») и включаются защиты с действием на отключение ШСВ;

в) включается ШСВ и проверяется наличие напряжения на резервной СШ;

г) снимается оперативный ток с привода и защит ШСВ;

д) отключается АПВ шин (если оно предусмотрено);

е) проверяется на месте установки, включен ли ШСВ;

ж) включаются шинные разъединители всех переводимых присоединений на резервную СШ и проверяется включенное положение разъединителей;

з) отключаются шинные разъединители всех переводимых присоединений от освобождаемой СШ и проверяется отключенное положение разъединителей;

и) переключается питание цепей напряжения защит, автоматики и измерительных приборов на соответствующий ТН, если питание цепей не переключается автоматически;

к) подается оперативный ток на привод и защиты ШСВ;

л) убеждаются по амперметру в отсутствии нагрузки на ШСВ, отключаются ШСВ;

м) убеждаются в отсутствии напряжения на освобожденной СШ;

н) включается АПВ шин.

Примечания

1 Здесь и далее для открытых РУ с большим числом присоединений, шинные разъединители которых имеют электродвигательные приводы с дистанционным управлением, допускается перевод присоединений с одной СШ на другую поочередно, по отдельным присоединениям. После перевода производится визуальная проверка положений шинных разъединителей переведенных присоединений на месте их установки.

2 Последовательность переключений при выводе в резерв СШ в электроустановках с воздушными выключателями и ТН серии НКФ, где возможно возникновение феррорезонанса, указывается в инструкциях энергопредприятий.

4.4 Перевод присоединений с одной СШ на другую без ШСВ допускается при условии, когда резервная СШ не включена под напряжение и на нее переводятся все находящиеся в работе присоединения.

Последовательность операций и действий персонала при переводе присоединений:

а) проверяется наружным осмотром готовность резервной СШ к включению под напряжение;

б) убеждаются в отсутствии напряжения на резервной СШ;

в) отключается АПВ шин (если оно предусмотрено);

г) включается шинный разъединитель присоединения, находящегося в работе и выбранного исходя из местных условий, на резервную СШ;

д) включаются шинные разъединители всех остальных присоединений на резервную СШ и проверяется положение разъединителей;

е) переключается питание цепей напряжения защит, автоматики и измерительных приборов на соответствующий ТН, если питание не переключается автоматически;

ж) отключаются шинные разъединители всех переводимых присоединений от освобождаемой СШ и проверяется положение разъединителей;

з) убеждаются по щитовым вольтметрам в отсутствии напряжения на освобожденной СШ;

и) включается АПВ шин.

Примечание - Наряду с наружным осмотром резервная СШ в случае необходимости опробуется напряжением, подаваемым от смежной подстанции по одной из линий, которая предварительно переключается (с отключением) на опробуемую СШ.

Примечание - Непосредственно перед опробованием резервной СШ напряжением отключается ДЗШ или выводятся токовые цепи ТТ линии, по которой будет подаваться напряжение на шины, из схемы ДЗШ, а на смежной подстанции вводится ускорение резервных защит.

4.5 Последовательность операций и действий персонала при переводе всех присоединений, находящихся в работе, с одной СШ на другую с помощью ШСВ в электроустановках с фиксированным распределением присоединений по СШ:

а) включается ШСВ (если он был отключен);

б) переводятся УРОВ и защита шин в режим работы с нарушением фиксации;

в) снимается оперативный ток с привода и защит ШСВ;

г) отключается АПВ шин (если оно предусмотрено);

д) проверяется на месте, включен ли ШСВ;

е) включаются шинные разъединители всех переводимых присоединений на ту СШ, которая остается в работе, и проверяется положение разъединителей;

ж) отключаются шинные разъединители всех переводимых присоединений от освобождаемой СШ и проверяется положение разъединителей;

з) переключается питание цепей напряжения защит, автоматики и измерительных приборов на ТН той СШ, которая остается в работе, если питание не переключается автоматически;

и) подается оперативный ток на привод и защиты ШСВ;

к) убеждаются по амперметру в отсутствии нагрузки на ШСВ и отключают его;

л) убеждаются по вольтметрам в отсутствии напряжения на освобожденной СШ.

4.6 Перевод части (двух-трех) присоединений с одной СШ на другую в электроустановках с фиксированным распределением присоединений допускается выполнять поочередно, по отдельным присоединениям. При этом перед каждой операцией отключения шинных разъединителей проверяется, включены ли шинные разъединители присоединения на другую СШ. После выполнения операции включения или отключения шинных разъединителей визуально проверяется их положение.

4.7 Переключение части присоединений с одной СШ на другую без ШСВ при раздельной работе СШ возможно только с предварительным отключением переключаемых присоединений. При переключениях генераторов производится их синхронизация. Синхронность напряжений проверяется при переключении присоединений, на которых после их отключения возможно появление несинхронных напряжений.

Последовательность операций и действий персонала при переключении присоединения с одной СШ на другую без ШСВ:

а) проверяется допустимость режима, который установится после отключения присоединения для переключения его на другую СШ;

б) отключается выключатель присоединения;

в) отключается АПВ шин;

г) проверяется на месте, отключен ли выключатель переключаемого присоединения;

д) отключается шинный разъединитель переключаемого присоединения и проверяется отключенное положение разъединителя;

е) включается шинный разъединитель переключаемого присоединения на ту СШ, на которую оно переводится; проверяется включенное положение разъединителя;

ж) выполняются в соответствии с указаниями инструкции энергопредприятия необходимые операции с устройствами РЗА, измерительными приборами;

з) производится синхронизация, если она требуется, и включается выключатель присоединения, проверяется по амперметру наличие нагрузки;

и) при необходимости отключаются и приводятся в соответствие со схемой первичных соединений защита шин и УРОВ, защита шин проверяется током нагрузки и включается в работу, включаются УРОВ и АПВ шин.

4.8 Последовательность операций и действий персонала при переводе части или всех присоединений с одной СШ на другую без ШСВ в электроустановках, где часть присоединений имеет по два выключателя на цепь (рисунок 6) и имеется присоединение с дистанционным управлением шинными разъединителями1:

Рисунок 6 - Схема электроустановки 220 кВ
с двумя раздельно работающими СШ
и частью присоединений с двумя выключателями
на цепь перед выполнением операций по переводу
присоединений с одной СШ на другую

а) включаются вторые выключатели двух-трех присоединений, имеющих по два выключателя на цепь;

б) переводится защита шин в режим работы «с нарушением фиксации»;

в) отключается АПВ шин;

г) включаются дистанционно со щита управления шинные разъединители базисного присоединения на обе СШ;

д) снимается оперативный ток с приводов шинных разъединителей I и II СШ базисного присоединения; проверяется включенное положение шинных разъединителей на месте их установки;

е) включаются дистанционно или вручную разъединители переводимых присоединений на другую СШ и проверяется включенное положение разъединителей;

ж) отключаются шинные разъединители переводимых присоединений от той СШ, на которую они были включены до переключения; проверяется положение разъединителей;

з) проверяется наличие напряжения на устройствах РЗА переведенных присоединений (или переключаются цепи напряжения на соответствующий ТН в случае их ручного переключения);

и) подается оперативный ток на приводы шинных разъединителей I и II СШ базисного присоединения;

к) отключаются дистанционно со щита управления шинные разъединители обеих СШ базисного присоединения;

л) отключаются согласно принятой фиксации вторые выключатели присоединений, имеющих по два выключателя на цепь;

м) отключается устройство резервирования при отказе выключателей и защита шин, если новая фиксация присоединений по шинам предусматривается на длительное время;

н) переключаются токовые и оперативные цепи переведенных присоединений на соответствующие комплекты защиты шин (если с одной СШ на другую переводилась часть присоединений), производится переключение цепей УРОВ. Проверяется защита шин током нагрузки и включается в работу по нормальной схеме. Включаются УРОВ и АПВ шин.

___________

1 Присоединение, шинные разъединители которого оборудованы приводами с дистанционным управлением, в дальнейшем именуется базисным. Наиболее часто в качестве базисного используется присоединение ОВ.

4.9 В электроустановках с одной секционированной и резервной СШ перевод присоединений с одной секции шин на другую при замкнутой реакторной связи между секциями выполняется переключением присоединений с секции на резервную СШ, которая затем соединяется с помощью ШСВ с другой секцией шин.

Последовательность операций и действий персонала при переводе линии Л1, питающейся от 1-й секции шин (рисунок 7), на питание от 2-й секции шин:

а) убеждаются в отсутствии напряжения на резервной СШ;

б) проверяется, включены ли защиты ШСВ 1-й секции с уставками согласно инструкции энергопредприятия,

в) включается ШСВ 1-й секции и проверяется по вольтметрам наличие напряжения на резервной СШ;

Рисунок 7 - Схема электроустановки 10 кВ
с включенной реакторной связью между секциями
перед выполнением операций по переводу линии Л1
с 1-й секции шин на 2-ю

г) вводится резервная СШ в зону действия ДЗШ 1-й секции;

д) снимается оперативный ток с привода и защит ШСВ 1-й секции;

е) проверяется на месте включенное положение ШСВ 1-й секции;

ж) включается шинный разъединитель переводимой линии Л1 на резервную СШ и проверяется положение разъединителя;

з) отключается шинный разъединитель линии Л1 от 1-й секции шин и проверяется положение разъединителя;

и) переводятся цепи напряжения защит, автоматики и измерительных приборов линии Л1 на питание от ТН резервной СШ;

к) включается ШСВ 2-й секции; проверяется по приборам наличие нагрузки на выключателе;

л) вводится резервная СШ в зону действия ДЗШ 2-й секции;

м) снимается оперативный ток с привода и защит ШСВ 2-й секции;

н) подается оперативный ток на привод и защиты ШСВ 1-й секции;

о) отключается ШСВ 1-й секции и по приборам убеждаются в отсутствии на нем нагрузки;

п) отключается ДЗШ, выводится резервная СШ из зоны действия ДЗШ 1-й секции; переводятся цепи линии Л1 в комплект ДЗШ 2-й секции, ДЗШ проверяется под нагрузкой и включается в работу.

4.10 Последовательность операций и действий персонала при переводе всех присоединений с одной из секций шин (например, со 2-й секции шин) на резервную СШ без ШСВ (ШСВ 2-й секции находится в ремонте) с сохранением в работе межсекционной реакторной связи в схемах, имеющих секционный реактор с двумя развилками шинных разъединителей (рисунок 8):

Рисунок 8 - Схема электроустановки 10 кВ к началу
выполнения операций по переводу всех присоединений
со 2-й секции на резервную СШ без ШСВ с сохранением
в работе межсекционной реакторной связи

а) убеждаются в отсутствии напряжения на резервной СШ;

б) проверяется, включены ли защиты на ШСВ 1-й секции с уставками согласно инструкции энергопредприятия;

в) включается ШСВ 1-й секции (резервная СШ опробуется напряжением от 1-й секции шин);

г) отключается ШСВ 1-й секции и проверяется, что напряжение на резервной СШ отсутствует;

д) включается шинный разъединитель СВ со стороны 2-й секции шин на резервную СШ и проверяется включенное положение разъединителя;

е) включаются шинные разъединители всех работающих присоединений 2-й секции шин на резервную СШ и проверяется положение разъединителей;

ж) отключаются шинные разъединители всех работающих присоединений от 2-й секции шин, кроме шинных разъединителей СВ, проверяется отключенное положение разъединителей;

з) переводятся цепи напряжения защит, автоматики и измерительных приборов, питающихся от ТН 2-й секции шин, на питание от ТН резервной СШ;

и) отключается шинный разъединитель СВ от 2-й секции шин, проверяется отключенное положение разъединителя;

к) убеждаются по вольтметрам в отсутствии напряжения на 2-й секции шин.

4.11 Не допускаются в схемах электроустановок, где секции шин нормально замкнуты через межсекционный реактор, шунтирование и расшунтирование межсекционного реактора развилками шинных разъединителей присоединений. Эти операции рассматриваются как операции, проводимые под нагрузкой.

5 ПЕРЕКЛЮЧЕНИЯ ПРИ ВЫВОДЕ ОБОРУДОВАНИЯ В РЕМОНТ И ПРИ ВВОДЕ ЕГО В РАБОТУ ПОСЛЕ РЕМОНТА

5.1 Последовательность операций и проверочных действий оперативного персонала при выводе в ремонт СШ, находящейся в состоянии резерва (ШСВ отключен):

а) вывешивается на ключе управления ШСВ плакат «Не включать - работают люди»;

б) проверяется на месте, что ШСВ отключен, отключается его шинный разъединитель резервной СШ и проверяется его отключенное положение.

При необходимости отключается шинный разъединитель рабочей СШ ШСВ и проверяется его отключенное положение;

в) снимаются предохранители (или отключаются АВ) со стороны низшего напряжения ТН резервной СШ, запирается шкаф, где установлены предохранители (АВ), и вывешивается плакат «Не включать - работают люди»;

г) отключается шинный разъединитель ТН резервной СШ и проверяется положение разъединителя;

д) проверяется, отключены ли шинные разъединители всех присоединений от выводимой в ремонт СШ и запираются приводы разъединителей на замок. На приводах отключенных разъединителей вывешиваются плакаты «Не включать - работают люди»;

е) убеждаются в отсутствии напряжения на токоведущих частях, где должны быть наложены заземления. Включаются ЗН или накладываются переносные заземления там, где нет стационарных ЗН;

ж) выполняются другие технические мероприятия, обеспечивающие безопасное производство работ (установка ограждений, вывешивание соответствующих плакатов на рабочем месте).

5.2 Перед вводом в работу СШ после ремонта оперативный персонал осматривает место работ, проверяет, в каком положении находятся (оставлены ремонтным персоналом) шинные разъединители присоединений после ремонта; убеждается в отсутствии людей, а также посторонних предметов на оборудовании.

Последовательность операций и действий персонала при вводе в работу СШ:

а) отключаются ЗН и проверяется их отключенное положение (снимаются переносные заземления и размещаются в местах хранения);

б) проверяется сопротивление изоляции шин мегаомметром (если в этом есть необходимость);

в) снимаются замки с приводов шинных разъединителей, снимаются временные ограждения и плакаты, вывешенные на месте работ. Устанавливаются постоянные ограждения, если они снимались. Снимаются плакаты с ключей управления и приводов коммутационных аппаратов, вывешенные до начала работ;

г) включается разъединитель ТН вводимой в работу СШ и устанавливаются предохранители (включаются АВ) со стороны низшего напряжения;

д) проверяется отключенное положение ШСВ и включаются разъединители ШСВ;

е) проверяются уставки на защитах ШСВ и включаются защиты. Подается оперативный ток на привод ШСВ, если он был отключен;

ж) включается ШСВ и проверяется, имеется ли напряжение на опробуемой СШ;

з) восстанавливается нормальная схема электроустановки.

5.3 Последовательность операций и действий персонала при выводе в ремонт секции КРУ СН электростанции:

а) отключаются все рубильники и АВ со стороны низшего напряжения трансформаторов, питающиеся от выводимой в ремонт секции КРУ. Проверяется их положение. На рубильниках и АВ вывешиваются плакаты «Не включать - работают люди»;

б) отключаются выключатели присоединений, питающихся от данной секции. На ключах управления вывешиваются плакаты «Не включать - работают люди»;

в) отключается АВР секции;

г) отключаются выключатели рабочего источника (трансформатора или линии), питающего секцию; на ключах управления выключателей вывешиваются плакаты «Не включать - работают люди»; проверяется, что отключено питание электромагнитов включения выключателей;

д) проверяется отключенное положение выключателей и перемещаются в ремонтное положение тележки выключателей всех присоединений, по которым возможна подача напряжения к месту работ (рабочего и резервного источников питания, СВ и др.);

е) перемещается в ремонтное положение тележка разъединителя присоединения СВ и на дверцах ячейки вывешивается плакат «Не включать - работают люди»;

ж) перемещается в ремонтное положение тележка ТН и на дверцах ячейки вывешивается плакат «Не включать - работают люди». При стационарном исполнении ТН отключается предохранителями (рубильниками, АВ) со стороны низшего напряжения и разъединителями со стороны высшего напряжения;

з) запираются на замок дверцы шкафов выключателей и автоматические шторки отсеков в шкафах присоединений рабочего и резервного источников питания, а также тех присоединений, в шкафах которых разъединяющие контакты могут оказаться под напряжением. На дверцах ячеек вывешиваются плакаты «Стой - высокое напряжение».

Ключи от замков дежурный держит у себя и во время производства работ никому их не выдает.

Наложение заземлений, ограждение места работ и вывешивание плакатов производятся в зависимости от заданных условий работ в соответствии с требованиями правил безопасности.

5.4 Перед вводом в работу секции КРУ после ремонта оперативный персонал осматривает место работ, убеждается в отсутствии людей, а также посторонних предметов на оборудовании.

Последовательность операций и действий персонала при вводе в работу секции КРУ:

а) отключаются ЗН, снимаются переносные заземления и размещаются в местах хранения;

б) проверяется сопротивление изоляции шин мегаомметром, если это необходимо;

в) удаляются временные ограждения рабочих мест и плакаты. Устанавливается постоянное ограждение (если оно снималось). Снимаются плакаты с ячеек и ключей управления коммутационных аппаратов;

г) проверяется, что отключено питание электромагнитов включения выключателей;

д) при отключенном положении коммутационного аппарата перемещаются в рабочее положение:

1) тележка-разъединитель присоединения СВ;

2) тележка СВ;

3) тележки выключателей всех вводимых в работу присоединений и резервного источника питания;

е) перемещается в рабочее положение тележка ТН (или при стационарном исполнении включаются разъединители и устанавливаются предохранители со стороны низшего напряжения ТН).

В рабочем положении тележек проверяется правильность их фиксации в корпусах шкафов и надежность установки штепсельных разъемов цепей вторичной коммутации;

ж) снимаются плакаты с ключей управления выключателями и включается выключатель рабочего источника, питающего секцию; проверяется по приборам наличие напряжения на шинах секции;

з) включается АВР секции;

и) включаются выключатели присоединений, питающихся от данной секции шин.

5.5 Из-за недостаточной обозреваемости оборудования и разъемных контактных соединений в шкафах КРУ персонал при выполнении операций с аппаратами и подготовке рабочих мест контролирует работу блокировочных устройств КРУ. При обнаружении каких-либо неисправностей в работе блокировочных устройств он действует согласно п. 3.4.5 настоящей Инструкции.

Не допускаются самовольное деблокирование аппаратов, отвинчивание съемных деталей шкафов, открывание автоматических шторок, закрывающих части установки, находящихся под напряжением.

5.6 Последовательность операций и действий персонала при выводе в ремонт трансформатора 6/0,4 кВ СН электростанции:

а) отключается защита минимального напряжения выводимого в ремонт трансформатора;

б) отключается АВР резервного трансформатора (резервного источника питания);

в) включаются выключатель 6 кВ и АВ резервного источника питания секций СН 0,4 кВ и проверяется по приборам наличие нагрузки на резервном источнике питания;

г) отключаются АВ 0,4 кВ выводимого в ремонт трансформатора и вывешиваются плакаты «Не включать - работают люди»;

д) отключается выключатель на стороне 6 кВ трансформатора и на ключе управления вывешивается плакат «Не включать - работают люди»;

е) проверяется положение АВ 0,4 кВ трансформатора, отключаются рубильники и запираются на замок их приводы, вывешиваются плакаты «Не включать - работают люди»;

ж) проверяется положение выключателя 6 кВ трансформатора и перемещается тележка выключателя в ремонтное положение; запираются на замок дверцы шкафа и вывешивается плакат «Не включать - работают люди»;

з) убеждаются в отсутствии напряжения и устанавливают заземления на выводах трансформатора со стороны высшего и низшего напряжений; ограждается рабочее место и вывешиваются плакаты в соответствии с требованиями правил безопасности.

5.7 Включение в работу после ремонта трансформатора напряжением 6/0,4 кВ СН электростанции производится по окончании работ и осмотра персоналом места работ.

Последовательность операций и действий персонала при вводе в работу трансформатора:

а) снимаются все установленные на присоединении трансформатора заземления, переносные заземления размещаются в местах хранения;

б) удаляются временные ограждения и плакаты; устанавливаются постоянные ограждения; снимаются плакаты с приводов и ключей управления коммутационных аппаратов;

в) проверяется отключенное положение выключателя трансформатора со стороны 6 кВ и перемещается в рабочее положение тележка выключателя.

В рабочем положении тележки проверяется правильность ее фиксации в корпусе шкафа и надежность установки штепсельных разъемов цепей вторичной коммутации;

г) проверяется отключенное положение АВ 0,4 кВ и включаются рубильники, проверяется их положение;

д) включается выключатель 6 кВ трансформатора;

е) включаются АВ 0,4 кВ трансформатора;

ж) проверяется по приборам наличие нагрузки на трансформаторе;

з) отключаются АВ и выключатель резервного источника питания;

и) включается АВР резервного источника питания;

к) включается защита минимального напряжения трансформатора.

5.8 Последовательность операций и действий персонала при выводе в ремонт трансформатора (например, Т1) на двухтрансформаторной подстанции (рисунок 9):

Рисунок 9 - Схема двухтрансформаторной подстанции
220 кВ с выключателем в перемычке и отделителями
в цепях трансформаторов в нормальном режиме работы

а) уточняется допустимое значение нагрузки на остающемся в работе трансформаторе Т2, если трансформатор Т1 будет отключен;

б) переводится питание СН подстанции с трансформатора ТСН1 на трансформатор ТСН2 (отключается автоматический выключатель АВ1, при этом должен включиться автоматический выключатель АВ 1-2);

в) отключается рубильник РБ1 трансформатора ТСН1, запирается на замок рукоятка рубильника, вывешивается плакат «Не включать - работают люди»;

г) проверяется, нет ли замыкания фазы на землю в сети 35 кВ, отключается разъединитель Р1 ДГР и включается разъединитель Р2 ДГР;

д) переключается АРКТ трансформаторов Т1 и Т2 с автоматического на дистанционное управление;

е) дистанционно переводится РПН трансформатора Т1 в положение, одинаковое с положением РПН трансформатора Т2;

ж) отключается АВР СВ 10 кВ и включается этот выключатель, проверяется наличие на нем нагрузки;

з) включается СВ 35 кВ и проверяется наличие на нем нагрузки;

и) отключаются выключатели В1 и В3 трансформатора Т1, на ключах управления вывешиваются плакаты «Не включать - работают люди»;

к) проверяется значение нагрузки на трансформаторе Т2;

л) переключается АРКТ трансформатора Т2 с дистанционного на автоматическое управление;

м) дистанционно переводится РПН трансформатора Т1 в положение, соответствующее режиму его номинального возбуждения;

н) проверяется, отключен ли выключатель В3 трансформатора Т1;

о) включается заземляющий разъединитель в нейтрали трансформатора Т1;

п) отключаются (дистанционно) отделители ОД1 трансформатора Т1, проверяется полнофазность отключения ножей ОД, запирается на замок привод отделителя и на приводе вывешивается плакат «Не включать - работают люди»;

р) проверяется, отключен ли выключатель В1 трансформатора Т1, перемещается тележка выключателя В1 в ремонтное положение, вывешивается плакат «Не включать - работают люди»;

с) отключаются газовая и технологические защиты трансформатора Т1;

т) отключается при отключенном выключателе В3 трансформаторный разъединитель РТ1, проверяется отключенное положение разъединителя, запирается на замок привод разъединителя и на приводе вывешивается плакат «Не включать - работают люди»;

у) убеждаются перед наложением заземлений на присоединении трансформатора Т1 в отсутствии напряжения на токоведущих частях и в зависимости от характера работ накладываются заземления со стороны высшего, среднего и низшего напряжений трансформатора Т1, а также на выводах трансформатора ТСН1.

Ограждение места работ и вывешивание плакатов производятся в соответствии с требованиями правил безопасности.

5.9 Последовательность операций и действий персонала при вводе в работу после ремонта трансформатора Т1 на двухтрансформаторной подстанции (см. рисунок 9):

а) производится осмотр места работ, проверяется, нет ли посторонних предметов на оборудовании;

б) снимаются все установленные на присоединениях трансформаторов Т1 и ТСН1 переносные заземления и размещаются в местах хранения;

в) удаляются временные ограждения и плакаты, вывешенные на месте работ; снимаются плакаты с приводов и ключей управления коммутационных аппаратов трансформаторов Т1 и ТСН1;

г) проверяется:

1) отключен ли короткозамыкатель К31;

2) включен ли разъединитель в нейтрали трансформатора Т1;

3) находится ли РПН трансформатора Т1 в положении, соответствующем режиму номинального возбуждения;

4) переведен ли АРКТ трансформатора Т1 на дистанционное управление;

д) перемещается тележка выключателя В1 в контрольное положение; устанавливаются штепсельные разъемы цепей вторичной коммутации;

е) включаются газовая и технологические защиты трансформатора Т1;

ж) включается отделитель ОД1 трансформатора Т1 и проверяется его полнофазное включение;

з) отключается заземляющий разъединитель в нейтрали трансформатора Т1;

и) проверяется, отключен ли выключатель В3, и включается трансформаторный разъединитель РТ1 трансформатора Т1, проверяется отключенное положение разъединителя;

к) проверяется, отключен ли выключатель В1, и вкатывается в рабочее положение тележка с выключателем;

л) переключается АРКТ работающего трансформатора Т2 с автоматического на дистанционное управление;

м) дистанционно переводится РПН трансформатора Т1 в положение, одинаковое с положением РПН трансформатора Т2;

н) включаются выключатели В3 и В1 трансформатора Т1 и проверяется нагрузка;

о) отключается СВ 35 кВ;

п) отключается СВ 10 кВ и включается АВР СВ 10 кВ;

р) переключается АРКТ трансформаторов Т1 и Т2 с дистанционного на автоматическое управление;

с) включается рубильник РБ1 трансформатора ТСН1 и восстанавливается нормальная схема питания СН подстанции;

т) проверяется, нет ли замыкания фазы на землю в сети 35 кВ, отключается разъединитель Р2 ДГР и включается разъединитель Р1 ДГР.

5.10 Последовательность операций и действий персонала1 при выводе в ремонт линии электропередачи Л1 при полуторной схеме электрических соединений с воздушными выключателями (рисунок 10):

______________

1 Все действия оперативного персонала обоих концов линии координируются диспетчером и выполняются только по его распоряжению.

а) проверяется, допустимо ли отключение по нагрузке и схеме РУ линии Л1; выполняются необходимые режимные мероприятия, в том числе операции с устройствами противоаварийной системной автоматики, переводятся цепи напряжения линии с выключателями В50, В51 с трансформатора напряжения НКФ51 на трансформатор напряжения НКФ52;

РШ - разъединитель шинный;
РЛ - разъединитель линейный

Рисунок 10 - Часть схемы электроустановки
500 кВ к началу выполнения операций
по выводу в ремонт оборудования присоединений,
включенных по полуторной схеме

б) отключаются выключатели В50 и В51, снимается оперативный ток и убеждаются в отсутствии нагрузки на линии;

в) вывешиваются на ключах управления выключателей плакаты «Не включать - работают люди»;

г) проверяется на месте отключенное положение выключателей В50 и В51;

д) отключается линейный разъединитель РВЛ1 и проверяется его отключенное положение; запирается на замок привод разъединителя; снимаются предохранители (отключаются АВ) в цепях управления привода разъединителя РВЛ1;

отключаются силовые цепи привода указанного разъединителя;

е) снимаются предохранители (отключаются рубильники, автоматические выключатели) со стороны обмоток низшего напряжения трансформатора напряжения НКФ51;

ж) запрашивается разрешение диспетчера на включение ЗН разъединителя РВЛ1 в сторону линии, проверяется отсутствие напряжения на линии Л1, включаются ЗН у разъединителей РВЛ1 в сторону линии и проверяется их включенное положение;

з) вывешивается на приводе разъединителя РВЛ1 плакат «Не включать - работают люди»;

и) снимаются плакаты «Не включать - работают люди» с ключей управления и включаются выключатели В51 и В50, проверяется по приборам ток нагрузки.

5.11 Последовательность операций и действий персонала при вводе в работу после ремонта линии электропередачи Л1 (см. рисунок 10):

а) проверяется, допустимо ли проведение операций по включению линии Л1, выполняются необходимые режимные мероприятия, в том числе операции с устройствами противоаварийной системной автоматики;

б) отключаются с разрешения диспетчера ЗН разъединителя РВЛ1 со стороны линии Л1 и проверяется их отключенное положение;

в) устанавливаются предохранители (включаются рубильники, АВ) со стороны обмоток низшего напряжения трансформатора напряжения НКФ51;

г) отключаются выключатели В50 и В51, убеждаются в отсутствии тока нагрузки;

д) вывешиваются на ключах управления выключателей плакаты «Не включать - работают люди»;

е) проверяется на месте отключенное положение выключателей В50 и В51;

ж) снимается плакат «Не включать - работают люди» с привода разъединителя РВЛ1;

з) снимается замок с привода разъединителя РВЛ1, устанавливаются предохранители (включаются АВ) в оперативных цепях привода разъединителя; подается напряжение на силовые цепи привода разъединителя; включается разъединитель РВЛ1 и проверяется его включенное положение;

и) снимаются плакаты «Не включать - работают люди» с ключей управления и включаются выключатели В51 и В50, проверяется ток нагрузки;

к) выполняются необходимые режимные мероприятия, в том числе с устройствами системной автоматики, предусмотренные диспетчерскими программами переключений.

5.12 Последовательность операций и действий персонала при выводе в ремонт автотрансформатора АТ2 при полуторной схеме электрических соединений с воздушными выключателями и электромагнитными ТН (см. рисунок 10):

а) проверяется допустимость отключения автотрансформатора АТ2 по нагрузке и схеме РУ;

б) отключаются выключатели обмоток низшего и среднего напряжений автотрансформатора АТ2; убеждаются в отсутствии тока нагрузки;

в) отключаются выключатели В50 и В52, убеждаются в отсутствии тока нагрузки;

г) вывешиваются на ключах управления выключателей плакаты «Не включать - работают люди»;

д) проверяется на месте отключенное положение выключателей низшего и среднего напряжений и отключаются разъединители со стороны низшего и среднего напряжений автотрансформатора АТ2; на приводах разъединителей вывешиваются плакаты «Не включать - работают люди»;

е) проверяется на месте, отключены ли выключатели В50 и В52;

ж) отключаются разъединители РТ50 и РТ52 и проверяется их отключенное положение;

з) отключается разъединитель РВАТ2 и проверяется его отключенное положение, запирается на замок привод разъединителя; снимаются предохранители (отключаются АВ) в оперативных цепях привода разъединителя РВАТ2; отключаются силовые цепи привода разъединителя; на приводе разъединителя вывешивается плакат «Не включать - работают люди»;

и) убеждаются в отсутствии напряжения на токоведущих частях и включаются ЗН разъединителя РВАТ2 в сторону автотрансформатора АТ2, проверяется их включенное положение;

к) снимаются плакаты «Не включать - работают люди» с ключа управления выключателя В52, деблокируется1 разъединитель РТ52 с выключателем В52;

л) включается выключатель В52 и проверяется его включенное положение на месте;

м) включается разъединитель РТ52 и проверяется его включенное положение;

н) восстанавливается блокировка разъединителя РТ52 с выключателем В52;

о) проверяется отключенное положение выключателя В50, включается разъединитель РТ50 и проверяется его включенное положение;

п) снимается плакат «Не включать - работают люди» с ключа управления и включается выключатель В50; проверяется ток нагрузки выключателей В50 и В52.

Все последующие оперативные действия по завершению вывода в ремонт автотрансформатора АТ2 выполняются обычным порядком в зависимости от характера намечаемых работ и в соответствии с требованиями правил безопасности.

____________

1 Если в РУ установлены выключатели без конденсаторов, шунтирующих контактные разрывы (масляные, элегазовые и др.), то при подключенных к узлам схемы ТН серии НКФ деблокирование разъединителей с выключателями не требуется, оперативные действия выполняются в обычной последовательности

5.13 Последовательность операций и действий персонала при вводе в работу после ремонта автотрансформатора АТ2 при подключенном к узлу схемы ТН серии НКФ (см. рисунок 10):

а) производится осмотр места работ, проверяется, нет ли посторонних предметов на оборудовании;

б) отключаются ЗН, снимаются все переносные заземления с присоединения автотрансформатора АТ2 и размещаются в местах хранения; удаляются временные ограждения и плакаты на месте работ;

в) отключается выключатель В50 и убеждаются в отсутствии тока нагрузки; на ключе управления вывешивается плакат «Не включать - работают люди»;

г) проверяется отключенное положение выключателя В50 и отключается разъединитель РТ50, проверяется отключенное положение разъединителя;

д) деблокируется разъединитель РТ52 с выключателем В52, отключается разъединитель РТ52 и проверяется его отключенное положение;

е) отключается выключатель В52, на ключе управления вывешивается плакат «Не включать - работают люди»;

ж) восстанавливается блокировка разъединителя РТ52 с выключателем В52;

з) проверяется на месте отключенное положение выключателей низшего и среднего напряжений, снимаются плакаты «Не включать - работают люди» с приводов разъединителей и включаются разъединители со стороны низшего и среднего напряжений автотрансформатора АТ2;

и) отпирается привод разъединителя РВАТ2, устанавливаются предохранители (включаются АВ) в оперативных цепях привода разъединителя; подается напряжение на силовые цепи привода разъединителя; снимаются плакаты «Не включать - работают люди» и включается разъединитель РВАТ2, проверяется включенное положение разъединителя;

к) проверяется отключенное положение выключателей В50 и В52, включаются разъединители РТ50 и РТ52, проверяется включенное положение разъединителей;

л) снимаются плакаты «Не включать - работают люди» с ключей управления и включаются выключатели В52 и В50, проверяется нагрузка на выключателях;

м) снимаются плакаты с ключей управления выключателей и включаются выключатели среднего и низшего напряжений автотрансформатора АТ2, проверяется нагрузка на выключателях.

6 СПОСОБЫ ВЫВОДА В РЕМОНТ И ВВОДА В РАБОТУ ПОСЛЕ РЕМОНТА ВЫКЛЮЧАТЕЛЕЙ

6.1 Вывод в ремонт выключателей присоединений в зависимости от схемы электроустановки может быть осуществлен при:

а) любой схеме электроустановки с одним выключателем на цепь - отключением присоединения на все время ремонта выключателя, если это допустимо по режиму работы электроустановки и сети;

б) схеме с двумя СШ и одним выключателем на цепь - заменой выключателя присоединения ШСВ;

в) схеме с двумя рабочими и обходной СШ с одним выключателем на цепь - заменой выключателя присоединения ОВ;

г) схеме с двумя выключателями на цепь, многоугольника и полуторной - отключением выводимого в ремонт выключателя присоединения и выводом его из схемы с помощью разъединителей;

д) схеме мостика с выключателем и ремонтной перемычкой на разъединителях для ремонта СВ - включением в работу перемычки, содержащей разъединители, и выводом из схемы СВ с помощью разъединителей в его цепи.

6.2 При каждом способе вывода в ремонт выключателей последовательность выполнения переключений в главной схеме и в схемах РЗА определяется инструкциями энергопредприятий.

6.3 Основные группы операций при замене выключателя присоединения ШСВ (рисунок 11):

Рисунок 11 - Схема замены выключателя
присоединения ШСВ

а) готовится схема первичных соединений к переключению: включаются защиты ШСВ с уставками согласно инструкции энергопредприятия, включаются ШСВ и присоединения, кроме присоединения, выключатель которого выводится в ремонт, переводятся на одну, например на вторую СШ; ШСВ оставляется включенным;

б) выводится из зоны действий ДЗШ СШ, на которую осталось включенным присоединение с выводимым в ремонт выключателем; поочередно выводятся из работы и переключаются устройства РЗА с ТТ выводимого в ремонт выключателя на ТТ ШСВ; защиты проверяются током нагрузки и включаются в работу.

Примечание - Перевод защит с ТТ выводимого в ремонт выключателя на ТТ ШСВ не обязателен, если защиты ШСВ могут обеспечить полноценную защиту присоединения. При этом вносятся изменения лишь в схему защиты шин и проверяются защиты током нагрузки;

в) отключаются и заземляются в соответствии с требованиями правил безопасности присоединение и выводимый в ремонт выключатель; отсоединяются соединяющие шины от выводимого в ремонт выключателя (иногда и от линейных разъединителей присоединения); устанавливаются вместо выведенного из схемы выключателя специальные перемычки из провода соответствующего сечения;

г) переключается на ШСВ действие защит присоединения по цепям оперативного тока и опробуются защиты на отключение ШСВ;

д) проверяется внешним осмотром правильность установки перемычек (на совпадение фаз); включаются шинные разъединители присоединения (если линейные разъединители выведены из схемы) на первую СШ; вводится в работу присоединение включением ШСВ.

6.4 При работе присоединения по схеме рисунка 11 не допускаются переводы присоединений с одной СШ на другую без соответствующих переключений в токовых цепях защит.

6.5 Основные операции при вводе в работу после ремонта выключателя присоединения, включенного в работу с помощью ШСВ (см. рисунок 11):

а) отключается и заземляется в соответствии с требованиями правил безопасности присоединение, выключатель которого вводится в работу; снимаются перемычки, установленные вместо выключателя, а вводимый из ремонта выключатель (и линейный разъединитель) присоединяется по обычной схеме;

б) переключается действие защит присоединения по цепям оперативного тока на выключатель, вводимый из ремонта, и опробуются защиты на отключение выключателя;

в) проверяется внешним осмотром на месте работ правильность присоединения ошиновки к коммутационным аппаратам (на совпадение фаз); снимаются переносные заземления, включаются шинные и линейные разъединители на первую СШ; вводится присоединение в работу включением последовательно двух выключателей (вышедшего из ремонта и шиносоединительного);

г) поочередно выводятся из работы и переключаются устройства РЗА с ТТ ШСВ на ТТ выключателя, вышедшего из ремонта, защиты проверяются током нагрузки и включаются в работу;

д) восстанавливается нормальная схема первичных соединений с распределением присоединений по шинам согласно принятой фиксации, защита шин переводится в режим работы с фиксацией присоединений.

6.6 Основные операции при выводе в ремонт выключателя присоединения и замене его ОВ (рисунок 12):

Рисунок 12 - Схема замены
выключателя присоединения ОВ

а) готовится схема ОВ для опробования напряжением обходной СШ от рабочей СШ, на которую включено присоединение с выводимым в ремонт выключателем;

б) включается ОВ с уставками «опробования» на его защитах, с введенной защитой шин, включенной по оперативным цепям на отключение ОВ, и включенным пуском УРОВ от защит; проверяется наличие напряжения на обходной СШ;

в) отключается ОВ. Проверяется отключенное положение ОВ и включается на обходную СШ разъединитель присоединения, выключатель которого выводится в ремонт;

г) вводятся с помощью испытательных блоков в схему защиты шин цепи ТТ ОВ как выключателя присоединения; на защитах ОВ выставляются уставки, соответствующие уставкам защит данного присоединения; отключаются быстродействующие защиты (ДФЗ, ДЗЛ и др.) со всех сторон защищаемого присоединения;

д) включается ОВ и проверяется ток нагрузки, отключается выводимый в ремонт выключатель присоединения, убеждаются в отсутствии тока нагрузки;

е) отключается защита шин, выполняются необходимые переключения в ее цепях, защита проверяется током нагрузки и включается в работу;

ж) переключаются токовые цепи быстродействующих защит присоединения на ТТ ОВ и оперативные цепи с действием на ОВ; проверяются защиты током нагрузки, включаются защиты в работу и опробуются на отключение ОВ с включением его от АПВ;

з) отключаются разъединители с обеих сторон выводимого в ремонт выключателя, проверяется отсутствие на нем напряжения, включаются ЗН в сторону выключателя.

6.7 Основные группы операций при вводе в работу после ремонта выключателя присоединения, выведенного в ремонт с помощью ОВ (см. рисунок 12):

а) отключаются ЗН с обеих сторон вводимого в работу выключателя;

б) подключаются к ТТ вводимого в работу выключателя резервные защиты (либо специальные, временно включаемые защиты), соответствующим образом настроенные, и включаются защиты на отключение выключателя;

в) опробуется напряжением вводимый в работу выключатель1 при отключенных шинных разъединителях;

г) отключаются быстродействующие защиты (ДФЗ, ДЗЛ и др.) со всех сторон защищаемого присоединения;

д) подключаются с помощью испытательных блоков к схеме защиты шин цепи ТТ вводимого в работу выключателя;

е) проверяется отключенное положение вводимого в работу выключателя, включаются его шинные разъединители на соответствующую СШ (и линейный разъединитель, если он был отключен);

ж) включается вводимый в работу выключатель и проверяется наличие нагрузки; отключается ОВ и проверяется отсутствие нагрузки;

з) отключается защита шин и выполняются необходимые переключения в ее цепях, защита проверяется током нагрузки и включается в работу;

и) переключаются по токовым цепям быстродействующие защиты присоединения на ТТ введенного в работу выключателя с действием по оперативным цепям на этот выключатель. Защиты проверяются током нагрузки, включаются в работу и опробуются на отключение выключателя с включением его от АПВ. Проверяются током нагрузки резервные защиты присоединения и включаются в работу; отключаются временные защиты, если их включали;

к) проверяется отключенное положение ОВ и отключается разъединитель присоединения от обходной СШ (приводится в соответствие с нормальной схемой).

_____________

1 Операции опробования выключателя напряжением производятся, если в этом есть необходимость.

6.8 Основные группы операций при выводе в ремонт выключателя в схеме с двумя рабочими СШ и двумя выключателями на цепь (рисунок 13):

Рисунок 13 - Схема электроустановки с двумя
рабочими СШ и двумя выключателями на цепь
после вывода в ремонт выключателя присоединения

а) отключается выводимый в ремонт выключатель присоединения, убеждаются в отсутствии тока нагрузки;

б) проверяется на месте отключенное положение выводимого в ремонт выключателя, он отключается с обеих сторон разъединителями, проверяется отключенное положение разъединителей;

в) отключается защита шин, выводятся из ее схемы цепи ТТ выводимого в ремонт выключателя, защита шин проверяется током нагрузки и включается в работу;

г) поочередно отключаются защиты присоединения, отключаются их токовые цепи от ТТ выводимого в ремонт выключателя, отключаются оперативные цепи защит и автоматики от привода выводимого в ремонт выключателя, при этом сохраняется их действие на парный выключатель, остающийся в работе; защиты проверяются током нагрузки и включаются в работу; включаются в работу устройства автоматики. Переключения в цепях РЗА производятся с помощью испытательных блоков и накладок;

д) убеждаются по схеме в отсутствии напряжения, включаются ЗН в сторону выведенного в ремонт выключателя.

6.9 Основные группы операций при вводе в работу после ремонта выключателя присоединения в схеме с двумя рабочими СШ и двумя выключателями на цепь (см. рисунок 13):

а) отключаются ЗН с обеих сторон вводимого в работу выключателя;

б) опробуется подачей напряжения вводимый в работу выключатель при отключенном шинном разъединителе;

в) подключаются токовые и оперативные цепи резервных защит соответственно к ТТ и приводу вводимого в работу выключателя; проверяется наличие тока в цепях резервных защит; к схеме защиты шин подключаются цепи от ТТ вводимого в работу выключателя. Перечисленные защиты включаются в работу;

г) проверяется отключенное положение выключателя, включаются его шинный и линейный разъединители;

д) включается выключатель и проверяется наличие нагрузки;

е) поочередно отключаются защита шин, основные и резервные защиты присоединения, выполняются необходимые переключения в их схемах и проверяются защиты током нагрузки. Защиты включаются в работу. Включаются в работу устройства автоматики.

6.10 Основные группы операций при выводе в ремонт выключателя в схеме с тремя выключателями на два присоединения (см. рисунок 10) и в схеме четырехугольника (рисунок 14):

Рисунок 14 - Распределительное устройство
330 кВ, выполненное по схеме четырехугольника,
в нормальном режиме работы

а) отключается выводимый в ремонт выключатель, убеждаются в отсутствии нагрузки;

б) проверяется на месте отключенное положение выводимого в ремонт выключателя, отключаются с обеих его сторон разъединители;

в) поочередно отключаются устройства РЗА, токовые цепи которых подключены к ТТ выводимого в ремонт выключателя, отключаются испытательными блоками токовые цепи защит и автоматики от этих ТТ; проверяются защиты током нагрузки и включаются в работу с действием на оставшиеся в работе смежные выключатели; включаются в работу устройства автоматики. При этом исключаются ложные воздействия на устройства РЗА, оставшиеся в работе;

г) убеждаются по схеме в отсутствии напряжения на выводимом в ремонт выключателе и включаются ЗН в сторону выключателя.

6.11 Основные группы операций при вводе в работу после ремонта выключателя в схеме с тремя выключателями на два присоединения и в схеме четырехугольника (вторичные цепи ТТ, исключенных из схемы вместе с выведенным в ремонт выключателем, отключены от цепей защит и закорочены испытательными блоками) - см. рисунки 10 и 14:

а) отключаются ЗН с обеих сторон вводимого в работу выключателя (например, выключателя В31 в схеме четырехугольника (см. рисунок 14);

б) присоединяются защиты подставного щитка к трансформаторам тока ТТ31.

Защиты настраиваются и проверяются от постороннего источника тока. Действие защит проверяется на отключение выключателя В31;

в) опробуется напряжением вводимый в работу выключатель путем дистанционного включения разъединителя РЛ31;

г) проверяется на месте отключенное положение выключателя В31 и включается разъединитель ШР31;

д) отключаются пуск УРОВ, быстродействующие защиты и АПВ линии Л1, подключаются их токовые цепи к трансформаторам тока ТТ31, проверяются защиты током нагрузки;

е) включается вводимый в работу выключатель В31 и отключается находящийся с ним в одной цепи выключатель В32;

ж) поочередно отключаются устройства РЗА, токовые цепи которых должны быть подключены к трансформаторам тока ТТ31, с помощью испытательных блоков они подключаются к указанным ТТ, проверяются током нагрузки и включаются в работу.

Проверяются рабочим током быстродействующие защиты линии Л1, включаются в работу защиты и пуск УРОВ.

Выводятся из работы защиты, смонтированные на подставном щитке;

з) включается выключатель В32;

и) проверяются с помощью прибора ВАФ значения и направления токов в токовых цепях

к) включается АПВ с действием на выключатель В31.

6.12 Основные группы операций при выводе в ремонт СВ в схеме мостика при наличии ремонтной перемычки на разъединителях (рисунок 15):

РЛ - разъединитель линейный

Рисунок 15 - Подстанция 220 кВ по схеме
мостика с СВ в перемычке и ремонтной перемычкой
на разъединителях

а) включаются ускорения резервных защит линий Л1 и Л2 (с обеих сторон) и автотрансформаторов АТ1 и АТ2; отключаются защиты линий и АТ, действующие без выдержки времени;

б) переключаются токовые цепи защит линий и АТ с ТТ, установленных в цепи СВ, на ТТ ремонтной перемычки;

в) отключаются АВ (снимаются предохранители) оперативного тока СВ;

г) проверяется на месте включенное положение СВ и включаются разъединители ремонтной перемычки, проверяется их включенное положение;

д) включаются АВ (устанавливаются предохранители) оперативного тока СВ; отключается СВ, убеждаются в отсутствии тока нагрузки;

е) проверяются током нагрузки защиты линий Л1 и Л2 и автотрансформаторов АТ1 и АТ2, действующие без выдержки времени, и вводятся в работу. Выводятся из действия ускорения резервных защит линий и АТ;

ж) проверяется на месте отключенное положение СВ и отключаются разъединители с обеих его сторон;

з) убеждаются в отсутствии напряжения, включаются ЗН в сторону СВ; на приводах разъединителей РП1, РП2 вывешиваются плакаты «Не включать - работают люди».

6.13 Основные группы операций при вводе в работу после ремонта СВ в схеме мостика с ремонтной перемычкой на разъединителях (см. рисунок 15):

а) отключаются ЗН с обеих сторон вводимого в работу СВ; с приводов разъединителей РП1, РП2 СВ снимаются плакаты «Не включать - работают люди»;

б) опробуется напряжением СВ (если в этом есть необходимость), для этого отключается одна из линий, например линия Л2, с обеих сторон: выключателем В2 и выключателем удаленного конца линии. С приводов выключателей линии Л2 снимается оперативный ток (отключаются АВ или снимаются предохранители). Убеждаются в отсутствии напряжения на линии Л2, включаются разъединитель РП2 и СВ. Перед подачей напряжения на выключатель включается ускорение резервных защит линии Л2. Напряжение на СВ подается включением выключателя удаленного конца линии Л2. После осмотра СВ отключается, снимается с его привода оперативный ток. Включается разъединитель РП1, отключаются защиты линий и АТ, действующие без выдержки времени;

в) переключаются токовые цепи защит линий Л1, Л2 и трансформаторов Т1, Т2 с ТТ, установленных в ремонтной перемычке, на ТТ СВ;

г) вводятся в работу защиты линий Л1, Л2 и трансформаторов T1, Т2, действующие без выдержки времени, и приводятся в нормальный режим ускорения резервных защит;

д) включаются выключатели СВ и В2 и проверяется наличие тока нагрузки;

е) проверяется включенное положение СВ; отключаются разъединители РР1 и РР2.

6.14 Основные группы операций при переводе выключателя совмещенного исполнения (шиносоединительного и обходного), используемого обычно в качестве ШСВ, в режим ОВ (рисунок 16):

Рисунок 16 - Часть схемы электроустановки
220 кВ с выключателем совмещенного исполнения
(шиносоединительного и обходного),
используемого в обычном режиме в качестве ШСВ

а) проверяется наличие тока нагрузки на ШСВ, отключается ШСВ. Проверяется на месте отключенное положение ШСВ, отключаются его шинный разъединитель от I СШ и дополнительный шинный разъединитель ДШР от II СШ;

б) включаются защиты ШСВ (с уставками «опробования»), проверяется, отключен ли УРОВ защитами ШСВ, включается АПВ ШСВ и опробуется ШСВ на отключение защитами и включение устройством АПВ;

в) отключается АПВ ШСВ, отключается ШСВ. Проверяется на месте отключенное положение ШСВ, включается его шинный разъединитель на соответствующую рабочую СШ и шинный разъединитель на обходную СШ;

г) отключаются УРОВ и защита шин. В соответствии с инструкцией энергопредприятия с помощью испытательных блоков переключаются токовые и оперативные цепи защиты шин таким образом, чтобы обходная СШ входила в зону действия защиты шин при ее опробовании напряжением. Включаются защита шин и УРОВ;

д) включается пуск УРОВ защитами ШСВ. Включается ШСВ, проверяется наличие напряжения на обходной СШ. Отключается ШСВ.

7 ПЕРЕКЛЮЧЕНИЯ В РАСПРЕДЕЛИТЕЛЬНЫХ ЭЛЕКТРОСЕТЯХ

7.1 Особенности выполнения переключений

7.1.1 Переключения в распределительных электросетях напряжением до 35 кВ включительно выполняются по распоряжению диспетчера, в оперативном управлении которого находится оборудование этих электросетей.

При отсутствии диспетчеризации допускается производство переключений по распоряжению административно-технического персонала, выполняющего в этом случае функции диспетчера (см. п. 1.20 настоящей Инструкции).

7.1.2 Соблюдается следующий порядок выдачи и получения распоряжений на выполнение переключений:

а) диспетчер, отдавая распоряжение о переключении, записывает его в оперативный журнал;

б) получающий распоряжение повторяет его, получает подтверждение диспетчера в том, что распоряжение понято правильно, и после этого приступает к выполнению распоряжения.

7.1.3 Распоряжение о переключении отдается, как правило, непосредственно перед началом переключений. При отсутствии прямой связи диспетчера с ОВБ или трудности ее установления допускается выдача распоряжения о переключении перед выездом ОВБ на переключения.

7.1.4 Диспетчер РЭС, отдавая распоряжение о переключении, предварительно проверяет по оперативной схеме (схеме-макету) допустимость переключений и устанавливает четкую последовательность выполнения операций и действий персонала.

Персонал ОВБ и оперативно-ремонтный персонал при получении распоряжения диспетчера о переключении имеет при себе однолинейную (оперативную) схему участка сети, на которой отмечается положение коммутационных аппаратов к моменту получения распоряжения.

7.1.5 Распоряжение на вывод оборудования в ремонт выдается отдельно от разрешения (распоряжения) на подготовку рабочего места и допуск к работе.

7.1.6 Все оперативные переговоры по отключению оборудования в ремонт, подготовке рабочих мест и допуску, а также включению оборудования в работу по окончании ремонтных работ записываются диспетчером в оперативный журнал или на магнитную пленку с указанием времени.

7.1.7 Переключения в распределительных электросетях напряжением 0,4 кВ выполняются, как правило, по распоряжению диспетчера. Приказом (распоряжением) по предприятию в зависимости от местных условий может быть установлен другой порядок выдачи распоряжений на производство переключений.

7.1.8 На подстанциях 35 - 110 кВ, оборудование которых находится в оперативном управлении диспетчера ПЭС, допускается выполнение плановых отключений и включений отдельных линий, питающих распределительные электросети, персоналом ОВБ РЭС. Указанные переключения персонал ОВБ РЭС выполняет по распоряжению диспетчера ПЭС.

7.1.9 При переключениях диспетчеры ПЭС и РЭС предварительно согласовывают последовательность выполнения операций по отключению и включению линий, отходящих от подстанций 35 - 110 кВ и питающих распределительные электросети, и только после этого отдают распоряжения персоналу ОВБ РЭС.

7.1.10 На подстанциях 35 - 110 кВ кроме плановых отключений и включений линий, питающих распределительные электросети персоналу ОВБ РЭС может быть разрешено (по усмотрению технического руководителя ПЭС) включение этих линий под напряжение после их автоматического отключения, а также производство обходов-осмотров на подстанциях оборудования указанных выше линий. Эти операции и действия выполняются по распоряжению диспетчера ПЭС.

7.1.11 Предоставление персоналу ОВБ РЭС права выполнения переключений на подстанциях 35 - 110 кВ, оборудование которых находится в оперативном управлении диспетчера ПЭС, в каждом случае устанавливается распоряжением по ПЭС с указанием подстанций и вида оперативных переключений на них.

7.1.12 На щитах управления у ключей управления выключателей в РУ у приводов выключателей, а также у приводов разъединителей и ЗН в сторону линий, операции с которыми разрешено выполнять персоналу ОВБ РЭС, рядом с диспетчерским наименованием присоединения наносится надпись: «Линия РЭС». В КРУ и КРУН надпись «Линия РЭС» делается на двери и с задней стороны ячейки.

7.1.13 Выполняя переключения на подстанциях 35 - 110 кВ, персонал ОВБ РЭС ведет оперативную документацию согласно порядку, установленному в ПЭС: производит записи в оперативном журнале подстанции обо всех выполненных переключениях; отмечает на оперативной схеме подстанций (схеме-макете) положения коммутационных аппаратов и устройств РЗА, а также включения и отключения ЗН (наложение и снятие переносных заземлений); заполняет бланки переключений и пользуется ими во время переключений; производит записи в журнале дефектов и неполадок с оборудованием.

7.1.14 Обо всех переключениях на подстанциях 35 - 110 кВ, выполненных персоналом ОВБ РЭС, диспетчер ПЭС сообщает персоналу ОВБ ПЭС, закрепленному за этими подстанциями, который делает запись в своем оперативном журнале и вносит соответствующие изменения в оперативную схему.

7.1.15 В соответствии с инструкцией энергопредприятия допускается участие персонала ОВБ РЭС в выполнении переключений в электроустановках потребителей (с оформлением соответствующего документа).

Схемы электроустановок потребителей в данном случае изображаются на оперативной схеме диспетчера.

7.1.16 Порядок переключений на линиях 0,4 кВ распределительных электросетей, питающих электроустановки потребителей, имеющих электростанции резервного питания, приведен в приложении В, а форма бланка переключения - в приложении Г.

7.2 Общие указания по выполнению переключений

7.2.1 При выполнении переключений в электрически связанной распределительной сети параллельное включение и замыкание линий (работающих раздельно при нормальном режиме эксплуатации) в кольцо допускается только в виде исключения на время, необходимое для перевода нагрузки потребителей или выполнения неотложных ремонтных работ. При этом возможность параллельного (кольцевого) включения линий предварительно устанавливается фазировкой.

7.2.2 Включение и отключение разъединителей, установленных в электрически связанной замкнутой распределительной сети, допускаются при уравнительном токе не более 70 А. Если это условие не соблюдается, необходимо включение шунтирующих связей, которые отключаются по окончании операций с разъединителями.

7.2.3 Если включение в транзит и отключение коммутационным аппаратом линии, имеющей питание с двух сторон, возможно, то в месте деления:

- перед включением коммутационного аппарата проверяется, имеется ли напряжение с двух его сторон и нет ли замыкания фазы на землю в сети;

- после отключения коммутационного аппарата проверяется, имеется ли напряжение с двух сторон аппарата.

Если перед включением коммутационного аппарата будет обнаружено замыкание фазы на землю или отсутствие напряжения на одной из сторон коммутационного аппарата, дальнейшее проведение операций прекращается, о чем сообщается диспетчеру.

7.2.4 В электрически не связанных распределительных сетях1 перед включением на параллельную работу или замыканием между собой линий или участков сетей необходимо предварительное осуществление временной электрической связи между центрами питания (включение СВ; линии, непосредственно соединяющей шины двух питающих центров, и т.д.).

Перед включением временной электрической связи устанавливаются одинаковые уровни напряжения на шинах питающих центров.

Сразу же после включения временной электрической связи проверяется значение уравнительного тока, которое не должно превышать допустимое значение нагрузки по этой связи.

Если создание временной электрической связи невозможно, операции по переводу нагрузки с одной линии на другую осуществляются с кратковременным отключением потребителей после предварительного их предупреждения.

_____________

1 Шины или секции шин, питающиеся от отдельных обмоток одного трансформатора или от одной обмотки через сдвоенный реактор, следует считать отдельными центрами питания.

7.2.5 Включение на параллельную работу, а также замыкание между собой участков сетей 6 - 10 кВ, получающих питание в нормальном эксплуатационном режиме от разных центров питания, каждый раз согласовывается с ОДС и МС РЗА ПЭС, а создание часто повторяющихся типовых ремонтных схем, связанных с замыканием на совместную работу указанных выше участков сетей, отражается в инструкции энергопредприятия.

7.2.6 Не допускается замыкание в сети 0,4 кВ, а также включение на одни шины 0,4 кВ трансформаторов, питающихся от разных центров питания или от разных линий.

Замыкание в сети 0,4 кВ трансформаторов, питающихся от одной линии, но установленных на разных подстанциях, допускается как исключение для разгрузки перегружавшихся трансформаторов или линий напряжением 0,4 кВ.

7.2.7 После ремонта линии (или трансформатора), при котором могло быть нарушено чередование фаз, перед включением линии (трансформатора) в работу проверяется фазировка.

Не допускается включение коммутационных аппаратов, на одноименных зажимах которых может оказаться несфазированное напряжение. Приводы таких аппаратов запираются на замок, на них вывешивается плакат «Не включать - нарушена фазировка».

На оперативной схеме и диспетчерском щите не сфазированные между собой участки сети и разделяющие их коммутационные аппараты отмечаются специальным знаком.

7.2.8 Фазировка проверяется каждый раз перед включением коммутационного аппарата, установленного в месте раздела распределительной электросети с сетями потребителей электроэнергии.

7.2.9 В распределительных электросетях, работающих с компенсацией тока замыкания на землю, при переключениях, вызывающих изменение значения этого тока, соответствующим образом изменяется настройка ДГР.

7.2.10 Прежде чем приступить к переключению в помещении электроустановки распределительных электросетей, персонал производит внешний осмотр ее оборудования и проверяет схему электрических соединений.

7.2.11 При выполнении переключений на разных объектах в бланке переключений делаются подзаголовки с указанием объекта, на котором выполняются переключения. Нумерация пунктов в бланке переключений сквозная.

7.3 Последовательность операций при выполнении отдельных видов переключений

7.3.1 Основные операции при выводе в ремонт питающей кабельной линии КЛ1 (рисунок 17):

Рисунок 17 - Схема питающей сети
6 - 10 кВ в нормальном режиме работы

На ЦП:

а) переводится АРКТ трансформаторов Т1 и Т2 с автоматического на дистанционное управление и устанавливается РПН трансформаторов Т1 и Т2 в одинаковое положение;

б) отключается АВР СВ, включается СВ и проверяется наличие тока нагрузки.

На РП:

а) отключается АВР СВ, включается СВ, проверяется наличие тока нагрузки;

б) отключается выключатель линии КЛ1, убеждаются в отсутствии тока нагрузки.

На ЦП:

а) отключается СВ, убеждаются в отсутствии тока нагрузки, включается АВР СВ;

б) переводится АРКТ трансформаторов на автоматическое управление;

в) отключается выключатель линии КЛ1, проверяется на месте отключенное положение выключателя и отключается линейный разъединитель линии КЛ1, проверяется отключенное положение разъединителя. Запирается привод разъединителя на замок и на приводе вывешивается плакат «Не включать - работа на линии».

На РП:

а) проверяется на месте отключенное положение выключателя линии КЛ1 и перемещается в ремонтное положение тележка выключателя; вывешивается на дверцах ячейки плакат «Не включать - работа на линии»;

б) убеждаются в отсутствии напряжения на вводе линии КЛ1, включаются ЗН в сторону линии, проверяется их положение; дверцы ячейки линии КЛ1 запираются на замок.

На ЦП убеждаются в отсутствии напряжения на вводе линии КЛ1, включаются ЗН в сторону линии, проверяется их включенное положение.

7.3.2 Основные операции при вводе в работу после ремонта кабельной линии КЛ1 (см. рисунок 17).

На ЦП отключаются ЗН линии КЛ1, проверяется их отключенное положение.

На РП:

а) отключаются ЗН линии КЛ1, проверяется их отключенное положение;

б) снимаются запрещающий операции плакат и замок с дверец ячейки линии КЛ1, проверяется отключенное положение выключателя линии КЛ1, перемещается в рабочее положение тележка выключателя;

На ЦП:

а) проверяется отключенное положение выключателя линии КЛ1; снимаются запрещающий операции плакат и замок с привода линейного разъединителя линии КЛ1, включается линейный разъединитель линии КЛ1, проверяется его включенное положение;

б) переводится АРКТ трансформаторов Т1 и Т2 с автоматического на дистанционное управление и устанавливаются РПН трансформаторов Т1 и Т2 в одинаковое положение;

в) отключается АВР СВ, включается СВ, проверяется наличие тока нагрузки;

г) включается выключатель линии КЛ1.

На РП:

а) включается выключатель линии КЛ1, проверяется наличие тока нагрузки;

б) отключается СВ, убеждаются в отсутствии тока нагрузки, включается АВР СВ.

На ЦП:

а) отключается СВ, убеждаются в отсутствии тока нагрузки, включается АВР СВ;

б) переводится АРКТ трансформаторов Т1 и Т2 с дистанционного на автоматическое управление.

7.3.3 Основные операции при выводе в ремонт линии Л6 распределительной электросети 6 - 10 кВ (рисунок 18):

Рисунок 18 - Схема участка распределительной
электросети 6 - 10 кВ, секционированной в ТПЗ
в нормальном режиме работы

На распределительном пункте РП1 отключается АВР и включается выключатель резервной линии КЛ8, проверяется наличие тока нагрузки.

На трансформаторной подстанции ТПЗ:

а) проверяется, имеется ли напряжение с двух сторон отключенного выключателя нагрузки ВН4, убеждаются в отсутствии замыкания фазы на землю в сети;

б) отключается АВР и включается выключатель нагрузки ВН4.

На трансформаторной подстанции ТП5:

а) отключается выключатель линии Л6, убеждаются в отсутствии тока нагрузки;

б) проверяется на месте отключенное положение выключателя линии Л6, отключается линейный разъединитель линии Л6, проверяется его положение. Запирается привод разъединителя на замок, на приводе вывешивается плакат «Не включать - работа на линии».

На распределительном пункте РП1 отключается выключатель резервной линии КЛ8, убеждаются в отсутствии тока нагрузки, включается АВР.

На распределительном пункте РП2:

а) отключаются АПВ и выключатель линии Л6;

б) проверяется на месте отключенное положение выключателя линии Л6, отключается линейный разъединитель линии Л6, проверяется положение разъединителя, запирается его привод на замок. Вывешивается на приводе разъединителя плакат «Не включать - работа на линии»;

в) убеждаются в отсутствии напряжения на вводе линии Л6, накладывается переносное заземление.

На линии Л6 убеждаются в отсутствии напряжения, накладывается переносное заземление на провода линии Л6 на опоре 20. На месте работ на провода линии Л6 также накладывается переносное заземление.

7.3.4 Основные операции при вводе в работу после ремонта линии Л6 (см. рисунок 18):

На линии Л6 снимается заземление с линии Л6 на месте работ; снимается заземление с линии Л6, наложенное на провода линии на опоре 20.

На распределительном пункте РП2:

а) снимается переносное заземление с ввода линии Л6 и размещается на месте хранения;

б) снимаются запрещающий операции плакат и замок с привода, включается линейный разъединитель линии Л6, проверяется включенное положение разъединителя;

в) включается выключатель линии Л6, проверяется включенное положение выключателя, включается АПВ.

На распределительном пункте РП1 отключается АВР и включается выключатель резервной линии, проверяется наличие тока нагрузки.

На трансформаторной подстанции ТП5:

а) проверяется отключенное положение выключателя линии Л6, снимаются запрещающий операции плакат и замок с привода и включается линейный разъединитель линии Л6, проверяется положение разъединителя;

б) включается выключатель линии Л6, проверяется наличие тока нагрузки.

На трансформаторной подстанции ТПЗ отключается выключатель нагрузки ВН4, проверяется, имеется ли напряжение с обеих сторон ВН4, включается АВР.

На распределительном пункте РП1 отключается выключатель резервной линии КЛ8, убеждаются в отсутствии тока нагрузки, включается АВР.

7.3.5 Основные операции при выводе в ремонт трансформаторной подстанции ТП1 (см. рисунок 18):

На распределительном пункте РП1 отключается АВР и включается выключатель резервной линии КЛ8, проверяется наличие тока нагрузки.

На трансформаторной подстанции ТП3:

а) проверяется, имеется ли напряжение с двух сторон отключенного выключателя нагрузки ВН4, убеждаются в отсутствии замыкания фазы на землю в сети;

б) отключается АВР, включается выключатель нагрузки ВН4.

На трансформаторной подстанции ТП1:

а) отключаются рубильники всех отходящих линий 0,4 кВ;

б) отключается АВ 0,4 кВ трансформатора;

в) отключается выключатель нагрузки ВН2 трансформатора и проверяется его отключенное положение.

На распределительном пункте РП1:

а) отключаются АПВ и выключатель линии Л1;

б) проверяется на месте отключенное положение выключателя, отключается линейный разъединитель линии Л1, проверяется его отключенное положение; привод разъединителя запирается на замок и вывешивается плакат «Не включать - работа на линии»;

в) отключается выключатель резервной линии КЛ8, убеждаются в отсутствии тока нагрузки, включается АВР.

На трансформаторной подстанции ТП2 убеждаются в отсутствии тока нагрузки, отключается разъединитель линии Л2, проверяется его положение, запирается на замок привод. На приводе вывешивается плакат «Не включать - работа на линии».

На трансформаторной подстанции ТП1:

а) убеждаются в отсутствии напряжения на вводе линии Л1, накладывается переносное заземление;

б) убеждаются в отсутствии напряжения на вводе линии Л2, накладывается переносное заземление.

При необходимости накладываются дополнительные заземления на оборудовании ТП1.

7.3.6 Основные операции при включении в работу после ремонта трансформаторной подстанции ТП1 (см. рисунок 18):

На трансформаторной подстанции ТП1:

а) снимается переносное заземление с ввода линии Л1; снимается переносное заземление с ввода линии Л2, а также все остальные заземления, наложенные на оборудование. Заземления размещаются в местах хранения;

б) проверяется включенное положение выключателя нагрузки ВН1 и разъединителей на линиях Л1 и Л2.

На распределительном пункте РП1:

а) проверяется отключенное положение выключателя линии Л1;

б) снимаются запрещающий операции плакат и замок с привода;

в) включается линейный разъединитель линии Л1, проверяется его включенное положение;

г) включается выключатель линии Л1;

д) отключается АВР и включается выключатель резервной линии КЛ8, проверяется наличие тока нагрузки.

На трансформаторной подстанции ТП1 отключается выключатель нагрузки ВН1 линии Л1, проверяется его отключенное положение, вывешивается запрещающий операции плакат.

На трансформаторной подстанции ТП2 снимаются запрещающий операции плакат и замок с привода, включается разъединитель линии Л2, проверяется его включенное положение.

На трансформаторной подстанции ТП1:

а) снимаются запрещающий операции плакат и замок с привода, включается выключатель нагрузки ВН1 линии Л1, проверяется его включенное положение;

б) включается выключатель нагрузки ВН2 трансформатора, проверяется его включенное положение;

в) включается АВ 0,4 кВ трансформатора;

г) включаются рубильники отходящих линий 0,4 кВ.

На трансформаторной подстанции ТП3:

а) отключается выключатель нагрузки ВН4, проверяется его отключенное положение;

б) проверяется, имеется ли напряжение с двух сторон отключенного выключателя нагрузки ВН4, включается АВР.

На распределительном пункте РП1:

а) включается АПВ линии Л1;

б) отключается выключатель резервной линии КЛ8, убеждаются в отсутствии тока нагрузки, включается АВР.

7.3.7 Основные операции при выводе в ремонт магистральной линии Л10 0,4 кВ (см. рисунок 18):

а) на МТП отключается рубильник линии Л10, проверяется его положение и вывешивается запрещающий операции плакат «Не включать - работа на линии»;

б) на месте работ убеждаются в отсутствии напряжения на проводах линии Л10, накладываются переносные заземления.

Примечание - Если на опорах выводимой в ремонт линии подвешены провода связи радиотрансляционной сети и уличного освещения, то их отключение и заземление выполняются персоналом эксплуатирующей их организации в присутствии ремонтного персонала РЭС. Включение после ремонта линии Л10 выполняется в обратной последовательности.

7.3.8 Основные операции при выводе в ремонт трансформатора МТП, питающегося ответвлением от линии Л6 (см. рисунок 18):

а) отключаются на МТП рубильники всех отходящих линий 0,4 кВ;

б) отключается рубильник 0,4 кВ трансформатора;

в) отключается разъединитель, проверяется его отключенное положение, запирается привод на замок, вывешивается запрещающий операции плакат «Не включать - работают люди»;

г) убеждаются в отсутствии напряжения, накладывается переносное заземление на вводах трансформатора (при необходимости накладывается заземление на сборке 0,4 кВ).

Включение после ремонта МТП выполняется в обратной последовательности.

Приложение А

УЧЕТ, НАЛОЖЕНИЕ И СНЯТИЕ ЗАЗЕМЛЕНИЙ

А.1 Переносные заземления нумеруются сквозной для всей электроустановки нумерацией и хранятся в определенных, отведенных для этой цели местах. На месте хранения каждого заземления указывается номер, соответствующий номеру, имеющемуся на переносном заземлении.

А.2 Включение ЗН и наложение переносных заземлений на оборудовании отражается на оперативной схеме (схеме-макете), а также в оперативном журнале.

А.3 Переносные заземления учитываются по номерам с точным указанием мест их нахождения.

Для экономии времени на записи при сдаче дежурства рекомендуется пользоваться специальным штампом учета переносных заземлений (рисунок А.1), проставляемым в оперативном журнале.

Учет переносных заземлений

ГРУ

1*

2*

3

4

5

6

7

8

9

10

11

12

 

 

РУСН

13

14

15

16

17

18

19

20

21

22

23

24

25

 

РУ 10 кВ

26

27

28

29

30

31

32

33

34

35

36

37

38

39

РУ 110 кВ

40*

41

42

43

44

45

46

47

48

49

50

51

52

53

54

55

56

57

58

59

60

__________

* Заземления № 1, 2 - в ремонте, заземление № 40 установлено в ячейке 15 на КЛ5.

Рисунок А1 - Штамп учета переносных заземлений и запись о местах их нахождения

А.4 При выводе оборудования в ремонт и его заземлении первыми включаются стационарные ЗН, а затем (при необходимости) накладываются переносные заземления.

При вводе оборудования в работу после ремонта сначала снимаются все переносные заземления и размещаются в местах их хранения, а потом уже отключаются стационарные ЗН.

Приложение Б

ПОРЯДОК ВЕДЕНИЯ ОПЕРАТИВНОЙ СХЕМЫ И СХЕМЫ-МАКЕТА ЭЛЕКТРИЧЕСКИХ СОЕДИНЕНИЙ ЭЛЕКТРОСТАНЦИЙ И ПОДСТАНЦИЙ

Б.1 На заготовленных оперативных схемах электрических соединений электростанций и подстанций все коммутационные аппараты и стационарные заземляющие устройства графически изображаются в положении (включенном или отключенном), соответствующем схеме нормального режима, утвержденной техническим руководителем электростанции или ПЭС.

Оборудование новых присоединений, законченное и не законченное монтажом, на которое напряжение может быть подано включением коммутационных аппаратов, считается действующим и наносится на оперативную схему.

Б.2 На оперативных схемах и схемах-макетах отражаются все изменения положений коммутационных аппаратов, устройств РЗА, а также места наложения переносных заземлений и включения ЗН. Изменения вносятся непосредственно после проведения тех или иных операций.

Б.3 При сдаче дежурства персонал должен передавать оперативную схему (схему-макет) электроустановки с обозначением на ней действительных положений коммутационных аппаратов, отключенных устройств РЗА, а также переносных заземлений и ЗН.

Б.4 Действительные положения коммутационных аппаратов, отключенных устройств РЗА, а также заземляющих устройств обозначаются нанесением на оперативную схему условных знаков непосредственно на графическое обозначение аппарата или рядом с графическим обозначением соответствующего аппарата (устройства), если положение аппарата (устройства) было изменено. Условные графические обозначения (знаки) положений коммутационных аппаратов приведены на рисунке Б.1.

Знаки наносятся карандашом, чернилами или пастой красного цвета.

а - выключатель; б - разъединитель; в - ЗН; г - короткозамыкатель;
д - ОД; е - АВ 0,4 кВ (включенное положение слева, отключенное - справа);
ж - выключатель КРУ включен; з - выключатель КРУ отключен;
и - тележка выключателя в контрольном положении;
к - тележка выключателя в ремонтном положении;
л - переносное заземление (№ - его номер) наложено;
м - переносное заземление снято

Рисунок Б.1 - Условные графические обозначения положений
коммутационных аппаратов на оперативной схеме

Знак З! - устройство релейной защиты отключено - наносится рядом с графическим обозначением защищаемого оборудования (генератор, трансформатор, линия, сборные шины), знак А! - устройство автоматики отключено - наносится рядом с графическим обозначением выключателя, на который воздействует автоматическое устройство.

При снятии с оборудования переносного заземления, а также при включении в работу отключенного ранее устройства релейной защиты или автоматики соответствующие знаки на оперативной схеме перечеркиваются карандашом, ручкой (чернилами или пастой) темного цвета.

Б.5 Не допускается исправление ошибочно нанесенных знаков. Ошибочные знаки обводятся кружком синего цвета, а рядом наносятся правильные знаки.

Б.6 Срок действия оперативной схемы не ограничивается, новая оперативная схема составляется по мере необходимости.

Б.7 Оперативная схема имеет порядковый номер. При сдаче дежурства оперативная схема подписывается сдающим и принимающим дежурство с указанием даты и времени.

Б.8 При пользовании схемами-макетами ведение оперативных схем необязательно.

Б.9 На схемах-макетах все изменения положений коммутационных аппаратов, устройств РЗА, заземляющих устройств отражаются с помощью символов коммутационных аппаратов и навесных условных знаков. Порядок ведения схемы-макета электроустановки указывается в инструкции энергопредприятия.

Б.10 Допускается ведение оперативной схемы на компьютере. Порядок ведения оперативной схемы на компьютере указывается в инструкции энергопредприятия.

Приложение В

ПОРЯДОК ПЕРЕКЛЮЧЕНИЙ В РАСПРЕДЕЛИТЕЛЬНЫХ ЭЛЕКТРОСЕТЯХ 0,4 кВ, ПИТАЮЩИХ ЭЛЕКТРОУСТАНОВКИ ПОТРЕБИТЕЛЕЙ, ИМЕЮЩИХ ЭЛЕКТРОСТАНЦИИ РЕЗЕРВНОГО ПИТАНИЯ

В.1 Электроустановки потребителей, имеющие небольшие резервные электростанции, предназначенные для питания нагрузки в случае прекращения электроснабжения от распределительных электросетей 0,4 кВ ПЭС, подключаются к распределительным электросетям ПЭС с помощью перекидного рубильника или другого коммутационного аппарата, исключающего возможность подачи напряжения от электростанции потребителя в распределительную сеть ПЭС.

В.2 Взаимоотношения оперативного персонала потребителей, обслуживающего указанные выше электроустановки, с диспетчером распределительных электросетей при переключении питания с одного источника на другой, а также при выводе в ремонт и включении в работу после ремонта питающих линий распределительных электросетей определяются инструкциями энергопредприятий. При этом операции с перекидным рубильником (или другим коммутационным аппаратом) допускается выполнять персоналу, обслуживающему электроустановку потребителя, по разрешению диспетчера распределительных электросетей ПЭС.

В.3 Отключение питающей линии распределительных электросетей для планового ремонта заранее согласовывается с потребителем, с тем чтобы потребитель мог своевременно обеспечить питание нагрузки от резервной электростанции.

В.4 На оперативной схеме диспетчера распределительных электросетей указываются места расположения всех электростанций потребителей, перечень которых систематически проверяется.

Приложение Г

ФОРМА БЛАНКА ПЕРЕКЛЮЧЕНИЯ

БЛАНК ПЕРЕКЛЮЧЕНИЯ № ____

начало _____ ч _____ мин

дата __ __________ 20__ г.

Электростанция

подстанция

Исходная схема: ____________________________________________________________

Задание ____________________________________________________________________

___________________________________________________________________________

___________________________________________________________________________

Последовательность производства операций при переключении 1 __________________

___________________________________________________________________________

___________________________________________________________________________

___________________________________________________________________________

___________________________________________________________________________

___________________________________________________________________________

___________________________________________________________________________

___________________________________________________________________________

___________________________________________________________________________

___________________________________________________________________________

___________________________________________________________________________

___________________________________________________________________________

___________________________________________________________________________

___________________________________________________________________________

___________________________________________________________________________

Бланк заполнил и переключение производит

___________________________________

подпись

Бланк проверил и переключение контролирует

____________________________________

подпись

Переключения разрешаю

___________________________________

подпись

 

СОДЕРЖАНИЕ

1 Общая часть. 1

2 Организация и порядок переключений. 5

2.1 Распоряжение о переключениях. 5

2.2 Бланки переключений. 7

2.3 Общие положения о переключениях. 10

2.4 Переключения в схемах РЗА.. 13

2.5 Переключения при ликвидации технологических нарушений. 14

2.6 Переключения при вводе в работу нового оборудования и проведении испытаний. 15

3 Выполнение переключений. 15

3.1 Проведение операций с выключателями, разъединителями, отделителями и выключателями нагрузки. 15

3.2 Снятие оперативного тока с приводов коммутационных аппаратов. 19

3.3 Проверка положений коммутационных аппаратов. 20

3.4 Действия с оперативной блокировкой. 21

3.5 Последовательность операций с коммутационными аппаратами присоединений линий, трансформаторов, синхронных компенсаторов и генераторов. 22

3.6 Последовательность операций при включении и отключении линий электропередачи. 29

4 Переключения при переводе присоединений с одной СШ на другую.. 32

5 Переключения при выводе оборудования в ремонт и при вводе его в работу после ремонта. 37

6 Способы вывода в ремонт и ввода в работу после ремонта выключателей. 45

7 Переключения в распределительных электросетях. 52

7.1 Особенности выполнения переключений. 52

7.2 Общие указания по выполнению переключений. 53

7.3 Последовательность операций при выполнении отдельных видов переключений. 55

Приложение А. Учет, наложение и снятие заземлений. 59

Приложение Б. Порядок ведения оперативной схемы и схемы-макета электрических соединений электростанций и подстанций. 60

Приложение В. Порядок переключений в распределительных электросетях 0,4 Кв, питающих электроустановки потребителей, имеющих электростанции резервного питания. 62

Приложение Г. Форма бланка переключения. 62

 

 



© 2013 Ёшкин Кот :-)