| |||||||||||||||||||||||||||||||||||||||||||||||||||||||||||||||||||||||||||||||||||||||||||||||||||||||||||||||||||||||||||||||||||||||||||||||||||||||||||||||||||||||||||||||||||||||||||||||||||||||||||||||||||||||||||||||||||||||||||||||||||||||||||||||||||||||||||||||||||||||||||||||||||||||||||||||||||||||||||||||||||||||||||||||||||||||||||||||||||||||||||||||||||||||||||||||||||||||||||||||||||||||||||||||||||||||||||||||||||||||||||||||||||||||||||||||||||||||||||||||||||||||||||||||||||||||||||||||||||||||||||||||||||||||||||||||||||||||||||||||||||||||||||||||||||||||||||||||||||||||||||||||||||||||||||||||||||||||||||||||||||||||||||||||||||||||||||||||||||||||||||||||||||||||||||||||||||||||||||||||||||||||||||||||||||||||||||||||||||||||||||||||||||||||||||||||||||||||||||||||||||||||||||||||||||||||||||||||||||||||||||||||||||||||||||||||||||||||||||||||||||||||||||||||||||||||||||||||||||||||||||||||||||||||||||||||||||||||||||||||||||||||||||||||||||||||||||||||||||||||
|
ОТРАСЛЕВОЙ СТАНДАРТ
Срок действия с 01. 01. 89 (Измененная редакция, Изм. № 1). Несоблюдение стандарта преследуется по закону. Настоящий стандарт распространяется на подвижные и неподвижные опоры стальных технологических трубопроводов на Ру до 10 МПа. Стандарт не распространяется на опоры трубопроводов с хладагентами и хладоносителями, трубопроводов электрических станций, а также трубопроводов, прокладываемых в вечномерзлых и пучинистых грунтах. Стандарт устанавливает классификацию, основные параметры, размеры, технические требования, комплектность, правила приемки, методы испытаний, требования к маркировке, упаковке, транспортированию, хранению, указания по монтажу и гарантии изготовителя. 1. Классификация1.1. Опоры стальных трубопроводов классифицируются по конструкции, назначению и применяемости в соответствии с таблицей 1.
Классификация опор
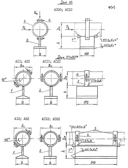
Примечания: 1. Буквами в шифре исполнения опоры разделены по конструктивным признакам (буква С обозначает сварной вариант). Первая цифра в шифре исполнения определяет высоту опоры от ее основания до нижней образующей трубы, вторая цифра - длину основания опоры. Для опор типов ШП и ВП цифра в обозначениях определяет их длину. 2. Буква «П» в графе «Применяемость» обозначает использование конструкции в качестве подвижной опоры, буква «Н» - в качестве неподвижной. 3. Упоры, показанные на эскизах хомутовых опор, применяются для неподвижных, а также подвижных опор типов КХ, КН для Дн ³ 377 мм. 1.2. Опоры типов ТП, ТХ, КП, КХ в зависимости от величины тепловых перемещений трубопровода изготавливаются в 3-х исполнениях по длине: - длиной 170 мм с перемещением до 90 мм; - длиной 340 мм с перемещением до 250 мм; - длиной 680 мм с перемещением до 600 мм. 1.3. Применением хомутовых опор рекомендуется при наличии угловых деформаций трубопровода. 1.4. Использование в опорах подушек или накладок определяется проектной организацией с учетом размеров трубопроводов и внешних нагрузок. 2. Основные параметры и размеры2.1. Опоры предназначены для крепления труб из углеродистой и низколегированной стали при строительстве технологических трубопроводов с наружным диаметром от 18 до 1420 мм, транспортирующих вещества с температурой от 0 до 450 °С и условным давлением Ру до 10 МПа при температуре окружающей среды до минус 70 °С. 2.2. Конструкция, размеры, масса и допускаемые расчетные нагрузки опор должны соответствовать указанным на чертежах 1 – 16 и в таблицах 1 – 16. 2.2.1. Величины осевых и боковых допускаемых расчетных нагрузок заданы при условии отсутствия внешних изгибающих моментов. 2.2.2. Пределы применения опор по допускаемым нагрузкам для трубопроводов, прокладываемых в сейсмических районах, устанавливает проектная организация. 2.3. Коды ОКП приведены в справочном приложении 1. 2.4. Методика расчета опор на прочность приведена в справочном приложении 2. 2.5. Все опоры условно обозначаются по следующей схеме: 3. Технические требования3.1. Опоры должны изготавливать в соответствии с требованиями настоящего стандарта по рабочим чертежам, утвержденным в установленном порядке. 3.2. Вид климатического исполнения по ГОСТ 15150-69 устанавливается в рабочих чертежах и заказе изделий. 3.3. Качество и свойства материала и полуфабрикатов для изготовления опор должны быть подтверждены сертификатами заводов-изготовителей этих материалов и полуфабрикатов. ОПОРЫ ТАВРОВЫЕ ПРИВАРНЫЕ - тип ТП DH £ 45 DH = 57 ¸ 89 Черт. 1, лист 1 DH = 108 ¸ 159 Сварные монтажные швы по ГОСТ 5264-80 x Для неподвижных опор. Величина К1 - по наименьшей толщине свариваемых деталей. Варить сплошным швом. 1 - тавр, изготовленный из двутавра по ГОСТ 8239-72; 2 - сварной тавр; 3 - ребро. Черт. 1, лист 2 Размеры, мм
Примечание: Значения h для опор, изготовленных путем разрезки двутавров, уменьшить на половину ширины реза, но не более, чем на 4 мм. Пример условного обозначения опоры типа ТП исполнения А11 из стали ВСт3пС для трубопровода Дн = 76 мм: ОПОРА 76-ТП-А11-ВСт3пС-ОСТ 36-…- ОПОРЫ ТАВРОВЫЕ ХОМУТОВЫЕ - тип ТХ Черт. 2, лист 1 Сварные монтажные швы по ГОСТ 5264-80 х Для неподвижных опор. Величина К1 - по наименьшей толщине свариваемых деталей. Варить сплошным швом. хх Каждое исполнение опор для Дн = 57 ¸ 89 мм предусматривает 2 варианта расположения креплений полухомутов: нормальное (болты параллельны вертикальной оси) и под углом 45 °С. 1, 2, 3, 4 - Опоры типа ТП соответственно тех же исполнений (черт. 1 табл. 2); 5 - полухомут (черт. 15 табл. 15); 6 - болт по ГОСТ 7798-70 с гайкой по ГОСТ 5915-70. Черт. 2, лист 2 Размеры, мм
Примечания: 1. В графе «В» в знаменателе дроби указан размер для исполнений опор с креплениями полухомутов под углом. 2. Значения массы опор приведены без учета массы упоров. 3. Для опор с креплениями полухомутов под углом в обозначении исполнения после цифр добавляется «У». Пример условного обозначения опоры типа TX исп. АС12 из стали 09Г2С для трубопровода Дн = 89 мм: ОПОРА 89-ТХ-АС12-09Г2С-ОСТ 36-…- То же с креплениями полухомутов под углом: ОПОРА 89-ТХ-АС12У-09Г2С-ОСТ 36-...- ОПОРЫ КОРПУСНЫЕ ПРИВАРНЫЕ - тип КП А11; А21; АС11; АС21 А12; А22; АС12; АС22 А13; А23; АС13; АС23 Черт. 3, лист 1 Б12; Б22ххх; БС12; БС22 Б13; Б23ххх; БС13; БС23 Сварные монтажные швы по ГОСТ 5264-80 х Для неподвижных опор. Варить сплошным швом. хх Варить сплошным швом. ххх Остальные размеры корпусов опор Б12, Б22, Б13, Б23, БС12, БС22, БС13, БС23 такие же, как и у опор А12, А22, А13, А23, АС12, АС22, АС13, АС23 соответственно. 1 - корпус штампованный или сварной (черт. 4, табл. 4); 2 - ребро; 3 - подушка. Черт. 3, лист 2 Сварные корпуса опор АС11, АС21, АС12, АС22, БС12, БС22 АС13, АС23, БС13, БС23 Размеры, мм
Примечания: 1. Допускается выполнять вырез под спутник с другими размерами. 2. Для опор с вырезом для спутника в обозначении исполнения после цифр добавляется «в». 3. Значения массы опор со сварными корпусами на 3 % выше указанных в таблице. Пример условного обозначения опоры типа КП исполнения А21 из стали марки ВСт3пс для трубопровода: Дн = 630 мм: ОПОРА 630-КП-А21-ВСт3пс-ОСТ 36-…- То же со сварным корпусом и вырезом для спутника: ОПОРА 630-КП-АС21вВСт3пс-ОСТ 36-…- ОПОРЫ КОРПУСНЫЕ ХОМУТОВЫЕ - тип КХ Сварные монтажные швы по ГОСТ 5264-80. х Для неподвижных опор, варить сплошным швом, см. черт. 3, табл. 4. хх Для неподвижных опор, а также подвижных при Дн = 377 мм; величина К - по наименьшей толщине свариваемых деталей варить сплошным швом. ххх См. черт. 3, узел IV, табл. 4. 1 - Опора типа КП соответственно того же исполнения (черт. 3, 4, табл. 4); 2 - полухомут (черт. 15, табл. 15); 3 - болт по ГОСТ 7798-70 с гайкой по ГОСТ 5915-70; 4 - упор (черт. 16, табл. 16). Черт. 5 Размеры, мм
Примечания: 1. Значения массы опор со сварными корпусами на 2 % выше указанных в таблице. 2. Значения массы опор приведены без учета массы упоров. Пример условного обозначения опоры типа КХ исполнения АС13 с вырезом для спутника из стали ВСт3пс для трубопровода Дн = 219 мм: ОПОРА 219-АС13в-ВСт3пс-ОСТ36-…- ОПОРЫ ТРУБЧАТЫЕ - тип ТР А1; А2 Б1; Б2 х Для неподвижных опор, варить сплошным швом. хх Величина К - по наименьшей толщине свариваемых деталей. 1 - Патрубок; 2 - плита. Размеры, мм
Примечание. Для опор с отверстиями в плите в обозначении исполнения после цифр добавляется «О». Пример условного обозначения опор типа ТР исполнения А1 из стали 20 для трубопровода Дн = 219 мм: ОПОРА 219 - ТР - А1 - 20 - ОСТ 36-...; То же с отверстиями в плите: ОПОРА 219 - ТР - А1О - 20 - ОСТ 36-... ОПОРЫ ШВЕЛЛЕРНЫЕ ПРИВАРНЫЕ - тип ШП * для неподвижных опор Размеры, мм
Пример условного обозначения опоры типа ШП исполнения А2 из стали ВСт3пс для трубопровода Дн = 273 мм: ОПОРА 273-ШП-А2-ВСт3пс-ОСТ 36-…-. ОПОРЫ УГОЛКОВЫЕ ПРИВАРНЫЕ - тип УП x Величина К - по наименьшей толщине свариваемых деталей. xx Для неподвижных опор, варить сплошным швом. 1 - Уголок № 12,5/8 по ГОСТ 8510-86; 2 - плита; 3 - подушка. Размеры, мм
Пример условного обозначения опоры типа УП исполнения А из стали ВСт3пс для трубопровода Дн = 1220 мм: ОПОРА 1220-УП-А-ВСт3пс-OСТ 36-…-. ОПОРЫ ХОМУТОВЫЕ БЕСКОРПУСНЫЕ - тип ХБ x Величина К - по наименьшей толщине свариваемых деталей, варить сплошным швом. xx Для неподвижных опор. 1 - Хомут (черт. 10, табл. 10); 2 - гайка по ГОСТ 5915-70; 3 - упор (черт. 16, табл. 16). Черт. 9 Размеры, мм
* Значения массы опор приведены без учета массы упоров. ** Для опор исполнения Г усилие Pz уменьшить соответственно в 2 раза. XОМУТ Размеры, мм
ОПОРЫ ТРУБЧАТЫЕ КРУТОИЗОГНУТЫХ ОТВОДОВ - тип ТО А1; А2 x Для неподвижных опор. Величина К - по наименьшей толщине свариваемых деталей. 1 - патрубок; 2 - плита.
Примечание. Для опор с отверстиями в плите в обозначении исполнения после цифр добавляется «О». Пример условного обозначения опор типа ТО исполнения А1 из стали 20 для трубопровода Дн = 219 мм: ОПОРА 219 - ТО - А1 - 20 - ОСТ 36-... То же с отверстиями в плите: ОПОРА 219 - ТО - А1О - 20 - ОСТ 36-... ОПОРЫ ВЕРТИКАЛЬНЫХ ТРУБОПРОВОДОВ - тип ВП А1, А2, Б1, Б2 АС1, АС2, БС1, БС2 x К - по наименьшей толщине свариваемых деталей, варить сплошным швом. 1 - корпус штампованный или сварной; 2 - накладка. Размеры, мм
* Исполнение только для Дн = 219 мм. ** Значения массы опор со сварными корпусами на 2 % выше указанных в таблице. Пример условного обозначения опоры типа ВП исполнения Б2 из стали 09Г2С для трубопровода Дн = 325 мм: ОПОРА 325-ВП-Б2-09Г2С-ОСТ36-... То же со сварным корпусом ОПОРА 325-ВП-БС2-09Г2С-ОСТ 36- ОПОРЫ КАТКОВЫЕ НАПРАВЛЯЮЩИЕ - тип КН Черт. 13, лист 1 Черт. 13, лист 2 Сварные монтажные швы по ГОСТ 5264-80. ** Величина К - по наименьшей толщине свариваемых деталей, варить сплошным швом. 1; 2 - Опоры соответственно типов КП тех же исполнений (черт. 3, 4, табл. 4) и КХ тех же цифровых исполнений (черт. 5, табл. 5); 3 - каток из блока типа БлОК по ГОСТ 14097-77; 4 - катки с угольником из блока типа БлДК по ГОСТ 14097-77; 5 - опорная плита из блока типа БлДК по ГОСТ 14097-77; 6 - опорная плита (черт. 14, табл. 14). Черт. 13, лист 3 Размеры, мм
Допускаемая вертикальная нагрузка Qy 1,5 кН на 1 см, контакта каждого катка с опорной плитой. Пример условного обозначения опоры типа КН исполнения Б13 из стали ВСт3пс для трубопровода Дн = 219 мм: ОПОРА 219-КН-Б13-ВСт3пс-ОСТ 36-.... Размеры, мм
ПОЛУХОМУТ Размеры, мм
Размеры, мм
3.4. При отсутствии сертификатов применение материалов и полуфабрикатов допускается после проведения испытаний, подтверждающих их соответствие требованиям нормативно-технической документации на материал и полуфабрикаты. 3.5. Детали опор должны изготавливаться из листового, полосового и круглого проката по ГОСТ 16523-70, ГОСТ 14637-79, ГОСТ 19903-74, ГОСТ 1577-81, ГОСТ 17066-80, ГОСТ 19282-73, ГОСТ 19281-73, ГОСТ 5520-79, ГОСТ 103-76, ГОСТ 2590-71, труб - по ГОСТ 8731-87 (группа В), ГОСТ 8732-78, ГОСТ 550-75, ГОСТ 10704-76, ГОСТ 10705-80 (группа В), швеллеров - по ГОСТ 8240-72, уголков - по ГОСТ 8510-86. 3.5.1. Марка стали для деталей опор должна соответствовать табл. 17 и 18. Материал опор
* Кроме опор для трубопроводов 1 - 3 категорий по СН 527-80. ** Минимальная расчетная температура равна средней температуре воздуха наиболее холодной пятидневки согласно СНиП 2.01.01-82. Материал крепежных деталей
3.5.2. Допускается изготавливать опоры из листового проката или труб по другим стандартам или техническим условиям, если установленные в них требования не ниже, чем в перечисленных нормативных документах. 3.5.3. Для изготовления подушек, накладок и упоров следует применять ту же марку стали, из которой изготовлен трубопровод. 3.6. Для сварки опор следует применять сварочные материалы в соответствии со СНиП II-23-81. 3.7. Сварные швы должны выполняться высокопроизводительным механизированным способом сварки без применения подкладок, подушек и подварочного шва. Допускается применение ручной дуговой сварки. При этом детали следует варить усиленным швом с катетом, равным 1,2 К. 3.7.1. Типы и размеры сварных швов следует принимать по ГОСТ 8713-79, ГОСТ 11533-75, ГОСТ 14771-76, ГОСТ 5264-80 и ГОСТ 11534-75. 3.8. Качество сварных швов должно соответствовать СНиП III-18-75. 3.9. Замена штампованных или гнутых корпусов на сварные допускается при изготовлении опор мелкими партиями или по согласованию с потребителем. 3.10. Резьба на деталях должна соответствовать ГОСТ 24705-81 Допуски на резьбу по грубому классу: для болтов 8g, гаек - 7Н по ГОСТ 16093-81. Выход резьбы, сбег, недорезы, проточки и фаски - по ГОСТ 10549-80. 3.11. Крепежные детали должны соответствовать: болты - ГОСТ 7798-70, гайки - ГОСТ 13466-77. Класс прочности болтов не ниже 4.6, гаек - 4 по ГОСТ 1759-70. 3.12. Предельные отклонения размеров по ГОСТ 25346-82: Н14, h14, 3.13. Отклонение от перпендикулярности d стенок опор относительно основания (или опорной плиты) должно быть не более 1 мм - на 100 мм высоты - черт. 17. 3.14. Отклонение от перпендикулярности d плоскости А относительно плоскости Б в корпусах опор типов КП, КХ должно быть не более 1 мм на 100 мм длины ребра - черт. 18. 3.15. На деталях опор прямоугольной формы, изготовленных из листа или полосовой стали отклонение от перпендикулярности короткой стороны относительно длинной должно быть не более 1,5 мм. 3.16. Для деталей опор, изготовленных штамповкой или вырубкой, допускаются следующие отклонения геометрической формы и размеров: утяжка по контуру l не более 0,3 S - черт. 19; угол скоса продольных кромок a не более 3° независимо от S - черт. 20 угол скоса кромок по периметру отверстий не более 3° - черт. 21; отклонение от плоскостности поверхностей не более 1 мм на 100 мм длины. 3.17. Исполнения опор типов КП, КХ, ВП, КН с подушками или накладками изготавливаются по согласованию между изготовителем и потребителем. 3.18. Опоры типов КП и КХ с вырезом для спутника изготавливаются по требованию потребителя. 3.19. Отверстия в опорной плите опор типов TO и TР исполнений А1, А2 следует выполнять по требованию потребителя. 3.20. Допускается изготовление подушек, накладок и упоров из обрезков труб. 3.21. Острые кромки деталей опор должны быть притуплены. 3.22. Поверхность деталей опор должна быть без трещин, задиров, раковин, пузырей, накатов. Сварные швы должны быть зачищены от грязи, окалины, шлака, брызг раскаленного металла. 3.23. Защита опор от коррозии должна выполняться в соответствии со СНиП 2.03.11-85, ГОСТ 9.401-79 и указываться в рабочих чертежах и заказе деталей. 3.24. Резьбовые части деталей опор, а также места маркировки, должны защищаться от коррозии смазкой ПВК по ГОСТ 19537-83 или другой смазкой равноценного качества. 4. Комплектность4.1. Опоры должны поставляться комплектно согласно рабочим чертежам, разработанным в установленном порядке. 4.2. Сборочные единицы и детали опор, входящие в состав комплекта поставки, должны соответствовать табл. 19. 4.3. Упоры поставляются в комплекте по согласованию потребителя с изготовителем. 5. Правила приемки5.1. Опоры должны быть приняты техническим контролем предприятия-изготовителя.
* Для опор типов КП, КХ, КН - корпус в сборе с ребрами (ребром); для опор типов ТО и ТР исполнений. А1 и А2 - корпус в сборе с опорной плитой; для опор типов ТП и ТХ исполнений Б12, Б22, БС12, БС22 - тавр в сборе с ребрами; ** В состав блока каткового для опор типа КН входят 2 катка с угольником (каток для исполнений А11, АС11, X11, ХС11), 2 опорные плиты. 5.2. Детали предъявляются к приемке партиями. 5.2.1. Партия должна состоять из деталей одного типоразмера. Размер партии определяется заказом потребителя, но не более 200 шт. 5.3. Для контроля качества на соответствие требованиям п.п. 3.7.1, 3.8, 3.10, 3.12 - 3.16 отбирают 3 % опор от партии, но не менее 5 шт. 5.4. При получении неудовлетворительных результатов контроля, хотя бы на одном образце по какому-либо из показателей качества, по этому показателю проводят повторный контроль на удвоенном числе образцов, отобранных от той же партии. Если при повторной проверке обнаружится хотя бы одно изделие, не удовлетворяющее требованиям настоящего стандарта, то всю партию подвергают поштучной приемке. 6. Методы контроля6.1. Внешний вид опор (п.п. 3.21, 3.22, 3.24) проверяют визуально без применения увеличительных приборов. 6.2. Геометрические размеры (п.п. 3.7.1, 3.12 - 3.16) проверяют шаблонами, угольниками, калибрами и другими контрольно-измерительными инструментами. При этом значения допускаемых погрешностей измерений следует принимать по ГОСТ 8.051-81. 6.3. Контроль сварных соединений опор осуществляют внешним осмотром и измерениями по СНиП III-18-75 и ГОСТ 3242-79. 6.4. Качество антикоррозионного покрытия (п.3.28) проверяют по СНиП 3.04.03-85 и ГОСТ 9.401-79. 7. Маркировка, упаковка, транспортирование, хранение.7.1. На наружную поверхность каждой опоры должна наноситься следующая маркировка: условное обозначение опоры без ее наименования и товарный знак изготовителя. Маркировку следует наносить любым способом, обеспечивающим ее сохранность при транспортировании и хранении. 7.2. К каждой партии опор должен быть приложен сертификат, заполненный ОТК предприятия-изготовителя, форма которого указана в рекомендуемом приложении 3. 7.3. Остальные требования к маркировке, упаковке, транспортированию и хранению должны соответствовать ГОСТ 22130-86. 8. Указания по монтажу8.1. Монтаж опор должен выполняться в соответствии с чертежами настоящего стандарта. 8.2. Для трубопроводов из углеродистой стали Дн до 89 мм с толщиной стенки менее 3 мм допускается применение газовой сварки. 8.3. Отклонения опор от проектного положения должны быть не более указанных в СНиП 3.05.05-84. Уклон опор в поперечном к оси трубопровода направлении - не более 0,005. 8.4. Опоры типов ТП и ТХ должны располагаться симметрично относительно вертикальной оси трубопровода. 8.5 Упоры следует располагать симметрично относительно оси трубопровода. 9. Гарантии изготовителя9.1. Гарантии изготовителя - по ГОСТ 22130-86. ПРИЛОЖЕНИЕ 1
| |||||||||||||||||||||||||||||||||||||||||||||||||||||||||||||||||||||||||||||||||||||||||||||||||||||||||||||||||||||||||||||||||||||||||||||||||||||||||||||||||||||||||||||||||||||||||||||||||||||||||||||||||||||||||||||||||||||||||||||||||||||||||||||||||||||||||||||||||||||||||||||||||||||||||||||||||||||||||||||||||||||||||||||||||||||||||||||||||||||||||||||||||||||||||||||||||||||||||||||||||||||||||||||||||||||||||||||||||||||||||||||||||||||||||||||||||||||||||||||||||||||||||||||||||||||||||||||||||||||||||||||||||||||||||||||||||||||||||||||||||||||||||||||||||||||||||||||||||||||||||||||||||||||||||||||||||||||||||||||||||||||||||||||||||||||||||||||||||||||||||||||||||||||||||||||||||||||||||||||||||||||||||||||||||||||||||||||||||||||||||||||||||||||||||||||||||||||||||||||||||||||||||||||||||||||||||||||||||||||||||||||||||||||||||||||||||||||||||||||||||||||||||||||||||||||||||||||||||||||||||||||||||||||||||||||||||||||||||||||||||||||||||||||||||||||||||||||||||||||||
|
КЧ |
Наименование |
Идентификационные признаки |
Назначение, принцип действия, технические характеристики изделия |
Дополнительные данные |
|
|
1 |
2 |
3 |
4 |
5 |
6 |
|
14 6881 0002 |
04 |
Опора тавровая приварная из стали ВСт3пс исполнение АС00/18-45 |
ОСТ 36-146-88 |
Опоры для технологических трубопроводов |
|
|
14 6881 0006 |
00 |
То же исполнение АС10/18-45 |
То же |
То же |
|
|
14 6881 0012 |
02 |
То же исполнение А11/57-89 |
-«- |
-«- |
|
|
14 6881 0016 |
09 |
То же исполнение А12/57-89 |
-«- |
-«- |
|
|
14 6881 0022 |
00 |
То же исполнение АС11/57-89 |
-«- |
-«- |
|
|
14 6881 0026 |
07 |
То же исполнение АС12/57-89 |
-«- |
-«- |
|
|
14 6881 0032 |
09 |
То же исполнение А21/57-89 |
-«- |
-«- |
|
|
14 6881 0036 |
05 |
То же исполнение А22/57-89 |
-«- |
-«- |
|
|
14 6881 0042 |
07 |
То же исполнение АС21/57-89 |
-«- |
-«- |
|
|
14 6881 0046 |
03 |
То же исполнение АС22/57-89 |
-«- |
-«- |
|
|
14 6881 0052 |
05 |
То же исполнение Б12/108-159 |
-«- |
-«- |
|
|
14 6881 0056 |
01 |
То же исполнение БС12/108-159 |
-«- |
-«- |
|
|
14 6881 0062 |
03 |
То же исполнение Б22/108-159 |
-«- |
-«- |
|
|
14 6881 0066 |
10 |
То же исполнение БС22/108-159 |
-«- |
-«- |
|
|
14 6881 0082 |
10 |
Опора тавровая приварная из стали ВСт3сп исполнение АС00/18-45 |
-«- |
-«- |
|
|
14 6881 0086 |
06 |
То же исполнение АС10/18-45 |
-«- |
-«- |
|
|
14 6881 0092 |
08 |
То же исполнение А11/57-89 |
-«- |
-«- |
|
|
14 6881 0096 |
04 |
Опора тавровая приварная из стали ВСт3сп исполнение А12/57-89 |
ОСТ 36-146-88 |
Опоры для технологических трубопроводов |
|
|
14 6881 0102 |
01 |
То же исполнение АС11/57-89 |
То же |
То же |
|
|
14 6881 0106 |
08 |
То же исполнение АС12/57-89 |
-«- |
-«- |
|
|
14 6881 0112 |
10 |
То же исполнение А21/57-89 |
-«- |
-«- |
|
|
14 6881 0116 |
06 |
То же исполнение А22/57-89 |
-«- |
-«- |
|
|
14 6881 0122 |
08 |
То же исполнение АС21/57-89 |
-«- |
-«- |
|
|
14 6881 0126 |
04 |
То же исполнение АС22/57-89 |
-«- |
-«- |
|
|
14 6881 0132 |
06 |
То же исполнение Б12/108-159 |
-«- |
-«- |
|
|
14 6881 0136 |
02 |
То же исполнение БС12/108-159 |
-«- |
-«- |
|
|
14 6881 0142 |
04 |
То же исполнение Б22/108-159 |
-«- |
-«- |
|
|
14 6881 0146 |
00 |
То же исполнение БС22/108-159 |
-«- |
-«- |
|
|
14 6881 0162 |
00 |
Опора тавровая приварная из стали 20 исполнение АС00/18-45 |
-«- |
-«- |
|
|
14 6881 0166 |
07 |
То же исполнение АС10/18-45 |
-«- |
-«- |
|
|
14 6881 0172 |
09 |
То же исполнение А11/57-89 |
-«- |
-«- |
|
|
14 6881 0176 |
05 |
То же исполнение А12/57-89 |
-«- |
-«- |
|
|
14 6881 0182 |
07 |
То же исполнение АС11/57-89 |
-«- |
-«- |
|
|
14 6881 0186 |
03 |
То же исполнение АС12/57-89 |
-«- |
-«- |
|
|
14 6881 0192 |
05 |
То же исполнение А21/57-89 |
-«- |
-«- |
|
|
14 6881 0196 |
01 |
То же исполнение А22/57-89 |
-«- |
-«- |
|
|
14 6881 0202 |
09 |
То же исполнение АС21/57-89 |
-«- |
-«- |
|
|
14 6881 0206 |
05 |
То же исполнение АС22/57-89 |
-«- |
-«- |
|
|
14 6881 0212 |
07 |
Опора тавровая приварная из стали 20 исполнение Б12/108-159 |
ОСТ 36-146-88 |
Опоры для технологических трубопроводов |
|
|
14 6881 0216 |
03 |
То же исполнение БС12/108-159 |
То же |
То же |
|
|
14 6881 0222 |
05 |
То же исполнение Б22/108-159 |
-«- |
-«- |
|
|
14 6881 0226 |
01 |
То же исполнение БС22/108-159 |
-«- |
-«- |
|
|
14 6881 0250 |
01 |
Опора тавровая приварная из стали 10Г2 исполнение АС00/18-45 |
-«- |
-«- |
|
|
14 6881 0256 |
06 |
То же исполнение АС10/18-45 |
-«- |
-«- |
|
|
14 6881 0262 |
08 |
То же исполнение А11/57-89 |
-«- |
-«- |
|
|
14 6881 0266 |
04 |
То же исполнение А12/57-89 |
-«- |
-«- |
|
|
14 6881 0272 |
06 |
То же исполнение АС11/57-89 |
-«- |
-«- |
|
|
14 6881 0276 |
02 |
То же исполнение АС12/57-89 |
-«- |
-«- |
|
|
14 6881 0282 |
04 |
То же исполнение А21/57-89 |
-«- |
-«- |
|
|
14 6881 0286 |
00 |
То же исполнение А22/57-89 |
-«- |
-«- |
|
|
14 6881 0292 |
02 |
То же исполнение АС21/57-89 |
-«- |
-«- |
|
|
14 6881 0296 |
09 |
То же исполнение АС22/57-89 |
-«- |
-«- |
|
|
14 6881 0302 |
07 |
То же исполнение Б12/108-159 |
-«- |
-«- |
|
|
14 6881 0306 |
01 |
То же исполнение БС12/108-159 |
-«- |
-«- |
|
|
14 6881 0312 |
05 |
То же исполнение Б22/108-159 |
-«- |
-«- |
|
|
14 6881 0316 |
10 |
То же исполнение БС22/108-159 |
-«- |
-«- |
|
|
14 6881 0340 |
00 |
Опора тавровая приварная из стали 09Г2С исполнение АС00/18-45 |
-«- |
-«- |
|
|
14 6881 0346 |
05 |
То же исполнение АС10/18-45 |
-«- |
-«- |
|
|
14 6881 0352 |
07 |
Опора тавровая приварная из стали 09Г2С исполнение А11/57-89 |
ОСТ 36-146-88 |
Опоры для технологических трубопроводов |
|
|
14 6881 0356 |
03 |
То же исполнение А12/57-89 |
То же |
То же |
|
|
14 6881 0362 |
05 |
То же исполнение АС11/57-89 |
-«- |
-«- |
|
|
14 6881 0366 |
01 |
То же исполнение АС12/57-89 |
-«- |
-«- |
|
|
14 6881 0372 |
03 |
То же исполнение А21/57-89 |
-«- |
-«- |
|
|
14 6881 0376 |
10 |
То же исполнение А22/57-89 |
-«- |
-«- |
|
|
14 6881 0382 |
01 |
То же исполнение АС21/57-89 |
-«- |
-«- |
|
|
14 6881 0386 |
08 |
То же исполнение АС22/57-89 |
-«- |
-«- |
|
|
14 6881 0392 |
10 |
То же исполнение Б12/108-159 |
-«- |
-«- |
|
|
14 6881 0396 |
06 |
То же исполнение БС12/108-159 |
-«- |
-«- |
|
|
14 6881 0402 |
03 |
То же исполнение Б22/108-159 |
-«- |
-«- |
|
|
14 6881 0406 |
10 |
То же исполнение БС22/108-159 |
-«- |
-«- |
|
|
14 6881 0502 |
00 |
Опора тавровая хомутовая из стали ВСт3пс исполнение АС00/18 |
-«- |
-«- |
|
|
14 6881 0506 |
07 |
То же исполнение АС00/ 25 |
-«- |
-«- |
|
|
14 6881 0510 |
00 |
То же исполнение АС00/ 32 |
-«- |
-«- |
|
|
14 6881 0516 |
05 |
То же исполнение АС10/ 32 |
-«- |
-«- |
|
|
14 6881 0520 |
09 |
То же исполнение АС10/ 38 |
-«- |
-«- |
|
|
14 6881 0526 |
03 |
То же исполнение АС10/ 45 |
-«- |
-«- |
|
|
14 6881 0530 |
07 |
То же исполнение А11/ 57 |
-«- |
-«- |
|
|
14 6881 0536 |
10 |
То же исполнение А12/ 57 |
-«- |
-«- |
|
|
14 6881 0540 |
05 |
То же исполнение АС11/57 |
-«- |
-«- |
|
|
14 6881 0546 |
10 |
Опора тавровая хомутовая из стали ВСт3пс исполнение АС12/57 |
ОСТ 36-146-88 |
Опоры для технологических трубопроводов |
|
|
14 6881 0550 |
03 |
То же исполнение А21/57 |
То же |
То же |
|
|
14 6881 0556 |
08 |
То же исполнение А22/57 |
-«- |
-«- |
|
|
14 6881 0560 |
01 |
То же исполнение АС21/57 |
-«- |
-«- |
|
|
14 6881 0566 |
06 |
То же исполнение АС22/57 |
-«- |
-«- |
|
|
14 6881 0570 |
10 |
То же исполнение А11/76 |
-«- |
-«- |
|
|
14 6881 0576 |
04 |
То же исполнение А12/76 |
-«- |
-«- |
|
|
14 6881 0580 |
08 |
То же исполнение АС11/76 |
-«- |
-«- |
|
|
14 6881 0586 |
02 |
То же исполнение АС12/76 |
-«- |
-«- |
|
|
14 6881 0590 |
06 |
То же исполнение А21/76 |
-«- |
-«- |
|
|
14 6881 0596 |
00 |
То же исполнение А22/76 |
-«- |
-«- |
|
|
14 6881 0600 |
10 |
То же исполнение АС21/76 |
-«- |
-«- |
|
|
14 6881 0606 |
04 |
То же исполнение АС22/76 |
-«- |
-«- |
|
|
14 6881 0610 |
08 |
То же исполнение А11/89 |
-«- |
-«- |
|
|
14 6881 0616 |
02 |
То же исполнение А12/89 |
-«- |
-«- |
|
|
14 6881 0620 |
06 |
То же исполнение АС11/89 |
-«- |
-«- |
|
|
14 6881 0626 |
00 |
То же исполнение АС12/89 |
-«- |
-«- |
|
|
14 6881 0630 |
04 |
То же исполнение А21/89 |
-«- |
-«- |
|
|
14 6881 0636 |
09 |
То же исполнение А22/89 |
-«- |
-«- |
|
|
14 6881 0640 |
02 |
То же исполнение АС21/89 |
-«- |
-«- |
|
|
14 6881 0646 |
07 |
То же исполнение АС22/89 |
-«- |
-«- |
|
|
14 6881 0650 |
00 |
То же исполнение Б12/108 |
-«- |
-«- |
|
|
14 6881 0656 |
05 |
То же исполнение БС12/108 |
-«- |
-«- |
|
|
14 6881 0660 |
09 |
Опора тавровая хомутовая из стали ВСт3пс исполнение Б22/108 |
ОСТ 36-146-88 |
Опоры для технологических трубопроводов |
|
|
14 6881 0666 |
03 |
То же исполнение БС22/108 |
То же |
То же |
|
|
14 6881 0670 |
07 |
То же исполнение Б12/133 |
-«- |
-«- |
|
|
14 6881 0676 |
01 |
То же исполнение БС12/133 |
-«- |
-«- |
|
|
14 6881 0680 |
05 |
То же исполнение Б22/133 |
-«- |
-«- |
|
|
14 6881 0686 |
10 |
То же исполнение БС22/133 |
-«- |
-«- |
|
|
14 6881 0690 |
03 |
То же исполнение Б12/159 |
-«- |
-«- |
|
|
14 6881 0696 |
08 |
То же исполнение БС12/159 |
-«- |
-«- |
|
|
14 6881 0700 |
07 |
То же исполнение Б22/159 |
-«- |
-«- |
|
|
14 6881 0706 |
01 |
То же исполнение БС22/159 |
-«- |
-«- |
|
|
14 6881 0802 |
02 |
Опора тавровая хомутовая из стали ВСт3сп исполнение АС00/18 |
-«- |
-«- |
|
|
14 6881 0806 |
09 |
То же исполнение АС00/25 |
-«- |
-«- |
|
|
14 6881 0810 |
02 |
То же исполнение АС00/32 |
-«- |
-«- |
|
|
14 6881 0812 |
00 |
То же исполнение АС10/32 |
-«- |
-«- |
|
|
14 6881 0814 |
09 |
То же исполнение АС10/38 |
-«- |
-«- |
|
|
14 6881 0816 |
07 |
То же исполнение АС10/45 |
-«- |
-«- |
|
|
14 6881 0820 |
00 |
То же исполнение А11/57 |
-«- |
-«- |
|
|
14 6881 0826 |
05 |
То же исполнение А12/57 |
-«- |
-«- |
|
|
14 6881 0830 |
09 |
То же исполнение АС11/57 |
-«- |
-«- |
|
|
14 6881 0836 |
03 |
То же исполнение АС12/57 |
-«- |
-«- |
|
|
14 6881 0840 |
07 |
То же исполнение А21/57 |
-«- |
-«- |
|
|
14 6881 0846 |
01 |
Опора тавровая хомутовая из стали ВСт3сп исполнение А22/57 |
ОСТ 36-146-88 |
Опоры для технологических трубопроводов |
|
|
14 6881 0850 |
05 |
То же исполнение АС21/57 |
То же |
То же |
|
|
14 6881 0856 |
10 |
То же исполнение АС22/57 |
-«- |
-«- |
|
|
14 6881 0860 |
03 |
То же исполнение А11/76 |
-«- |
-«- |
|
|
14 6881 0866 |
08 |
То же исполнение А12/76 |
-«- |
-«- |
|
|
14 6881 0870 |
01 |
То же исполнение АС11/76 |
-«- |
-«- |
|
|
14 6881 0876 |
06 |
То же исполнение АС12/76 |
-«- |
-«- |
|
|
14 6881 0880 |
10 |
То же исполнение А21/76 |
-«- |
-«- |
|
|
14 6881 0886 |
04 |
То же исполнение А22/76 |
-«- |
-«- |
|
|
14 6881 0890 |
08 |
То же исполнение АС21/76 |
-«- |
-«- |
|
|
14 6881 0896 |
02 |
То же исполнение АС22/76 |
-«- |
-«- |
|
|
14 6881 0900 |
01 |
То же исполнение А11/89 |
-«- |
-«- |
|
|
14 6881 0906 |
06 |
То же исполнение А12/89 |
-«- |
-«- |
|
|
14 6881 0910 |
10 |
То же исполнение АС11/89 |
-«- |
-«- |
|
|
14 6881 0916 |
04 |
То же исполнение АС12/89 |
-«- |
-«- |
|
|
14 6881 0920 |
08 |
То же исполнение А21/89 |
-«- |
-«- |
|
|
14 6881 0924 |
04 |
То же исполнение А22/89 |
-«- |
-«- |
|
|
14 6881 0926 |
02 |
То же исполнение АС21/89 |
-«- |
-«- |
|
|
14 6881 0930 |
06 |
То же исполнение АС22/89 |
-«- |
-«- |
|
|
14 6881 0936 |
00 |
То же исполнение Б12/108 |
-«- |
-«- |
|
|
14 6881 0940 |
04 |
То же исполнение БС12/108 |
-«- |
-«- |
|
|
14 6881 0946 |
09 |
То же исполнение Б22/108 |
-«- |
-«- |
|
|
14 6881 0950 |
02 |
То же исполнение БС22/108 |
-«- |
-«- |
|
|
14 6881 0956 |
07 |
Опора тавровая хомутовая из стали ВСт3сп исполнение Б12/133 |
ОСТ 36-146-88 |
Опоры для технологических трубопроводов |
|
|
14 6881 0960 |
00 |
То же исполнение БС12/133 |
То же |
То же |
|
|
14 6881 0966 |
05 |
То же исполнение Б22/133 |
-«- |
-«- |
|
|
14 6881 0970 |
09 |
То же исполнение БС22/133 |
-«- |
-«- |
|
|
14 6881 0976 |
03 |
То же исполнение Б12/159 |
-«- |
-«- |
|
|
14 6881 0980 |
07 |
То же исполнение БС12/159 |
-«- |
-«- |
|
|
14 6881 0986 |
01 |
То же исполнение Б22/159 |
-«- |
-«- |
|
|
14 6881 0990 |
05 |
То же исполнение БС22/159 |
-«- |
-«- |
|
|
14 6881 1002 |
00 |
Опора тавровая хомутовая из стали 20 исполнение АС00/18 |
-«- |
-«- |
|
|
14 6881 1006 |
07 |
То же исполнение АС00/25 |
-«- |
-«- |
|
|
14 6881 1010 |
00 |
То же исполнение АС00/32 |
-«- |
-«- |
|
|
14 6881 1016 |
05 |
То же исполнение АС10/32 |
-«- |
-«- |
|
|
14 6881 1020 |
09 |
То же исполнение АС10/38 |
-«- |
-«- |
|
|
14 6881 1026 |
03 |
То же исполнение АС10/45 |
-«- |
-«- |
|
|
14 6881 1030 |
07 |
То же исполнение А11/57 |
-«- |
-«- |
|
|
14 6881 1036 |
01 |
То же исполнение А12/57 |
-«- |
-«- |
|
|
14 6881 1040 |
05 |
То же исполнение АС11/57 |
-«- |
-«- |
|
|
14 6881 1046 |
10 |
То же исполнение АС12/57 |
-«- |
-«- |
|
|
14 6881 1050 |
03 |
То же исполнение А21/57 |
-«- |
-«- |
|
|
14 6881 1056 |
08 |
То же исполнение А22/57 |
-«- |
-«- |
|
|
14 6881 1060 |
01 |
То же исполнение АС21/57 |
-«- |
-«- |
|
|
14 6881 1066 |
06 |
Опора тавровая хомутовая из стали 20 исполнение АС22/57 |
ОСТ 36-146-88 |
Опоры для технологических трубопроводов |
|
|
14 6881 1070 |
10 |
То же исполнение А11/76 |
То же |
То же |
|
|
14 6881 1076 |
04 |
То же исполнение А12/76 |
-«- |
-«- |
|
|
14 6881 1080 |
08 |
То же исполнение АС11/76 |
-«- |
-«- |
|
|
14 6881 1086 |
02 |
То же исполнение АС12/76 |
-«- |
-«- |
|
|
14 6881 1090 |
06 |
То же исполнение А21/76 |
-«- |
-«- |
|
|
14 6881 1096 |
00 |
То же исполнение А22/76 |
-«- |
-«- |
|
|
14 §881 1100 |
10 |
То же исполнение АС21/76 |
-«- |
-«- |
|
|
14 6881 1106 |
04 |
То же исполнение АС22/76 |
-«- |
-«- |
|
|
14 6881 1110 |
08 |
То же исполнение А11/89 |
-«- |
-«- |
|
|
14 6881 1116 |
02 |
То же исполнение А12/89 |
-«- |
-«- |
|
|
14 6881 1120 |
06 |
То же исполнение АС11/89 |
-«- |
-«- |
|
|
14 6881 1126 |
00 |
То же исполнение АС12/89 |
-«- |
-«- |
|
|
14 6881 1130 |
04 |
То же исполнение А21/89 |
-«- |
-«- |
|
|
14 6881 1136 |
09 |
То же исполнение А22/89 |
-«- |
-«- |
|
|
14 6881 1140 |
02 |
То же исполнение АС21/89 |
-«- |
-«- |
|
|
14 6881 1146 |
07 |
То же исполнение АС22/89 |
-«- |
-«- |
|
|
14 6881 1150 |
00 |
То же исполнение Б12/108 |
-«- |
-«- |
|
|
14 6881 1156 |
05 |
То же исполнение БС12/108 |
-«- |
-«- |
|
|
14 6881 1160 |
09 |
То же исполнение Б22/108 |
-«- |
-«- |
|
|
14 6881 1166 |
03 |
То же исполнение БС22/108 |
-«- |
-«- |
|
|
14 6881 1170 |
07 |
То же исполнение Б12/133 |
-«- |
-«- |
|
|
14 6881 1176 |
01 |
То же исполнение БС12/133 |
-«- |
-«- |
|
|
14 6881 1180 |
05 |
Опора тавровая хомутовая из стали 20 исполнение Б22/133 |
ОСТ 36-146-88 |
Опоры для технологических трубопроводов |
|
|
14 6881 1186 |
10 |
То же исполнение БС22/133 |
То же |
То же |
|
|
14 6881 1190 |
03 |
То же исполнение Б12/159 |
-«- |
-«- |
|
|
14 6881 1196 |
08 |
То же исполнение БС12/159 |
-«- |
-«- |
|
|
14 6881 1200 |
07 |
То же исполнение Б22/159 |
-«- |
-«- |
|
|
14 6881 1206 |
01 |
То же исполнение БС22/159 |
-«- |
-«- |
|
|
14 6881 1210 |
05 |
Опора тавровая хомутовая из стали 10Г2 исполнение АС00/18 |
-«- |
-«- |
|
|
14 6881 1216 |
10 |
То же исполнение АС00/25 |
-«- |
-«- |
|
|
14 6881 1220 |
03 |
То же исполнение АС00/32 |
-«- |
-«- |
|
|
14 6881 1226 |
08 |
То же исполнение АС10/32 |
-«- |
-«- |
|
|
14 6881 1230 |
01 |
То же исполнение АС10/38 |
-«- |
-«- |
|
|
14 6881 1236 |
06 |
То же исполнение АС10/45 |
-«- |
-«- |
|
|
14 6881 1240 |
10 |
То же исполнение А11/57 |
-«- |
-«- |
|
|
14 6881 1246 |
04 |
То же исполнение А12/57 |
-«- |
-«- |
|
|
14 6881 1250 |
08 |
То же исполнение АС11/57 |
-«- |
-«- |
|
|
14 6881 1256 |
02 |
То же исполнение АС12/57 |
-«- |
-«- |
|
|
14 6881 1260 |
06 |
То же исполнение А21/57 |
-«- |
-«- |
|
|
14 6881 1266 |
00 |
То же исполнение А22/57 |
-«- |
-«- |
|
|
14 6881 1270 |
04 |
То же исполнение АС21/57 |
-«- |
-«- |
|
|
14 6881 1276 |
09 |
То же исполнение АС22/57 |
-«- |
-«- |
|
|
14 6881 1280 |
02 |
То же исполнение А11/76 |
-«- |
-«- |
|
|
14 6881 1286 |
07 |
Опора тавровая хомутовая из стали 10Г2 исполнение А12/76 |
ОСТ 36-146-88 |
Опоры для технологических трубопроводов |
|
|
14 6881 1290 |
00 |
То же исполнение АС11/76 |
То же |
То же |
|
|
14 6881 1296 |
05 |
То же исполнение АС12/76 |
-«- |
-«- |
|
|
14 6881 1300 |
04 |
То же исполнение А21/76 |
-«- |
-«- |
|
|
14 6881 1306 |
09 |
То же исполнение А22/76 |
-«- |
-«- |
|
|
14 6881 1310 |
02 |
То же исполнение АС21/76 |
-«- |
-«- |
|
|
14 6881 1316 |
07 |
,То же исполнение АС22/76 |
-«- |
-«- |
|
|
14 6881 1320 |
00 |
То же исполнение А11/89 |
-«- |
-«- |
|
|
14 6881 1326 |
05 |
То же исполнение А12/89 |
-«- |
-«- |
|
|
14 6881 1330 |
09 |
То же исполнение АС11/89 |
-«- |
-«- |
|
|
14 6881 1336 |
03 |
То же исполнение АС12/89 |
-«- |
-«- |
|
|
14 6881 1340 |
07 |
То же исполнение А21/89 |
-«- |
-«- |
|
|
14 6881 1346 |
01 |
То же исполнение А22/89 |
-«- |
-«- |
|
|
14 6881 1350 |
05 |
То же исполнение АС21/89 |
-«- |
-«- |
|
|
14 6881 1356 |
10 |
То же исполнение АС22/89 |
-«- |
-«- |
|
|
14 6881 1360 |
03 |
То же исполнение Б12/108 |
-«- |
-«- |
|
|
14 6881 1366 |
08 |
То же исполнение БС12/108 |
-«- |
-«- |
|
|
14 6881 1370 |
01 |
То же исполнение Б22/108 |
-«- |
-«- |
|
|
14 6881 1376 |
06 |
То же исполнение БС22/108 |
-«- |
-«- |
|
|
14 6881 1380 |
10 |
То же исполнение Б12/133 |
-«- |
-«- |
|
|
14 6881 1386 |
04 |
То же исполнение БС12/133 |
-«- |
-«- |
|
|
14 6881 1390 |
08 |
Опора тавровая хомутовая из стали 10Г2 исполнение Б22/133 |
ОСТ 36-146-88 |
Опоры для технологических трубопроводов |
|
|
14 6881 1396 |
02 |
То же исполнение БС22/133 |
То же |
То же |
|
|
14 6881 1400 |
01 |
То же исполнение Б12/159 |
-«- |
-«- |
|
|
14 6881 1406 |
06 |
То же исполнение БС12/159 |
-«- |
-«- |
|
|
14 6881 1410 |
10 |
То же исполнение Б22/159 |
-«- |
-«- |
|
|
14 6881 1420 |
08 |
То же исполнение БС22/159 |
-«- |
-«- |
|
|
14 6881 1426 |
02 |
Шпора тавровая хомутовая из стали 09Г2С исполнение АС00/18 |
-«- |
-«- |
|
|
14 6881 1430 |
06 |
То же исполнение АС00/25 |
-«- |
-«- |
|
|
14 6881 1436 |
00 |
То же исполнение АС00/32 |
-«- |
-«- |
|
|
14 6881 1440 |
04 |
То же исполнение АС10/32 |
-«- |
-«- |
|
|
14 6881 1446 |
09 |
То же исполнение АС10/38 |
-«- |
-«- |
|
|
14 6881 1460 |
00 |
То же исполнение АС10/45 |
-«- |
-«- |
|
|
14 6881 1466 |
05 |
То же исполнение А11/57 |
-«- |
-«- |
|
|
14 6881 1470 |
09 |
То же исполнение А12/57 |
-«- |
-«- |
|
|
14 6881 1476 |
03 |
То же исполнение АС11/57 |
-«- |
-«- |
|
|
14 6881 1480 |
07 |
То же исполнение АС12/57 |
-«- |
-«- |
|
|
14 6881 1486 |
01 |
То же исполнение А21/57 |
-«- |
-«- |
|
|
14 6881 1490 |
05 |
То же исполнение А22/57 |
-«- |
-«- |
|
|
14 6881 1496 |
10 |
То же исполнение АС21/57 |
-«- |
-«- |
|
|
14 6881 1500 |
09 |
То же исполнение АС22/57 |
-«- |
-«- |
|
|
14 6881 1506 |
03 |
То же исполнение А11/76 |
-«- |
-«- |
|
|
14 6881 1510 |
07 |
То же исполнение А12/76 |
-«- |
-«- |
|
|
14 6881 1516 |
01 |
Опора тавровая хомутовая из стали 09Г2С исполнение АС11/76 |
ОСТ 36-146-88 |
Опоры для технологических трубопроводов |
|
|
14 6881 1520 |
05 |
То же исполнение АС12/76 |
То же |
То же |
|
|
14 6881 1526 |
10 |
То же исполнение А21/76 |
-«- |
-«- |
|
|
14 6881 1530 |
03 |
То же исполнение А22/76 |
-«- |
-«- |
|
|
14 6881 1536 |
08 |
То же исполнение АС11/76 |
-«- |
-«- |
|
|
14 6881 1540 |
01 |
То же исполнение АС22/76 |
-«- |
-«- |
|
|
14 6881 1546 |
06 |
То же исполнение А11/89 |
-«- |
-«- |
|
|
14 6881 1550 |
10 |
То же исполнение А12/89 |
-«- |
-«- |
|
|
14 6881 1556 |
04 |
То же исполнение АС11/89 |
-«- |
-«- |
|
|
14 6881 1560 |
08 |
То же исполнение АС12/89 |
-«- |
-«- |
|
|
14 6881 1566 |
02 |
То же исполнение А21/89 |
-«- |
-«- |
|
|
14 6881 1570 |
06 |
То же исполнение А22/89 |
-«- |
-«- |
|
|
14 6881 1576 |
00 |
То же исполнение АС21/89 |
-«- |
-«- |
|
|
14 6881 1580 |
04 |
То же исполнение АС22/89 |
-«- |
-«- |
|
|
14 6881 1586 |
09 |
То же исполнение Б12/108 |
-«- |
-«- |
|
|
14 6881 1590 |
02 |
То же исполнение БС12/108 |
-«- |
-«- |
|
|
14 6881 1596 |
07 |
То же исполнение Б22/108 |
-«- |
-«- |
|
|
14 6881 1600 |
06 |
То же исполнение БС22/108 |
-«- |
-«- |
|
|
14 6881 1606 |
00 |
То же исполнение Б12/133 |
-«- |
-«- |
|
|
14 6881 1610 |
04 |
То же исполнение БС12/133 |
-«- |
-«- |
|
|
14 6881 1616 |
09 |
То же исполнение Б22/133 |
-«- |
-«- |
|
|
14 6881 1620 |
02 |
То же исполнение БС22/133 |
-«- |
-«- |
|
|
14 6881 1626 |
07 |
То же исполнение Б12/159 |
-«- |
-«- |
|
|
14 6881 1630 |
00 |
Опора тавровая хомутовая из стали 09Г2С исполнение БС12/159 |
ОСТ 36-146-88 |
Опоры для технологических трубопроводов |
|
|
14 6881 1636 |
05 |
То же исполнение Б22/159 |
То же |
То же |
|
|
14 6881 1640 |
09 |
То же исполнение БС22/159 |
-«- |
-«- |
|
|
14 6881 1700 |
03 |
Опора корпусная приварная из стали ВСт3сп исполнение А11/57 |
-«- |
-«- |
|
|
14 6881 1702 |
01 |
То же исполнение А12/57 |
-«- |
-«- |
|
|
14 6881 1704 |
10 |
То же исполнение А21/57 |
-«- |
-«- |
|
|
14 6881 1706 |
08 |
То же исполнение А22/57 |
-«- |
-«- |
|
|
14 6881 1708 |
06 |
То же исполнение А11/76 |
-«- |
-«- |
|
|
14 6881 1710 |
01 |
То же исполнение А12/76 |
-«- |
-«- |
|
|
14 6881 1712 |
10 |
То же исполнение А21/76 |
-«- |
-«- |
|
|
14 6881 1714 |
08 |
То же исполнение А22/76 |
-«- |
-«- |
|
|
14 6881 1716 |
06 |
То же исполнение А11/89 |
-«- |
-«- |
|
|
14 6881 1718 |
04 |
То же исполнение А12/89 |
-«- |
-«- |
|
|
14 6881 1720 |
10 |
То же исполнение А21/89 |
-«- |
-«- |
|
|
14 6881 1722 |
08 |
То же исполнение А22/89 |
-«- |
-«- |
|
|
14 6881 1724 |
06 |
То же исполнение А11/108 |
-«- |
-«- |
|
|
14 6881 1726 |
04 |
То же исполнение А12/108 |
-«- |
-«- |
|
|
14 6881 1728 |
02 |
То же исполнение А21/108 |
-«- |
-«- |
|
|
14 6881 1730 |
08 |
То же исполнение А22/108 |
-«- |
-«- |
|
|
14 6881 1732 |
06 |
То же исполнение А11/133 |
-«- |
-«- |
|
|
14 6881 1734 |
04 |
То же исполнение А12/133 |
-«- |
-«- |
|
|
14 6881 1736 |
02 |
Опора корпусная приварная из стали ВСт3кп исполнение А21/133 |
ОСТ 36-146-88 |
Опоры для технологических трубопроводов |
|
|
14 6881 1738 |
00 |
То же исполнение А22/133 |
То же |
То же |
|
|
14 6881 1740 |
06 |
То же исполнение А11/159 |
-«- |
-«- |
|
|
14 6881 1742 |
04 |
То же исполнение А12/159 |
-«- |
-«- |
|
|
14 6881 1744 |
02 |
То же исполнение А21/159 |
-«- |
-«- |
|
|
14 6881 1746 |
00 |
То же исполнение А22/159 |
-«- |
-«- |
|
|
14 6881 1748 |
09 |
То же исполнение А11/219 |
-«- |
-«- |
|
|
14 6881 1750 |
04 |
То же исполнение А12/219 |
-«- |
-«- |
|
|
14 6881 1752 |
02 |
То же исполнение А13/219 |
-«- |
-«- |
|
|
14 6881 1754 |
00 |
То же исполнение Б12/219 |
-«- |
-«- |
|
|
14 6881 1756 |
09 |
То же исполнение Б13/219 |
-«- |
-«- |
|
|
14 6881 1758 |
07 |
То же исполнение А21/219 |
-«- |
-«- |
|
|
14 6881 1760 |
02 |
То же исполнение А22/219 |
-«- |
-«- |
|
|
14 6881 1762 |
00 |
То же исполнение А23/219 |
-«- |
-«- |
|
|
14 6881 1764 |
09 |
То же исполнение Б22/219 |
-«- |
-«- |
|
|
14 6881 1766 |
07 |
То же исполнение Б23/219 |
-«- |
-«- |
|
|
14 6881 1768 |
05 |
То же исполнение А11/273 |
-«- |
-«- |
|
|
14 6881 1770 |
00 |
То же исполнение А12/273 |
-«- |
-«- |
|
|
14 6881 1772 |
09 |
То же исполнение А13/273 |
-«- |
-«- |
|
|
14 6881 1774 |
07 |
То же исполнение Б12/273 |
-«- |
-«- |
|
|
14 6881 1776 |
05 |
То же исполнение Б13/273 |
-«- |
-«- |
|
|
14 6881 1778 |
03 |
То же исполнение А21/273 |
-«- |
-«- |
|
|
14 6881 1780 |
09 |
То же исполнение А22/273 |
-«- |
-«- |
|
|
14 6881 1782 |
07 |
Опора корпусная приварная из стали ВСт3кп исполнение А23/273 |
ОСТ 36-146-88 |
Опоры для технологических трубопроводов |
|
|
14 6881 1784 |
05 |
То же исполнение Б22/273 |
То же |
То же |
|
|
14 6881 1786 |
03 |
То же исполнение Б23/273 |
-«- |
-«- |
|
|
14 6881 1788 |
01 |
То же исполнение А11/325 |
-«- |
-«- |
|
|
14 6881 1790 |
07 |
То же исполнение А12/325 |
-«- |
-«- |
|
|
14 6881 1792 |
05 |
То же исполнение А13/325 |
-«- |
-«- |
|
|
14 6881 1794 |
03 |
То же исполнение Б12/325 |
-«- |
-«- |
|
|
14 6881 1796 |
01 |
То же исполнение Б13/325 |
-«- |
-«- |
|
|
14 6881 1798 |
10 |
То же исполнение А21/325 |
-«- |
-«- |
|
|
14 6881 1800 |
00 |
То же исполнение А22/325 |
-«- |
-«- |
|
|
14 6881 1802 |
09 |
То же исполнение А23/325 |
-«- |
-«- |
|
|
14 6881 1804 |
07 |
То же исполнение Б22/325 |
-«- |
-«- |
|
|
14 6881 1806 |
05 |
То же исполнение Б23/325 |
-«- |
-«- |
|
|
14 6881 1808 |
03 |
То же исполнение А11/377 |
-«- |
-«- |
|
|
14 6881 1810 |
09 |
То же исполнение А12/377 |
-«- |
-«- |
|
|
14 6881 1812 |
07 |
То же исполнение А13/377 |
-«- |
-«- |
|
|
14 6881 1814 |
05 |
То же исполнение Б12/377 |
-«- |
-«- |
|
|
14 6881 1816 |
03 |
То же исполнение Б13/377 |
-«- |
-«- |
|
|
14 6881 1818 |
01 |
То же исполнение А21/377 |
-«- |
-«- |
|
|
14 6881 1820 |
07 |
То же исполнение А22/377 |
-«- |
-«- |
|
|
14 6881 1822 |
05 |
То же исполнение А23/377 |
-«- |
-«- |
|
|
14 6881 1824 |
03 |
То же исполнение Б22/377 |
-«- |
-«- |
|
|
14 6881 1826 |
01 |
То же исполнение Б23/377 |
-«- |
-«- |
|
|
14 6881 1828 |
10 |
Опора корпусная приварная из стали ВСт3сп исполнение А11/57 |
ОСТ 36-146-88 |
Опоры для технологических трубопроводов |
|
|
14 6881 1830 |
05 |
То же исполнение А12/57 |
То же |
То же |
|
|
14 6881 1832 |
03 |
То же исполнение А21/57 |
-«- |
-«- |
|
|
14 6881 1834 |
01 |
То же исполнение А22/57 |
-«- |
-«- |
|
|
14 6881 1836 |
10 |
То же исполнение А11/76 |
-«- |
-«- |
|
|
14 6881 1838 |
08 |
То же исполнение А12/76 |
-«- |
-«- |
|
|
14 6881 1840 |
03 |
То же исполнение А21/76 |
-«- |
-«- |
|
|
14 6881 1842 |
01 |
То же исполнение А22/76 |
-«- |
-«- |
|
|
14 6881 1844 |
10 |
То же исполнение А11/89 |
-«- |
-«- |
|
|
14 6881 1846 |
08 |
То же исполнение А12/89 |
-«- |
-«- |
|
|
14 6881 1848 |
06 |
То же исполнение А21/89 |
-«- |
-«- |
|
|
14 6881 1850 |
01 |
То же исполнение А22/89 |
-«- |
-«- |
|
|
14 6881 1852 |
10 |
То же исполнение А11/108 |
-«- |
-«- |
|
|
14 6881 1854 |
08 |
То же исполнение А12/108 |
-«- |
-«- |
|
|
14 6881 1856 |
06 |
То же исполнение А21/108 |
-«- |
-«- |
|
|
14 6881 1858 |
04 |
То же исполнение А22/108 |
-«- |
-«- |
|
|
14 6881 1860 |
10 |
То же исполнение А11/133 |
-«- |
-«- |
|
|
14 6881 1862 |
08 |
То же исполнение А12/133 |
-«- |
-«- |
|
|
14 6881 1864 |
06 |
То же исполнение А21/133 |
-«- |
-«- |
|
|
14 6881 1866 |
04 |
То же исполнение А22/133 |
-«- |
-«- |
|
|
14 6881 1868 |
02 |
То же исполнение А11/159 |
-«- |
-«- |
|
|
14 6881 1870 |
08 |
То же исполнение А12/159 |
-«- |
-«- |
|
|
14 6881 1872 |
06 |
То же исполнение А21/159 |
-«- |
-«- |
|
|
14 6881 1874 |
04 |
То же исполнение А22/159 |
-«- |
-«- |
|
|
14 6881 1876 |
02 |
Опора корпусная приварная из стали ВСт3пс исполнение А11/219 |
ОСТ 36-146-88 |
Опоры для технологических трубопроводов |
|
|
14 6881 1878 |
00 |
То же исполнение А12/219 |
То же |
То же |
|
|
14 6881 1880 |
06 |
То же исполнение А13/219 |
-«- |
-«- |
|
|
14 6881 1882 |
04 |
То же исполнение Б12/219 |
-«- |
-«- |
|
|
14 6881 1884 |
02 |
То же исполнение Б13/219 |
-«- |
-«- |
|
|
14 6881 1886 |
00 |
То же исполнение А21/219 |
-«- |
-«- |
|
|
14 6881 1888 |
09 |
То же исполнение А22/219 |
-«- |
-«- |
|
|
14 6881 1890 |
04 |
То же исполнение А23/219 |
-«- |
-«- |
|
|
14 6881 1892 |
02 |
То же исполнение Б22/219 |
-«- |
-«- |
|
|
14 6881 1894 |
00 |
То же исполнение Б23/219 |
-«- |
-«- |
|
|
14 6881 1996 |
09 |
То же исполнение А11/273 |
-«- |
-«- |
|
|
14 6881 1898 |
07 |
То же исполнение А12/273 |
-«- |
-«- |
|
|
14 6881 1900 |
08 |
То же исполнение А13/273 |
-«- |
-«- |
|
|
14 6881 1902 |
06 |
То же исполнение Б12/273 |
-«- |
-«- |
|
|
14 6881 1904 |
04 |
То же исполнение Б13/273 |
-«- |
-«- |
|
|
14 6881 1906 |
02 |
То же исполнение А21/273 |
-«- |
-«- |
|
|
14 6881 1908 |
00 |
То же исполнение А22/273 |
-«- |
-«- |
|
|
14 6881 1910 |
06 |
То же исполнение А23/273 |
-«- |
-«- |
|
|
14 6881 1912 |
04 |
То же исполнение Б22/273 |
-«- |
-«- |
|
|
14 6881 1914 |
02 |
То же исполнение Б23/273 |
-«- |
-«- |
|
|
14 6881 1916 |
00 |
То же исполнение А11/325 |
-«- |
-«- |
|
|
14 6881 1918 |
09 |
То же исполнение А12/325 |
-«- |
-«- |
|
|
14 6881 1920 |
04 |
То же исполнение А13/325 |
-«- |
-«- |
|
|
14 6881 1922 |
02 |
Опора корпусная приварная из стали ВСт3пс исполнение Б12/325 |
ОСТ 36-146-88 |
Опоры для технологических трубопроводов |
|
|
14 6881 1924 |
00 |
То же исполнение Б13/325 |
То же |
То же |
|
|
14 6881 1926 |
09 |
То же исполнение А21/325 |
-«- |
-«- |
|
|
14 6881 1928 |
07 |
То же исполнение А22/325 |
-«- |
-«- |
|
|
14 6881 1930 |
02 |
То же исполнение А23/325 |
-«- |
-«- |
|
|
14 6881 1932 |
00 |
То же исполнение Б22/325 |
-«- |
-«- |
|
|
14 6881 1934 |
09 |
То же исполнение Б23/325 |
-«- |
-«- |
|
|
14 6881 1936 |
07 |
То же исполнение А11/377 |
-«- |
-«- |
|
|
14 6881 1938 |
05 |
То же исполнение А12/377 |
-«- |
-«- |
|
|
14 6881 1940 |
00 |
То же исполнение А13/377 |
-«- |
-«- |
|
|
14 6881 1942 |
09 |
То же исполнение Б12/377 |
-«- |
-«- |
|
|
14 6881 1944 |
07 |
То же исполнение Б13/377 |
-«- |
-«- |
|
|
14 6881 1946 |
05 |
То же исполнение А21/377 |
-«- |
-«- |
|
|
14 6881 1948 |
03 |
То же исполнение А22/377 |
-«- |
-«- |
|
|
14 6881 1950 |
09 |
То же исполнение А23/377 |
-«- |
-«- |
|
|
14 6881 1952 |
07 |
То же исполнение Б22/377 |
-«- |
-«- |
|
|
14 6881 1954 |
05 |
То же исполнение Б23/377 |
-«- |
-«- |
|
|
14 6881 1956 |
03 |
То же исполнение А11/426 |
-«- |
-«- |
|
|
14 6881 1958 |
01 |
То же исполнение А12/426 |
-«- |
-«- |
|
|
14 6881 1960 |
07 |
То же исполнение А13/426 |
-«- |
-«- |
|
|
14 6881 1962 |
05 |
То же исполнение Б12/426 |
-«- |
-«- |
|
|
14 6881 1964 |
03 |
То же исполнение Б13/426 |
-«- |
-«- |
|
|
14 6881 1966 |
01 |
Опора корпусная приварная из стали ВСт3пс исполнение А21/426 |
ОСТ 36-146-88 |
Опоры для технологических трубопроводов |
|
|
14 6881 1968 |
10 |
То же исполнение А22/426 |
То же |
То же |
|
|
14 6881 1970 |
05 |
То же исполнение А23/426 |
-«- |
-«- |
|
|
14 6881 1972 |
03 |
То же исполнение Б22/426 |
-«- |
-«- |
|
|
14 6881 1974 |
01 |
То же исполнение Б23/426 |
-«- |
-«- |
|
|
14 6881 1976 |
10 |
То же исполнение А11/530 |
-«- |
-«- |
|
|
14 6881 1978 |
08 |
То же исполнение А12/530 |
-«- |
-«- |
|
|
14 6881 1980 |
03 |
То же исполнение А13/530 |
-«- |
-«- |
|
|
14 6881 1982 |
01 |
То же исполнение Б12/530 |
-«- |
-«- |
|
|
14 6881 1984 |
10 |
То же исполнение Б13/530 |
-«- |
-«- |
|
|
14 6881 1986 |
08 |
То же исполнение А21/530 |
-«- |
-«- |
|
|
14 6881 1988 |
06 |
То же исполнение А22/530 |
-«- |
-«- |
|
|
14 6881 1990 |
01 |
То же исполнение А23/530 |
-«- |
-«- |
|
|
14 6881 1992 |
10 |
То же исполнение Б22/530 |
-«- |
-«- |
|
|
14 6881 1994 |
08 |
То же исполнение Б23/530 |
-«- |
-«- |
|
|
14 6881 1996 |
06 |
То же исполнение А11/630 |
-«- |
-«- |
|
|
14 6881 1998 |
04 |
То же исполнение А12/630 |
-«- |
-«- |
|
|
14 6881 2000 |
09 |
То же исполнение А13/630 |
-«- |
-«- |
|
|
14 6881 2002 |
07 |
То же исполнение Б12/630 |
-«- |
-«- |
|
|
14 6881 2004 |
05 |
То же исполнение Б13/630 |
-«- |
-«- |
|
|
14 6881 2006 |
03 |
То же исполнение А21/630 |
-«- |
-«- |
|
|
14 6881 2008 |
01 |
То же исполнение А22/630 |
-«- |
-«- |
|
|
14 6881 2010 |
07 |
То же исполнение А23/630 |
-«- |
-«- |
|
|
14 6881 2012 |
05 |
Опора корпусная приварная из стали ВСт3пс исполнение Б22/630 |
ОСТ 36-146-88 |
Опоры для технологических трубопроводов |
|
|
14 6881 2014 |
03 |
То же исполнение Б23/630 |
То же |
То же |
|
|
14 6881 2016 |
01 |
То же исполнение А12/820 |
-«- |
-«- |
|
|
14 6881 2018 |
10 |
То же исполнение А13/820 |
-«- |
-«- |
|
|
14 6881 2020 |
05 |
То же исполнение Б12/820 |
-«- |
-«- |
|
|
14 6881 2022 |
03 |
То же исполнение Б13/820 |
-«- |
-«- |
|
|
14 6881 2024 |
01 |
То же исполнение А22/820 |
-«- |
-«- |
|
|
14 6881 2026 |
10 |
То же исполнение А23/820 |
-«- |
-«- |
|
|
14 6881 2028 |
08 |
То же исполнение Б22/820 |
-«- |
-«- |
|
|
14 6881 2030 |
03 |
То же исполнение Б23/820 |
-«- |
-«- |
|
|
14 6881 2032 |
01 |
То же исполнение А12/1020 |
-«- |
-«- |
|
|
14 6881 2034 |
10 |
То же исполнение А13/1020 |
-«- |
-«- |
|
|
14 6881 2036 |
08 |
То же исполнение Б12/1020 |
-«- |
-«- |
|
|
14 6881 2038 |
06 |
То же исполнение Б13/1020 |
-«- |
-«- |
|
|
14 6881 2040 |
01 |
То же исполнение А22/1020 |
-«- |
-«- |
|
|
14 6881 2042 |
10 |
То же исполнение А23/1020 |
-«- |
-«- |
|
|
14 6881 2044 |
08 |
То же исполнение Б22/1020 |
-«- |
-«- |
|
|
14 6881 2046 |
06 |
То же исполнение Б23/1020 |
-«- |
-«- |
|
|
14 6881 2048 |
04 |
То же исполнение А12/1220 |
-«- |
-«- |
|
|
14 6881 2050 |
10 |
То же исполнение А13/1220 |
-«- |
-«- |
|
|
14 6881 2052 |
08 |
То же исполнение Б12/1220 |
-«- |
-«- |
|
|
14 6881 2054 |
06 |
То же исполнение Б13/1220 |
-«- |
-«- |
|
|
14 6881 2056 |
04 |
То же исполнение А22/1220 |
-«- |
-«- |
|
|
14 6881 2058 |
02 |
Опора корпусная приварная из стали ВСт3пс исполнение А23/1220 |
ОСТ 36-146-88 |
Опоры для технологических трубопроводов |
|
|
14 6881 2060 |
08 |
То же исполнение Б22/1220 |
То же |
То же |
|
|
14 6881 2062 |
06 |
То же исполнение Б23/1220 |
-«- |
-«- |
|
|
14 6881 2064 |
04 |
То же исполнение А12/1420 |
-«- |
-«- |
|
|
14 6881 2066 |
02 |
То же исполнение А13/1420 |
-«- |
-«- |
|
|
14 6881 2068 |
00 |
То же исполнение Б12/1420 |
-«- |
-«- |
|
|
14 6881 2070 |
06 |
То же исполнение Б13/1420 |
-«- |
-«- |
|
|
14 6881 2072 |
04 |
То же исполнение А22/1420 |
-«- |
-«- |
|
|
14 6881 2074 |
02 |
То же исполнение А23/1420 |
-«- |
-«- |
|
|
14 6881 2076 |
00 |
То же исполнение Б22/1420 |
-«- |
-«- |
|
|
14 6881 2078 |
03 |
То же исполнение Б23/1420 |
-«- |
-«- |
|
|
14 6881 2102 |
04 |
Опора корпусная приварная из стали ВСт3сп исполнение А11/57 |
-«- |
-«- |
|
|
14 6881 2104 |
02 |
То же исполнение А12/57 |
-«- |
-«- |
|
|
14 6881 2106 |
00 |
То же исполнение А21/57 |
-«- |
-«- |
|
|
14 6881 2108 |
09 |
То же исполнение А22/57 |
-«- |
-«- |
|
|
14 6881 2110 |
04 |
То же исполнение А11/76 |
-«- |
-«- |
|
|
14 6881 2112 |
02 |
То же исполнение А12/76 |
-«- |
-«- |
|
|
14 6881 2114 |
00 |
То же исполнение А21/76 |
-«- |
-«- |
|
|
14 6881 2116 |
09 |
То же исполнение А22/76 |
-«- |
-«- |
|
|
14 6881 2118 |
07 |
То же исполнение А11/89 |
-«- |
-«- |
|
|
14 6881 2120 |
02 |
То же исполнение А12/89 |
-«- |
-«- |
|
|
14 6881 2122 |
00 |
То же исполнение А21/89 |
-«- |
-«- |
|
|
14 6881 2124 |
09 |
Опора корпусная приварная из стали ВСт3сп исполнение А22/89 |
ОСТ 36-146-88 |
Опоры для технологических трубопроводов |
|
|
14 6881 2126 |
07 |
То же исполнение А11/108 |
То же |
То же |
|
|
14 6881 2128 |
05 |
То же исполнение А12/108 |
-«- |
-«- |
|
|
14 6881 2130 |
00 |
То же исполнение А21/108 |
-«- |
-«- |
|
|
14 6881 2132 |
09 |
То же исполнение А22/108 |
-«- |
-«- |
|
|
14 6881 2134 |
07 |
То же исполнение А11/133 |
-«- |
-«- |
|
|
14 6881 2136 |
05 |
То же исполнение А12/133 |
-«- |
-«- |
|
|
14 6881 2138 |
03 |
То же исполнение А21/133 |
-«- |
-«- |
|
|
14 6881 2140 |
09 |
То же исполнение А22/133 |
-«- |
-«- |
|
|
14 6881 2142 |
07 |
То же исполнение А11/159 |
-«- |
-«- |
|
|
14 6881 2144 |
05 |
То же исполнение А12/159 |
-«- |
-«- |
|
|
14 6881 2146 |
03 |
То же исполнение А21/159 |
-«- |
-«- |
|
|
14 6881 2148 |
01 |
То же исполнение А22/159 |
-«- |
-«- |
|
|
14 6881 2150 |
07 |
То же исполнение А11/219 |
-«- |
-«- |
|
|
14 6881 2152 |
05 |
То же исполнение А12/219 |
-«- |
-«- |
|
|
14 6881 2154 |
03 |
То же исполнение А13/219 |
-«- |
-«- |
|
|
14 6881 2156 |
01 |
То же исполнение Б12/219 |
-«- |
-«- |
|
|
14 6881 2158 |
10 |
То же исполнение Б13/219 |
-«- |
-«- |
|
|
14 6881 2160 |
05 |
То же исполнение А21/219 |
-«- |
-«- |
|
|
14 6881 2162 |
03 |
То же исполнение А22/219 |
-«- |
-«- |
|
|
14 6881 2164 |
01 |
То же исполнение А23/219 |
-«- |
-«- |
|
|
14 6881 2166 |
10 |
То же исполнение Б22/219 |
-«- |
-«- |
|
|
14 6881 2168 |
08 |
То же исполнение Б23/219 |
-«- |
-«- |
|
|
14 6881 2170 |
03 |
Опора корпусная приварная из стали ВСт3сп исполнение А11/273 |
ОСТ 36-146-88 |
Опоры для технологических трубопроводов |
|
|
14 6881 2172 |
01 |
То же исполнение А12/273 |
То же |
То же |
|
|
14 6881 2174 |
10 |
То же исполнение А13/273 |
-«- |
-«- |
|
|
14 6881 2176 |
08 |
То же исполнение Б12/273 |
-«- |
-«- |
|
|
14 6881 2178 |
06 |
То же исполнение Б13/273 |
-«- |
-«- |
|
|
14 6881 2180 |
01 |
То же исполнение А21/273 |
-«- |
-«- |
|
|
14 6881 2182 |
10 |
То же исполнение А22/273 |
-«- |
-«- |
|
|
14 6881 2184 |
08 |
То же исполнение А23/273 |
-«- |
-«- |
|
|
14 6881 2186 |
06 |
То же исполнение Б22/273 |
-«- |
-«- |
|
|
14 6881 2188 |
04 |
То же исполнение Б23/273 |
-«- |
-«- |
|
|
14 6881 2190 |
10 |
То же исполнение А11/325 |
-«- |
-«- |
|
|
14 6881 2192 |
08 |
То же исполнение А12/325 |
-«- |
-«- |
|
|
14 6881 2194 |
06 |
То же исполнение А13/325 |
-«- |
-«- |
|
|
14 6881 2196 |
04 |
То же исполнение Б12/325 |
-«- |
-«- |
|
|
14 6881 2198 |
02 |
То же исполнение Б13/325 |
-«- |
-«- |
|
|
14 6881 2200 |
03 |
То же исполнение А21/325 |
-«- |
-«- |
|
|
14 6881 2202 |
01 |
То же исполнение А22/325 |
-«- |
-«- |
|
|
14 6881 2204 |
10 |
То же исполнение А23/325 |
-«- |
-«- |
|
|
14 6881 2206 |
08 |
То же исполнение Б22/325 |
-«- |
-«- |
|
|
14 6881 2208 |
06 |
То же исполнение Б23/325 |
-«- |
-«- |
|
|
14 6881 2210 |
01 |
То же исполнение А11/377 |
-«- |
-«- |
|
|
14 6881 2212 |
10 |
То же исполнение А12/377 |
-«- |
-«- |
|
|
14 6881 2214 |
08 |
То же исполнение А13/377 |
-«- |
-«- |
|
|
14 6881 2216 |
06 |
То же исполнение Б12/377 |
-«- |
-«- |
|
|
14 6881 2218 |
04 |
Опора корпусная приварная из стали ВСт3сп исполнение Б13/377 |
ОСТ 36-146-88 |
Опоры для технологических трубопроводов |
|
|
14 6881 2220 |
10 |
То же исполнение А21/377 |
То же |
То же |
|
|
14 6881 2222 |
08 |
То же исполнение А22/377 |
-«- |
-«- |
|
|
14 6881 2224 |
06 |
То же исполнение А23/377 |
-«- |
-«- |
|
|
14 6881 2226 |
04 |
То же исполнение Б22/377 |
-«- |
-«- |
|
|
14 6881 2228 |
02 |
То же исполнение Б23/377 |
-«- |
-«- |
|
|
14 6881 2230 |
08 |
То же исполнение А11/426 |
-«- |
-«- |
|
|
14 6881 2232 |
06 |
То же исполнение А12/426 |
-«- |
-«- |
|
|
14 6881 2234 |
04 |
То же исполнение А13/426 |
-«- |
-«- |
|
|
14 6881 2236 |
02 |
То же исполнение Б12/426 |
-«- |
-«- |
|
|
14 6881 2238 |
00 |
То же исполнение Б13/426 |
-«- |
-«- |
|
|
14 6881 2240 |
06 |
То же исполнение А21/426 |
-«- |
-«- |
|
|
14 6881 2242 |
04 |
То же исполнение А22/426 |
-«- |
-«- |
|
|
14 6881 2244 |
02 |
То же исполнение А23/426 |
-«- |
-«- |
|
|
14 6881 2246 |
00 |
То же исполнение Б22/426 |
-«- |
-«- |
|
|
14 6881 2248 |
09 |
То же исполнение Б23/426 |
-«- |
-«- |
|
|
14 6881 2250 |
04 |
То же исполнение А11/530 |
-«- |
-«- |
|
|
14 6881 2252 |
02 |
То же исполнение А12/530 |
-«- |
-«- |
|
|
14 6881 2254 |
00 |
То же исполнение А13/530 |
-«- |
-«- |
|
|
14 6881 2256 |
09 |
То же исполнение Б12/530 |
-«- |
-«- |
|
|
14 6881 2258 |
07 |
То же исполнение Б13/530 |
-«- |
-«- |
|
|
14 6881 2260 |
02 |
То же исполнение А21/530 |
-«- |
-«- |
|
|
14 6881 2262 |
00 |
То же исполнение А22/530 |
-«- |
-«- |
|
|
14 6881 2264 |
09 |
Опора корпусная приварная из стали ВСт3сп исполнение А23/530 |
ОСТ 36-146-88 |
Опоры для технологических трубопроводов |
|
|
14 6881 2266 |
07 |
То же исполнение Б22/530 |
То же |
То же |
|
|
14 6881 2268 |
05 |
То же исполнение Б23/530 |
-«- |
-«- |
|
|
14 6881 2270 |
00 |
То же исполнение А11/630 |
-«- |
-«- |
|
|
14 6881 2272 |
09 |
То же исполнение А12/630 |
-«- |
-«- |
|
|
14 6881 2274 |
07 |
То же исполнение А13/630 |
-«- |
-«- |
|
|
14 6881 2276 |
05 |
То же исполнение Б12/630 |
-«- |
-«- |
|
|
14 6881 2278 |
03 |
То же исполнение Б13/630 |
-«- |
-«- |
|
|
14 6881 2380 |
09 |
То же исполнение А21/630 |
-«- |
-«- |
|
|
14 6881 2282 |
07 |
То же исполнение А22/630 |
-«- |
-«- |
|
|
14 6881 2284 |
05 |
То же исполнение А23/630 |
-«- |
-«- |
|
|
14 6881 2286 |
03 |
То же исполнение Б22/630 |
-«- |
-«- |
|
|
14 6881 2288 |
01 |
То же исполнение Б23/630 |
-«- |
-«- |
|
|
14 6881 2290 |
07 |
То же исполнение А12/820 |
-«- |
-«- |
|
|
14 6881 2292 |
05 |
То же исполнение А13/820 |
-«- |
-«- |
|
|
14 6881 2294 |
03 |
То же исполнение Б12/820 |
-«- |
-«- |
|
|
14 6881 2296 |
01 |
То же исполнение Б13/820 |
-«- |
-«- |
|
|
14 6881 2298 |
10 |
То же исполнение А22/820 |
-«- |
-«- |
|
|
14 6881 2300 |
00 |
То же исполнение А23/820 |
-«- |
-«- |
|
|
14 6881 2302 |
09 |
То же исполнение Б22/820 |
-«- |
-«- |
|
|
14 6881 2304 |
07 |
То же исполнение Б23/820 |
-«- |
-«- |
|
|
14 6881 2306 |
05 |
То же исполнение А12/1020 |
-«- |
-«- |
|
|
14 6881 2308 |
03 |
То же исполнение А13/1020 |
-«- |
-«- |
|
|
14 6881 2310 |
09 |
То же исполнение Б12/1020 |
-«- |
-«- |
|
|
14 6881 2312 |
07 |
Опора корпусная приварная из стали ВСт3сп исполнение Б13/1020 |
ОСТ 36-146-88 |
Опоры для технологических трубопроводов |
|
|
14 6881 2314 |
05 |
То же исполнение А22/1020 |
То же |
То же |
|
|
14 6881 2316 |
03 |
То же исполнение А23/1020 |
-«- |
-«- |
|
|
14 6881 2318 |
01 |
То же исполнение Б22/1020 |
-«- |
-«- |
|
|
14 6881 2320 |
07 |
То же исполнение Б23/1020 |
-«- |
-«- |
|
|
14 6881 2322 |
05 |
То же исполнение А12/1220 |
-«- |
-«- |
|
|
14 6881 2324 |
03 |
То же исполнение А13/1220 |
-«- |
-«- |
|
|
14 6881 2326 |
01 |
То же исполнение Б12/1220 |
-«- |
-«- |
|
|
14 6881 2328 |
10 |
То же исполнение Б13/1220 |
-«- |
-«- |
|
|
14 6881 2330 |
05 |
То же исполнение А22/1220 |
-«- |
-«- |
|
|
14 6881 2332 |
03 |
То же исполнение А23/1220 |
-«- |
-«- |
|
|
14 6881 2334 |
01 |
То же исполнение Б22/1220 |
-«- |
-«- |
|
|
14 6881 2336 |
10 |
То же исполнение Б23/1220 |
-«- |
-«- |
|
|
14 6881 2338 |
08 |
То же исполнение А12/1420 |
-«- |
-«- |
|
|
14 6881 2340 |
03 |
То же исполнение А13/1420 |
-«- |
-«- |
|
|
14 6881 2342 |
01 |
То же исполнение Б12/1420 |
-«- |
-«- |
|
|
14 6881 2344 |
10 |
То же исполнение Б13/1420 |
-«- |
-«- |
|
|
14 6881 2346 |
08 |
То же исполнение А22/1420 |
-«- |
-«- |
|
|
14 6881 2348 |
06 |
То же исполнение А23/1420 |
-«- |
-«- |
|
|
14 6881 2350 |
01 |
То же исполнение Б22/1420 |
-«- |
-«- |
|
|
14 6881 2352 |
10 |
То же исполнение Б23/1420 |
-«- |
-«- |
|
|
14 6881 2402 |
06 |
Опора корпусная приварная из стали 20 исполнение А11/57 |
-«- |
-«- |
|
|
14 6881 2404 |
04 |
Опора корпусная приварная из стали 20 исполнение А12/57 |
ОСТ 36-146-88 |
Опоры для технологических трубопроводов |
|
|
14 6881 2406 |
02 |
То же исполнение А21/57 |
То же |
То же |
|
|
14 6881 2408 |
00 |
То же исполнение А22/57 |
-«- |
-«- |
|
|
14 6881 2410 |
06 |
То же исполнение А11/76 |
-«- |
-«- |
|
|
14 6881 2412 |
04 |
То же исполнение А12/76 |
-«- |
-«- |
|
|
14 6881 2414 |
02 |
То же исполнение А21/76 |
-«- |
-«- |
|
|
14 6881 2416 |
00 |
То же исполнение А22/76 |
-«- |
-«- |
|
|
14 6881 2418 |
09 |
То же исполнение А11/89 |
-«- |
-«- |
|
|
14 6881 2420 |
04 |
То же исполнение А12/89 |
-«- |
-«- |
|
|
14 6881 2422 |
02 |
То же исполнение А21/89 |
-«- |
-«- |
|
|
14 6881 2424 |
00 |
То же исполнение А22/89 |
-«- |
-«- |
|
|
14 6881 2426 |
09 |
То же исполнение А11/108 |
-«- |
-«- |
|
|
14 6881 2428 |
07 |
То же исполнение А12/108 |
-«- |
-«- |
|
|
14 6881 2430 |
02 |
То же исполнение А21/108 |
-«- |
-«- |
|
|
14 6881 2432 |
00 |
То же исполнение А22/108 |
-«- |
-«- |
|
|
14 6881 2434 |
09 |
То же исполнение А11/133 |
-«- |
-«- |
|
|
14 6881 2436 |
07 |
То же исполнение А12/133 |
-«- |
-«- |
|
|
14 6881 2438 |
05 |
То же исполнение А21/133 |
-«- |
-«- |
|
|
14 6881 2440 |
00 |
То же исполнение А22/133 |
-«- |
-«- |
|
|
14 6881 2442 |
09 |
То же исполнение А11/159 |
-«- |
-«- |
|
|
14 6881 2444 |
07 |
То же исполнение А12/159 |
-«- |
-«- |
|
|
14 6881 2446 |
05 |
То же исполнение А21/159 |
-«- |
-«- |
|
|
14 6881 2448 |
03 |
То же исполнение А22/159 |
-«- |
-«- |
|
|
14 6881 2450 |
09 |
Опора корпусная приварная из стали 20 исполнение А11/219 |
ОСТ 36-146-88 |
Опоры для технологических трубопроводов |
|
|
14 6881 2452 |
07 |
То же исполнение А12/219 |
То же |
То же |
|
|
14 6881 2454 |
05 |
То же исполнение А13/219 |
-«- |
-«- |
|
|
14 6881 2456 |
03 |
То же исполнение Б12/219 |
-«- |
-«- |
|
|
14 6881 2458 |
01 |
То же исполнение Б13/219 |
-«- |
-«- |
|
|
14 6881 2460 |
07 |
То же исполнение А21/219 |
-«- |
-«- |
|
|
14 6881 2462 |
05 |
То же исполнение А22/219 |
-«- |
-«- |
|
|
14 0881 2464 |
03 |
То же исполнение А23/219 |
-«- |
-«- |
|
|
14 о881 2466 |
01 |
То же исполнение Б22/219 |
-«- |
-«- |
|
|
14 6881 2466 |
10 |
То же исполнение Б23/219 |
-«- |
-«- |
|
|
14 6881 2470 |
05 |
То же исполнение А11/273 |
-«- |
-«- |
|
|
14 6881 2472 |
03 |
То же исполнение А12/273 |
-«- |
-«- |
|
|
14 6881 2474 |
01 |
То же исполнение А13/273 |
-«- |
-«- |
|
|
14 6881 2476 |
10 |
То же исполнение Б12/273 |
-«- |
-«- |
|
|
14 6881 2478 |
08 |
То же исполнение Б13/273 |
-«- |
-«- |
|
|
14 6881 2480 |
03 |
То же исполнение А21/273 |
-«- |
-«- |
|
|
14 6881 2482 |
01 |
То же исполнение А22/273 |
-«- |
-«- |
|
|
14 6881 2484 |
10 |
То же исполнение А23/273 |
-«- |
-«- |
|
|
14 6881 2486 |
08 |
То же исполнение Б22/273 |
-«- |
-«- |
|
|
14 6881 2488 |
06 |
То же исполнение Б23/273 |
-«- |
-«- |
|
|
14 6881 2490 |
01 |
То же исполнение А11/325 |
-«- |
-«- |
|
|
14 6881 2492 |
10 |
То же исполнение А12/325 |
-«- |
-«- |
|
|
14 6881 2494 |
08 |
То же исполнение А13/325 |
-«- |
-«- |
|
|
14 6881 2496 |
06 |
То же исполнение Б12/325 |
-«- |
-«- |
|
|
14 6881 2498 |
04 |
Опора корпусная приварная из стали 20 исполнение Б13/325 |
ОСТ 36-146-88 |
Опоры для технологических трубопроводов |
|
|
14 6881 2500 |
05 |
То же исполнение А21/325 |
То же |
То же |
|
|
14 6881 2502 |
03 |
То же исполнение А22/325 |
-«- |
-«- |
|
|
14 6881 2504 |
01 |
То же исполнение А23/325 |
-«- |
-«- |
|
|
14 6881 2506 |
10 |
То же исполнение Б22/325 |
-«- |
-«- |
|
|
14 6881 2508 |
08 |
То же исполнение Б23/325 |
-«- |
-«- |
|
|
14 6881 2510 |
03 |
То же исполнение А11/377 |
-«- |
-«- |
|
|
14 6881 2512 |
01 |
То же исполнение А12/377 |
-«- |
-«- |
|
|
14 6881 2514 |
10 |
То же исполнение А13/377 |
-«- |
-«- |
|
|
14 6881 2516 |
08 |
То же исполнение Б12/377 |
-«- |
-«- |
|
|
14 6881 2518 |
06 |
То же исполнение Б13/377 |
-«- |
-«- |
|
|
14 6881 2520 |
01 |
То же исполнение А21/377 |
-«- |
-«- |
|
|
14 6881 2522 |
10 |
То же исполнение А22/377 |
-«- |
-«- |
|
|
14 6881 2524 |
08 |
То же исполнение А23/377 |
-«- |
-«- |
|
|
14 6881 2526 |
06 |
То же исполнение Б22/377 |
-«- |
-«- |
|
|
14 6881 2528 |
04 |
То же исполнение Б23/377 |
-«- |
-«- |
|
|
14 6881 2530 |
10 |
То же исполнение А11/426 |
-«- |
-«- |
|
|
14 6881 2532 |
08 |
То же исполнение А12/426 |
-«- |
-«- |
|
|
14 6881 2534 |
06 |
То же исполнение А13/426 |
-«- |
-«- |
|
|
14 6881 2536 |
04 |
То же исполнение Б12/426 |
-«- |
-«- |
|
|
14 6881 2538 |
02 |
То же исполнение Б13/426 |
-«- |
-«- |
|
|
14 6881 2540 |
08 |
То же исполнение А21/426 |
-«- |
-«- |
|
|
14 6881 2542 |
06 |
То же исполнение А22/426 |
-«- |
-«- |
|
|
14 6881 2544 |
04 |
Опора корпусная приварная из стали 20 исполнение А23/426 |
ОСТ 36-146-88 |
Опоры для технологических трубопроводов |
|
|
14 6881 2546 |
02 |
То же исполнение Б22/426 |
То же |
То же |
|
|
14 6881 2548 |
00 |
То же исполнение Б23/426 |
-«- |
-«- |
|
|
14 6881 2550 |
06 |
То же исполнение А11/530 |
-«- |
-«- |
|
|
14 6881 2552 |
04 |
То же исполнение А12/530 |
-«- |
-«- |
|
|
14 6881 2554 |
02 |
То же исполнение А13/530 |
-«- |
-«- |
|
|
14 6881 2556 |
00 |
То же исполнение Б12/530 |
-«- |
-«- |
|
|
14 6881 2558 |
09 |
То же исполнение Б13/530 |
-«- |
-«- |
|
|
14 6881 2560 |
04 |
То же исполнение А21/530 |
-«- |
-«- |
|
|
14 6881 2562 |
02 |
То же исполнение А22/530 |
-«- |
-«- |
|
|
14 6881 2564 |
00 |
То же исполнение А23/530 |
-«- |
-«- |
|
|
14 6881 2566 |
09 |
То же исполнение Б22/530 |
-«- |
-«- |
|
|
14 6881 2568 |
07 |
То же исполнение Б23/530 |
-«- |
-«- |
|
|
14 6881 2570 |
02 |
То же исполнение А11/630 |
-«- |
-«- |
|
|
14 6881 2572 |
00 |
То же исполнение А12/630 |
-«- |
-«- |
|
|
14 6881 2574 |
09 |
То же исполнение А13/630 |
-«- |
-«- |
|
|
14 6881 2576 |
07 |
То же исполнение Б12/630 |
-«- |
-«- |
|
|
14 6881 2578 |
05 |
То же исполнение Б13/630 |
-«- |
-«- |
|
|
14 6881 2580 |
00 |
То же исполнение А21/630 |
-«- |
-«- |
|
|
14 6881 2582 |
09 |
То же исполнение А22/630 |
-«- |
-«- |
|
|
14 6881 2584 |
07 |
То же исполнение А23/630 |
-«- |
-«- |
|
|
14 6881 2586 |
05 |
То же исполнение Б22/630 |
-«- |
-«- |
|
|
14 6881 2588 |
03 |
То же исполнение Б23/630 |
-«- |
-«- |
|
|
14 6881 2590 |
09 |
То же исполнение А12/820 |
-«- |
-«- |
|
|
14 6881 2592 |
07 |
Опора корпусная приварная из стали 20 исполнение А13/820 |
ОСТ 36-146-88 |
Опоры для технологических трубопроводов |
|
|
14 6881 2594 |
05 |
То же исполнение Б12/820 |
То же |
То же |
|
|
14 6881 2596 |
03 |
То же исполнение Б13/820 |
-«- |
-«- |
|
|
14 6881 2598 |
01 |
То же исполнение А22/820 |
-«- |
-«- |
|
|
14 6881 2600 |
02 |
То же исполнение А23/820 |
-«- |
-«- |
|
|
14 6881 2602 |
00 |
То же исполнение Б22/820 |
-«- |
-«- |
|
|
14 6881 2604 |
09 |
То же исполнение Б23/820 |
-«- |
-«- |
|
|
14 6881 2606 |
07 |
То же исполнение А12/1020 |
-«- |
-«- |
|
|
14 6881 2608 |
05 |
То же исполнение А13/1020 |
-«- |
-«- |
|
|
14 6881 2610 |
00 |
То же исполнение Б12/1020 |
-«- |
-«- |
|
|
14 6881 2612 |
09 |
То же исполнение Б13/1020 |
-«- |
-«- |
|
|
14 6881 2614 |
07 |
То же исполнение А22/1020 |
-«- |
-«- |
|
|
14 6881 2616 |
05 |
То же исполнение А23/1020 |
-«- |
-«- |
|
|
14 6881 2618 |
03 |
То же исполнение Б22/1020 |
-«- |
-«- |
|
|
14 6881 2620 |
09 |
То же исполнение Б23/1020 |
-«- |
-«- |
|
|
14 6881 2622 |
07 |
То же исполнение А12/1220 |
-«- |
-«- |
|
|
14 6881 2624 |
05 |
То же исполнение А13/1220 |
-«- |
-«- |
|
|
14 6881 2626 |
03 |
То же исполнение Б12/1220 |
-«- |
-«- |
|
|
14 6881 2628 |
01 |
То же исполнение Б13/1220 |
-«- |
-«- |
|
|
14 6881 2630 |
07 |
То же исполнение А22/1220 |
-«- |
-«- |
|
|
14 6881 2632 |
05 |
То же исполнение А23/1220 |
-«- |
-«- |
|
|
14 6881 2634 |
03 |
То же исполнение Б22/1220 |
-«- |
-«- |
|
|
14 6881 2636 |
01 |
То же исполнение Б23/1220 |
-«- |
-«- |
|
|
14 6881 2638 |
10 |
То же исполнение А12/1420 |
-«- |
-«- |
|
|
14 6881 2640 |
05 |
Опора корпусная приварная из стали 20 исполнение А13/1420 |
ОСТ 36-146-88 |
Опоры для технологических трубопроводов |
|
|
14 6881 2642 |
03 |
То же исполнение Б12/1420 |
То же |
То же |
|
|
14 6881 2644 |
01 |
То же исполнение Б13/1420 |
-«- |
-«- |
|
|
14 6881 2646 |
10 |
То же исполнение А22/1420 |
-«- |
-«- |
|
|
14 6881 2648 |
08 |
То же исполнение А23/1420 |
-«- |
-«- |
|
|
14 6881 2650 |
03 |
То же исполнение Б22/1420 |
-«- |
-«- |
|
|
14 6881 2652 |
01 |
То же исполнение Б23/1420 |
-«- |
-«- |
|
|
14 6881 2702 |
08 |
Опора корпусная приварная из стали 10Г2 исполнение А11/57 |
-«- |
-«- |
|
|
14 6881 2704 |
06 |
То же исполнение А12/57 |
-«- |
-«- |
|
|
14 6881 2706 |
04 |
То же исполнение А21/57 |
-«- |
-«- |
|
|
14 6881 2708 |
02 |
То же исполнение А22/57 |
-«- |
-«- |
|
|
14 6881 2710 |
08 |
То же исполнение А11/76 |
-«- |
-«- |
|
|
14 6881 2712 |
06 |
То же исполнение А12/76 |
-«- |
-«- |
|
|
14 6881 2714 |
04 |
То же исполнение А21/76 |
-«- |
-«- |
|
|
14 6881 2716 |
02 |
То же исполнение А22/76 |
-«- |
-«- |
|
|
14 6881 2718 |
00 |
То же исполнение А11/89 |
-«- |
-«- |
|
|
14 6881 2720 |
06 |
То же исполнение А12/89 |
-«- |
-«- |
|
|
14 6881 2722 |
04 |
То же исполнение А21/89 |
-«- |
-«- |
|
|
14 6881 2724 |
02 |
То же исполнение А22/89 |
-«- |
-«- |
|
|
14 6881 2726 |
00 |
То же исполнение А11/108 |
-«- |
-«- |
|
|
14 6881 2728 |
09 |
То же исполнение А12/108 |
-«- |
-«- |
|
|
14 6881 2730 |
04 |
То же исполнение А21/108 |
-«- |
-«- |
|
|
14 6881 2732 |
02 |
Опора корпусная приварная из стали 10Г2 исполнение А22/108 |
ОСТ 36-146-88 |
Опоры для технологических трубопроводов |
|
|
14 6881 2734 |
00 |
То же исполнение А11/133 |
То же |
То же |
|
|
14 6881 2736 |
09 |
То же исполнение А12/133 |
-«- |
-«- |
|
|
14 6881 2738 |
07 |
То же исполнение А21/133 |
-«- |
-«- |
|
|
14 6881 2740 |
02 |
То же исполнение А22/133 |
-«- |
-«- |
|
|
14 6881 2742 |
00 |
То же исполнение А11/159 |
-«- |
-«- |
|
|
14 6881 2744 |
09 |
То же исполнение А12/159 |
-«- |
-«- |
|
|
14 6881 2746 |
07 |
То же исполнение А21/159 |
-«- |
-«- |
|
|
14 6881 2748 |
05 |
То же исполнение А22/159 |
-«- |
-«- |
|
|
14 6881 2750 |
00 |
То же исполнение А11/219 |
-«- |
-«- |
|
|
14 6881 2752 |
09 |
То же исполнение А12/219 |
-«- |
-«- |
|
|
14 6881 2754 |
07 |
То же исполнение А13/219 |
-«- |
-«- |
|
|
14 6881 2756 |
05 |
То же исполнение Б12/219 |
-«- |
-«- |
|
|
14 6881 2758 |
03 |
То же исполнение Б13/219 |
-«- |
-«- |
|
|
14 6881 2760 |
09 |
То же исполнение А21/219 |
-«- |
-«- |
|
|
14 6881 2762 |
07 |
То же исполнение А22/219 |
-«- |
-«- |
|
|
14 6881 2764 |
05 |
То же исполнение А23/219 |
-«- |
-«- |
|
|
14 6881 2766 |
03 |
То же исполнение Б22/219 |
-«- |
-«- |
|
|
14 6881 2768 |
01 |
То же исполнение Б23/219 |
-«- |
-«- |
|
|
14 6881 2770 |
07 |
То же исполнение А11/273 |
-«- |
-«- |
|
|
14 6881 2772 |
05 |
То же исполнение А12/273 |
-«- |
-«- |
|
|
14 6881 2774 |
03 |
То же исполнение А13/273 |
-«- |
-«- |
|
|
14 6881 2776 |
01 |
То же исполнение Б12/273 |
-«- |
-«- |
|
|
14 6881 2778 |
10 |
То же исполнение Б13/273 |
-«- |
-«- |
|
|
14 6881 2732 |
02 |
Опора корпусная приварная из стали 10Г2 исполнение А22/108 |
ОСТ 36-146-88 |
Опоры для технологических трубопроводов |
|
|
14 6881 2734 |
00 |
То же исполнение А11/133 |
То же |
То же |
|
|
14 6881 2736 |
09 |
То же исполнение А12/133 |
-«- |
-«- |
|
|
14 6881 2738 |
07 |
То же исполнение А21/133 |
-«- |
-«- |
|
|
14 6881 2740 |
02 |
То же исполнение А22/133 |
-«- |
-«- |
|
|
14 6881 2742 |
00 |
То же исполнение А11/159 |
-«- |
-«- |
|
|
14 6881 2744 |
09 |
То же исполнение А12/159 |
-«- |
-«- |
|
|
14 6881 2746 |
07 |
То же исполнение А21/159 |
-«- |
-«- |
|
|
14 6881 2748 |
05 |
То же исполнение А22/159 |
-«- |
-«- |
|
|
14 6881 2750 |
00 |
То же исполнение А11/219 |
-«- |
-«- |
|
|
14 6881 2752 |
09 |
То же исполнение А12/219 |
-«- |
-«- |
|
|
14 6881 2754 |
07 |
То же исполнение А13/219 |
-«- |
-«- |
|
|
14 6881 2756 |
05 |
То же исполнение Б12/219 |
-«- |
-«- |
|
|
14 6881 2758 |
03 |
То же исполнение Б13/219 |
-«- |
-«- |
|
|
14 6881 2760 |
09 |
То же исполнение А21/219 |
-«- |
-«- |
|
|
14 6881 2762 |
07 |
То же исполнение А22/219 |
-«- |
-«- |
|
|
14 6881 2764 |
05 |
То же исполнение А23/219 |
-«- |
-«- |
|
|
14 6881 2766 |
03 |
То же исполнение Б22/219 |
-«- |
-«- |
|
|
14 6881 2768 |
01 |
То же исполнение Б23/219 |
-«- |
-«- |
|
|
14 6881 2770 |
07 |
То же исполнение А11/273 |
-«- |
-«- |
|
|
14 6881 2772 |
05 |
То же исполнение А12/273 |
-«- |
-«- |
|
|
14 6881 2774 |
03 |
То же исполнение А13/273 |
-«- |
-«- |
|
|
14 6881 2776 |
01 |
То же исполнение Б12/273 |
-«- |
-«- |
|
|
14 6881 2778 |
10 |
То же исполнение Б13/273 |
-«- |
-«- |
|
|
14 6881 2780 |
05 |
Опора корпусная приварная из стали 10Г2 исполнение А21/273 |
ОСТ 36-146-88 |
Опоры для технологических трубопроводов |
|
|
14 6881 2782 |
03 |
То же исполнение А22/273 |
То же |
То же |
|
|
14 6881 2784 |
01 |
То же исполнение А23/273 |
-«- |
-«- |
|
|
14 6881 2786 |
10 |
То же исполнение Б22/273 |
-«- |
-«- |
|
|
14 6881 2788 |
08 |
То же исполнение Б23/273 |
-«- |
-«- |
|
|
14 6881 2790 |
03 |
То же исполнение А11/325 |
-«- |
-«- |
|
|
14 6881 2792 |
01 |
То же исполнение А12/325 |
-«- |
-«- |
|
|
14 6881 2794 |
10 |
То же исполнение А13/325 |
-«- |
-«- |
|
|
14 6881 2796 |
08 |
То же исполнение Б12/325 |
-«- |
-«- |
|
|
14 6881 2798 |
06 |
То же исполнение Б13/325 |
-«- |
-«- |
|
|
14 6881 2800 |
07 |
То же исполнение А21/325 |
-«- |
-«- |
|
|
14 6881 2802 |
05 |
То же исполнение А22/325 |
-«- |
-«- |
|
|
14 6881 2804 |
03 |
То же исполнение А23/325 |
-«- |
-«- |
|
|
14 6881 2806 |
01 |
То же исполнение Б22/325 |
-«- |
-«- |
|
|
14 6881 2808 |
10 |
То же исполнение Б23/325 |
-«- |
-«- |
|
|
14 6881 2810 |
05 |
То же исполнение А11/377 |
-«- |
-«- |
|
|
14 6881 2812 |
03 |
То же исполнение А12/377 |
-«- |
-«- |
|
|
14 6881 2814 |
01 |
То же исполнение А13/377 |
-«- |
-«- |
|
|
14 6881 2816 |
10 |
То же исполнение Б12/377 |
-«- |
-«- |
|
|
14 6881 2818 |
08 |
То же исполнение Б13/377 |
-«- |
-«- |
|
|
14 6881 2820 |
03 |
То же исполнение А21/377 |
-«- |
-«- |
|
|
14 6881 2822 |
01 |
То же исполнение А22/377 |
-«- |
-«- |
|
|
14 6881 2824 |
10 |
То же исполнение А23/377 |
-«- |
-«- |
|
|
14 6881 2826 |
08 |
То же исполнение Б22/377 |
-«- |
-«- |
|
|
14 6881 2828 |
06 |
Опора корпусная приварная из стали 10Г2 исполнение Б23/377 |
ОСТ 36-146-88 |
Опоры для технологических трубопроводов |
|
|
14 6881 2830 |
01 |
То же исполнение AII/426 |
То же |
То же |
|
|
14 6881 2832 |
10 |
То же исполнение AI2/426 |
-«- |
-«- |
|
|
14 6881 2834 |
08 |
То же исполнение А13/426 |
-«- |
-«- |
|
|
14 6881 2836 |
06 |
То же исполнение Б12/426 |
-«- |
-«- |
|
|
14 6881 2838 |
04 |
То же исполнение Б13/426 |
-«- |
-«- |
|
|
14 6881 2840 |
10 |
То же исполнение A2I/426 |
-«- |
-«- |
|
|
14 6881 2842 |
08 |
То же исполнение А22/426 |
-«- |
-«- |
|
|
14 6881 2844 |
06 |
То же исполнение А23/426 |
-«- |
-«- |
|
|
14 6881 2846 |
04 |
То же исполнение Б22/426 |
-«- |
-«- |
|
|
14 6881 2848 |
02 |
То же исполнение Б23/426 |
-«- |
-«- |
|
|
14 6881 2850 |
08 |
То же исполнение А11/530 |
-«- |
-«- |
|
|
14 6881 2852 |
06 |
То же исполнение А12/530 |
-«- |
-«- |
|
|
14 6881 2854 |
04 |
То же исполнение AI3/530 |
-«- |
-«- |
|
|
14 6881 2856 |
02 |
То же исполнение Б12/530 |
-«- |
-«- |
|
|
14 6881 2858 |
00 |
То же исполнение Б13/530 |
-«- |
-«- |
|
|
14 6881 2860 |
06 |
То же исполнение A2I/530 |
-«- |
-«- |
|
|
14 6881 2862 |
04 |
То же исполнение А22/530 |
-«- |
-«- |
|
|
14 6881 2864 |
02 |
То же исполнение А23/530 |
-«- |
-«- |
|
|
14 6881 2866 |
00 |
То же исполнение Б22/530 |
-«- |
-«- |
|
|
14 6881 2868 |
09 |
То же исполнение Б23/530 |
-«- |
-«- |
|
|
14 6881 2870 |
04 |
То же исполнение А11/630 |
-«- |
-«- |
|
|
14 6881 2872 |
03 |
То же исполнение А12/630 |
-«- |
-«- |
|
|
14 6881 2874 |
00 |
Опора корпусная приварная из стали 10Г2 исполнение А13/630 |
ОСТ 36-146-88 |
Опоры для технологических трубопроводов |
|
|
14 6881 2876 |
09 |
То же исполнение Б12/630 |
То же |
То же |
|
|
14 6881 2878 |
07 |
То же исполнение Б13/630 |
-«- |
-«- |
|
|
14 6881 2880 |
02 |
То же исполнение А21/630 |
-«- |
-«- |
|
|
14 6881 2882 |
00 |
То же исполнение А22/630 |
-«- |
-«- |
|
|
14 6881 2884 |
09 |
То же исполнение А23/630 |
-«- |
-«- |
|
|
14 6881 2886 |
07 |
То же исполнение Б22/630 |
-«- |
-«- |
|
|
14 6881 2888 |
05 |
То же исполнение Б23/630 |
-«- |
-«- |
|
|
14 6881 2890 |
00 |
То же исполнение А12/820 |
-«- |
-«- |
|
|
14 6881 2892 |
09 |
То же исполнение А13/820 |
-«- |
-«- |
|
|
14 6881 2894 |
07 |
То же исполнение Б12/820 |
-«- |
-«- |
|
|
14 6881 2896 |
05 |
То же исполнение Б13/820 |
-«- |
-«- |
|
|
14 6881 2898 |
03 |
То же исполнение А22/820. |
-«- |
-«- |
|
|
14 6881 2900 |
04 |
То же исполнение А23/820 |
-«- |
-«- |
|
|
14 6881 2902 |
02 |
То же исполнение Б22/820 |
-«- |
-«- |
|
|
14 6881 2904 |
00 |
То же исполнение Б23/820 |
-«- |
-«- |
|
|
14 6881 2906 |
09 |
То же исполнение А12/1020 |
-«- |
-«- |
|
|
14 6881 2908 |
07 |
То же исполнение А13/1020 |
-«- |
-«- |
|
|
14 6881 2910 |
02 |
То же исполнение Б12/1020 |
-«- |
-«- |
|
|
14 6881 2912 |
00 |
То же исполнение Б13/1020 |
-«- |
-«- |
|
|
14 6881 2914 |
09 |
То же исполнение А22/1020 |
-«- |
-«- |
|
|
14 6881 2916 |
07 |
То же исполнение А23/1020 |
-«- |
-«- |
|
|
14 6881 2918 |
05 |
То же исполнение Б22/1020 |
-«- |
-«- |
|
|
14 6881 2920 |
00 |
Опора корпусная приварная из стали 10Г2 исполнение Б23/1020 |
ОСТ 36-146-88 |
Опоры для технологических трубопроводов |
|
|
14 6881 2922 |
09 |
То же исполнение А12/1220 |
То же |
То же |
|
|
14 6881 2924 |
07 |
То же исполнение А13/1220 |
-«- |
-«- |
|
|
14 6881 2926 |
05 |
То же исполнение Б12/1220 |
-«- |
-«- |
|
|
14 6881 2928 |
03 |
То же исполнение Б13/1220 |
-«- |
-«- |
|
|
14 6881 2930 |
09 |
То же исполнение А22/1220 |
-«- |
-«- |
|
|
14 6881 2932 |
07 |
То же исполнение А23/1220 |
-«- |
-«- |
|
|
14 6881 2934 |
05 |
То же исполнение Б22/1220 |
-«- |
-«- |
|
|
14 6881 2936 |
03 |
То же исполнение Б23/1220 |
-«- |
-«- |
|
|
14 6881 2938 |
01 |
То же исполнение А12/1420 |
-«- |
-«- |
|
|
14 6881 2940 |
07 |
То же исполнение А13/1420 |
-«- |
-«- |
|
|
14 6881 2942 |
05 |
То же исполнение Б12/1420 |
-«- |
-«- |
|
|
14 6881 2944 |
03 |
То же исполнение Б13/1420 |
-«- |
-«- |
|
|
14 6881 2946 |
01 |
То же исполнение А22/1420 |
-«- |
-«- |
|
|
14 6881 2948 |
10 |
То же исполнение А23/1420 |
-«- |
-«- |
|
|
14 6881 2950 |
05 |
То же исполнение Б22/1420 |
-«- |
-«- |
|
|
14 6881 2952 |
03 |
То же исполнение Б23/1420 |
-«- |
-«- |
|
|
14 6881 3002 |
03 |
Опора корпусная приварная из стали 09Г2С исполнение А11/57 |
-«- |
-«- |
|
|
14 6881 3004 |
01 |
То же исполнение А12/57 |
-«- |
-«- |
|
|
14 6881 3006 |
10 |
То же исполнение А21/57 |
-«- |
-«- |
|
|
14 6881 3008 |
08 |
То же исполнение А22/57 |
-«- |
-«- |
|
|
14 6881 3010 |
03 |
То же исполнение А11/76 |
-«- |
-«- |
|
|
14 6881 3012 |
01 |
Опора корпусная приварная из стали 09Г2С исполнение. А12/76 |
ОСТ 36-146-88 |
Опоры для технологических трубопроводов |
|
|
14 6881 3014 |
10 |
То же исполнение А21/76 |
То же |
То же |
|
|
14 6881 3016 |
08 |
То же исполнение А22/76 |
-«- |
-«- |
|
|
14 6881 3018 |
06 |
То же исполнение А11/89 |
-«- |
-«- |
|
|
14 6881 3020 |
01 |
То же исполнение А12/89 |
-«- |
-«- |
|
|
14 6881 3022 |
10 |
То же исполнение А21/89 |
-«- |
-«- |
|
|
14 6881 3024 |
08 |
То же исполнение А22/89 |
-«- |
-«- |
|
|
14 6881 3026 |
06 |
То же исполнение А11/108 |
-«- |
-«- |
|
|
14 6881 3028 |
04 |
То же исполнение А12/108 |
-«- |
-«- |
|
|
14 6881 3030 |
10 |
То же исполнение А21/108 |
-«- |
-«- |
|
|
14 6881 3032 |
08 |
То же исполнение А22/108 |
-«- |
-«- |
|
|
14 6881 3034 |
06 |
То же исполнение А11/133 |
-«- |
-«- |
|
|
14 6881 3036 |
04 |
То же исполнение А12/133 |
-«- |
-«- |
|
|
14 6881 3038 |
02 |
То же исполнение А21/133 |
-«- |
-«- |
|
|
14 6881 3040 |
08 |
То же исполнение А22/133 |
-«- |
-«- |
|
|
14 6881 3042 |
06 |
То же исполнение А11/159 |
-«- |
-«- |
|
|
14 6881 3044 |
04 |
То же исполнение А12/159 |
-«- |
-«- |
|
|
14 6881 3046 |
02 |
То же исполнение А21/159 |
-«- |
-«- |
|
|
14 6881 3048 |
00 |
То же исполнение А22/159 |
-«- |
-«- |
|
|
14 6881 3050 |
06 |
То же исполнение А11/219 |
-«- |
-«- |
|
|
14 6881 3052 |
04 |
То же исполнение А12/219 |
-«- |
-«- |
|
|
14 6881 3054 |
02 |
То же исполнение А13/219 |
-«- |
-«- |
|
|
14 6881 3056 |
00 |
То же исполнение Б12/219 |
-«- |
-«- |
|
|
14 6881 3058 |
09 |
То же исполнение Б13/219 |
-«- |
-«- |
|
|
14-6881 3060 |
04 |
Опора корпусная приварная из стали 09Г2С исполнение А21/219 |
ОСТ 36-146-88 |
Опоры для технологических трубопроводов |
|
|
14 6881 3062 |
02 |
То же исполнение А22/219 |
То же |
То же |
|
|
14 6881 3064 |
00 |
То же исполнение А23/219. |
-«- |
-«- |
|
|
14 6881 3066 |
09 |
То же исполнение Б22/219 |
-«- |
-«- |
|
|
14 6881 3068 |
07 |
То же исполнение Б23/219 |
-«- |
-«- |
|
|
14 6881 3070 |
02 |
То же исполнение А11/273 |
-«- |
-«- |
|
|
14 6881 3072 |
00 |
То же исполнение А12/273 |
-«- |
-«- |
|
|
14 6881 3074 |
09 |
То же исполнение А13/273 |
-«- |
-«- |
|
|
14 6881 3076 |
07 |
То же исполнение Б12/273 |
-«- |
-«- |
|
|
14 6881 3078 |
05 |
То же исполнение Б13/273 |
-«- |
-«- |
|
|
14 6881 3080 |
00 |
То же исполнение А21/273 |
-«- |
-«- |
|
|
14 6881 3082 |
09 |
То же исполнение А22/273 |
-«- |
-«- |
|
|
14 6881 3084 |
07 |
То же исполнение А23/273 |
-«- |
-«- |
|
|
14 6881 3086 |
05 |
То же исполнение Б22/273 |
-«- |
-«- |
|
|
14 6881 3088 |
03 |
То же исполнение Б23/273 |
-«- |
-«- |
|
|
14 6881 3090 |
09 |
То же исполнение А11/325 |
-«- |
-«- |
|
|
14 6881 3092 |
07 |
То же исполнение А12/325 |
-«- |
-«- |
|
|
14 6881 3094 |
05 |
То же исполнение А13/325 |
-«- |
-«- |
|
|
14 6881 3096 |
03 |
То же исполнение Б12/325 |
-«- |
-«- |
|
|
14 6881 3098 |
01 |
То же исполнение Б13/325 |
-«- |
-«- |
|
|
14 6881 3100 |
02 |
То же исполнение А21/325 |
-«- |
-«- |
|
|
14 6881 3102 |
00 |
То же исполнение А22/325 |
-«- |
-«- |
|
|
14 6881 3104 |
09 |
То же исполнение А23/325 |
-«- |
-«- |
|
|
14 6881 3106 |
07 |
То же исполнение Б22/325 |
-«- |
-«- |
|
|
14 6881 3108 |
05 |
Опора корпусная приварная из стали 09Г2С исполнение Б23/325 |
ОСТ 36-146-88 |
Опоры для технологических трубопроводов |
|
|
14 6881 3110 |
00 |
То же исполнение А11/377 |
То же |
То же |
|
|
14 6881 3112 |
09 |
То же исполнение А12/377 |
-«- |
-«- |
|
|
14 6881 3114 |
07 |
То же исполнение А13/377 |
-«- |
-«- |
|
|
14 6881 3116 |
05 |
То же исполнение Б12/377 |
-«- |
-«- |
|
|
14 6881 3118 |
03 |
То же исполнение Б13/377 |
-«- |
-«- |
|
|
14 6881 3120 |
09 |
То же исполнение А21/377 |
-«- |
-«- |
|
|
14 6881 3122 |
07 |
То же исполнение А22/377 |
-«- |
-«- |
|
|
14 6881 3124 |
05 |
То же исполнение А23/377 |
-«- |
-«- |
|
|
14 6881 3126 |
03 |
То же исполнение Б22/377 |
-«- |
-«- |
|
|
14 6881 3128 |
01 |
То же исполнение Б23/377 |
-«- |
-«- |
|
|
14 6881 3130 |
07 |
То же исполнение А11/426 |
-«- |
-«- |
|
|
14 6881 3132 |
05 |
То же исполнение А12/426 |
-«- |
-«- |
|
|
14 6881 3134 |
03 |
То же исполнение А13/426 |
-«- |
-«- |
|
|
14 6881 3136 |
01 |
То же исполнение Б12/426 |
-«- |
-«- |
|
|
14 6881 3138 |
10 |
То же исполнение Б13/426 |
-«- |
-«- |
|
|
14 6881 3140 |
05 |
То же исполнение А21/426 |
-«- |
-«- |
|
|
14 6881 3142 |
03 |
То же исполнение А22/426 |
-«- |
-«- |
|
|
14 6881 3144 |
01 |
То же исполнение А23/426 |
-«- |
-«- |
|
|
14 6881 3146 |
10 |
То же исполнение Б22/426 |
-«- |
-«- |
|
|
14 6881 3148 |
08 |
То же исполнение Б23/426 |
-«- |
-«- |
|
|
14 6881 3150 |
03 |
То же исполнение А11/530 |
-«- |
-«- |
|
|
14 6881 3152 |
01 |
То же исполнение А12/530 |
-«- |
-«- |
|
|
14 6881 3154 |
10 |
То же исполнение А13/530 |
-«- |
-«- |
|
|
14 6881 3156 |
08 |
Опора корпусная приварная из стали 09Г2С исполнение Б12/530 |
ОСТ 36-146-88 |
Опоры для технологических трубопроводов |
|
|
14 6881 3158 |
То же исполнение Б13/530 |
То же |
То же |
||
|
14 6881 3160 |
То же исполнение А21/530 |
-«- |
-«- |
||
|
14 6881 3162 |
То же исполнение А22/530 |
-«- |
-«- |
||
|
14 6881 3164 |
То же исполнение А23/530 |
-«- |
-«- |
||
|
14 6881 3166 |
То же исполнение Б22/530 |
-«- |
-«- |
||
|
14 6881 3168 |
То же исполнение Б23/530 |
-«- |
-«- |
||
|
14 6881 3170 |
То же исполнение А11/630 |
-«- |
-«- |
||
|
14 6881 3172 |
То же исполнение А12/630 |
-«- |
-«- |
||
|
14 6881 3174 |
То же исполнение А13/630 |
-«- |
-«- |
||
|
14 6881 3176 |
То же исполнение Б12/630 |
-«- |
-«- |
||
|
14 6881 3178 |
То же исполнение Б13/630 |
-«- |
-«- |
||
|
14 6881 3180 |
То же исполнение А21/630 |
-«- |
-«- |
||
|
14 6881 3182 |
То же исполнение А22/630 |
-«- |
-«- |
||
|
14 6881 3184 |
То же исполнение А23/630 |
-«- |
-«- |
||
|
14 6881 3186 |
То же исполнение Б22/630 |
-«- |
-«- |
||
|
14 6881 3188 |
То же исполнение Б23/630 |
-«- |
-«- |
||
|
14 6881 3190 |
То же исполнение А12/820 |
-«- |
-«- |
||
|
14 6881 3192 |
То же исполнение А13/820 |
-«- |
-«- |
||
|
14 6881 3194 |
То же исполнение Б12/820 |
-«- |
-«- |
||
|
14 6881 3196 |
То же исполнение Б13/820 |
-«- |
-«- |
||
|
14 6881 3198 |
То же исполнение А22/820 |
-«- |
-«- |
||
|
14 6881 3200 |
То же исполнение А23/820 |
-«- |
-«- |
||
|
14 6881 3202 |
08 |
Опора корпусная приварная из стали 09Г2С исполнение Б22/820 |
ОСТ 36-146-88 |
Опоры для технологических трубопроводов |
|
|
14 6881 3204 |
06 |
То же исполнение Б23/820 |
То же |
То же |
|
|
14 6881 3206 |
04 |
То же исполнение А12/820 |
-«- |
-«- |
|
|
14 6881 3208 |
02 |
То же исполнение А13/820 |
-«- |
-«- |
|
|
14 6881 3210 |
08 |
То же исполнение Б12/820 |
-«- |
-«- |
|
|
14 6881 3212 |
06 |
То же исполнение Б13/820 |
-«- |
-«- |
|
|
14 6881 3214 |
04 |
То же исполнение А22/820 |
-«- |
-«- |
|
|
14 6881 3216 |
02 |
То же исполнение А23/820 |
-«- |
-«- |
|
|
14 6881 3218 |
00 |
То же исполнение Б22/820 |
-«- |
-«- |
|
|
14 6881 3220 |
06 |
То же исполнение Б23/820 |
-«- |
-«- |
|
|
14 6881 3222 |
04 |
То же исполнение А12/1020 |
-«- |
-«- |
|
|
14 6881 3224 |
02 |
То же исполнение А13/1020 |
-«- |
-«- |
|
|
14 6881 3226 |
00 |
То же исполнение Б12/1020 |
-«- |
-«- |
|
|
14 6881 3228 |
09 |
То же исполнение Б13/1020 |
-«- |
-«- |
|
|
14 6881 3230 |
04 |
То же исполнение А22/1020 |
-«- |
-«- |
|
|
14 6881 3232 |
02 |
То же исполнение А23/1020 |
-«- |
-«- |
|
|
14 6881 3234 |
00 |
То же исполнение Б22/1020 |
-«- |
-«- |
|
|
14 6881 3236 |
09 |
То же исполнение Б23/1020 |
-«- |
-«- |
|
|
14 6881 3238 |
07 |
То же исполнение А12/1220 |
-«- |
-«- |
|
|
14 6881 3240 |
02 |
То же исполнение А13/1220 |
-«- |
-«- |
|
|
14 6881 3242 |
00 |
То же исполнение Б12/1220 |
-«- |
-«- |
|
|
14 6881 3244 |
09 |
То же исполнение Б13/1220 |
-«- |
-«- |
|
|
14 6881 3246 |
07 |
То же исполнение А22/1220 |
-«- |
-«- |
|
|
14 6881 3248 |
05 |
Опора корпусная приварная из стали 09Г2С исполнение А23/1220 |
ОСТ 36-146-88 |
Опоры для технологических трубопроводов |
|
|
14 6881 3250 |
00 |
То же исполнение Б22/1220 |
То же |
То же |
|
|
14 6881 3252 |
09 |
То же исполнение Б23/1220 |
-«- |
-«- |
|
|
14 6881 3254 |
07 |
То же исполнение А12/1420 |
-«- |
-«- |
|
|
14 6881 3256 |
05 |
То же исполнение А13/1420 |
-«- |
-«- |
|
|
14 6881 3258 |
03 |
То же исполнение Б12/1420 |
-«- |
-«- |
|
|
14 6881 3260 |
09 |
То же исполнение Б13/1420 |
-«- |
-«- |
|
|
14 6881 3262 |
07 |
То же исполнение А22/1420 |
-«- |
-«- |
|
|
14 6881 3264 |
05 |
То же исполнение А23/1420 |
-«- |
-«- |
|
|
14 6881 3266 |
03 |
То же исполнение Б22/1420 |
-«- |
-«- |
|
|
14 6881 3268 |
01 |
То же исполнение Б23/1420 |
-«- |
-«- |
|
|
14 6881 3302 |
05 |
Опора корпусная хомутовая из стали ВСт3кп исполнение А11/57 |
-«- |
-«- |
|
|
14 6881 3304 |
03 |
То же исполнение А12/57 |
-«- |
-«- |
|
|
14 6881 3306 |
01 |
То же исполнение А21/57 |
-«- |
-«- |
|
|
14 6881 3308 |
10 |
То же исполнение А22/57 |
-«- |
-«- |
|
|
14 6881 3310 |
05 |
То же исполнение А11/76 |
-«- |
-«- |
|
|
14 6881 3312 |
03 |
То же исполнение А12/76 |
-«- |
-«- |
|
|
14 6881 3314 |
01 |
То же исполнение А21/76 |
-«- |
-«- |
|
|
14 6881 3316 |
10 |
То же исполнение А22/76 |
-«- |
-«- |
|
|
14 6881 3318 |
08 |
То же исполнение А11/89 |
-«- |
-«- |
|
|
14 6881 3320 |
03 |
То же исполнение А12/89 |
-«- |
-«- |
|
|
14 6881 3322 |
01 |
То же исполнение А21/89 |
-«- |
-«- |
|
|
14 6881 3324 |
10 |
То же исполнение А22/89 |
-«- |
-«- |
|
|
14 6881 3326 |
08 |
Опора корпусная хомутовая из стали ВСт3кп исполнение А11/108 |
ОСТ 36-146-88 |
Опоры для технологических трубопроводов |
|
|
14 6881 3328 |
06 |
То же исполнение А12/108 |
То же |
То же |
|
|
14 6881 3330 |
01 |
То же исполнение А21/108 |
-«- |
-«- |
|
|
14 6881 3332 |
10 |
То же исполнение А22/108 |
-«- |
-«- |
|
|
14 6881 3334 |
08 |
То же исполнение А11/133 |
-«- |
-«- |
|
|
14 6881 3336 |
06 |
То же исполнение А12/133 |
-«- |
-«- |
|
|
14 6881 3338 |
04 |
То же исполнение А21/133 |
-«- |
-«- |
|
|
14 6881 3340 |
10 |
То же исполнение А22/133 |
-«- |
-«- |
|
|
14 6881 3342 |
08 |
То же исполнение А11/159 |
-«- |
-«- |
|
|
14 6881 3344 |
06 |
То же исполнение А12/159 |
-«- |
-«- |
|
|
14 6881 3346 |
04 |
То же исполнение А21/159 |
-«- |
-«- |
|
|
14 6881 3348 |
02 |
То же исполнение А22/159 |
-«- |
-«- |
|
|
14 6881 3350 |
08 |
То же исполнение А11/219 |
-«- |
-«- |
|
|
14 6881 3352 |
06 |
То же исполнение А12/219 |
-«- |
-«- |
|
|
14 6881 3354 |
04 |
То же исполнение А13/219 |
-«- |
-«- |
|
|
14 6881 3356 |
02 |
То же исполнение А21/219 |
-«- |
-«- |
|
|
14 6881 3358 |
00 |
То же исполнение А22/219 |
-«- |
-«- |
|
|
14 6881 3360 |
06 |
То же исполнение А23/219 |
-«- |
-«- |
|
|
14 6881 3362 |
04 |
То же исполнение А11/273 |
-«- |
-«- |
|
|
14 6881 3364 |
02 |
То же исполнение А12/273 |
-«- |
-«- |
|
|
14 6881 3366 |
00 |
То же исполнение А13/273 |
-«- |
-«- |
|
|
14 6881 3368 |
09 |
То же исполнение А21/273 |
-«- |
-«- |
|
|
14 6881 3370 |
04 |
То же исполнение А22/273 |
-«- |
-«- |
|
|
14 6881 3372 |
02 |
То же исполнение А23/273 |
-«- |
-«- |
|
|
14 6881 3374 |
00 |
Опора корпусная хомутовая из стали ВСт3кп исполнение А11/325 |
ОСТ 36-146-88 |
Опоры для технологических трубопроводов |
|
|
14 6881 3376 |
09 |
То же исполнение А12/325 |
То же |
То же |
|
|
14 6881 3378 |
07 |
То же исполнение А13/325 |
-«- |
-«- |
|
|
14 6881 3380 |
02 |
То же исполнение А21/325 |
-«- |
-«- |
|
|
14 6881 3382 |
00 |
То же исполнение А22/325 |
-«- |
-«- |
|
|
14 6881 3384 |
09 |
То же исполнение А23/325 |
-«- |
-«- |
|
|
14 6881 3386 |
07 |
То же исполнение А11/377 |
-«- |
-«- |
|
|
14 6881 3388 |
05 |
То же исполнение А12/377 |
-«- |
-«- |
|
|
14 6881 3390 |
00 |
То же исполнение А13/377 |
-«- |
-«- |
|
|
14 6881 3392 |
09 |
То же исполнение А21/377 |
-«- |
-«- |
|
|
14 6881 3394 |
07 |
То же исполнение А22/377 |
-«- |
-«- |
|
|
14 6881 3396 |
05 |
То же исполнение А23/377 |
-«- |
-«- |
|
|
14 6881 3420 |
00 |
Опора корпусная хомутовая из стали ВСт3пс исполнение А11/57 |
-«- |
-«- |
|
|
14 6881 3422 |
09 |
То же исполнение. А12/57 |
-«- |
-«- |
|
|
14 5881 3424 |
07 |
То же исполнение А21/57 |
-«- |
-«- |
|
|
14 6881 3426 |
05 |
То же исполнение А22/57 |
-«- |
-«- |
|
|
14 6881 3428 |
03 |
То же исполнение А11/76 |
-«- |
-«- |
|
|
14 6881 3430 |
09 |
То же исполнение А12/76 |
-«- |
-«- |
|
|
14 6881 3432 |
07 |
То же исполнение А21/76 |
-«- |
-«- |
|
|
14 6881 3434 |
05 |
То же исполнение А22/76 |
-«- |
-«- |
|
|
14 6881 3436 |
03 |
То же исполнение А11/89 |
-«- |
-«- |
|
|
14 6881 3438 |
01 |
То же исполнение А12/89 |
-«- |
-«- |
|
|
14 6881 3440 |
07 |
Опора корпусная хомутовая из стали ВСт3пс исполнение А21/89 |
ОСТ 36-146-88 |
Опоры для технологических трубопроводов |
|
|
14 6881 3442 |
05 |
То же исполнение А22/89 |
То же |
То же |
|
|
14 6881 3444 |
03 |
То же исполнение А11/108 |
-«- |
-«- |
|
|
14 6881 3446 |
01 |
То же исполнение А12/108 |
-«- |
-«- |
|
|
14 6881 3448 |
10 |
То же исполнение А21/108 |
-«- |
-«- |
|
|
14 6881 3450 |
05 |
То же исполнение А22/108 |
-«- |
-«- |
|
|
14 6881 3452 |
03 |
То же исполнение А11/133 |
-«- |
-«- |
|
|
14 6881 3454 |
01 |
То же исполнение А12/133 |
-«- |
-«- |
|
|
14 6881 3456 |
10 |
То же исполнение А21/133 |
-«- |
-«- |
|
|
14 6881 3458 |
08 |
То же исполнение А22/133 |
-«- |
-«- |
|
|
14 6881 3460 |
03 |
То же исполнение А11/159 |
-«- |
-«- |
|
|
14 6881 3462 |
01 |
То же исполнение А12/159 |
-«- |
-«- |
|
|
14 6881 3464 |
10 |
То же исполнение А21/159 |
-«- |
-«- |
|
|
14 6881 3466 |
08 |
То же исполнение А22/159 |
-«- |
-«- |
|
|
14 6881 3468 |
06 |
То же исполнение А11/219 |
-«- |
-«- |
|
|
14 6881 3470 |
01 |
То же исполнение А12/219 |
-«- |
-«- |
|
|
14 6881 3472 |
10 |
То же исполнение А13/219 |
-«- |
-«- |
|
|
14 6881 3474 |
08 |
То же исполнение А21/219 |
-«- |
-«- |
|
|
14 6881 3476 |
06 |
То же исполнение А22/219 |
-«- |
-«- |
|
|
14 6881 3478 |
04 |
То же исполнение А23/219 |
-«- |
-«- |
|
|
14 6881 3480 |
10 |
То же исполнение А11/273 |
-«- |
-«- |
|
|
14 6881 3482 |
08 |
То же исполнение А12/273 |
-«- |
-«- |
|
|
14 6881 3484 |
06 |
То же исполнение А13/273 |
-«- |
-«- |
|
|
14 6881 3486 |
04 |
То же исполнение А21/273 |
-«- |
-«- |
|
|
14 6881 3488 |
02 |
Опора корпусная хомутовая из стали ВСт3пс исполнение А22/273 |
ОСТ 36-146-88 |
Опоры для технологических трубопроводов |
|
|
14 6881 3490 |
08 |
То же исполнение А23/273 |
То же |
То же |
|
|
14 6881 3492 |
06 |
То же исполнение А11/325 |
-«- |
-«- |
|
|
14 6881 3494 |
04 |
То же исполнение А12/325 |
-«- |
-«- |
|
|
14 6881 3496 |
02 |
То же исполнение А13/325 |
-«- |
-«- |
|
|
14 6881 3498 |
00 |
То же исполнение А21/325 |
-«- |
-«- |
|
|
14 6881 3500 |
01 |
То же исполнение А22/325 |
-«- |
-«- |
|
|
14 6881 3502 |
10 |
То же исполнение А23/325 |
-«- |
-«- |
|
|
14 6881 3504 |
08 |
То же исполнение А11/377 |
-«- |
-«- |
|
|
14 6881 3506 |
06 |
То же исполнение А12/377 |
-«- |
-«- |
|
|
14 6881 3508 |
04 |
То же исполнение А13/377 |
-«- |
-«- |
|
|
14 6881 3510 |
10 |
То же исполнение А21/377 |
-«- |
-«- |
|
|
14 6881 3512 |
08 |
То же исполнение А22/377 |
-«- |
-«- |
|
|
14 6881 3514 |
06 |
То же исполнение А23/377 |
-«- |
-«- |
|
|
14 6881 3516 |
04 |
То же исполнение А11/426 |
-«- |
-«- |
|
|
14 6881 3518 |
02 |
То же исполнение А12/426 |
-«- |
-«- |
|
|
14 6881 3520 |
08 |
То же исполнение А13/426 |
-«- |
-«- |
|
|
14 6881 3522 |
06 |
То же исполнение А21/426 |
-«- |
-«- |
|
|
14 6881 3524 |
04 |
То же исполнение А22/426 |
-«- |
-«- |
|
|
14 6881 3526 |
02 |
То же исполнение А23/426 |
-«- |
-«- |
|
|
14 6881 3528 |
00 |
То же исполнение А11/530 |
-«- |
-«- |
|
|
14 6881 3530 |
06 |
То же исполнение А12/530 |
-«- |
-«- |
|
|
14 6881 3532 |
04 |
То же исполнение А13/530 |
-«- |
-«- |
|
|
14 6881 3534 |
02 |
То же исполнение А21/530 |
-«- |
-«- |
|
|
14 6881 3536 |
00 |
Опора корпусная хомутовая из стали ВСт3пс исполнение А22/530 |
ОСТ 36-146-88 |
Опоры для технологических трубопроводов |
|
|
14 6881 3538 |
09 |
То же исполнение А23/530 |
То же |
То же |
|
|
14 6881 3540 |
04 |
То же исполнение А11/630 |
-«- |
-«- |
|
|
14 6881 3542 |
02 |
То же исполнение А12/630 |
-«- |
-«- |
|
|
14 6881 3544 |
00 |
То же исполнение А13/630 |
-«- |
-«- |
|
|
14 6881 3546 |
09 |
То же исполнение А21/630 |
-«- |
-«- |
|
|
14 6881 3548 |
07 |
То же исполнение А22/630 |
-«- |
-«- |
|
|
14 6881 3550 |
02 |
То же исполнение А23/630 |
-«- |
-«- |
|
|
14 6881 3600 |
09 |
Опора корпусная хомутовая из стали ВСт3сп исполнение А11/57 |
-«- |
-«- |
|
|
14 6881 3602 |
07 |
То же исполнение А12/57 |
-«- |
-«- |
|
|
14 6881 3604 |
05 |
То же исполнение А21/57 |
-«- |
-«- |
|
|
14 6881 3636 |
03 |
То же исполнение А22/57 |
-«- |
-«- |
|
|
14 6881 3608 |
01 |
То же исполнение А11/76 |
-«- |
-«- |
|
|
14 6881 3610 |
07 |
То же исполнение А12/76 |
-«- |
-«- |
|
|
14 6881 3612 |
05 |
То же исполнение А21/76 |
-«- |
-«- |
|
|
14 6881 3614 |
03 |
То же исполнение А22/76 |
-«- |
-«- |
|
|
14 6881 3616 |
01 |
То же исполнение А11/89 |
-«- |
-«- |
|
|
14 6881 3618 |
10 |
То же исполнение А12/89 |
-«- |
-«- |
|
|
14 6881 3620 |
05 |
То же исполнение А21/89 |
-«- |
-«- |
|
|
14 6881 3622 |
03 |
То же исполнение А22/89 |
-«- |
-«- |
|
|
14 6881 3624 |
01 |
То же исполнение А11/108 |
-«- |
-«- |
|
|
14 6881 3626 |
10 |
То же исполнение А12/108 |
-«- |
-«- |
|
|
14 6881 3638 |
08 |
Опора корпусная хомутовая из стали ВСт3сп исполнение А21/108 |
ОСТ 36-146-88 |
Опоры для технологических трубопроводов |
|
|
14 6881 3630 |
03 |
То же исполнение А22/108 |
То же |
То же |
|
|
14 6881 3632 |
01 |
То же исполнение А11/133 |
-«- |
-«- |
|
|
14 6881 3634 |
10 |
То же исполнение А12/133 |
-«- |
-«- |
|
|
14 6881 3636 |
08 |
То же исполнение А21/133 |
-«- |
-«- |
|
|
14 6881 3638 |
06 |
То же исполнение А22/133 |
-«- |
-«- |
|
|
14 6881 3640 |
01 |
То же исполнение А11/159 |
-«- |
-«- |
|
|
14 6881 3642 |
10 |
То же исполнение А12/159 |
-«- |
-«- |
|
|
14 6881 3644 |
08 |
То же исполнение А21/159 |
-«- |
-«- |
|
|
14 6881 3646 |
06 |
То же исполнение А22/159 |
-«- |
-«- |
|
|
14 6881 3648 |
04 |
То же исполнение А11/219 |
-«- |
-«- |
|
|
14 6881 3650 |
10 |
То же исполнение А12/219 |
-«- |
-«- |
|
|
14 6881 3652 |
08 |
То же исполнение А13/219 |
-«- |
-«- |
|
|
14 6881 3654 |
06 |
То же исполнение А21/219 |
-«- |
-«- |
|
|
14 6881 3656 |
04 |
То же исполнение А22/219 |
-«- |
-«- |
|
|
14 6881 3658 |
02 |
То же исполнение А23/219 |
-«- |
-«- |
|
|
14 6881 3660 |
08 |
То же исполнение А11/273 |
-«- |
-«- |
|
|
14 6881 3662 |
06 |
То же исполнение А12/273 |
-«- |
-«- |
|
|
14 6881 3664 |
04 |
То же исполнение А13/273 |
-«- |
-«- |
|
|
14 6881 3666 |
02 |
То же исполнение А21/273 |
-«- |
-«- |
|
|
14 6881 3668 |
00 |
То же исполнение А22/273 |
-«- |
-«- |
|
|
14 6881 3670 |
06 |
То же исполнение А23/273 |
-«- |
-«- |
|
|
14 6881 3672 |
04 |
То же исполнение А11/325 |
-«- |
-«- |
|
|
14 6881 3674 |
02 |
То же исполнение А12/325 |
-«- |
-«- |
|
|
14 6881 3676 |
00 |
Опора корпусная хомутовая из стали ВСт3сп исполнение А13/325 |
ОСТ 36-146-88 |
Опоры для технологических трубопроводов |
|
|
14 6881 3678 |
09 |
То же исполнение А21/325 |
То же |
То же |
|
|
14 6881 3680 |
04 |
То же исполнение А22/325 |
-«- |
-«- |
|
|
14 6881 3682 |
02 |
То же исполнение А23/325 |
-«- |
-«- |
|
|
14 6881 3684 |
00 |
То же исполнение А11/377 |
-«- |
-«- |
|
|
14 6881 3686 |
09 |
То же исполнение А12/377 |
-«- |
-«- |
|
|
14 6881 3688 |
07 |
То же исполнение А13/377 |
-«- |
-«- |
|
|
14 6881 3690 |
02 |
То же исполнение А21/377 |
-«- |
-«- |
|
|
14 6881 3692 |
00 |
То же исполнение А22/377 |
-«- |
-«- |
|
|
14 6881 3694 |
09 |
То же исполнение А23/377 |
-«- |
-«- |
|
|
14 6881 3696 |
07 |
То же исполнение А11/426 |
-«- |
-«- |
|
|
14 6881 3698 |
05 |
То же исполнение А12/426 |
-«- |
-«- |
|
|
14 6881 3700 |
06 |
То же исполнение А13/426 |
-«- |
-«- |
|
|
14 6881 3702 |
04 |
То же исполнение А21/426 |
-«- |
-«- |
|
|
14 6881 3704 |
02 |
То же исполнение А22/426 |
-«- |
-«- |
|
|
14 6881 3706 |
00 |
То же исполнение А23/426 |
-«- |
-«- |
|
|
14 6881 3708 |
09 |
То же исполнение А11/530 |
-«- |
-«- |
|
|
14 6881 3710 |
04 |
То же исполнение А12/530 |
-«- |
-«- |
|
|
14 6881 3712 |
02 |
То же исполнение А13/530 |
-«- |
-«- |
|
|
14 6881 3714 |
00 |
То же исполнение А21/530 |
-«- |
-«- |
|
|
14 6881 3716 |
09 |
То же исполнение А22/530 |
-«- |
-«- |
|
|
14 6881 3718 |
07 |
То же исполнение А23/530 |
-«- |
-«- |
|
|
14 6881 3720 |
02 |
То же исполнение А11/630 |
-«- |
-«- |
|
|
14 6881 3722 |
00 |
То же исполнение А12/630 |
-«- |
-«- |
|
|
14 6881 3724 |
09 |
Опора корпусная хомутовая из стали ВСт3сп исполнение А13/630 |
ОСТ 36-146-88 |
Опоры для технологических трубопроводов |
|
|
14 6881 3726 |
07 |
То же исполнение А21/630 |
То же |
То же |
|
|
14 6881 3728 |
05 |
То же исполнение А22/630 |
-«- |
-«- |
|
|
14 6881 3730 |
00 |
То же исполнение А23/630 |
-«- |
-«- |
|
|
14 6881 3760 |
05 |
Опора корпусная хомутовая из стали 20 исполнение А11/57 |
-«- |
-«- |
|
|
14 6881 3762 |
03 |
То же исполнение А12/57 |
-«- |
-«- |
|
|
14 6881 3764 |
01 |
То же исполнение А21/57 |
-«- |
-«- |
|
|
14 6881 3766 |
10 |
То же исполнение А22/57 |
-«- |
-«- |
|
|
14 6881 3768 |
08 |
То же исполнение А11/76 |
-«- |
-«- |
|
|
14 6881 3770 |
03 |
То же исполнение А12/76 |
-«- |
-«- |
|
|
14 6881 3772 |
01 |
То же исполнение А21/76 |
-«- |
-«- |
|
|
14 6881 3774 |
10 |
То же исполнение А22/76 |
-«- |
-«- |
|
|
14 6881 3776 |
08 |
То же исполнение А11/89 |
-«- |
-«- |
|
|
14 6881 3778 |
06 |
То же исполнение А12/89 |
-«- |
-«- |
|
|
14 6881 3780 |
01 |
То же исполнение А21/89 |
-«- |
-«- |
|
|
14 6881 3782 |
10 |
То же исполнение А22/89 |
-«- |
-«- |
|
|
14 6881 3784 |
08 |
То же исполнение А11/108 |
-«- |
-«- |
|
|
14 6881 3786 |
06 |
То же исполнение А12/108 |
-«- |
-«- |
|
|
14 6881 3788 |
04 |
То же исполнение А21/108 |
-«- |
-«- |
|
|
14 6881 3790 |
10 |
То же исполнение А22/108 |
-«- |
-«- |
|
|
14 6881 3792 |
08 |
То же исполнение А11/133 |
-«- |
-«- |
|
|
14 6881 3794 |
06 |
То же исполнение А12/133 |
-«- |
-«- |
|
|
14 6881 3796 |
04 |
Опора корпусная хомутовая из стали 20 исполнение А21/133 |
ОСТ 36-146-88 |
Опоры для технологических трубопроводов |
|
|
14 6881 3798 |
02 |
То же исполнение А22/133 |
То же |
То же |
|
|
14 6881 3800 |
03 |
То же исполнение А11/159 |
-«- |
-«- |
|
|
14 6881 3802 |
01 |
То же исполнение А12/159 |
-«- |
-«- |
|
|
14 6881 3804 |
10 |
То же исполнение А21/159 |
-«- |
-«- |
|
|
14 6881 3806 |
08 |
То же исполнение А22/159 |
-«- |
-«- |
|
|
14 6881 3808 |
06 |
То же исполнение А11/219 |
-«- |
-«- |
|
|
14 6881 3810 |
01 |
То же исполнение А12/219 |
-«- |
-«- |
|
|
14 6881 3812 |
10 |
То же исполнение А13/219 |
-«- |
-«- |
|
|
14 6881 3814 |
08 |
То же исполнение А21/219 |
-«- |
-«- |
|
|
14 6881 3816 |
06 |
То же исполнение А22/219 |
-«- |
-«- |
|
|
14 6881 3818 |
04 |
То же исполнение А23/219 |
-«- |
-«- |
|
|
14 6881 3820 |
10 |
То же исполнение А11/273 |
-«- |
-«- |
|
|
14 6881 3822 |
08 |
То же исполнение А12/273 |
-«- |
-«- |
|
|
14 6881 3824 |
06 |
То же исполнение А13/273 |
-«- |
-«- |
|
|
14 6881 3826 |
04 |
То же исполнение А21/273 |
-«- |
-«- |
|
|
14 6881 3828 |
02 |
То же исполнение А22/273 |
-«- |
-«- |
|
|
14 6881 3830 |
08 |
То же исполнение А23/273 |
-«- |
-«- |
|
|
14 6881 3832 |
06 |
То же исполнение А11/325 |
-«- |
-«- |
|
|
14 6881 3834 |
04 |
То же исполнение А12/325 |
-«- |
-«- |
|
|
14 6881 3836 |
02 |
То же исполнение А13/325 |
-«- |
-«- |
|
|
14 6881 3838 |
00 |
То же исполнение А21/325 |
-«- |
-«- |
|
|
14 6881 3840 |
06 |
То же исполнение А22/325 |
-«- |
-«- |
|
|
14 6881 3842 |
04 |
То же исполнение А23/325 |
-«- |
-«- |
|
|
14 6881 3844 |
02 |
Опора корпусная хомутовая из стали 20 исполнение А11/377 |
ОСТ 36-146-88 |
Опоры для технологических трубопроводов |
|
|
14 6881 3846 |
00 |
То же исполнение А12/377 |
То же |
То же |
|
|
14 6881 3848 |
09 |
То же исполнение А13/377 |
-«- |
-«- |
|
|
14 6881 3850 |
04 |
То же исполнение А21/377 |
-«- |
-«- |
|
|
14 6881 3852 |
02 |
То же исполнение А22/377 |
-«- |
-«- |
|
|
14 6881 3854 |
00 |
То же исполнение А23/377 |
-«- |
-«- |
|
|
14 6881 3856 |
09 |
То же исполнение А11/426 |
-«- |
-«- |
|
|
14 6881 3858 |
07 |
То же исполнение А12/426 |
-«- |
-«- |
|
|
14 6881 3860 |
02 |
То же исполнение А13/426 |
-«- |
-«- |
|
|
14 6881 3862 |
00 |
То же исполнение А21/426 |
-«- |
-«- |
|
|
14 6881 3864 |
09 |
То же исполнение А22/426 |
-«- |
-«- |
|
|
14 6881 3866 |
07 |
То же исполнение А23/426 |
-«- |
-«- |
|
|
14 6881 3868 |
05 |
То же исполнение А11/530 |
-«- |
-«- |
|
|
14 6881 3870 |
00 |
То же исполнение А12/530 |
-«- |
-«- |
|
|
14 6881 3872 |
09 |
То же исполнение А13/530 |
-«- |
-«- |
|
|
14 6881 3874 |
07 |
То же исполнение А21/530 |
-«- |
-«- |
|
|
14 6881 3876 |
05 |
То же исполнение А22/530 |
-«- |
-«- |
|
|
14 6881 3878 |
03 |
То же исполнение А23/530 |
-«- |
-«- |
|
|
14 6881 3880 |
09 |
То же исполнение А11/630 |
-«- |
-«- |
|
|
14 6881 3882 |
07 |
То же исполнение А12/630 |
-«- |
-«- |
|
|
14 6881 3884 |
05 |
То же исполнение А13/630 |
-«- |
-«- |
|
|
14 6881 3886 |
03 |
То же исполнение А21/630 |
-«- |
-«- |
|
|
14 6881 3888 |
01 |
То же исполнение А22/630 |
-«- |
-«- |
|
|
14 6881 3890 |
07 |
То же исполнение А23/630 |
-«- |
-«- |
|
|
14 6881 3900 |
00 |
Опора корпусная, хомутовая из стали 10Г2 исполнение А11/57 |
ОСТ 36-146-88 |
Опоры для технологических трубопроводов |
|
|
14 6881 3902 |
09 |
То же исполнение А12/57 |
То же |
То же |
|
|
14 6881 3904 |
07 |
То же исполнение А21/57 |
-«- |
-«- |
|
|
14 6881 3906 |
05 |
То же исполнение А22/57 |
-«- |
-«- |
|
|
14 6881 3908 |
03 |
То же исполнение А11/76 |
-«- |
-«- |
|
|
14 6881 3910 |
09 |
То же исполнение А12/76 |
-«- |
-«- |
|
|
14 6881 3912 |
07 |
То же исполнение А21/76 |
-«- |
-«- |
|
|
14 6881 3914 |
05 |
То же исполнение А22/76 |
-«- |
-«- |
|
|
14 6881 3916 |
03 |
То же исполнение А11/89 |
-«- |
-«- |
|
|
14 6881 3918 |
01 |
То же исполнение А12/89 |
-«- |
-«- |
|
|
14 6881 3920 |
07 |
То же исполнение А21/89 |
-«- |
-«- |
|
|
14 6881 3922 |
05 |
То же исполнение А22/89 |
-«- |
-«- |
|
|
14 6881 3924 |
03 |
То же исполнение А11/108 |
-«- |
-«- |
|
|
14 6881 3926 |
01 |
То же исполнение А12/108 |
-«- |
-«- |
|
|
14 6881 3928 |
10 |
То же исполнение А21/108 |
-«- |
-«- |
|
|
14 6881 3930 |
05 |
То же исполнение А22/108 |
-«- |
-«- |
|
|
14 6881 3932 |
03 |
То же исполнение А11/133 |
-«- |
-«- |
|
|
14 6881 3934 |
01 |
То же исполнение А12/133 |
-«- |
-«- |
|
|
14 6881 3936 |
10 |
То же исполнение А21/133 |
-«- |
-«- |
|
|
14 6881 3938 |
08 |
То же исполнение А22/133 |
-«- |
-«- |
|
|
14 6881 3940 |
03 |
То же исполнение А11/159 |
-«- |
-«- |
|
|
14 6881 3942 |
01 |
То же исполнение А12/159 |
-«- |
-«- |
|
|
14 6881 3944 |
10 |
То же исполнение А21/159 |
-«- |
-«- |
|
|
14 6881 3946 |
08 |
То же исполнение А22/159 |
-«- |
-«- |
|
|
14 6881 3948 |
06 |
Опора корпусная хомутовая из стали 10Г2 исполнение А11/219 |
ОСТ 36-146-88 |
Опоры для технологических трубопроводов |
|
|
14 6881 3950 |
01 |
То же исполнение А12/219 |
То же |
То же |
|
|
14 6881 3952 |
10 |
То же исполнение А13/219 |
-«- |
-«- |
|
|
14 6881 3954 |
08 |
То же исполнение А21/219 |
-«- |
-«- |
|
|
14 6881 3956 |
06 |
То же исполнение А22/219 |
-«- |
-«- |
|
|
14 6881 3958 |
04 |
То же исполнение А23/219 |
-«- |
-«- |
|
|
14 6881 3960 |
10 |
То же исполнение А11/273 |
-«- |
-«- |
|
|
14 6881 3962 |
08 |
То же исполнение А12/273 |
-«- |
-«- |
|
|
14 6881 3964 |
06 |
То же исполнение А13/273 |
-«- |
-«- |
|
|
14 6881 3966 |
04 |
То же исполнение А21/273 |
-«- |
-«- |
|
|
14 6881 3968 |
02 |
То же исполнение А22/273 |
-«- |
-«- |
|
|
14 6881 3970 |
08 |
То же исполнение А23/273 |
-«- |
-«- |
|
|
14 6881 3972 |
06 |
То же исполнение А11/325 |
-«- |
-«- |
|
|
14 6881 3974 |
04 |
То же исполнение А12/325 |
-«- |
-«- |
|
|
14 6881 3976 |
02 |
То же исполнение А13/325 |
-«- |
-«- |
|
|
14 6881 3978 |
00 |
То же исполнение А21/325 |
-«- |
-«- |
|
|
14 6881 3980 |
06 |
То же исполнение А22/325 |
-«- |
-«- |
|
|
14 6881 3982 |
04 |
То же исполнение А23/325 |
-«- |
-«- |
|
|
14 6881 3984 |
02 |
То же исполнение А11/377 |
-«- |
-«- |
|
|
14 6881 3986 |
00 |
То же исполнение А12/377 |
-«- |
-«- |
|
|
14 6881 3988 |
09 |
То же исполнение А13/377 |
-«- |
-«- |
|
|
14 6881 3990 |
04 |
То же исполнение А21/377 |
-«- |
-«- |
|
|
14 6881 3992 |
02 |
То же исполнение А22/377 |
-«- |
-«- |
|
|
14 6881 3994 |
00 |
То же исполнение А23/377 |
-«- |
-«- |
|
|
14 6881 3996 |
09 |
Опора корпусная хомутовая из стали 10Г2 исполнение А11/426 |
ОСТ 36-146-88 |
Опоры для технологических трубопроводов |
|
|
14 6881 3998 |
07 |
То же исполнение А12/426 |
То же |
То же |
|
|
14 6881 4000 |
01 |
То же исполнение А13/426 |
-«- |
-«- |
|
|
14 6881 4002 |
10 |
То же исполнение А21/426 |
-«- |
-«- |
|
|
14 6881 4004 |
08 |
То же исполнение А22/426 |
-«- |
-«- |
|
|
14 6881 4006 |
06 |
То же исполнение А23/426 |
-«- |
-«- |
|
|
14 6881 4008 |
04 |
То же исполнение А11/530 |
-«- |
-«- |
|
|
14 6881 4010 |
10 |
То же исполнение А12/530 |
-«- |
-«- |
|
|
14 6881 4012 |
08 |
То же исполнение А13/530 |
-«- |
-«- |
|
|
14 6881 4014 |
06 |
То же исполнение А21/530 |
-«- |
-«- |
|
|
14 6881 4016 |
04 |
То же исполнение А22/530 |
-«- |
-«- |
|
|
14 6881 4018 |
02 |
То же исполнение А23/530 |
-«- |
-«- |
|
|
14 6881 4020 |
08 |
То же исполнение А11/630 |
-«- |
-«- |
|
|
14 6881 4022 |
06 |
То же исполнение А12/630 |
-«- |
-«- |
|
|
14 6881 4024 |
04 |
То же исполнение А13/630 |
-«- |
-«- |
|
|
14 6881 4026 |
02 |
То же исполнение А21/630 |
-«- |
-«- |
|
|
14 6881 4028 |
00 |
То же исполнение А22/630 |
-«- |
-«- |
|
|
14 6881 4030 |
06 |
То же исполнение А23/630 |
-«- |
-«- |
|
|
14 6881 4050 |
02 |
Опора корпусная хомутовая из стали 09Г2С исполнение А11/57 |
-«- |
-«- |
|
|
14 6881 4052 |
00 |
То же исполнение А12/57 |
-«- |
-«- |
|
|
14 6881 4054 |
09 |
То же исполнение А21/57 |
-«- |
-«- |
|
|
14 6881 4056 |
07 |
То же исполнение А22/57 |
-«- |
-«- |
|
|
14 6881 4058 |
05 |
То же исполнение А11/76 |
-«- |
-«- |
|
|
14 6881 4060 |
00 |
Опора корпусная хомутовая из стали 09Г2С исполнение А12/76 |
ОСТ 36-146-88 |
Опоры для технологических трубопроводов |
|
|
14 6881 4062 |
09 |
То же исполнение А21/76 |
То же |
То же |
|
|
14 6881 4064 |
07 |
То же исполнение А22/76 |
-«- |
-«- |
|
|
14 6881 4066 |
05 |
То же исполнение А11/89 |
-«- |
-«- |
|
|
14 6881 4066 |
03 |
То же исполнение А12/89 |
-«- |
-«- |
|
|
14 6881 4070 |
09 |
То же исполнение А21/89 |
-«- |
-«- |
|
|
14 6881 4072 |
07 |
То же исполнение А22/89 |
-«- |
-«- |
|
|
14 6881 4074 |
05 |
То же исполнение А11/108 |
-«- |
-«- |
|
|
14 6881 4076 |
03 |
То же исполнение А12/108 |
-«- |
-«- |
|
|
14 6881 4078 |
01 |
То же исполнение А21/108 |
-«- |
-«- |
|
|
14 6881 4080 |
07 |
То же исполнение А22/108 |
-«- |
-«- |
|
|
14 6881 4082 |
05 |
То же исполнение А11/133 |
-«- |
-«- |
|
|
14 6881 4084 |
03 |
То же исполнение А12/133 |
-«- |
-«- |
|
|
14 6881 4086 |
01 |
То же исполнение А21/133 |
-«- |
-«- |
|
|
14 6881 4088 |
10 |
То же исполнение А22/133 |
-«- |
-«- |
|
|
14 6881 4090 |
05 |
То же исполнение А11/159 |
-«- |
-«- |
|
|
14 6881 4092 |
03 |
То же исполнение А12/159 |
-«- |
-«- |
|
|
14 6881 4094 |
01 |
То же исполнение А21/159 |
-«- |
-«- |
|
|
14 6881 4096 |
10 |
То же исполнение А22/159 |
-«- |
-«- |
|
|
14 6881 4098 |
08 |
То же исполнение А11/219 |
-«- |
-«- |
|
|
14 6881 4100 |
09 |
То же исполнение А12/219 |
-«- |
-«- |
|
|
14 6881 4102 |
07 |
То же исполнение А13/219 |
-«- |
-«- |
|
|
14 6881 4104 |
05 |
То же исполнение А21/219 |
-«- |
-«- |
|
|
14 6881 4106 |
03 |
То же исполнение А22/219 |
-«- |
-«- |
|
|
14 6881 4108 |
01 |
Опора корпусная хомутовая из стали 09Г2С исполнение А23/219 |
ОСТ 36-146-88 |
Опоры для технологических трубопроводов |
|
|
14 6881 4110 |
07 |
То же исполнение А11/273 |
То же |
То же |
|
|
14 6881 4112 |
05 |
То же исполнение А12/273 |
-«- |
-«- |
|
|
14 6881 4114 |
03 |
То же исполнение А13/273 |
-«- |
-«- |
|
|
14 6881 4116 |
01 |
То же исполнение А21/273 |
-«- |
-«- |
|
|
14 6881 4118 |
10 |
То же исполнение А22/273 |
-«- |
-«- |
|
|
14 6881 4120 |
05 |
То же исполнение А23/273 |
-«- |
-«- |
|
|
14 6881 4122 |
03 |
То же исполнение А11/325 |
-«- |
-«- |
|
|
14 6881 4124 |
01 |
То же исполнение А12/325 |
-«- |
-«- |
|
|
14 6881 4126 |
10 |
То же исполнение А13/325 |
-«- |
-«- |
|
|
14 6881 4128 |
08 |
То же исполнение А21/325 |
-«- |
-«- |
|
|
14 6881 4130 |
03 |
То же исполнение А22/325 |
-«- |
-«- |
|
|
14 6881 4132 |
01 |
То же исполнение А23/325 |
-«- |
-«- |
|
|
14 6881 4134 |
10 |
То же исполнение А11/377 |
-«- |
-«- |
|
|
14 6881 4136 |
08 |
То же исполнение А12/377 |
-«- |
-«- |
|
|
14 6881 4138 |
06 |
То же исполнение А13/377 |
-«- |
-«- |
|
|
14 6881 4140 |
01 |
То же исполнение А21/377 |
-«- |
-«- |
|
|
14 6881 4142 |
10 |
То же исполнение А22/377 |
-«- |
-«- |
|
|
14 6881 4144 |
08 |
То же исполнение А23/377 |
-«- |
-«- |
|
|
14 6881 4146 |
06 |
То же исполнение А11/426 |
-«- |
-«- |
|
|
14 6881 4148 |
04 |
То же исполнение А12/426 |
-«- |
-«- |
|
|
14 6881 4150 |
10 |
То же исполнение А13/426 |
-«- |
-«- |
|
|
14 6881 4152 |
08 |
То же исполнение А21/426 |
-«- |
-«- |
|
|
14 6881 4154 |
06 |
То же исполнение А22/426 |
-«- |
-«- |
|
|
14 6881 4156 |
04 |
Опора корпусная хомутовая из стали 09Г2С исполнение А23/426 |
ОСТ 36-146-88 |
Опоры для технологических трубопроводов |
|
|
14 6881 4158 |
02 |
То же исполнение А11/530 |
То же |
То же |
|
|
14 6881 4160 |
08 |
То же исполнение А12/530 |
-«- |
-«- |
|
|
14 6881 4162 |
06 |
То же исполнение А13/530 |
-«- |
-«- |
|
|
14 6881 4164 |
04 |
То же исполнение А21/530 |
-«- |
-«- |
|
|
14 6881 4166 |
02 |
То же исполнение А22/530 |
-«- |
-«- |
|
|
14 6881 4168 |
00 |
То же исполнение А23/530 |
-«- |
-«- |
|
|
14 6881 4170 |
06 |
То же исполнение А11/630 |
-«- |
-«- |
|
|
14 6881 4172 |
04 |
То же исполнение А12/630 |
-«- |
-«- |
|
|
14 6881 4174 |
02 |
То же исполнение А13/630 |
-«- |
-«- |
|
|
14 6881 4176 |
00 |
То же исполнение А21/630 |
-«- |
-«- |
|
|
14 6881 4178 |
09 |
То же исполнение А22/630 |
-«- |
-«- |
|
|
14 6881 4180 |
04 |
То же исполнение А23/630 |
-«- |
-«- |
|
|
14 6881 4300 |
03 |
Опора трубчатая приварная из стали ВСт3кп исполнение А1/57-76 |
-«- |
-«- |
|
|
14 6881 4304 |
10 |
То же исполнение А2/57-76 |
-«- |
-«- |
|
|
14 6881 4308 |
06 |
То же исполнение Б1/57-76 |
-«- |
-«- |
|
|
14 6881 4312 |
10 |
То же исполнение Б2/57-76 |
-«- |
-«- |
|
|
14 6881 4316 |
06 |
То же исполнение А1/89-108 |
-«- |
-«- |
|
|
14 6881 4320 |
10 |
То же исполнение А2/89-108 |
-«- |
-«- |
|
|
14 6881 4324 |
06 |
То же исполнение Б1/89-108 |
-«- |
-«- |
|
|
14 6881 4328 |
02 |
То же исполнение Б2/89-108 |
-«- |
-«- |
|
|
14 6881 4332 |
06 |
То же исполнение А1/133-159 |
-«- |
-«- |
|
|
14 6881 4336 |
02 |
То же исполнение А2/133-159 |
-«- |
-«- |
|
|
14 6881 4340 |
06 |
Опора трубчатая приварная из стали ВСт3кп исполнение Б1/133-159 |
ОСТ 36-146-88 |
Опоры для технологических трубопроводов |
|
|
14 6881 4344 |
02 |
То же исполнение Б2/133-159 |
То же |
То же |
|
|
14 6881 4370 |
00 |
Опора трубчатая приварная из стали ВСт3пс исполнение А1/57-76 |
-«- |
-«- |
|
|
14 6881 4372 |
09 |
То же исполнение А2/57-76 |
-«- |
-«- |
|
|
14 6881 4376 |
05 |
То же исполнение Б1/57-76 |
-«- |
-«- |
|
|
14 6881 4380 |
09 |
То же исполнение Б2/57-76 |
-«- |
-«- |
|
|
14 6881 4384 |
05 |
То же исполнение А1/89-108 |
-«- |
-«- |
|
|
14 6881 4388 |
01 |
То же исполнение А2/89-108 |
-«- |
-«- |
|
|
14 6881 4392 |
05 |
То же исполнение Б1/89-108 |
-«- |
-«- |
|
|
14 6881 4396 |
01 |
То же исполнение Б2/89-108 |
-«- |
-«- |
|
|
14 6881 4400 |
007 |
То же исполнение А1/133-159 |
-«- |
-«- |
|
|
14 6881 4404 |
07 |
То же исполнение А2/133-159 |
-«- |
-«- |
|
|
14 6881 4408 |
03 |
То же исполнение Б1/133-159 |
-«- |
-«- |
|
|
14 6881 4412 |
07 |
То же исполнение Б2/133-159 |
-«- |
-«- |
|
|
14 6881 4416 |
03 |
То же исполнение А1/219-273 |
-«- |
-«- |
|
|
14 6881 4420 |
07 |
То же исполнение А2/219-273 |
-«- |
-«- |
|
|
14 6881 4424 |
03 |
То же исполнение Б1/219-273 |
-«- |
-«- |
|
|
14 6881 4428 |
10 |
То же исполнение Б2/219-273 |
-«- |
-«- |
|
|
14 6881 4432 |
03 |
То же исполнение А1/325 |
-«- |
-«- |
|
|
14 6881 4434 |
01 |
То же исполнение А2/325 |
-«- |
-«- |
|
|
14 6881 4436 |
10 |
То же исполнение Б1/325 |
-«- |
-«- |
|
|
14 6881 4438 |
08 |
То же исполнение Б2/325 |
-«- |
-«- |
|
|
14 6881 4440 |
03 |
То же исполнение А1/377-426 |
-«- |
-«- |
|
|
14 6881 4444 |
10 |
Опора трубчатая приварная из стали ВСт3пс исполнение А2/377-426 |
ОСТ 36-146-88 |
Опоры для технологических трубопроводов |
|
|
14 6881 4448 |
06 |
То же исполнение Б1/377-426 |
То же |
То же |
|
|
14 6881 4452 |
10 |
То же исполнение Б2/377-426 |
-«- |
-«- |
|
|
14 6881 4456 |
06 |
То же исполнение А1/530 |
-«- |
-«- |
|
|
14 6881 4458 |
04 |
То же исполнение А2/530 |
-«- |
-«- |
|
|
14 6881 4460 |
10 |
То же исполнение Б1/530 |
-«- |
-«- |
|
|
14 6881 4462 |
08 |
То же исполнение Б2/530 |
-«- |
-«- |
|
|
14 6881 4464 |
06 |
То же исполнение А1/630 |
-«- |
-«- |
|
|
14 6881 4466 |
04 |
То же исполнение А2/630 |
-«- |
-«- |
|
|
14 6881 4468 |
02 |
То же исполнение Б1/630 |
-«- |
-«- |
|
|
14 6881 4470 |
08 |
То же исполнение Б2/630 |
-«- |
-«- |
|
|
14 6881 4500 |
08 |
Опора трубчатая приварная из стали ВСт3сп исполнение А1/57-76 |
-«- |
-«- |
|
|
14 6881 4504 |
04 |
То же исполнение А2/57-76 |
-«- |
-«- |
|
|
14 6881 4508 |
00 |
То же исполнение Б1/57-76 |
-«- |
-«- |
|
|
14 6881 4512 |
04 |
То же исполнение Б2/57-76 |
-«- |
-«- |
|
|
14 6881 4516 |
00 |
То же исполнение А1/89-108 |
-«- |
-«- |
|
|
14 6881 4520 |
04 |
То же исполнение А2/89-108 |
-«- |
-«- |
|
|
14 6881 4524 |
00 |
То же исполнение Б1/89-108 |
-«- |
-«- |
|
|
14 6881 4528 |
07 |
То же исполнение Б2/89-108 |
-«- |
-«- |
|
|
14 6881 4532 |
00 |
То же исполнение А1/133-159 |
-«- |
-«- |
|
|
14 6881 4536 |
07 |
То же исполнение А2/133-159 |
-«- |
-«- |
|
|
14 6881 4540 |
00 |
То же исполнение Б1/133-159 |
-«- |
-«- |
|
|
14 6881 4544 |
07 |
То же исполнение Б2/133-159 |
-«- |
-«- |
|
|
14 6881 4548 |
03 |
Опора трубчатая приварная из стали ВСт3сп исполнение А1/219-273 |
ОСТ 36-146-88 |
Опоры для технологических трубопроводов |
|
|
14 6881 4552 |
07 |
То же исполнение А2/219-273 |
То же |
То же |
|
|
14 6881 4556 |
03 |
То же исполнение Б1/219-273 |
-«- |
-«- |
|
|
14 6881 4560 |
07 |
То же исполнение Б2/219-273 |
-«- |
-«- |
|
|
14 6881 4564 |
03 |
То же исполнение А1/325 |
-«- |
-«- |
|
|
14 6881 4566 |
01 |
То же исполнение А2/325 |
-«- |
-«- |
|
|
14 6881 4568 |
10 |
То же исполнение Б1/325 |
-«- |
-«- |
|
|
14 6881 4570 |
05 |
То же исполнение Б2/325 |
-«- |
-«- |
|
|
14 6881 4572 |
03 |
То же исполнение А1/377-426 |
-«- |
-«- |
|
|
14 6881 4576 |
10 |
То же исполнение А2/377-426 |
-«- |
-«- |
|
|
14 6881 4580 |
03 |
То же исполнение Б1/377-426 |
-«- |
-«- |
|
|
14 6881 4584 |
10 |
То же исполнение Б2/377-426 |
-«- |
-«- |
|
|
14 6881 4588 |
06 |
То же исполнение А1/530 |
-«- |
-«- |
|
|
14 6881 4590 |
01 |
То же исполнение А2/530 |
-«- |
-«- |
|
|
14 6881 4592 |
10 |
То же исполнение Б1/530 |
-«- |
-«- |
|
|
14 6881 4594 |
08 |
То же исполнение Б2/530 |
-«- |
-«- |
|
|
14 6881 4596 |
06 |
То же исполнение А1/630 |
-«- |
-«- |
|
|
14 6881 4598 |
04 |
То же исполнение А2/630 |
-«- |
-«- |
|
|
14 6881 4600 |
05 |
То же исполнение Б1/630 |
-«- |
-«- |
|
|
14 6881 4602 |
03 |
То же исполнение Б2/630 |
-«- |
-«- |
|
|
14 6881 4650 |
06 |
Опора трубчатая приварная из стали 20 исполнение А1/57-76 |
-«- |
-«- |
|
|
14 6881 4654 |
02 |
То же исполнение А2/57-76 |
-«- |
-«- |
|
|
14 6881 4658 |
09 |
То же исполнение Б1/57-76 |
-«- |
-«- |
|
|
14 6881 4662 |
02 |
Опора трубчатая приварная из стали 20 исполнение Б2/57-76 |
ОСТ 36-146-88 |
Опоры для технологических трубопроводов |
|
|
14 6881 4666 |
09 |
То же исполнение А1/89-108 |
То же |
То же |
|
|
14 6881 4670 |
02 |
То же исполнение А2/89-108 |
-«- |
-«- |
|
|
14 6881 4674 |
09 |
То же исполнение Б1/89-108 |
-«- |
-«- |
|
|
14 6881 4678 |
05 |
То же исполнение Б2/89-108 |
-«- |
-«- |
|
|
14 6881 4682 |
09 |
То же исполнение А1/133-159 |
-«- |
-«- |
|
|
14 6881 4686 |
05 |
То же исполнение А2/133-159 |
-«- |
-«- |
|
|
14 6881 4690 |
09 |
То же исполнение Б1/133-159 |
-«- |
-«- |
|
|
14 6881 4694 |
05 |
То же исполнение Б2/133-159 |
-«- |
-«- |
|
|
14 6881 4698 |
01 |
То же исполнение А1/219-273" |
-«- |
-«- |
|
|
14 6881 4702 |
00 |
То же исполнение А2/219-273 |
-«- |
-«- |
|
|
14 6881 4706 |
07 |
То же исполнение Б1/2Г9-273 |
-«- |
-«- |
|
|
14 6881 4710 |
00 |
То же исполнение Б2/219-273 |
-«- |
-«- |
|
|
14 6881 4714 |
07 |
То же исполнение А1/325 |
-«- |
-«- |
|
|
14 6881 4716 |
05 |
То же исполнение А2/325 |
-«- |
-«- |
|
|
14 6881 4718 |
03 |
То же исполнение Б1/325 |
-«- |
-«- |
|
|
14 6881 4720 |
09 |
То же исполнение Б2/325 |
-«- |
-«- |
|
|
14 6881 4722 |
07 |
То же исполнение А1/377-426 |
-«- |
-«- |
|
|
14 6881 4726 |
03 |
То же исполнение А2/377-426 |
-«- |
-«- |
|
|
14 6881 4730 |
07 |
То же исполнение Б1/377-426 |
-«- |
-«- |
|
|
14 6881 4734 |
03 |
То же исполнение Б2/377-426 |
-«- |
-«- |
|
|
14 6881 4738 |
10 |
То же исполнение А1/530 |
-«- |
-«- |
|
|
14 6881 4740 |
05 |
То же исполнение А2/530 |
-«- |
-«- |
|
|
14 6881 4742 |
03 |
То же исполнение Б1/530 |
-«- |
-«- |
|
|
14 6881 4744 |
01 |
Опора трубчатая приварная из стали 20 исполнение Б2/530 |
ОСТ 36-146-88 |
Опоры для технологических трубопроводов |
|
|
14 6881 4746 |
10 |
То же исполнение А1/630 |
То же |
То же |
|
|
14 6881 4748 |
08 |
То же исполнение А2/630 |
-«- |
-«- |
|
|
14 6881 4750 |
03 |
То же исполнение Б1/630 |
-«- |
-«- |
|
|
14 6881 4752 |
01 |
То же исполнение Б2/630 |
-«- |
-«- |
|
|
14 6881 4800 |
10 |
Опора трубчатая приварная из стали 10Г2 исполнение А1/57-76 |
-«- |
-«- |
|
|
14 6881 4804 |
06 |
То же исполнение А2/57-76 |
-«- |
-«- |
|
|
14 6881 4808 |
02 |
То же исполнение Б1/57-76 |
-«- |
-«- |
|
|
14 6881 4812 |
06 |
То же исполнение Б2/57-76 |
-«- |
-«- |
|
|
14 6881 4816 |
02 |
То же исполнение А1/89-108 |
-«- |
-«- |
|
|
14 6881 4820 |
06 |
То же исполнение А2/89-108 |
-«- |
-«- |
|
|
14 6881 4824 |
02 |
То же исполнение Б1/89-108 |
-«- |
-«- |
|
|
14 6881 4828 |
09 |
То же исполнение Б2/89-108 |
-«- |
-«- |
|
|
14 6881 4832 |
02 |
То же исполнение А1/133-159 |
-«- |
-«- |
|
|
14 6881 4836 |
09 |
То же исполнение А2/133-159 |
-«- |
-«- |
|
|
14 6881 4840 |
02 |
То же исполнение Б1/133-159 |
-«- |
-«- |
|
|
14 6881 4844 |
09 |
То же исполнение Б2/133-159 |
-«- |
-«- |
|
|
14 6881 4848 |
05 |
То же исполнение А1/219-273 |
-«- |
-«- |
|
|
14 6881 4852 |
09 |
То же исполнение А2/219-273 |
-«- |
-«- |
|
|
14 6881 4856 |
05 |
То же исполнение Б1/219-273 |
-«- |
-«- |
|
|
14 6881 4860 |
09 |
То же исполнение Б2/219-273 |
-«- |
-«- |
|
|
14 6881 4864 |
05 |
То же исполнение А1/325 |
-«- |
-«- |
|
|
14 6881 4866 |
03 |
То же исполнение А2/325 |
-«- |
-«- |
|
|
14 6881 4868 |
01 |
Опора трубчатая приварная из стали 10Г2 исполнение Б1/325 |
ОСТ 36-146-88 |
Опоры для технологических трубопроводов |
|
|
14 6881 4870 |
07 |
То же исполнение Б2/325 |
То же |
То же |
|
|
14 6881 4874 |
03 |
То же исполнение А1/377-426 |
-«- |
-«- |
|
|
14 6881 4878 |
10 |
То же исполнение А2/377-426 |
-«- |
-«- |
|
|
14 6881 4882 |
03 |
То же исполнение Б1/377-426 |
-«- |
-«- |
|
|
14 6881 4886 |
10 |
То же исполнение Б2/377-426 |
-«- |
-«- |
|
|
14 6881 4890 |
03 |
То же исполнение А1/530 |
-«- |
-«- |
|
|
14 6881 4892 |
01 |
То же исполнение А2/530 |
-«- |
-«- |
|
|
14 6881 4894 |
10 |
То же исполнение Б1/530 |
-«- |
-«- |
|
|
14 6881 4896 |
08 |
То же исполнение Б2/530 |
-«- |
-«- |
|
|
14 6881 4898 |
06 |
То же исполнение А1/630 |
-«- |
-«- |
|
|
14 6881 4900 |
07 |
То же исполнение А2/630 |
-«- |
-«- |
|
|
14 6881 4902 |
05 |
То же исполнение Б1/630 |
-«- |
-«- |
|
|
14 6881 4904 |
03 |
То же исполнение Б2/630 |
-«- |
-«- |
|
|
14 6881 4930 |
01 |
Опора трубчатая приварная из стали 09Г2С исполнение А1/57-76 |
-«- |
-«- |
|
|
14 6881 4934 |
08 |
То же исполнение А2/57-76 |
-«- |
-«- |
|
|
14 6881 4938 |
04 |
То же исполнение Б1/57-76 |
-«- |
-«- |
|
|
14 6881 4942 |
08 |
То же исполнение Б2/57-76 |
-«- |
-«- |
|
|
14 6881 4946 |
04 |
То же исполнение А1/89-108 |
-«- |
-«- |
|
|
14 6881 4950 |
08 |
То же исполнение А2/89-108 |
-«- |
-«- |
|
|
14 6881 4954 |
04 |
То же исполнение Б1/89-108 |
-«- |
-«- |
|
|
14 6881 4960 |
06 |
То же исполнение Б2/89-108 |
-«- |
-«- |
|
|
14 6881 4964 |
02 |
То же исполнение А1/133-159 |
-«- |
-«- |
|
|
14 6881 4968 |
09 |
Опора трубчатая приварная из стали 09Г2С исполнение А2/133-159 |
ОСТ 36-146-88 |
Опоры для технологических трубопроводов |
|
|
14 6881 4972 |
02 |
То же исполнение Б1/133-159 |
То же |
То же |
|
|
14 6881 4976 |
09 |
То же исполнение Б2/133-159 |
-«- |
-«- |
|
|
14 6881 4980 |
02 |
То же исполнение А1/219-273 |
-«- |
-«- |
|
|
14 6881 4984 |
09 |
То же исполнение А2/219-273 |
-«- |
-«- |
|
|
14 6881 4988 |
05 |
То же исполнение Б1/2Г9-273 |
-«- |
-«- |
|
|
14 6881 4992 |
09 |
То же исполнение Б2/219-273 |
-«- |
-«- |
|
|
14 6881 4996 |
05 |
То же исполнение А1/325 |
-«- |
-«- |
|
|
14 6881 4998 |
03 |
То же исполнение А2/325 |
-«- |
-«- |
|
|
14 6881 5000 |
08 |
То же исполнение Б1/325 |
-«- |
-«- |
|
|
14 6881 5002 |
06 |
То же исполнение Б2/325 |
-«- |
-«- |
|
|
14 6881 5006 |
02 |
То же исполнение А1/377-426 |
-«- |
-«- |
|
|
14 6881 5010 |
06 |
То же исполнение А2/377-426 |
-«- |
-«- |
|
|
14 6881 5014 |
02 |
То же исполнение Б1/377-426 |
-«- |
-«- |
|
|
14 6881 5018 |
09 |
То же исполнение Б2/377-426 |
-«- |
-«- |
|
|
14 6881 5022 |
02 |
То же исполнение А1/530 |
-«- |
-«- |
|
|
14 §881 5024 |
00 |
То же исполнение А2/530 |
-«- |
-«- |
|
|
14 6881 5026 |
09 |
То же исполнение Б1/530 |
-«- |
-«- |
|
|
14 6881 5028 |
07 |
То же исполнение Б2/530 |
-«- |
-«- |
|
|
14 6881 5030 |
02 |
То же исполнение А1/630 |
-«- |
-«- |
|
|
14 6881 5032 |
00 |
То же исполнение А2/630 |
-«- |
-«- |
|
|
14 6881 5034 |
09 |
То же исполнение Б1/630 |
-«- |
-«- |
|
|
14 6881 5036 |
07 |
То же исполнение Б2/630 |
-«- |
-«- |
|
|
14 6881 5050 |
09 |
Опора швеллерная приварная излетали ВСт3пс исполнение |
-«- |
-«- |
|
|
14 6881 5052 |
07 |
Опора швеллерная приварная из стали ВСт3пс исполнение А2/57 |
ОСТ 36-146-88 |
Опоры для технологических трубопроводов |
|
|
14 6881 5054 |
05 |
То же исполнение А1/76 |
То же |
То же |
|
|
14 6881 5056 |
03 |
То же исполнение А2/76 |
-«- |
-«- |
|
|
14 6881 5058 |
01 |
То же исполнение А1/89 |
-«- |
-«- |
|
|
14 6881 5060 |
07 |
То же исполнение А2/89 |
-«- |
-«- |
|
|
14 6881 5062 |
05 |
То же исполнение А1/108 |
-«- |
-«- |
|
|
14 6881 5064 |
03 |
То же исполнение А2/108 |
-«- |
-«- |
|
|
14 6881 5066 |
01 |
То же исполнение А1/133 |
-«- |
-«- |
|
|
14 6881 5068 |
10 |
То же исполнение А2/133 |
-«- |
-«- |
|
|
14 6881 5070 |
05 |
То же исполнение А1/159 |
-«- |
-«- |
|
|
14 6881 5072 |
03 |
То же исполнение А2/159 |
-«- |
-«- |
|
|
14 6881 5074 |
01 |
То же исполнение А1/219 |
-«- |
-«- |
|
|
14 6881 5076 |
10 |
То же исполнение А2/219 |
-«- |
-«- |
|
|
14 6881 5078 |
08 |
То же исполнение А1/273 |
-«- |
-«- |
|
|
14 6881 5080 |
03 |
То же исполнение А2/273 |
-«- |
-«- |
|
|
14 6881 5082 |
01 |
То же исполнение А1/325 |
-«- |
-«- |
|
|
14 6881 5084 |
10 |
То же исполнение А2/325 |
-«- |
-«- |
|
|
14 6881 5086 |
08 |
То же исполнение А1/377 |
-«- |
-«- |
|
|
14 6881 5088 |
06 |
То же исполнение А2/377 |
-«- |
-«- |
|
|
14 6881 5090 |
01 |
То же исполнение А1/426 |
-«- |
-«- |
|
|
14 6881 5092 |
10 |
То же исполнение А2/426 |
-«- |
-«- |
|
|
14 6881 5094 |
08 |
То же исполнение А1/530 |
-«- |
-«- |
|
|
14 6881 5096 |
06 |
То же исполнение А2/530 |
-«- |
-«- |
|
|
14 6881 5098 |
04 |
То же исполнение А1/630 |
-«- |
-«- |
|
|
14 6881 5100 |
05 |
Опора швеллерная приварная из стали ВСт3пс исполнение А2/630 |
ОСТ 36-146-88 |
Опоры для технологических трубопроводов |
|
|
14 6881 5102 |
03 |
То же исполнение А1/820 |
То же |
То же |
|
|
14 6881 5140 |
08 |
Опора швеллерная приварная из стали ВСт3сп исполнение А1/57 |
-«- |
-«- |
|
|
14 6881 5142 |
06 |
То же исполнение А2/57 |
-«- |
-«- |
|
|
14 6881 5144 |
04 |
То же исполнение А1/76 |
-«- |
-«- |
|
|
14 6881 5146 |
02 |
То же исполнение А2/76 |
-«- |
-«- |
|
|
14 6881 5148 |
00 |
То же исполнение А1/89 |
-«- |
-«- |
|
|
14 6881 5150 |
06 |
То же исполнение А2/89 |
-«- |
-«- |
|
|
14 6881 5152 |
04 |
То же исполнение А1/108 |
-«- |
-«- |
|
|
14 6881 5154 |
02 |
То же исполнение А2/108 |
-«- |
-«- |
|
|
14 6881 5156 |
00 |
То же исполнение А1/133 |
-«- |
-«- |
|
|
14 6881 5158 |
09 |
То же исполнение А2/133 |
-«- |
-«- |
|
|
14 6881 5160 |
04 |
То же исполнение А1/159 |
-«- |
-«- |
|
|
14 6881 5162 |
02 |
То же исполнение А2/159 |
-«- |
-«- |
|
|
14 6881 5164 |
00 |
То же исполнение А1/219 |
-«- |
-«- |
|
|
14 6881 5166 |
09 |
То же исполнение А2/219 |
-«- |
-«- |
|
|
14 6881 5168 |
07 |
То же исполнение А1/273 |
-«- |
-«- |
|
|
14 6881 5170 |
02 |
То же исполнение А2/273 |
-«- |
-«- |
|
|
14 6881 5172 |
00 |
То же исполнение А1/325 |
-«- |
-«- |
|
|
14 6881 5174 |
09 |
То же исполнение А2/325 |
-«- |
-«- |
|
|
14 6881 5176 |
07 |
То же исполнение А1/377 |
-«- |
-«- |
|
|
14 6881 5178 |
05 |
То же исполнение А2/377 |
-«- |
-«- |
|
|
14 6881 5180 |
00 |
То же исполнение А1/426 |
-«- |
-«- |
|
|
14 6881 5182 |
09 |
Опора швеллерная приварная из стали ВСт3сп исполнение А2/426 |
ОСТ 36-146-88 |
Опоры для технологических трубопроводов |
|
|
14 6881 5184 |
07 |
То же исполнение А1/530 |
То же |
То же |
|
|
14 6881 5186 |
05 |
То же исполнение А2/530 |
-«- |
-«- |
|
|
14 6881 5188 |
03 |
То же исполнение А1/630 |
-«- |
-«- |
|
|
14 6881 5190 |
09 |
То же исполнение А2/630 |
-«- |
-«- |
|
|
14 6881 5192 |
07 |
То же исполнение А1/820 |
-«- |
-«- |
|
|
14 6881 5210 |
00 |
Опора швеллерная приварная из стали 20 исполнение А1/57 |
-«- |
-«- |
|
|
14 6881 5212 |
09 |
То же исполнение А2/57 |
-«- |
-«- |
|
|
14 6881 5214 |
07 |
То же исполнение А1/76 |
-«- |
-«- |
|
|
14 6881 5216 |
05 |
То же исполнение А2/76 |
-«- |
-«- |
|
|
14 6881 5218 |
03 |
То же исполнение А1/89 |
-«- |
-«- |
|
|
14 6881 5220 |
09 |
То же исполнение А2/89 |
-«- |
-«- |
|
|
14 6881 5222 |
07 |
То же исполнение А1/108 |
-«- |
-«- |
|
|
14 6881 5224 |
05 |
То же исполнение А2/108 |
-«- |
-«- |
|
|
14 6881 5226 |
03 |
То же исполнение А1/133 |
-«- |
-«- |
|
|
14 6881 5228 |
01 |
То же исполнение А2/133 |
-«- |
-«- |
|
|
14 6881 5230 |
07 |
То же исполнение А1/159 |
-«- |
-«- |
|
|
14 6881 5232 |
05 |
То же исполнение А2/159 |
-«- |
-«- |
|
|
14 6881 5234 |
03 |
То же исполнение А1/219 |
-«- |
-«- |
|
|
14 6881 5236 |
01 |
То же исполнение А2/219 |
-«- |
-«- |
|
|
14 6881 5238 |
10 |
То же исполнение А1/273 |
-«- |
-«- |
|
|
14 6881 5240 |
05 |
То же исполнение А2/273 |
-«- |
-«- |
|
|
14 6881 5242 |
03 |
То же исполнение А1/325 |
-«- |
-«- |
|
|
14 6881 5244 |
01 |
То же исполнение А2/325 |
-«- |
-«- |
|
|
14 6881 5246 |
10 |
Опора швеллерная приварная из стали 20 исполнение А1/377 |
ОСТ 36-146-88 |
Опоры для технологических трубопроводов |
|
|
14 6881 5248 |
08 |
То же исполнение А2/377 |
То же |
То же |
|
|
14 6881 5250 |
03 |
То же исполнение А1/426 |
-«- |
-«- |
|
|
14 6881 5252 |
01 |
То же исполнение А2/426 |
-«- |
-«- |
|
|
14 6881 5254 |
10 |
То же исполнение А1/530 |
-«- |
-«- |
|
|
14 6881 5256 |
08 |
То же исполнение А2/530 |
-«- |
-«- |
|
|
14 6881 5258 |
06 |
То же исполнение А1/630 |
-«- |
-«- |
|
|
14 6881 5260 |
01 |
То же исполнение А2/630 |
-«- |
-«- |
|
|
14 6881 5262 |
10 |
То же исполнение А1/820 |
-«- |
-«- |
|
|
14 6881 5280 |
08 |
Опора швеллерная приварная из стали 10Г2 исполнение А1/57 |
-«- |
-«- |
|
|
14 6881 5282 |
06 |
То же исполнение А2/57 |
-«- |
-«- |
|
|
14 6881 5284 |
04 |
То же исполнение А1/76 |
-«- |
-«- |
|
|
14 6881 5286 |
02 |
То же исполнение А2/76 |
-«- |
-«- |
|
|
14 6881 5288 |
00 |
То же исполнение А1/89 |
-«- |
-«- |
|
|
14 6881 5290 |
06 |
То же исполнение А2/89 |
-«- |
-«- |
|
|
14 6881 5292 |
04 |
То же исполнение А1/108 |
-«- |
-«- |
|
|
14 6881 5294 |
02 |
То же исполнение А2/108 |
-«- |
-«- |
|
|
14 6881 5296 |
00 |
То же исполнение А1/133 |
-«- |
-«- |
|
|
14 6881 5298 |
09 |
То же исполнение А2/133 |
-«- |
-«- |
|
|
14 6881 5300 |
10 |
То же исполнение А1/159 |
-«- |
-«- |
|
|
14 6881 5302 |
08 |
То же исполнение А2/159 |
-«- |
-«- |
|
|
14 6881 5304 |
06 |
То же исполнение А1/219 |
-«- |
-«- |
|
|
14 6881 5306 |
04 |
То же исполнение А2/219 |
-«- |
-«- |
|
|
14 6881 5308 |
02 |
То же исполнение А1/273 |
-«- |
-«- |
|
|
14 6881 5310 |
08 |
Опора швеллерная приварная из стали 10Г2 исполнение А2/273 |
ОСТ 36-146-88 |
Опоры для технологических трубопроводов |
|
|
14 6881 5312 |
06 |
То же исполнение А1/325 |
То же |
То же |
|
|
14 6881 5314 |
04 |
То же исполнение А2/325 |
-«- |
-«- |
|
|
14 6881 5316 |
02 |
То же исполнение А1/377 |
-«- |
-«- |
|
|
14 6881 5318 |
00 |
То же исполнение А2/377 |
-«- |
-«- |
|
|
14 6881 5320 |
06 |
То же исполнение А1/426 |
-«- |
-«- |
|
|
14 6881 5322 |
04 |
То же исполнение А2/426 |
-«- |
-«- |
|
|
14 6881 5324 |
02 |
То же исполнение А1/530 |
-«- |
-«- |
|
|
14 6881 5326 |
00 |
То же исполнение А2/530 |
-«- |
-«- |
|
|
14 6881 5328 |
09 |
То же исполнение А1/630 |
-«- |
-«- |
|
|
14 6881 5330 |
04 |
То же исполнение А2/630 |
-«- |
-«- |
|
|
14 6881 5332 |
02 |
То же исполнение А1/820 |
-«- |
-«- |
|
|
14 6881 5400 |
07 |
Опора швеллерная приварная из стали 09Г2С исполнение А1/57 |
-«- |
-«- |
|
|
14 6881 5402 |
05 |
То же исполнение А2/57 |
-«- |
-«- |
|
|
14 6881 5404 |
03 |
То же исполнение А1/76 |
-«- |
-«- |
|
|
14 6881 5406 |
01 |
То же исполнение А2/76 |
-«- |
-«- |
|
|
14 6881 5408 |
10 |
То же исполнение А1/89 |
-«- |
-«- |
|
|
14 6881 5410 |
05 |
То же исполнение А2/89 |
-«- |
-«- |
|
|
14 6881 5412 |
03 |
То же исполнение А1/108 |
-«- |
-«- |
|
|
14 6881 5414 |
01 |
То же исполнение А2/108 |
-«- |
-«- |
|
|
14 6881 5416 |
10 |
То же исполнение А1/133 |
-«- |
-«- |
|
|
14 6881 5418 |
08 |
То же исполнение А2/133 |
-«- |
-«- |
|
|
14 6881 5420 |
03 |
То же исполнение А1/159 |
-«- |
-«- |
|
|
14 6881 5422 |
01 |
Опора швеллерная приварная из стали 09Г2С исполнение А2/159 |
ОСТ 36-146-88 |
Опоры для технологических трубопроводов |
|
|
14 6881 5424 |
10 |
То же исполнение А1/219 |
То же |
То же |
|
|
14 6881 5426 |
08 |
То же исполнение А2/219 |
-«- |
-«- |
|
|
14 6881 5428 |
06 |
То же исполнение А1/273 |
-«- |
-«- |
|
|
14 6881 5430 |
01 |
То же исполнение А2/273 |
-«- |
-«- |
|
|
14 6881 5432 |
10 |
То же исполнение А1/325 |
-«- |
-«- |
|
|
14 6881 5434 |
08 |
То же исполнение А2/325 |
-«- |
-«- |
|
|
14 6881 5436 |
06 |
То же исполнение А1/377 |
-«- |
-«- |
|
|
14 6881 5438 |
04 |
То же исполнение А2/377 |
-«- |
-«- |
|
|
14 6881 5440 |
10 |
То же исполнение А1/426 |
-«- |
-«- |
|
|
14 6881 5442 |
08 |
То же исполнение А2/426 |
-«- |
-«- |
|
|
14 6881 5444 |
06 |
То же исполнение А1/530 |
-«- |
-«- |
|
|
14 6881 5446 |
04 |
То же исполнение А2/530 |
-«- |
-«- |
|
|
14 6881 5448 |
02 |
То же исполнение А1/630 |
-«- |
-«- |
|
|
14 6881 5450 |
08 |
То же исполнение А2/630 |
-«- |
-«- |
|
|
14 6881 5452 |
06 |
То же исполнение А1/820 |
-«- |
-«- |
|
|
14 6881 5500 |
04 |
Опора уголковая приварная из стали ВСт3пс исполнение А/1020 |
-«- |
-«- |
|
|
14 6881 5502 |
02 |
То же исполнение Б/1020 |
-«- |
-«- |
|
|
14 6881 5504 |
00 |
То же исполнение А/1220 |
-«- |
-«- |
|
|
14 6881 5506 |
09 |
То же исполнение Б/1220 |
-«- |
-«- |
|
|
14 6881 5508 |
07 |
То же исполнение А/1420 |
-«- |
-«- |
|
|
14 6881 5510 |
02 |
То же исполнение Б/1420 |
-«- |
-«- |
|
|
14 6881 5530 |
09 |
Опора уголковая приварная из стали ВСт3сп исполнение А/1020 |
ОСТ 36-146-88 |
Опоры для технологических трубопроводов |
|
|
14 6881 5532 |
07 |
То же исполнение Б/1020 |
То же |
То же |
|
|
14 6881 5534 |
05 |
То же исполнение А/1220 |
-«- |
-«- |
|
|
14 6881 5536 |
03 |
То же исполнение Б/1220 |
-«- |
-«- |
|
|
14 6881 5538 |
01 |
То же исполнение А/1420 |
-«- |
-«- |
|
|
14 6881 5540 |
07 |
То же исполнение Б/1420 |
-«- |
-«- |
|
|
14 6881 5570 |
01 |
Опора уголковая приварная из стали 20 исполнение А/1020 |
-«- |
-«- |
|
|
14 6881 5572 |
10 |
То же исполнение Б/1020 |
-«- |
-«- |
|
|
14 6881 5574 |
08 |
То же исполнение А/1220 |
-«- |
-«- |
|
|
14 6881 5576 |
06 |
То же исполнение Б/1220 |
-«- |
-«- |
|
|
14 6881 5578 |
04 |
То же исполнение А/1420 |
-«- |
-«- |
|
|
14 6881 5580 |
10 |
То же исполнение Б/1420 |
-«- |
-«- |
|
|
14 6881 5610 |
10 |
Опора уголковая приварная из стали 10Г2 исполнение А/102 |
-«- |
-«- |
|
|
14 6881 5612 |
08 |
То же исполнение Б/1020 |
-«- |
-«- |
|
|
14 6881 5614 |
06 |
То же исполнение А/1220 |
-«- |
-«- |
|
|
14 6881 5616 |
04 |
То же исполнение Б/1220 |
-«- |
-«- |
|
|
14 6881 5618 |
02 |
То же исполнение А/1420 |
-«- |
-«- |
|
|
14 6881 5620 |
08 |
То же исполнение Б/1420 |
-«- |
-«- |
|
|
14 6881 5650 |
02 |
Опора уголковая приварная из стали 09Г2С исполнение А/1020 |
-«- |
-«- |
|
|
14 6881 5652 |
00 |
То же исполнение Б/1020 |
-«- |
-«- |
|
|
14 6881 5654 |
09 |
То же исполнение А/1220 |
-«- |
-«- |
|
|
14 6881 5656 |
07 |
Опора уголковая приварная из стали 09Г2С исполнение Б/1220 |
ОСТ 36-146-88 |
Опоры для технологических трубопроводов |
|
|
14 6881 5658 |
05 |
То же исполнение А/1420 |
То же |
То же |
|
|
14 6881 5660 |
00 |
То же исполнение Б/1420 |
-«- |
-«- |
|
|
14 6881 5700 |
097 |
Опора хомутовая бескорпусная из стали ВСт3пс исполнение А/25 |
-«- |
-«- |
|
|
14 6881 5702 |
07 |
То же исполнение Б/25 |
-«- |
-«- |
|
|
14 6881 5704 |
05 |
То же исполнение В/25 |
-«- |
-«- |
|
|
14 6881 5706 |
03 |
То же исполнение Г/25 |
-«- |
-«- |
|
|
14 6881 5708 |
01 |
То же исполнение А/32 |
-«- |
-«- |
|
|
14 6881 5710 |
07 |
То же исполнение Б/32 |
-«- |
-«- |
|
|
14 6881 5712 |
05 |
То же исполнение В/32 |
-«- |
-«- |
|
|
14 6881 5714 |
03 |
То же исполнение Г/32 |
-«- |
-«- |
|
|
14 6881 5716 |
01 |
То же исполнение А/38 |
-«- |
-«- |
|
|
14 6881 5718 |
10 |
То же исполнение Б/38 |
-«- |
-«- |
|
|
14 6881 5720 |
05 |
То же исполнение В/38 |
-«- |
-«- |
|
|
14 6881 5722 |
03 |
То же исполнение Г/38 |
-«- |
-«- |
|
|
14 6881 5724 |
01 |
То же исполнение А/45 |
-«- |
-«- |
|
|
14 6881 5726 |
10 |
То же исполнение Б/45 |
-«- |
-«- |
|
|
14 6881 5728 |
08 |
То же исполнение В/45 |
-«- |
-«- |
|
|
14 6881 5730 |
03 |
То же исполнение Г/45 |
-«- |
-«- |
|
|
14 6881 5732 |
01 |
То же исполнение А/57 |
-«- |
-«- |
|
|
14 6881 5734 |
10 |
То же исполнение Б/57 |
-«- |
-«- |
|
|
14 6881 5736 |
08 |
То же исполнение В/57 |
-«- |
-«- |
|
|
14 6881 5738 |
06 |
То же исполнение Г/57 |
-«- |
-«- |
|
|
14 6881 5740 |
01 |
Опора хомутовая бескорпусная из стали ВСт3пс исполнение А/76 |
ОСТ 36-146-88 |
Опоры для технологических трубопроводов |
|
|
14 6881 5742 |
10 |
То же исполнение Б/76 |
То же |
То же |
|
|
14 6881 5744 |
08 |
То же исполнение В/76 |
-«- |
-«- |
|
|
14 6881 5746 |
06 |
То же исполнение Г/76 |
-«- |
-«- |
|
|
14 6881 5748 |
04 |
То же исполнение А/89 |
-«- |
-«- |
|
|
14 6881 5750 |
10 |
То же исполнение В/89 |
-«- |
-«- |
|
|
14 6881 5752 |
08 |
То же исполнение В/69 |
-«- |
-«- |
|
|
14 6881 5754 |
06 |
То же исполнение Г/89 |
-«- |
-«- |
|
|
14 6881 5756 |
04 |
То же исполнение А/108 |
-«- |
-«- |
|
|
14 6881 5758 |
02 |
То же исполнение Б/108 |
-«- |
-«- |
|
|
14 6881 5760 |
08 |
То же исполнение В/108 |
-«- |
-«- |
|
|
14 6881 5762 |
06 |
То же исполнение Г/108 |
-«- |
-«- |
|
|
14 6881 5764 |
04 |
То же исполнение А/133 |
-«- |
-«- |
|
|
14 6881 5766 |
02 |
То же исполнение Б/133 |
-«- |
-«- |
|
|
14 6881 5768 |
00 |
То же исполнение В/133 |
-«- |
-«- |
|
|
14 6881 5770 |
06 |
То же исполнение Г/133 |
-«- |
-«- |
|
|
14 6881 5772 |
04 |
То же исполнение А/159 |
-«- |
-«- |
|
|
14 6881 5774 |
02 |
То же исполнение Б/159 |
-«- |
-«- |
|
|
14 6881 5776 |
00 |
То же исполнение В/159 |
-«- |
-«- |
|
|
14 6881 5778 |
09 |
То же исполнение Г/159 |
-«- |
-«- |
|
|
14 6881 5780 |
04 |
То же исполнение А/219 |
-«- |
-«- |
|
|
14 6881 5782 |
02 |
То же исполнение Б/219 |
-«- |
-«- |
|
|
14 6881 5784 |
00 |
То же исполнение А/273 |
-«- |
-«- |
|
|
14 6881 5786 |
09 |
То же исполнение Б/273 |
-«- |
-«- |
|
|
14 6881 5788 |
07 |
Опора хомутовая бескорпусная из стали ВСт3пс исполнение А/325 |
ОСТ 36-146-88 |
Опоры для технологических трубопроводов |
|
|
14 6881 5790 |
02 |
То же исполнение Б/325 |
То же |
То же |
|
|
14 6881 5792 |
00 |
То же исполнение А/377 |
-«- |
-«- |
|
|
14 6881 5794 |
09 |
То же исполнение Б/377 |
-«- |
-«- |
|
|
14 6881 5796 |
07 |
То же исполнение А/426 |
-«- |
-«- |
|
|
14 6881 5798 |
05 |
То же исполнение Б/426 |
-«- |
-«- |
|
|
14 6881 5800 |
06 |
То же исполнение А/530 |
-«- |
-«- |
|
|
14 6881 5802 |
04 |
То же исполнение Б/530 |
-«- |
-«- |
|
|
14 6881 5850 |
07 |
Опора хомутовая бескорпусная из стали ВСт3сп исполнение А/25 |
-«- |
-«- |
|
|
14 6881 5852 |
05 |
То же исполнение Б/25 |
-«- |
-«- |
|
|
14 6881 5854 |
03 |
То же исполнение В/25 |
-«- |
-«- |
|
|
14 6881 5856 |
01 |
То же исполнение Г/25 |
-«- |
-«- |
|
|
14 6881 5858 |
10 |
То же исполнение А/32 |
-«- |
-«- |
|
|
14 6881 5860 |
05 |
То же исполнение Б/32 |
-«- |
-«- |
|
|
14 6881 5862 |
03 |
То же исполнение В/32 |
-«- |
-«- |
|
|
14 6881 5864 |
01 |
То же исполнение Г/32 |
-«- |
-«- |
|
|
14 6881 5866 |
10 |
То же исполнение А/38 |
-«- |
-«- |
|
|
14 6881 5868 |
08 |
То же исполнение Б/38 |
-«- |
-«- |
|
|
14 6881 5870 |
03 |
То же исполнение В/38 |
-«- |
-«- |
|
|
14 6881 5872 |
01 |
То же исполнение Г/38 |
-«- |
-«- |
|
|
14 6881 5874 |
10 |
То же исполнение А/45 |
-«- |
-«- |
|
|
14 6881 5876 |
08 |
То же исполнение Б/45 |
-«- |
-«- |
|
|
14 6881 5878 |
06 |
То же исполнение В/45 |
-«- |
-«- |
|
|
14 6881 5880 |
01 |
Опора хомутовая бескорпусная из стали ВСт3сп исполнение Г/45 |
ОСТ 36-146-88 |
Опоры для технологических трубопроводов |
|
|
14 6881 5882 |
10 |
То же исполнение А/57 |
То же |
То же |
|
|
14 6881 5884 |
08 |
То же исполнение Б/57 |
-«- |
-«- |
|
|
14 6881 5886 |
06 |
То же исполнение В/57 |
-«- |
-«- |
|
|
14 6881 5886 |
04 |
То же исполнение Г/57 |
-«- |
-«- |
|
|
14 6881 5890 |
10 |
То же исполнение А/76 |
-«- |
-«- |
|
|
14 6881 5892 |
08 |
То же исполнение Б/76 |
-«- |
-«- |
|
|
14 6881 5894 |
06 |
То же исполнение В/76 |
-«- |
-«- |
|
|
14 6881 5896 |
04 |
То же исполнение Г/76 |
-«- |
-«- |
|
|
14 6881 5898 |
02 |
То же исполнение А/89 |
-«- |
-«- |
|
|
14 6881 5900 |
03 |
То же исполнение Б/89 |
-«- |
-«- |
|
|
14 6881 5902 |
01 |
То же исполнение В/89 |
-«- |
-«- |
|
|
14 6881 5904 |
10 |
То же исполнение Г/89 |
-«- |
-«- |
|
|
14 6881 5906 |
08 |
То же исполнение А/108 |
-«- |
-«- |
|
|
14 6881 5908 |
06 |
То же исполнение Б/108 |
-«- |
-«- |
|
|
14 6881 5910 |
01 |
То же исполнение В/108 |
-«- |
-«- |
|
|
14 6881 5912 |
10 |
То же исполнение Г/108 |
-«- |
-«- |
|
|
14 6881 5914 |
08 |
То же исполнение А/133 |
-«- |
-«- |
|
|
14 6881 5916 |
06 |
То же исполнение Б/133 |
-«- |
-«- |
|
|
14 6881 5918 |
04 |
То же исполнение В/133 |
-«- |
-«- |
|
|
14 6881 5920 |
10 |
То же исполнение Г/133 |
-«- |
-«- |
|
|
14 6881 5922 |
08 |
То же исполнение А/159 |
-«- |
-«- |
|
|
14 6881 5924 |
06 |
То же исполнение Б/159 |
-«- |
-«- |
|
|
14 6881 5926 |
04 |
То же исполнение В/159 |
-«- |
-«- |
|
|
14 6881 5928 |
02 |
Опора хомутовая бескорпусная из стали ВСт3сп исполнение Г/159 |
ОСТ 36-146-88 |
Опоры для технологических трубопроводов |
|
|
14 6881 5930 |
08 |
То же исполнение А/219 |
То же |
То же |
|
|
14 6881 5932 |
06 |
То же исполнение Б/219 |
-«- |
-«- |
|
|
14 6881 5934 |
04 |
То же исполнение А/273 |
-«- |
-«- |
|
|
14 6881 5936 |
02 |
То же исполнение Б/273 |
-«- |
-«- |
|
|
14 6881 5938 |
00 |
То же исполнение А/325 |
-«- |
-«- |
|
|
14 6881 5940 |
06 |
То же исполнение Б/325 |
-«- |
-«- |
|
|
14 6881 5942 |
04 |
То же исполнение А/377 |
-«- |
-«- |
|
|
14 6881 5944 |
02 |
То же исполнение Б/377 |
-«- |
-«- |
|
|
14 6881 5946 |
00 |
То же исполнение А/426 |
-«- |
-«- |
|
|
14 6881 5948 |
09 |
То же исполнение Б/426 |
-«- |
-«- |
|
|
14 6881 5950 |
04 |
То же исполнение А/530 |
-«- |
-«- |
|
|
14 6881 5952 |
02 |
То же исполнение Б/530 |
-«- |
-«- |
|
|
14 6881 6000 |
04 |
Опора хомутовая бескорпусная из стали 20 исполнение А/25 |
-«- |
-«- |
|
|
14 6881 6002 |
02 |
То же исполнение Б/25 |
-«- |
-«- |
|
|
14 6881 6004 |
00 |
То же исполнение В/25 |
-«- |
-«- |
|
|
14 6881 6006 |
09 |
То же исполнение Г/25 |
-«- |
-«- |
|
|
14 6881 6008 |
07 |
То же исполнение А/32 |
-«- |
-«- |
|
|
14 6881 6010 |
02 |
То же исполнение Б/32 |
-«- |
-«- |
|
|
14 6881 6012 |
00 |
То же исполнение В/32 |
-«- |
-«- |
|
|
14 6881 6014 |
09 |
То же исполнение Г/32 |
-«- |
-«- |
|
|
14 6881 6016 |
07 |
То же исполнение А/38 |
-«- |
-«- |
|
|
14 6881 6018 |
05 |
То же исполнение Б/38 |
-«- |
-«- |
|
|
14 6881 6020 |
00 |
Опора хомутовая бескорпусная из стали 20 исполнение В/38 |
ОСТ 36-146-88 |
Опоры для технологических трубопроводов |
|
|
14 6881 6022 |
09 |
То же исполнение Г/38 |
То же |
То же |
|
|
14 6881 6024 |
07 |
То же исполнение А/45 |
-«- |
-«- |
|
|
14 6881 6026 |
05 |
То же исполнение Б/45 |
-«- |
-«- |
|
|
14 6881 6028 |
03 |
То же исполнение В/45 |
-«- |
-«- |
|
|
14 6881 6030 |
09 |
То же исполнение Г/45 |
-«- |
-«- |
|
|
14 6881 6032 |
07 |
То же исполнение А/57 |
-«- |
-«- |
|
|
14 6881 6034 |
05 |
То же исполнение Б/57 |
-«- |
-«- |
|
|
14 6881 6036 |
03 |
То же исполнение В/57 |
-«- |
-«- |
|
|
14 6881 6038 |
01 |
То же исполнение Г/57 |
-«- |
-«- |
|
|
14 6881 6040 |
07 |
То же исполнение А/76 |
-«- |
-«- |
|
|
14 6881 6042 |
05 |
То же исполнение Б/76 |
-«- |
-«- |
|
|
14 6881 6044 |
03 |
То же исполнение В/76 |
-«- |
-«- |
|
|
14 6881 6046 |
01 |
То же исполнение Г/76 |
-«- |
-«- |
|
|
14 6881 6048 |
10 |
То же исполнение А/89 |
-«- |
-«- |
|
|
14 6881 6050 |
05 |
То же исполнение Б/89 |
-«- |
-«- |
|
|
14 6881 6052 |
03 |
То же исполнение В/89 |
-«- |
-«- |
|
|
14 6881 6054 |
01 |
То же исполнение Г/89 |
-«- |
-«- |
|
|
14 6881 6056 |
10 |
То же исполнение А/108 |
-«- |
-«- |
|
|
14 6881 6058 |
08 |
То же исполнение Б/108 |
-«- |
-«- |
|
|
14 6881 6060 |
03 |
То же исполнение В/108 |
-«- |
-«- |
|
|
14 6881 6062 |
01 |
То же исполнение Г/108 |
-«- |
-«- |
|
|
14 6881 6064 |
10 |
То же исполнение А/133 |
-«- |
-«- |
|
|
14 6881 6066 |
08 |
То же исполнение Б/133 |
-«- |
-«- |
|
|
14 6881 6068 |
06 |
Опора хомутовая бескорпусная из стали 20 исполнение В/133 |
ОСТ 36-146-88 |
Опоры для технологических трубопроводов |
|
|
14 6881 6070 |
01 |
То же исполнение Г/133 |
То же |
То же |
|
|
14 6881 6072 |
10 |
То же исполнение А/159 |
-«- |
-«- |
|
|
14 6881 6074 |
08 |
То же исполнение Б/159 |
-«- |
-«- |
|
|
14 6881 6076 |
06 |
То же исполнение В/159 |
-«- |
-«- |
|
|
14 6881 6078 |
04 |
То же исполнение Г/159 |
-«- |
-«- |
|
|
14 6881 6080 |
10 |
То же исполнение А/219 |
-«- |
-«- |
|
|
14 6881 6082 |
08 |
То же исполнение Б/219 |
-«- |
-«- |
|
|
14 6881 6084 |
06 |
То же исполнение А/273 |
-«- |
-«- |
|
|
14 6881 6086 |
04 |
То же исполнение Б/273 |
-«- |
-«- |
|
|
14 6881 6088 |
02 |
То же исполнение А/325 |
-«- |
-«- |
|
|
14 6881 6090 |
08 |
То же исполнение Б/325 |
-«- |
-«- |
|
|
14 6881 6092 |
06 |
То же исполнение А/377 |
-«- |
-«- |
|
|
14 6881 6094 |
04 |
То же исполнение Б/377 |
-«- |
-«- |
|
|
14 6881 6096 |
02 |
То же исполнение А/426 |
-«- |
-«- |
|
|
14 6881 6098 |
00 |
То же исполнение Б/426 |
-«- |
-«- |
|
|
14 6881 6100 |
01 |
То же исполнение А/530 |
-«- |
-«- |
|
|
14 6881 6102 |
10 |
То же исполнение Б/530 |
-«- |
-«- |
|
|
14 6881 6130 |
06 |
Опора хомутовая бескорпусная из стали 10Г2 исполнение А/25 |
-«- |
-«- |
|
|
14 6881 6132 |
04 |
То же исполнение Б/25 |
-«- |
-«- |
|
|
14 6881 6134 |
02 |
То же исполнение В/25 |
-«- |
-«- |
|
|
14 6881 6136 |
00 |
То же исполнение Г/25 |
-«- |
-«- |
|
|
14 6881 6138 |
09 |
То же исполнение А/32 |
-«- |
-«- |
|
|
14 6881 6140 |
04 |
То же исполнение Б/32 |
-«- |
-«- |
|
|
14 6881 6142 |
02 |
Опора хомутовая бескорпусная из стали 10Г2 исполнение В/32 |
ОСТ 36-146-88 |
Опоры для технологических трубопроводов |
|
|
14 6881 6144 |
00 |
То же исполнение Г/32 |
То же |
То же |
|
|
14 6881 6146 |
09 |
То же исполнение А/38 |
-«- |
-«- |
|
|
14 6881 6148 |
07 |
То же исполнение Б/38 |
-«- |
-«- |
|
|
14 6881 6150 |
02 |
То же исполнение В/38 |
-«- |
-«- |
|
|
14 6881 6152 |
00 |
То же исполнение Г/38 |
-«- |
-«- |
- |
|
14 6881 6154 |
09 |
То же исполнение А/45 |
-«- |
-«- |
|
|
14 6881 6156 |
07 |
То же исполнение Б/45 |
-«- |
-«- |
|
|
14 6881 6158 |
05 |
То де исполнение В/45 |
-«- |
-«- |
|
|
14 6881 6160 |
00 |
То же исполнение Г/45 |
-«- |
-«- |
|
|
14 6881 6162 |
09 |
То же исполнение А/57 |
-«- |
-«- |
|
|
14 6881 6164 |
07 |
То же исполнение Б/57 |
-«- |
-«- |
|
|
14 6881 6166 |
05 |
То же исполнение В/57 |
-«- |
-«- |
|
|
14 6881 6168 |
03 |
То же исполнение Г/57 |
-«- |
-«- |
|
|
14 6881 6170 |
09 |
То же исполнение А/76 |
-«- |
-«- |
|
|
14 6881 6172 |
07 |
То же исполнение Б/76 |
-«- |
-«- |
|
|
14 6881 6174 |
05 |
То же исполнение В/76 |
-«- |
-«- |
|
|
14 6881 6176 |
03 |
То же исполнение Г/76 |
-«- |
-«- |
|
|
14 6881 6178 |
01 |
То же исполнение А/89 |
-«- |
-«- |
|
|
14 6881 6180 |
07 |
То же исполнение Б/89 |
-«- |
-«- |
|
|
14 6881 6182 |
05 |
То же исполнение В/89 |
-«- |
-«- |
|
|
14 6881 6184 |
03 |
То же исполнение Г/89 |
-«- |
-«- |
|
|
14 6881 6186 |
01 |
То же исполнение А/108 |
-«- |
-«- |
|
|
14 6881 6188 |
10 |
То же исполнение Б/108 |
-«- |
-«- |
|
|
14 6881 6190 |
05 |
Опора хомутовая бескорпусная из стали 10Г2 исполнение В/108 |
ОСТ 36-146-88 |
Опоры для технологических трубопроводов |
|
|
14 6881 6192 |
03 |
То же исполнение Г/108 |
То же |
То же |
|
|
14 6881 6194 |
01 |
То же исполнение А/133 |
-«- |
-«- |
|
|
14 6881 6196 |
10 |
То же исполнение Б/133 |
-«- |
-«- |
|
|
14 6881 6198 |
08 |
То же исполнение В/133 |
-«- |
-«- |
|
|
14 6881 6200 |
09 |
То же исполнение Г/133 |
-«- |
-«- |
|
|
14 6881 6202 |
07 |
То же исполнение А/159 |
-«- |
-«- |
|
|
14 6881 6204 |
05 |
То же исполнение Б/159 |
-«- |
-«- |
|
|
14 6881 6206 |
03 |
То же исполнение В/159 |
-«- |
-«- |
|
|
14 6881 6208 |
01 |
То же исполнение Г/159 |
-«- |
-«- |
|
|
14 6881 6210 |
07 |
То же исполнение А/219 |
-«- |
-«- |
|
|
14 6881 6212 |
05 |
То же исполнение Б/219 |
-«- |
-«- |
|
|
14 6881 6214 |
03 |
То же исполнение А/273 |
-«- |
-«- |
|
|
14 6881 6216 |
01 |
То же исполнение Б/273 |
-«- |
-«- |
|
|
14 6881 6218 |
10 |
То же исполнение А/325 |
-«- |
-«- |
|
|
14 6881 6220 |
05 |
То же исполнение Б/325 |
-«- |
-«- |
|
|
14 6881 6222 |
03 |
То же исполнение А/377 |
-«- |
-«- |
|
|
14 6881 6224 |
01 |
То же исполнение Б/377 |
-«- |
-«- |
|
|
14 6881 6226 |
10 |
То же исполнение А/426 |
-«- |
-«- |
|
|
14 6881 6228 |
08 |
То же исполнение Б/426 |
-«- |
-«- |
|
|
14 6881 6230 |
03 |
То же исполнение А/530 |
-«- |
-«- |
|
|
14 6881 6232 |
01 |
То же исполнение Б/530 |
-«- |
-«- |
|
|
14 6881 6260 |
08 |
Опора хомутовая бескорпусная из стали 09Г2С исполнение А/25 |
-«- |
-«- |
|
|
14 6881 6262 |
06 |
Опора хомутовая бескорпусная из стали 09Г2С исполнение Б/25 |
ОСТ 36-146-88 |
Опоры для технологических трубопроводов |
|
|
14 6881 6264 |
06 |
То же исполнение В/25 |
То же |
То же |
|
|
14 6881 6266 |
02 |
То же исполнение Г/25 |
-«- |
-«- |
|
|
14 6881 6268 |
00 |
То же исполнение А/32 |
-«- |
-«- |
|
|
14 6881 6270 |
06 |
То же исполнение Б/32 |
-«- |
-«- |
|
|
14 6881 6272 |
04 |
То же исполнение В/32 |
-«- |
-«- |
|
|
14 6881 6274 |
02 |
То же исполнение Г/32 |
-«- |
-«- |
|
|
14 6881 6276 |
00 |
То же исполнение А/38 |
-«- |
-«- |
|
|
14 6881 6278 |
09 |
То же исполнение Б/38 |
-«- |
-«- |
|
|
14 6881 6280 |
04 |
То же исполнение В/38 |
-«- |
-«- |
|
|
14 6881 6282 |
02 |
То же исполнение Г/38 |
-«- |
-«- |
|
|
14 6881 6284 |
00 |
То же исполнение А/45 |
-«- |
-«- |
|
|
14 6881 6286 |
09 |
То же исполнение Б/45 |
-«- |
-«- |
|
|
14 6881 6288 |
07 |
То же исполнение В/45 |
-«- |
-«- |
|
|
14 6881 6290 |
02 |
То же исполнение Г/45 |
-«- |
-«- |
|
|
14 6881 6292 |
00 |
То же исполнение А/57 |
-«- |
-«- |
|
|
14 6881 6294 |
09 |
То же исполнение Б/57 |
-«- |
-«- |
|
|
14 6881 6296 |
07 |
То же исполнение В/57 |
-«- |
-«- |
|
|
14 6881 6298 |
05 |
То же исполнение Г/57 |
-«- |
-«- |
|
|
14 6881 630С |
06 |
То же исполнение А/76 |
-«- |
-«- |
|
|
14 6881 6302 |
04 |
То же исполнение Б/76 |
-«- |
-«- |
|
|
14 6881 6304 |
02 |
То же исполнение В/76 |
-«- |
-«- |
|
|
14 6881 6306 |
00 |
То же исполнение Г/76 |
-«- |
-«- |
|
|
14 6881 6308 |
09 |
То же исполнение А/89 |
-«- |
-«- |
|
|
14 6881 6310 |
04 |
Опора хомутовая бескорпусная из стали 09Г2С исполнение Б/89 |
ОСТ 36-146-88 |
Опоры для технологических трубопроводов |
|
|
14 6881 6312 |
02 |
То же исполнение В/89 |
То же |
То же |
|
|
14 6881 6314 |
00 |
То же исполнение Г/89 |
-«- |
-«- |
|
|
14 6881 6316 |
09 |
То же исполнение А/108 |
-«- |
-«- |
|
|
14 6881 6318 |
07 |
То же исполнение Б/108 |
-«- |
-«- |
|
|
14 6881 6320 |
02 |
То же исполнение В/108 |
-«- |
-«- |
|
|
14 6881 6322 |
00 |
То же исполнение Г/108 |
-«- |
-«- |
|
|
14 6881 6324 |
09 |
То же исполнение А/133 |
-«- |
-«- |
|
|
14 6881 6326 |
07 |
То же исполнение Б/133 |
-«- |
-«- |
|
|
14 6881 6328 |
05 |
То же исполнение В/133 |
-«- |
-«- |
|
|
14 6881 6330 |
00 |
То же исполнение Г/133 |
-«- |
-«- |
|
|
14 6881 6332 |
09 |
То же исполнение А/159 |
-«- |
-«- |
|
|
14 6881 6334 |
07 |
То же исполнение Б/159 |
-«- |
-«- |
|
|
14 6881 6336 |
05 |
То же исполнение В/159 |
-«- |
-«- |
|
|
14 6881 6338 |
03 |
То же исполнение Г/159 |
-«- |
-«- |
|
|
14 6881 6340 |
09 |
То же исполнение А/219 |
-«- |
-«- |
|
|
14 6881 6342 |
07 |
То же исполнение Б/219 |
-«- |
-«- |
|
|
14 6881 6344 |
05 |
То же исполнение А/273 |
-«- |
-«- |
|
|
14 6881 6346 |
03 |
То же исполнение Б/273 |
-«- |
-«- |
|
|
14 6881 6348 |
01 |
То же исполнение А/325 |
-«- |
-«- |
|
|
14 6881 6350 |
07 |
То же исполнение Б/325 |
-«- |
-«- |
|
|
14 6881 6352 |
05 |
То же исполнение А/377 |
-«- |
-«- |
|
|
14 6881 6354 |
03 |
То же исполнение Б/377 |
-«- |
-«- |
|
|
14 6881 6356 |
01 |
То же исполнение А/426 |
-«- |
-«- |
|
|
14 6881 6358 |
10 |
Опора хомутовая бескорпусная из стали 09Г2С исполнение Б/426 |
ОСТ 36-146-88 |
Опоры для технологических трубопроводов |
|
|
14 6881 6360 |
05 |
То же исполнение А/530 |
То же |
То же |
|
|
14 6881 6362 |
03 |
То же исполнение Б/530 |
-«- |
-«- |
|
|
14 6881 6500 |
00 |
Опора трубчатая крутоизогнутых отводов из стали ВСт3кп исполнение А1/57 |
-«- |
-«- |
|
|
14 6881 6502 |
09 |
То же исполнение А2/57 |
-«- |
-«- |
|
|
14 6881 6504 |
07 |
То же исполнение А1/76 |
-«- |
-«- |
|
|
14 6881 6506 |
05 |
То же исполнение А2/76 |
-«- |
-«- |
|
|
14 6881 6508 |
03 |
То же исполнение А1/89 |
-«- |
-«- |
|
|
14 6881 6510 |
09 |
То же исполнение А2/89 |
-«- |
-«- |
|
|
14 6881 6512 |
07 |
То же исполнение А1/108 |
-«- |
-«- |
|
|
14 6881 6514 |
05 |
То же исполнение А2/108 |
-«- |
-«- |
|
|
14 6881 6516 |
03 |
То же исполнение А1/133 |
-«- |
-«- |
|
|
14 6881 6518 |
01 |
То же исполнение А2/133 |
-«- |
-«- |
|
|
14 6881 6520 |
07 |
То же исполнение А1/159 |
-«- |
-«- |
|
|
14 6881 6522 |
05 |
То же исполнение А2/159 |
-«- |
-«- |
|
|
14 6881 6540 |
03 |
Опора трубчатая крутоизогнутых отводов из стали ВСт3пс исполнение А1/57 |
-«- |
-«- |
|
|
14 6881 6542 |
01 |
То же исполнение А2/57 |
-«- |
-«- |
|
|
14 6881 6544 |
10 |
То же исполнение А1/76 |
-«- |
-«- |
|
|
14 6881 6546 |
08 |
То же исполнение А2/76 |
-«- |
-«- |
|
|
14 6881 6548 |
06 |
То же исполнение А1/89 |
-«- |
-«- |
|
|
14 6881 6550 |
01 |
То же исполнение А2/89 |
-«- |
-«- |
|
|
14 6881 6552 |
10 |
То же исполнение А1/108 |
-«- |
-«- |
|
|
14 6881 6554 |
08 |
Опора трубчатая крутоизогнутых отводов из стали ВСт3пс исполнение А2/108 |
ОСТ 36-146-88 |
Опоры для технологических трубопроводов |
|
|
14 6881 6556 |
06 |
То же исполнение А1/133 |
То же |
То же |
|
|
14 6881 6558 |
04 |
То же исполнение А2/133 |
-«- |
-«- |
|
|
14 6881 6560 |
10 |
То же исполнение А1/159 |
-«- |
-«- |
|
|
14 6881 6562 |
08 |
То же исполнение А2/159 |
-«- |
-«- |
|
|
14 6881 6564 |
06 |
То же исполнение А1/219 |
-«- |
-«- |
|
|
14 6881 6566 |
04 |
То же исполнение А2/219 |
-«- |
-«- |
|
|
14 6881 6568 |
02 |
То же исполнение А1/273 |
-«- |
-«- |
|
|
14 6881 6570 |
08 |
То же исполнение А2/273 |
-«- |
-«- |
|
|
14 6881 6572 |
06 |
То же исполнение А1/325 |
-«- |
-«- |
|
|
14 6881 6574 |
04 |
То же исполнение А2/325 |
-«- |
-«- |
|
|
14 6881 6576 |
02 |
То же исполнение А1/377 |
-«- |
-«- |
|
|
14 6881 6578 |
00 |
То же исполнение А2/377 |
-«- |
-«- |
|
|
14 6881 6580 |
06 |
То же исполнение А1/426 |
-«- |
-«- |
|
|
14 6881 6582 |
04 |
То же исполнение А2/426 |
-«- |
-«- |
|
|
14 6881 6584 |
02 |
То же исполнение А1/530 |
-«- |
-«- |
|
|
14 6881 6586 |
00 |
То же исполнение А2/530 |
-«- |
-«- |
|
|
14 6881 6588 |
09 |
То же исполнение А1/630 |
-«- |
-«- |
|
|
14 6881 6590 |
04 |
То же исполнение А2/630 |
-«- |
-«- |
|
|
14 6881 6600 |
08 |
Опора трубчатая крутоизогнутых отводов из стали ВСт3сп исполнение А1/57 |
-«- |
-«- |
|
|
14 6881 6602 |
06 |
То же исполнение А2/57 |
-«- |
-«- |
|
|
14 6881 6604 |
04 |
То же исполнение А1/76 |
-«- |
-«- |
|
|
14 6881 6606 |
02 |
То же исполнение А2/76 |
-«- |
-«- |
|
|
14 6881 6608 |
00 |
Опора трубчатая крутоизогнутых отводов из стали ВСт3сп исполнение А1/89 |
ОСТ 36-146-88 |
Опоры для технологических трубопроводов |
|
|
14 6881 6610 |
06 |
То же исполнение А2/89 |
То же |
То же |
|
|
14 6881 6612 |
04 |
То же исполнение А1/108 |
-«- |
-«- |
|
|
14 6881 6614 |
02 |
То же исполнение А2/108 |
-«- |
-«- |
|
|
14 6881 6616 |
00 |
То же исполнение А1/133 |
-«- |
-«- |
|
|
14 6881 6618 |
09 |
То же исполнение А2/133 |
-«- |
-«- |
|
|
14 6881 6620 |
04 |
То же исполнение А1/159 |
-«- |
-«- |
|
|
14 6881 6622 |
02 |
То же исполнение А2/159 |
-«- |
-«- |
|
|
14 6881 6624 |
00 |
То же исполнение А1/219 |
-«- |
-«- |
|
|
14 6881 6626 |
09 |
То же исполнение А2/219 |
-«- |
-«- |
|
|
14 6881 6628 |
07 |
То же исполнение А1/273 |
-«- |
-«- |
|
|
14 6881 6630 |
02 |
То же исполнение А2/273 |
-«- |
-«- |
|
|
14 6881 6632 |
00 |
То же исполнение А1/325 |
-«- |
-«- |
|
|
14 6881 6634 |
09 |
То же исполнение А2/325 |
-«- |
-«- |
|
|
14 6881 6636 |
07 |
То же исполнение А1/377 |
-«- |
-«- |
|
|
14 6881 6638 |
05 |
То же исполнение А2/377 |
-«- |
-«- |
|
|
14 6881 6640 |
00 |
То же исполнение А1/426 |
-«- |
-«- |
|
|
14 6881 6642 |
09 |
То же исполнение А2/426 |
-«- |
-«- |
|
|
14 6881 6644 |
07 |
То же исполнение А1/530 |
-«- |
-«- |
|
|
14 6881 6646 |
05 |
То же исполнение А2/530 |
-«- |
-«- |
|
|
14 6881 6648 |
03 |
То же исполнение А1/630 |
-«- |
-«- |
|
|
14 6881 6650 |
09 |
То же исполнение А2/630 |
-«- |
-«- |
|
|
14 6881 6680 |
03 |
Опора трубчатая крутоизогнутых отводов из стали 20 исполнение А1/57 |
ОСТ 36-146-88 |
Опоры для технологических трубопроводов |
|
|
14 6881 6682 |
01 |
То же исполнение А2/57 |
То же |
То же |
|
|
14 6881 6684 |
10 |
То же исполнение А1/76 |
-«- |
-«- |
|
|
14 6881 6686 |
08 |
То же исполнение А2/76 |
-«- |
-«- |
|
|
14 6881 6688 |
06 |
То же исполнение А1/89 |
-«- |
-«- |
|
|
14 6881 6690 |
01 |
То же исполнение А2/89 |
-«- |
-«- |
|
|
14 6881 6692 |
10 |
То же исполнение А1/108 |
-«- |
-«- |
|
|
14 6881 6694 |
08 |
То же исполнение А2/108 |
-«- |
-«- |
|
|
14 6881 6696 |
06 |
То же исполнение А1/133 |
-«- |
-«- |
|
|
14 6881 6698 |
04 |
То же исполнение А2/133 |
-«- |
-«- |
|
|
14 6881 6700 |
05 |
То же исполнение А1/159 |
-«- |
-«- |
|
|
14 6881 6702 |
03 |
То же исполнение А2/159 |
-«- |
-«- |
|
|
14 6881 6704 |
01 |
То же исполнение А1/219 |
-«- |
-«- |
|
|
14 6881 6706 |
10 |
То же исполнение А2/219 |
-«- |
-«- |
|
|
14 6881 6708 |
08 |
то же исполнение А1/273 |
-«- |
-«- |
|
|
14 6881 6710 |
03 |
То же исполнение А2/273 |
-«- |
-«- |
|
|
14 6881 6712 |
01 |
То же исполнение А1/325 |
-«- |
-«- |
|
|
14 6881 6714 |
10 |
То же исполнение А2/325 |
-«- |
-«- |
|
|
14 6881 6716 |
08 |
То же исполнение А1/377 |
-«- |
-«- |
|
|
14 6881 6718 |
06 |
То же исполнение А2/377 |
-«- |
-«- |
|
|
14 6881 6720 |
01 |
То же исполнение А1/426 |
-«- |
-«- |
|
|
14 6881 6722 |
10 |
То же исполнение А2/426 |
-«- |
-«- |
|
|
14 6881 6724 |
08 |
То же исполнение А1/530 |
-«- |
-«- |
|
|
14 6881 6726 |
06 |
То же исполнение А2/530 |
-«- |
-«- |
|
|
14 6881 6728 |
04 |
Опора трубчатая крутоизогнутых отводов из стали 20 исполнение А1/630 |
ОСТ 36-146-88 |
Опоры для технологических трубопроводов |
|
|
14 6881 6730 |
10 |
То же исполнение А2/630 |
То же |
То же |
|
|
14 6881 6750 |
06 |
Опора трубчатая крутоизогнутых отводов из стали 10Г2 исполнение А1/57 |
-«- |
-«- |
|
|
14 6881 6752 |
04 |
То же исполнение А2/57 |
-«- |
-«- |
|
|
14 6881 6754 |
02 |
То же исполнение А1/76 |
-«- |
-«- |
|
|
14 6881 6756 |
00 |
То же исполнение А2/76 |
-«- |
-«- |
|
|
14 6881 6758 |
09 |
То же исполнение А1/89 |
-«- |
-«- |
|
|
14 6881 6760 |
04 |
То же исполнение А2/89 |
-«- |
-«- |
|
|
14 6881 6762 |
02 |
То же исполнение А1/108 |
-«- |
-«- |
|
|
14 6881 6764 |
00 |
То же исполнение А2/108 |
-«- |
-«- |
|
|
14 6881 6766 |
09 |
То же исполнение А1/133 |
-«- |
-«- |
|
|
14 6881 6768 |
07 |
То же исполнение А2/133 |
-«- |
-«- |
|
|
14 6881 6770 |
02 |
То же исполнение А1/159 |
-«- |
-«- |
|
|
14 6881 6772 |
00 |
То же исполнение А2/159 |
-«- |
-«- |
|
|
14 6881 6774 |
09 |
То же исполнение А1/219 |
-«- |
-«- |
|
|
14 6881 6776 |
07 |
То же исполнение А2/219 |
-«- |
-«- |
|
|
14 6881 6778 |
05 |
То же исполнение А1/273 |
-«- |
-«- |
|
|
14 6881 6780 |
00 |
То же исполнение А2/273 |
-«- |
-«- |
|
|
14 6881 6782 |
09 |
То же исполнение А1/325 |
-«- |
-«- |
|
|
14 6881 6784 |
07 |
То же исполнение А2/325 |
-«- |
-«- |
|
|
14 6881 6786 |
05 |
То же исполнение А1/377 |
-«- |
-«- |
|
|
14 6881 6788 |
03 |
То же исполнение А2/377 |
-«- |
-«- |
|
|
14 6881 6790 |
09 |
То же исполнение А1/426 |
-«- |
-«- |
|
|
14 6881 6792 |
07 |
Опора трубчатая крутоизогнутых отводов из стали 10Г2 исполнение А2/426 |
ОСТ 36-146-88 |
Опоры для технологических трубопроводов |
|
|
14 6881 6794 |
05 |
То же исполнение А1/530 |
То же |
То же |
|
|
14 6881 6796 |
03 |
То же исполнение А2/530 |
-«- |
-«- |
|
|
14 6881 6798 |
01 |
То же исполнение А1/630 |
-«- |
-«- |
|
|
14 6881 6800 |
02 |
То же исполнение А2/630 |
-«- |
-«- |
|
|
14 6881 6820 |
09 |
Опора трубчатая крутоизогнутых отводов из стали 09Г2С исполнение А1/57 |
-«- |
-«- |
|
|
14 6881 6822 |
07 |
То же исполнение А2/57 |
-«- |
-«- |
|
|
14 6881 6824 |
05 |
То же исполнение А1/76 |
-«- |
-«- |
|
|
14 6881 6826 |
03 |
То же исполнение А2/76 |
-«- |
-«- |
|
|
14 6881 6828 |
01 |
То же исполнение А1/89 |
-«- |
-«- |
|
|
14 6881 6830 |
07 |
То же исполнение А2/89 |
-«- |
-«- |
|
|
14 6881 6832 |
05 |
То же исполнение А1/108 |
-«- |
-«- |
|
|
14 6881 6834 |
03 |
То же исполнение А2/108 |
-«- |
-«- |
|
|
14 6881 6836 |
01 |
То же исполнение А1/133 |
-«- |
-«- |
|
|
14 6881 6838 |
10 |
То же исполнение А2/133 |
-«- |
-«- |
|
|
14 6881 6840 |
05 |
То же исполнение А1/159 |
-«- |
-«- |
|
|
14 6881 6842 |
03 |
То же исполнение А2/159 |
-«- |
-«- |
|
|
14 6881 6844 |
01 |
То же исполнение А1/219 |
-«- |
-«- |
|
|
14 6881 6846 |
10 |
То же исполнение А2/219 |
-«- |
-«- |
|
|
14 6881 6848 |
08 |
То же исполнение А1/273 |
-«- |
-«- |
|
|
14 6881 6850 |
03 |
То же исполнение А2/273 |
-«- |
-«- |
|
|
14 6881 6852 |
01 |
То же исполнение А1/325 |
-«- |
-«- |
|
|
14 6881 6854 |
10 |
То же исполнение А2/325 |
-«- |
-«- |
|
|
14 6881 6856 |
08 |
Опора трубчатая крутоизогнутых отводов из стали 09Г2С исполнение А1/377 |
ОСТ 36-146-88 |
Опоры для технологических трубопроводов |
|
|
14 6881 6858 |
06 |
То же исполнение А2/377 |
То же |
То же |
|
|
14 6881 6860 |
01 |
То же исполнение А1/426 |
-«- |
-«- |
|
|
14 6881 6862 |
10 |
То же исполнение А2/426 |
-«- |
-«- |
|
|
14 6881 6864 |
08 |
То же исполнение А1/530 |
-«- |
-«- |
|
|
14 6881 6866 |
06 |
То же исполнение А2/530 |
-«- |
-«- |
|
|
14 6881 6868 |
04 |
То же исполнение А1/630 |
-«- |
-«- |
|
|
14 6881 6870 |
10 |
То же исполнение А2/630 |
-«- |
-«- |
1. Общие положения.
1.1. Расчет опор на прочность производится на воздействие внешних сил и моментов, проекции которых на оси X, У и соответствуют указанным на чертеже.
1.2. Силы и моменты определяются расчетом трубопроводов на компенсацию тепловых удлинений с учетом сил трения в подвижных опорах и усилий от компенсаторов, а также неуравновешенных сил внутреннего давления; на воздействие весовых нагрузок с учетом массы трубопровода, транспортируемого вещества, теплоизоляции, снега, льда, пыли и др.; на воздействие ветровых, динамических и других нагрузок, а также нагрузок от других трубопроводов, оборудования и конструкций.
1.3. Условные обозначения:
Рх, Qy, Рz, Мх, Мy, Мz - проекции сил (кН) и моментов (кН ´ см) на оси X, У, и Z;
Wz, Wx - моменты сопротивлений расчетных сечений основного металла опоры соответственно относительно осей Z, X; см3;
Wy - момент сопротивления расчетного сечения основного металла при кручении, см3;
Wz¢, Wx¢, Wy¢ - моменты сопротивления расчетных сечений сварных швов соответственно относительно осей Z, X, У;
F, F¢ - площади расчетных сечений соответственно основного металла и сварного шва, см2;
Fz св., Fx св. - площади сечений сварных швов, направленных соответственно вдоль осей Z и X, см2;
h - расстояние от оси трубопровода до расчетного сечения для неподвижных опор, от основания опоры до расчетного сечения для подвижных опор, см;
[s], [t] - соответственно допускаемое нормальное напряжение, МПа, для материала опоры и касательное для сварного шва при температуре 20 °С. В расчетах приняты соответственно 160 и 130 МПа.
1.4. При определении допускаемых нагрузок расчеты выполняются для следующих сечений:
а) по сварному соединению основания опоры с подопорной конструкцией;
б) по корпусу у основания опоры;
в) по сварному соединению опоры с трубопроводом;
г) по корпусу опоры вблизи трубы.
1.5. Допускаемые нагрузки определены при расчетной температуре 20 °С. При других расчетных температурах значения допускаемых нагрузок следует умножить на отношение [s]t, [t], где [s]t - допускаемое напряжение для материала опоры при заданной температуре t.
2. Расчетные формулы.
2.1. Так как конкретное сочетание действующих на опору нагрузок неизвестно, расчет произведен из условия отсутствия внешних изгибающих моментов для двух сочетаний осевых нагрузок: при Рz = Px и Рz = 2Рх (для отдельных типов опор при Рz = 5Рх).
Расчетные формулы имеют вид:
а) по расчетному сечению сварного шва -



б) по расчетному сечению основного металла -




Примечание. Допускаемые вертикальные нагрузки Qy определены исходя из коэффициента трения m = 0,3.
2.2. При совместном действии на опору всех нагрузок прочность опоры проверяется в опасных сечениях по следующим формулам:
а) сварной шов -
![]()
где 
б) основной металл -
![]()
где 
|
Министерство ____________________________________Форма 1 (товарный знак) ( ведомство) (Наименование предприятия-изготовителя опор и его адрес) ______________________________________________________________________ Разрешение на изготовление № _____ от ______________выдано ______________________________________________________________________ (Наименование органа, выдавшего разрешение) Сертификат № _____ Выдан «_____»_____________________ 19_____________г. Заказчик ____________________ Адрес заказчика ________________ Транспортный № _______________________ Заказ-наряд № _______________ |
|||||||
|
Номер партии |
Допускаемые нагрузки кН |
Количество шт. |
Масса, кг |
Прочие сведения |
|||
|
Вертик. Qy |
осевая Pz при |
||||||
|
Рx = Pz |
Px = 0,5 Pz |
||||||
|
Комплектность _____________________________________________ Примечание. В строку «комплектность» записывается наименование и количество сборочных единиц и деталей опоры в соответствии с табл. 19 (Штамп ОТК) |
|||||||
Начальник ОТК
(Подпись)
|
УТВЕРЖДАЮ Заместитель Министра монтажных и специальных работ СССР ________________ В.А. Миненков |
|
ИЗМЕНЕНИЕ № 1 |
ОСТ 36-146-88 ОПОРЫ СТАЛЬНЫХ ТЕХНОЛОГИЧЕСКИХ ТРУБОПРОВОДОВ НА Py ДО 10 МПа. Технические условия |
Дата введения
Исключить срок действия «до 01.01.91 г.».
Зам. директора по научной работе __________________________Б.В. Поповский
ВНИИмонтажспецстроя, д.т.н.
Зав. отделом технологических трубопроводов, к.т.н. _________Р.И. Тавастшерна
Зав. отделом стандартизации и метрологии, к.т.н. ________________В.А. Карасик
Зав. лабораторией, д.т.н. __________________________________Г.М. Хажинский
СОДЕРЖАНИЕ
|
2. Основные параметры и размеры.. 7 7. Маркировка, упаковка, транспортирование, хранение. 41 Приложение 1 Перечень продукции для простановки кодов. 41 |