| |||||||||||||||||||||||||||||||||||||||||||||||||||||||||||||||||||||||||||||||||||||||||||||||||||||||||||||||||||||||||||||||||||||||||||||||||||||||||||||||||||||||||||||||||||||||||||||||||||||||||||||||||||||||||||||||||||||||||||||||||||||||||||||||||||||||||||||||||||||||||||||||||||||||||||||||||||||||||||||||||||||||||||||||||||||||||||||||||||||||||||||||||||||||||||||||||||||||||||||||||||||||||||||||||||||||||||||||||||||||||||||||||||||||||||||||||||||||||||||||||||||||||||||||||||||||||||||||||||||||||||||||||||||||||||||||||||||||||||||||||||||||||||||||||||||||||||||||||||||||||||||||||||||||||||||||||||||||||||||||||||||||||||||||||||||||||||||||||||||||||||||||||||||||||||||||||||||||||||||||||||||||||||||||||||||||||||||||||||||||||||||||||||||||||||||||||||||||||||||||||||||||||||||||||||||||||||||||||||||||||||||||||||||||||||||||||||||||||||||||||||||||||||||||||||||||||||||||||||||||||||||||||||||||||||||||||||||||||||||||||||||||||||||||||||||||||||||||||||||||
|
РОССИЙСКОЕ ОТКРЫТОЕ
АКЦИОНЕРНОЕ ОБЩЕСТВО ДЕПАРТАМЕНТ НАУЧНО-ТЕХНИЧЕСКОЙ ПОЛИТИКИ И РАЗВИТИЯ ИНСТРУКЦИЯ ПО ЭКСПЛУАТАЦИИ РД 153-34.0-35.518-2001 СЛУЖБА ПЕРЕДОВОГО ОПЫТА
ОРГРЭС Разработано Открытым акционерным обществом «Фирма по наладке, совершенствованию технологии и эксплуатации электростанций и сетей ОРГРЭС» Исполнители В.А. БОРУХМАН Утверждено Департаментом научно-технической политики и развития РАО «ЕЭС России» 27.04.2001 г. Первый заместитель начальника А.П. ЛИВИНСКИЙ Ключевые слова: эксплуатация, газовая защита, трансформаторы, электростанции, подстанции.
Дата введения 2001-09-01 год - месяц - число Настоящая Инструкция по эксплуатации газовой защиты (далее - Инструкция) обязательна для работников, занимающихся наладкой, техническим и оперативным обслуживанием устройств газовой защиты в энергосистемах Российской Федерации. В Инструкции описаны принципы действия и приведены конструкции и технические данные газовых и струйных реле, применяемых в энергосистемах, а также методы технического и оперативного обслуживания защит с этими реле. Приведены сведения об отсечном клапане и реле контроля уровня масла в расширителе, так как эти элементы функционально входят в состав цепей газовой защиты. Из Инструкции исключены описание и технические данные выработавших ресурс и морально устаревших реле ПГ-22 и ПГЗ-22, которые рекомендуется заменить на реле современных конструкций. Исключено также приложение о замене герконов в реле производства Германии в связи с прекращением деятельности НТТМ «Поиск» - изготовителя элементов держателя герконов. В Инструкцию включены описание конструкции и указания по наладке и техническому обслуживанию при эксплуатации новых отечественных газовых реле РГТ80 и РГТ50 и струйного реле РСТ25. В Инструкцию внесены изменения в соответствии с п. 5.3.22 РД 34.20.501-95 [1] и отдельными замечаниями энергосистем. С выходом настоящей Инструкции утрачивает силу «Инструкция по эксплуатации газовой защиты: РД 34.35.518-91.» (М: СПО ОРГРЭС, 1992). 1 НАЗНАЧЕНИЕ ГАЗОВОЙ ЗАЩИТЫК характерным повреждениям маслонаполненного электрического аппарата - трансформатора, автотрансформатора, реактора (далее - трансформатора) относятся короткие замыкания (КЗ) между обмотками, витковые замыкания, «пожар» стали магнитопровода, утечка масла из бака, неисправности маслонаполненного контактора переключателя ответвлений устройства регулирования напряжения под нагрузкой (РПН) и др. Практически все повреждения внутри бака маслонаполненного электрического аппарата сопровождаются выделением газа в результате разложения масла или других изоляционных материалов под действием частичных электрических разрядов, повышенного нагрева, электрической дуги. При КЗ происходит ускоренное протекание масла или его смеси с газом из бака аппарата в расширитель. В процессе эксплуатации возможно также снижение уровня масла или выделение газа по разным причинам. Нарушение нормальной работы контактора может быть вызвано повреждением изоляции, ослаблением пружин механизма, старением керамических силовых контактов, что ведет к замедлению и нечеткости переключения. Затянувшаяся дуга сопровождается (с учетом небольшого объема масла в баке контактора) бурным разложением масла. Струя масла в смеси с газом направляется из бака контактора в расширитель. Защита, реагирующая на указанные повреждения, получила название «газовой». Эта защита осуществляется с помощью так называемых газовых и струйных реле. Газовые реле предназначены для защиты трансформаторов, имеющих расширитель, от повреждений внутри бака, при которых происходит выделение газа, снижение уровня масла или возникновение ускоренного потока масла из бака трансформатора в расширитель. Струйные реле предназначены для защиты контакторов маслонаполненных переключателей ответвлений трансформаторов от повреждений, сопровождающихся возникновением ускоренного потока масла из бака контактора в расширитель. При внутренних повреждениях в трансформаторе, даже самых незначительных, выделяются газообразные продукты разложения масла или органической изоляции, чем обеспечивается действие газовой защиты в самом начале возникновения постепенно развивающегося повреждения. В некоторых случаях опасных внутренних повреждений трансформаторов («пожар» стали, межвитковые замыкания и т.п.) действует только газовая защита, а электрические защиты трансформатора не работают из-за недостаточной чувствительности. 2 КРАТКОЕ ОПИСАНИЕ ГАЗОВЫХ И СТРУЙНЫХ РЕЛЕ2.1 Основы конструкции и принцип работыГазовые реле имеют герметически закрытый корпус, устанавливаемый в маслопроводе между баком трансформатора и расширителем. На рисунке 1 показан упрощенный эскиз варианта конструкции такого реле. Реагирующий блок реле имеет три основных элемента: сигнальный 1 и отключающие 2, 3 (элементы 1 и 3 - поплавки, 2 - напорная пластина), каждый из которых срабатывает при определенных условиях. В нормальных условиях работы корпус реле заполнен маслом, и элементы занимают положение, при котором управляемые ими контакты (на рисунке не показаны) разомкнуты. При незначительном газообразовании в баке трансформатора газ по маслопроводу проходит в расширитель, скапливаясь в верхней части корпуса реле, где расположен сигнальный элемент 1. При скоплении в реле определенного количества газа уровень масла в нем снижается, поплавок сигнального элемента 1 опускается под действием силы тяжести и сигнальный контакт замыкается; аналогично срабатывает сигнальный элемент реле при снижении уровня масла в реле по другим причинам. При дальнейшем снижении уровня масла, когда корпус реле опорожняется более чем наполовину, поплавок отключающего элемента 3 также опускается под действием силы тяжести и замыкается отключающий контакт. Рисунок 1 - Газовое реле При КЗ внутри бака трансформатора под действием электрической дуги происходит бурное разложение масла и поток масла или смеси масла с газом устремляется с большой скоростью из бака в расширитель (стрелка на рисунке 1). Под воздействием этого потока пластина 2, которая имеет регулируемую уставку срабатывания по скорости потока масла, отклоняется на определенный угол и отключающий контакт замыкается. В зависимости от вида и развития повреждения трансформатора возможна последовательная или одновременная работа сигнального и отключающего элементов реле. При бурном газообразовании и резких толчках масла возможен отскок контактов после срабатывания, поэтому газовое реле должно действовать на отключение через промежуточное реле по схеме с самоудерживанием. Струйные реле в отличие от газовых не имеют поплавков и контакты их срабатывают на отключение трансформатора при действии напорной пластины, которая аналогично газовому реле имеет регулируемую уставку по скорости потока масла. В конструкции струйного реле обычно предусматривается фиксация напорной пластины после срабатывания в конечном положении до ее ручной деблокировки, что повышает надежность работы реле в условиях менее стационарного потока смеси масла с газом по сравнению с потоком в газовом реле. Использование не имеющих поплавков струйных реле обусловлено особенностью работы контакторов устройств РПН. В нормальной работе контактора под воздействием электрической дуги в момент переключения происходит разложение незначительного количества масла и выделение из него газа, который по трубопроводу проходит в свой расширитель или в отсек общего расширителя и далее через его дыхательные пути выходит в атмосферу. Небольшое количество горючего газа, выделяющегося из масла в процессе работы контактора, является нормальным явлением. 2.2 Общие указания по монтажу релеДля обеспечения правильной работы газовой защиты необходимо выполнять правила установки и монтажа трансформатора и реле. Диаметр проходного отверстия присоединительного фланца газового реле должен соответствовать внутреннему диаметру трубопровода от бака к расширителю. Струйное реле должно устанавливаться в маслопроводе с внутренним диаметром 25 мм и по возможности ближе к контактору. Несоответствие диаметров может привести к отказу срабатывания, например, к несрабатыванию нижнего поплавка при уходе масла или к изменению значения скорости потока масла срабатывания напорной пластины по сравнению с уставкой. Газовое реле должно устанавливаться в трубопровод между баком и краном для перекрытия масла в трубопроводе. Стрелка на крышке реле должна быть направлена от бака к расширителю. Крышка трансформатора (реактора) должна иметь подъем по направлению к расширителю и, следовательно, к газовому реле не менее 1 %, а маслопровод к расширителю - не менее 2 % [1]. Для подъема крышки трансформатора со стороны расширителя применяют металлические подкладки под катки трансформатора. Указанный подъем выполняется для того, чтобы выделяющийся из масла газ не скапливался под крышкой бака, а, оказавшись в наиболее высоком месте бака, проходил по маслопроводу в газовое реле. После заполнения верхней части корпуса реле продолжающий поступать газ проходит в расширитель и далее через дыхательную трубку в атмосферу. Для обеспечения правильной работы струйных реле подъем маслопровода от контактора к расширителю должен составлять 2 - 4 % к горизонтали. При монтаже реле прокладки между фланцами маслопровода и реле и под крышкой реле не должны выступать внутрь маслопровода и корпуса реле. Все болты должны быть надежно затянуты. Под болт безопасности (один из болтов, соединяющих крышку с корпусом реле, обычно головка его окрашивается в красный цвет) должна быть проложена зубчатая шайба зубцами в сторону крышки реле. После установки газовых реле, имеющих кнопку контроля (опробования), на трубопровод необходимо удалить транспортную прокладку из-под защитного колпачка кнопки. Для обеспечения надежной работы газовой защиты при повреждениях в трансформаторе кабели от газовых и струйных реле следует прокладывать на трансформаторе в защитном металлорукаве. В целях уменьшения мест возможного снижения сопротивления изоляции прокладывать кабели следует непосредственно от выводов реле к зажимам панели защиты трансформатора. Изоляция применяемых кабелей должна быть маслостойкой. 2.3 Особенности газового реле РГЧЗ-66Основной особенностью конструкции газового реле РГЧЗ-66 является использование вместо поплавков металлических чашек. Как и все газовые реле, оно (рисунок 2) имеет герметически закрытый корпус, в котором расположено три реагирующих элемента: верхний - чашка 1 - сигнальный и два нижних отключающих - чашка 2 и отключающая пластина 11. Когда реле заполнено маслом, контакты, расположенные внутри чашек, остаются разомкнутыми, так как каждая чашка спиральной пружиной 5 подтянута вверх до упора. Три выделении из бака трансформатора небольшого количества газа он скапливается в верхней части реле, вытесняя масло. При этом масло в чашке сигнального элемента реле остается, и под действием массы этого масла чашка поворачивается вокруг своей оси 12 вниз до замыкания контактов. Отключающие элементы (чашка и пластина) расположены в нижней части корпуса реле, пластина установлена против входного отверстия маслопровода со стороны трансформатора. Она является элементом, реагирующим на скорость потока масла в маслопроводе, а чашка - элементом, реагирующим на почти полное опорожнение корпуса реле от масла. Оба эти элемента действуют на один контакт, причем пластина работает независимо от чашки. При повреждении трансформатора, сопровождающемся бурным газообразованием, давление в баке повышается, и масло вытесняется из бака в расширитель. При скорости потока масла, равной или большей уставки реле, усилием, возникающим на пластине 11, последняя поворачивается вокруг оси 13 вместе со стойкой 16 и подвижными контактами до их замыкания с неподвижными контактами. При этом чашка отключающего элемента может оставаться в покое. Несколько позже может сработать и сигнальный элемент, если выделившийся газ поднимется из бака трансформатора и заполнит верхнюю часть корпуса газового реле. 1, 2 - чашки; 3 - контакт; 4, 9, 16 - стойки; 5 - спиральная пружина; 6 - сборочное кольцо; 7, 8 - держатели; 10 - скобообразная стойка; 11 - отключающая пластана; 12, 13 - оси; 14 - прокладка; 15 - выступ; 17 - рычаг; 18 - пластина; 19, 20, 21, 22 - экраны; 23 - кран; 24 - смотровое стекло; 25 - пробка; 26 - коробка выводов Рисунок 2 - Газовое реле РГЧЗ-66 При аварийном уходе масла, когда нижняя часть корпуса реле опорожнится, отключающий элемент (чашка) будет работать так же, как и чашка сигнального - с замыканием контактов. В этом случае отклоняется и пластина, так как стенка чашки при движении нажимает на выступ 15 стойки 16, к которой крепится пластина. В верхней части корпуса реле врезаны сквозные смотровые стекла 24 с делениями (в кубических сантиметрах), позволяющими определять объем скопившегося газа. На крышке корпуса реле установлен кран 23 для отбора пробы газа и выпуска воздуха из реле; коробка выводов 26 служит для подключения контрольного кабеля. На крышке реле нанесена стрелка, указывающая направление к расширителю. В дне коробки зажимов предусмотрено отверстие для стока собирающейся в ней влаги. В нижней части корпуса реле предусмотрена пробка 25 для спуска загрязненного масла. Реагирующий блок реле крепится к крышке корпуса с помощью стоек, на которых смонтированы все элементы реле. Каждая чашка со стороны входа потока масла закрыта цилиндрическими полуэкранами 19, 21. Сверху над чашками установлены экраны 20 и 22 для уменьшения выпадения на дно чашек шлама из масла. В экране 22 предусмотрена прорезь для перемещения пластины 11. Реле может иметь одну из трех фиксированных уставок по скорости масла: 0,6; 0,9; 1,2 м/с. Необходимая уставка обеспечивается установкой одной из трех калиброванных пластин 11. Время срабатывания скоростного элемента при скорости потока масла 1,25 уставки не превышает по техническим условиям 0,2 с (практически - около 0,1 с). Сигнальный элемент реле срабатывает при заполнении верхней части реле газом объемом примерно 400 см3. Контакты реле рассчитаны на замыкание и размыкание цепи переменного и постоянного тока до 0,2 А при напряжении 220 В. Изоляция реле выдерживает испытательное напряжение 2000 В частоты 50 Гц в течение одной минуты. Рабочий диапазон температуры окружающей среды от -40 до +40 °С. Предельная температура масла +100 °С. Масса реле около 12 кг, диаметр проходного отверстия фланца 80 мм. 2.4 Особенности газового реле BF 80/Q (BF 50/10)Газовые реле ВF 80/Q (ВF 50/10) производства Германии (рисунок 3) состоят из корпуса и крышки, к которой крепится реагирующий блок реле. Реле ВF 80/Q имеет квадратный фланец с проходным отверстием 80 мм, реле ВF 50/10 - круглый фланец с проходным отверстием 50 мм. На крышке закреплена табличка с указанием типа реле и его данных. На крышке и корпусе изображены стрелки, указывающие направление в сторону расширителя. Стальная сборочная скоба 8 крепится двумя винтами к крышке реле; к этой скобе крепятся сигнальный и отключающие элементы, постоянный магнит 10 и ряд других деталей реле. Сигнальный элемент состоит из пластмассового полого шарообразного поплавка 2 с держателем, который крепится к сборочной скобе 8. С поплавком жестко связан круглый магнит 3, служащий для управления сигнальными контактами 4. В качестве сигнальных и отключающих контактов 4 и 5 реле применены магнитоуправляемые герконы, замыкание которых происходит от приближения круглого магнита к концу стеклянной колбы, в которой заключен контакт. При понижении уровня масла в реле опускается поплавок 2 сигнального элемента и при объеме газа в реле 250 - 300 см3 управляющий магнит 3 приводит к замыканию сигнальных контактов 4. Отключающий элемент помещен в нижней части корпуса реле под пластиной, служащей для закрепления магнита 10 в одном из трех положений и одновременно выполняющей функцию экрана, защищающего элемент от оседающего из масла шлама. Рисунок 3 - Реагирующий блок газового реле ВF 80/Q (ВF 50/10) Отключающий элемент (как и сигнальный) крепится к сборочной скобе 8 и состоит также из пластмассового поплавка 6, круглого магнита 7 и отключающих контактов 5. Напорная пластина 9 отключающего элемента удерживается в нормальном положении с помощью постоянного магнита 10. Она предназначена для срабатывания от потока масла; при определенной скорости потока преодолевается сила притяжения магнита 10 и пластина отклоняется на некоторый угол, поворачиваясь вокруг своей оси. Для достижения требуемого быстродействия пластина помещена против входного отверстия реле и при своем движении не связана с поплавком 6 отключающего элемента; только в конце хода пластина нажимает на поплавок, который опускается, что приводит к замыканию отключающих контактов 5 реле. Изменение скорости срабатывания реле достигается выбором расстояния между пластиной 9 и магнитом 10 путем изменения положения магнита. Трем положениям магнита соответствуют уставки скорости срабатывания 0,65 м/с, 1,0 м/с и 1,5 м/с. Магнит передвигается после отвинчивания винта магнитодержателя и перемещения последнего до появления в окне магнитодержателя цифры требуемой уставки. Время срабатывания отключающего элемента реле при скорости потока масла, равной 1,25 значения уставки, составляет 0,15 с; при скорости потока масла, равной 1,5 значения уставки, - не более 0,1 с. Выводы сигнального и отключающего контактов реле размещены в коробке зажимов 12. На внутренней стороне откидной крышки 13 этой коробки имеется табличка с маркировкой выводов. Крышка коробки зажимов имеет надежное уплотнение. Кабель цепей защиты может быть подведен в любое из двух отверстий коробки, неиспользуемое отверстие остается закрытым заглушкой с винтовой резьбой. Реле серии ВF снабжено устройством 11 для контроля работоспособности обоих элементов и контактов реле. Оно состоит из кнопки, рейки с выступами, возвратной пружины и рамки. В условиях эксплуатации кнопка закрыта колпачком с винтовой резьбой. На табличке около кнопки устройства контроля изображены два положения кнопки с надписями «Сигнал» и «Отключение». При нажатии на кнопку рейка перемещается вниз в направляющей рамке, и верхний выступ нажимает на держатель верхнего поплавка, который опускается и обеспечивает замыкание сигнального контакта реле. При дальнейшем нажатии на кнопку опускается нижний поплавок под действием нижнего выступа и отключающий контакт реле также замыкается. Пластина от устройства контроля не опробуется. Отпускание кнопки приводит к возврату устройства контроля под действием возвратной пружины, при этом поплавки реле всплывают, и оба контакта размыкаются. В крышке реле имеется кран для отбора газа. В нижней части корпуса имеется отверстие для слива загрязненного масла, закрытое пробкой с винтовой резьбой (в поздних выпусках реле это отверстие отсутствует). Верхние смотровые стекла имеют риски от 250 до 450 см3, обозначающие объем газа в корпусе реле. Для безопасности обслуживающего персонала корпус реле соединяется с заземленной крышкой с помощью одного из болтов, крепящих крышку к корпусу реле. Головка этого болта (болт безопасности) окрашена в красный цвет и под него подложена зубчатая пружинная шайба зубцами в сторону крышки, что при затягивании болта создает надежный контакт с крышкой. Для ввода кабеля предусмотрены штуцера 1. Более подробные технические данные реле ВF 80/Q, ВF 50/10 и ÜRF 25/10 приведены в приложении А. 2.5 Особенности струйных реле ÜRF 25/10 и RS-1000Для защиты контакторов РПН в отечественной практике широко применяются струйные реле ÜRF 25/10 производства Германии и RS-1000 производства Болгарии. Реле ÜRF 25/10 (рисунок 4) состоит из корпуса и крышки, к которой крепится реагирующий блок реле. На верхней части крышки реле закреплена табличка с указанием типа и данных реле, а на корпусе реле и на крышке изображены стрелки, указывающие направление в сторону расширителя. Струйное реле ÜRF 25/10 имеет только один реагирующий элемент - отключающий - напорную пластину 9. Рисунок 4 - Струйное реле ÜRF 25/10 Стальная фигурная скоба 1, крепящаяся винтами к крышке реле, служит основой для крепления напорной пластины, которая расположена со стороны бака контактора и в нормальных условиях удерживается в начальном положении грузом 6. При скорости потока масла, превышающей заданную уставку, пластина поворачивается, груз 6 при этом поднимается и круглый магнит (на рисунке 4 не виден) приближается к управляемому им геркону 8, который замыкается. По окончании движения пластина оказывается зафиксированной в положении срабатывания с помощью защелки 4, поэтому контакт реле остается замкнутым до возврата вручную. Для возврата реле в нормальное положение в нем имеется устройство контроля-возврата, которое служит также и для контроля работоспособности реле. Устройство контроля-возврата струйного реле конструктивно похоже на устройство контроля газового реле BF 80/Q, описанное выше, и состоит из подвижной рейки с возвратной пружиной и выступом. Устройство контроля-возврата управляется, как и у газового реле, кнопкой на крышке струйного реле. На табличке около кнопки изображены два ее положения с надписями «Возврат» и «Контроль». При медленном нажатии кнопки рейка, двигаясь в направляющей рамке, опускается примерно на половину своего хода и отводит пружинную защелку из прорези установочной скобы 1, что приводит под действием силы тяжести груза 6 к возврату пластины 9 в нормальное положение и к размыканию контакта реле (сквозь смотровое стекло видно, как груз возвращается в горизонтальное положение). При дальнейшем нажатии кнопки вниз до упора выступ 3 рейки 2 нажимает на закругленный край держателя груза 10 и последний поднимается, как при давлении струи масла на пластину реле (сквозь смотровое стекло видно, когда реле переходит в положение срабатывания), что вызывает действие реле на отключение. Реле ÜRF 25/10 выпускается двух исполнений по набору уставок по скорости потока масла: 1-е исполнение - 0,9; 1,2 и 1,5 м/с; 2-е исполнение - 1,5; 2,0 и 2,5 м/с. Выбор одной из трех уставок скорости масла в реле каждого исполнения выполняется отвинчиванием винта 5 и перемещением груза 6 в держателе до положения, при котором в окне 7 держателя груза появится цифра выбранной скорости срабатывания. Конструктивное выполнение коробки и крышки выводов реле уплотнения крышки, выводов контактов, отверстий для контрольного кабеля, болта безопасности и крепление крышки к корпусу реле аналогичны выполнению их в газовом реле ВF 80/Q. Струйные реле RS-1000 устанавливаются на трансформаторах с устройствами РПН, изготовленных в Болгарии, Внешний вид реле RS-1000 показан на рисунке 5, функциональная схема, поясняющая принцип работы реле, - на рисунке 6. Как и реле ÜRF 25/10, реле RS-1000 реагирует только на скорость потока масла, однако имеет только одну уставку по скорости потока - 0,9 м/с. Конструкция реле RS-1000 в основном аналогична конструкции реле ÜRF 25/10. Реагирующий элемент (пластина) расположен со стороны бака контактора и нормально удерживается в начальном положении. При возникновении повреждения струя масла создает давление на пластину, что приводит к ее повороту и срабатыванию (замыканию) ртутных контактов 1 - 3 реле (рисунок 6, б). После срабатывания пластина фиксируется в конечном положении с помощью защелки, поэтому контакты 1 - 3 остаются замкнутыми до возврата реле вручную. Для возврата реле в начальное положение необходимо нажать на кнопку «Включено», находящуюся под верхней крышкой (см. рисунок 5). В отличие от реле ÜRF 25/10 реле RS-1000 имеет отдельную кнопку для проверки работоспособности - «Выключено». При нажатии на кнопку «Выключено» тяги отключающая пластина переходит в конечное положение и контакты 1 - 3 замыкаются. Возврат реле выполняется нажатием на кнопку «Включено». У струйных реле ÜRF 25/10 и RS-1000 кран для отбора проб газа отсутствует и нет делений на смотровых стеклах, поскольку в процессе эксплуатации нет надобности выпускать газ из реле или контролировать его наличие. Технические данные струйных реле приведены в приложении А. а - общий вид; б - вид сверху на кнопки при открытой крышке Рисунок 5 - Струйное реле RS-1000 а - в нормальном режиме; б - в режиме срабатывания Рисунок 6 - Функциональная схема реле RS-1000 2.6 Особенности газовых и струйных реле РГТ80, РГТ50 и РСТ25Газовые реле РГТ80 и РГТ50, а также струйное реле РСТ25 разработаны и выпускаются совместно ОАО «Фирма ОРГРЭС» и ОАО ВНИИР с 1996 г. Реле состоят из корпуса и крышки из алюминиевого сплава, на которой смонтированы все внутренние элементы реле (реагирующий блок). Цифры в обозначении реле соответствуют диаметру проходного отверстия фланца корпусов реле. Конструктивное исполнение и присоединительные размеры фланцев перечисленных реле соответствуют широко распространенным в энергосистемах России и стран СНГ немецким реле ВF 80/Q, ВF 50/10 и ÜRF 25/10, поэтому замена последних на новые не требует каких-либо переделок. На крышках реле имеются фирменные знаки ОРГРЭС и ВНИИР и стрелка, которая при установке реле в трубопровод, соединяющий бак трансформатора с расширителем, должна быть направлена в сторону расширителя. Фирменная табличка реле с указанием типа реле и его основных данных расположена с внутренней стороны крышки. Конструкция реле РГТ80, РГТ50 и РСТ25 унифицирована, основным конструктивным отличием реле РСТ25 является отсутствие в реагирующем блоке этого реле поплавков и наличие элемента фиксации напорной пластины в конечном положении после ее срабатывания. Для более наглядного представления об отличиях конструкции новых реле от описанных выше на рисунке 7 представлен общий вид реагирующего блока газовых реле РГТ80 (РГТ50). Основными элементами конструкции этого блока являются: а) контактный узел, состоящий из двух одинаковых пластмассовых монтажных колодок (на рисунке не видны), в средней и нижней частях которых установлены соответственно сигнальный и отключающий герконы, а в верхней - зажимы для подключения выводов герконов и внешних цепей реле. Верхняя часть колодок с зажимами находится в коробке зажимов 1, а средняя и нижняя с герконами - в цилиндрическом корпусе контактного узла 2; внутренняя полость коробки зажимов и корпуса контактного узла изолирована от заполняемого маслом объема корпуса реле, вследствие чего механические и химические воздействия масла на герконы и электрические цепи реле исключены; каждая колодка закреплена винтом к основанию коробки зажимов; сверху коробка зажимов имеет свою крышку с уплотнительной прокладкой, которая крепится к коробке шестью винтами; Рисунок 7 - Реагирующий блок газового реле РГТ80 (РГТ50) б) верхний 3 и нижний 4 поплавки реле, реагирующие на уровень масла в корпусе реле; в верхней части каждого поплавка запрессованы магниты, управляющие верхним - сигнальным и нижним - отключающим герконами; поплавки реле свободно плавают в масле, используя в качестве направляющих цилиндр корпуса контактного узла и стержень 5 кнопки опробования 6 (нижний поплавок) и стержень 7 винта регулировки уставки напорной пластины (верхний поплавок); в) напорная пластина 8, реагирующая на скорость потока масла, с установленным на ней магнитом 9, который при срабатывании напорной пластины действует на тот же геркон, что и нижний поплавок; напорная пластина удерживается в начальном положении силой притяжения магнита 9 к стержню 7 (см. ниже); после прекращения потока масла напорная пластина газового реле автоматически возвращается в начальное положение; напорная пластина струйного реле после срабатывания фиксируется в положении срабатывания и может быть возвращена в начальное положение с помощью кнопки опробования; г) кнопка опробования 6, предназначенная в газовых реле для проверки срабатывания герконов либо при нажатии на поплавки, либо при нажатии на хвостовик напорной пластины; в струйном реле эта кнопка служит как для проверки срабатывания герконов при нажатии на хвостовик напорной пластины, так и для возврата ее в исходное положение после срабатывания; для предотвращения случайного нажатия на кнопку опробования на верхнюю часть кнопки навинчен защитный колпачок; д) винт регулировки уставки срабатывания напорной пластины по скорости потока масла (на рисунке верхняя часть винта закрыта корпусом коробки зажимов) имеет шлиц под отвертку и фиксирующую его положение стопорную гайку; е) кран для отбора газа 10; ж) вводной штуцер 11 (с каждой стороны коробки зажимов) для ввода монтажного кабеля и закрепления металлорукава. Поплавки реле выполнены сплошными, в процессе изготовления испытываются избыточным давлением масла 100 кПа и во время последующей эксплуатации не требуют периодических испытаний. В реле применены герконы повышенной электрической прочности типа МКА-52141 ОДО.360.008ТУ, что позволяет проводить испытание изоляции цепей защиты без отключения цепей герконов. Типы реле, диаметр проходного сечения, форма фланцев, а также уставки реле по скорости потока масла приведены в таблице 1, а типоисполнения контактов реле - в таблице 2. Состояние контактов реле соответствует эксплуатационному состоянию - реле заполнено маслом, а скоростной элемент (напорная пластина) - в начальном положении. Таблица 1 - Типы и уставки реле
Срабатывание сигнального элемента реле РГТ80 (РГТ50) происходит при снижении уровня масла в реле примерно до риски 2,5 деления шкалы на смотровом стекле реле. Таблица 2 - Типоисполнения контактов реле
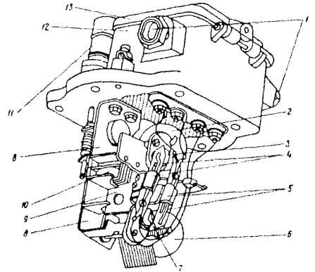
Обозначение типоисполнения контактов по таблице 2 входит в полное обозначение типоисполнений реле и их реагирующих блоков, так например, РГТ80-2О1 - газовое реле с исполнением контактов 2 и климатическим исполнением О1 по ГОСТ 15150-69 имеет реагирующий блок БКР2-2. Более детально конструкции реагирующих блоков струйного реле (БКР1) и газовых реле (БКР2) представлены соответственно на рисунках 8 и 9.
1 - корпус блока; 2 и 3 - монтажные колодки, содержащие герконы и винтовые зажимы под винт М4 для подсоединения внешних проводов; 4 - коробка зажимов; 5 - напорная пластина с постоянным магнитом; 6 - скоба, фиксирующая напорную пластину в конечном состоянии; 7 - кнопка проверки работы напорной пластины и возврата ее в исходное состояние; 8 - шток кнопки проверки напорной пластины; 9 - винт регулировки уставки срабатывания напорной пластины; 10 - корпус контактного узла; 11 - несущая скоба; 12 - крышка коробки зажимов; 13 - уплотнительная прокладка крышки коробки зажимов; 14 - кран для выпуска (отбора пробы) газа; 15 - крышка корпуса блока; 16 - колпачок, закрывающий кнопку проверки; 17 - гайка, стопорящая винт регулировки уставки; 18 - гайка, стопорящая кран отбора пробы газа; 19 - винт кропления крышки корпуса блока; 20 - шток винта регулировки уставки срабатывания реле по скорости потока масла; 21 и 22 - штуцера в корпусе блока для ввода монтажных проводов в коробку зажимов; Е - дренажный канал в корпусе блока для слива конденсата из коробки зажимов Рисунок 8 - Блок контактный реагирующий БКР1
6.1 - верхний поплавок; 6.2 - нижний поплавок. Остальные обозначения см. на рисунке 8. Рисунок 9 - Блок контактный реагирующий БКР2 На наружной поверхности крышки коробки зажимов нанесены оперативные надписи, поясняющие порядок работы с элементами управления и контроля блока. На внешней боковой
поверхности корпуса блока и внутри коробки зажимов имеются знаки заземления « В один из штуцеров устанавливается резьбовая втулка с комплектом упорных и уплотнительных шайб, служащая для установки монтажного кабеля и закрепления металлорукава. В другой штуцер устанавливается заглушка с упорной и уплотнительной шайбами. Обозначение элементов конструкции блока БКР2 (см. рисунок 9) в основном соответствует обозначениям аналогичных элементов блока БКР1. В отличие от блока БКР1 блок БКР2 имеет два поплавка - верхний 6.1 и нижний 6.2 с постоянными магнитами, управляющими герконами; фиксирующая скоба 6 в блоке БКР2 отсутствует. Кнопка проверки 7 служит для проверки работы поплавков 6.1 и 6.2 и напорной пластины 5. Для безопасности обслуживающего персонала корпус реле соединяется с заземленной крышкой с помощью одного из болтов, крепящих крышку к корпусу реле. Головка этого болта (болт безопасности) окрашена в красный цвет и под него подложена зубчатая или обычная пружинная шайба, что при затягивании болта создает надежный контакт с крышкой. Проверка работы струйного реле от действия напорной пластины, а также снятие пластины с фиксации после проверки или после срабатывания в процессе эксплуатации производится кнопкой проверки 7 в следующем порядке (предварительно с кнопки 7 должен быть снят колпачок 16): кнопка 7 устанавливается ее небольшим нажатием и поворотом в положение, когда символ «×» на торце кнопки совпадает с символом «◄» на крышке коробки зажимов 12. Затем нажатием на кнопку 7 до упора осуществляется проверка срабатывания реле. После снятия нажатия с кнопки 7 она возвращается в начальное положение, а напорная пластина остается в конечном положении. Для снятия с фиксатора 6 напорной пластины после ее проверки или срабатывания от потока масла кнопка 7 устанавливается в положение, когда символ «:» на торце кнопки совпадает с символом «◄» на крышке коробки зажимов 12. Затем нажатием на кнопку до упора откидывается скоба фиксатора 6 и напорная пластина возвращается в исходное положение. 3 КРАТКОЕ ОПИСАНИЕ КОНСТРУКЦИИ ОТСЕЧНОГО КЛАПАНА И РЕЛЕ УРОВНЯ МАСЛА3.1 Отсечной клапанОтсечной клапан представляет собой устройство для перекрытия маслопровода вблизи расширителя трансформатора мощностью 100 МВ×А и более для предотвращения развития пожара (в случае его возникновения) вследствие вытекания масла из расширителя на поврежденный трансформатор. Отсечной клапан 3 (рисунок 10) устанавливается между расширителем 1 и газовым реле 2 на маслопроводе, соединяющем расширитель и бак трансформатора 4. Рисунок 10 - Установка отсечного клапана Конструкция отсечного клапана показана на рисунке 11. Он состоит из корпуса 1, клапана 2, пружины 3, ввода 4, плиты 5, пробки 6, кожуха 7, кнопки 8, тяги 9, вилки 10, стаканов 11, 15, диска 12, якоря 13 и обмотки 14 электромагнита, пружины 16, фланца 17 для присоединения к расширителю. Вводы электромагнита клапана (см. рисунок 11, вид А) подключаются к схеме релейной защиты трансформатора. В случае возникновения внутренних повреждений в трансформаторе на обмотку 14 электромагнита от его устройств релейной защиты подается напряжение переменного тока 220 В, якорь 13 втягивается и выводит из зацепления вилку 10 с тягой 9. Под действием пружины 3 клапан 2 перекрывает проход для масла между расширителем и баком. При этом одновременно диск 12 нажимает на кнопку 8, контакт которой отключает электромагнит. Другой контакт кнопки используется в цепях сигнализации («выводы сигнала») для указания закрытого положения отсечного клапана. Номинальное напряжение обмотки электромагнита - 220 В переменного тока, 50 Гц. Для установки клапана в рабочее (открытое) состояние необходимо отвинтить стакан 11 и вручную оттянуть тягу 9 крюком стакана 11. 3.2 Реле уровня маслаРеле уровня масла предназначено для контроля количества масла в расширителе трансформатора. Оно имеет стрелочный указатель для визуальной оценки уровня масла и контактный выход для подключения к цепям сигнализации. Реле ранних выпусков выполнено в виде диска, с одной стороны которого под стеклянной крышкой перемещается стрелка визуального указателя, а с другой - крепится каркас, на котором смонтирован сигнальный элемент реле. Сигнальный элемент состоит из широкой плоскодонной чашки, которая может поворачиваться вокруг оси. На другой ее стороне закреплен стрелочный указатель. Внутри чашки помещена изоляционная стойка, на выступе которой закреплены подвижные контакты. Неподвижные контакты смонтированы на изоляционной пластинке, установленной на каркасе реле. С наружной стороны ниже стеклянной крышки крепится коробка выводов с сальником для подключения кабеля. Когда сигнальный элемент находится в масле, чашка сигнального элемента с помощью пружины повернута вверх на 5 - 10°, при этом контакты реле разомкнуты. При снижении уровня масла усилие, создаваемое массой масла в чашке, заставляет ее опуститься и замкнуть контакты. В новых конструкциях реле уровня замыкающие контакты заменены на герконы, чашка - на поплавок. При изменении положения поплавка меняется положение связанных с ним стрелки и постоянного магнита. Последний при приближении к геркону заставляет его переключаться. Срабатывание реле уровня масла происходит до срабатывания сигнального элемента газового реле, что позволяет заблаговременно принять меры по устранению неисправности трансформатора. 4 ВИДЫ, ОБЪЕМ И ПЕРИОДИЧНОСТЬ ТЕХНИЧЕСКОГО ОБСЛУЖИВАНИЯ ГАЗОВОЙ ЗАЩИТЫГазовая защита должна проверяться в соответствии с действующими нормативными документами. Установлены следующие виды планового технического обслуживания устройств релейной защиты в соответствии с РД 153-34.3-35.613-00 [3] и РД 153-34.0-35.617-00 [4]: - проверка при новом включении (Н); - первый профилактический контроль (К1); - профилактический контроль (К); - профилактическое восстановление (В). Кроме того, в процессе эксплуатации могут проводиться следующие виды непланового технического обслуживания: - внеочередная проверка; - послеаварийная проверка. Цикл технического обслуживания (срок между профилактическими восстановлениями) газовой защиты трансформаторов и защиты контакторов РПН принят равным 8 годам, при этом проведение предусмотренных видов планового технического обслуживания целесообразно совмещать с ремонтом трансформатора или его выключателей. Неплановое техническое обслуживание следует производить после проведения каких-либо работ на трансформаторе, которые могут оказать влияние на работу газовой защиты, а также после случаев ее излишней или ложной работы. Выявленные в процессе технического обслуживания неисправности реле должны устраняться персоналом службы РЗАИ (ЭТЛ), а неисправности отсечного клапана, крана на маслопроводе и прокладок фланцев реле - ремонтным персоналом подстанции или электроцеха электростанции. При проведении технического обслуживания газовой защиты должны производиться следующие виды работ в соответствии с РД 153-34.3-35.613-00 [3] и РД 153-34.0-35.617-00 [4]: а) подготовительные работы (Н, К1, К, В); б) внешний осмотр (Н, К1, К, В); спуск из корпуса реле около 2 - 2,5 л загрязненного масла (только при К1, В); в) внутренний осмотр, ревизия механической части (Н, К1, В). Примечание - Изготовитель не рекомендует проведение внутреннего осмотра реле РГТ80 (РГТ50) и РСТ25 при Н и К1; г) проверка правильности значения уставки, положения контактов (Н, К1, В); д) проверка срабатывания отключающего и сигнального элементов спуском масла из корпуса реле (Н, К1, В); е) измерение сопротивления (Н, К1, К, В) и испытания (Н, К1, В) изоляции электрических цепей реле по отношению к земле и (при отключенных контактах реле ВF 80/Q, ВF 50/10 и ÜRF 25/10) между цепями. Проверка изоляции между разомкнутыми контактами указанных реле производится мегаомметром на 500 В; ж) проверка срабатывания реле нажатием на кнопку контроля работоспособности для всех реле, кроме РГЧЗ-66; з) проверка уставки срабатывания по скорости потока масла измерением действительной уставки только после ремонта механической части реле или замены отключающей пластины в реле РГЧЗ-66. Рекомендуемые уставки срабатывания газовых и струйных реле по скорости потока масла приведены в таблицах 3 и 4. Таблица 3- Рекомендуемые уставки по скорости срабатывания газовых реле
Таблица 4 - Рекомендуемые уставки по скорости срабатывания реле защиты контакторов переключающих устройств
Техническое обслуживание отсечного клапана и реле уровня масла проводится в те же сроки, что и реле газовой защиты. При этом должны выполняться следующие виды работ: а) внешний осмотр (Н, К1, В); б) проверка срабатывания (Н, К1, В); в) измерение сопротивления и испытание изоляции между цепями (при отключенных контактах, используемых в цепях сигнализации) и по отношению к земле (Н, К1, В). 5 ТЕХНИЧЕСКОЕ ОБСЛУЖИВАНИЕ ЭЛЕМЕНТОВ ГАЗОВОЙ ЗАЩИТЫ5.1 Подготовительные работыВ подготовительные работы входят: подготовка и анализ схем защиты трансформатора, анализ выполнения цепей газовой защиты, связанных с другими устройствами РЗА данной электростанции или подстанции, выбор уставки срабатывания отключающего элемента реле по скорости потока масла (только при наладке), подготовка программы работ, а также инструментов, приборов и устройств, требующихся при техническом обслуживании. 5.2 Внешний осмотрПри внешнем осмотре реле должны проверяться правильность установки его в маслопроводе в соответствии со стрелкой на крышке реле, состояние корпуса, смотровых стекол, зажимов, наличие всех крепежных болтов и их затяжка. Должны также проверяться правильность установки на крышке реле болта, головка которого окрашена в красный цвет (болта безопасности у реле серий ВF, ÜRF, РГТ и РСТ), наличие уплотняющей прокладки в крышке коробки выводов реле, надежность крепления крышки, состояние разделки контрольного кабеля защиты, исправность крана для отбора газа и пробок спускных отверстий в дне корпуса, а также отсутствие течи масла из корпуса реле. 5.3 Внутренний осмотрПри осмотре реагирующего блока (выемной части) реле проверяются отсутствие видимых повреждений и надежность крепления всех внутренних элементов (затяжка всех болтов и гаек, наличие пружинящих шайб), значение люфтов осей реле (продольные люфты не должны превышать 0,5 мм, а поперечные должны практически отсутствовать), отсутствие «заедания» движущихся частей и отсутствие на них продуктов разложения масла (желеобразных масс). Кроме того, проверяется правильность установки прокладок между фланцами реле (они не должны сужать проходное отверстие маслопровода) и регулировка контактной системы реле (кроме реле РСТ80, РСТ50 и РСТ25). В реле RS-1000 проверяется: - отсутствие трещин в стеклянном баллончике ртутных контактов с помощью лупы не менее чем с пятикратным увеличением; - отсутствие посторонних включений и качество ртути (ртуть не должна прилипать к стеклу и дробиться на шарики при встряхивании). Стеклянные баллончики должны быть установлены так, чтобы в нормальном (начальном) положении, когда контакт разомкнут, расстояние от поверхности ртути до второго электрода составляло 3 - 4 мм. При замыкании контакта ртуть должна залить оба электрода равномерно. В реле РГЧЗ-66 проверяется: - степень износа спиральной пружины, удерживающей подвижную контактную систему в верхнем положении; - отсутствие выработки отверстий в местах крепления оси чашек; - параллельность пластин неподвижных контактов и расположение их в одной плоскости, соблюдение расстояния между подвижными и неподвижными контактами (2 - 2,5 мм); - надежность запрессовки оси чашки в стойку, отсутствие возможного перемещения чашки вместе со стойкой вдоль оси; - совместный ход контактов (около 2 мм), при этом подвижные контакты должны скользить по середине пластин неподвижных контактов. У реле с герконами (кроме реле серий РГТ и РСТ) проверяется: - целость стеклянных баллонов герконов путем осмотра; - расстояние от стеклянного баллона до плоскости управляющего магнита, которое должно быть в пределах 0,5 - 2,0 мм при замкнутых контактах; - четкость работы контактов при переходе поплавков и пластины из начального положения в конечное и обратно; - отсутствие масла в полостях пластмассовых поплавков. У реле, имеющих дренажное отверстие в коробке зажимов, проверяется отсутствие его загрязнения. 5.4 Проверка правильности уставки по скорости потока маслаДля выставления заданной уставки в реле РГЧЗ-66 необходимо установить соответствующую калиброванную пластину. Затем необходимо провести косвенную проверку чувствительности нижнего элемента реле. Для этого реагирующий блок реле вместе с крышкой устанавливается на горизонтальной плоскости. Затем нижняя чашка реле заполняется трансформаторным маслом и с помощью пружинного граммометра (динамометра) с пределом измерения до 50 г, конец которого подводится под край дна чашки с той стороны, где установлена спиральная пружина, приподнимается. При усилии 25 - 30 г контакты должны разомкнуться. Совместный ход до размыкания контактов должен быть около 2 мм. Для выполнения нужной уставки реле ВF 80/Q (ВF 50/20) следует вывернуть винт магнитодержателя и передвигать последний до тех пор, пока в его окне не появится необходимая цифра выбранной уставки, после чего винт затянуть. Для выполнения нужной уставки реле ÜRF 25/10 следует вывернуть винт грузодержателя, груз передвинуть в нужное положение до появления в окне грузодержателя цифры нужной уставки, затем груз зафиксировать винтом. Скорость срабатывания реле серий ВF и ÜRF не проверяется, поскольку настройка не требует большой точности, а реагирующая часть реле выполнена так, что возможность изменения скорости срабатывания практически исключена. После внутреннего осмотра и настройки реле их подвижная часть во избежание повреждения при перевозке или монтаже арретируется путем помещения под колпачок кнопки устройства контроля (контроля-возврата) прокладки заводского изготовления. Проверка реле подачей потока масла должна производиться только после ремонта, вызванного механическими повреждениями реагирующего блока. Проверка чувствительности отключающего элемента реле RS-1000 должна производиться косвенным образом путем измерения усилия, необходимого для срабатывания реле. Для определения усилия необходимо установить рычаг граммометра в верхний край отключающей пластины так, чтобы рычаг являлся продолжением плоскости пластины, и плавно вести граммометр в сторону срабатывания пластины. Усилие срабатывания исправного реле, отрегулированного на заводе-изготовителе, должно быть в пределах 120 - 140 г. Реле РСТ80 (РСТ50) и РСТ25 поставляются изготовителем с заданной потребителем и указанной в паспорте реле уставкой по скорости потока масла. При вводе реле в эксплуатацию проверка уставки не требуется. В случае необходимости изменения уставки в процессе эксплуатации следует ослабить стопорную гайку винта регулировки уставки и вращать винт для уменьшения значения уставки у реле РСТ80 (РСТ50) против часовой стрелки, а у реле РСТ25 - по часовой стрелке. Для увеличения значения уставки винт следует вращать в противоположную сторону. Вращение винта производят до совпадения кольцевой риски на находящейся внутри корпуса реле части стержня винта с необходимым значением уставки, обозначенным на напорной пластине. После этого необходимо затянуть стопорную гайку. Погрешность значения уставки реле при этом будет в допустимых пределах (от 0 до минус 25 %). 5.5 Измерение сопротивления и испытание изоляцииИзмерение сопротивления и испытание электрической прочности изоляции цепей газовой защиты должны выполняться следующим образом. Мегаомметром на 1000 В измеряется сопротивление изоляции цепей газовой защиты при полностью собранной схеме: - между отключающими и сигнальными цепями; - отключающих цепей относительно земли; - сигнальных цепей относительно земли; - между жилами сигнальных цепей; - между жилами отключающих цепей. При двух последних измерениях и при испытании изоляции кабель газовой защиты отключается от выводов реле ВF 80/Q (ВF 50/10) и ÜRF 25/10, поскольку изоляция между разомкнутыми контактами герконов этих реле рассчитана на испытательное напряжение 500 В. Изоляция между их контактами должна измеряться и испытываться мегаомметром на 500 В. Испытание электрической прочности изоляции цепей газовой защиты относительно земли в полной схеме и изоляции между жилами контрольного кабеля должно производиться напряжением 1000 В переменного тока в течение 1 мин. При профилактических восстановлениях допускается производить испытание изоляции мегаомметром на 2500 В. 5.6 Проверка работы элементов газового реле от кнопки контроляПроверка производится для реле, снабженных кнопкой контроля (контроля-возврата). Порядок операций при этой проверке изложен в описании соответствующих реле в разделе 2. 5.7 Проверка работы элементов газового реле при снижении уровня маслаЭту проверку следует производить после монтажа реле на маслопроводе. Сначала необходимо закрыть кран между газовым реле и расширителем. Кран для отбора газа реле открывается для доступа в реле воздуха, после чего отвинчивается пробка в дне корпуса, а при ее отсутствии открывается кран бака трансформатора. По мере вытекания масла из реле его верхняя часть заполняется воздухом. Объем воздуха, при котором сработает сигнальный элемент (около 300 см3 для реле ВF 80/QО и 400 см3 для реле РГЧЗ-66), фиксируется по шкале смотрового стекла (для реле РГТ80 (РГТ50) - не ниже отметки 2,5 шкалы), а замыкание контакта сигнального элемента - по подключенному к нему индикатору. Затем индикатор срабатывания подключается к зажимам отключающего элемента и при продолжении слива масла из корпуса газового реле фиксируется срабатывание отключающего элемента. При проведении первого профилактического контроля и профилактического восстановления проверка проводится с действием на сигнализацию и выходные промежуточные реле защит трансформатора (предпочтительно - на отключение выключателей). По окончании проверки пробку в дне реле завинчивают (закрывают кран на баке трансформатора) и, открыв кран на маслопроводе и кран реле, вновь заполняют реле маслом. Для реле РГТ80 (РГТ50) проверка спуском масла может не проводиться, если при проверке действия поплавков от кнопки контроля (см. раздел 5.6) не отмечается их затирания. На трансформаторах, не снабженных азотной или пленочной защитой масла, проверка работы элементов газового реле может проводиться также путем нагнетания воздуха в реле с помощью насоса через кран в крышке. По мере наполнения корпуса реле воздухом аналогично, как и при сливе масла, фиксируется срабатывание сигнального, а затем отключающего элементов. Если путем нагнетания воздуха в реле добиться срабатывания его элементов не удается, то проверку следует провести путем слива масла. 5.8 Проверка работы схемы газовой защитыПроверка должна производиться при напряжении оперативного тока Uном и 0,8Uном (только при Н) и всех возможных положениях переключающих устройств (накладок). Нажатием на кнопку устройства контроля (а при ее отсутствии - сливом масла из корпуса реле или нагнетанием воздуха) проверяется действие сигнального и отключающих элементов в схему сигнализации на выходное промежуточное реле защит трансформатора с действием на отключение выключателей трансформатора. Форма протокола проверки газовой защиты приведена в приложении Б. Схемы контроля изоляции цепей газовой защиты приведены в приложении В. 5.9 Проверка отсечного клапана и реле уровняРаботы при внешнем осмотре, измерении и испытании изоляции отсечного клапана аналогичны работам, описанным выше для реле газовой защиты. Для проверки отсечного клапана производится измерение напряжения срабатывания, подаваемого толчком на обмотку электромагнита. Напряжение срабатывания электромагнита не должно превышать 0,8 номинального значения. Проверяется разрыв цепи тока электромагнита после его срабатывания и замыкание контакта действием на сигнализацию о работе отсечного клапана. Проверка срабатывания реле уровня может быть произведена только косвенным путем и то только реле выпуска с 1975 г. С помощью достаточно сильного постоянного магнита (например, от реле РП-6) имитируется срабатывание реле путем воздействия на магнитную систему геркона через корпус реле, который выполнен из немагнитного материала. 6 ОПЕРАТИВНОЕ ОБСЛУЖИВАНИЕ ГАЗОВОЙ ЗАЩИТЫРаспределение обязанностей между оперативным и ремонтным персоналом и персоналом МС РЗАИ предприятия электрических сетей (ПЭС) или электротехнической лабораторией (ЭТЛ) электростанции должно определяться местной Инструкцией, составленной на основе настоящей Инструкции и РД 153-34.0-04.418-98 [5] с учетом местных условий. Персоналом МС РЗАИ ПЭС или ЭТЛ электростанции должны производиться все работы по проверке и настройке реле газовой защиты как при новом включении, так и при дальнейшем техническом обслуживании. При наладке защит трансформатора персоналом специализированной наладочной организации все работы при новом включении должны выполняться этим персоналом при участии в окончательных проверках персонала МС РЗАИ ПЭС или ЭТЛ электростанции. Осмотр газовых и струйных реле без отключения трансформатора должен производиться оперативным персоналом без подъема на трансформатор одновременно с осмотром последнего в сроки, определяемые в соответствии с п. 5.3.26 РД 34.20.501-95 [1]. При осмотре оперативный персонал должен обращать внимание на отсутствие видимых повреждений реле и отходящих от них кабелей, а также на отсутствие течи масла из уплотнений реле. Порядок операций с газовой защитой в нормальных условиях эксплуатации Отключающий элемент газовой защиты должен быть включен с действием «на отключение» при включении трансформатора и не должен затем переводиться «на сигнал» на время выделения воздуха из трансформаторного масла. Примечание - При включении трансформатора после ремонта или из резерва, когда температура окружающего воздуха и, следовательно, масла в трансформаторе составляет 30 °С и ниже его кинематическая вязкость уже достигает 1000 - 1100 сСт, поэтому при повреждении и неразогретом трансформаторе газовое реле может сработать с большим временем или даже отказать. Учитывая это, рекомендуется включать трансформатор в этих условиях с введенной дифференциальной и другими защитами. Перевод отключающего элемента газовой защиты с действием «на сигнал» должен производиться в следующих случаях: а) на время проверки защиты; б) при неисправности защиты; в) при работах в масляной системе трансформатора, в том числе и при доливке масла; г) при временных взрывных работах вблизи места установки трансформатора; д) при выводе в ремонт трансформатора с сохранением в работе его выключателей. Контроль за выделением воздуха из трансформатора и накоплением его в газовом реле после включения в работу вновь смонтированного трансформатора, а также после его ремонта, длительного нахождения в резерве и после доливки большого количества масла производится по факту срабатывания газового реле на сигнал. Выделение воздуха в указанных случаях может продолжаться в течение 1 - 3 сут. Для отбора проб газа и выпуска воздуха из реле трансформатор должен быть предварительно отключен. Осмотр реле, отбор пробы газа и выпуск воздуха должны производиться со стационарных площадок с соблюдением требований правил техники безопасности. Время окончания контроля за трансформатором после прекращения выделения воздуха должно фиксироваться в оперативном журнале. Для отбора пробы газа с уровня земли на ряде трансформаторов предусматривается трубка с краном, присоединяемая к крану газового реле. Для этой же цели завод-изготовитель реле ВF 80/Q выпускает приставку к реле. Порядок операций с газовой защитой при снижении уровня масла При снижении уровня масла из-за резкого понижения температуры или утечки масла переводить отключающий элемент газовой защиты с действием «на сигнал» не следует. Если восстановление уровня масла производится его доливкой через бак трансформатора (а не через расширитель), отключающий элемент газового реле должен быть переведен с действием «на сигнал» непосредственно перед началом подачи масла в трансформатор. Работы с газовой защитой при замене поврежденной фазы трансформатора резервной Если резервная фаза вводится в работу путем переключения в первичных цепях, то перед включением в работу трансформаторной группы газовая защита поврежденной фазы должна выводиться из работы своим отключающим устройством (накладкой), а переключающим устройством газовой защиты резервной фазы следует подключить ее к действующим цепям защиты. Если резервная фаза трансформатора устанавливается на фундамент взамен выведенной в ремонт, то подключение цепей газового реле резервной фазы должно производиться персоналом МС РЗАИ или ЭТЛ. Ввод защиты в работу выполняет в обоих случаях оперативный персонал. Порядок операций с газовой защитой при ее работе «на сигнал» При работе газовой защиты «на сигнал» оперативный персонал должен определить по устройствам сигнализации, на каком трансформаторе (фазе трансформаторной группы) сработала защита, сообщить об этом вышестоящему оперативному персоналу и немедленно осмотреть трансформатор. Если при осмотре трансформатора обнаружатся явные признаки повреждения (потрескивания, необычный гул, щелчки или другие признаки повреждения внутри бака трансформатора), он должен быть отключен немедленно. Затем следует отобрать газ из реле для проверки на горючесть и анализа. Для обеспечения безопасности персонала при отборе газа из газового реле и выявления причины его срабатывания должны быть произведены разгрузка и отключение трансформатора. Продолжительность выполнения работ по разгрузке и отключению должна быть минимальной. Если газ в реле негорючий, отсутствуют признаки повреждения трансформатора, а его отключение вызвало недоотпуск электроэнергии, трансформатор может быть немедленно включен в работу до выяснения причины срабатывания газового реле «на сигнал». Продолжительность работы трансформатора в этом случае устанавливается главным инженером энергопредприятия. По результатам анализа газа из газового реле, хроматографического анализа масла, других измерений (испытаний) необходимо установить причину срабатывания газового реле «на сигнал». Скопление в газовом реле негорючего газа может свидетельствовать о начале повреждения, и при повторных пробах газ может оказаться горючим, поскольку при дальнейшем развитии повреждения продолжающееся разложение масла и твердой изоляции обмоток ведет к образованию горючего газа. Если причиной срабатывания газовой защиты «на сигнал» явилась течь масла из бака, то, не выводя газовую защиту из действия, следует в возможно короткое время разгрузить и отключить трансформатор. Если при работе газовой защиты «на сигнал» нет признаков ненормальной работы трансформатора и отсутствует газ в реле, газовая защита с разрешения вышестоящего оперативного персонала должна быть выведена из работы для внеочередной проверки. О случившемся должно быть сообщено в МС РЗАИ или ЭТЛ. Отбор пробы газа Производится из газового реле для проверки на горючесть в емкость объемом не менее 450 - 500 см3 или в газоотборник с прозрачными стенками, который может быть изготовлен из плексигласа. Горючесть отобранного газа должна определяться сразу же в помещении, поскольку на открытом воздухе ветер или дождь могут препятствовать загоранию. Отбор пробы газа из газового реле для химического анализа следует производить с помощью прибора (рисунок 12), состоящего из пипетки 1 вместимостью 500 мл и уравнительной склянки 2, которая соединяется резиновой трубкой 3 с нижним краном 5 пипетки. Прибор для отбора проб газа размещается в деревянном футляре. Рисунок 12 - Прибор для отбора проб газа Перед отбором пробы пипетку и резиновую трубку, надетую на верхний кран пипетки, необходимо заполнить затворной жидкостью. Для этого затворную жидкость наливают в склянку 2, открывают верхний и нижний краны пипетки и поднимают уравнительную склянку выше верхнего крана. При заполнении пипетки необходимо следить, чтобы в ее верхней части не оставалось пузырьков воздуха. Когда жидкость начнет вытекать из резиновой трубки 4, краны пипетки следует закрыть, а на резиновую трубку надеть зажим 6. В качестве затворной жидкости в летнее время может быть использован 22 %-ный раствор поваренной соли, подкисленный серной кислотой (5 - 6 капель серной кислоты) и подкрашенный метиловым оранжевым индикатором. В зимнее время допускается применять водный раствор глицерина (1:1 по объему) или трансформаторное масло. Для отбора в пипетку пробы газа свободный конец резиновой трубки 4 необходимо присоединить к штуцеру крана газового реле, опустить пипетку ниже крана, установить уравнительную склянку на высоте нижнего крана пипетки, затем открыть краны пипетки и снять зажим с верхней резиновой трубки. Убедившись в отсутствии подсоса воздуха в пипетку при закрытом кране газового реле (уровень затворной жидкости в пипетке не должен опускаться), следует открыть этот кран и отобрать газ в пипетку. Отбор газа следует производить до тех пор, пока пипетка не заполнится газом. Затем необходимо закрыть кран газового реле и поднять уравнительную склянку на высоту верхнего крана пипетки для создания в пипетке избыточного давления. После этого следует закрыть нижний и верхний краны пипетки, снять резиновую трубку со штуцера газового реле. Пробу газа следует доставить на анализ. В некоторых случаях (неудобства при отборе проб, неблагоприятные метеорологические условия) допускается отбирать пробу газа в пипетку без уравнительной склянки с выбросом затворной жидкости. В случае транспортирования пробы газа на значительное расстояние краны пипетки необходимо дополнительно герметизировать, заливая их расплавленным парафином. Порядок операций с газовой защитой при ее работе «на отключение» При работе газовой защиты на отключение трансформатора оперативный персонал должен определить по устройствам сигнализации, на каком трансформаторе (фазе трансформаторной группы) работала газовая защита, и сообщить об этом вышестоящему оперативному персоналу, немедленно осмотреть трансформатор и газовые реле и отобрать пробу газа для проверки на горючесть и для химического анализа. Перед отбором пробы газа необходимо открыть отсечной клапан, если он закрылся. Если выясняется, что причиной отключения трансформатора является его повреждение (повреждение бака, втулок или других элементов трансформатора, течь масла из бака, повреждение мембраны выхлопной трубы, наличие горючего газа в реле) или уход масла из расширителя ниже уровня газового реле, то вышестоящему оперативному персоналу должно быть сообщено о причине отключения трансформатора. Поврежденный трансформатор должен быть выведен в ремонт. Если трансформатор не поврежден, а причиной отключения является снижение уровня масла, то производится доливка масла; отключающий контакт реле на время доливки переводится с действием «на сигнал», а перед включением трансформатора в работу он вновь должен включаться «на отключение». Перевод «на сигнал» предусматривается для предотвращения возможной неправильной работы УРОВ из-за длительного нахождения в состоянии срабатывания выходного промежуточного реле защиты трансформатора. Возврат отсечного клапана в исходное (открытое) положение следует проводить до включения трансформатора во избежание срабатывания газового реле на отключение от потока масла из-за разности давлений в баке работающего трансформатора и расширителе. Порядок операций при работе защиты контактора РПН При срабатывании защита контактора действует на отключение трансформатора. Оперативный персонал должен произвести осмотр устройства РПН. После срабатывания защиты контактора требуется проведение ревизии контактора и замена повредившихся деталей металлокерамических контактов, добавочных резисторов, а также замена масла в баке контактора. Если несмотря на повреждения контактора РПН требуется сохранить в работе трансформатор, он может быть включен в работу после отключения устройства РПН, оперативных цепей управления РПН и блокирования привода. Если выяснится, что защита контактора сработала ложно, например, из-за дефекта струйного реле или нарушения изоляции цепей, она должна быть выведена из работы персоналом МС РЗАИ или ЭТЛ на время ремонта реле, восстановления изоляции кабеля или замены его неисправных жил резервными. Если на устройстве РПН по какой-либо причине выведено из работы струйное реле, то необходимо отключить автоматическое и запретить ручное регулирование напряжения. Срок работы РПН в этом режиме устанавливается главным инженером предприятия. Если струйное реле выведено на срок не более одних суток, то по решению главного инженера предприятия трансформатор с устройством РПН может быть включен в работу без защиты контактора. После срабатывания струйных реле защиты контактора (ÜRF 25/10, RS-1000) следует производить их возврат медленным нажатием на кнопку, расположенную под крышкой в верхней части реле («контроля-возврата» у реле ÜRF 25/10 и «Включено» у реле RS-1000). Целесообразно обратить внимание оперативного персонала на то, что возврат реле ÜRF 25/10 выполняется нажатием кнопки только на половину ее хода и что через смотровое стекло следует убедиться, что после возврата груз располагается горизонтально. Возврат реле РСТ25 производится нажатием до упора на кнопку контроля, предварительно переведенную в положение возврата в соответствии с надписью на крышке коробки зажимов. Приложение А(справочное) ТЕХНИЧЕСКИЕ ДАННЫЕ ГАЗОВЫХ И СТРУЙНЫХ РЕЛЕРеле ВF 80/Q, ВF 50/10 1. Основные размеры корпуса и масса реле: а) ВF 80/Q - длина 200 мм, ширина 170 мм, высота 235 мм, масса 5,8 кг; б) ВF 50/10 - длина 195 мм, ширина 170 мм, высота 249 мм, масса 6,7 кг. 2. Смотровое стекло реле имеет шкалу с указанием объема выделенных газов с градуировкой в делениях от 250 до 450 см3. 3. Объем газа, вызывающий срабатывание сигнального элемента, составляет 200 - 300 см3. Уставки по скорости потока масла - 0,65; 1,0 и 1,5 м/с; допустимая погрешность уставок - от 0 до минус 25 %. 4. Контакты реле обеспечивают коммутацию тока до 2 А при напряжении 220 В: - постоянного тока при постоянной времени до 100 мс; - переменного тока при cosj ³ 0,5. Переходное сопротивление контактов при этом не более 0,3 Ом. 5. Изоляция реле выдерживает испытательное напряжение 1000 В частоты 50 Гц в течение 1 мин. Разомкнутые контакты реле выдерживают испытательное напряжение 500 В. 6. Реле виброустойчивы при вибрации поочередно в трех расположенных перпендикулярно друг другу плоскостях: - с ускорением, равным 1g при частоте 5 - 20 Гц; - с ускорением, равным 5g при частоте 20 - 150 Гц. Реле выдерживает пятиразовую ударную нагрузку в вертикальной плоскости с ускорением 5g. 7. Рабочий диапазон температур от -40 до +40 °С при кинематической вязкости масла не более 1100 сСт. Предельная рабочая температура масла до 100 °С и до 120 °С в течение часа. Реле ÜRF 25/10 1. Основные размеры корпуса и масса реле: длина 206 мм, ширина 200 мм, высота 170 мм, масса 3,9 кг. 2. Уставки по скорости потока масла: 1-е исполнение - 0,9; 1,2 и 1,5 м/с; 2-е исполнение - 1,5; 2,0 и 2,5 м/с; допустимая погрешность уставок - от 0 до минус 20 %. 3. Контакты реле обеспечивают коммутацию тока до 2 А при напряжении 220 В: - постоянного тока при постоянной времени до 100 мс; - переменного тока при cosj ³ 0,5. Переходное сопротивление контактов при этом не более 0,3 Ом. 4. Изоляция реле выдерживает испытательное напряжение 1000 В частоты 50 Гц в течение 1 мин. Разомкнутые контакты реле выдерживают испытательное напряжение 500 В. 5. Рабочий диапазон температур от -30 до +95 °С при кинематической вязкости масла не более 1100 сСт. Реле РГТ80, РГТ50 1. Основные размеры корпуса и масса реле: а) РГТ80 - длина 200 мм, ширина 148 мм, высота 237 мм, масса 6 кг; б) РГТ50 - длина 195 мм, ширина 148 мм, высота 237 мм, масса 6,5 кг. 2. Смотровое стекло имеет оцифрованные риски от 1 до 6; объем газа, вызывающий срабатывание сигнального элемента, составляет 150 - 225 см3 (до риски 2,5 дел.). Уставки по скорости потока масла - 0,65; 1,0 и 1,5 м/с; допустимая погрешность уставок - от 0 до минус 25 %. 3. Основные параметры контактов реле: а) номинальное напряжение постоянного и переменного тока - 220 В; б) диапазон коммутируемых напряжений - от 1 до 300 В; в) минимальный ток контактирования - 1 мА; г) коммутируемый ток: - 0,1 А при напряжении постоянного тока 230 В и t = 15 мс; - 0,2 А при переменном напряжении 50 - 60 Гц и cosj = 0,3; д) номинальная коммутируемая мощность при работе на активную нагрузку - 50 Вт; е) переходное сопротивление контактов не более 0,3 Ом; ж) электрическая прочность изоляции разомкнутых контактов при переменном напряжении частоты 50 - 60 Гц - 2000 В. 4. Рабочий диапазон температур от -60 °С до +55 °С при кинематической вязкости масла не более 1100 сСт. Предельная рабочая температура масла до 100 °С и до 120 °С в течение часа. Реле РГТ25 1. Основные размеры корпуса и масса реле: длина 200 мм, ширина 148 мм, высота 202 мм, масса 5,5 кг. 2. Уставки реле по скорости потока масла - 0,9; 1,2; 1,5; 2,0 и 2,5 м/с, допустимая погрешность уставок по скорости потока масла, основные параметры контактов и рабочий диапазон температур одинаковы с соответствующими характеристиками реле РГТ80 (РГТ50). Приложение Б(рекомендуемое)
Приложение В(рекомендуемое) СХЕМЫ КОНТРОЛЯ ИЗОЛЯЦИИ ЦЕПЕЙ ГАЗОВОЙ ЗАЩИТЫВ ряде энергосистем достаточно широкое распространение получили специальные устройства для контроля изоляции цепей газовой защиты. В этих энергосистемах ложные отключения по причине замыкания между жилами кабеля в цепях газовой защиты практически отсутствуют. Применение таких или аналогичных устройств контроля снижения сопротивления изоляции целесообразно на всех трансформаторах, ложное отключение которых может привести к перерыву электроснабжения потребителей или другим нежелательным последствиям. Наибольшее распространение получили устройства КИГЗ-1, выпускаемые ОЗАП Мосэнерго. Принцип действия устройства КИГЗ-1 основан на непрерывном контроле тока утечки, протекающего в цепи контактов газовой защиты. Ток срабатывания устройства при контроле напряжением оперативного тока 220 В составляет 300±30 мкА, коэффициент его возврата не менее 0,6. Устройство не срабатывает при токе более 40 мА. Падение напряжения на внутреннем сопротивлении схемы устройства при токе 500 мА - не более 5 В. Принципиальная электрическая схема устройства приведена на рисунке В.1. Входная цепь устройства, включаемая в цепь контактов газовой защиты со стороны «плюса» оперативного тока, содержит диодно-резисторный мост. Одну пару симметричных плеч моста составляют резисторы R2, R3, другую - диоды V2, V4. Выход диодно-резисторного моста, нагруженный на резистор R4, соединен с входом компаратора. Компаратор выполнен на операционном усилителе (микросхема D). Компаратор сравнивает выходное напряжение диодно-резисторного моста, подаваемое на инвертирующий вход усилителя, с опорным напряжением, подаваемым на неинвертирующий вход усилителя с движка потенциометра R5. Резистор R7 образует цепь положительной обратной связи и обеспечивает заданный коэффициент возврата. Конденсатор С2 в цепи коррекции предотвращает самовозбуждение усилителя. К выходу компаратора через схему задержки (С3, R8, R9, R11, V6) подключен усилитель на транзисторах V7, V8, работающий в ключевом режиме. В коллекторную цепь транзистора V8 включены реле К и диод V12, защищающий транзистор от перенапряжений. Питание устройства осуществляется от сети переменного тока напряжением 220 В через трансформатор Т, имеющий две вторичные обмотки. От обмотки II через выпрямитель на диодах V13 - V16 со сглаживающим конденсатором С4 питается цепь обмотки реле. От обмотки III через выпрямитель на диодах V17 - V20 со сглаживающим конденсатором С5 и стабилизатором на стабилитронах V10, V11 питается компаратор. Устройство работает следующим образом. В нормальном режиме, когда изоляция цепей газовой защиты исправна, т.е. сопротивление изоляции между жилами кабеля, связывающего контакты газового реле с панелью защиты трансформатора, велико и ток меньше тока срабатывания, устройство не срабатывает. При снижении сопротивления изоляции контролируемых проводов во входной цепи устройства будет протекать ток по цепи «+», R3, R4, R2, «-». Диоды V2 и V4 при этом токе закрыты. При токе, большем тока срабатывания устройства, напряжение на резисторе R4 превышает опорное напряжение и на выходе компаратора появится сигнал отрицательной полярности. Конденсатор С3 через резистор R9 начнет заряжаться. По окончании времени его заряда транзистор V7 закроется, транзистор V8 откроется и сработает реле К. При срабатывании газовой защиты во входной цепи устройства будет протекать ток, значительно превышающий ток срабатывания устройства. При этом токе диоды V2, V4 откроются. Это вызовет появление на выходе диодно-резисторного моста напряжения другой полярности. Компаратор не сработает и на его выходе будет сигнал положительной полярности, транзистор V7 будет открыт, транзистор V8 закрыт и реле К срабатывать не будет, т.е. ложного сигнала о неисправности не подается. Устройство может использоваться при напряжении постоянного тока 110 В и 220 В (при напряжении 220 В зажимы 2 и 3 объединяются). В случае необходимости ток срабатывания устройства можно подрегулировать потенциометром R5, расположенным на печатной плате. В Краснодарэнерго разработана схема для обнаружения снижения сопротивления изоляции цепей газовой защиты на подстанциях с переменным оперативным током. Схема позволяет выявить нарушение сопротивления изоляции в цепи контактов газовой защиты при его снижении до значения в 2 - 2,5 раза больше, чем требуется для срабатывания выходного реле. Схема (рисунок В.2) предполагает установку дополнительно реле напряжения РН-51/32 с уставкой 32 В, замыкающий контакт которого используется для сигнализации о снижении сопротивления изоляции. Изменения в схеме защиты трансформатора в связи с установкой дополнительного реле напряжения показаны утолщенными линиями. R = 8200 Ом Рисунок В.2 - Схема для контроля снижения сопротивления изоляции на подстанциях с переменным оперативным током Список использованной литературы1. Правила технической эксплуатации электрических станций и сетей Российской Федерации: РД 34.20.501-95. - М.: СПО ОРГРЭС, 1996. 2. Инструкция по эксплуатации газовой защиты: РД 34.35.518-91. - М.: СПО ОРГРЭС, 1992. 3. Правила технического обслуживания устройств релейной защиты и электроавтоматики электрических сетей 0,4 - 35 кВ: РД 153-34.3-35.613-00. -М.: СПО ОРГРЭС, 2000. 5. Типовое положение о службах релейной защиты и электроавтоматики: РД 153-34.0-04.418-98. - М.: СПО ОРГРЭС, 1998. 6. Реле газовые и струйные защиты трансформатора РГТ50, РГТ80, РСТ25. Техническое описание и инструкция по эксплуатации. - М.: Ротапринт СПО ОРГРЭС, 1996. 7. Инструкция по эксплуатации трансформаторов. - М.: Энергия, 1979. СОДЕРЖАНИЕ
| |||||||||||||||||||||||||||||||||||||||||||||||||||||||||||||||||||||||||||||||||||||||||||||||||||||||||||||||||||||||||||||||||||||||||||||||||||||||||||||||||||||||||||||||||||||||||||||||||||||||||||||||||||||||||||||||||||||||||||||||||||||||||||||||||||||||||||||||||||||||||||||||||||||||||||||||||||||||||||||||||||||||||||||||||||||||||||||||||||||||||||||||||||||||||||||||||||||||||||||||||||||||||||||||||||||||||||||||||||||||||||||||||||||||||||||||||||||||||||||||||||||||||||||||||||||||||||||||||||||||||||||||||||||||||||||||||||||||||||||||||||||||||||||||||||||||||||||||||||||||||||||||||||||||||||||||||||||||||||||||||||||||||||||||||||||||||||||||||||||||||||||||||||||||||||||||||||||||||||||||||||||||||||||||||||||||||||||||||||||||||||||||||||||||||||||||||||||||||||||||||||||||||||||||||||||||||||||||||||||||||||||||||||||||||||||||||||||||||||||||||||||||||||||||||||||||||||||||||||||||||||||||||||||||||||||||||||||||||||||||||||||||||||||||||||||||||||||||||||||||
|
© 2013 Ёшкин Кот :-) | |||||||||||||||||||||||||||||||||||||||||||||||||||||||||||||||||||||||||||||||||||||||||||||||||||||||||||||||||||||||||||||||||||||||||||||||||||||||||||||||||||||||||||||||||||||||||||||||||||||||||||||||||||||||||||||||||||||||||||||||||||||||||||||||||||||||||||||||||||||||||||||||||||||||||||||||||||||||||||||||||||||||||||||||||||||||||||||||||||||||||||||||||||||||||||||||||||||||||||||||||||||||||||||||||||||||||||||||||||||||||||||||||||||||||||||||||||||||||||||||||||||||||||||||||||||||||||||||||||||||||||||||||||||||||||||||||||||||||||||||||||||||||||||||||||||||||||||||||||||||||||||||||||||||||||||||||||||||||||||||||||||||||||||||||||||||||||||||||||||||||||||||||||||||||||||||||||||||||||||||||||||||||||||||||||||||||||||||||||||||||||||||||||||||||||||||||||||||||||||||||||||||||||||||||||||||||||||||||||||||||||||||||||||||||||||||||||||||||||||||||||||||||||||||||||||||||||||||||||||||||||||||||||||||||||||||||||||||||||||||||||||||||||||||||||||||||||||||||||||||