Информационная система
«Ёшкин Кот»

XXXecatmenu

ЦЕНТРАЛЬНЫЙ НАУЧНО-ИССЛЕДОВАТЕЛЬСКИЙ
И ПРОЕКТНО-ЭКСПЕРИМЕНТАЛЬНЫЙ ИНСТИТУТ
ПО МЕТОДОЛОГИИ, ОРГАНИЗАЦИИ, ЭКОНОМИКЕ
И АВТОМАТИЗАЦИИ ПРОЕКТИРОВАНИЯ
И ИНЖЕНЕРНЫХ ИЗЫСКАНИЙ

АКЦИОНЕРНОЕ ОБЩЕСТВО
«СТРОИТЕЛЬНАЯ БИРЖА»

РАБОЧАЯ ДОКУМЕНТАЦИЯ
ДЛЯ СТРОИТЕЛЬСТВА

ВЫПУСК 1.

ОБЩИЕ ТРЕБОВАНИЯ.

 

МОСКВА

1992

Пособие содержит систематизированный свод правил выполнения строительной рабочей документации, установленных стандартами Системы проектной документации для строительства (СПДС) и Единой системы конструкторской документации (ЕСКД), дополненных новыми требованиями откорректированных стандартов СПДС, а также разъяснениями и иллюстрациями, подготовленными на основе накопленного отечественного и международного опыта стандартизации проектной документации.

Пособие предназначено для:

проектных организаций, ассоциаций, фирм и кооперативов, занимающихся разработкой проектной документации для строительства;

предприятий, организаций и местных Советов, являющихся заказчиками проектной документации и осуществляющих прием и контроль разрабатываемой проектными организациями рабочей документации для строительства;

проектно-строительных объединений, домостроительных комбинатов и подрядных строительных организаций, занимающихся вопросами приема, контроля и применения проектной документации для изготовления строительных изделий и производства строительных и монтажных работ, а также учебных высших и средних производственно-технических заведений строительного профиля.

Издается впервые.

Авторы: С.И. Зюзин, Г.Л. Ковшова, Н.В. Терентьева (ЦНИИпроект), канд. техн. наук Р.Б. Шакиров (АО Строительная биржа).

ВВЕДЕНИЕ

В своей практической деятельности проектные и строительные организации руководствуются действующей системой нормативных документов, устанавливающих порядок разработки, согласования и утверждения проектной документации, необходимой для изготовления строительных конструкций и изделий, производства строительных и монтажных работ, определения их объемов и потребности в оборудовании, материалах, изделиях и ресурсах, а также определения сметной стоимости строительства.

Эта система включает такие нормативные документы, как строительные нормы и правила, государственные стандарты, инструкции, технические условия и др. Они являются нормативно-технической, методической и организационной базой, цель создания которой - обеспечить всех участников инвестиционного процесса единым техническим языком с применением общепринятых требований, форм, обозначений и терминологии.

В составе действующей нормативно-технической базы определенное место занимает система проектной документации для строительства (СПДС), включающая 46 действующих стандартов этой системы.

Работа в области унификации и стандартизации проектной документации, началом которой послужил выход «Временной инструкции о составе и оформлении строительных рабочих чертежей (СН 460-74)», позволила устранить многообразие применяемых до этого форм и требований.

Основное назначение стандартов СПДС, разрабатываемых взамен СН 460-74 с 1977 г., заключается в установлении единых правил выполнения проектной документации для строительства, что обеспечивает унификацию ее состава, комплектования, оформления и обращения, исключает дублирование и разработку не требующихся для строительства проектных документов, упрощает процесс выполнения документов, сокращает объем проектных работ и дает возможность их выполнения как вручную (традиционными методами), так и методом автоматизированного проектирования.

Стандарты СПДС разрабатываются в тесной взаимосвязи со стандартами Единой системы конструкторской документации (ЕСКД) и с учетом соответствующих международных стандартов ИСО.

Опыт внедрения и применения стандартов СПДС показал жизнеспособность и эффективность системы. Рабочая документация для строительства, выполняемая по стандартам СПДС, обеспечит возможность ее применения для любого строительного треста, объединения или малого предприятия без дополнительной переработки или доработки.

До настоящего времени стандарты СПДС и изменения к ним издавались и распространялись разрозненно. Ряд стандартов не переиздавался более 10 лет. Выявилась необходимость их пересмотра и переиздания.

ЦНИИпроектом (головной организацией по нормированию и стандартизации проектной документации) совместно с организациями-разработчиками с учетом накопленного отечественного и международного опыта осуществлен пересмотр ряда стандартов СПДС, откорректированные редакции которых в момент выпуска Пособия находятся на утверждении и будут изданы не ранее 1993 г.

Полный перечень действующих стандартов СПДС, ЕСКД и др. стандартов, подлежащих применению в проектировании и строительстве, приведен в приложении 1. В перечень включены также международные стандарты ИСО, положения которых учтены при разработке стандартов СПДС и данного Пособия.

Целый раздел настоящего Пособия посвящен правилам выполнения рабочей документации строительных изделий, изготавливаемых на предприятиях строительной индустрии и поставляемых на строительную площадку в готовом виде, которые в систематизированном виде до сих пор отсутствовали.

Рабочая документация на изделия, изготавливаемые на машиностроительных заводах, должна выполняться в соответствии с требованиями стандартов ЕСКД.

Особый интерес представляют материалы по комплектации проектной документации и терминологии, применяемой в стандартах СПДС, также включенные в содержание первого выпуска Пособия, систематизация и издание которых производится впервые.

Общие правила выполнения рабочей документации для строительства, приведенные в Пособии, распространяются также и на проектную документацию, выполненную на др. стадиях проектирования.

Термины и определения приведены в приложении 2.

ЦНИИпроект планирует в дальнейшем издание последующих выпусков пособия (на архитектурно-строительные, санитарно-технические, электротехнические и др. чертежи).

Ваши отзывы и пожелания направляйте в ЦНИИпроект по адресу: 117393, ГСП-7, Москва, В-393, ул. Архитектора Власова, 51.

1. ОСНОВНЫЕ ТРЕБОВАНИЯ К РАБОЧЕЙ ДОКУМЕНТАЦИИ ДЛЯ СТРОИТЕЛЬСТВА

1.1. Виды и комплектность рабочей документации

Рабочая документация представляет собой комплект рабочих чертежей и текстовых документов, содержащих необходимую информацию об объекте строительства, и является основанием для производства строительных и монтажных работ, а также изготовления строительных изделий на заводах строительной индустрии (например, на заводах железобетонных изделий, домостроительных комбинатах) или непосредственно на строительной площадке.

Рабочая документация в зависимости от назначения в общем случае подразделяется на виды, указанные в табл. 1.1.

Таблица 1.1.

Код документа

Вид документа

Определение

 

Строительно-монтажная рабочая документация

 

-

Основной комплект рабочих чертежей

Документ, содержащий рабочие чертежи и другие данные, необходимые для производства определенного вида строительных и монтажных работ. Например: генеральный план, архитектурно-строительные, санитарно-технические, технологические, электротехнические и др. решения

СО

Спецификация оборудования

Документ, определяющий состав санитарно-технического, технологического, электротехнического и другого оборудования, предусмотренного соответствующим основным комплектом рабочих чертежей

ВМ

Ведомость потребности в материалах

Документ, определяющий виды и количество материалов, необходимых для выполнения строительно-монтажных работ, предусмотренных соответствующим основным комплектом рабочих чертежей

СВМ

Сводная ведомость потребности в материалах

Документ, определяющий виды и количество материалов, необходимых для выполнения строительных и монтажных работ по зданию (сооружению) в целом или очереди его строительства

ВР

Ведомость строительных и монтажных работ

Документ, определяющий вид и объем строительных и монтажных работ, предусмотренных соответствующим основным комплектом рабочих чертежей

СВР

Сборник ведомостей строительных и монтажных работ

Документ, содержащий ведомости строительных и монтажных работ, выполненные к основным комплектам рабочих чертежей на здание (сооружение) в целом или очереди его строительства

ЛС

Локальная смета

Документ, определяющий сметную стоимость строительных и монтажных работ, предусмотренных соответствующим основным комплектом рабочих чертежей

ОС

Объектная смета

Документ, определяющий сметную стоимость строительных и монтажных работ на здание (сооружение) в целом или очереди его строительства

 

Рабочая документация на строительное изделие

 

-

Чертеж детали

Документ, содержащий изображение детали (изделия, изготовленного из однородного материала без применения сборочных операций) и другие данные, необходимые для ее изготовления и контроля

СБ

Сборочный чертеж

Документ, содержащий изображение сборочной единицы (изделия, составные части которого подлежат соединению между собой сборочными операциями) и другие данные, необходимые для ее сборки, изготовления и контроля

-

Спецификация сборочной единицы

Документ, определяющий состав сборочной единицы

ТУ

Технические условия*

Документ, содержащий требования к изделию, его изготовлению, контролю, приемке и поставке, которые нецелесообразно указывать в других рабочих документах

РР

Расчет

Документ, входящий в состав строительно-монтажной рабочей документации и рабочей документации на строительное изделие, содержащий расчеты параметров и величин. Номенклатура расчетов устанавливается соответствующими нормативными документами

Примечание. В состав рабочей документации могут входить другие виды документов, необходимые для осуществления строительных и монтажных работ, например, опросные листы, эскизные чертежи общих видов нетиповых технологических конструкций.

*Технические условия разрабатывают при отсутствии стандартов технических условий, распространяющихся на данные изделия, а также при необходимости дополнения или ужесточения требований, установленных в этих стандартах.

Рабочая документация для строительства должна выдаваться заказчику комплектно. При этом состав рабочей документации в каждом конкретном случае устанавливается при заключении договоров (контрактов) между заказчиком и исполнителем работ.

Полный комплект рабочей документации на здание (сооружение) или его очереди строительства включает в себя:

основные комплекты рабочих чертежей по видам работ;

текстовые документы, выполненные к соответствующим основным комплектам рабочих чертежей;

полные комплекты рабочей документации на строительные изделия, предусмотренные соответствующими основными комплектами рабочих чертежей;

текстовые документы на здание (сооружение) в целом или на его очередь строительства.

Для производства строительных и монтажных работ заказчику должны выдаваться основные комплекты рабочих чертежей с прилагаемыми к ним рабочими документами: спецификацией оборудования, ведомостью потребности в материалах, ведомостью объемов строительных и монтажных работ, рабочей документацией на индивидуальные строительные изделия, дополнительными рабочими чертежами, содержащими изменения типовых изделий, применяемых в конкретном здании (сооружении); локальной сметой и др.

Стандарты, содержащие рабочие чертежи изделий, стандарты технических условий, рабочая документация на типовые конструкции, изделия и узлы, а также расчеты проектной организацией заказчику не выдаются. Расчеты хранят в техническом архиве организации, разработавшей соответствующую рабочую документацию, и могут быть представлены заказчику во временное пользование по его просьбе.

Пример построения полного комплекта рабочей документации, выдаваемого заказчику, на здание (сооружение) или его очередь строительства приведен на рис. 1.1.

При комплектовании рабочих документов на изделие следует различать:

основной рабочий документ;

основной комплект рабочих документов;

полный комплект рабочих документов.

Основной рабочий документ изделия в отдельности или в совокупности с другими записанными в нем рабочими документами полностью и однозначно определяют данное изделие и его состав.

Основными рабочими документами изделия являются:

для деталей - чертеж детали;

для сборочных единиц - спецификация.

Основной комплект рабочих документов изделия объединяет рабочие документы, относящиеся ко всему изделию. В него включают спецификацию, сборочный чертеж, чертежи деталей и, при необходимости, технические условия. Рабочие документы составных частей в основной комплект документов изделия не входят.

Полный комплект рабочих документов изделия включает в себя:

основной комплект рабочих документов на данное изделие;

основные комплекты рабочих документов на все составные части данного изделия, примененные по своим основным рабочим документам.

Пример построения полного комплекта рабочих документов изделия приведен на рис. 1.2.


ПРИМЕР ПОСТРОЕНИЯ ПОЛНОГО КОМПЛЕКТА РАБОЧЕЙ ДОКУМЕНТАЦИИ НА ЗДАНИЕ (СООРУЖЕНИЕ) ИЛИ ОЧЕРЕДИ СТРОИТЕЛЬСТВА, ПЕРЕДАВАЕМОЙ ЗАКАЗЧИКУ

Рис. 1.1


ПРИМЕР ПОСТРОЕНИЯ ПОЛНОГО КОМПЛЕКТА РАБОЧИХ ДОКУМЕНТОВ СТРОИТЕЛЬНОГО ИЗДЕЛИЯ

*    Технические условия составляют при отсутствии стандарта технических условий на данное изделие. По согласованию потребителя (заказчика) и разработчика технические условия могут быть составлены на отдельные составные части изделия.

Рис. 1.2

1.2. Основные требования к рабочим чертежам

Рабочие чертежи должны выполняться в минимальном объеме, но достаточном для производства строительных и монтажных работ, а также изготовления изделий на заводах строительной индустрии.

При выполнении рабочих чертежей должно быть обеспечено:

использование во всех возможных случаях рабочих чертежей, предназначенных для многоразового применения;

возможность механизации и автоматизации обработки чертежей;

применение новых прогрессивных способов выполнения чертежей.

В рабочих чертежах не должно быть излишней детализации, необоснованных повторений, а также информации, не требуемой для строительства.

Использование информации, содержащейся в комплекте рабочих чертежей, может быть эффективным только при условии, что они выполнены исходя из логических соображений, с учетом требований организации строительства.

Каждому документу, независимо от количества листов, присваивают одно обозначение, определяющее место документа в соответствующем комплекте рабочей документации.

На чертежах допускаются ссылки на стандарты и технические условия при условии, что они полностью и однозначно определяют соответствующие требования; ссылки на отраслевые технологические инструкции, если требования, установленные ими, являются единственными, гарантирующими требуемое качество выполнения работ. При этом они должны быть приложены к соответствующему комплекту рабочей документации.

Не допускается давать ссылки на отдельные пункты стандартов, технических условий и технологических инструкций. При необходимости на чертеже дают ссылку на весь документ или на отдельный его раздел.

На рабочих чертежах применяют условные обозначения (знаки, линии и буквенно-цифровые обозначения), а также условные и упрощенные графические изображения, установленные в стандартах, без разъяснения их на чертеже и без указания номера стандарта, за исключением условных обозначений, в которых предусмотрено указывать номер стандарта, например: Æ16А-III ГОСТ 5781-82.

Допускается применять условные обозначения, не предусмотренные в стандартах. В этих случаях условные обозначения разъясняют на поле чертежа. Размеры условных знаков, неустановленные в стандартах, определяют с учетом наглядности и ясности чертежа и выдерживают одинаковыми при многократном повторении.

На изображениях предмета указывают его размеры, предельные отклонения и другие необходимые данные.

На каждом листе рабочего чертежа помещают основную надпись и дополнительные графы к ней, формы которых приведены в подразд. 1.4.

Над основной надписью или слева от нее должно быть оставлено резервное поле для нанесения, при необходимости, таблицы изменений (при ее отсутствии в основной надписи) и штампа привязки.

Если на листе должна быть спецификация, то ее следует располагать над основной надписью выше резервного поля.

Изображения на чертежах должны выполняться в масштабах. Масштабы выбирают из ряда, приведенного в подразд. 5.2, с учетом сложности изображений и обеспечения четкости изготовленных с них копий. В обоснованных случаях (например, при изменении размеров на чертеже в процессе его разработки, когда переоформление чертежа нецелесообразно) допускается отступление от масштаба изображения, если это не искажает наглядность изображения и не затрудняет чтение чертежа в производстве.

Масштаб изображений на чертежах изделий указывают в основной надписи в отведенной для этого графе. На рабочих чертежах, входящих в основной комплект, масштаб и изображений, как правило, не указывают.

Основанием для определения величины изображенного предмета служат не масштабы, а размерные числа, наносимые на чертеже.

Масштаб допускается указывать на чертежах генерального плана, транспорта и некоторых других рабочих чертежах, входящих в основной комплект, если требуется с помощью масштаба ориентировочно определить, расстояния между частями проектируемого объекта. На таких чертежах масштаб следует проставлять в основной надписи после наименования изображения.

Если на листе помещено несколько изображений, выполненных в разных масштабах, то масштабы, при необходимости, следует указывать на поле чертежа в скобках непосредственно после наименования изображения, например: А-А (1:10).

На схемах (планах) расположения элементы конструкций и оборудования и на сборочных чертежах составные части изделия должны быть пронумерованы в соответствии с номерами позиции, указанными в соответствующих спецификациях.

Допускается вместо позиционных обозначений указывать марки элементов конструкций, оборудования и составных частей изделия. Не рекомендуется применять на одном изображении позиционные обозначения и марки.

Номера позиций (марки) следует указывать на тех изображениях, на которых соответствующие элементы конструкции, оборудования и составные части изделия проецируются как видимые.

Следует избегать повторного нанесения на других изображениях позиции (марки) одного и того же элемента конструкции, оборудования и составной части изделия, кроме случаев, когда на других изображениях трудно определить их месторасположение.

Номера позиций и марки располагают параллельно основной надписи чертежа, вне контура изображения и группируют в колонку или строчку, по возможности, на одной линии.

Допускается позиции (марки) элементов конструкции и оборудования на схемах (планах) расположения наносить на общей полке нескольких линий-выносок от одинаковых элементов, без линии-выноски - рядом с изображением элемента или в пределах его контура (рис. 1.3).

Размер шрифта номеров позиций (марок) следует принимать на одни-два номера больше размера шрифта, принятого для размерных чисел на том же чертеже. Например: если для размерных чисел принят шрифт высотой 2,5 мм, то для номеров позиций (марок) следует принять шрифт размером 3,5 - 5,0 мм.

Каждому отдельному зданию или сооружению присваивают самостоятельную систему обозначений координационных осей.

Координационные оси наносят на изображения тонкими штрих-пунктирными линиями с длинными штрихами, обозначают арабскими цифрами и прописными буквами русского алфавита (за исключением: Ё, З, Й, О, X, Ц, Ч, Щ, Ъ, Ы, Ь) в кружках диаметром 6-12 мм.

Пропуски в цифровых и буквенных (кроме указанных) обозначениях координационных осей не допускаются.

Цифрами обозначают координационные оси по стороне здания и сооружения с большим количеством осей. Если для обозначения координационных осей не хватает букв алфавита, последующие оси обозначают двумя буквами, например: АА, ББ, ВВ.

Последовательность цифровых и буквенных обозначений координационных осей принимают по плану слева направо и снизу вверх.

Рис. 1.3

Рис. 1.4

Обозначение координационных осей, как правило, наносят по левой и нижней сторонам плана здания и сооружения.

При несовпадении координационных осей противоположных сторон плана обозначения указанных осей в местах расхождения дополнительно наносят по верхней и (или) правой сторонам.

Для отдельных элементов, расположенных между координационными осями основных несущих конструкций, наносят дополнительные оси и обозначают их в виде дроби, в числителе которой указывают обозначения предшествующей координационной оси, а в знаменателе - дополнительный порядковый номер в пределах участка между смежными координационными осями (рис. 1.4).

Допускается координационным осям фахверковых колонн присваивать цифровые и буквенные обозначения в продолжение обозначений осей основных несущих колонн без дополнительного номера.

На изображении повторяющегося элемента, привязанного к нескольким координационным осям, координационные оси обозначают в соответствии с:

рис. 1.5 а (при числе координационных осей не более трех);

рис. 1.5 б (более трех координационных осей);

рис. 1.5 в (при всех буквенных и цифровых координационных осях).

Рис. 1.5

При необходимости, ориентацию координационной оси, к которой привязан элемент, по отношению к соседней оси, указывают в соответствии с рис. 1.5 г.

Для обозначения координационных осей блок-секций жилых зданий применяют индекс «с», например: 1с, 2с, Ас, Бс.

Нa планах жилых зданий, скомпонованных из блок-секций, наносят дополнительные обозначения крайних координационных осей блок-секций без индекса в соответствии с рис. 1.6.

Размер шрифта для обозначения координационных осей должен быть на один-два номера больше, чем размер шрифта, принятого для размерных чисел на том же чертеже.

Если изображение (план этажа, схема расположения оборудования и др.) не помещается на листе принятого формата, то его членят на несколько участков, с размещением их на отдельных листах. В этом случае на каждом листе, где показан участок изображения, приводят схему чертежа с необходимыми координационными осями с указанием номеров листов, на которых изображены участки, и условным обозначением (штриховкой) изображенного на данном листе участка (рис. 1.7). Если чертежи участков помещены в разных основных комплектах рабочих чертежей, то перед номером листа указывают обозначение соответствующего основного комплекта.

Рис. 1.6

Рис. 1.7

1.3. Основные требования к текстовым документам

Текстовые документы могут быть выполнены либо сплошным текстом (технические условия, расчеты и т.п.), либо текстом, разбитым на графы (спецификации, ведомости, таблицы).

В документах, содержащих в основном сплошной текст, могут быть, при необходимости, приведены данные в табличной форме.

Каждый лист текстового документа должен быть оформлен рамками и иметь основную надпись и дополнительные графы к ней.

Текстовые документы могут выполняться машинописным, рукописным, типографским способом, а также с применением печатающих и графических устройств вывода ЭВМ.

При выполнении текстовых документов машинописным способом, текст должен быть отпечатан на одной стороне листа через два интервала. Шрифт пишущей машинки должен быть четким, высотой не менее 2,5 мм, с использованием полужирной ленты черного цвета.

При выполнении текстовых документов рукописным способом следует применять чертежный шрифт с высотой букв и цифр не менее 2,5 мм. Цифры и буквы необходимо писать четко, черной тушью.

Вписывать в текстовые документы, изготовленные машинописным способом, отдельные слова, условные знаки, формулы, а также выполнять иллюстрации следует черной тушью.

Расстояние от внутренней рамки листа до границ текста следует оставлять: в начале строк - не менее 5 мм, в конце строк - не менее 3 мм.

Расстояние от верхней или нижней строки текста до верхней или нижней внутренней рамки листа должно быть не менее 10 мм.

Абзацы в тексте следует начинать с отступа, равного пяти ударам пишущей машинки (15 - 17 мм).

Пример выполнения текстового документа приведен на рис. 1.8.

ПРИМЕР ВЫПОЛНЕНИЯ ТЕКСТОВОГО ДОКУМЕНТА

Рис. 1.8

Опечатки, описки и графические неточности, обнаруженные в процессе выполнения документа, допускается исправлять подчисткой или закрашиванием белой краской и нанесением на том же месте исправленного текста или графики машинописным способом или черной тушью вручную.

Повреждения листов текстовых документов, помарки и следы неполностью удаленного прежнего текста или графики не допускаются.

Текстовой документ, в том числе после внесения в него исправлений, должен удовлетворять требованиям микрофильмирования.

Текстовые документы, выполняемые не типографским способом, рекомендуется размножать двусторонним копированием. Основную надпись следует приводить на обеих сторонах листа, а дополнительные графы - только на нечетной странице. В основных надписях наименование графы «Лист» следует заменить на «Стр.», а наименование «Листов» (на заглавных листах) - на «Страниц».

Текст документа может быть разделен на разделы и подразделы. Разделам присваивают порядковые номера в пределах всего документа, которые обозначают арабскими цифрами с точкой. Подразделам присваивают номера в пределах каждого раздела, состоящие из номера соответствующего раздела и после точки - номера подраздела. В конце номера подраздела также должна ставиться точка.

Разделы, а также подразделы могут состоять из одного или нескольких пунктов. Если документ состоит только из разделов, то номер пункта должен состоять из номера соответствующего раздела и после точки - номера пункта. В конце номера пункта следует ставить точку, например:

1. (наименование первого раздела)

1.1.

нумерация пунктов
первого раздела

1.2.

1.3.

и т.д.

Если документ имеет подразделы, то пунктам присваивают номера в пределах подраздела. Номер пункта в этом случае должен состоять из номера раздела, подраздела и пункта, разделенных точками, например:

4. (наименование четвертого раздела)

4.1. (наименование первого подраздела четвертого раздела)

4.1.1.

нумерация пунктов первого
подраздела четвертого
раздела

4.1.2.

4.1.3.

и т.д.

Если текст документа не имеет разделов и подразделов, то пункты должны иметь порядковые номера в пределах документа.

Пункты могут быть разбиты на подпункты.

Подпункты должны иметь номера в пределах каждого пункта и отделяться от номеров раздела, подраздела и пункта точкой, например: 2.1.4.6, где: 2 - номер раздела, 1 - номер подраздела, 4 - номер пункта и 6 - номер подпункта в пределах пункта 4.

Если в тексте пункта или подпункта имеются перечисления, указания, положения, то они в отличие от обозначений пункта или подпункта могут обозначаться арабскими цифрами или строчными буквами русского алфавита со скобкой без точки на конце, например: 1), 2), 3) и т.д.; а), б), в) и т.д.

Каждый пункт, подпункт и перечисление должны записываться с абзаца.

Наименования разделов и подразделов должны быть краткими. Наименования разделов записывают в виде заголовков симметрично тексту прописными буквами. Наименования подразделов следует записывать в виде заголовков с абзаца строчными буквами, кроме первой прописной.

Переносы слов в заголовках не допускаются. Точку в конце заголовков не ставят. Если заголовок состоит из двух предложений, то их разделяют точкой.

Расстояние между заголовком и текстом при выполнении документа машинописным способом должно быть равно 3-4 интервалам, а при выполнении рукописным способом - 15 мм. Расстояние между заголовками раздела и подраздела - 2 интервала.

Каждый раздел текстового документа рекомендуется начинать с нового листа (страницы).

В документе большого объема на первом (заглавном) листе следует помещать содержание, включающее номера и наименования разделов и подразделов с указанием номеров листов (страниц).

Содержание включают в общее количество листов данного документа.

Слово «Содержание» следует записывать в виде заголовка симметрично тексту прописными буквами. Наименования, включенные в содержание, следует записывать строчными буквами, кроме первой прописной.

В конце текстового документа допускается приводить список литературы, которая была использована при его составлении. Список литературы должен быть включен в содержание документа.

При составлении текстового документа в наименовании изделия, состоящем из нескольких слов, на титульном листе, в основной надписи и при первом упоминании в тексте документа, на первом месте должно быть имя существительное, например, «Изделие закладное».

В последующем тексте порядок слов в наименовании должен быть прямой, т.е. на первом месте должно быть определение (имя прилагательное), а затем - название изделия (имя существительное), например: «Закладное изделие».

Наименования, приводимые в тексте документа и на иллюстрациях, должны быть одинаковыми.

Текст документа должен быть кратким, четким и не допускать различных толкований.

При изложении обязательных требований в тексте должны применяться слова «должен», «следует», «необходимо» и производные от них.

В документах должны применяться научно-технические термины, обозначения и определения, установленные соответствующими нормативными документами или общепринятые в научно-технической литературе. Если в документе принята специфическая терминология, то в конце его (перед списком литературы) должен быть приведен перечень принятых терминов с соответствующими разъяснениями. Перечень терминов включают в содержание документа.

В тексте документа не допускается:

применять для одного и того же понятия различные научно-технические термины, близкие по смыслу (синонимы), а также иностранные слова и термины при наличии равнозначных слов и терминов в русском языке;

сокращать обозначения единиц физических величин, если они употребляются без цифр, за исключением единиц физических величин в головках и боковиках таблиц;

применять сокращения слов, кроме установленных правилами русской орфографии, пунктуации, а также соответствующими нормативными документами;

использовать в тексте математический знак минус (-) перед отрицательными значениями величин. Вместо математического знака (-) следует писать слово «минус»;

употреблять математические знаки без цифр, например, £ (меньше или равно); ³ (больше или равно); ≠ (не равно), а также знаки № (номер), % (процент);

применять индексы нормативных документов без регистрационного номера.

Условные буквенные обозначения величин, а также условные графические обозначения должны применяться по соответствующим нормативным документам.

Числовые значения величин в тексте должны указываться с необходимой степенью точности, при этом, в ряду величин выравнивание числа знаков после запятой не обязательно.

В тексте документа числа с размерностью следует писать цифрами, например: «Зазор - не более 2 мм». Числа без размерности следует писать словами, например: «Покрасить за два раза».

Единица физической величины одного и того же параметра в пределах одного документа должна быть постоянной. Если в тексте документа приводится ряд числовых значений, выраженных в одной и той же единице физической величины, то ее указывают только после последнего числового значения, например: 1,5; 1,75; 2 м.

К тексту и таблицам могут даваться примечания, содержащие справочные и поясняющие данные.

Если имеется одно примечание, то его не нумеруют и после слова «Примечание» ставят точку.

Если примечаний несколько, то после слова «Примечания» ставят двоеточие. Примечания нумеруют арабскими цифрами с точкой, например:

Примечания: 1.______________________________________________________

_________________________________________________________________________

2.______________________________________________________

_________________________________________________________________________

В текстовых документах допускаются ссылки на соответствующие нормативные документы и технические условия в том случае, если они полностью и однозначно определяют соответствующие требования и не вызывают затруднений в пользовании документами. Ссылаться следует на документ в целом или на его разделы и приложения. Ссылки на подразделы, пункты, таблицы и иллюстрации не допускаются.

При ссылках на стандарты и технические условия следует указывать только их обозначение.

При ссылках на другие документы следует указывать также и наименование документа.

При ссылке на раздел или приложение следует указывать его номер и наименование, а при повторных ссылках - только номер.

Иллюстрации могут быть расположены как по тексту документа (возможно ближе к соответствующим частям текста), так и в конце его или даны в приложении.

При выполнении иллюстраций следует руководствоваться правилами выполнения чертежей, изложенными в настоящем Пособии.

Если в документе есть приложения, то на них дают ссылку в основном тексте документа, а в содержании должны быть перечислены все приложения с указанием их номеров и заголовков.

Цифровой материал, как правило, оформляют в виде таблиц (рис. 1.9 а).

Рис. 1.9

Таблица может иметь заголовок, который следует выполнять строчными буквами (кроме первой прописной) и помещать над таблицей посередине.

Заголовок должен быть кратким и полностью отражать содержание таблицы.

Заголовки граф таблицы начинают с прописных букв, а подзаголовки - со строчных, если они составляют одно предложение с заголовком.

Подзаголовки, имеющие самостоятельное значение, пишут с прописной буквы.

В конце заголовков и подзаголовков таблиц знаки препинания не ставят.

Заголовки указывают в единственном числе. Диагональное деление головки таблицы не допускается.

Высота строк таблицы должна быть не менее 8 мм. Допускается нумерация граф (рис. 1.9 б).

Если строки или графы таблицы выходят за формат листа, то таблицу следует делить на части, которые, в зависимости от особенностей таблицы, переносят на другие листы или помещают на одном листе рядом (рис. 1.10 а) или одну под другой (рис. 1.10 б).

При переносе части таблицы на другой лист заголовок следует помещать только над первой частью. Если части таблицы помещают рядом, то в каждой части следует повторить головку. При размещении частей таблицы одна под другой - необходимо повторить боковик.

Слово «Таблица», заголовок (при его наличии) и порядковый номер таблицы должны быть указаны один раз над первой частью таблицы, над последующими частями следует писать слово «Продолжение» или, например, «Продолжение табл. 2», если документ содержит две и более таблицы.

Графу «№ п/п» в таблицу включать не следует. При необходимости нумерации показателей, параметров или других данных порядковые номера должны быть указаны в боковике таблицы перед их наименованием.

Если цифровые данные в графах таблицы выражены в различных единицах физических величин, то сокращенное обозначение единицы физической величины следует указывать в заголовке каждой графы. Если все параметры, размещенные в таблице, выражены в одной и той же единице физической величины (например, миллиметрах), то сокращенное обозначение единицы физической величины следует помещать над таблицей (рис. 1.11).

Рис. 1.10

Когда в таблице помещены графы с параметрами, выраженными преимущественно в одной единице физической величины, но есть показатели с параметрами, выраженными в других единицах физических величин, то над таблицей следует помещать надпись о преобладающей единице физической величины, а сведения о других единицах физических величин следует давать в заголовках соответствующих граф.

Если параметры одной графы имеют одинаковые значения в двух и более последующих строках, то допускается этот параметр вписывать в таблицу для этих строк только один раз (рис. 1.12).

Если все данные в строке приведены для одной физической величины, то единицу физической величины указывают в соответствующей строке боковика таблицы (рис. 1.13).

Слова «более», «не более», «менее», «не менее», «в пределах» следует помещать рядом с наименованием соответствующего параметра или показателя (после единицы физической величины) (см. рис. 1.13) или в заголовке графы.

Повторяющийся в графе таблицы текст, состоящий из одного слова, допускается заменять кавычками, если строки в таблице не разделены линиями.

Если повторяющийся текст состоит из двух и более слов, то при первом повторении его заменяют словами «То же», а далее - кавычками.

Если повторяется лишь часть фразы, допускается эту часть заменять словами «То же» с добавлением дополнительных сведений.

Ставить кавычки вместо повторяющихся цифр, марок, знаков, математических и химических символов не допускается.

Если цифровые или иные данные в таблице не приводят, то в графе ставят прочерк.

Цифры в графах таблицы, как правило, располагают так, чтобы классы чисел во всей графе были точно один под другим.

Числовые значения величин в одной графе должны иметь, как правило, одинаковое количество десятичных знаков.

Дробные числа приводят в виде десятичных дробей, за исключением размеров в дюймах, которые записывают по типу , , .

Для сокращения текста заголовков и подзаголовков граф отдельные понятия заменяют буквенными обозначениями, если они пояснены в тексте или приведены на иллюстрациях, например: Æ - диаметр, Н - высота, L - длина.

Допускается заголовки и подзаголовки граф таблицы выполнять через один интервал.

При указании в таблицах последовательных интервалов значений величин, охватывающих все значения ряда, перед ними следует писать «от», «св.» и «до», имея в виду «до ... включительно»; в интервалах, охватывающих любые значения величин, между величинами следует ставить тире.

Интервалы значений величин в тексте записывают со словами «от» и «до», например: «толщина слоя должна быть от 20 до 40 мм» или через тире, например: «черт. 10 - 15», «пп. 7 - 12».

Пределы размеров указывают от меньших к большим.

Рис. 1.11

Рис. 1.12

Рис. 1.13

Все таблицы, если их в документе более одной, следует нумеровать в пределах раздела арабскими цифрами. Номер таблицы должен состоять из номера раздела и порядкового номера таблицы, разделенных точкой.

Допускается нумерация таблиц в пределах всего документа.

Над правым верхним углом таблицы помещают надпись «Таблица ...» с указанием номера таблицы, например: «Таблица 2.1.» При наличии заголовка слово «Таблица ...» следует писать выше заголовка.

Если в документе только одна таблица, то номер ей не присваивают и слово «Таблица» не пишут.

На все таблицы должны быть ссылки в тексте, при этом слово «таблица» в тексте следует писать полностью, если таблица не имеет номера, и сокращенно - если имеет номер, например: «... в табл. 1.1».

Текстовые документы, содержащие текст, разбитый на графы, при необходимости могут быть разбиты на разделы и подразделы.

Разделы и подразделы таких документов нумеровать не следует.

Наименования разделов и подразделов следует записывать в виде заголовков строчными буквами (кроме первой прописной) и подчеркивать.

В текстовых документах, имеющих строки, все записи производят на каждой строке в один ряд.

Для облегчения внесения изменений запись следует вести в нижней части поля строки, при этом запись не должна сливаться с линиями, разграничивающими строки и графы.

Рекомендуется также оставлять свободные строки между разделами и подразделами.

Если в графе документа записан текст в несколько строк, то в последующих графах запись следует начинать на уровне первой строки. Если в последующих графах запись размещается на одной строке, то при машинописном способе выполнения ее допускается помещать на уровне последней строки.

Первым листом текстового документа, как правило, должен быть титульный лист. На титульном листе, при необходимости, размещают таблицу регистрации изменений, форма и правила заполнения которой приведены в разделе 6.

Пример оформления титульного листа приведен на рис. 1.14.

Для двустороннего копирования листы документа следует выполнять сдвоенными с линией сгиба посередине. Основную надпись следует приводить на обеих половинах каждого листа (рис. 1.15).

ПРИМЕР ОФОРМЛЕНИЯ ТИТУЛЬНОГО ЛИСТА

Рис. 1.14

Рис. 1.15

Дополнительные графы к основной надписи следует приводить, только на нечетной странице.

В основных надписях наименование графы «Лист» следует заменить на «Стр.», а наименование «Листов» (на заглавных листах) - на «Страниц».

Отдельные листы документа (например, титульный лист или листы с приложениями графического содержания) должны издаваться без заполнения оборотной стороны копии. На таких листах указывают нечетные номера страниц, а соответствующие им четные номера страниц не указывают, но включают их в общее количество страниц документа.

Требованиями к текстовым документам следует руководствоваться также при выполнении текстов на чертежах.

1.4. Основные надписи

Формы и размеры граф основных надписей и дополнительных граф к ним, а также размеры рамок на чертежах и текстовых документах приведены на рис. 1.16 - 1.19.

Допускается размер граф 1 - 4 и соответственно всей основной надписи по высоте увеличивать на размер, кратный 5 мм в зависимости от текста, помещаемого в этих графах. При этом высота строчных букв в тексте (кроме графы 1) не должна превышать 2,5 мм.

Допускается основную надпись выполнять:

на первом листе чертежа строительного изделия - по форме, приведенной на рис. 1.18;

на первом листе текстового документа при отсутствии титульного листа - по форме, приведенной на рис. 1.16.

Основную надпись располагают в правом нижнем углу листа документа.

На листах формата А4 основные надписи располагают вдоль короткой стороны листа.

Таблица изменений в основной надписи при необходимости может продолжаться вверх или влево от основной надписи. При расположении таблицы изменений слева от основной надписи наименования граф 14 - 19 повторяют.

В графах основной надписи и дополнительных графах к ней (номера граф на формах показаны в скобках) указывают:

в графе 1 - обозначение документа (основного комплекта рабочих чертежей, чертежа изделия, текстового документа);

в графе 2 - наименование предприятия, в состав которого входит здание (сооружение);

в графе 3 - наименование здания (сооружения);

в графе 4 - наименование изображений, помещенных на данном листе, в точном соответствии с наименованиями изображений на чертеже.

Наименования спецификаций и других таблиц, а также текстовых указаний, относящихся к изображениям, не указывают:

в графе 5 - наименование изделия и (или) наименование документа;

в графе 6 - условное обозначение стадии. Для стадии «Рабочая документация» - «Р»;

в графе 7 - порядковый номер листа (страницы текстового документа при двусторонней печати).


ОСНОВНАЯ НАДПИСЬ И ДОПОЛНИТЕЛЬНЫЕ ГРАФЫ К НЕЙ НА ЛИСТАХ ОСНОВНОГО КОМПЛЕКТА РАБОЧИХ ЧЕРТЕЖЕЙ

Рис. 1.16


ОСНОВНАЯ НАДПИСЬ И ДОПОЛНИТЕЛЬНЫЕ ГРАФЫ К НЕЙ НА ЧЕРТЕЖАХ СТРОИТЕЛЬНЫХ ИЗДЕЛИЙ (ПЕРВЫЙ ЛИСТ)

Рис. 1.17


ОСНОВНАЯ НАДПИСЬ И ДОПОЛНИТЕЛЬНЫЕ ГРАФЫ К НЕЙ ДЛЯ ТЕКСТОВЫХ ДОКУМЕНТОВ (ПЕРВЫЙ ЛИСТ)

Рис. 1.18


ОСНОВНАЯ НАДПИСЬ И ДОПОЛНИТЕЛЬНЫЕ ГРАФЫ К НЕЙ ДЛЯ ЧЕРТЕЖЕЙ ИЗДЕЛИЙ И ТЕКСТОВЫХ ДОКУМЕНТОВ (ПОСЛЕДУЮЩИЕ ЛИСТЫ)

Рис. 1.19

На документах, состоящих из одного листа, графу не заполняют:

в графе 8 - общее количество листов документа.

Графу заполняют только на первом листе. На первом листе текстового документа при двусторонней печати указывают общее количество страниц;

в графе 9 - наименование или различительный индекс организации, разработавшей документ;

в графе 10 - характер работы (разработал, проверил, нормоконтроль и т.п.), а также должности лиц, ответственных за выпуск документа (например, главный инженер (архитектор) проекта, начальник отдела, главный специалист);

в графах 11 - 13 - фамилии и подписи лиц, указанных в графе 10, и дату подписания. Порядок подписания рабочих чертежей устанавливается проектной организацией.

Если необходимо согласование документа, то подписи должностных лиц, согласовывающих документ, размещают на поле для подшивки листа (графы 10 - 13). На последующих листах чертежей изделий и текстовых документов графы согласования не приводят:

в графах 14 - 19 - графы таблицы изменений, которые заполняют в соответствии с разделом 6;

в графе 20 - инвентарный номер подлинника;

в графе 21 - подпись лица, принявшего подлинник на хранение, и дату приемки (число, месяц, год);

в графе 22 - инвентарный номер подлинника документа, взамен которого выпущен подлинник;

в графе 23 - обозначение материала детали (графу заполняют только на чертежах деталей);

в графе 24 - массу изделия, изображенного на чертеже, в килограммах без указания единицы измерения. Допускается указывать массу в других единицах измерения с указанием их, например: 2,4 т;

в графе 25 - масштаб изображения;

в графе 26 - подпись лица, копировавшего чертеж.

Расположение основной надписи и дополнительных граф к ней приведены на рис. 1.20.

Расположение основной надписи и дополнительных граф к ней для текстовых документов при двустороннем копировании приведены на рис. 1.21.

РАСПОЛОЖЕНИЕ ОСНОВНОЙ НАДПИСИ, ДОПОЛНИТЕЛЬНЫХ ГРАФ К НЕЙ И РАЗМЕРЫ РАМОК НА ЛИСТАХ

Рис. 1.20

ОСНОВНАЯ НАДПИСЬ И ДОПОЛНИТЕЛЬНЫЕ ГРАФЫ К НЕЙ ДЛЯ ТЕКСТОВЫХ ДОКУМЕНТОВ ПРИ ДВУСТОРОННЕМ СВЕТОКОПИРОВАНИИ (ПОСЛЕДУЮЩИЕ ЛИСТЫ)

Рис. 1.21

2. ОСНОВНОЙ КОМПЛЕКТ РАБОЧЕЙ ДОКУМЕНТАЦИИ

2.1. Общие положения

Основной комплект рабочих чертежей, как правило, объединяет несколько рабочих чертежей одного вида работ, содержащих общие данные по рабочим чертежам, схемы и планы расположения элементов конструкции, оборудования со спецификациями, а также другие графические изображения и текстовые указания. Например, основной комплект рабочих чертежей железобетонных конструкций может объединять рабочие чертежи фундаментов, каркаса, перекрытий, покрытий и других железобетонных конструкций здания или сооружения.

Полный состав и содержание рабочих чертежей, входящих в тот или иной основной комплект, определяются видами работ, для выполнения которых они разработаны.

Независимо от количества рабочих чертежей, включенных в основной комплект, его следует рассматривать как единый документ. Все листы в пределах основного комплекта рабочих чертежей должны иметь сквозную нумерацию, присвоенное ему обозначение и подписи лиц, разработавших документ и ответственных за его выпуск.

Каждому основному комплекту рабочих чертежей присваивают марку. Марки должны соответствовать приведенным в табл. 2.1.

Основной комплект какой-либо марки может быть расчленен по какому-либо признаку на несколько комплектов с присвоением им той же марки, но с добавлением порядкового номера, например, КЖ1, КЖ2 и т.д.

В обозначение основного комплекта включают базовое обозначение и через дефис - его марку, например: 468-2-КЖ, 468-2-ОВ, где: 468-2 - базовое обозначение, КЖ и ОВ - марки основных комплектов.

Базовое обозначение присваивает проектная организация, разработавшая соответствующие рабочие чертежи. Базовое обозначение следует принимать единым для всех основных комплектов данного объекта, выпускаемых одной организацией. Базовое обозначение основных комплектов, выпускаемых другими организациями, участвующими в разработке рабочей документации данного объекта, может быть иным.

Таблица 2.1

МАРКИ ОСНОВНЫХ КОМПЛЕКТОВ РАБОЧИХ ЧЕРТЕЖЕЙ

Наименование основного комплекта рабочих чертежей

Марка

Примечание

Генеральный план и сооружения транспорта

ГТ

При объединении в одном основном комплекте рабочих чертежей генерального плана и сооружений транспорта

Генеральный план

ГП

 

Сооружения транспорта

ТP

При объединении в одном основном комплекте рабочих чертежей на автомобильные дороги и пути железнодорожные

Автомобильные дороги

АД

 

Пути железнодорожные

ПЖ

 

Технология производства

ТХ

 

Технологические коммуникации

ТК

При объединении в один комплект чертежей всех технологических коммуникаций

Воздухоснабжение внутреннее

ВС

 

Электроосвещение внутреннее

ЭО

 

Электроосвещение наружное промышленного предприятия

ЭН

 

Электрооборудование силовое

ЭМ

 

Холодоснабжение

ХС

 

Тепловая и изоляция

ТИ

 

Газоснабжение. Внутренние устройства

ГCВ

 

Газоснабжение. Наружные газопроводы

ГСН

 

Теплоснабжение

ТС

 

Наружные сети водоснабжения и канализации

НВК (НВ, НК)

 

Связь и сигнализация

СС

 

Архитектурно-строительные решения

АС

 

При разделении основного комплекта АС:

 

 

архитектурные решения

AР

 

интерьеры

АИ

 

конструкции железобетонные

КЖ

 

конструкции деревянные

КД

 

Конструкции металлические деталировочные

КМД

 

Антикоррозионная защита конструкций

АЗ

 

Тепломеханическая часть котельных

ТМ

 

Отопление, вентиляция и кондиционирование воздуха

ОВ

 

Внутренние водопровод и канализация

ВК

 

Пожаротушение

ПТ

 

Пылеуборка

ПУ

 

Горные открытые работы

ГОР

 

Горные подземные работы

ГПР

 

Гидротехнические работы

ГР

 

Горномеханические работы

ГМ

 

Химическая защита

ХЗ

 

Электрохимическая защита

ЭХЗ

 

Автоматика и телемеханика движения поездов (СЦБ)

АТД

 

Телемеханика производственная

TЛM

 

Автоматизация

А…

Многоточие заменяют наименованием и маркой соответствующего основного комплекта рабочих чертежей

Автоматизация комплексная

АК

При условии выполнения работ одной строительно-монтажной организацией

Электроснабжение. Подстанции

ЭП

 

Линии электропередачи воздушные

ЭВ

 

Линии электропередачи кабельные

ЭК

 

Молниезащита и заземление

ЗГ

 

Сети тяговые

ЭТ

 

При необходимости могут быть назначены дополнительные марки основных комплектов рабочих чертежей. При этом для марок применяют прописные буквы (не более трех) русского алфавита, соответствующие, как правило, начальным буквам наименований основного комплекта рабочих чертежей.

При назначении дополнительных марок основных комплектов следует избегать обозначения одного и того же вида строительных и монтажных работ разными марками.

До разработки деталировочных рабочих чертежей металлических конструкций на основные несущие конструкции зданий и сооружений, а также на другие металлические конструкции, требующие сложных инженерных расчетов, выполняют комплект чертежей металлических конструкций марки КМ.

Комплектацией чертежей металлических конструкций КМ, являющихся основанием для разработки деталировочных рабочих чертежей, не предусматривается разделение их на строительно-монтажные чертежи (основные комплекты) и чертежи элементов конструкций.

2.2. Общие данные по рабочим чертежам

Неотъемлемой частью каждого основного комплекта являются общие данные по рабочим чертежам, входящим в данный основной комплект.

Общие данные по рабочим чертежам располагают на первых листах основного комплекта. Первый лист общих данных является заглавным листом основного комплекта рабочих чертежей.

При необходимости общие данные по рабочим чертежам допускается оформлять отдельным документом, как текстовой документ, с присвоением ему обозначения соответствующего основного комплекта, с добавлением к его марке (через точку) порядкового номера, обозначенного арабскими цифрами, например: 468-2-КЖ1.1 - обозначение листа общих данных; 468-2-КЖ1.2 - обозначение рабочих чертежей основного комплекта.

В этом случае, на первом листе основного комплекта, в технических требованиях приводят запись следующего содержания: «Общие данные по рабочим чертежам см. ...» - далее обозначение соответствующего документа.

В общие данные в общем случае включают:

ведомость рабочих чертежей основного комплекта;

ведомость ссылочных и прилагаемых документов;

ведомость основных комплектов рабочих чертежей;

ведомость спецификации;

условные обозначения и изображения, неустановленные нормативными документами, значения которых не указаны на других листах данного основного комплекта;

общие указания по рабочим чертежам.

В общие данные могут быть включены другие данные, отражающие специфику тех или иных рабочих документов.

Ведомость рабочих чертежей основного комплекта составляют по форме, приведенной на рис. 2.1.

В ведомости рабочих чертежей указывают:

в графе «Лист» - порядковый номер листа основного комплекта рабочих чертежей;

в графе «Наименование» - наименование изображений, помещенных на листе, в полном соответствии с наименованиями, приведенными в основной надписи соответствующего листа;

в графе «Примечание» - дополнительные сведения, например, сведения об изменениях, вносимых в рабочие чертежи основного комплекта.

Ведомость ссылочных и прилагаемых документов составляют по форме, приведенной на рис. 2.2.

В ведомости ссылочных и прилагаемых документов указывают:

в графе «Обозначение» - обозначение документа и, при необходимости, наименование или различительный индекс организации, выпустившей документ;

в графе «Наименование» - наименование документа в полном соответствии с наименованием, указанным на титульном листе или в основной надписи;

в графе «Примечание» - дополнительные сведения, в том числе сведения об изменениях, вносимых в прилагаемые документы.

ФОРМА ВЕДОМОСТИ РАБОЧИХ ЧЕРТЕЖЕЙ ОСНОВНОГО КОМПЛЕКТА,
ФОРМА ВЕДОМОСТИ СПЕЦИФИКАЦИЙ

Рис. 2.1

ФОРМА ВЕДОМОСТИ ССЫЛОЧНЫХ И ПРИЛАГАЕМЫХ ДОКУМЕНТОВ,

ФОРМА ВЕДОМОСТИ ОСНОВНЫХ КОМПЛЕКТОВ РАБОЧИХ ЧЕРТЕЖЕЙ

Рис. 2.2

Ведомость заполняют по разделам: в начале - ссылочные документы, затем - прилагаемые. Запись документов производят под соответствующими заголовками, помещаемыми в начале каждого раздела в графе «Наименование». Наименования разделов следует подчеркивать.

В разделе «Ссылочные документы» должны быть перечислены документы на изделия, на которые имеются ссылки в рабочих чертежах соответствующего основного комплекта.

К таким документам относят стандарты, в которых содержатся рабочие чертежи изделий, стандарты технических условий и рабочие чертежи типовых конструкций, изделий и узлов. Стандарты на прокат, метизы, покупные изделия, условные обозначения в ведомость не включают.

Допускается раздел «Ссылочные документы» не заполнять, если сведения о перечисленных документах можно без затруднений получить из спецификаций, включенных в основной комплект. В этом случае в разделе «Ссылочные документы» следует привести запись по типу: «См. спецификации на листах...», с указанием номеров листов, на которых спецификации расположены.

В раздел «Прилагаемые документы» должны быть записаны документы, составленные по рабочим чертежам данного основного комплекта. Помимо документов, перечисленных в разд. 1 настоящего Пособия, могут быть записаны другие документы, например, опросные листы (бланки-заказы) на оборудование, если они используются при монтаже оборудования.

Ведомость основных комплектов рабочих чертежей составляют по форме, приведенной на рис. 2.2.

В ведомости основных комплектов рабочих чертежей указывают:

в графе «Обозначение» - обозначение основного комплекта рабочих чертежей и, при необходимости, наименование или различительный индекс организации, выпустившей документ;

в графе «Наименование» - наименование основного комплекта рабочих чертежей;

в графе «Примечание» - дополнительные сведения, в том числе сведения об изменениях в составе основных комплектов рабочих чертежей.

Ведомость основных комплектов рабочих чертежей следует приводить на листах общих данных основного комплекта ведущей марки, которую определяет генеральный проектировщик. При наличии нескольких основных комплектов одной марки ведомость основных комплектов этой марки следует приводить в общих данных каждого комплекта этой марки.

Ведомость спецификаций составляют по форме, приведенной на рис. 2.1.

Ведомость спецификаций составляют при наличии нескольких спецификаций в основном комплекте рабочих чертежей. Спецификации оборудования, которые выполняют самостоятельными документами, в ведомость не включают.

В ведомости спецификаций указывают:

в графе «Лист» - номер листа основного комплекта рабочих чертежей, на котором помещена спецификация;

в графе «Наименование» - наименование спецификации в полном соответствии с ее наименованием, указанным на чертеже;

в графе «Примечание» - дополнительные сведения, в том числе сведения об изменениях, вносимых в спецификации.

В общих указаниях по рабочим чертежам приводят:

основание для разработки рабочих чертежей;

отметку, принятую в рабочих чертежах здания или сооружения условно за нулевую (как правило, приводят на архитектурно-строительных чертежах);

запись о результатах проверки на патентоспособность и патентную чистоту* впервые применяемых или разработанных в проекте технологических процессов, оборудования, приборов, конструкций, материалов и изделий, а также номера авторских свидетельств и заявок, по которым приняты решения о выдаче авторских свидетельств;

* Проверка на патентную чистоту объектов капитального строительства, сооружаемых на территории государства и за рубежом, проводится в соответствии с заданием генпроектировщиков по действующим нормативным документам.

запись о том, что технические решения, принятые в рабочих чертежах, соответствуют действующим нормам и правилам, а для зданий и сооружений с взрывопожарной и пожарной опасностью, кроме того, запись о том, что эти решения обеспечивают безопасную эксплуатацию здания (сооружения) при соблюдении предусмотренных рабочими чертежами мероприятий;

перечень ответственных конструкций и скрытых работ, подлежащих освидетельствованию в процессе строительства с участием представителя проектной организации или авторского надзора;

другие необходимые указания.

В общих указаниях не допускается повторять технические требования, помещенные на других листах основного комплекта рабочих чертежей, и давать описание принятых в рабочих чертежах технических решений.

2.3. Спецификации к схемам расположения элементов конструкций и установкам

Спецификацию к схемам расположения элементов конструкций и к санитарно-техническим, технологическим, электротехническим и другим установкам составляют по форме, приведенной на рис. 2.3, групповую спецификацию - по форме, приведенной на рис. 2.4.

ФОРМА СПЕЦИФИКАЦИИ К СХЕМАМ РАСПОЛОЖЕНИЯ ЭЛЕМЕНТОВ КОНСТРУКЦИЙ И УСТАНОВКАМ

Рис. 2.3

ФОРМА ГРУППОВОЙ СПЕЦИФИКАЦИИ К СХЕМАМ РАСПОЛОЖЕНИЯ ЭЛЕМЕНТОВ КОНСТРУКЦИЙ И УСТАНОВКАМ

Рис. 2.4

ПРИМЕР ВЫПОЛНЕНИЯ СПЕЦИФИКАЦИИ К СХЕМАМ РАСПОЛОЖЕНИЯ

Рис. 2.5

ПРИМЕР ВЫПОЛНЕНИЯ ГРУППОВОЙ СПЕЦИФИКАЦИИ К СХЕМАМ РАСПОЛОЖЕНИЯ

Рис. 2.6

В спецификациях указывают:

в графе «Поз.» - позиции элементов конструкций или установок. Если элементы обозначены марками, то графу «Поз.» следует заменить на графу «Марка»;

в графе «Обозначение» - обозначение документов на записываемые в спецификацию элементы, в том числе стандартов или технических условий на них;

в графе «Наименование» - наименования элементов и их марки. Допускается на группу одноименных элементов указывать наименование один раз и подчеркивать;

в графе «Кол.» - количество элементов;

в графе «Кол. на...» групповой спецификации вместо многоточия записывают «по схеме», «на этаж», «на установки» и т.п., а ниже - порядковые номера схем расположения, этажей и установок. Количество граф «Кол. на...» не ограничивается;

в графе «Масса, ед. кг» - массу элемента в килограммах. Допускается массу укатывать в тоннах. В этом случае графу «Масса, ед. кг» следует заменить на графу «Масса, ед. т»;

в графе «Примечание» - дополнительные сведения.

Пример выполнения единичной спецификации к схеме расположения элементов конструкций приведен на рис. 2.5, групповой спецификации - на рис. 2.6.

3. ТЕКСТОВЫЕ ДОКУМЕНТЫ ДЛЯ ПРОИЗВОДСТВА СТРОИТЕЛЬНЫХ И МОНТАЖНЫХ РАБОТ

3.1. Спецификация оборудования

Спецификацию оборудования (СО) составляют по форме, приведенной на рис. 3.1. СО заполняют по разделам в следующей последовательности:

оборудование, поставляемое заказчиком;

оборудование, поставляемое подрядчиком;

оборудование, имеющееся на предприятии.

В каждый раздел СО записывают также изделия и применяемые при монтаже оборудования материалы.

Наименование каждого раздела записывают в графе 2 в виде заголовков и подчеркивают.

Оборудование в каждом разделе следует записывать в последовательности, принятой для данной отрасли промышленности или производства.

Допускается по согласованию с заказчиком оборудование и материалы записывать без деления их на поставку заказчика и подрядчика.

В СО не включают отдельные виды изделий массового производства (болты, винты, гайки, шайбы, изделия для соединения водогазопроводных, электросварных труб и т.п.), учтенные ценами монтажа, поставка которых производится на основании действующих норм расхода материалов.

Технологическое оборудование, поставляемое заводами-изготовителями в составе комплектных технологических линий, включают в СО с перечислением входящих в них оборудования, машин, аппаратов и других изделий, подлежащих сборке этих линий непосредственно на монтажной площадке.


Рис. 3.1


В графах СО указывают:

в графе 1 - позиции оборудования и изделий, предусмотренные рабочими чертежами соответствующего основного комплекта. Если на чертеже оборудование и изделия обозначены марками, то графу «Позиция» следует заменить на графу «Марка».

Допускается не заполнять графу «Позиция». В этом случае в графе 2 следует указывать порядковые номера записи изделий в СО в пределах подраздела;

в графе 2 - наименование оборудования, изделий и материалов, их техническую характеристику в соответствии с требованиями стандартов, технических условий и другой технической документации;

в графе 3 - тип, марку оборудования и изделия, обозначение стандарта, технических условий или другого документа на оборудование и изделие, а также обозначение опросного листа. Если тип или марка оборудования и изделия содержат всю информацию, необходимую для их заказа, то обозначение документа на оборудование и изделие допускается не указывать. Если разработаны исходные требовании на то или иное оборудование, записываемое в СО, то следует привести ссылку на них;

в графе 4 - код оборудования, изделия и материала по классификатору промышленной и сельскохозяйственной продукции;

в графе 5 - наименование завода-изготовителя оборудования и изделия (для импортного оборудования - страну, фирму);

в графе 6 - обозначение единицы измерения;

в графе 7 - количество оборудования, изделий и материала;

в графе 8 - массу единицы оборудования и изделия в килограммах. Допускается для тяжелого оборудования массу указывать в тоннах. Для оборудования массой до 25 кг графу допускается не заполнять.

При записи в СО оборудования и изделия индивидуального (единичного изготовления):

в графе 3 указывают: «конструкторская документация подлежит разработке»;

графы 4 и 5 допускается не заполнять;

в графе 8 указывают ориентировочную массу единицы оборудования и изделия.

В состав СО, выполненной проектной организацией-генеральным проектировщиком, следует включать также ведомость спецификаций оборудования, в которой перечислены СО, выполненные ко всем основным комплектам рабочих чертежей. Ведомость спецификаций составляют по форме, приведенной на рис. 3.2.

СО присваивают обозначение, состоящее из обозначения соответствующего основного комплекта рабочих чертежей и (через точку) кода «СО», например: 2345-10-TX.CO; 2345-10-ОВ.СО.

Рис. 3.2

3.2. Ведомости и сводные ведомости потребности в материалах

Ведомости потребности в материалах (ВМ) и сводные ведомости потребности в материалах (СВМ) составляют по формам, приведенным на рис. 3.3 и 3.4.

В ВМ записывают материалы, учтенные рабочими чертежами соответствующего основного комплекта, по полной номенклатуре.

На основе ВМ генеральный проектировщик составляет СВМ на здание (сооружение) в целом или очередь его строительства, записывая в нее материалы по укрупненной номенклатуре.

В ВМ и СВМ материалы, учтенные в спецификациях оборудования, не включают.

Металлопрокат для металлических конструкций учитывают в спецификации металлопроката в составе комплекта чертежей марки КМ.

Материалы в ВМ и СВМ следует записывать по разделам.

Наименования разделов устанавливают по видам материалов, записываемых в ведомости, помещают в виде заголовков «Наименование материала» и подчеркивают.

ФОРМА ВМ И СВМ (ПЕРВЫЙ ЛИСТ)

Рис. 3.3

ФОРМА ВM И СВМ (ПОСЛЕДУЮЩИЕ ЛИСТЫ)

Рис. 3.4

В графах ВМ и СВМ указывают:

в графе «Наименование материала и единицы измерения» - наименования материалов, установленные стандартами или техническими условиями на эти материалы и, после запятой, обозначение единицы измерения количества материалов;

в графе «Код материала» - код материала по классификаторам промышленной и сельскохозяйственной продукции;

в графе «Код ед. изм.» - код единицы измерения количества материалов по классификатору, содержащему Систему обозначения единиц измерения, используемых в автоматизированных системах управления (СОЕИ);

в графе «Кол.» - количество материалов в установленных единицах измерения;

в графе «Примечание» - дополнительные сведения, относящиеся к записанным в ведомость материалам.

ВМ присваивают обозначение, состоящее из обозначения соответствующего основного комплекта рабочих чертежей и через точку код «ВМ», например: 2345-11-ТХ.ВМ, где 2345-11-ТХ - обозначение основного комплекта рабочих чертежей.

В обозначение СВМ включают базовое обозначение (см. подразд. 2.1) и через дефис код «СВМ», например: 2345-11-СВМ, где 2345-11 - базовое обозначение.

В СВМ включают перечень ВМ, на основе которых она составлена (рис. 3.5).

ПЕРЕЧЕНЬ ВМ, НА ОСНОВАНИИ КОТОРЫХ СОСТАВЛЕН СВМ

Рис. 3.5

3.3. Ведомость и сборник ведомостей объемов строительных и монтажных работ

Ведомость объемов строительных и монтажных работ (ВР) составляют по форме, приведенной на рис. 3.6.

По одному экземпляру ВР, выполненных по рабочим чертежам, входящим в соответствующие основные комплекты, генеральный проектировщик передает заказчику в виде сборника ведомостей объемов строительных и монтажных работ (СВР) по зданию (сооружению) в целом или очереди его строительства.

ВР и СВР предназначаются для планирования и организации строительных и монтажных работ. Данные, содержащиеся в ВР и СВР, могут быть использованы при составлении соответственно локальных и объектных смет.

В том случае, когда сметы на строительные и монтажные работы составлены по Единым районным единичным расценкам на конструкции и работы и расценкам на монтаж оборудования, ВР и СВР в составе рабочей документации проектные организации заказчику не выдают.

Рис. 3.6

СОДЕРЖАНИЕ СВР

Рис. 3.7

В графах ВР указывают:

в графах «Наименование вида работ» и «Код вида работ» - соответственно наименование и код вида работ по Классификатору работ и услуг в строительстве;

в графе «Ед. изм.» - обозначение единицы измерения;

в графе «Код ед. изм.» - код единицы измерения по Классификатору «Система обозначений единиц измерения, используемых в автоматизированных системах»;

в графе «Количество» - объем работ.

ВР присваивают обозначение, состоящее из обозначения соответствующего основного комплекта рабочих чертежей и (через точку) кода «ВР», например: 2345-11-КЖ.ВР, где 2345-11-КЖ - обозначение основного комплекта рабочих чертежей.

В обозначение СВР включают базовое обозначение (см. подразд. 2.1) и через дефис, код «СВР», например: 2345-11-СВР, где 2345-11 - базовое обозначение.

Обозначение СВР указывают на титульном листе сборника.

После титульного листа следует поместить содержание СВР по форме, приведенной на рис. 3.7.

4. РАБОЧИЕ ЧЕРТЕЖИ СТРОИТЕЛЬНЫХ ИЗДЕЛИЙ

4.1. Основные правила выполнения рабочих чертежей изделий

Рабочие чертежи следует выполнять, как правило, на все детали, входящие в состав специфицируемого изделия или конструкции здания (сооружения), изготовляемые непосредственно на строительной площадке.

Если детали настолько просты, что для их изготовления и контроля достаточно привести необходимые данные на сборочном чертеже, в спецификации или на схеме расположения элементов конструкции и в узлах, то отдельные чертежи на такие детали выполнять нецелесообразно.

Деталь, на которую не выполняют отдельный чертеж, но при этом затруднительно привести все необходимые данные для ее изготовления и контроля непосредственно на изображении сборочной единицы или схеме расположения элементов конструкции, изображают в более крупном масштабе на свободном поле соответствующего чертежа или схемы. В этом случае над изображением детали следует нанести номер позиции по чертежу и, при необходимости, масштаб изображения (рис. 4.1).

На чертежах деталей и в спецификации должны указываться материалы, из которых изготовлены детали. Условные обозначения материалов должны соответствовать обозначениям, установленным стандартами на материалы. При отсутствии стандарта на материал его следует обозначить по техническим условиям.

Рис. 4.1

Если деталь должна быть изготовлена из сортового материала определенного профиля и размера, то материал такой детали записывают в соответствии с присвоенным ему в стандарте на сортамент обозначением, например:

Уголок ;

Полоса .

Если для изготовления детали предусматривается возможность использования заменителей материала вместо основного, предусмотренного чертежом, то в основной надписи чертежа детали и в спецификации следует указывать только основной вид материала, возможность применения заменителя - в технических требованиях на чертеже.

На специфицированные изделия должны быть выполнены сборочные чертежи. Основными критериями для определения количества сборочных чертежей, выполняемых на одно готовое изделие*, являются его конструктивные особенности и особенности организации производства (сборки и контроля) изделия.

* Под готовым изделием следует понимать изделие, подлежащее самостоятельной поставке потребителю.

При выполнении рабочих чертежей следует учитывать, что разделение изделия на неоправданное (не требуемое производству) количество сборочных единиц приводит к резкому завышению объема рабочей документации и трудоемкости ее выполнения за счет дополнительных спецификаций, сборочных чертежей и других видов документов на изделие.

Так, например, если каркас железобетонного изделия состоит из отдельных деталей (стержней, закладных изделий и т.п.), соединяемых между собой непосредственно в опалубке, то нет необходимости выполнять отдельный сборочный чертеж для такого каркаса. Все данные по такому каркасу должны быть приведены в спецификации и на сборочном чертеже готового железобетонного изделия.

Изделия на чертежах следует изображать, как правило, в их проектном положении. Допускается изделия большой высоты (колонны, стойки и т.п.) изображать в горизонтальном положении, соответствующем их положению при изготовлении.

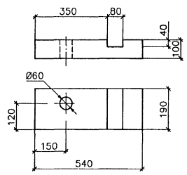
Если для изделия требуется метка, указывающая его ориентацию или расположение в конструкции, то на чертеже изделия должны быть указаны место расположения метки и ее вид  (рис. 4.2). Этот же знак следует нанести на соответствующей схеме расположения элементов конструкций.

В целях обеспечения мероприятий по безопасному подъему и обеспечению погрузки, транспортирования и складирования изделия на сборочном чертеже или на схематичном изображении изделия следует указать место присоединения подъемных или поддерживающих приспособлений (рис. 4.3).

Расположение этих мест должно быть указано с нанесением размеров с допусками.

Требования к отделке поверхности изделия, как правило, следует приводить в технических требованиях на чертеже. Поверхность, которая требует специальной обработки, должна быть указана непосредственно на чертеже толстой штрих-пунктирной линией, как показано на рис. 4.4.

Рис. 4.2

Рис. 4.3

Рис. 4.4

Рис. 4.5

В случаях, когда на изображении готового изделия (детали, сборочной единицы), изготавливаемого с применением метода гибки, затруднительно указать размеры его отдельных частей, изделие изображают в развернутом виде. На изображении развертки должны быть нанесены только те размеры, которые невозможно указать на изображении готового изделия. Над изображением развертки следует поместить условное графическое обозначение .

Развертку следует изображать сплошными линиями толщиной, равной толщине линий видимого контура на изображении готового изделия.

При необходимости, на изображении развертки могут быть нанесены линии сгибов сплошными тонкими линиями с указанием на полке линии-выноски надписи: «Линия сгиба».

Допускается, не нарушая ясности чертежа, совмещать изображение части развертки с видом изделия. В этом случае развертку следует изображать штрих-пунктирными тонкими линиями с двумя точками, а условное графическое обозначение  не помещать.

Примеры выполнения разверток приведены на рис. 4.5.

4.2. Спецификации на строительные изделия

Спецификацию на строительное изделие составляют по форме, приведенной на рис. 4.6.

ФОРМА СПЕЦИФИКАЦИИ ИЗДЕЛИЯ

Рис. 4.6

Спецификацию в общем случае заполняют по разделам, которые располагают в следующей последовательности:

документация;

сборочные единицы;

детали;

стандартные изделия;

материалы.

Наличие тех или иных разделов определяют составом специфицированного изделия. Наименование каждого раздела указывают в виде заголовка в графе «Наименование» и подчеркивают.

В раздел «Документация» следует записывать документы, составляющие основной комплект рабочих документов специфицируемого изделия, кроме его спецификации.

В разделы «Сборочные единицы» и «Детали» следует записывать сборочные единицы и детали, непосредственно входящие в специфицируемое изделие. В раздел «Сборочные единицы» железобетонного изделия сборочные единицы следует записывать в следующей последовательности:

каркасы пространственные;

каркасы плоские;

сетки;

изделия закладные.

В раздел «Стандартные изделия» следует записывать изделия, примененные по стандартам и техническим условиям.

В раздел «Материалы» следует записывать материалы, непосредственно входящие в специфицируемое изделие. В раздел «Материалы» не записывают материалы, необходимое количество которых не может быть определено разработчиком по размерам элементов изделия и вследствие этого устанавливается технологом при изготовлении изделия. К таким материалам относят, например: лаки, краски, клей, смазки, замазки, припои, электроды. Указания о применении таких материалов следует давать в технических требованиях на поле чертежа изделия.

Графы спецификации следует заполнять следующим образом:

а) в графе «Поз.» указывают порядковые номера составных частей, непосредственно входящих в специфицируемое изделие, в последовательности записи их в спецификации.

Для раздела «Документация» графу не заполняют;

б) в графе «Обозначение» указывают:

в разделе «Документация» - обозначение записываемых документов;

в разделах «Сборочные единицы» и «Детали» - обозначение основных рабочих документов на записываемые в эти разделы изделия;

в разделах «Стандартные изделия» и «Материалы» - графу не заполняют;

в) в графе «Наименование» следует указывать:

в разделе «Документация» для документов, входящих в основной комплект документов специфицированного изделия и составляемых на данное изделие, - только наименование документов, например «Сборочный чертеж», «Технические условия», для документов на неспецифицированные составные части - наименование изделия и наименование документа;

в разделах «Сборочные единицы» и «Детали» - наименования изделий в соответствии с основной надписью на основных рабочих документах этих изделий;

в разделе «Стандартные изделия» - наименования и обозначения изделий в соответствии со стандартами на эти изделия;

в разделе «Материалы» - обозначения материалов, установленные в стандартах или технических условиях на эти материалы.

Для записи ряда изделий и материалов, отличающихся размерами и другими данными и примененных по одному и тому же документу (и записываемых в спецификацию за обозначением этого же документа), допускается общую часть наименования изделий или материалов с обозначением указанного документа записывать один раз в виде общего наименования (заголовка). Под общим наименованием записывают для каждого из указанных изделий и материалов только их параметры и размеры;

г) в графе «Кол.» следует указывать:

для составных частей изделия, записываемых в спецификацию, количество их на одно специфицируемое изделие;

в разделе «Материалы» - общее количество материалов на одно специфицируемое изделие с указанием единиц измерения. Допускается единицы измерения записывать в графе «Примечание» в непосредственной близости от графы «Кол.». В разделе «Документация» графу не заполняют;

д) в графе «Примечание» указывают дополнительные сведения для планирования и организации производства, а также другие сведения, относящиеся к записанным в спецификацию изделиям, материалам и документам.

Допускается совмещение спецификации со сборочным чертежом независимо от формата листа. При этом спецификацию следует заполнять в том же порядке и по той же форме, что и спецификацию, выполненную на отдельных листах. Совмещенному документу следует присваивать обозначение основного рабочего документа.

Пример выполнения спецификации строительного изделия приведен на рис. 4.7.

ПРИМЕР ВЫПОЛНЕНИЯ СПЕЦИФИКАЦИИ ИЗДЕЛИЯ

Рис. 4.7

На простые изделия (арматурные, закладные, соединительные изделия и т.п.), на составные части (детали) которых не выпускают отдельные чертежи, следует составлять спецификацию по упрощенной форме, приведенной на рис. 4.8.

При большом количестве деталей данные, необходимые для их изготовления, следует указывать в ведомости деталей по форме, приведенной на рис. 4.9. Пример выполнения ведомости деталей приведен на рис. 4.10.

Рис. 4.8

ВЕДОМОСТЬ ДЕТАЛЕЙ

Рис. 4.9

ПРИМЕР ЗАПОЛНЕНИЯ ВЕДОМОСТИ ДЕТАЛЕЙ

Рис. 4.10

4.3. Групповые рабочие чертежи строительных изделий

На два и более изделия одного и того же назначения и названия, например, колонны, плиты перекрытия и покрытия, арматурные и закладные изделия, близкие по своим конструктивным решениям, следует выполнять групповые чертежи.

Групповые чертежи могут быть выполнены одним из способов, каждый из которых является оптимальным при наличии определенных условий.

Основными критериями оценки целесообразности выполнения групповых чертежей вместо единичных являются: компактность чертежей на группу изделий и наглядность в показе различий между изделиями этой группы.

При наличии большого количества однотипных изделий следует в каждом конкретном случае рассмотреть возможность и целесообразность разделения этих изделий на несколько групп с выполнением на каждую из них самостоятельного группового чертежа.

При выборе способа и варианта выполнения рабочих чертежей следует учитывать степень удобства работы с чертежами с учетом особенностей организации производства, сходство и различие конструктивных особенностей изделий и степень различия изображений. Следует учитывать также количество исполнений, постоянных и переменных составных частей изделий.

В групповом чертеже должны быть приведены постоянные и переменные данные. К постоянным данным относится информация об исполнениях, одинаковая для группы изделий.

К переменным данным следует относить информацию об исполнениях изделий, неодинаковых для группы изделий.

Если детали или сборочные единицы различаются размерами, массой и другими данными, не влияющими на изображение, то на групповом чертеже достаточно выполнить один чертеж детали или сборочной единицы, а переменные данные привести в таблице, помечаемой на данном чертеже (рис. 4.11 а).

Если детали или сборочные единицы различаются данными, влияющими на изображение, но не затрудняющими чтение чертежа, то на групповом чертеже, кроме таблицы, содержащей переменные данные, следует приводить дополнительные изображения (частично или полностью), поясняющие различия исполнений.

Рис. 4.11

Изображения (виды, разрезы, сечения), относящиеся к одному исполнению, следует располагать компактно в одном месте и рассматривать их как самостоятельный рисунок. Каждому рисунку должен быть присвоен порядковый номер в пределах чертежа. Изображениям основного исполнения, при наличии переменных данных других исполнений, следует присваивать первый порядковый номер рисунка. Номера рисунков («Рис. 1», «Рис. 2», «Рис. 3» и т.д.) следует записывать над изображением в виде заголовков. Под наименованием рисунка, начиная со второго, следует указывать «Остальное - см. рис. 1».

Рисунок и ссылка должны полностью определять изображение того исполнения, на которое распространяется рисунок. В таблице исполнений следует поместить графу с заголовком «Рис.», в которой должен быть указан один номер рисунка для каждого исполнения (рис. 4.11 б).

Постоянные данные следует приводить на изображениях основного исполнения, не повторяя их на изображениях остальных исполнений, если нет необходимости пояснения таких изображений.

Допускается переменные элементы показывать на изображениях основного исполнения, если принадлежность таких элементов к определенным исполнениям однозначно определена в таблице исполнений. Например, в таблице может быть указано о наличии или отсутствии в разных исполнениях элемента, обозначенного на изображении буквой. На таблицы исполнений также возможны ссылки, помещаемые на полке линии-выноски, отведенной от элемента или указания о принадлежности элемента к тому или иному исполнению.

Переменные размеры, неодинаковые для всех исполнений, охваченные одним рисунком, следует наносить на чертеже буквенными обозначениями. Конкретные значения этих размеров и, при необходимости, их предельные отклонения следует указывать в таблице исполнений (см. рис. 4.11).

Допускается размеры и предельные отклонения наносить на размерных линиях с указанием их принадлежности к тому или иному исполнению (рис. 4.12).

Рис. 4.12

В тех случаях, когда каждому исполнению не присваивают отдельного обозначения в таблице исполнений, графу «Обозначение» следует заменять графой «Марка» (рис. 4.13).

На чертежах, охватывающих два исполнения, изображение одного из которых соответствует зеркальному отражению другого, должны быть, как правило, оба изображения.

Над каждым изображением указывают обозначение исполнения или марку. Кроме того, для второго изображения после обозначения (марки) должна быть запись: «зеркальное отражение». Таблицу исполнений в этом случае не помещают, а изображение второго исполнения допускается давать упрощенным и в уменьшенном масштабе.

Допускается показывать только одно изображение, если другое является его полным зеркальным отражением или имеет некоторые различия, которые могут быть показаны на изображении основного исполнения. При этом над изображением должна быть запись, поясняющая обозначение (марку) изображенного или неизображенного исполнения, например:

ХХХ-ХХ-ХХ - изображено,

ХХХ-ХХ-ХХ-01 - зеркальное отражение.

Изображение только основного исполнения не должно вызывать затруднения при изготовлении и контроле.

Переменная составная часть должна иметь для всех исполнений один номер позиции независимо от различий в изображениях, обозначениях и количестве таких частей для разных исполнений.

Если для одного исполнения применяется несколько одинаковых частей, а для другого исполнения эти составные части разные (имеют разные обозначения или марки), то им следует присвоить разные номера позиций.

Номера позиций следует наносить на изображения основного исполнения. На изображениях других исполнений наносят номера позиций только для составных частей, не применяемых в основном исполнении, и повторяют номера позиции для составных частей, имеющих иное изображение.

Рис. 4.13

Как показала практика выполнения работ на заводах-изготовителях по групповым чертежам, не следует объединять в одну группу более трех-пяти изделий, различающихся данными, влияющими на изображения или имеющих более трех-пяти переменных размеров, не одинаковых для всех исполнений.

На поле чертежа должны быть приведены постоянные технические требования и другие постоянные данные. Переменные технические требования и другие переменные данные, как правило, приводят непосредственно в таблице исполнений.

Если переменными данными являются материалы и масса, то их значения следует указывать в таблице исполнений, а в соответствующих графах основной надписи следует давать ссылку: «См. табл.».

Если из-за различия исполнений по размерам невозможно выполнить в одном масштабе изображения, относящиеся к ним, то в графе «Масштаб» следует ставить прочерк и около изображений масштаб не указывать.

Таблица исполнений должна быть помещена на поле чертежа, как правило, на первом листе.

Допускается таблицу исполнений помещать на последующих листах чертежа, например, если она занимает много места и ее размещение на первом (или на одном) листе нецелесообразно из-за увеличения принятого формата. В этом случае над основной надписью первого листа должна быть запись: «Таблицу исполнений см. на листе...» и далее указывают номер листа.

В таблицу исполнений должны быть внесены обозначения всех исполнений, на которые распространяется чертеж.

Обозначения исполнений следует записывать в первую графу слева, имеющую заголовок «Обозначение». Запись следует вести в порядке возрастания обозначений.

При записи группы исполнений полное обозначение следует записывать только для основного исполнения, а в последующих строках - дефисы и порядковые номера исполнений (см. подразд. 4.4).

Допускается обозначения исполнений указывать в головке, а наименования переменных данных - в боковике таблицы.

В основной надписи группового чертежа следует указывать одно обозначение, условно принятое за основное.

При групповом способе выполнения чертежей на простые изделия (арматурные, закладные, соединительные и т.п.), на составные части которых не выпускают отдельные чертежи, таблицу исполнений не выполняют, а все необходимые данные для исполнений приводят в спецификации.

4.4. Групповые спецификации строительных изделий

При групповом способе выполнения рабочей документации на строительное изделие должны составляться групповые спецификации.

Групповые спецификации по усмотрению разработчика могут составляться по одному из двух вариантов: варианту А или Б. Для спецификации по варианту А следует применять форму, как для единичной спецификации (см. рис. 4.6), спецификацию по варианту Б составляют по форме, приведенной на рис. 4.14.

Предпочтительной формой спецификации является форма по варианту Б, позволяющая ее составление на неограниченное количество исполнений.

Документы, распространяющиеся на все исполнения, охваченные данной спецификацией, следует записывать как постоянные, а остальные документы - как переменные данные.

При записи в спецификацию составной части изделия, оформленной групповым основным документом, указывают обозначение исполнения.

ФОРМА ГРУППОВОЙ СПЕЦИФИКАЦИИ ИЗДЕЛИЯ

Рис. 4.14

При последовательной записи составных частей, имеющих одинаковое базовое обозначение, первую составную часть следует записывать за полным обозначением, при записи последующих составных частей указывают дефис и порядковый номер исполнения, а при записи документов - дефис, порядковый номер исполнения и код документа.

При составлении спецификации по варианту А соблюдают следующий порядок записи в нее частей специфицируемого изделия:

после постоянных данных помещают для каждого исполнения отдельный раздел с переменными данными под заголовком «Переменные данные для исполнений», который помещают в графе «Наименование»;

переменные данные для основного исполнения следует записывать с соблюдением правил, установленных для единичных спецификаций, но порядковые номера позиций должны быть продолжением позиций постоянных составных частей;

переменные данные для каждого последующего исполнения следует записывать с соблюдением правил, установленных для единичных спецификаций, но составные части, независимо от их обозначений, следует записывать в каждом разделе в порядке возрастания номеров позиций, определившихся при записи составных частей для основного исполнения. Составные части, не применявшиеся в основном исполнении, следует записывать в конце соответствующего раздела;

если для какого-либо исполнения переменные данные не применяются, то ниже заголовка пишут: «Отсутствуют».

Пример заполнения спецификации по варианту А приведен на рис. 4.15.

При составлении спецификации по варианту Б соблюдают следующий порядок записи в нее частей специфицируемого изделия:

все данные без разделения их на переменные и постоянные следует записывать в спецификацию, в форме которой имеется для каждого исполнения отдельная графа;

в заголовок графы «Кол. на исполн. ...» записывают базовое обозначение исполнений и ставят знак «дефис». Ниже (в подзаголовках) записывают порядковые номера исполнений;

в графах для указания количества в разделе «Документация» ставят знак «X» для исполнений, на которые распространяется записанный в спецификацию документ. В остальных разделах спецификации в графах указывают числовые значения. Строки в незаполненных графах каждого исполнения оставляют свободными.

Пример заполнения групповой спецификации по варианту Б приведен на рис. 4.16.

ПРИМЕР ОФОРМЛЕНИЯ ГРУППОВОЙ СПЕЦИФИКАЦИИ ИЗДЕЛИЙ ПО ВАРИАНТУ А

Рис. 4.15

ПРИМЕР ОФОРМЛЕНИЯ ГРУППОВОЙ СПЕЦИФИКАЦИИ ИЗДЕЛИЙ ПО ВАРИАНТУ Б

Рис. 4.16

ФОРМА ГРУППОВОЙ СПЕЦИФИКАЦИИ

Рис. 4.17

При групповом способе выполнения чертежей на простые изделия (арматурные, закладные, соединительные и т.п.), на составные части которых не выпускают отдельные чертежи, составляют спецификацию по упрощенной форме, приведенной на рис. 4.17.

Пример выполнения группового чертежа и заполнения упрощенной спецификации приведен на рис. 4.18.

Групповые текстовые документы следует выполнять по правилам, аналогичным правилам выполнения групповых спецификаций.

4.5. Обозначение изделий и их спецификаций

Обозначение изделия одновременно является обозначением его спецификации.

В обозначение изделия и его спецификации включают базовое обозначение (обозначение соответствующего основного комплекта рабочих чертежей) с добавлением индекса «И» и через дефис марки изделия или его порядкового номера, например:

845-5-КЖ.И-Б1;

845-5-КЖ.И2.

Допускается обозначать изделия без привязки к объекту строительства (присваивать обезличенное обозначение). В этом случае базовое обозначение назначает проектная организация.

ПРИМЕР ВЫПОЛНЕНИЯ ГРУППОВОГО ЧЕРТЕЖА И ЗАПОЛНЕНИЯ СПЕЦИФИКАЦИИ СЕТОК

Рис. 4.18

В обозначение сборочного чертежа изделия включают обозначение изделия и код документа, например:

845-5-КЖ.И-Б1СБ;

845-5-КЖ.И2СБ.

В обозначение технических условий на всю группу изделий включают базовое обозначение с добавлением индекса «И» и кода документа, например:

845-5-КЖ.И-ТУ.

При выполнении групповой рабочей документации на изделие каждому исполнению присваивают самостоятельное обозначение.

В обозначение исполнения включают общее обозначение изделий, оформленных одним групповым документом, и номер исполнения

Порядковый номер исполнения устанавливают в пределах общего обозначения, начиная с 01, и отделяют от общего обозначения знаком дефис, например:

845-5-КЖ.И-Б2-01,

845-5-КЖ.И2-01.

Исполнению, принятому условно за основное, присваивают только общее обозначение без порядкового номера исполнения.

Деталям, на которые не выполняют отдельные чертежи, обозначение не присваивают.

4.6. Применение чертежей типовых изделий

Если в рабочие чертежи типовых изделий необходимо внести изменения, связанные с условиями их применения в конкретном здании или сооружении (например, предусмотреть установку дополнительных закладных изделий, устройство отверстий, исключение каких-либо частей), то на эти изделия должны быть выполнены дополнительные рабочие чертежи с учетом следующих требований:

типовые изделия изображают упрощенно сплошными тонкими линиями ();

на изображении типового изделия указывают только те части и размеры, которые относятся к изменениям. Дополнительные части изделия изображают сплошными толстыми основными линиями. При необходимости, на чертеже могут быть изображены составные части типового изделия сплошными тонкими линиями, а также нанесены размеры, приведенные на чертеже типового изделия, которые отмечают знаком «*» или заключают в скобки, а в технических требованиях на чертеже указывают: «*» Размеры для справок или «Размеры в скобках - для справок».

В спецификацию в раздел «Сборочные единицы» записывают изменяемое типовое изделие первой позицией; исключаемые из типового изделия составные части должны быть записаны за номером позиции по спецификации типового изделия в соответствующие разделы под заголовком: «Снятые составные части»; вновь установленные составные части записывают в соответствующие разделы под заголовком: «Вновь устанавливаемые составные части» с указанием номеров позиций, являющихся продолжением позиций, указанных в типовом изделии.

На поле чертежа изменяемого типового изделия приводят другие необходимые данные, не указанные на и изображении изделия и в спецификации.

Измененному изделию присваивают самостоятельную марку, включающую марку типового изделия и дополнительный индекс, например: 1К84-1а, где 1К84-1 - марка типового изделия, а - индекс, присвоенный измененному изделию.

Пример выполнения чертежа типовых железобетонных колонн с дополнительными закладными изделиями приведен на рис. 4.19.

ПРИМЕР ВЫПОЛНЕНИЯ ЧЕРТЕЖА ТИПОВОГО ИЗДЕЛИЯ С
ДОПОЛНИТЕЛЬНЫМИ ЗАКЛАДНЫМИ ИЗДЕЛИЯМИ

Рис. 4.19

5. ОБЩИЕ ПРАВИЛА ВЫПОЛНЕНИЯ ЧЕРТЕЖЕЙ

5.1. Форматы

Форматы листов чертежей и других документов определяются размерами внешней рамки (выполненной тонкой линией) оригиналов, подлинников, дубликатов, копий (рис. 5.1).

Форматы подразделяют на основные и дополнительные. За основные форматы принимаются форматы, полученные путем последовательного деления на две равные части параллельно меньшей стороне, начиная с формата, имеющего размер сторон 841´1189 мм и обозначаемого А0 (рис. 5.2).

Обозначения и размеры сторон основных форматов должны соответствовать указанным в табл. 5.1.

Рис. 5.1

Рис. 5.2

Таблица 5.1

Обозначение формата

Размеры сторон формата

А0

841´1189

А1

594´841

А2

420´594

А3

297´420

А4

210´297

Дополнительные форматы образуются увеличением коротких сторон основных форматов на величину, кратную их размерам (табл. 5.2).

Таблица 5.2

Кратность

Формат

А0

А1

А2

А3

А4

2

1189´1682

-

-

-

-

3

1189´2523

841´1783

594´1261

420´891

297´630

4

-

841´2378

594´1682

420´1189

297´841

5

-

-

-

420´1486

297´1051

6

-

-

-

420´1782

297´1261

7

-

-

-

-

297´1471

8

-

-

-

-

297´1682

9

-

-

-

-

297´1892

Обозначение производного формата составляется из обозначения основного формата и его кратности, например, А1´3, А2´3 и т.д. (рис. 5.3).

Таблица 5.3

мм

Размеры сторон форматов

Предельные отклонения

До 150

± 1,5

Св. 150 до 600

± 2

»    600

± 3

Рис 5.3

5.2. Масштабы

Масштабом называют отношение длины линии на изображении (виде, разрезе, сечении) к длине соответствующей линии в натуре. Масштаб обозначают в виде дроби, числитель которой равен единице, а знаменатель - числу, показывающему степень уменьшения длины линии, например: 1:10, 1:100. Такой масштаб называют масштабом уменьшения. Масштаб может выражаться числом, равным или большим единицы, например: 1:1, 2:1. Такие масштабы называют соответственно натуральной величиной и масштабом увеличения.

Масштабы изображений на чертеже должны выбираться из ряда, приведенного в табл. 5.4.

Таблица 5.4

Масштаб уменьшения

1:2; 1:2,5; 1:4; 1:5; 1:10; 1:15; 1:20; 1:25; 1:40; 1:50; 1:75; 1:100; 1:200; 1:400; 1:500; 1:800; 1:1000

Натуральная величина

1:1

Масштаб увеличения

2:1; 2,5:1; 4:1; 5:1; 10:1; 20:1; 40:1; 50:1; 100:1

В обоснованных случаях допускается принимать масштабы, отличные по высоте и длине изображения (например, при изображении металлических конструкций большой длины).

Масштаб, указанный в предназначенной для этого графе основной надписи чертежа строительного изделия, должен обозначаться по типу 1:1; 1:2; 2:1 и т.д.

5.3. Линии

Типы линий выбирают в зависимости от вида и формата чертежа, величины и сложности изображения, важности изображаемых на чертеже предметов.

Наименование, начертание, толщина линии по отношению к толщине основной линии и основные назначения линий, применяемых при выполнении проектной документации, должны соответствовать указанным в табл. 5.5.

Таблица 5.5

Типы линий

Основное назначение линии

Наименование

Начертание

Толщина линии

1. Сплошная толстая основная

S

Линии видимого контура

Линии контура сечения (вынесенного и входящего в состав разреза)

2. Сплошная тонкая

Линии контура наложенного сечения

Линии размерные и выносные

Линии штриховки

Линии-выноски

Полки линий-выносок и подчеркивание надписей

Линии для изображения пограничных деталей - «обстановка»

Линии ограничения выносных элементов на видах, разрезах и сечениях

Линии видимых контуров (в разрезах), не попадающих в плоскость сечения

Линии контуров строительных конструкций на схемах расположения оборудования

3. Сплошная очень толстая

2S

Линии для изображения арматурных изделий железобетонных конструкций

Контур земли на фасадах зданий

4. Сплошная волнистая

Линия обрыва

5. Штриховая тонкая

Линии невидимого контура

Линии перехода невидимые

6. Пунктирная (точечная)

 

Липни разрывов участков трубопроводов на схемах

Линии для обозначения границ земельных угодий

Линии для обозначения участков, выполненных в различных конструкциях (например, участки полов с различным покрытием)

7. Штрих-пунктирная тонкая

Линии координационных осей, осевые и центровые

Линии сечений, являющиеся осями симметрии для наложенных или вынесенных сечений

8. Штрих-пунктирная толстая

S

Линии, обозначающие поверхности, подлежащие покрытию

9.Штрих-пунктирная толстая

S

Линии для обозначения связи металлической

10. Разомкнутая

1,5S

Линии сечений

11. Сплошная тонкая с изломами

Длинные линии обрыва границ прерванной проекции или сечения (если границей не является штрих-пунктирная линия)

12. Штрих-пунктирная с двумя точками тонкая

Линия сгиба на развертках.

Линия для изображения развертки, совмещенной с видом.

Линии для изображения элементов, расположенных перед секущей плоскостью («наложенная проекция»)

13. Штрих-пунктирная с двумя точками очень толстая

2S

Линии для изображения пучковой арматуры предварительно напряженного железобетона

В качестве основной линии принимают сплошную толстую линию, которой изображают видимые контуры элементов зданий, сооружений, конструкций или оборудования, являющихся главным изображением чертежа. При этом, на архитектурно-строительных чертежах видимые линии контуров, не попадающих в плоскость сечения, выполняют сплошными тонкими линиями.

Длина штрихов в штриховых и штрих-пунктирных линиях может приниматься в зависимости от величины изображения (в пределах размеров, установленных в табл. 5.5).

Штрихи в линии, а также промежутки между штрихами и точками в линиях должны быть приблизительно одинаковой длины. На месте пересечения штриховых и штрих-пунктирных линий должны быть штрихи (рис. 5.4а), на месте пересечения пунктирных линий - точка (рис. 5.4б). Штрих-пунктирные линии, применяемые в качестве центровых, следует заменять сплошными тонкими линиями, если диаметр окружности или размер геометрических фигур в изображении менее 12 мм (рис. 5.5). Для сложных разрезов и сечений допускается концы разомкнутой линии соединять штрих-пунктирной тонкой линией (рис. 5.6).

а

б

Рис. 5.4

Рис. 5.5

Рис. 5.6

Штриховые линии должны соприкасаться штрихами, пунктирные - точками (рис. 5.7). Изломы и изгибы штриховых линий должны образовываться штрихами (рис. 5.8). На месте излома или изгиба пунктирной линии должна быть точка (рис. 5.9). У параллельных штриховых и штрих-пунктирных линий, расположенных рядом, штрихи и другие элементы должны чередоваться (рис. 5.10).

Рис. 5.7

Рис. 5.8

Рис. 5.9

Рис. 5.10

Толщина линий одного и того же типа должна быть одинаковой для всех изображений на данном чертеже, вычерчиваемых в одинаковом масштабе. Толщину линий выбирают из следующего ряда: 0,25; 0,35; 0,5; 0,7; 1,0; 1,4; 2 мм. Толщину сплошной основной линии, как правило, выбирают в пределах от 0,5 до 1 мм.

Рекомендуется использовать на одном чертеже не более трех толщин линий, соблюдая отношение тонкой, толстой и очень толстой линий 1:2:4.

Расстояние между параллельными линиями должно быть не менее 0,8 мм.

Примеры применения линий разных типов показаны на рис. 5.11 - 5.14.

От правильного применения линий по их назначению и выбора их толщин, а также качественного выполнения штриховых и штрих-пунктирных линий зависят удобство пользования чертежом, пригодность его для репрографии и микрофильмирования.

5.4. Шрифты чертежные

При выполнении текстовых документов, надписей, технических требований и таблиц, наносимых на чертежах рукописным способом, применяют следующие типы чертежных шрифтов:

тип А без наклона и тип А с наклоном около 75° с параметрами, приведенными в табл. 5.6;

тип Б без наклона и тип Б с наклоном около 75° с параметрами, приведенными в табл. 5.7.

Шрифты типа А и Б различаются между собой толщиной линий шрифта d в зависимости от его высоты h.

Размер шрифта определяют высотой прописных букв в миллиметрах.

Установлены следующие размеры шрифта: 1,8; 2,5; 3,5; 5; 7; 10; 14; 20; 28; 40. Применение шрифта размером 1,8 допускается только для типа Б.

Рис. 5.11

Рис. 5.12

Рис. 5.13

Рис. 5.14

Таблица 5.6

Шрифт типа А ()

Параметры шрифта

Обозначение

Относительный размер

Размеры, мм

Размер шрифта:

 

 

 

 

 

 

 

 

 

 

высота прописных букв

h

(14/14)h

14d

2,5

3,5

5,0

7,0

10,0

14,0

20,0

высота строчных букв

с

(10/14)h

10d

1,8

2,5

3,5

5,0

7,0

10,0

14,0

Расстояние между буквами

а

(2/14)h

2d

0,35

0,5

0,7

1,0

1,4

2,0

2,8

Минимальный шаг строк (высота вспомогательной сетки)

b

(22/14)h

22d

4,0

5,5

8,0

11,0

16,0

22,0

31,0

Минимальное расстояние между словами

е

(6/14)h

6d

1,1

1,5

2,1

3,0

4,2

6,0

8,4

Толщина линий шрифта

d

(1/14)h

d

0,18

0,25

0,35

0,5

0,7

1,0

1,4

Таблица 5.7

Шрифт типа Б ()

Параметры шрифта

Обозначение

Относительный размер

Размеры, мм

Размер шрифта:

 

 

 

 

 

 

 

 

 

 

 

высота прописных букв

h

(10/10)h

10d

1,8

2,5

3,5

5,0

7,0

10,0

14,0

20,0

высота строчных букв

c

(7/10)h

7d

1,3

1,8

2,5

3,5

5,0

7,0

10,0

14,0

Расстояние между буквами

а

(2/10)h

2d

0,35

0,5

0,7

1,0

1,4

2,0

2,8

4,0

Минимальный шаг строк (высота вспомогательной сетки)

b

(17/10)h

17d

3,1

4,3

6,0

8,5

12,0

17,0

24,0

34,0

Минимальное расстояние между словами

е

(6/10)h

6d

1,1

1,5

2,1

3,0

4,2

6,0

8,4

12,0

Толщина линий шрифта

d

(1/10)h

d

0,18

0,25

0,35

0,5

0,7

1,0

1,4

2,0

Расстояние а между буквами, соседние линии которых не параллельны между собой (например, между Г и А, А и Т), может быть уменьшено наполовину, т.е. на толщину d линии шрифта.

Минимальным расстоянием между словами е, разделенными знаком препинания, является расстояние между знаком препинания и следующим за ним словом.

Построение шрифта во вспомогательной сетке показано на рис. 5.15.

Предельные отклонения размеров букв и цифр ±0,5 мм.

Шрифт типа А:

русского алфавита (кириллицы) приведен на рис. 5.16 и 5.17; типа Б - на рис. 5.18 и 5.19;

латинского алфавита - на рис. 5.20 и 5.21; типа Б - на рис. 5.22 и 5.23;

греческого алфавита - нa рис. 5.24 и 5.25; типа Б - на рис. 5.26 и 5.27;

арабских и римских цифр - на рис. 5.28; типа Б - на рис. 5.29.

Римские цифры следует выполнять по правилам латинского алфавита. Римские цифры допускается ограничивать горизонтальными линиями.

Рис. 5.15

РУССКИЙ АЛФАВИТ (КИРИЛЛИЦА)

Шрифт типа А с наклоном

Рис. 5.16

Шрифт типа А без наклона

Рис. 5.17

Шрифт типа Б с наклоном

Рис. 5.18

Шрифт типа Б без наклона

Рис. 5.19

ЛАТИНСКИЙ АЛФАВИТ

Шрифт типа А с наклоном

Рис. 5.20

Шрифт типа А без наклона

Рис. 5.21

Шрифт типа Б с наклоном

Рис. 5.22

Шрифт типа Б без наклона

Рис. 5.23

ГРЕЧЕСКИЙ АЛФАВИТ

Шрифт типа А с наклоном

Рис. 5.24

Шрифт типа А без наклона

Рис. 5.25

Шрифт типа Б с наклоном

Рис. 5.26

Шрифт типа Б без наклона

Рис. 5.27

Наименование букв греческого алфавита, приведенных на рис. 5.24 - 5.27

1 - альфа

7 - эта

13 - ню

19 - тау

2 - бета

8 - тэта

14 - кси

20 - ипсилон

3 - гамма

9 - йота

15 - омикрон

21 - фи

4 - дельта

10 - каппа

16 - пи

22 - хи

5 - эпсилон

11 - ламбда

17 - ро

23 - пси

6 - дзета

12 - мю

18 - сигма

24 - омега

АРАБСКИЕ И РИМСКИЕ ЦИФРЫ

Шрифт типа А

Рис. 5.28

Шрифт типа Б

Рис. 5.29

Шрифт типа А знаков приведен на рис. 5.30 и 5.31, типа Б - на рис. 5.32 и 5.33. Наименование знаков приведены в табл. 5.8.

Таблица 5.8

Номера знаков на чертежах

Наименования знаков

Номера знаков на чертежах

Наименования знаков

1

Точка

24

Деление

2

Двоеточие

25

Процент

3

Запятая

26

Градус

4

Точка с запятой

27

Минута

5

Восклицательный знак

28

Секунда

6

Вопросительный знак

29

Параллельно

7

Кавычки

30

Перпендикулярно

8

И

31

Угол

9

Параграф

32

Уклон

10

Равенство

33

Конусность

11

Величина после округления

34

Квадрат

12

Соответствует

35

Дуга

13

Асимптотически равно

36

Диаметр

14

Приблизительно равно

37

Радикал

15

Меньше

38

Интеграл

16

Больше

39

Бесконечность

17 и 17а

Меньше или равно

40

Квадратные скобки

18 и 18а

Больше или равно

41

Круглые скобки

19

Плюс

42

Черта дроби

20

Минус, тире

43

Номер

21

Плюс-минус

44

От ... до

22, 23

Умножение

45

Знак подобия

 

 

46

Звездочка

ЗНАКИ

Шрифт типа А с наклоном

Рис. 5.30

Шрифт типа А без наклона

Рис. 5.31

Шрифт типа Б с наклоном

Рис. 5.32

Шрифт типа Б без наклона

Рис. 5.33

5.5. Изображения - виды, разрезы, сечения

В рабочих чертежах изображения зданий, сооружений и изделий выполняют, как правило, по методу прямоугольного (ортогонального) проецирования. При этом предмет изображения предполагается расположенным между наблюдателем и соответствующей плоскостью проекций (рис. 5.34).

За основные плоскости проекций принимают шесть граней куба. Грани совмещают с плоскостью, как показано на рис. 5.35. Грань 6 допускается располагать рядом с гранью 4.

Рис. 5.34

Рис. 5.35

При необходимости в строительно-монтажных чертежах могут применяться аксонометрические проекции, например, при выполнении схем технологических, санитарно-технических, электротехнических и других систем.

На генеральных планах, планах железнодорожных и автомобильных дорог и т.п. применяют проекции с числовыми отметками.

Изображения на чертеже в зависимости от их содержания разделяются на виды, разрезы и сечения.

В архитектурных чертежах виды зданий и сооружений в вертикальном положении принято называть фасадами, а виды сверху и горизонтальные разрезы зданий и сооружений - планами.

Изображение на фронтальной плоскости проекций принимается на чертеже в качестве главного.

Изделия следует располагать относительно фронтальной плоскости проекций так, чтобы изображение на ней давало наиболее полное представление о его форме и размерах. Изображать изделие следует в функциональном положении или в положении, удобном для его изготовления. Предметы, функциональное положение которых наклонное, следует изображать в вертикальном или горизонтальном положении. Высокие предметы, функциональное положение которых вертикальное (столбы, колонны, мачты), можно изображать в горизонтальном положении, причем нижнюю часть предмета следует помещать справа.

Количество изображений (видов, разрезов, сечений) должно быть минимальным, но необходимым для полного и однозначного представления о предмете изображения.

Виды - это изображения предметов, обращенных к наблюдателю видимой частью поверхности. Для уменьшения количества изображений допускается на видах показывать необходимые невидимые части поверхности предмета с помощью штриховых линий (рис. 5.36).

Видам присваивают наименования в зависимости от расположения на плоскости проекции. Например: вид спереди (главный вид, для здания (сооружения) - главный фасад), вид сверху (для здания (сооружения) - план кровли), вид слева, вид справа, вид снизу, вид сзади (при изображении изделия).

Если отсутствует изображение, на котором показано направление проецирования, то над соответствующим видом указывают его наименование, например: «Фасад между осями 1-24», «План кровли».

Направление взгляда при изображении изделия указывают стрелкой около соответствующего изображения. Над стрелкой и над полученным изображением (видом) следует нанести одну и ту же прописную букву русского алфавита или арабскую цифру. Допускается направление взгляда указывать двумя стрелками (рис. 5.37 и 5.38).

Если какую-либо часть изделия невозможно показать на главных видах, без искажения формы и размеров, то применяют дополнительные виды на плоскостях, не параллельных основным плоскостям проекций.

Дополнительный вид должен быть отмечен на чертеже надписью типа «Вид А», а у связанного с дополнительным видом изображения предмета должна быть поставлена стрелка, указывающая направление взгляда, с соответствующим буквенным обозначением (рис. 5.39).

Дополнительные виды допускается поворачивать, но положение, принятое для данного изделия на главном изображении, как правило, должно быть сохранено. Обозначение видов в этом случае дополняют условными графическими обозначениями  (рис. 5.40). При необходимости указывают угол поворота.

Когда дополнительный вид расположен в непосредственной проекционной связи с соответствующим изображением, стрелку и обозначение вида не наносят.

Соотношение размеров стрелок, указывающих направление взгляда, должно соответствовать приведенным на рис. 5.41.

Рис. 5.36

Рис. 5.37

Рис. 5.38

Рис. 5.39

Рис. 5.40

Рис. 5.41

Разрезы - изображения предмета, мысленно рассеченного одной или несколькими плоскостями, при этом мысленное рассечение предмета относится только к данному разрезу и не влечет за собой изменения других изображений того же предмета. На разрезах показывают то, что получается в секущей плоскости и что расположено за ней. Допускается изображать не все, что расположено за секущей плоскостью, если это не требуется для понимания изображения.

Разрезы разделяются, в зависимости от положения секущей плоскости относительно горизонтальной плоскости проекций, на:

горизонтальные - секущая плоскость параллельна горизонтальной плоскости проекций;

вертикальные - секущая плоскость перпендикулярна горизонтальной плоскости проекций;

наклонные - секущая плоскость составляет с горизонтальной плоскостью проекций угол, отличный от прямого.

В зависимости от числа секущих плоскостей разрезы разделяют на:

простые - при одной секущей плоскости (рис. 5.42);

сложные - при нескольких секущих плоскостях.

Сложные разрезы бывают ступенчатыми, если секущие плоскости параллельны (рис. 5.43), и ломаными, если секущие плоскости пересекаются (рис. 5.44).

Разрезы называются продольными, если секущие плоскости направлены вдоль длины или высоты предмета изображения, и поперечными, если секущие плоскости направлены перпендикулярно его длине или высоте (см. рис. 5.42).

Положение секущей плоскости указывают на соответствующем изображении линией сечения. Для линии сечения должна применяться разомкнутая линия. При сложном разрезе штрихи проводят также у мест пересечения секущих плоскостей между собой. На начальном и конечном штрихах следует ставить стрелки, указывающие направление взгляда; стрелки должны наноситься на расстоянии 2-3 мм от конца штриха. Начальный и конечный штрихи не должны пересекать контур соответствующего изображения (см. рис. 5.43).

Рис. 5.42

Рис. 5.43

Рис. 5.44

Разрезы здания или сооружения обозначают арабскими цифрами или прописными буквами русского алфавита, последовательно в пределах основного комплекта рабочих чертежей. Обозначение разрезов указывают по типу А-А, Б-Б; 1-1, 2-2.

Если разрезы отдельных участков здания или сооружения размещены на одном листе и на них нет ссылок на разрезы, расположенные на других листах, то обозначения разрезам допускается присваивать в пределах данного листа.

Планам этажей присваивают наименования, например, «План на oтм. 3.600», «План первого этажа».

Направление взгляда для разреза по плану здания (сооружения) принимают, как правило, снизу вверх и справа налево.

При ломаных разрезах секущие плоскости условно поворачивают до совмещения в одну плоскость, при этом направление поворота может не совпадать с направлением взгляда (рис. 5.44).

При повороте секущей плоскости элементы предмета, расположенные за ней, вычерчивают так, как они проецируются на соответствующую плоскость, с которой производится совмещение (см. рис. 5.44).

Разрез, служащий для выяснения устройства предмета лишь в отдельном, ограниченном месте, называется местным. Местный разрез выделяется на виде сплошной волнистой линией (рис. 5.45).

Часть вида и часть соответствующего разреза изделия допускается соединять, разделяя их сплошной волнистой линией или сплошной тонкой линией с изломом. Если при этом соединяются половина вида и половина разреза, каждый из которых является симметричной фигурой, то разделяющей линией служит ось симметрии (рис. 5.46).

Рис. 5.45

Рис. 5.46

Рис. 5.47

Рис. 5.48

Сечения - изображения фигуры, получающейся при мысленном рассечении предмета одной или несколькими плоскостями. На сечениях показывается только то, что получается непосредственно в секущей плоскости.

Сечения, не входящие в состав разреза, разделяют на вынесенные (рис. 5.47 и 5.48) и наложенные (рис. 5.49 и 5.50).

Вынесенные сечения являются предпочтительными и их допускается располагать в разрыве между частями одного и того же вида. Наложенные сечения изображают сплошными тонкими линиями.

Для несимметричных сечений, расположенных в разрыве или наложенных, линию сечения следует проводить со стрелками, при этом таким сечениям буквенное обозначение присваивать не следует (стрелки и линию сечения для симметричных сечений наносить не следует).

Для линии сечения следует применять разомкнутую линию, показывать направление взгляда стрелками и обозначать ее одинаковыми прописными буквами русского алфавита или цифрами.

Рис. 5.49

Рис. 5.50

Сечения по построению и расположению должны соответствовать направлению, указанному стрелками. Допускается располагать сечения на любом месте поля чертежа, а если сечение изображено с поворотом, то с добавлением условного графического обозначения.

Для нескольких одинаковых сечений, относящихся к одному предмету, линию сечения следует обозначать одной буквой или цифрой и вычерчивать для их изображения одно сечение. Если при этом секущие плоскости направлены под различными углами, то условное графическое обозначениенаносить не следует (рис. 5.51).

Для уточнения формы, состава, конструктивных особенностей здания, сооружения и изделия выполняют дополнительные, в более крупном масштабе, изображения отдельных их частей.

В архитектурно-строительных, технологических, санитарно-технических, электротехнических и других строительно-монтажных чертежах такими изображениями являются фрагменты планов, фасадов и узлы.

Фрагменты и узлы в целом принято называть выносными элементами.

Выносной элемент должен содержать подробности, не указанные на соответствующем изображении, и может отличаться от него по содержанию (рис. 5.52 а).

На планах и фасадах здания и сооружения фрагмент отмечают фигурной скобкой с указанием наименования и номера фрагмента, например, «Фрагмент 4 фасада», «Фрагмент 2 плана» (см. рис. 5.52 а). Допускается наименование и номер фрагмента указывать на полке линии-выноски, отводимой от соответствующей части изображения (рис. 5.52 б).

При изображении узла соответствующее место отмечают на плане, разрезе или сечении замкнутой сплошной тонкой линией - окружностью, овалом и т.п. с обозначением узла арабской цифрой на полке линии-выноски (рис. 5.53).

Рис. 5.51

Рис. 5.52а

Рис. 5.52б

Изображение узла располагают возможно ближе к соответствующему месту изображения, на котором на него дана ссылка.

Если узел помещен на другом листе, то номер листа указывают под полкой линии-выноски (см. рис. 5.53 б), либо на полке линии-выноски рядом, в скобках, в соответствии с рис. 5.53 а, г.

При необходимости ссылки на узел, помещенный в другом основном комплекте рабочих чертежей, или на типовой узел, указывают обозначение и номер листа соответствующего основного комплекта рабочих чертежей (см. рис. 5.53 б) или серию рабочих чертежей типовых узлов, номер выпуска и листа (см. рис. 5.53 в).

Допускается ссылку на узел наносить, как показано на рис. 5.54 и 5.55.

Над изображением узла указывают в кружке его порядковый номер (рис. 5.56 а). Если изображение узла находится на другом листе, то в кружке под полкой указывают номер листа, на котором имеется ссылка на этот узел (рис. 5.56 б).

Узлу, являющемуся полным зеркальным отражением другого (основного) исполнения, присваивают тот же номер, что и основному, с добавлением индекса «н».

Если фрагмент плана или фасада размещен на другом листе, то около наименования фрагмента указывают в скобках номер листа, на котором дана ссылка на этот фрагмент (см. рис. 5.52 а).

Рис. 5.53

Рис. 5.54

Рис. 5.55

Рис. 5.56

При выполнении видов, разрезов и сечений рекомендуется применять следующие условности и упрощения, если они не затрудняют чтение чертежа:

вычерчивать половину или немного более половины изображения вида, разреза, сечения с нанесением линии обрыва (рис. 5.57 и 5.58). При этом не допускается изображать до оси симметрии симметричные планы, фасады зданий и сооружений, схемы расположения элементов конструкций, планы и схемы расположения технологического, санитарно-технического, электротехнического и другого оборудования;

вычерчивать план одного из этажей многоэтажного здания, если эти планы имеют незначительные отличия друг от друга. Для других же планов следует выполнять только ту часть, которая необходима для показа отличия от плана, изображенного полностью. В этом случае под наименованием частично изображенного плана делают запись: «Остальное см. план (наименование полностью изображенного плана)»;

Рис. 5.57

Рис. 5.58

полностью показывать только один-два элемента из одинаковых, равномерно расположенных элементов на изображаемом предмете, а остальные элементы - упрощенно или условно (рис. 5.59);

изображать часть элементов предмета с указанием их количества, расположения и т.п.;

изображать пластинки, а также элементы деталей (отверстия, фаски, пазы, углубления и т.п.) размером (или разницей в размерах) на чертеже 2 мм и менее с отступлением (в сторону увеличения) от масштаба, принятого для всего изображения. Допускается отступать от масштаба, принятого для всего изображения, в сторону увеличения при незначительной конусности или уклоне предмета, а также при незначительных размерах (разницей в размерах) в 2 мм и менее отдельных элементов предметов (отверстий, фасок, пазов, углублений, пластинок и т.п.);

изображать часть предмета, находящегося между наблюдателем и секущей плоскостью тонкой штрих-пунктирной линией с двумя точками непосредственно на разрезе (как наложенная проекция) (рис. 5.60).

Рис. 5.59

Рис. 5.60

5.6. Условные и упрощенные графические изображения элементов зданий, сооружений и конструкций

Условные и упрощенные графические изображения элементов зданий, сооружений и конструкций приведены в табл. 5.10.

Таблица 5.10

Наименование

Изображение

В плане

В разрезе

1. Перегородка:

 

 

а) сборная, щитовая

б) из стеклоблоков

Примечание.

На чертежах в масштабе 1:200 и менее допускается обозначение всех видов перегородок одной сплошной толстой основной линией

 

 

2. Проемы:

 

 

а) проектируемый без заполнения

б) подлежащий пробивке в существующей стене, перегородке, покрытии, перекрытии

в) подлежащий закладке в существующей стене, перегородке, покрытии, перекрытии

Примечания:

1. В поясняющей надписи вместо многоточия указывается материал закладки.

2. На разрезах материал закладки изображают с применением соответствующих обозначений материалов. При малых размерах элементов вид материала записывают в выносной надписи

 

 

Заполнение проема:

 

 

а) без четверти

б) с четвертью

в) в масштабе 1:200 и менее, а также для чертежей элементов конструкций заводского изготовления

 

3. Пандус

Примечание.

Уклон пандуса указывают в плане в процентах (например, 10,5 %) или в виде отношения высоты и длины (например, 1:7) Стрелкой на плане обозначено направление спуска

 

 

4. Лестницы:

 

 

4.1. Лестница металлическая:

 

 

а) вертикальная

б) наклонная

4.2. Лестница:

 

В масштабе 1:50 и более:

а) нижний марш

б) промежуточные марши

в) верхний марш

В масштабе 1:100 и менее, а также для схем расположения элементов сборных конструкций:

Примечание.

Стрелкой указано направление подъема марша

 

5. Элемент существующий подлежащий разборке

6. Отмостка

7. Колонна:

а) железобетонная:

 

сплошного сечения

двухветвевая

б) металлическая:

 

сплошностенчатая

двухветвевая

Примечание.

Изображение А - для колонн без консоли, Б и В - для колонн с консолью.

 

 

8. Ферма

Примечание.

Изображение А - для фермы железобетонной, Б - для фермы металлической.

 

 

9. Плита, панель ребристые

10. Связь металлическая решетчатая:

а) одноплоскостная:

 

 

вертикальная

горизонтальная

б) двухплоскостная

в) тяжи

 

Изображение:

11. Двери, ворота:

 

11.1. Дверь однопольная

11.2. Дверь двупольная

11.3. Дверь двойная однопольная

11.4. Дверь двойная двупольная

11.5. Дверь однопольная с качающимся полотном

11.6. Дверь двупольная с качающимися полотнами

11.7. Дверь откатная однопольная

11.8. Дверь (ворота) раздвижная двупольная

11.9. Дверь (ворота) подъемная

11.10. Дверь складчатая

11.11. Дверь вращающаяся

11.12. Ворота подъемно-поворотные

12. Переплеты оконные:

 

12.1. Переплет с боковым подвесом, открывающийся внутрь

12.2. Переплет с боковым подвесом, открывающийся наружу

12.3. Переплет с нижним подвесом, открывающийся внутрь

12.4. Переплет с нижним подвесом, открывающийся наружу

12.5. Переплет с верхним подвесом, открывающийся внутрь

12.6. Переплет с верхним подвесом, открывающийся наружу

12.7. Переплет со средний горизонтальным подвесом

12.8. Переплет со средним вертикальным подвесом

12.9. Переплет раздвижной

12.10. Переплет с подъемом

12.11. Переплет глухой

12.12. Переплет с боковым подвесом или с нижним подвесом, открывающийся внутрь

Примечание.

Вершину знака следует направлять к обвязке, на которую не навешивается переплет

 

13. Условные изображения арматурных изделий:

 

13.1. Обычная арматура:

 

13.1.1. Арматурный стержень:

 

а) вид сбоку

б) сечение

13.1.2. Стержень с анкеровкой:

 

а) с крюками

б) с отгибами под прямым углом

13.1.3. Анкерное кольцо или пластина

вид с торца

13.1.4. Стержень с отгибом под прямым углом, идущим в направлении от читателя

То же в документации, предназначенной для микрофильмирования и там, где стержни расположены друг к другу очень близко

13.1.5. Стержень с отгибом под прямым углом, идущим в направлении к читателю

13.2. Предварительно напряженная арматура

 

13.2.1. Предварительно напряженный стержень или трос:

 

а) вид сбоку

б) сечение

13.2.2. Поперечное сечение арматуры с последующим натяжением, расположенной в трубе или канале

13.2.3. Анкеровка у напрягаемых концов

13.2.4. Заделанная анкеровка

вид с торца

13.2.5. Съемное соединение

13.2.6. Фиксированное соединение

Примечание.

Допускается предварительно напряженную арматуру показывать сплошной очень толстой линией.

 

13.3. Арматурные соединения:

 

13.3.1. Один плоский каркас или сетка:

 

а) условно

б) упрощенно (поперечные стержни наносят по концам каркаса или в местах изменения шага стержней)

13.3.2. Несколько одинаковых плоских каркасов или сеток

Примечание.

Арматурные и закладные изделия изображают очень толстой сплошной линией.

 

14. Соединения и крепежные детали элементов деревянных конструкций:

 

14.1. На шпонках

14.2. На скобах

14.3. На коннекторах

14.4. Соединение на нагелях:

 

а) пластинчатых

б) круглых

14.5. Соединение на шайбах

Примечание.

Условные изображения и обозначения швов сварных соединений выполняют по разд. 5.8.

 

 

Изображение в масштабах:

 

1:50 и 1:100

1:200

15. Каналы дымовые и вентиляционные:

 

 

15.1. Вентиляционные шахты и каналы

15.2. Дымовые трубы (твердое топливо)

15.3. Дымовые трубы (жидкое топливо)

15.4. Газоотводные трубы

5.7. Обозначения графические материалов и правила их нанесения на чертежах

Информацию о видах материалов, используемых в строительных конструкциях, следует приводить на чертежах с помощью условных графических обозначений.

Условные графические обозначения материалов в сечениях приведены в табл. 5.11.

При выделении материалов на виде (фасаде) их графические обозначения выполняют в соответствии с табл. 5.12.

Допускается применять дополнительные обозначения материалов, не предусмотренных в таблицах, поясняя их на чертеже.

Наклонные параллельные линии штриховки в обозначениях материалов следует проводить под углом 45° к линии контура изображения, к оси изображения или к линиям рамки чертежа (рис. 5.61).

Если линии штриховки, проводимые к линиям рамки чертежа под углом 45°, совпадают по направлению с линиями контура или осевыми линиями изображения, то линии штриховки следует наносить не под углом 45°, а под углом 30° или 60° (рис. 5.62).

Линии штриховки должны наноситься с наклоном влево или вправо, но, как правило, в одну и ту же сторону на всех сечениях, относящихся к одному и тому же изображению независимо от количества листов, на которых эти сечения расположены.

Расстояние между параллельными прямыми линиями штриховки (частота) должно быть одинаковым для всех выполняемых в одном и том же масштабе сечений данного изображения и выбираться в зависимости от площади штриховки и необходимости разнообразить штриховку сложных сечений. Указанное расстояние должно быть от 1 до 10 мм в зависимости от площади штриховки и необходимости разнообразить штриховку смежных сечений.

Узкие и длинные площади сечений, ширина которых на чертеже от 2 до 4 мм, рекомендуется штриховать полностью только на концах и у контуров отверстий, а остальную площадь сечения - небольшими участками в нескольких местах (рис. 5.63). В этих случаях линии штриховки стекла (рис. 5.64) следует наносить с наклоном 15 - 20° к линии большей стороны контура сечения. Штриховки всех обозначений материалов в этом случае следует выполнять от руки.

Узкие площади сечений, ширина которых на чертеже менее 2 мм, допускается показывать зачерненными с оставлением просветов между смежными сечениями не менее 0,8 мм (рис. 5.65).

Таблица 5.11

Материал

Обозначение

Металлы и твердые сплавы

Неметаллические материалы, в том числе волокнистые монолитные и плитные (прессованные), за исключением указанных ниже:

Древесина

Камень естественный

Керамика и силикатные материалы

Бетон

Железобетон

Железобетон предварительно напряженный

Стекло и другие светопрозрачные материалы

Стеклоблоки

Жидкости

Грунт естественный

Насыпной и обсыпной материал, штукатурка, асбестоцемент, гипс и т.д.

Гидроизоляционный материал

Звуко- и виброизоляционный материал

Теплоизоляционный материал

Примечания:

1. Композиционные материалы, содержащие металл и металлические материалы, обозначают как металлы.

2. Графическое обозначение керамики следует применять для обозначения кирпичных изделий (обожженных и необожженных), огнеупоров, строительной керамики, электротехнического фарфора, шлакобетонных блоков и т.д.

Таблица 5.12

Материал

Обозначение

Металлы

Сталь рифленая

Сталь просечная

Кладка из кирпича строительного и специального, клинкера, керамики, терракоты, искусственного и естественного камней любой формы и т.п.

Стекло

Примечание.

Обозначение материала на виде (фасаде) допускается наносить не полностью, а только небольшими участками по контуру или пятнами внутри контура.

Рис. 5.61

Рис. 5.62

Рис. 5.63

Рис. 5.64

Рис. 5.65

Рис. 5.66

Рис. 5.67

Рис. 5.68

Для двух смежных сечений наклон линий штриховки следует наносить: для одного сечения - вправо, для другого - влево (встречная штриховка).

При штриховке «в клетку» для двух смежных сечений расстояние между линиями штриховки в каждом сечении должно быть разным.

В смежных сечениях со штриховкой одинакового наклона и направления следует изменять расстояние между линиями штриховки (рис. 5.66) или сдвигать эти линии в одном сечении по отношению к другому, не изменяя угла их наклона (рис. 5.67).

Допускается на сечениях незначительной площади любой материал обозначать как металл или вообще не применять обозначение материала, сделав поясняющую надпись на поле чертежа.

При больших площадях сечений, а также при указании профиля грунта, допускается наносить обозначение материала лишь у контура сечения узкой полоской равномерной ширины (рис. 5.68).

5.8. Условные изображения и обозначения швов сварных соединений

Шов сварного соединения, независимо от способа сварки, условно изображают:

видимый - сплошной основной линией (рис. 5.69);

невидимый - штриховой линией (рис. 5.70);

видимую одиночную сварную точку изображают знаком «+» (рис. 5.71), который выполняют сплошными линиями (рис. 5.72). Невидимые одиночные точки не изображают.

Рис. 5.69

Рис. 5.70

Рис. 5.71

Рис. 5.72

От изображения шва или одиночной точки проводят линию-выноску, заканчивающуюся односторонней стрелкой (см. рис. 5.69; 5.70 и 5.72). Линию-выноску предпочтительно проводить от изображения видимого шва.

Линию-выноску для указания обозначения сварного шва можно указывать от изображения шва в разрезе или сечении.

На изображении сечения многослойного шва допускается наносить контуры отдельных проходов, при этом их необходимо обозначать прописными буквами русского алфавита (рис. 5.73).

Шов, размеры конструктивных элементов которого стандартами не установлены, изображают с указанием размеров конструктивных элементов, необходимых для выполнения шва по данному чертежу (рис. 5.74).

Границы шва изображают сплошными основными линиями, а конструктивные элементы кромок в границах шва - сплошными гонкими линиями.

Рис. 5.73

Рис. 5.74

Вспомогательные знаки для обозначения сварных швов приведены в табл. 5.13.

Таблица 5.13

Условное графическое обозначение шва

Назначение или наименование вспомогательного знака

Расположение вспомогательного знака относительно полки линии-выноски, проведенной от изображения шва

с лицевой стороны

с оборотной стороны

Снятие усиления шва

Обработка наплывов и неровностей с плавным переходом к основному металлу

Выполнение шва при монтаже изделия, т.е. при установке его по монтажному чертежу на месте применения

Шов прерывистый или точечный с цепным расположением.

Угол наклона линии 60°

Шов прерывистый или точечный с шахматным расположением

Шов по замкнутой линии.

Диаметр знака 3 - 5 мм

Шов по незамкнутой линии.

Знак применяют, если расположение шва ясно из чертежа

Примечания:

1. За лицевую сторону одностороннего шва сварного соединения принимают сторону, с которой производят сварку.

2. За лицевую сторону двустороннего шва сварного соединения:

с несимметрично подготовленными кромками принимают сторону, с которой производят сварку основного шва;

с симметрично подготовленными кромками может быть принята любая сторона.

1 - вспомогательные знаки шва по замкнутой линии и монтажного шва; 2 - обозначение стандарта на типы и конструктивные элементы швов сварных соединений; 3 - буквенно-цифровое обозначение шва по стандарту на типы и конструктивные элементы швов сварных соединений; 4 - условное обозначение способа сварки по стандарту на типы и конструктивные элементы швов сварных соединений (допускается не указывать); 5 - знак  и размер катета согласно стандарту на типы и конструктивные элементы швов сварных соединений; 6 - размер шва: 6.1 - для прерывистого шва - размер длины провариваемого участка, знак  или  и размер шага; 6.2 - для одиночной сварной точки - размер расчетного диаметра точки; 6.3 - для шва контактной точечной сварки или электрозаклепочного - размер расчетного диаметра точки или электрозаклепки; знак  или , размер шага; 6.4 - для шва контактной шовной сварки - размер расчетной ширины шва; 6.5 - для прерывистого шва контактной шовной сварки - размер расчетной ширины шва, знак умножения, размер длины провариваемого участка, знак  и размер шага; 7 - вспомогательные знаки.

Рис. 5.75

В условном обозначении шва вспомогательные знаки выполняют сплошными тонкими линиями. Вспомогательные знаки должны быть одинаковой высоты с цифрами, входящими в обозначение шва.

Структура условного обозначения стандартного шва или одиночной сварной точки приведена на схеме (рис. 5.75).

Знак  выполняют сплошными тонкими линиями. Высота знака должна быть одинаковой с высотой цифр, входящих в обозначение шва.

Структура условного обозначения нестандартного шва или одиночной точки приведена на схеме (рис. 5.76).

В технических требованиях чертежа или таблицы швов указывают способ сварки, которым должен быть выполнен нестандартный шов.

Условное обозначение шва наносят:

на полке линии-выноски, проведенной от изображения шва с лицевой стороны (рис. 5.77);

под полкой линии-выноски, проведенной от изображения шва с оборотной стороны (рис. 5.78).

1 - вспомогательные знаки шва по замкнутой линии и монтажного шва; 2 - размер шва: 2.1 - для прерывистого шва - размер длины провариваемого участка, знак  или  и размер шага; 2.2 - для одиночной сварной точки - размер расчетного диаметра точки; 2.3 - для шва контактной точечной сварки или электрозаклепочного - размер расчетного диаметра точки или электрозаклепки; знак  или  и размер шага; 2.4 - для шва контактной шовной сварки - размер расчетной ширины шва; 2.5 - для прерывистого шва контактной шовной сварки - размер расчетной ширины шва, знак умножения, размер длины провариваемого участка, знак  и размер шага; 3 - вспомогательные знаки.

Рис. 5.76

Обозначение шероховатости механически обработанной поверхности шва наносят на полке или под полкой линии-выноски после условного обозначения шва (рис. 5.79 и 5.80) или указывают в таблице швов, или приводят в технических требованиях чертежа, например: «Параметр шероховатости поверхности сварных швов...»

Рис. 5.77

Рис. 5.78

Рис. 5.79

Рис. 5.80

Если для шва сварного соединения установлен контрольный комплекс или категория контроля шва, то их обозначение допускается помещать под линией-выноской (рис. 5.81).

В технических требованиях или таблице швов на чертеже приводят ссылку на соответствующий нормативно-технический документ.

Сварочные материалы указывают на чертеже в технических требованиях или таблице швов. Допускается сварочные материалы не указывать.

Швы считаются одинаковыми, если их типы и размеры конструктивных элементов в поперечном сечении одинаковы и к ним предъявляют одни и те же технические требования.

При наличии на чертеже одинаковых швов обозначение наносят у одного из изображений, а от изображений остальных одинаковых швов проводят линии-выноски с полками. Всем одинаковым швам присваивают один порядковый номер, который наносят:

на линии-выноске, имеющей полку с нанесенным условным обозначением шва (рис. 5.82);

на полке линии-выноски, проведенной от изображения шва, не имеющего обозначения, с лицевой стороны (рис. 5.83 а);

под полкой линии-выноски, проведенной от изображения шва, не имеющего обозначения, с оборотной стороны (рис. 5.83 б).

Рис. 5.81

Рис. 5.82

Количество одинаковых швов допускается указывать на линии-выноске, имеющей полку с нанесенным обозначением шва (см. рис. 5.82).

Допускается не присваивать порядковый номер одинаковым швам, если все швы на чертеже одинаковы и изображены с одной стороны (лицевой или оборотной). При этом швы, не имеющие обозначения, отмечают линиями-выносками без полок (рис. 5.84).

Примеры условных обозначений швов сварных соединений приведены в табл. 5.14 и 5.15.

При наличии на чертеже швов, выполняемых по одному и тому же стандарту, обозначение стандарта указывают в технических требованиях чертежа (записью по типу: «Сварные швы ... по ...») или таблице.

На чертеже симметричной конструкции (изделия) допускается отмечать линиями-выносками и обозначать швы только на одной из симметричных частей изображения конструкции.

На чертеже конструкции (изделия), в котором имеются одинаковые составные части, привариваемые одинаковыми швами, эти швы допускается отмечать линиями-выносками и обозначать только у одного из изображений одинаковых частей (предпочтительно у изображения, от которого приведена линия-выноска с номером позиции).

Рис. 5.83

Рис. 5.84

Таблица 5.14

Примеры условных обозначений стандартных швов сварных соединений

Характеристики шва

Форма поперечного сечения

Условное обозначение шва, изображенного на чертеже

С лицевой стороны

С оборотной стороны

Шов стыкового соединения с криволинейным скосом одной кромки, двусторонний, выполняемый ручной дуговой сваркой при монтаже изделия

Усиление снято с обеих сторон

Параметр шероховатости поверхности шва:

с лицевой стороны - Rz20 мкм

с оборотной стороны - Rz80 мкм

Шов углового соединения без скоса кромок, двусторонний, выполняемый автоматической дуговой сваркой под флюсом по замкнутой линии

Шов стыкового соединения без скоса кромок, односторонний на остающейся подкладке, выполняемый сваркой нагретым газом с присадочным прутиком

Шов углового соединения со скосом кромок, выполняемый электрошлаковой сваркой проволочный электродом.

Катет шва 22 мм

Шов таврового соединения без скоса кромок, двусторонний, прерывистый с шахматным расположением, выполняемый ручной дуговой сваркой в инертных газах неплавящимся металлическим электродом с присадочным металлом по замкнутой линии.

Катет шва 6 мм

Длина провариваемого участка 50 мм

Шаг 100 мм

Шов соединения внахлестку без скоса кромок, односторонний, выполняемый дуговой полуавтоматической сваркой в инертных газах плавящимся электродом.

Шов по незамкнутой линии.

Катет шва 5 мм

Шов точечный соединения внахлестку выполняемый дуговой сваркой в инертных газах плавящимся электродом

Расчетный диаметр точки 9 мм, расположение точек шахматное, шаг 100 мм, параметр шероховатости обработанной поверхности 40 мкм.

Усиление шва снять

Одиночные сварные точки соединения внахлестку, выполняемые дуговой сваркой под флюсом.

Диаметр электрозаклепки 11 мм, параметр шероховатости обработанной поверхности Rz 80 мкм.

Усиление шва снять

Одиночные сварные точки соединения внахлестку, выполняемые контактной точечной сваркой

Расчетный диаметр точки 5 мм

Шов соединения внахлестку прерывистый, выполняемый контактной шовной сваркой

Ширина шва литой зоны 6 мм

Длина провариваемого участка 50 мм

Шаг 100 мм

Таблица 5.15

Пример условного обозначения нестандартного шва сварного соединения

Характеристики шва

Условное изображение и обозначение шва на чертеже

Шов соединения без скоса кромок, односторонний, выполняемый ручной дуговой сваркой при монтаже изделия

Примечание. В технических требованиях указывают: «сварка ручная дуговая».

Допускается не отмечать на чертеже швы линиями-выносками, а приводить указания по сварке записью в технических требованиях чертежа, если эта запись однозначно определяет места сварки, способы сварки, типы швов сварных соединений и размеры их конструктивных элементов в поперечном сечении и расположение швов.

Одинаковые требования, предъявляемые ко всем швам или группе швов, приводят один раз - в технических требованиях на чертеже или таблице швов.

5.9. Нанесение размеров и предельных отклонений

Основанием для определения величины и координации взаимного расположения зданий, сооружений, конструкций, изделий и их частей служат размерные числа, нанесенные на чертежи. Исключения составляют шаблоны и другие изображения, выполненные с достаточной степенью точности, позволяющей при определении их величины пользоваться масштабом.

Для удобства пользования чертежом не следует его перенасыщать размерами. Общее количество размеров должно быть минимальным, но достаточным для осуществления строительных работ и изготовления изделий. Не следует приводить размеры, которые не подлежат выполнению по данному чертежу. Например, не допускается наносить на схемы расположения элементов конструкций размеры типовых плит перекрытий, покрытий, стеновых панелей, изготавливаемых на заводах по отдельным чертежам. Только в необходимых случаях они могут быть нанесены как справочные. Справочные размеры следует заключать в скобки или отмечать знаком«*», а в технических требованиях на чертежах записывать: «Размеры в скобках для справок» или «* Размеры для справок» (рис. 5.85).

Линейные размеры и их предельные отклонения на чертежах и в спецификациях следует указывать в миллиметрах, без обозначения единицы измерения.

Для размеров и предельных отклонений, приводимых в технических требованиях и поясняющих надписях на поле чертежа, обязательно должны быть указаны единицы измерения.

Если на чертеже размеры необходимо указать не в миллиметрах, а в других единицах измерения, например, в сантиметрах, метрах, то соответствующие размерные числа необходимо наносить с обозначением единицы измерения или указывать их в технических требованиях.

Рис. 5.85

Рис. 5.86

Допускается не указывать единицы измерения в тех случаях, когда они оговорены соответствующими нормативными документами.

Угловые размеры и предельные отклонения угловых размеров указывают в градусах, минутах и секундах с обозначением единицы измерения, например: 4°; 4°30', 12°45'32'' или 0°30'±10'.

Для размерных чисел применение простых дробей не допускается, за исключением размеров в дюймах.

Выносные и размерные линии следует проводить тонкой сплошной линией.

Если размер относится к прямолинейному отрезку, то размерная линия должна проводиться параллельно этому отрезку, а выносные линии - перпендикулярно размерным.

Размерную линию на пересечении ее с выносными линиями, линиями контура или осевыми линиями следует ограничивать засечками.

Засечки выполняют толстыми линиями длиной не менее 3,5 мм, проведенными под углом 45° от выносной линии в направлении движения часовой стрелки.

Размерные линии должны выступать за крайние выносные линии на 1 - 3 мм. Выносные линии должны выходить за размерные линии на 1 - 5 мм (рис. 5.86)

Размерные числа на чертежах следует наносить над размерной линией возможно ближе к ее середине.

При недостатке места над размерной линией допускается нанесение размерного числа поочередно над и под размерной линией, на ее продолжении или на полке линии-выноски (рис. 5.87).

При нанесении нескольких параллельных или концентричных размерных линий на небольшом расстоянии друг от друга размерные числа над ними рекомендуется располагать в шахматном порядке (рис. 5.88).

Цифры должны быть сориентированы, как правило, таким образом, чтобы их можно было читать снизу или слева от изображения (рис. 5.89).

Минимальное расстояние между параллельными размерными линиями должно быть не менее 7 мм, а между размерной и контурной линиями - не менее 10 мм (рис. 5.90).

Если план, разрез или вид симметричного предмета изображают до оси симметрии, то все размеры следует указывать только до оси симметрии, а размерные линии на пересечении с осью симметрии следует ограничивать крестиком их засечек (рис. 5.91).

При изображении предмета с разрывом размерную линию не прерывают (рис. 5.92).

Допускается размерные линии проводить с обрывом:

при изображении одной половины симметричного изделия;

при указании размера диаметра окружности независимо от полноты ее изображения.

В этих случаях размерные линии должны выступать на 2 - 10 мм за линию симметрии или центр окружности (рис. 5.93). Допускается также размерные линии проводить с обрывом при нанесении размеров от базы, не изображенной на чертеже (рис. 5.94).

При изображении элементов предмета на одной оси или на одной окружности размеры, определяющие их взаимное расположение, могут быть нанесены различными способами в зависимости от требуемой точности такого расположения.

Рис. 5.87

Рис. 5.88

Рис. 5.89

Рис. 5.90

Рис. 5.91

Рис. 5.92

Рис. 5.93

Рис. 5.94

Рис. 5.95

Рис. 5.96

Наиболее часто встречающийся в строительном проектировании способ проставления размеров между смежными элементами (цепочкой) показан на рис. 5.95.

В отдельных случаях возникает необходимость проставлять размеры от общей базы, как нарастающие размеры. Размерную линию в этом случае проводят от условного начала отсчета «О», заканчивая ее стрелками у каждой выносной линии. Размерные числа наносят в направлении выносных линий у их концов (рис. 5.96).

При небольшом количестве элементов размеры от общей базы можно наносить как показано на рис. 5.97.

Размеры на чертежах изделий не рекомендуется наносить в виде замкнутой цепи, за исключением случаев, когда один из размеров указан как справочный (рис. 5.98).

Рис. 5.97

Рис. 5.98

Рис. 5.99

Рис. 5.100

Размер дуги окружности указывают радиусом и одним из следующих размеров:

размером центрального угла (рис. 5.99);

размером длины хорды (рис. 5.100).

Размер дуги окружности можно также указывать одним из следующих способов:

размерную линию проводят концентрично дуге, выносные линии - параллельно биссектрисе угла, а над размерным числом наносят знак «» (рис. 5.101);

размерную линию проводят, как и в первом случае, концентрично дуге, но выносные линии - радиально. Если имеется несколько концентрических дуг, то следует указать линией-выноской к какой дуге относится размер (рис. 5.102);

размерную линию и выносные линии проводят как и во втором случае, но около размера дуги указывают в скобках размер радиуса этой дуги (рис. 5.103).

Рис. 5.101

Рис. 5.102

Рис. 5.103

Рис. 5.104

При нанесении размера угла размерную линию проводят в виде дуги с центром в его вершине, а выносные линии - радиально (рис. 5.104).

При нанесении размеров угла, дуги окружности, диаметра или радиуса внутри окружности, радиусов наружных и внутренних округлений, а также размеров от общей базы, располагаемых на общей размерной линии, размерную линию следует ограничивать стрелками. Величины элементов стрелок размерных линий должны выбираться в зависимости от толщины линий видимого контура и вычерчиваться приблизительно одинаковыми на всем чертеже. Форма стрелки и примерное соотношение ее элементов показаны на рис. 5.105.

Линии контура, осевые, центровые и выносные линии не могут быть использованы в качестве размерных.

Размерные линии могут быть проведены непосредственно к линиям видимого контура, осевым, центровым и другим линиям.

Во всех случаях, когда это возможно, размерные линии следует наносить вне контура изображения.

Рис. 5.105

Рис. 5.106

Размерные числа и предельные отклонения не допускается разделять или пересекать какими бы то ни было линиями чертежа. Не допускается разрывать линию контура для нанесения размерного числа и наносить размерные числа в местах пересечения размерных, осевых, центровых линий. В месте нанесения размерного числа осевые, центровые линии и линии штриховки прерывают (рис. 5.106).

Размеры, относящиеся к одному и тому же конструктивному элементу (пазу, выступу, отверстию и т.п.), рекомендуется группировать в одном месте, располагая их на том изображении, на котором геометрическая форма данного элемента показана наиболее полно (рис. 5.107).

Рис. 5.107

Рис. 5.108

Допускается подчеркнуть размерное число, если элемент изображен с отступлением от масштаба изображения (рис. 5.108).

Размерные числа линейных размеров при различных наклонах размерных линий следует наносить в соответствии с рис. 5.109.

Если необходимо нанести размер в заштрихованной зоне, то соответствующее размерное число следует нанести на полке линии-выноски (см. рис. 5.109).

Угловые размеры наносят так, как показано на рис. 5.110. В зоне, расположенной выше горизонтальной осевой линии, размерные числа помещают над размерными линиями со стороны их выпуклости; в зоне, расположенной ниже горизонтальной осевой линии - со стороны вогнутости размерных линий.

Для углов малых размеров при недостатке места размерные числа помещают на полках линий-выносок в любой зоне (см. рис. 5.110)

Рис. 5.109

Рис. 5.110

Рис. 5.111

Если для написания размерного числа недостаточно места над размерной линией, то размеры наносят, как показано на рис. 5.111; если недостаточно места для нанесения стрелок, то их наносят, как показано на рис. 5.112. Способ нанесения размерного числа при различных положениях размерных линий (стрелок) на чертеже определяется наибольшим удобством чтения.

При нанесении размера радиуса перед размерным числом помещают прописную букву R (рис. 5.113).

При большой величине радиуса центр допускается приближать к дуге, в этом случае размерную линию радиуса показывают с изломом под углом 90° (рис. 5.114).

При проведении нескольких радиусов из одного центра размерные линии любых двух радиусов не располагают на одной прямой (рис. 5.115).

Рис. 5.112

Рис. 5.113

Рис. 5.114

Рис. 5.115

Рис. 5.116

Рис. 5.117

При малых радиусах на чертеже размерную линию следует проводить по направлению центра дуги и ограничивать стрелкой с внутренней или с наружной стороны дуги (рис. 5.116).

При малых радиусах скругления, не изображенных на чертеже, размерную линию следует проводить от грани скругляемого острия и ограничивать стрелкой (рис. 5.117).

Несколько радиусов одинаковой величины допускается изображать на общей полке линии-выноски (рис. 5.118).

При указании размера диаметра перед размерным числом наносят знак «Æ».

Размеры диаметров окружностей, изображенных в виде прямолинейного отрезка, указывают длиной этого отрезка (рис. 5.119).

Размер сферы может быть задан радиусом или диаметром. Если на чертеже трудно отличить сферу от других поверхностей, то перед размерным числом диаметра (радиуса) допускается наносить слово «Сфера» или знак «», например, «Сфера Æ 18,  R12» (рис. 5.120).

Размеры квадратного сечения следует указывать размером одной стороны, перед размерным числом наносят знак «» (рис. 5.121).

Размеры изображенного прямоугольника могут быть заданы размерами сторон через знак умножения на полке линии-выноски. При этом на первом месте должен быть указан размер той стороны прямоугольника, от которой проводится линия-выноска (рис. 5.122).

Рис. 5.118

Рис. 5.119

Рис. 5.120

Рис. 5.121

Перед размерным числом, характеризующим конусность, наносят знак «», острый угол которого должен быть направлен в сторону вершины конуса. Знак конуса и конусность в виде соотношения следует наносить над осевой линией или на полке линии-выноски (рис. 5.123). Уклон поверхности следует указывать непосредственно у изображения поверхности уклона или на полке линии-выноски в виде соотношения, в процентах или промилле. Знак уклона «» наносят перед размерным числом, острый угол знака должен быть направлен в сторону уклона (рис. 5.124).

На планах направление уклона плоскостей указывают стрелкой, над которой при необходимости проставляют величину уклона (рис. 5.125).

Отметки уровней указывают в метрах с точностью до трех десятичных знаков после запятой без обозначения единицы измерения.

Рис. 5.122

Рис. 5.123

Рис. 5.124

Рис. 5.125

Отметки уровней (высоты, глубины) элементов конструкций от уровня отсчета (условной «нулевой» отметки) обозначают условным знаком по рис. 5.126. Нулевую отметку указывают без знака, отметки выше нулевой - со знаком «+», ниже нулевой - со знаком «-» (рис. 5.127).

На фасадах, разрезах и сечениях отметки помещают на выносных линиях или линиях контурах (см. рис. 5.127). На планах отметки наносят в прямоугольнике, как показано на рис. 5.128.

Размеры фасок под углом 45°, как правило, указывают через знак умножения «×». Допускается указывать размеры на изображенной на чертеже фаски под углом 45° на полке линии-выноски, проведенной от грани (рис. 5.129).

Рис. 5.126

Рис. 5.127

Рис. 5.128

Рис. 5.129

Размеры фасок под углами, отличающимися от 45°, указывают двумя линейными размерами или линейными и угловыми размерами (рис. 5.130).

Размеры нескольких одинаковых элементов изделия, как правило, наносят один раз с указанием на полке линии-выноски количества этих элементов (рис. 5.131).

При нанесении размеров элементов, равномерно расположенных по окружности изделия (например, отверстий), вместо угловых размеров, определяющих взаимное расположение элементов, указывают только их количество (рис. 5.132).

Рис. 5.130

Рис. 5.131

Рис. 5.132

При нанесении размеров, определяющих расстояние между равномерно расположенными одинаковыми элементами изделия, рекомендуется вместо размерных цепей наносить размер между соседними элементами и размер между крайними элементами в виде произведения количества промежутков между элементами на размер промежутка (рис. 5.133).

Допускается не наносить на чертеже размеры радиуса дуги окружности сопрягающихся параллельных линий (рис. 5.134).

Рис. 5.133

Рис. 5.134

Рис. 5.135

Рис. 5.136

Нанесение размерных чисел без размерных линий допускается, если однозначно определяется, к какому участку относится размер:

на схемах металлоконструкций для размеров, определяющих расстояние между точками пересечения осевых линий стержней (рис. 5.135);

на отдельных участках элементов, изготовляемых гибом, например, арматурная деталь (рис. 5.136).

Нанесение размеров может осуществляться с использованием таблиц, при этом применяется координатный способ нанесения отверстий с обозначением их арабскими цифрами (рис. 5.137) или обозначение однотипных элементов прописными буквами (рис. 5.138).

Рис. 5.137

Рис. 5.138

Рис. 5.139

Допускается на чертежах одинаковые группы отверстий обводить сплошной тонкой линией с поясняющей надписью.

При изображении детали в одной проекции размер ее толщины или длины наносят, как показано на рис. 5.139.

Предельные отклонения размеров следует указывать непосредственно после номинальных размеров. Предельные отклонения линейных и угловых размеров относительно низкой точности допускается не указывать непосредственно после номинальных размеров, а оговаривать общей записью в технических требованиях при условии, что эта запись однозначно определяет значения и знаки предельных отклонений.

При указании числовых значений предельных отклонений для несимметрично расположенного поля допуска верхнее отклонение следует наносить над нижним (рис. 5.140).

При симметричном расположении поля допуска абсолютную величину отклонения следует указывать один раз со знаком плюс-минус (рис. 5.141).

Высота цифр отклонения должна быть равна высоте цифр номинального размера.

Когда необходимо указать только одни предельный размер (второй ограничен в сторону увеличения или уменьшения каким-либо условием), после размерного числа должно быть указано соответственно max или min (рис. 5.142).

Рис. 5.140

Рис. 5.141

Рис. 5.142

Рис. 5.143

Предельные отклонения размеров между повторяющимися элементами допускается оговаривать в технических требованиях (рис. 5.143).

Предельные отклонения угловых размеров следует указывать только числовыми величинами с указанием единиц измерения (градусы, минуты, секунды) (рис. 5.144).

Градусы и минуты следует выражать целыми числами.

Рис. 5.144

5.10. Обозначение характеристик точности

Характеристики точности геометрических параметров зданий, сооружений, конструкций и их элементов указывают на рабочих чертежах только в том случае, когда имеется необходимость в контроле размеров, ориентации и формы поверхностей.

Характеристики точности, которые должны быть приведены один раз для одного параметра, следует указывать непосредственно на изображениях, а характеристики точности, относящиеся к повторяющемуся параметру, - в технических требованиях на чертежах (рис. 5.145).

Если характеристики точности определены соответствующими нормативными документами, то на чертежах их не указывают.

Требования к точности функциональных параметров зданий, сооружений и конструкций должны быть увязаны с требованиями к точности изготовления изделий, разбивке координационных осей и установке элементов конструкций путем расчета точности.

Допуски размеров и положения должны обозначаться посредством указания номинального размера и предельных отклонений.

Величина допуска должна указываться в тех же единицах измерения, что и величина номинального размера, как правило, в миллиметрах (рис. 5.146).

Рис. 5.145

Рис. 5.146

Характеристики точности ориентации (взаимного положения) поверхностей (например, их точек, линий, ребер, граней) одного или двух элементов, либо элемента относительно заданного направления указывают числовыми значениями допусков или предельных отклонений с условными обозначениями по табл. 5.16.

Характеристики точности формы профиля или поверхности строительных элементов и конструкций указывают числовыми значениями допусков или предельных отклонений с условными обозначениями по табл. 5.17.

Характеристики точности высотного положения и положения в плане элемента или конструкции (например, их точек, граней, поверхностей) относительно базы (например, разбивочного ориентира, плоскости, грани, точки, отметки) указывают числовыми значениями предельных отклонений от номинального значения геометрического параметра, определяющего расстояние между элементом и базой (рис. 5.147).

При обозначении на чертежах характеристик точности установки элементов (см. в табл. 5.16 - совмещение ориентиров, совпадение поверхностей) базы не указывают.

Обозначение и числовое значение характеристики точности, относящейся к поверхности элемента, ограниченной контуром, указывают в рамке, направляющая линия должна заканчиваться точкой внутри контура поверхности (рис. 5.148).

Рис. 5.147

Рис. 5.148

Таблица 5.16

Виды допусков и отклонений ориентации и положения

Условные обозначения

Параллельности

Перпендикулярности

Наклона

Вертикальности

Горизонтальности

Соосности

Симметричности

Совмещения ориентиров

Совпадения поверхностей

Таблица 5.17

Виды допусков и отклонений формы

Условные обозначения

Прямолинейности

Плоскостности

Пропеллерности

Круглости

Цилиндричности

Формы заданного профиля

Формы заданной поверхности

Характеристики точности ориентации двух граней или поверхностей элементов в случаях, когда ни одна из них не является базой, указывают в рамке с соединительной линией, заканчивающейся стрелками (рис. 5.149). Если нет специальных указаний, требование распространяется на всю длину элементов.

При необходимости указания на чертеже технологического процесса, к которому относятся характеристики точности геометрического параметра, в том числе функционального, следует применять следующие буквенные обозначения:

М - процесс изготовления элементов;

S - процесс разбивки;

Е - процесс установки элементов;

В - функциональный геометрический параметр.

Буквенное обозначение вписывают в дополнительную рамку, помещаемую слева от рамки, в которой указывают допуски или предельные отклонения.

Если буквенное обозначение относится к геометрическим размерам (линейным или угловым), оно проставляется непосредственно за предельным отклонением, например: 6000 ± 6S.

При обозначении на чертежах характеристик точности установки элементов следует указывать монтажные ориентиры.

Ориентиры обозначают зачерненным треугольником на монтажном горизонте или ранее установленном элементе.

На разрезе ориентир для установки элемента:

в плане помещают под линией монтажного горизонта вершиной вверх (рис. 5.150);

ориентир для установки элемента по высоте показывают направленным по горизонтали (рис. 5.151).

Рис. 5.149

Рис. 5.150

Рис. 5.151

Рис. 5.152

На плане ориентир помещают симметрично линии (оси, грани элемента), относительно которой выполняется установка (рис. 5.152).

Ориентиры обозначают незачерненным треугольником на устанавливаемом элементе. Этот ориентир помещают симметрично на линии или грани устанавливаемого элемента.

При этом вершины каждой пары треугольников должны быть направлены друг к другу.

5.11. Нанесение на чертежах надписей, технических требований и таблиц

Кроме изображения предмета с размерами и предельными отклонениями чертеж может содержать текстовую часть, состоящую из технических требований и (или) технических характеристик, надписи, относящиеся к отдельным элементам изображаемого предмета, таблицы, содержащие условные обозначения, размеры и другие параметры.

Текстовую часть, надписи и таблицы включают в чертеж в тех случаях, когда содержащиеся в них данные, указания и разъяснения невозможно или нецелесообразно выразить графически или условными обозначениями.

Содержание текста и надписей должно быть кратким и точным. В надписях на чертежах не должно быть сокращений слов, за исключением общепринятых, а также установленных в стандартах и приведенных в табл. 5.18.

Текст на поле чертежа, таблицы, надписи с обозначением изображений, а также надписи, связанные непосредственно с изображением, как правило, располагают параллельно основной надписи чертежа.

Таблица 5.18

Перечень допускаемых сокращений слов, применяемых в основных надписях, технических требованиях и таблицах на чертежах и в спецификациях

Полное наименование

Сокращение

Автоматический

Авт.

Административно-бытовой

Адм.-быт.

Алюминий, алюминиевый

Алюм.

Арматура

Ар-ра

Армоцементный

Армоцем.

Архитектор

Арх. (н)

Асбестовый

Асб.

Асбестоцемент, асбестоцементный

Асб. цем.

Асбестоцементные волнистые листы

Асб. цем. в.л.

Асфальт, асфальтовый

Асф.

Асфальтобетон, асфальтобетонный

Асф. бет.

Без чертежа

Б/ч (т)

Бетон, бетонный

Бет.

Вентиляционная камера

Венткамера

Вентиляционный

Вент.

Ветровой

Ветр.

Взамен

Взам.

Внутренний

Внутр.

Водопровод, водопроводный

Водопр.

Водосток, водосточный

Водост.

Водяной столб

Вод. ст.

Воронка

Вор.

В том числе

В т.ч.

Выпуск

Вып. (ц)

Высота, высотой

Выс.

Вытяжной

Выт.

Гардероб

Гард.

Гипсовый

Гипс.

Главный

Гл. (и)

Главный инженер проекта

ГИП (н)

Грузоподъемность, грузоподъемностью

Груз.

Группа

Гр. (т, н)

Дерево, деревянный

Дер.

Деформационный шов

Д.ш.

Диаметр, диаметром

Диам.

Директор

Дир. (н)

Длина, длиной

Дл.

Документ

Докум.

Дополнение, дополнительный

Дополн.

Допускаемый

Допуск.

Древесноволокнистая плита

Др. вол. пл.

Древесностружечная плита

Др. струж. пл.

Дубликат

Дубл.

Единица измерения

Ед. изм. (т)

Емкость, емкостью

Емк. (ц, т)

Естественный

Естеств.

Железная дорога, железнодорожный

Ж.д.

Железная дорога нормальной колеи

Ж.д.н.к.

Железная дорога узкой колеи

Ж.д.у.к.

Железобетон, железобетонный

Ж.б.

Женский

Женск.; ж.

Женщина

Ж. (т)

Заведующий

Зав. (н)

Зенковка, зенковать

Зенк.

И другие

И др.

Известковый

Изв.

Изменение

Изм.

Изоляция, изоляционный

Изол.

Инвентарный

Инв.

Инженер

Инж. (н)

Инженерно-технические работники

ИТР

Институт

Ин-т (н)

И прочие

И пр.

И тому подобное

И т.п.

Канализация, канализационный

Канализ.

Кирпич, кирпичный

Кирп.

Количество

Кол.

Колонна

Кол. (н)

Комплект, комплектный

Компл. (т)

Конструктор

Констр. (н)

Конструкция, конструктивный

Констр.

Коэффициент

Коэфф. (т)

Коэффициент полезного действия

К.п.д.

Крановый

Кран.

Кровельный

Кров.

Левый

Лев.

Лестница, лестничный

Лестн.

Лист, листы

Л., л.л. (ц)

Максимальный, максимум

Макс.

Масштаб

М (ц)

Материалы

Maт-лы (т)

Металлический

Металл.

Минимальный, минимум

Мин.

Монтажный

Монт.

Мужской

Мужск.; м.

Мужчина

М. (т)

Нагрузка

Нагр.

Наибольший

Наиб.

Наименьший

Наим.

Например

Напр.

Наружный

Нар.

Начальник

Нач. (н)

Нетиповой

Нетип.

Номинальный

Номин.

Нормальный

Норм.

Нормативная нагрузка

Норм. нагр.

Нормоконтроль

Н. контр. (н)

Оборудование

Оборуд.

Обработка, обрабатывать

Обраб.

Общий

Общ.

Окружность

Окр.

Отверстие

Отв.

Отдел

Отд. (н)

Oтметка

Отм. (ц)

Оцинкованный

Оцинк.

Перегородка

Перег.

Перекрытие

Перекр.

Перемычка

Перем.

Песчаный

Песч.

Плотность

Пл. (т)

Подлинник

Подл.

Подпись

Подп.

Позиция

Пoз.

По порядку

П/п (т)

Правый

Прав.

Предельное отклонение

Пред. откл.

Приточно-вытяжной

Прит.выт.

Приточный

Прит.

Проверил

Пров. (н)

Проволока, проволочный

Провол.

Проект

Пр., пр-т

Прочистка

Пр. (и)

Рабочие чертежи

Р.ч.

Раздел

Разд. (ц)

Размер, размером

Разм.

Разработал

Разраб. (н)

Рассчитал

Рассчит. (н)

Расчетная нагрузка

Расч. нагр.

Рисунок

Рис. (ц)

Рифленый

Рифл.

Руководитель

Рук. (н)

Санитарно-технический

Сан.-техн.

Санитарный узел

Сан. узел, с.у.

Сборный

Сб.

Свинцовый

Свинц. (и, т)

Свыше

Св.

Сектор

Сект. (и)

Серия

Сер. (ц)

Сечение

Сеч.

Скважина

Скв.

Смотри

См.

Снеговой

Снег.

Специалист

Спец. (и)

Сталь, стальной

Ст.

Стальная лестница

Ст. л. (и)

Стандарт, стандартный

Станд.

Старший

Ст. (н)

Стеклянный

Стекл.

Страница

Стр.

Таблица

Табл.

Температура

Т-ра (т)

Температурный шов

Т.ш.

Техник

Техн. (н)

Технические условия

ТУ

Технический

Техн.

Технологический

Технол.

Типовой

Тип.

То есть

Т.е.

Толщина, толщиной

Толщ.

Труба

Тр.

Уборная

Уб.

Умывальная, умывальник

Ум.

Уровень головки рельса

Ур.г.р. (и)

Уровень грунтовых вод

Ур.г.в. (и)

Уровень земли

Ур.з. (и)

Уровень чистого пола

Ур.ч.п. (и)

Условный проход

Усл.прох.

Фундамент

Ф-т

Фундаментный

Фунд.

Хомут

Хом.

Цемент, цементный

Цем.

Центр масс

Ц.м.

Часть

Ч. (ц)

Человек

Чел. (ц, т)

Через

Чер. (ц, т)

Чертеж

Черт. (ц)

Шаг

Ш.

Ширина, шириной

Шир.

Шкаф двойной

Дв.шк.

Шкаф одинарный

Од.шк.

Штука

Шт.

Штукатурка

Штукат.

Щебень, щебеночный

Щеб.

Электрический

Эл.

Элемент

Элем., эл-т (и, т)

Этаж

Эт. (ц)

Примечание. Сокращения, отмеченные знаком (и) применяют на графических изображениях, (т) - в таблицах, (ц) - с цифрами или шифром, (н) - в наименованиях должностей в основной надписи.

Около изображений на полках линий-выносок следует наносить только краткие надписи, относящиеся непосредственно к изображению предмета, (например, указание о количестве и шаге деталей в изделии, ссылки на листы, где изображен выносной элемент).

Линию-выноску, пересекающую контур изображения и не отводимую от какой-либо линии, следует заканчивать точкой. Это обозначает, что информация, помещенная на полке линии-выноски, относится не к поверхности предмета, а ко всему предмету или части, составляющей предмет (рис. 5.153).

Рис. 5.153

Рис. 5.154

Допускается линию-выноску, отводимую от мелкомасштабного изображения и пересекающую его контур, заканчивать без точки.

Линию-выноску, отводимую от линий видимого и невидимого контура, изображенного основной и штриховой линией, следует заканчивать стрелкой (рис. 5.154).

Примечание. Цифрами условно обозначена последовательность расположения слоев конструкций и надписей на полках линий-выносок.

Рис. 5.155

Рис. 5.156

Рис. 5.157

Линию-выноску, отводимую от многослойных конструкций, также следует заканчивать стрелкой. Последовательность указания слоев конструкции должна соответствовать указанной на рис. 5.155.

Линии-выноски, отводимые от близко расположенных друг к другу трубопроводов и от стержней в арматурных изделиях, следует заканчивать засечками из сплошных толстых основных линий (рис. 5.156).

На конце линии-выноски, отводимой от всех других линий, не должно быть ни стрелки, ни точки, ни засечки, ни штриха (рис. 5.157).

Линии-выноски не должны пересекаться между собой, должны быть не параллельны линиям штриховки (если линия-выноска проходит по заштрихованному полю) и не пересекать, по возможности, размерные линии и элементы изображения, к которым не относится помещенная на полке линии-выноски надпись.

Допускается выполнять линии-выноски с одним изломом (рис. 5.158), а также проводить от одной полки две и более линии-выноски (рис. 5.159).

Надписи, относящиеся непосредственно к изображению, могут содержать не более двух строк, располагаемых над полкой линии-выноски и под ней.

Рис. 5.158

Рис. 5.159

Текстовую часть, помещенную на поле чертежа, располагают над основной надписью.

Между текстовой частью и основной надписью не допускается помещать изображения, таблицы и т.п., кроме штампа привязки и таблицы изменений, если она не включена в состав основной надписи.

На листax формата более А4 целесообразно размещать текст в две и более колонки. Ширина колонки должна быть не более 185 мм.

Таблицы размещают на свободном месте поля чертежа справа от изображения или ниже его.

Технические требования на чертеже излагают, группируя вместе однородные и близкие по своему характеру требования.

Пункты технических требований должны иметь сквозную нумерацию. Каждый пункт технических требований записывают с новой строки.

Заголовок «Технические требования» не пишут.

В случае, если на чертеже необходимо привести техническую характеристику, ее размещают отдельно от технических требований, с самостоятельной нумерацией пунктов, на свободном поле чертежа под заголовком «Техническая характеристика». При этом над техническими требованиями помещают заголовок «Технические требования». Оба заголовка не подчеркивают.

При выполнении чертежа на двух и более листах текстовую часть следует помещать только на первом листе независимо от того, на каких листах находятся изображения, к которым относятся указания, приведенные в текстовой части.

Надписи, относящиеся к отдельным частям предмета и наносимые на полках линий-выносок, следует помещать на тех листах чертежа, на которых они являются наиболее необходимыми для удобства чтения чертежа.

Таблицы, помещенные на чертеже, следует нумеровать в пределах чертежа при наличии ссылок на них в технических требованиях. При этом над таблицей справа пишут слово «Таблица» с порядковым номером (без знака №).

Если на чертеже только одна таблица, то ее не нумеруют и слово «Таблица» не пишут.

Для обозначения на чертеже изображений (видов (фасадов), планов, разрезов, сечений, координационных осей) применяют прописные буквы русского алфавита, за исключением букв Ё, З, Й, О, X, Ц, Ч, Щ, Ъ, Ы, Ь.

Буквенные обозначения присваивают в алфавитном порядке без повторения и, как правило, без пропусков, независимо от количества листов чертежа.

Рис. 5.160

Размер шрифта буквенных обозначений должен быть больше размера цифр размерных чисел, применяемых на том же чертеже, приблизительно в два раза.

Если на чертеже поиск дополнительных изображений (сечений, разрезов, дополнительных видов) затруднен вследствие выполнения его на двух и более листах, то дополнительные изображения отмечают с указанием номеров листов, на которых эти изображения помещены (рис. 5.160 а).

В этих случаях над дополнительными изображениями у их обозначений указывают номера листов, на которых дополнительные изображения отмечены, например: «А-А (2)»; «Вид Г (3)».

Допускается номера листов, на которых помещены дополнительные изображения, и номера листов, на которых дополнительные изображения отмечены, указывать как показано на рис. 5.160 б.

6. ПРАВИЛА ВНЕСЕНИЯ ИЗМЕНЕНИЙ В РАБОЧУЮ ДОКУМЕНТАЦИЮ

6.1. Общие положения

В процессе осуществления строительных и монтажных работ по выданной заказчику рабочей документации, включая привязанные к конкретной площадке строительства типовые и повторно применяемые проекты, может возникнуть необходимость внесения в нее изменений в связи с изменением отдельных положений нормативных документов, уточнением технологических процессов, заменой отдельных видов оборудования, элементов конструкций и по другим причинам.

Изменением рабочей документации, выданной заказчику, считается любое исправление или добавление каких-либо данных без изменения присвоенного документам обозначения.

Изменение в обозначение документов следует вносить в случаях, когда разным документам присвоено одинаковое обозначение или в нем допущена ошибка.

Если в результате внесения в документы изменений нарушаются принятые объемно-планировочные, конструктивные, технологические или другие решения здания или сооружения, то должны выпускаться новые документы с новым обозначением. При этом ранее разработанные документы должны быть аннулированы.

Вносить изменения в расчеты, сданные в архив, не допускается. При необходимости должны выполняться новые расчеты при сохранении ранее выполненных с соответствующим указанием об их замене.

При внесении изменений в рабочий документ на изделие, которое применено в нескольких зданиях (сооружениях) или входит в состав других изделий, должна быть проверена возможность внесения изменений для всех случаев применения этого изделия.

Если хотя бы для одного здания (сооружения) или изделия изменение окажется неприемлемым, то должен быть выпущен новый документ на изделие с новым обозначением.

Любое изменение в документе, вызывающее какие-либо изменения в других документах, должно сопровождаться внесением изменений во все взаимосвязанные документы.

6.2. Разрешение на внесение изменений

Внесение изменений в рабочую документацию должно производиться проектной организацией, ее разработавшей.

Изменения, вносимые в каждый документ, оформляют разрешением на внесение изменений по форме, приведенной на рис. 6.1, утвержденным руководителем организации или по его поручению другим должностным лицом.

Разрешение служит основанием для получения в техническом архиве подлинников документов для внесения в них изменений.

Если необходимо одновременно внести взаимосвязанные изменения в несколько листов одного и того же документа или в несколько документов, то в этом случае следует составлять одно разрешение на внесение изменений.

Каждое разрешение должно иметь обозначение, состоящее из порядкового номера разрешения по книге регистрации разрешений и двух последних цифр года регистрации разрешения, отделенных тире, например, «15-92».

В графах разрешения указывают:

в графе 1 - обозначение разрешения;

в графе 2 - обозначение документа, в который вносят изменение. Если изменения вносят в несколько документов по одному разрешению, в графе указывают общее базовое обозначение и марки основных комплектов, отделенные точкой с запятой, например, 462-2-АР; КЖ; ОВ;

в графе 3 - наименование строящегося предприятия, здания, сооружения;

в графе 4 - очередной порядковый номер изменения.

Изменениям, которые вносят по одному разрешению в один документ, присваивают один и тот же порядковый номер.

Очередной порядковый номер указывают для всего документа независимо от количества изменений и листов документа. Порядковые номера изменений обозначают арабскими цифрами: 1, 2, 3 и т.д.;

в графе 5 - номера листов документа, в которые вносят изменения;

в графе 6 - содержание изменения. Содержание приводится в виде текстового описания или графического изображения с указанием причины изменения.

При выпуске общего разрешения на несколько документов содержание изменения по каждому документу следует отделять горизонтальной линией.

ФОРМА РАЗРЕШЕНИЯ НА ВНЕСЕНИЕ ИЗМЕНЕНИЙ

Рис. 6.1

Если содержание разрешения не размещается на одном листе, его продолжают на последующих листах.

При замене листа под тем же номером в графу 6 вносят запись о замене, сопровождаемую кратким перечнем вносимых в лист изменений.

При введении дополнительного листа в графу 6 вносят запись об его выпуске с кратким описанием содержания нового листа.

При необходимости аннулирования листа в графу 6 следует записать: «Лист аннулировать»;

в графе 7 - шифр причины изменения в соответствии с табл. 6.1:

Таблица 6.1

Код причины изменения

Причины изменения

1

Введение усовершенствований

2

Изменение стандартов и норм

3

Дополнительные требования заказчика

4

Устранение ошибок

Если изменения вносят по нескольким причинам, то причины и шифры приводят в графе 6, в графе 7 в этом случае ставится прочерк;

в графе 8 - дополнительные сведения;

в графах 9 - 11 - фамилии лиц, подписавших разрешение, их подписи и даты подписания;

в графе 12 - наименование проектной организации и подразделения (отдела), составившего разрешение;

в графах 13 - 16 - наименование соответствующих подразделений или организаций, должности и фамилии лиц, с которыми согласовывается разрешение, их подписи и даты, а также подпись нормоконтролера;

в графе 17 - порядковый номер листа разрешения.

Если разрешение состоит из одного листа, заполняют только графу 18;

в графе 18 - общее количество листов разрешения.

Разрешение на внесение изменений регистрируют в книге регистрации разрешений на внесение изменений по форме, приведенной на рис. 6.2.

После регистрации разрешения вносят изменения в подлинник документа.

ФОРМА ЛИСТА КНИГИ РЕГИСТРАЦИИ РАЗРЕШЕНИЙ НА ВНЕСЕНИЕ ИЗМЕНЕНИЙ

Рис. 6.2

После внесения изменений в подлинник документа разрешение на внесение изменений сдается в технический архив на хранение и заказчику не направляется.

6.3. Порядок внесения изменений

Перед внесением изменений с подлинника документа или отдельных его листов должны быть изготовлены архивные копии, на которых проставляют штамп «Архивный экземпляр» (рис. 6.3).

В архивную копию изменения вносить не допускается. Архивную копию следует хранить отдельно от подлинников.

При аннулировании или замене документа все аннулированные и замененные листы подлинника крестообразно перечеркивают сплошными линиями и проставляют штамп, приведенный на рис. 6.4.

Рис. 6.3

В графах штампа указывают:

в графе 1 - порядковый номер очередного изменения документа, в соответствии с которым лист аннулирован (заменен), например: «Изм. 3». При аннулировании листа слово «Заменен» в штампе зачеркивают;

в графах 2 - 5 - должность, фамилию, подпись лица, ответственного за внесение изменений, и дату подписания.

Содержание вносимых в подлинник изменений должно соответствовать разрешению на внесение изменений.

Изменяемые размеры, слова, знаки, надписи и т.п. зачеркивают сплошными тонкими линиями, а рядом с зачеркнутым проставляют новые данные (рис. 6.5).

Если в подлиннике документа невозможно исправить отдельные места сложных графических изображений зачеркиванием, а выпускать новый подлинник нецелесообразно, то допускается изменяемые изображения, размеры, слова, знаки, надписи и т.д. удалять подчисткой (смывкой) с нанесением на этом же месте новых данных. При этом не допускается вырезать, заливать тушью или удалять (заклеивать) сведения каким-либо другим способом, нарушающим физическое состояние, внешний вид документа или отдельного его листа.

Рис. 6.4

Рис. 6.5

При изменении изображения (части изображения) его следует обвести сплошной тонкой линией, образующей замкнутый контур и крестообразно перечеркнуть сплошными тонкими линиями.

Измененный участок должен быть изображен на свободном поле листа как можно ближе к изменяемому участку. При недостатке места на данном листе измененный участок может быть выполнен на другом листе. Новое изображение участка должно быть выполнено в прежнем масштабе и без поворотов.

При внесении изменений изображения, буквы, цифры, знаки, слова и т.д. должны быть четкими, толщина линий, величина просветов и т.п. должны соответствовать требованиям, изложенным в соответствующих разделах настоящего пособия и быть пригодными для микрофильмирования.

Если на листе документа необходимо внести изменения в несколько участков изображения (изображений), то этим участкам следует присваивать порядковые номера в пределах данного изменения и листа.

Если в документе недостаточно места для внесения изменений, нарушается четкость изображения при исправлении или невозможно выполнить требования к микрофильмированию, то изготавливают новый подлинник с учетом вносимых в него изменений. При этом обозначение вновь изготовленного документа должно быть сохранено без изменений. Вновь изготовленному документу должен быть присвоен новый инвентарный номер, зарегистрированный в инвентарной книге, и соответственно должны быть заполнены дополнительные графы к основной надписи на всех его листах.

При внесении изменений могут быть заменены или исключены отдельные листы, а также разработаны дополнительные листы документа.

На замененном листе (разработанном вместо аннулированного) должен быть сохранен номер листа, взамен которого он выполнен.

Вновь разработанному (дополнительному) листу следует присваивать очередной порядковый номер листа документа.

На замененных или добавленных вновь листах следует сохранить прежние обозначение и инвентарный номер.

При осуществлении авторского надзора допускается вносить изменения в копии документов по правилам, установленным для подлинников документов с последующим оформлением «Разрешения на внесение изменений» и переносом в кратчайший срок всех изменений в подлинник документа.

Изменения документа, выполненного автоматизированным способом, осуществляют заменой документа в целом или отдельных его листов. В случае нецелесообразности замены документа или отдельных его листов, допускается вносить изменения вручную. При этом должны быть внесены изменения в данные, хранящиеся в составе информационного обеспечения САПР и предназначенные для получения изменяемого документа.

Изменяемым, аннулируемым и дополнительным участкам изображения присваивают обозначение, состоящее из порядкового номера очередного изменения документа и через точку порядкового номера изменяемого (аннулируемого, дополнительного) участка изображения в пределах данного листа.

Около каждого изменения, в том числе около изменения, исправленного подчисткой (смывкой), за пределами изображения или текста наносят обозначение изменения в параллелограмме в соответствии с рис. 6.6.

Рис. 6.6

От параллелограмма проводят сплошную линию к изменяемому участку.

Близко расположенные друг от друга измененные размеры, слова, знаки, надписи и т.д. обводят сплошной тонкой линией, образующей замкнутый контур, без перечеркивания. Этим изменениям следует присваивать одно обозначение (см. рис. 6.5).

Если новое изображение (часть изображения) размешают на другом листе, то у замененного изображения дополнительно указывают номер листа, на котором приведено новое изображение.

Новому участку изображения, размещенному на другом листе сохраняют обозначение, присвоенное измененному участку. Перенесенный на другой лист участок изображения не учитывают в таблице изменений этого листа.

Над новым изображением (частью изображения) должен быть помещен номер изменения в параллелограмме и указано «Взамен перечеркнутого» или «Взамен перечеркнутого на листе...» (рис. 6.7 и 6.8).

Если при замене изображения (части изображения) новое изображение помещают около заменяемого, то их допускается соединять линиями-выносками с общим обозначением изменения (рис. 6.9).

Рис. 6.7

Рис. 6.8

Над дополнительным изображением должно быть помещено в параллелограмме обозначение изменения с надписью «Дополнение». Дополнительному изображению следует присваивать очередной порядковый номер участка на листе в пределах данного изменения (рис. 6.10).

Изменения, внесенные в листы основного комплекта рабочих чертежей, должны быть отражены в ведомости рабочих чертежей на листах общих данных этого комплекта в графе «Примечание».

При внесении первого изменения в графе следует указать «Изм. 1», при внесении последующих изменений - дополнительно очередные номера изменений, отделяя от предшествующих точкой с запятой, т.е. «Изм. 1; 2; 3».

На замененных листах номер изменения следует дополнять записью «(Зам.)», например: Изм. 1 (Зам.); на аннулированных листах при номере изменения - «Аннулирован», например: Изм. 1 (Аннулирован); на дополнительных листах при номере изменения - (Нов.), например: Изм. 1 (Нов.).

Дополнительные листы следует записывать в ведомость рабочих чертежей основного комплекта. При недостатке места в ведомости рабочих чертежей для записи дополнительных листов продолжение ведомости следует перенести на первый из дополнительных листов.

Рис. 6.9

Рис. 6.10

При этом в конце ведомости должна быть запись: «Продолжение ведомости см. на листе... (номер листа)», а над ведомостью на дополнительном листе следует поместить заголовок: «Ведомость рабочих чертежей основного комплекта (продолжение)».

Номера и наименования аннулированных листов в ведомости рабочих чертежей основного комплекта должны быть зачеркнуты.

При изменении наименований листов следует внести соответствующие изменения в графу «Наименование» ведомости рабочих чертежей основного комплекта.

При изменении общего количества листов документа на его первом листе в основной надписи следует внести соответствующее изменение в графу «Листов».

Пример оформления изменений в ведомости рабочих чертежей основного комплекта приведен на рис. 6.11.

ПРИМЕР ВНЕСЕНИЯ ИЗМЕНЕНИЙ В ВЕДОМОСТЬ РАБОЧИХ ЧЕРТЕЖЕЙ

Рис. 6.11

При внесении изменений в листы прилагаемых документов следует внести соответствующие изменения в ведомость ссылочных и прилагаемых документов в том же порядке, какой установлен для ведомости рабочих чертежей основного комплекта (рис. 6.12).

При выполнении дополнительных и аннулировании ранее выполненных основных комплектов рабочих чертежей следует внести исправления в ведомость основных комплектов соответствующей марки.

Изменения, внесенные в подлинник документа, должны быть указаны в таблице изменений, помещаемой в основной надписи (подразд. 1.4).

Допускается таблицу изменений помещать вне основной надписи (над или слева от нее) по той же форме.

В графах таблицы изменений указывают:

в графе «Изм.» - порядковый номер изменения, вносимого в документ;

в графе «Кол. уч.» - количество изменяемых участков изображения на данном листе в пределах очередного изменения;

в графе «Лист» - на замененных листах (выпущенных вместо аннулированных) - «Зам.»; на листах добавленных вновь - «Нов.». При замене всех листов (разработке нового подлинника документа) на первом листе указывают «Все». В этом случае таблицу изменений на других листах не заполняют.

На измененных листах в графе «Лист» ставят прочерк;

в графе «№ док.» - обозначение разрешения;

в графе «Подп.» - подпись лица, ответственного за внесение изменений. Подпись специалиста, ответственного за нормоконтроль, следует помещать только на поле для подшивки листа;

в графе «Дата» - дату внесения изменений.

Изменения, внесенные в ведомость рабочих чертежей основного комплекта, в ведомость ссылочных и прилагаемых документов, в ведомость основных комплектов рабочих чертежей, в ведомость спецификаций и в графу «Листов» основной надписи в связи с внесением изменений в листы основного комплекта и прилагаемых к нему документов, в таблице изменений не учитывают и изменения им не присваивают.

Значительные изменения в текстовых документах следует вносить либо заменой всех или отдельных листов документа, либо путем выпуска новых дополнительных листов.

При изменении подлинников текстовых документов допускается при добавлении нового листа присваивать ему номер предыдущего листа с добавлением очередной арабской цифры, отделяя ее от предыдущей точкой, например: 3.1.

ПРИМЕР ВНЕСЕНИЯ ИЗМЕНЕНИЙ В ВЕДОМОСТЬ ССЫЛОЧНЫХ И ПРИЛАГАЕМЫХ ДОКУМЕНТОВ

Рис. 6.12

В этом случае на первом листе должно быть внесено изменение в общее количество листов.

В текстовых документах, содержащих в основном сплошной текст (например, технические условия, общие указания, технические требования), допускается при добавлении нового пункта присваивать ему номер предыдущего пункта с добавлением очередной строчной буквы русского алфавита, например: 3а; при аннулировании пункта - сохранять номера последующих пунктов.

В текстовых документах рекомендуется предусматривать таблицу регистрации изменений (ТР) и размещать ее на титульном листе. Форма ТР приведена на рис. 6.13.

В графах таблицы регистрации изменений должно быть указано:

в графах «Изм.», «№ докум.», «Подп.» и «Дата» - аналогично заполнению соответствующих граф таблицы изменений;

в графах «Номера листов (страниц): измененных, замененных, новых, аннулированных» - номера листов (страниц) соответственно измененных, замененных, добавленных и аннулированных по данному разрешению.

ФОРМА ТАБЛИЦЫ РЕГИСТРАЦИИ ИЗМЕНЕНИЙ

Рис. 6.13

При замене всего документа в графе «Номера листов (страниц) замененных» следует указывать «Все»;

в графе «Всего листов (страниц) в докум.» - количество листов (страниц) в документе. Графа должна заполняться в случае заполнения граф «Номера листов (страниц), новых» и (или) «Номера листов (страниц), аннулированных».

После внесения изменений копии измененных, замененных и дополнительных листов направляют организациям, которым ранее были направлены копии документов, совместно с копиями уточненных общих данных соответствующих основных комплектов рабочих чертежей и копиями титульных листов текстовых документов с нанесенной на них таблицей регистрации изменений.

Копии документов или отдельных листов, в которые внесены изменения, ранее высланные заказчику и подрядчику, должны быть ими аннулированы.

7. ПРАВИЛА ПРИВЯЗКИ ТИПОВОЙ И ПОВТОРНО ПРИМЕНЯЕМОЙ ПРОЕКТНОЙ ДОКУМЕНТАЦИИ

7.1. Общие положения

При разработке проектной документации для строительства во всех возможных случаях следует применять типовую проектную документацию, обеспечивающую значительное сокращение объема разрабатываемой рабочей документации и снижение трудозатрат на ее выполнение.

Кроме того, при разработке рабочей документации может быть повторно применена ранее разработанная индивидуальная рабочая документация на аналогичный объект строительства.

Типовая и повторно применяемая проектная документация, включая чертежи строительных изделий, разработанные в составе этой документации, должна быть привязана к конкретному объекту с учетом климатических, геологоструктурных, тектонических и других особенностей площадки и района строительства.

При привязке документации проверяется соответствие принятых в ней архитектурно-планировочных, технологических, инженерных и других решений здания или сооружения конкретным условиям строительства.

Конструкторская рабочая документация на технологическое и другое оборудование, входящее в состав привязываемой документации, привязке не подлежит.

Кроме того, проектная документация, подлежащая привязке, должна быть проверена на соответствие принятых в ней решений действующим на момент выполнения работ по привязке строительным нормам, правилам и стандартам.

Состав привязанной рабочей документации на здание или сооружение должен соответствовать указанному в разд. 1 Пособия.

Допускается привязка отдельных листов рабочих чертежей, содержащих технические решения, при условии, что в них имеется полная информация, необходимая для осуществления по ним строительных и монтажных работ.

Привязка отдельных листов типовой и повторно применяемой рабочей документации, не содержащих полной информации для выполнения строительных и монтажных работ, не допускается. При необходимости, технические решения, приведенные на этих листах, могут быть использованы как материал для проектирования.

ФОРМА ШТАМПА ПРИВЯЗКИ НА ПЕРВОМ ЛИСТЕ ДОКУМЕНТА

Рис. 7.1

При необходимости в привязываемую рабочую документацию вносят изменения: заменяют, исключают или добавляют в нее какие-либо данные. При этом, обложки, титульные листы, основные надписи и дополнительные графы к ним, расположенные на листах привязываемой документации, оставляют без изменения.

На каждом листе привязываемого документа, независимо от того, внесены в них изменения или нет, должен проставляться штамп привязки (предпочтительно над основной надписью или слева от нее):

на первом листе - по форме, приведенной на рис. 7.1;

на последующих листах и чертежах строительных изделий - по форме, приведенной на рис. 7.2.

ФОРМА ШТАМПА ПРИВЯЗКИ НА ПОСЛЕДУЮЩИХ ЛИСТАХ ДОКУМЕНТА

Рис. 7.2

ПРИМЕР ЗАПОЛНЕНИЯ ШТАМПА ПРИВЯЗКИ НА ПЕРВОМ ЛИСТЕ ДОКУМЕНТА

Рис. 7.3

Примеры заполнения штампов привязки приведены на рис. 7.3 и 7.4.

В графах штампа привязки указывают:

в графе 1 - новое обозначение документа, соответствующее проектируемому объекту. Например: «Привязан: 2345-11-АР», или «Привязан: 2145-11-КЖ.И22»;

в графе 2 - наименование организации, выполнившей привязку;

в графе 3 - наименование проектируемого предприятия, здания или сооружения, для которого выполнена привязка;

в графе 4 - характер выполненной работы (привязал, проверил, нормоконтролер) или должности (ГИП, начальник отдела и т.п.);

в графе 5 - фамилии лиц, подписавших лист после их привязки;

в графе 6 - подписи лиц, указанных в графе 5;

в графе 7 - даты подписания;

в графе 8 - инвентарный номер, присвоенный привязанному документу;

в графе 9 - количество листов привязанной документации;

в графе 10 - подпись лица, принявшего привязанный документ на хранение;

в графе 11 - дату подписания лицом, указанным в графе 10.

На дополнительных и замененных (выпущенных вместо аннулированных) листах взамен штампа привязки следует наносить основные надписи и дополнительные графы к ним по формам и правилам их заполнения, приведенным в подразд. 1.4.

ПРИМЕР ЗАПОЛНЕНИЯ ШТАМПА ПРИВЯЗКИ НА ПОСЛЕДУЮЩИХ ЛИСТАХ ДОКУМЕНТА

Рис. 7.4

Если в одном альбоме привязываемой документации скомплектовано два и более документов, то на обложке и титульном листе штамп привязки проставлять не следует.

В целях сокращения объема привязочных работ рекомендуется изменения вносить только в один экземпляр документа, являющийся в дальнейшем подлинником, с которого должны быть изготовлены копии в установленных количествах экземпляров.

Если привязочные изменения вносят во все экземпляры, то при большом объеме привязываемой документации допускается подписание в штампах привязки всеми лицами, ответственными за привязку, только одного экземпляра, подлежащего хранению в архиве на правах подлинника, а в остальных экземплярах эти подписи должны быть заверены подлинной подписью ответственного за привязку.

Привязанную к конкретной площадке строительства документацию не допускается использовать для вторичной привязки.

Не рекомендуется для повторного применения ранее разработанная проектная документация, в которую в процессе осуществления строительства внесено большое количество изменений.

Привязка рабочей документации в зеркальном изображении не допускается.

В рабочей документации на здание и сооружение могут быть применены разработанные проектной организацией и утвержденные ее руководством для многократного применения рабочие чертежи конструкций, изделий и узлов, а также отдельных технологических, электротехнических и других решений.

Если эти рабочие чертежи применяются без изменений, то штамп привязки на них не проставляют, а записывают в раздел «Прилагаемые документы» ведомости ссылочных и прилагаемых документов к соответствующему основному комплекту рабочих чертежей без изменения ранее присвоенных им обозначений.

Если в привязанную рабочую документацию после ее передачи заказчику необходимо внести какие-либо изменения, то их вносят по правилам, изложенным в разд. 6.

7.2. Порядок оформления привязки

Изменяемые изображения, размеры, слова, знаки, надписи зачеркивают сплошными тонкими линиями, а рядом с зачеркнутым проставляют новые данные.

Если на листе невозможно исправить отдельные места сложных графических изображений зачеркиванием, а выпускать новый лист нецелесообразно, то допускается изменяемые изображения, размеры, слова, знаки, надписи удалять подчисткой (смывкой) с нанесением на этом же листе новых данных.

Не допускается вырезать, заливать тушью или удалять (заклеивать) сведения каким-либо другим способом, нарушающим физическое состояние, внешний вид документа или отдельного его листа.

При изменении части изображения изменяемый участок следует обвести сплошной тонкой линией, образующей замкнутый контур, и крестообразно перечеркнуть сплошными тонкими линиями. Измененный участок следует изобразить в прежнем масштабе без поворота на свободном поле листа (рис. 7.5).

Если изменяемых участков изображения два или более, то им присваивают порядковые номера, которые проставляют римскими цифрами на полке линии-выноски (см. рис. 7.5).

Над измененным участком указывают римской цифрой порядковый номер изменяемого участка изображения и надпись «Взамен перечеркнутого» (рис. 7.6).

Если новое изображение или часть изображения помещают на другом листе, то у заменяемого изображения указывают также номер листа, на котором находится новое изображение.

Над измененным участком указывают римской цифрой порядковый номер изменяемого участка изображения и надпись «Взамен перечеркнутого на листе...» (рис. 7.7).

Непримененные (аннулированные, в том числе с заменой) листы следует крестообразно перечеркнуть и из привязанной документации исключить, в том числе из экземпляра, хранящегося в архиве в качестве подлинника.

Замененным листам следует присваивать порядковые номера аннулированных листов, вместо которых они выпущены, а дополнительным листам - порядковые номера в продолжение номеров листов привязываемого документа.

После внесения изменений изображения, буквы, цифры, знаки должны быть четкими, выдержаны толщины линий и величина просветов. Привязанная документация должна быть пригодна для микрофильмирования.

При привязке вносят изменения в помещенные на листах общих данных ведомости рабочих чертежей основного комплекта, ведомости основных комплектов рабочих чертежей и ведомости ссылочных и прилагаемых документов.

В ведомости рабочих чертежей основного комплекта зачеркивают номера и наименования аннулированных листов и вписывают номера и наименования дополнительных листов.

Рис. 7.5

Рис. 7.6

Рис. 7.7

При недостатке места в ведомости для записи дополнительных листов, продолжение ведомости переносят на первый из дополнительных листов. В конце ведомости на листе общих данных помещают запись: «Продолжение ведомости смотри на листе... (номер листа)» (рис. 7.8), а продолжение ведомости помещают под заголовком: «Ведомость рабочих чертежей основного комплекта (продолжение)».

В ведомости ссылочных и прилагаемых документов зачеркивают обозначения и наименования документов, не примененных в привязываемом основном комплекте, и вписывают документы, дополнительно примененные при привязке.

ПРИМЕР ВНЕСЕНИЯ ИЗМЕНЕНИЙ В ВЕДОМОСТЬ РАБОЧИХ ЧЕРТЕЖЕЙ ОСНОВНОГО КОМПЛЕКТА ПРИ ПРИВЯЗКЕ

Рис. 7.8

ПРИМЕР ВНЕСЕНИЯ ИЗМЕНЕНИЙ В ВЕДОМОСТЬ ОСНОВНЫХ КОМПЛЕКТОВ РАБОЧИХ ЧЕРТЕЖЕЙ ПРИ ПРИВЯЗКЕ

Рис. 7.9

В ведомости основных комплектов рабочих чертежей исправляют обозначения основных комплектов на принятые при привязке и зачеркивают обозначения и наименования неиспользуемых основных комплектов, вписывают обозначения и наименования основных комплектов, дополнительно разработанных при привязке (рис. 7.9).

8. ПРАВИЛА УЧЕТА И ХРАНЕНИЯ ПОДЛИННИКОВ ПРОЕКТНО-СМЕТНОЙ ДОКУМЕНТАЦИИ

8.1. Учет и хранение

Подлинники, дубликаты и копии документов подлежат учету и хранению в организации, разработавшей проектно-сметную документацию.

Подлинники рабочей документации на здания и сооружения, законченные строительством, как правило, передаются на хранение дирекции предприятия или заказчику по строительству в соответствии с договором (контрактом) на выполнение проектных работ.

Подлинники документов, принятые на хранение, должны быть зарегистрированы в инвентарной книге подлинников по форме, приведенной на рис. 8.1.

Инвентарная книга является документом, подтверждающим поступление в технический архив соответствующих документов.

Инвентарные книги для регистрации подлинников и поступающих от других предприятий дубликатов, как правило, следует вести отдельно, при этом инвентарные номера не должны повторяться.

При приеме подлинников документов на хранение следует проверять:

комплектность документов - в соответствии с ведомостью рабочих чертежей, ведомостью ссылочных и прилагаемых документов и спецификацией изделия или содержанием альбомов, книг и других документов, в которых перечислена вся сдаваемая документация;

наличие необходимых подписей и дат;

правильность выполнения основных надписей и титульных листов;

пригодность подлинников для хранения, многократного снятия с них копий и репрографической обработки. Подлинники не должны иметь прорывов, подклеек, протертых мест, перегибов, неполностью удаленных изображений при подчистке.

Каждому подлиннику документа должен быть присвоен один инвентарный номер независимо от количества листов.

На документе, состоящем из нескольких листов, инвентарный номер наносят на каждый лист.

ИНВЕНТАРНАЯ КНИГА

Рис. 8.1

Одновременно с регистрацией подлинников (в инвентарной книге) должны быть заполнены соответствующие графы учета, расположенные на поле для подшивки листов подлинника.

Учет подлинников должен производиться на учетных карточках. Формы учетных карточек приведены на рис. 8.2 и 8.3.

Допускается учитывать подлинники документов на изделия отдельно от основных комплектов рабочих чертежей по форме, приведенной на рис. 8.4. По этой же форме регистрируют подлинники, не относящиеся к конкретному предприятию, зданию и сооружению (например, рабочие чертежи внутриинститутской типизации).

Если подлинник документа выполнен с учетом возможности изготовления с него двусторонних копий, в инвентарной книге и в учетной карточке указывают количество сдвоенных листов (в числителе) и количество страниц (в знаменателе).

В графах учетных карточек указывают:

в графе 1 - инвентарный номер подлинника документа;

в графе 2 - дату поступления подлинника документа на хранение;

в графе 3 - условное обозначение стадии проектирования;

в графе 4 - обозначение подлинника документа по основной надписи;

в графе 5 - наименование подлинника документа, например: «Основной комплект рабочих чертежей марки АР»;

в графе 6 - количество листов в подлиннике документа;

в графе 7 - отметку об аннулировании, замене подлинника документа;

в графе 8 - шифр строящегося предприятия, здания или сооружения;

в графе 9 - наименование строящегося предприятия, здания или сооружения и место строительства;

в графах 10, 11 - порядковые номера листов учетной карточки.

Подлинники документов, выполненные на листах формата А1 и менее, следует хранить в развернутом виде на скалках.

При невозможности хранения подлинников в развернутом виде их следует хранить в сложенном виде в жестких папках, сфальцованными на формат А4.

Листы чертежей всех форматов следует складывать сначала вдоль линий перпендикулярных (продольных), а затем вдоль линий параллельных (поперечных) основной надписи.

Листы чертежей после складывания должны иметь основную надпись на лицевой стороне сложенного листа.

УЧЕТНАЯ КАРТОЧКА

(ЛИЦЕВАЯ СТОРОНА)

Рис. 8.2

УЧЕТНАЯ КАРТОЧКА

(ОБОРОТНАЯ СТОРОНА)

Рис. 8.3

УЧЕТНАЯ КАРТОЧКА

Рис. 8.4

Листы чертежей складывают в последовательности, указанной на рис. 8.5 и 8.6 (при складывании в папки) и на рис. 8.7 и 8.8 (при складывании для непосредственного брошюрования), цифрами на линиях сгибов.

Подлинники типовых проектов, типовых проектных решений, рабочей документации на типовые конструкции, изделия и узлы, независимо от формата и количества листов, следует хранить в развернутом виде в жестких папках.

Снятие копий с подлинников документов должно производиться с разрешения главного инженера (архитектора) проекта или начальника отдела.

Выдачу подлинников документа для внесения в них изменений следует производить по расписке или абонентской карточке по формам, приведенным на рис. 8.9 и 8.10 на основании разрешения на внесение изменений.

СКЛАДЫВАНИЕ В ПАПКИ

Размеры, мм

Рис. 8.5

Размеры, мм

Рис. 8.6

СКЛАДЫВАНИЕ ДЛЯ НЕПОСРЕДСТВЕННОГО БРОШЮРОВАНИЯ

Размеры, мм

Рис. 8.7

Размеры, мм

Рис. 8.8

АБОНЕНТСКАЯ КАРТОЧКА

(ЛИЦЕВАЯ СТОРОНА)

Рис. 8.9

АБОНЕНТСКАЯ КАРТОЧКА

(ОБОРОТНАЯ СТОРОНА)

Рис. 8.10

Выдачу подлинников документов для восстановления следует производить по специальному распоряжению руководителя (или его заместителя) организации-держателя подлинников документов.

Подлинники аннулированных (в т.ч. аннулированных с заменой) документов (листов документов) следует хранить отдельно от подлинников действующих документов.

8.2. Восстановление подлинников

Пришедшие в негодность или утерянные подлинники документов по решению руководителя (или его заместителя) организации-держателя подлинников могут быть восстановлены.

До восстановления подлинника документа должен быть составлен акт о списании пришедшего в негодность или утерянного подлинника документа (рис. 8.11).

Акт должен быть утвержден руководителем организации-разработчика или его заместителем.

Восстановленные подлинники документов действуют также, как замененные подлинники.

Изменения в восстановленный подлинник документа вносят на основании всех разрешений на внесение изменений, выданных до момента его восстановления. Подлинник документа восстанавливают без оформления разрешения.

Восстановление подлинника следует производить репрографическим способом, вручную, перепечаткой на пишущей машинке или с помощью печатающих средств вывода ЭВМ.

Восстановленный подлинник документа должен по своему техническому содержанию представлять точную копию восстанавливаемого подлинника документа.

В подлиннике документа, восстановленном путем перекопирования, не воспроизводят размеры, надписи, графические изображения, зачеркнутые в соответствии с разрешением на внесение изменений в подлиннике (или копии), с которого снимается восстановленный подлинник.

В первую снизу строку таблицы изменений каждого листа восстановленного подлинника документа, изготовленного вручную, переносят запись только о последней замене или последнем изменении данного листа.

Подписи, визы и даты, имеющиеся на восстанавливаемом подлиннике документа (в том числе и таблицах изменений), в восстановленном подлиннике документа, изготовленном вручную, вписывают чертежным шрифтом и заключают в круглые скобки. Взамен неразборчивых подписей в круглых скобках пишут слово «Подпись».

АКТ О СПИСАНИИ ДОКУМЕНТОВ

Рис. 8.11

Восстановленный подлинник документа должен быть заверен лицом, уполномоченным руководителем подразделения, выпустившего этот подлинник.

Надпись, подтверждающую правильность восстановленного подлинника документа, выполняют тушью на поле для подшивки, например:

«Восстановлен с подлинника.

Верно: (подпись, фамилия и дата)»;

«Восстановлен с копии.

Верно: (подпись, фамилия и дата)».

Рис. 8.12

Рис. 8.13

Рис. 8.14

Рис. 8.15

Рис. 8.16

В верхнем правом углу поля каждого восстановленного листа подлинника документа должна быть надпись тушью: «Восстановленный подлинник №...» с указанием порядкового номера восстановления данного листа подлинника документа.

Восстановленному подлиннику документа сохраняют инвентарный номер подлинника, с которого производилось восстановление. О восстановлении подлинника документа делают отметку в инвентарной книге и учетной карточке.

На подлиннике документа, взамен которого изготовлен восстановленный подлинник документа, ставят штамп: «Заменен восстановленным подлинником №...», в котором указывают номер очередного восстановления и дату принятия восстановленного подлинника документа на хранение (рис. 8.12.).

Подлинники документов, взамен которых изготовлены восстановленные подлинники, хранят в сложенном виде.

При учете и обращении документов может возникнуть необходимость применения других штампов, образцы которых приведены на рис. 8.13 - 8.16.

9. ОСОБЕННОСТИ ВЫПОЛНЕНИЯ ДОКУМЕНТОВ С ПОМОЩЬЮ УСТРОЙСТВ ВЫВОДА ЭВМ

Проектные документы могут выполняться как вручную, так и с помощью устройств вывода ЭВМ.

К таким устройствам можно отнести следующие:

алфавитно-цифровые печатающие устройства (далее АЦПУ);

графические устройства вывода ЭВМ (далее графические устройства).

Если документы выполнены на комбинированных устройствах, то на такие документы распространяются требования, предъявляемые к документам, выполненным на АЦПУ.

Документы, получаемые с помощью указанных выше устройств, допускается дополнять информацией, выполненной рукописным, машинописным, типографским способами, а также любым сочетанием этих способов.

Размеры форматов, получаемых на графических устройствах, должны соответствовать размерам, указанным в подразд. 5.1.

Размеры форматов, получаемых на АЦПУ, определяются шириной бумажной ленты, но могут соответствовать и общепринятым размерам.

При ширине бумажной ленты от 185 до 240 мм размер формата условно относится к А4; от 330 до 450 мм - к A3. Высота формата при этом определяется расстоянием между поперечными насечками на бумажной ленте, а при их отсутствии по размерам форматов, указанным в подразд. 5.1.

Допускается применять дополнительные форматы, образуемые увеличением сторон основных форматов, соответственно на значение, кратное размеру высоты и ширины формата.

При выполнении проектного документа с помощью устройств вывода ЭВМ информационное поле формата должно быть максимально использовано.

Края информационного поля по высоте должны отстоять от линии насечки на расстояние не менее одного межстрочного интервала, а по ширине - не менее 20 мм от левого края формата.

Вертикальные линии внутренней рамки допускается не наносить.

При выполнении документов на бумажной ленте с перфорацией и без нее вертикальными линиями внешней рамки следует считать края бумажной ленты.

При размещении двух страниц формата А4 с вертикальным положением подшивки на бумажной ленте шириной формата A3 между ними следует предусмотреть интервал размером не менее двух разрядов печати.

Лист, содержащий две страницы формата А4, допускается не разрезать.

Страницы при этом нумеруются следующим образом:

титульный лист - С. 1;

первый или заглавный лист - С. 2;

последующие страницы - С. 3, С. 4 и т.д.

Допускается образовывать страницу формата А4 частью листа, ограниченной кромкой и осью симметрии бумажной ленты, выделяемой знаками «вертикальная черта», «восклицательный знак», «звездочка», латинской буквой «I».

Если проектный документ получают на АЦПУ, то следует изображать:

горизонтальные линии знаками «минус», «звездочка», «точка», «подчеркивание», «надчеркивание», «равенство»;

вертикальные линии знаками «вертикальная черта», «звездочка», «точка», «двоеточие», «восклицательный знак», латинскими буквами «I» и «X», если это не приведет к неоднозначности понимания;

наклонные линии знаками «звездочка», «точка», «наклонная черта»;

точки излома линий знаками «звездочка» и «точка».

Если проектный документ получают на графических устройствах, то следует применять линии в соответствии с требованиями, изложенными в подразд. 5.3. с учетом следующих условий:

толщина сплошных тонких, волнистых, штриховых и штрих-пунктирных тонких линий должна быть от S/3 до S/2;

линии обрывов и линии разграничения вида и разреза допускается выполнять сплошной тонкой линией с изломами;

длина линий штрихов, штриховых и штрих-пунктирных линий должна быть постоянной независимо от размеров изображения;

допускается пересекать и заканчивать штрих-пунктирные линии не только штрихами;

заменять точку незачерненным квадратом со стороной размерами от 1/15 до 1/10 размера шрифта;

заканчивать линию-выноску, пересекающую контур изображения и не отводимую от какой-либо линии, а также указывать место нанесения метки, маркировки или клейма графической точкой в виде перекрестия «+»;

не выполнять разделительную черту между буквенно-цифровыми обозначениями и их номиналами, нанесенными на планах или схемах расположения каких-либо элементов: ; ;

символ «точка» допускается заменять чертой.

Буквы, цифры, знаки в документах, получаемых на АЦПУ, определяются типом печатающего устройства, а на графических устройствах должны соответствовать требованиям, изложенным в подразд. 5.4.

При этом допускаются и другие шрифты при условии однозначности понимания каждого символа.

Допускается изображать цифру «ноль» с чертой, так и без нее, например: 0 или , а знак умножения «х» знаком «звездочка» (*).

Дроби с горизонтальной чертой и десятичные, показатели степеней, индексы и предельные отклонения следует выполнять в соответствии с требованиями подразд. 5.4.

Сложные формулы допускается выполнять текстом. Например, «Приведенное сечение элемента из железобетона равно сумме элементов сечений бетона и арматуры, умноженной на отношение: модуля упругости стали - в числителе и модуля упругости бетона - в знаменателе».

При выполнении сносок записи справочных размеров допускается знак «звездочка» записывать в одну строку с текстом: «*Размеры для справок».

Текстовые документы следует выполнять на одной стороне бумажной ленты через один или два интервала.

Перенос слов допускается выполнять без соблюдения грамматических правил.

При выполнении тестовых документов на АЦПУ, не имеющих строчных букв, весь текст печатают прописными буквами.

При выполнении текстовых документов, разбитых на графы, допускается:

не печатать линии строк, обрамляющие линии, а также линии между графами. В этом случае между текстами соседних граф необходимо соблюдать интервал не менее одного разряда;

изменять размеры граф по высоте и ширине, за исключением граф, где предусмотрена запись кодов. Размеры таких граф должны быть на один знак больше числа знаков кода, при этом допускается увеличивать установленные форматы документов.

Наименование части, разделов, подразделов следует печатать в виде заголовка, симметрично тексту. Этот заголовок должен быть отделен от текста интервалом в одну - две строки.

При выполнении форм документов следует применять краткую форму записи их наименований и обозначений, в соответствии с их установленными сокращениями.

Формы и содержание основных надписей и дополнительных граф к ним должны соответствовать требованиям, изложенным в подразд. 1.4.

На проектных документах, получаемых на АЦПУ, высота основной надписи определяется типом печатающего устройства. Ширину основной надписи допускается увеличивать или уменьшать за счет изменения размеров граф 1, 2, 3, 4, 5, 11, 19.

Дополнительные графы основной надписи допускается переносить в свободную нижнюю левую часть листа, а также помещать их под основной надписью.

Допускается располагать дополнительные графы и содержащуюся в них информацию без нанесения граф, а печатать слова сверху вниз.

Масштабы изображений на чертежах, выполненных на графических устройствах, следует выбирать из ряда, указанного в подразд. 5.2.

Допускается применять масштабы как увеличения, так и уменьшения.

Приложение 1

ПЕРЕЧЕНЬ СТАНДАРТОВ

(по состоянию на 01.01.95)

Системы проектной документации для строительства (СПДС), Единой системы конструкторской документации (ЕСКД) и др., требования которых подлежат учету при выполнении рабочей документации для строительства, а также международных стандартов ИСО и МЭК, требования которых рекомендуется соблюдать при разработке проектной документации для строительства

Обозначение

Наименование

 

Стандарты СПДС

ГОСТ 21.001-93

СПДС. Общие положения

ГОСТ 21.002-81

СПДС. Нормоконтроль проектно-сметной документации

ГОСТ 21.101-93

СПДС. Основные требования к рабочей документации

ГОСТ 21.405-93

СПДС. Правила выполнения рабочей документации тепловой изоляции оборудования и трубопроводов

ГОСТ 21.408-93

СПДС. Правила выполнения рабочей документации автоматизации технологических процессов

ГОСТ 21.205-93

СПДС. Условные обозначения элементов санитарно-технических систем

ГОСТ 21.206-93

СПДС. Условные обозначения трубопроводов

ГОСТ 21.204-93

СПДС. Условные графические обозначения и изображения элементов генеральных планов и сооружений транспорта

ГОСТ 21.109-80

СПДС. Ведомости потребности в материалах

ГОСТ 21.110-82

СПДС. Спецификация оборудования

ГОСТ 21.111-84

СПДС. Ведомости объемов строительных и монтажных работ

ГОСТ 21.112-87

СПДС. Подъемно-транспортное оборудование. Условные изображения

ГОСТ 21.113-88

СПДС. Обозначения характеристик точности

ГОСТ 21.203-78

СПДС. Правила учета и хранения подлинников проектной документации

ГОСТ 21.401-88

СПДС. Технология производства. Основные требования к рабочим чертежам

ГОСТ 21.402-83

СПДС. Антикоррозионная защита технологических аппаратов, газоходов и трубопроводов. Рабочие чертежи

ГОСТ 21.403-80

СПДС. Обозначения условные графические в схемах. Оборудование энергетическое

ГОСТ 21.404-85

СПДС. Автоматизация технологических процессов. Обозначения условные приборов и средств автоматизации в схемах

ГОСТ 21.406-88

СПДС. Проводные средства единой автоматизированной системы связи. Обозначения условные графические на схемах и планах

ГОСТ 21.501-93

СПДС. Правила выполнения архитектурно-строительных рабочих чертежей

ГОСТ 21.507-81

СПДС. Интерьеры. Рабочие чертежи

ГОСТ 21.508-93

СПДС. Правила выполнения рабочей документации генеральных планов предприятий, сооружений и жилищно-гражданских объектов.

ГОСТ 21.510-83

СПДС. Пути железнодорожные. Рабочие чертежи

ГОСТ 21.511-83

СПДС. Автомобильные дороги. Земляное полотно и дорожная одежда. Рабочие чертежи

ГОСТ 21.513-83

СПДС. Антикоррозионная защита конструкций зданий и сооружений. Рабочие чертежи

ГОСТ 21.601-79

СПДС. Водопровод и канализация. Рабочие чертежи

ГОСТ 21.602-79

СПДС. Отопление, вентиляция и кондиционирование воздуха. Рабочие чертежи

ГОСТ 21.603-80

СПДС. Связь и сигнализация. Рабочие чертежи

ГОСТ 21.604-82

СПДС. Водоснабжение и канализация. Наружные сети. Рабочие чертежи

ГОСТ 21.605-82

СПДС. Сети тепловые (тепломеханическая часть). Рабочие чертежи

ГОСТ 21.607-82

СПДС. Электрическое освещение территории промышленных предприятий. Рабочие чертежи

ГОСТ 21.608-84

СПДС. Внутреннее электрическое освещение. Рабочие чертежи

ГОСТ 21.609-83

СПДС. Газоснабжение. Внутренние устройства. Рабочие чертежи

ГОСТ 21.610-85

СПДС. Газоснабжение. Наружные газопроводы. Рабочие чертежи

ГОСТ 21.611-85

СПДС. Централизованное управление энергоснабжением. Условные графические и буквенные обозначения вида и содержания информации

ГОСТ 21.613-88

СПДС. Силовое электрооборудование. Рабочие чертежи

ГОСТ 21.614-88

СПДС. Изображения условные графические электрооборудования и проводок на планах

ГОСТ 21.615-88

СПДС. Правила выполнения чертежей гидротехнических сооружений

ГОСТ 21.616-88

СПДС. Правила выполнения чертежей гидромелиоративных линейных сооружений

ГОСТ 21.901-80

СПДС. Требования к оформлению проектной документации для строительства за границей

 

Стандарты ЕСКД

ГОСТ 2.004-88

ЕСКД. Общие требования к выполнению конструкторских и технологических документов на печатающих и графических устройствах вывода ЭВМ

ГОСТ 2.101-68

ЕСКД. Виды изделий

ГОСТ 2.102-68

ЕСКД. Виды и комплектность конструкторских документов

ГОСТ 2.103-68

ЕСКД. Стадии разработки

ГОСТ 2.105-79

ЕСКД. Общие требования к текстовым документам

ГОСТ 2.108-68

ЕСКД. Спецификация

ГОСТ 2.109-73

ЕСКД. Основные требования к чертежам

ГОСТ 2.113-75

ЕСКД. Групповые и базовые конструкторские документы

ГОСТ 2.301-68

ЕСКД. Форматы

ГОСТ 2.302-68

ЕСКД. Масштабы

ГОСТ 2.303-68

ЕСКД. Линии

ГОСТ 2.304-81

ЕСКД. Шрифты чертежные

ГОСТ 2.305-68

ЕСКД. Изображения - виды, разрезы, сечения

ГОСТ 2.306-68

ЕСКД. Обозначения графические материалов и правила их нанесения на чертежах

ГОСТ 2.307-68

ЕСКД. Нанесение размеров и предельных отклонений

ГОСТ 2.308-79

ЕСКД. Указание на чертежах допусков форм и расположения поверхностей

ГОСТ 2.309-73

ЕСКД. Обозначения шероховатости поверхностей

ГОСТ 2.310-68

ЕСКД. Нанесение на чертежах обозначений покрытий, термической и других видов обработки

ГОСТ 2.311-68

ЕСКД. Изображения резьбы

ГОСТ 2.312-72

ЕСКД. Условные изображения и обозначения швов сварных соединений

ГОСТ 2.313-82

ЕСКД. Условные изображения и обозначения неразъемных соединений

ГОСТ 2.314-68

ЕСКД. Указания на чертежах о маркировании и клеймении изделий

ГОСТ 2.315-68

ЕСКД. Изображения упрощенные и условные крепежных деталей

ГОСТ 2.316-68

ЕСКД. Правила нанесения на чертежах надписей, технических требований и таблиц

ГОСТ 2.317-69

ЕСКД. Аксонометрические проекции

ГОСТ 2.410-68

ЕСКД. Правила выполнения чертежей металлических конструкций

ГОСТ 2.501-88

ЕСКД. Правила учета и хранения

ГОСТ 2.701-84

ЕСКД. Схемы. Виды и типы. Общие требования к выполнению

ГОСТ 2.702-75

ЕСКД. Правила выполнения электрических схем

ГОСТ 2.707-84

ЕСКД. Правила выполнения электрических схем железнодорожной сигнализации, централизации и блокировки

ГОСТ 2.709-89

ЕСКД. Система обозначения цепей в электрических схемах

ГОСТ 2.710-81

ЕСКД. Обозначения буквенно-цифровые в электрических схемах

ГОСТ 2.721-74

ЕСКД. Обозначения условные графические в схемах. Обозначения общего применения

ГОСТ 2.722-68

ЕСКД. Обозначения условные графические в схемах. Машины электрические

ГОСТ 2.739-69

ЕСКД. Обозначения условные графические в схемах. Аппараты, коммутаторы и станции коммутационные телефонные

ГОСТ 2.745-68

ЕСКД. Обозначения условные графические в схемах. Электронагреватели, устройства и установки электротермические

ГОСТ 2.749-84

ЕСКД. Элементы и устройства железнодорожной сигнализации, централизации и блокировки

ГОСТ 2.780-68

ЕСКД. Обозначения условные графические. Элементы гидравлических и пневматических сетей

ГОСТ 2.782-68

ЕСКД. Обозначения условные графические. Насосы и двигатели гидравлические и пневматические

ГОСТ 2.784-70

ЕСКД. Обозначения условные графические. Элементы трубопроводов

ГОСТ 2.785-70

ЕСКД. Обозначения условные графические. Арматура трубопроводная

ГОСТ 2.793-79

ЕСКД. Обозначения условные графические. Элементы и устройства машин и аппаратов химических производств. Общие обозначения

 

Стандарт системы «Репрография».

Подсистема «Микрография»

ГОСТ 13.1.002-80

Репрография. Микрография. Документы для съемки. Общие требования и нормы

 

Стандарт Системы разработки и постановки продукции на производство

ГОСТ 15.001-88

Продукция производственно-технического назначения

 

Международные стандарты ИСО

ИСО 128-82

Чертежи технические. Основные принципы изображения

ИСО 129-85

Чертежи технические. Нанесение размеров. Общие принципы, определения, методы исполнения и специальные указания

ИСО 1046-73

Чертежи строительные и архитектурные. Термины и определения

ИСО 2594-72

Чертежи строительные. Типы ортогональной проекции

ИСО 3098/1-74

Чертежи в машиностроении. Надписи. Часть 1. Шрифты

ИСО 3098/4-84

Чертежи технические. Надписи. Часть 4. Буквы кириллицы

ИСО 3511/1-77

Функции измерения и управления технологическими процессами и приборы. Условные обозначения. Часть 1. Основные условные обозначения

ИСО 3766-77

Чертежи промышленного и гражданского строительства. Условные обозначения арматуры железобетона

ИСО 4066-77

Чертежи промышленного и гражданского строительства. Арматурные стержни. Составление ведомостей стержней

ИСО 4068-78

Чертежи для промышленного и гражданского строительства. Базовые линии

ИСО 4069-77

Чертежи промышленного и гражданского строительства. Изображение площадей на разрезах и видах. Общие правила

ИСО 4157/1-80

Чертежи строительные. Часть 1. Обозначение зданий и их отдельных частей

ИСО 4172-81

Чертежи промышленного и гражданского строительства. Монтажные чертежи сборных конструкций

ИСО 4196-84

Обозначения условные графические. Применение стрелок

ИСО 5455-79

Технические чертежи. Масштабы

ИСО 5457-80

Чертежи технические. Размеры и форматы

ИСО 6412/2-89

Чертежи технические. Упрощенное обозначение трубопроводов. Часть 2. Изометрическая проекция

ИСО 6284-85

Допуски в строительстве. Указания допусков на чертежах в промышленном и гражданском строительстве

ИСО 6428-82

Чертежи технические. Требования к микрофотокопированию

ИСО 6433-81

Чертежи технические. Обозначение позиций и их выноска

ИСО 6707/1-89

Строительство и гражданское строительство. Часть 1. Основные термины

ИСО 7200-84

Технические чертежи. Титульный блок (основная надпись)

ИСО 7240/1-80

Системы обнаружения огня и тревожной сигнализации. Часть 1. Общие положения и определения

ИСО 7437-90

Чертежи технические. Чертежи строительные. Общие правила выполнения рабочих чертежей элементов сборных конструкций

ИСО 7518-83

Чертежи технические. Чертежи строительные. Упрощенное обозначение сноса и реконструкции

ИСО 7519-91

Чертежи технические. Чертежи строительные. Основные принципы изображения на чертежах общей компоновки и сборочных чертежах

ИСО 7573-83

Чертежи технические. Спецификация

ИСО 8048-84

Чертежи технические. Чертежи строительные. Изображение видов, сечений и разрезов

ИСО 9431-91

Чертежи строительные. Поля для чертежа, текста и основная надпись на листе чертежа

 

Международные стандарты МЭК

МЭК 617-2-1983

Графические обозначения для схем. Часть 2. Элементы обозначений, определяющие обозначения и другие обозначения общего применения

МЭК 617-6-1983

Графические обозначения для схем. Часть 6. Производство и преобразование электроэнергии

МЭК 617-7-1983

Графические обозначения для схем. Часть 7. Распредустройства, аппаратура управления и защитные устройства

Приложение 2

ТЕРМИНЫ И ОПРЕДЕЛЕНИЯ

Термин

Определение (пояснение)

1. Основные термины и понятия, используемые в рабочей документации для строительства

Объект строительства

Здание или сооружение (комплекс зданий и сооружений), выполняющее определенные технологические функции, на строительство которого составляется самостоятельная объектная смета

Здание

Строительная система, состоящая из несущих и ограждающих или совмещенных (несущих и ограждающих) конструкций, образующих наземный замкнутый объем, предназначенный для проживания или пребывания людей в зависимости от функционального назначения и для выполнения различного вида производственных процессов

Сооружение

Объемная, плоскостная или линейная, надземная или подземная строительная система, состоящая из несущих, а в отдельных случаях и ограждающих конструкций и предназначенная для выполнения производственных процессов различного вида

Изделие

Предмет или совокупность предметов, подлежащих изготовлению на предприятии

Строительное изделие

Изделие, подлежащее изготовлению на предприятиях строительной индустрии, поставляемое на строительство в готовом виде и используемое как составная часть строительной конструкции

Сборочная единица

Изделие, составные части которого подлежат соединению между собой на предприятии-изготовителе сборочными операциями

Строительная конструкция

Несущая или ограждающая часть здания или сооружения, состоящая из элементов, связанных процессом производства строительных работ или функциональным назначением

Элемент строительной конструкции

Составная часть сборной или монолитной строительной конструкции

Деталь

Изделие, изготовленное из однородного материала и не имеющее составных частей

Привязка

Внесение изменений или дополнений в типовой проект, типовое проектное решение или повторно применяемый индивидуальный проект, вызванных учетом конкретных условий новой строительной площадки или особенностями сооружения объема строительства

Изменение

Исправление документа путем исключения из него или добавления в него каких-либо данных без изменения обозначения проектного документа

Исполнение изделия

Конструкция одного из изделий, информация о которых содержится в одном групповом документе изделия

Основное исполнение изделия

Исполнение изделия, обозначение которого совпадает с обозначением группового рабочего документа изделия

Постоянные данные исполнений

Информация об исполнениях изделий, одинаковая для группы изделий и содержащаяся в одном рабочем документе изделия

Переменные данные исполнений

Информация об исполнениях изделий, неодинаковая для группы изделий

2. Виды документов

Проектная документация для строительства

Проектно-сметная документация, разрабатываемая на всех стадиях проектирования, состав которой устанавливается соответствующими нормативными документами и уточняется при заключении договора на проектные работы

Рабочая документация для строительства (РД)

Совокупность проектных документов, разрабатываемых на заключительной стадии разработки проектно-сметной документации для строительства предприятий, зданий и сооружений

Полный комплект рабочей документации

Совокупность основных комплектов рабочих чертежей по видам строительных и монтажных работ, дополненных прилагаемыми текстовыми и графическими документами, необходимыми для строительства здания, сооружения или его очереди. (Примерный состав полного комплекта РД приведен на рис. 1.1)

Основной комплект рабочих чертежей

Документ, содержащий рабочие чертежи и др. данные, необходимые для производства определенного вида строительно-монтажных работ

Типовая проектная документация

Вид проектной продукции массового применения, разрабатываемой на основе унификации технологических, объемно-планировочных и конструктивных решений зданий и сооружений, систем инженерного обеспечения; оптимизации параметров зданий и сооружений; установления оптимальной номенклатуры строительных элементов (изделий и конструкций) с учетом условий межотраслевого применения, а также состояния баз строительной индустрии

Рабочие чертежи

Составная часть рабочей документации, предназначенная для выполнения строительных и монтажных работ или изготовления конструкций, изделий, узлов

Проектный документ (ПД)

Составная часть проектной документации, имеющая самостоятельное обозначение

Графический проектный документ

ПД, содержащий в основном графические изображения объекта проектирования (например, основной комплект рабочих чертежей определенной марки, сборочный чертеж, чертеж детали)

Текстовой проектный документ

ПД, содержащий сплошной или разбитый на графы текст (например: технические условия, спецификация оборудования, ведомость объемов строительных и монтажных работ и др.)

Прилагаемый документ

ПД, разработанный или примененный в составе рабочей документации для строительства, необходимый для совместного использования с основным комплектом рабочих чертежей и передаваемый заказчику проектной документации (например: повторно примененные чертежи конструкций, изделий и узлов; чертежи индивидуальных конструкций, изделий и узлов, разработанные для данного объекта; ведомость материалов, спецификация оборудования и др.)

Ссылочный документ

Нормативно-технический или проектный документ, примененный при разработке рабочей документации, но не включаемый в состав рабочей документации, передаваемой заказчику

Опросный лист

ПД, включаемый в состав РД, содержащий технические данные для заказа оборудования, изготавливаемого серийно; разрабатывается при необходимости уточнения отдельных позиций спецификаций оборудования по формам заводов-изготовителей

Оригинал документа

ПД, выполненный на любом материале и предназначенный для изготовления по нему подлинника

Подлинник

ПД, выполненный на любом материале, пригодном для снятия с него копий, и оформленный подлинными установленными подписями

Дубликат документа

ПД, идентичный с подлинником, пригодный для многократного снятия с него копий и оформленный заверительной подписью лица, ответственного за выпуск документа

Копия

ПД, идентичный подлинникам (дубликатам), предназначенный для использования в практике проектирования и строительства

Групповой рабочий документ изделия

ПД, содержащий данные о двух и более изделиях, обладающих одинаковыми конструктивными признаками при некоторых различиях между собой

Единичный рабочий документ изделия

ПД, выполненный на одно изделие

Эскизный чертеж общего вида

ПД, определяющий принципиальное конструктивное решение и основные параметры изделия, конструкции, устройства в объеме исходных требований, необходимых для разработки конструкторской документации

3. Элементы выполнения графических и текстовых документов

Обозначение

Условное буквенно-цифровое обозначение, характеризующее основные признаки предмета, документа, понятия в целях его опознания и упрощения выполнения документов

Базовое обозначение

Общая часть обозначений рабочих документов, относящихся к одному объекту проектирования - зданию, сооружению, изделию

Обозначение документа

Обозначение, присваиваемое графическому или текстовому документу, включающее базовое обозначение, марку или порядковый номер документа и проставляемое на каждом листе документа

Марка

Часть обозначения проектного документа, устанавливающая вид строительно-монтажных работ или являющаяся показателем характеристики строительного изделия, материала, оборудования

Позиция

Порядковый номер элемента конструкции или сборочной единицы, в последовательности записи элемента в спецификации

Координационные оси

Взаимно перпендикулярные линии, определяющие положение на плане здания, сооружения, основных несущих и ограждающих конструкций

Отметка

Численное обозначение уровня (высоты или глубины) положения элемента, здания, сооружения, конструкции, оборудования, отсчитываемого от принятого исходного уровня, принимаемого за нулевой

Основная надпись

Установленная форма таблицы, помещаемой в правом нижнем углу листа проектного документа, содержащей основные и дополнительные данные технического и организационного характера о разработчиках документа, его содержании и обозначении

Масштаб изображения

Отношение длины линии на чертеже к длине соответствующей линии в натуре

Размер справочный

Размер, не подлежащий выполнению по данному чертежу, указываемый в нем в качестве ориентировочной информации

Размер габаритный

Справочный размер, определяющий предельное расстояние между точками внешнего или внутреннего очертания изделия

Технические требования

Текстовые указания, помещаемые на чертежах и содержащие указания или разъяснения

Уклон

Цифровое обозначение отношения разности высот двух точек какой-либо поверхности к горизонтальному расстоянию между ними

СОДЕРЖАНИЕ

Введение. 1

1. Основные требования к рабочей документации для строительства. 2

1.1. Виды и комплектность рабочей документации. 2

1.2. Основные требования к рабочим чертежам.. 6

1.3. Основные требования к текстовым документам.. 9

1.4. Основные надписи. 17

2. Основной комплект рабочей документации. 24

2.1. Общие положения. 24

2.2. Общие данные по рабочим чертежам.. 25

2.3. Спецификации к схемам расположения элементов конструкций и установкам.. 28

3. Текстовые документы для производства строительных и монтажных работ. 29

3.1. Спецификация оборудования. 29

3.2. Ведомости и сводные ведомости потребности в материалах. 32

3.3. Ведомость и сборник ведомостей объемов строительных и монтажных работ. 35

4. Рабочие чертежи строительных изделий. 36

4.1. Основные правила выполнения рабочих чертежей изделий. 36

4.2. Спецификации на строительные изделия. 38

4.3. Групповые рабочие чертежи строительных изделий. 41

4.4. Групповые спецификации строительных изделий. 43

4.5. Обозначение изделий и их спецификаций. 45

4.6. Применение чертежей типовых изделий. 47

5. Общие правила выполнения чертежей. 47

5.1. Форматы.. 47

5.3. Линии. 48

5.4. Шрифты чертежные. 49

5.5. Изображения - виды, разрезы, сечения. 56

5.6. Условные и упрощенные графические изображения элементов зданий, сооружений и конструкций. 64

5.7. Обозначения графические материалов и правила их нанесения на чертежах. 69

5.8. Условные изображения и обозначения швов сварных соединений. 72

5.9. Нанесение размеров и предельных отклонений. 79

5.10. Обозначение характеристик точности. 92

5.11. Нанесение на чертежах надписей, технических требований и таблиц. 95

6. Правила внесения изменений в рабочую документацию.. 101

6.1. Общие положения. 101

6.2. Разрешение на внесение изменений. 102

6.3. Порядок внесения изменений. 103

7. Правила привязки типовой и повторно применяемой проектной документации. 109

7.1. Общие положения. 109

7.2. Порядок оформления привязки. 111

8. Правила учета и хранения подлинников проектно-сметной документации. 114

8.1. Учет и хранение. 114

8.2. Восстановление подлинников. 120

9. Особенности выполнения документов с помощью устройств вывода ЭВМ.. 122

Приложение 1 Перечень стандартов. Системы проектной документации для строительства (СПДС), Единой системы конструкторской документации (ЕСКД) и др., требования которых подлежат учету при выполнении рабочей документации для строительства, а также международных стандартов ИСО и МЭК, требования которых рекомендуется соблюдать при разработке проектной документации для строительства. 124

Приложение 2 Термины и определения. 127

 



© 2013 Ёшкин Кот :-)