Информационная система
«Ёшкин Кот»

XXXecatmenu

ГОСТ Р МЭК 1029-2-4-96

ГОСУДАРСТВЕННЫЙ СТАНДАРТ РОССИЙСКОЙ ФЕДЕРАЦИИ

 

МАШИНЫ ПЕРЕНОСНЫЕ
ЭЛЕКТРИЧЕСКИЕ

ЧАСТНЫЕ ТРЕБОВАНИЯ БЕЗОПАСНОСТИ
И МЕТОДЫ ИСПЫТАНИЙ
НАСТОЛЬНЫХ ШЛИФОВАЛЬНЫХ МАШИН

 

 

ГОССТАНДАРТ РОССИИ

Москва

 

Предисловие

1 РАЗРАБОТАН И ВНЕСЕН ТК 262 «Инструмент механизированный и ручной»

2 ПРИНЯТ И ВВЕДЕН В ДЕЙСТВИЕ Постановлением Госстандарта России от 20.02.96 № 71

3 Настоящий стандарт содержит полный аутентичный текст международного стандарта МЭК 1029-2-4-93 «Безопасность переносных электрических машин. Часть 2. Частные требования к настольным шлифовальным машинам»

4 ВВЕДЕН ВПЕРВЫЕ

 

ГОСТ Р МЭК 1029-2-4-96

ГОСУДАРСТВЕННЫЙ СТАНДАРТ РОССИЙСКОЙ ФЕДЕРАЦИИ

МАШИНЫ ПЕРЕНОСНЫЕ ЭЛЕКТРИЧЕСКИЕ

Частные требования безопасности и методы испытаний настольных шлифовальных машин

Electric transportable tools.

Particular safety requirements and test methods of bench grinders

Дата введения 1997-01-01

Настоящий стандарт устанавливает требования безопасности и методы испытаний электрических переносных настольных шлифовальных машин, которые дополняют, изменяют или заменяют пункты ГОСТ Р МЭК 1029-1.

Пункты и рисунки, дополняющие ГОСТ Р МЭК 1029-1, имеют нумерацию, начиная с 101.

В стандарте методы испытаний выделены курсивом.

Требования стандарта являются обязательными.

1 ОБЛАСТЬ ПРИМЕНЕНИЯ

По ГОСТ Р МЭК 1029-1 со следующим изменением

1.1 Изменение

Замена первого абзаца.

Настоящий стандарт распространяется на переносные настольные шлифовальные машины с диаметром шлифовального круга не более 200 мм, с окружной скоростью не выше 50 м/с в соответствии с определением по 3.101.

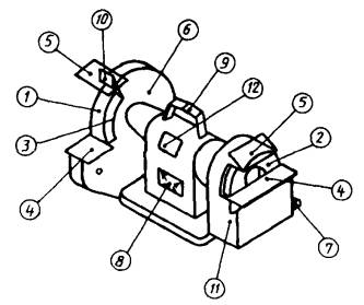
1 - плоский шлифовальный круг, 2 - чашечный цилиндрический шлифовальный круг, 3 - фланец, 4 - рабочий упор, 5 - прозрачный экран, 6 - защитный кожух плоского шлифовального круга, 7 - мундштук для удаления пыли, 8 - устройство включения/отключения, 9 - ручка, 10 - искрогаситель, 11 - защитный кожух чашечного шлифовального круга, 12 - маркировочная табличка

Рисунок 101 - Настольная шлифовальная машина

Примечание - Рисунок приводится только для справки

2 НОРМАТИВНЫЕ ССЫЛКИ

По ГОСТ Р МЭК 1029-1.

3 ОПРЕДЕЛЕНИЯ

По ГОСТ Р МЭК 1029-1 со следующим изменением

3.21 Замена

Нормальная нагрузка - нагрузка при непрерывной работе машины, когда крутящий момент на шпинделе имеет такое значение, при котором потребляемая мощность (в ваттах) равна номинальной потребляемой мощности.

3.101 Настольная шлифовальная машина - машина, предназначенная для шлифования металла и подобного ему материала с помощью одного или двух закрепленных на шпинделе машины вращающихся шлифовальных кругов, расположенная в надлежащем для такой работы месте, а подача обрабатываемого изделия осуществляется вручную.

3.102 Дополнительное приспособление - устройство или деталь иная чем шлифовальные круги, предназначенные для установки на шлифовальную машину вместо шлифовальных кругов и приведения во вращение шпинделем машины.

3.103 Шпиндель машины - вал электродвигателя шлифовальной машины, несущий на себе и передающий вращение на шлифовальные круги.

3.104 Мундштук для удаления пыли - устройство, позволяющее подключить настольную машину к системе пылеотсоса.

3.105 Защитный кожух шлифовальной машины - устройство, частично закрывающее шлифовальный круг с целью защиты оператора от случайного контакта с кругом при нормальной эксплуатации и от летящих осколков в случае разрушения шлифовального круга.

3.106 Фланцевый узел - устройство для зажимного крепления шлифовального круга к шпинделю машины. Фланцы могут быть:

- плоские фланцы с центральной выемкой;

- переходные фланцы;

- фланцы со ступицей.

3.107 Плоский фланец - фланцевый узел, состоящий из опорного фланца с креплением к шпинделю машины и затяжного (или подвижного) фланца.

3.108 Переходный фланец - фланцевый узел с центральной затяжкой, состоящий из опорного фланца с креплением к шпинделю машины, расположенного по центру шлифовального круга и соосного с ним, и затяжного (или подвижного) фланца, который прижимает круг к опорному фланцу независимо от шпинделя машины.

3.109 Мягкая прокладка - податливый сжимаемый материал, который помещают между шлифовальным кругом и фланцами с целью возможно более равномерного распределения давления, воспринимаемого кругом, а также с целью уменьшения риска проскальзывания круга между фланцами.

3.110 Плоский кругодержатель - плоский держатель, обычно выполненный из металла, предназначенный служить в качестве опоры и приводить во вращение цилиндрический чашечный шлифовальный круг либо сегменты шлифовального круга, работающие своей боковой поверхностью.

3.111 Рабочий упор - поверхность или устройство, предназначенное служить в качестве опоры или поддерживать обрабатываемое изделие.

3.112 Окружная скорость - линейная окружная скорость шлифовального круга при работе.

3.113 Частота вращения - число оборотов в единицу времени.

4 ОБЩИЕ ТРЕБОВАНИЯ

По ГОСТ Р МЭК 1029-1.

5 ИСПЫТАНИЯ. ОБЩИЕ ПОЛОЖЕНИЯ

По ГОСТ Р МЭК 1029-1.

6 НОМИНАЛЬНОЕ НАПРЯЖЕНИЕ

По ГОСТ Р МЭК 1029-1.

7 КЛАССИФИКАЦИЯ

По ГОСТ Р МЭК 1029-1.

8 МАРКИРОВКА

По ГОСТ Р МЭК 1029-1 со следующим изменением

8.1 Дополнение

- окружная рабочая скорость шлифовального круга, м/с;

- частота вращения, об/мин, или диапазон частот вращения в соответствии с номинальным диапазоном частот;

- максимальный диаметр используемого шлифовального круга D.

8.6 Дополнение

Направление вращения шлифовального круга указывают на машине с помощью стрелки выпуклой или выдавленной, или нанесенной другим не менее заметным и устойчивым на стирание способом.

8.13 Дополнение

Руководство по эксплуатации или информационный листок должно содержать сведения, необходимые для безопасной эксплуатации настольной шлифовальной машины, например, указания по приемам работы, по замене шлифовального круга, техническому обслуживанию, сборке, транспортированию и т.п.

Должны быть приведены также следующие указания:

- работать с защитными очками;

- не применять поврежденные или требующие правки шлифовальные круги;

- чаще выполнять регулировку искрогасителя с целью компенсации износа круга; при этом стараться, чтобы зазор между ограждением и кругом был как можно меньше и не превышал 2 мм;

- постепенно регулировать положение рабочего упора с целью компенсации износа круга, при этом стараться, чтобы зазор между этим упором и кругом был как можно меньше и не превышал 2 мм;

- как подсоединить пылесборное устройство, если оно имеется;

- рекомендуемые значения толщины круга Т и диаметра отверстия для настольных шлифовальных машин с плоскими фланцами;

- предельное значение износа по толщине для рабочих упоров.

Примечание - Допускается иллюстрировать режимы работы посредством эскизов и т.п.

9 ЗАЩИТА ОТ ПОРАЖЕНИЯ ЭЛЕКТРИЧЕСКИМ ТОКОМ

По ГОСТ Р МЭК 1029-1.

10 ПУСК

По ГОСТ Р МЭК 1029-1.

11 ПОТРЕБЛЯЕМЫЕ МОЩНОСТЬ И ТОК

По ГОСТ Р МЭК 1029-1.

12 НАГРЕВ

По ГОСТ Р МЭК 1029-1.

13 ТОК УТЕЧКИ

По ГОСТ Р МЭК 1029-1.

14 ПОДАВЛЕНИЕ РАДИО- И ТЕЛЕПОМЕХ

По ГОСТ Р МЭК 1029-1.

15 ЗАЩИТА ОТ ПРОНИКНОВЕНИЯ ПОСТОРОННИХ ТВЕРДЫХ ТЕЛ И ВЛАГОСТОЙКОСТЬ

По ГОСТ Р МЭК 1029-1.

16 СОПРОТИВЛЕНИЕ ИЗОЛЯЦИИ И ЭЛЕКТРИЧЕСКАЯ ПРОЧНОСТЬ

По ГОСТ Р МЭК 1029-1.

17 НАДЕЖНОСТЬ

По ГОСТ Р МЭК 1029-1.

18 НЕНОРМАЛЬНЫЙ РЕЖИМ РАБОТЫ

По ГОСТ Р МЭК 1029-1.

19 УСТОЙЧИВОСТЬ И МЕХАНИЧЕСКАЯ БЕЗОПАСНОСТЬ

По ГОСТ Р МЭК 1029-1 со следующим изменением

19.1 Дополнение

Настольные шлифовальные машины должны быть оборудованы соответствующей системой защитных ограждений, которые нельзя снять без помощи инструмента.

Эта система ограждений должна удовлетворять требованиям 19.1.101.

Примечание - Допускается обеспечивать необходимую степень механической безопасности другими средствами при условии, что они так же эффективны и надежны, как и указанные в настоящем стандарте.

19.1.101 Ограждения

Настольные шлифовальные машины должны быть оборудованы защитными кожухами, которые оставляют незакрытой только часть шлифовального круга, как показано на рисунке 102. Конструкция кожуха должна обеспечивать его механическую стойкость при случайном разрушении шлифовальных кругов.

Кожухи должны закрывать фланцы и концы шпинделя.

Конструкция кожухов должна исключать возможность применения шлифовального круга диаметром, превышающим максимальный (указанный на машине) более чем в 1,07 раз.

Ограждающий кожух должен удовлетворять приведенным ниже требованиям.

19.1.101.1 Толщина кожуха

Минимальная толщина защитных кожухов, предназначенных для ограждения плоских и цилиндрических чашечных шлифовальных кругов, при условии, что эти кожухи выполнены из стали с временным сопротивлением разрыву не менее 200 Па и что толщина шлифовального круга составляет менее 0,15 его диаметра, должна иметь указанные ниже значения:

- при окружных скоростях не более 35 м/с минимальная толщина периферической части кожуха должна составлять 2 мм для кругов номинальным диаметром менее 200 мм и 2,5 мм - для кругов номинальным диаметром 200 мм.

Минимальная толщина боковой стенки кожуха должна составлять 1,5 мм для кругов номинальным диаметром менее 200 мм и 2,5 мм - для кругов номинальным диаметром 200 мм;

- при окружных скоростях св. 35 м/с минимальная толщина периферической части кожуха должна составлять 2 мм для кругов номинальным диаметром менее 200 мм и 4 мм - для кругов номинальным диаметром 200 мм.

Минимальная толщина боковой стенки кожуха должна составлять 1,5 мм для кругов номинальным диаметром менее 200 мм и 4 мм - для кругов номинальным диаметром 200 мм.

Эти размеры учитывают прочность, необходимую для сопротивления вибрации, для обеспечения надежной фиксации рабочего упора, экрана и искрогасителя.

Примечание - Для других материалов и размеров шлифовальных кругов изготовитель должен гарантировать стойкость защитного кожуха путем выполнения указанных ниже испытаний

1 - шлифовальный круг, 2 - защитный кожух, 3 - боковые стенки кожуха, 4 - периферическая часть кожуха, 5 - фланцы, Р - толщина периферической части кожуха, J - толщина боковых стенок кожуха, L - ширина кожуха, R - внутренний радиус кожуха

Рисунок 102 - Схема

Условия испытаний

Для испытаний защитного кожуха шлифовального круга берут образец, условия эксплуатации и сборки которого соответствуют его назначению.

Предпочтительно, чтобы испытуемым образцом являлась сама машина либо, ваш этой машины нет, другая машина, у которой шпиндель электродвигателя идентичен шпинделю исходной машины.

Защитный кожух должен быть снабжен дополнительными приспособлениями, если они имеются.

Испытания образца проводят на ходу, причем шлифовальный круг должен вращаться с максимальной частотой, указанной для нормальной эксплуатации.

Учитывая опасность данного испытания испытуемый образец должен быть установлен в защитной камере и должны быть предприняты все меры, исключающие риск.

В то время, как образец работает в указанных выше условиях, вращающийся шлифовальный круг разбивают выстрелом в «точку удара№, расположенную на биссектрисе угла открытого сектора кожуха, как можно ближе к фланцу, с тем, чтобы добиться полного разрушения шлифовального круга.

Условия стрельбы:

- испытуемый образец должен быть снабжен шлифовальным кругом такой же конструкции, что и круг, используемый для испытаний, и поставлен в те же условия;

- стреляют в «точку удара», установленную заранее.

Другие условия стрельбы (форма патрона, расстояние, заряд) для данного испытания должны быть такими, чтобы гарантировалось полное разрушение шлифовального круга.

19.1.101.2 Отверстия в защитных кожухах

19.1.101.2.1 Угол открытого сектора кожуха должен составлять не более 65° в зоне выше горизонтальной плоскости, проходящей через центр шлифовального круга.

Ниже этой плоскости размер Н открытой части кожуха должен быть меньше 0,2D (рисунок 103), но в любом случае суммарный угол открытого сектора круга должен быть не более 90°.

1 - шлифовальный круг, 2 - защитный кожух круга, 3 - рабочий упор, 4 - мундштук для удаления пыли, 5 - прозрачный экран, 6 - ограждение оси, 7 - искрогаситель, 8 - рабочая зона круга, 9 - обрабатываемое изделие, Р - толщина периферической части кожуха, J - толщина боковых стенок кожуха, S - внутреннее сечение мундштука, D - максимальный наружный диаметр круга, Е - зазор между искрогасителем и кругом, F - зазор между рабочим упором и кругом

Рисунок 103

19.1.101.2.2 Для шлифовальных машин, снабженных цилиндрическими чашечными кругами и имеющих симметричную форму отверстия в передней поверхности кожуха, высота отверстия в кожухе должна составлять не более 0,4D над горизонтальной плоскостью, проходящей через ось круга (рисунок 104а).

Размер Н отверстия в кожухе, измеряемый ниже горизонтальной плоскости, проходящей через ось круга, должен составлять не более 0,2D (рисунок 104b).

19.1.101.2.3 Ширина отверстия в периферической части кожуха должна быть достаточной для того, чтобы шлифовальным кругом можно было пользоваться, пока он не износится.

1 - шлифовальный круг, 2 - защитный кожух круга, 3 - рабочий упор, 4 - мундштук для удалении пыли, 5 - прозрачный экран, Р - толщина периферической части кожуха, J - толщина боковых стенок кожуха, S - внутреннее сечение мундштука, D - максимальный наружный диаметр круга, F - зазор между рабочим упором и кругом, l - толщина круга

Рисунок 104 - Шлифовальная машина, снабженная цилиндрическими чашечными кругами

19.1.101.2.4 Для всех типов шлифовальных кругов зазор между кругом и кожухом должен быть возможно меньше, однако с целью обеспечения удаления пыли должно быть предусмотрено отверстие для воздуха.

19.1.101.3 Искрогаситель

Шлифовальные машины с плоскими шлифовальными кругами должны быть оборудованы искрогасителем, ограничивающим вылет из защитного кожуха искр и частиц круга. Он служит также для более полного сбора пыли.

Искрогаситель должен быть расположен у верхней части защитного кожуха круга, соосно с периферической поверхностью круга. Он представляет собой устройство, закрепляемое либо к ограждению, перекрывающему кожух круга по всей ширине, либо к самому кожуху круга.

Зазор Е между искрогасителем и шлифовальным кругом должен быть регулируемым, его максимальный размер не должен превышать 5 мм в соответствии с износом круга (рисунок 103).

19.1.101.4 Рабочий упор

Настольные шлифовальные машины должны быть оборудованы рабочими упорами, обычно расположенными горизонтально.

Рабочий упор должен быть регулируемым, чтобы можно было по мере износа круга бесступенчато менять расстояние F, которое не должно превышать 2 мм (см. рисунки 103 и 104).

Регулировка рабочих упоров не должна вызывать затруднений, а устройство их фиксации должно обеспечивать жесткое закрепление подвижной части.

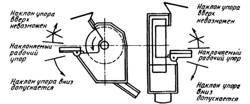
Если настольная шлифовальная машина снабжена наклоняемым рабочим упором, то конструкция должна допускать только наклон упора вниз, а отклонение рабочего упора вверх должно быть исключено (рисунок 105).

Рисунок 105 - Настольная шлифовальная машина с наклоняемым рабочим упором

19.1.102 Дополнение

19.1.102.1 Фланцы

В таблице 101 приведены минимальные размеры фланцев, выполненных из стали или иного материала с временным сопротивлением разрыву не менее 430 МПа или изготовленных из металлокерамического материала с временным сопротивлением разрыву не менее 500 МПа; размеры фланцев указаны в зависимости от диаметра шлифовального круга, толщина которого не превышает 0,15 его диаметра.

Таблица 101 - Размеры фланцев

В миллиметрах

Номинальный диаметр круга D

Минимальный наружный диаметр фланца df

Минимальная ширина контактной поверхности r

Минимальная толщина плоской части фланца Р

Минимальная толщина конической части фланца F

Минимальная глубина выемки 7

100

34

6

5

3,2

1,5

125

42

8

6

3,2

1,5

150

52

9

10

5

1,5

200

681)

121)

101)

51)

1,51)

1) Значения для фланцев, используемых со шлифовальными кругами номинальным диаметром 200 мм и толщиной 30 мм.

Не допускается применение чугунных фланцев.

19.1.102.2 Размеры и материалы

Размеры рабочих упоров изготовитель устанавливает по своему усмотрению.

Рабочий упор должен перекрывать по крайней мере ширину защитного кожуха шлифовального круга.

Толщина рабочих упоров должна быть достаточной, чтобы они могли служить опорой для обрабатываемого изделия без деформаций, несмотря на износ и необходимую механическую обработку, в течение всего срока их службы.

Рабочие упоры должны быть выполнены из стали, чугуна или легких сплавов.

19.1.103 Прозрачные экраны

19.1.103.1 Настольные шлифовальные машины должны быть оборудованы прозрачными экранами, предназначенными для защиты глаз и лица оператора от летящих частиц.

Экраны должны быть регулируемыми и иметь такие размеры, чтобы при нормальных позициях шлифования, включая вертикальную плоскость над кругом, оператор мог видеть рабочую часть круга только сквозь экран.

Выполнение регулировки экрана не должно изменять регулировку других частей шлифовальной машины.

Экран должен быть выполнен из прозрачного материала, достаточно стойкого к ударным нагрузкам и к абразивному износу. Рекомендуется использовать накладное стекло и поликарбанат. Допускается применение других пластмасс.

19.1.103.2 Минимальные размеры прозрачной части прямоугольных и трапециевидных экранов.

Hmin = 60 мм

Bmin = 75 мм

bmin = 75 мм

Рисунок 106 - Прозрачный экран

Минимальные размеры прозрачной части экранов для настольных шлифовальных машин, оборудованных цилиндрическими чашечными кругами, идентичны размерам экранов для шлифовальных машин с плоскими кругами. Однако вместо толщины плоского круга следует указать ширину рабочей части цилиндрического чашечного круга.

Для всех шлифовальных машин экраны должны быть установлены таким образом, чтобы ось симметрии экрана совпадала со средней вертикальной плоскостью рабочей части шлифовального круга (рисунок 106).

19.2 Дополнение

Настольные шлифовальные машины должны иметь места для закрепления к опоре.

20 МЕХАНИЧЕСКАЯ ПРОЧНОСТЬ

По ГОСТ Р МЭК 1029-1.

21 КОНСТРУКЦИЯ

По ГОСТ Р МЭК. 1029-1 со следующим изменением

21.18 Дополнение

Регулировка рабочего упора не должна мешать срабатыванию устройства включения/отключения машины, а также не должна ограничивать доступ к этому устройству.

22 ВНУТРЕННЯЯ ПРОВОДКА

По ГОСТ Р МЭК 1029-1.

23 КОМПЛЕКТУЮЩИЕ ИЗДЕЛИЯ

По ГОСТ Р МЭК 1029-1.

24 ПОДКЛЮЧЕНИЕ К СЕТИ И ВНЕШНИЕ ГИБКИЕ КАБЕЛИ И ШНУРЫ

По ГОСТ Р МЭК 1029-1.

25 ЗАЖИМЫ ДЛЯ ВНЕШНИХ ПРОВОДОВ

По ГОСТ Р МЭК 1029-1.

26 ЗАЗЕМЛЕНИЕ

По ГОСТ Р МЭК 1029-1.

27 ВИНТЫ И СОЕДИНЕНИЯ

По ГОСТ Р МЭК 1029-1.

28 ПУТИ УТЕЧКИ, ВОЗДУШНЫЕ ЗАЗОРЫ И ТОЛЩИНА ИЗОЛЯЦИИ

По ГОСТ Р МЭК 1029-1.

29 ТЕПЛОСТОЙКОСТЬ, ОГНЕСТОЙКОСТЬ И СТОЙКОСТЬ К ОБРАЗОВАНИЮ ТОКОПРОВОДЯЩИХ МОСТИКОВ

По ГОСТ Р МЭК 1029-1.

30 КОРРОЗИОННАЯ СТОЙКОСТЬ

По ГОСТ Р МЭК 1029-1.

31 РАДИАЦИЯ

По ГОСТ Р МЭК 1029-1.

ПРИЛОЖЕНИЯ

По ГОСТ Р МЭК 1029-1.

 

Ключевые слова: машины электрические переносные; машины настольные шлифовальные; безопасность; испытания

СОДЕРЖАНИЕ

1 область применения. 1

2 нормативные ссылки. 2

3 определения. 2

4 общие требования. 3

5 испытания. Общие положения. 3

6 номинальное напряжение. 3

7 классификация. 3

8 маркировка. 3

9 защита от поражения электрическим током.. 4

10 пуск. 4

11 потребляемые мощность и ток. 4

12 нагрев. 4

13 ток утечки. 4

14 подавление радио- и телепомех. 4

15 защита от проникновения посторонних твердых тел и влагостойкость. 4

16 сопротивление изоляции и электрическая прочность. 4

17 надежность. 4

18 ненормальный режим работы.. 4

19 устойчивость и механическая безопасность. 4

20 механическая прочность. 9

21 конструкция. 9

22 внутренняя проводка. 9

23 комплектующие изделия. 9

24 подключение к сети и внешние гибкие кабели и шнуры.. 9

25 зажимы для внешних проводов. 10

26 заземление. 10

27 винты и соединения. 10

28 пути утечки, воздушные зазоры и толщина изоляции. 10

29 теплостойкость, огнестойкость и стойкость к образованию токопроводящих мостиков. 10

30 коррозионная стойкость. 10

31 радиация. 10

Приложения. 10

 

 



© 2013 Ёшкин Кот :-)