Информационная система
«Ёшкин Кот»

XXXecatmenu

МЕЖГОСУДАРСТВЕННЫЙ СТАНДАРТ

ПРОФИЛЬ ЗЕТОВЫЙ ДЛЯ ХРЕБТОВОЙ БАЛКИ

Сортамент

Z-section for centre girder. Dimensions

ГОСТ
5267.3-90

Дата введения 01.07.91

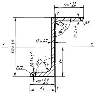
Настоящий стандарт распространяется на горячекатаный зетовый профиль для хребтовой балки вагонов.

1. Размеры, предельные отклонения, площадь поперечного сечения, масса 1 м профиля и справочные значения должны соответствовать приведенным на чертеже и в таблице.

Площадь поперечного сечения, см2

Масса 1 м, кг

Справочное значение величины

Ix

Iy

Wx

wy

X0

У0

Верх

Низ

Левая

Правая

см4

см3

см3

см

84,74

66,52

13177,8

3760,95

843,11

857,37

288,2

216,77

13,05

15,37

2. Кривизна профиля не должна превышать в вертикальной плоскости в сторону тонкой полки 0,50 % длины, в горизонтальной плоскости - 0,3 % длины.

3. Прогиб стенки по высоте сечения профиля не должен превышать 1,35 мм.

4.  Скручивание профиля не должно превышать 1,0 мм на 1 м длины.

5. Притупление прямых углов профиля 4 мм.

6. Скос прямых углов не должен превышать 3 мм по полкам, 30 мм - по стенке.

ИНФОРМАЦИОННЫЕ ДАННЫЕ

1. РАЗРАБОТАН И ВНЕСЕН Министерством металлургии СССР

2. УТВЕРЖДЕН И ВВЕДЕН В ДЕЙСТВИЕ Постановлением Государственного комитета СССР по управлению качеством продукции и стандартам от 25.06.90 № 1762

3. ВЗАМЕН ГОСТ 5267.3-78

4. Ограничение срока действия снято по протоколу № 7-95 Межгосударственного Совета по стандартизации, метрологии и сертификации (ИУС 11-95)

5. ПЕРЕИЗДАНИЕ

 

 



© 2013 Ёшкин Кот :-)