Информационная система
«Ёшкин Кот»

XXXecatmenu

МЕЖГОСУДАРСТВЕННЫЙ СТАНДАРТ

ПРОФИЛЬ ЗЕТОВЫЙ

Сортамент

Z-section. Dimensions

ГОСТ
5267.2-90

Дата введения 01.07.91

Настоящий стандарт распространяется на горячекатаные зетовые профили для вагоностроения.

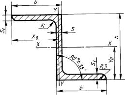
1. Размеры, предельные отклонения, площадь поперечного сечения, масса 1 м профиля и справочные значения должны соответствовать приведенным на чертеже и в таблице.

Номер профиля

Размер и предельное отклонение, мм

R

h

b

S

h

номин.

пред. откл.

номин.

пред. откл.

номин.

пред. откл.

номин.

пред. откл.

4

40

±1,2

40

±1,8

4,5

+0,3

-1,0

6,5

+0,3

-1,0

6,5

8

80

±2,4

65

±2,0

6,0

+0,4

-1,0

6,0

+0,4

-1,0

6,0

10

100

±3,0

75

±2,3

6,5

+0,5

-1,0

6,5

+0,5

-1,0

6,5

Продолжение

Номер профиля

Площадь поперечного сечения, см2

Масса 1 м, кг

Справочное значение величины

Ix

Iy

Wx

Wy

X0

Уо

см4

см3

см

4

6,56

5,15

15,70

22,83

7,85

6,05

3,78

2,0

8

12,00

9,42

123,92

94,04

30,98

15,17

6,20

4,0

10

15,55

12,20

251,56

158,37

50,31

22,07

7,18

5,0

2. Кривизна профилей в горизонтальной и вертикальной плоскостях не должна превышать 0,30 % длины.

3. Прогиб стенки по высоте сечения профиля не должен превышать 0,15 S.

4. Скручивание профиля не должно превышать 1 мм на 1 м длины.

ИНФОРМАЦИОННЫЕ ДАННЫЕ

1. РАЗРАБОТАН И ВНЕСЕН Министерством металлургии СССР

2. УТВЕРЖДЕН И ВВЕДЕН В ДЕЙСТВИЕ Постановлением Государственного комитета СССР по управлению качеством продукции и стандартам от 25.06.90 № 1762

3. ВЗАМЕН ГОСТ 5267.2-78

4. Ограничение срока действия снято по протоколу № 7-95 Межгосударственного Совета по стандартизации, метрологии и сертификации (ИУС 11-95)

5. ПЕРЕИЗДАНИЕ

 

 



© 2013 Ёшкин Кот :-)