
ГОСУДАРСТВЕННЫЙ СТАНДАРТ СОЮЗА ССР
МАШИНЫ ЭЛЕКТРИЧЕСКИЕ
ВРАЩАЮЩИЕСЯ
ОБОЗНАЧЕНИЯ БУКВЕННЫЕ
УСТАНОВОЧНО-ПРИСОЕДИНИТЕЛЬНЫХ
И ГАБАРИТНЫХ РАЗМЕРОВ
ГОСТ
4541-70
ГОСУДАРСТВЕННЫЙ
КОМИТЕТ СССР
ПО УПРАВЛЕНИЮ КАЧЕСТВОМ ПРОДУКЦИИ И СТАНДАРТАМ
Москва
ГОСУДАРСТВЕННЫЙ СТАНДАРТ СОЮЗА ССР
|
МАШИНЫ ЭЛЕКТРИЧЕСКИЕ ВРАЩАЮЩИЕСЯ
Обозначения буквенные установочно-присоединительных и
габаритных размеров
Rotating electrical machines.
Letter symbols
of fixing and overall dimensions
|
ГОСТ
4541-70*
Взамен
ГОСТ 4541-48
|
* Переиздание (май 1989 г.) с
Изменением № 1, утвержденным в сентябре 1984 г. (ИУС 12-84).
Постановлением Комитета стандартов, мер и
измерительных приборов при Совете Министров СССР от 26 февраля 1970 г. № 235.
Срок введения установлен
с 01.01.71
Проверен в 1984 г. Постановлением Госстандарта СССР от 27.09.84 №
3345 ограничение срока действия отменено
1. Настоящий стандарт
распространяется на вновь проектируемые и модернизируемые вращающиеся
электрические машины и преобразовательные агрегаты и устанавливает буквенные
обозначения установочно-присоединительных и габаритных размеров.
2. Номера
чертежей с примерами буквенных обозначений установочно-присоединительных и
габаритных размеров электрических машин и концов валов указаны в табл. 1.
Таблица 1
|
Обозначение форм исполнения
электрических машин по ГОСТ
2479-79
|
Номера чертежей с примерами простановки буквенных обозначений
|
|
Электрические машины
|
Концы валов
|
|
1М1 (кроме 1М16, 1М17)
|
1
|
10, 11
|
|
1М2 (кроме 1М22)
|
2
|
10, 11
|
|
1М3 (кроме 1М38)
|
3
|
10, 11
|
|
1М4
|
4
|
10, 11
|
|
1М5
|
5
|
10, 11
|
|
1М62, 1М65, 1М66
|
6
|
10, 12
|
|
1М70, 1М71, 1М72, 1М73
|
7
|
10, 11
|
|
Агрегаты преобразовательные
двухмашинные
|
8
|
-
|
|
Агрегаты преобразовательные
трехмашинные
|
9
|
10
|
(Измененная редакция, Изм. № 1).
3. Буквенные
обозначения установочно-присоединительных и габаритных размеров отдельных видов
электрических машин и агрегатов с иными конструктивными разновидностями
монтажных поверхностей и форм исполнения, не предусмотренных табл. 1, рекомендуется устанавливать
аналогично приведенным в настоящем стандарте.
4. Для
обозначений установочно-присоединительных и габаритных размеров электрических
машин и преобразовательных агрегатов следует применять строчные буквы
латинского и греческого алфавитов с подстрочными индексами:
b - для ширины (в направлении,
перпендикулярном к оси вала);
d - для диаметров;
h - для высоты;
l - для длины (в направлении оси вала);
r - для радиусов;
t - для размеров в шпоночных соединениях;
a - для угловых
размеров.
Примечание. Высоту оси вращения (h) проставляют без подстрочного
индекса.
5. Подстрочные индексы
к буквенным обозначениям следует устанавливать в зависимости от следующего их
назначения:
1 - 9 - для
концов валов;
10 - 19 - для
размеров лап и фундаментных плит (рам);
20 - 29 - для
размеров фланца;
30 - 80 - для
остальных установочно-присоединительных размеров;
80 и более - для
размеров агрегатов и специальных машин.
6. Буквенные
обозначения установочно-присоединительных и габаритных размеров должны
соответствовать указанным на черт. 1
- 12 и в табл. 2.
Чертежи служат
лишь для пояснения размеров, приведенных в табл. 2.
Количество
размеров, проставляемых в чертежах конкретных исполнений машин, устанавливается
применительно к каждому исполнению.
(Измененная
редакция, Изм. № 1).
7. При
простановке обозначений размеров на рабочих чертежах и в каталогах следует
избегать образования замкнутых размерных цепочек, например (см. черт. 8) один из размеров l88, l89 или l87 должен быть опущен.
8. В случае
одинаковых по форме и размерам обоих выступающих концов вала следует устанавливать
обозначения, принятые для первого выступающего конца вала.
9. Буквенные
обозначения размеров вентиляционных каналов настоящим стандартом не
устанавливаются.
10. Буквенные
обозначения на чертежах следует выполнять с наклоном. Допускается применение в
обозначениях прямых букв и цифр. Форма и размеры букв латинского и греческого
алфавитов и арабских цифр должны соответствовать ГОСТ 2.304-81.
Электрическая
машина группы 1М1

Черт. 1
Электрическая
машина группы 1М2

Черт. 2
Электрическая
машина группы 1М3

Черт. 3
Электрическая
машина группы 1М4

Черт. 4
Электрическая
машина группы 1М5

Черт. 5
Электрическая
машина группы 1М6

Черт. 6
Электрическая
машина группы 1М7

Черт. 7
Агрегаты преобразовательные
двухмашинные

Черт. 8
Агрегаты
преобразовательные трехмашинные

Черт. 9
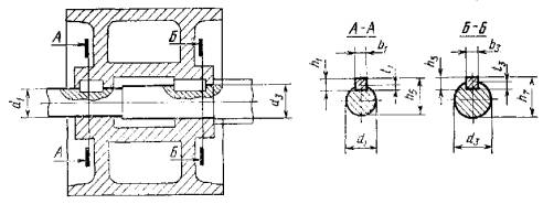
Выступающий конец
вала электрической машины
Конусность
1:п Конусность 1:п

Черт. 10
Второй
выступающий конец вала электрической машины
Конусность
1:п Конусность 1:п

Черт. 11
Участок вала под
посадку шкива

Черт. 12
Таблица 2
|
Буквенные обозначения
|
Описание размеров
|
Номера чертежей с примерами простановки буквенных обозначений
|
|
b1, b3
|
Ширина шпонки на выступающем
конце вала
|
10, 12
|
|
b2
|
Ширина шпонки на втором
выступающем конце вала
|
11
|
|
b10
|
Расстояние между осями отверстий
под крепежные болты в лапах
|
1, 2
|
|
b11
|
Ширина по лапам
|
1, 2
|
|
b12
|
Ширина опорной части лапы
|
1, 2
|
|
b13
|
Ширина фундаментной плиты (рамы)
|
6, 7, 8
|
|
b14, b15
|
Расстояние между осями отверстий
в фундаментной плите (раме)
|
6, 7, 8
|
|
b30
|
Ширина машины
|
7
|
|
b31, b32
|
Расстояние от оси машины до выступающей
внешней части коробки выводов или другой наиболее выступающей детали,
установленной сбоку машины
|
1, 2, 3, 4, 5, 6, 8
|
|
b33
|
Расстояние от оси машины до оси ввода
кабеля в клеммную коробку
|
1, 2, 3, 6
|
|
d1
|
Диаметр выступающего
цилиндрического конца вала, диаметр посадочного участка вала под шкив или
диаметр большого основания конуса при коническом конце вала
|
1. 2, 3, 4, 5, 7, 9, 10, 12
|
|
d2
|
Диаметр второго выступающего
цилиндрического конца вала или диаметр большого основания конуса при
коническом конце вала
|
1, 7, 11
|
|
d3
|
Диаметр среднего сечения
выступающего конического конца вала или второго посадочного участка вала под
шкив
|
10, 12
|
|
d4
|
Диаметр среднего сечения второго
выступающего конического конца вала
|
11
|
|
d5
|
Диаметр резьбовой части
(наружной или внутренней) выступающего конца вала
|
10
|
|
d6
|
Диаметр резьбовой части
(наружной или внутренней) второго выступающего конца вала
|
11
|
|
d10
|
Диаметр отверстия в лапе
или непосредственно в корпусе
|
1, 2, 5
|
|
d11
|
Диаметр отверстия в станине или
в фундаментной плите
|
6, 7, 8, 9
|
|
d20
|
Диаметр окружности расположения
центров отверстий на крепительном фланце
|
2, 3, 4, 5
|
|
d21
|
Диаметр окружности расположения
центров резьбовых отверстий на малой заточке фланца
|
4
|
|
d22
|
Диаметр отверстия (гладкого или резьбового)
в крепительном фланце
|
2, 3, 4, 5
|
|
d23
|
Диаметр резьбовых отверстий на
малой центрирующей заточке крепительного фланца
|
4
|
|
d24
|
Наружный диаметр крепительного
фланца или диаметр окружности, в которую может вписываться фланец любой формы
|
2, 3, 4
|
|
d25
|
Диаметр центрирующей заточки
(выточки) крепительного фланца
|
2, 3, 4
|
|
d26
|
Диаметр малой центрирующей
заточки крепительного фланца
|
4, 5
|
|
d30
|
Наибольший диаметр машины или
диаметр окружности, описанной вокруг машины любой формы без учета рым-болта,
клеммной коробки или лап
|
1, 2, 3, 4, 5, 6, 8
|
|
d31
|
Диаметр выточки корпуса
|
4
|
|
d32
|
Наружный диаметр шкива
|
6
|
|
d33*
|
Диаметр отверстия для кабеля
|
1, 2, 3, 6
|
|
d34*
|
Наибольший диаметр провода,
кабеля, металлического рукава или газовой трубы, присоединяемых к коробке
выводов
|
|
|
l1
|
Длина выступающего конца вала
|
1, 2, 3, 4, 5, 7, 9, 10
|
|
l2
|
Длина второго выступающего конца
вала
|
1, 7, 11
|
|
l3
|
Длина конической части
выступающего конца вала
|
10
|
|
l4
|
Длина конической части второго
выступающего конца вала
|
11
|
|
l5
|
Длина резьбовой части или
резьбового отверстия конца вала
|
10
|
|
l6
|
Длина резьбовой части или
резьбового отверстия второго выступающего конца вала
|
11
|
|
l10
|
Расстояние между осями отверстий
под крепежные болты (в лапах, станине, корпусе)
|
1, 2, 5
|
|
l11
|
Длина по лапам
|
1, 2
|
|
l12
|
Длина опорной части лапы
|
1, 2
|
|
l13
|
Расстояние от края фундаментной плиты
(рамы) до оси ближайшего отверстия в фундаментной плите (раме)
|
6, 7, 8, 9
|
|
l14, ll5, ll6
|
Расстояние между осями отверстий
в фундаментной плите (раме)
|
6, 7, 8, 9
|
|
l18
|
Длина фундаментной плиты (рамы)
|
6, 7, 8, 9
|
|
l20
|
Длина центрирующей заточки или
центрирующей выточки крепительного фланца
|
2, 3, 4
|
|
l21
|
Толщина крепительного фланца
|
2, 3, 4
|
|
l22
|
Длина малой центрирующей заточки
|
4, 5
|
|
l23
|
Высота подшипникового щита
|
5
|
|
l30
|
Общая длина машины с одним
выступающим концом вала
|
1, 2, 3, 4, 5, 6, 7
|
|
l31
|
Расстояние от заплечика
выступающего конца вала машины до оси ближайшего отверстия в лапе или фундаментной
плите (раме)
|
1, 2, 5, 6, 7, 9
|
|
l32
|
Расстояние от заплечика второго
выступающего конца вала до оси ближайшего отверстия в лапе или в фундаментной
плите (раме)
|
1, 6
|
|
l33
|
Общая длина машины с двумя
выступающими концами вала
|
1, 6, 7
|
|
l34
|
Расстояние от заплечика
выступающего конца вала до середины коробки выводов
|
1, 2, 3, 6
|
|
l35
|
Расстояние от опорного торца
крепительного фланца (для форм исполнения М2; М3; М4)
до середины коробки выводов
|
2, 3, 4
|
|
l36
|
Длина коробки выводов
|
1, 2, 3, 4, 6
|
|
l37*
|
Расстояние от торца выступающего
конца вала до опорного торца крепительного фланца
|
2, 3, 4
|
|
l38*
|
Расстояние от опорного торца
крепительного фланца до наиболее удаленной точки машины
|
2, 3, 4
|
|
l39
|
Расстояние от заплечика
выступающего конца вала до опорного торца крепительного фланца
|
2, 3
|
|
l40
|
Расстояние от заплечика вала до
середины шкива
|
6
|
|
l41
|
Расстояние от заплечика
выступающего конца вала до оси ближайшего стоякового подшипника
|
6, 7, 9
|
|
l42
|
Длина выточки корпуса
|
4
|
|
l43
|
Ширина шкива
|
6
|
|
l44
|
Расстояние от заплечика второго
выступающего конца вала до оси ближайшего стоякового подшипника
|
6, 7
|
|
l45, l46 l47
|
Расстояние между осями стояковых
подшипников машины или от оси машины до оси стоякового подшипника
|
7, 8
|
|
l48
|
Расстояние от торца выступающего
конца вала до оси стоякового подшипника
|
7
|
|
l49
|
Расстояние от заплечика
выступающего конца вала до оси машины
|
7
|
|
l50
|
Расстояние от оси коллектора до
заплечика выступающего конца вала
|
5
|
|
l80
|
Длина агрегата
|
8, 9
|
|
l81
|
Расстояние от оси стоякового подшипника
до оси машины
|
8, 9
|
|
l82
|
Расстояние от оси машины до оси
второго стоякового подшипника
|
8, 9
|
|
l83
|
Расстояние от оси ближайшего
стоякового подшипника до плоскости разъема соединительной муфты
|
8, 9
|
|
l84
|
Расстояние от плоскости разъема
соединительной муфты до оси второй машины в агрегате
|
8, 9
|
|
l85
|
Расстояние от оси второй машины в
агрегате до оси стоякового подшипника
|
9
|
|
l86
|
Расстояние от оси третьего
стоякового подшипника до оси третьей машины в агрегате
|
9
|
|
l87
|
Расстояние между осями машин в
агрегате
|
8
|
|
l88
|
Расстояние от торца стоякового
подшипника до оси первой машины в агрегате
|
8
|
|
l89
|
Расстояние от оси второй машины
в агрегате до конца агрегата
|
8
|
|
h
|
Расстояние от опорной
поверхности лап до оси вращения вала (высота оси вращения)
|
1, 2, 6, 7, 8, 9
|
|
h1, h3
|
Высота шпонки на выступающем
конце вала
|
10, 12
|
|
h2
|
Высота шпонки на втором
выступающем конце вала
|
11
|
|
h5, h7
|
Расстояние от верхней грани
шпонки до противоположной поверхности выступающего цилиндрического конца вала
|
10, 12
|
|
h6
|
Расстояние от верхней грани шпонки
до противоположной поверхности второго выступающего цилиндрического конца
вала
|
11
|
|
h10
|
Высота лапы
|
1, 2, 7
|
|
h11
|
Высота фундаментной плиты (рамы)
|
6, 7, 8, 9
|
|
h12
|
Высота фундаментной плиты (рамы)
в местах крепления
|
6
|
|
h30
|
Расстояние от опорной
поверхности лап до наивысшей точки машины (без рым-болта или коробки выводов)
|
1, 2, 6
|
|
h31
|
Расстояние от опорной поверхности
лап до наивысшей точки машины или агрегата, включая рым-болт или коробку
выводов
|
1, 2, 6, 8
|
|
h32
|
Расстояние от опорной
поверхности лап до наиболее удаленной части машины, расположенной ниже лап
|
7
|
|
h33
|
Расстояние от нижней поверхности
фундаментной плиты (рамы) до наивысшей точки машины, включая рым-болт или
коробку выводов
|
6, 7, 8
|
|
h34
|
Расстояние от опорной
поверхности лап до оси отверстия для кабеля в коробке выводов
|
1, 2, 6
|
|
h35
|
Расстояние от оси вала машины до
оси отверстия для кабеля в коробке выводов
|
3
|
|
h36
|
Расстояние от оси до нижней
точки машины
|
7
|
|
r30
|
Наибольший радиус корпуса
(кожуха машины)
|
7
|
|
t1, t3
|
Глубина паза на выступающем
конце вала
|
10, 12
|
|
t2
|
Глубина паза под шпонку на втором
выступающем конце вала
|
11
|
|
a20
|
Угол наклона крепежных отверстий
фланца к вертикали при шаге отверстий 4´90°
|
2, 3
|
|
a21
|
Угол наклона крепежных отверстий
фланца к вертикали при шаге отверстий 8´45°
|
2, 3
|
* В чертежах и каталогах
проставлять один из размеров d33 или d34; l37 или l38.
ПРИЛОЖЕНИЕ (Исключено, Изм.
№ 1).
|