Информационная система
«Ёшкин Кот»

XXXecatmenu

ГОСТ 29115-91

МЕЖГОСУДАРСТВЕННЫЙ СТАНДАРТ

 

БЛОКИ И УСТРОЙСТВА
ДЕТЕКТИРОВАНИЯ ГАММА-ИЗЛУЧЕНИЯ
СПЕКТРОМЕТРИЧЕСКИЕ
НА ОСНОВЕ ПОЛУПРОВОДНИКОВЫХ
ДЕТЕКТОРОВ

МЕТОДЫ ИЗМЕРЕНИЯ ОСНОВНЫХ ПАРАМЕТРОВ

 

 

 

 

ИПК ИЗДАТЕЛЬСТВО СТАНДАРТОВ

Москва

 

МЕЖГОСУДАРСТВЕННЫЙ СТАНДАРТ

БЛОКИ И УСТРОЙСТВА ДЕТЕКТИРОВАНИЯ ГАММА-ИЗЛУЧЕНИЯ
СПЕКТРОМЕТРИЧЕСКИЕ НА ОСНОВЕ ПОЛУПРОВОДНИКОВЫХ
ДЕТЕКТОРОВ

Методы измерения основных параметров

Detector sets of gamma radiation for spectrometry.
Methods of basic parameters measurement

ГОСТ
29115-91

Дата введения 01.01.93

Настоящий стандарт распространяется на спектрометрические блоки и устройства детектирования (далее - БД) гамма-излучения по ГОСТ 27173, выполненные на основе полупроводниковых детекторов (ППД), и устанавливает методы измерений их основных параметров:

- коэффициента преобразования;

- отношения пик/комптон;

- энергетического разрешения;

- отношения ПШДВ/ПШПВ;

- чувствительности регистрации;

- максимальной статистической загрузки;

- диапазона энергий регистрируемого излучения;

- интегральной нелинейности функции преобразования;

- нестабильности (амплитуды сигнала по времени);

- времени установления рабочего режима;

- времени непрерывной работы.

Технические требования к БД по перечню параметров стандарта должны устанавливаться в технической документации, утвержденной в установленном порядке. Основные показатели назначения БД - по ГОСТ 27172.

Требования настоящего стандарта являются обязательными, за исключением п. 2.2 и приложений 1, 2.

1. АППАРАТУРА И ИСТОЧНИКИ ИЗЛУЧЕНИЯ

1.1. При проведении измерений используют аппаратуру и средства измерений, указанные в приложениях 1 и 2.

1.2. Измерения проводят на установке, собранной по схеме, приведенной на черт. 1.

Блок-схема установки и включения БД

1 - образцовый источник излучения; 2 - источник питания детектора; 3 - блок детектирования; 4 - генератор; 5 - спектрометрический усилитель; 6 - осциллограф; 7 - счетчик импульсов; 8 - анализатор импульсов

Черт. 1

1.3. Применяемые средства измерений и измерительный канал в целом должны иметь действующие свидетельства о государственной (ведомственной) поверке или метрологической аттестации.

Используемые программы машинной обработки данных измерений аттестуются в установленном порядке.

2. УСЛОВИЯ ПРОВЕДЕНИЙ ИЗМЕРЕНИЯ И ПОДГОТОВКА К НИМ

2.1. Общие положения

2.1.1. Все измерения проводят в нормальных условиях по ГОСТ 27173.

Не допускается воздействие на БД постоянных и переменных электрических полей напряженностью выше 0,1 В/м, акустических шумов и вибраций. Уровень индустриальных радиопомех не должен быть более норм, установленных Общесоюзными нормами № 2-72 - 9-72.

2.1.2. Рабочее напряжение, подаваемое на детектор БД, и постоянную времени формирования сигнала (интегрирования и дифференцирования при гауссовском формировании) спектрометрического усилителя устанавливают исходя из лучшего значения энергетического разрешения БД.

2.1.3. Интегральная статистическая загрузка БД, контролируемая по средней частоте следования импульсов на быстром выходе спектрометрического усилителя при наборе спектра, должна быть на порядок выше скорости счета импульсов, обусловленных фоновым излучением, но не более (1 - 2) · 103 с-1, если не указано иное.

2.1.4. Необходимую загрузку БД обеспечивают выбором источника ионизирующего излучения и расстояния от источника до БД.

2.1.5. Геометрические условия взаимного расположения источника излучения и БД определяются видом измерения.

Источники излучения из состава стандартных комплектов ОСГИ, СОСГИ располагают на расстоянии не менее 50 мм от БД соосно рабочей оси детектора (источники с радионуклидами барий-133, европий-152, торий-228 рекомендуется располагать на расстоянии не менее 90 мм от БД).

Образцовый точечный источник специального назначения (ОИСНТ) для БД с ППД типа «колодец» устанавливают на расстоянии 10 мм от дна колодца и соосно его оси.

Образцовый источник специального назначения в контейнере Маринелли (ОИСНМ) располагают поверх детектора БД. Используют источники двух типоразмеров: в контейнере модели 450, содержащем по объему (450 ± 2) мл радиоактивного препарата, - для БД с крышкой детектора диаметром 76,5 мм и менее и модели 1000, содержащем по объему (1000 ± 2) мл радиоактивного препарата, - для БД с крышкой детектора диаметром более 76,5 мм (приложение 3, черт. 2).

Схемы расположения источников излучения относительно БД приведены в приложении 4 (черт. 3 - 5).

2.1.6. Параметры БД в зависимости от диапазона энергий регистрируемого излучения нормируют:

- по энергии 122,1 кэВ (источник излучения с радионуклидом кобальт-57) - на диапазон энергий до 400 кэВ;

- по энергии 661,6 кэВ (источник излучения с радионуклидом цезий-137) - на диапазон энергий до 1 МэВ;

- по энергии 1332,5 кэВ (источник излучения с радионуклидом кобальт-60) - на диапазон энергий до 10 МэВ.

2.1.7. Измерения по определению диапазона и интегральной нелинейности (ИНЛ) функции преобразования проводят не менее чем в шести точках по диапазону значений регистрируемых энергий (включая точки, соответствующие значениям 0,2 - 0,4; 0,6 - 0,8 каждого 10-кратного поддиапазона изменения энергий). Число точек измерения и соответствующие им значения энергий излучения указывают в стандартах или технических условиях, утвержденных в установленном порядке, на БД конкретных типов.

Для БД на диапазон энергий от 50 до 6130 кэВ последовательно измеряют энергии 6129 кэВ (источник излучения ИВГИ), 3253, 2598, 1771, 1037 кэВ (источник излучения с радионуклидом кобальт-56), 1408, 779, 344, 122 кэВ (источник излучения с радионуклидом европий-152), 59,5 кэВ (источник излучения с радионуклидом америций-241), если не оговорено иное.

2.1.8. При определении числа каналов, необходимого для регистрации спектра, исходят из того, что для регистрации спектра 10-кратного диапазона изменения энергии с погрешностью измерения не более 1 % (погрешность измерения нижнего значения диапазона) необходимо 1000 и более каналов.

2.1.9. Число импульсов, зарегистрированных в канале максимума пика полного поглощения (ППП) измеряемой энергии, должно быть не менее 2 × 103, а число каналов в пределах полной ширины ППП на уровне 0,5 его высоты соответственно - не менее шести.

2.1.10. Значение характеристической энергии излучения, дополнительно используемой для градуировки спектрометрической системы (определения ширины канала анализатора в энергетических единицах: электронвольтах или килоэлектронвольтах на канал), должно быть достаточно близким к значению энергии, выбранной для определения энергетического разрешения. Интенсивности потоков фотонов измеряемой и дополнительно используемой энергий не должны отличаться более чем в 10 раз.

В случае применения источников с радионуклидами кобальт-60 и кобальт-57 по п. 2.1.6 в качестве второй дополнительной энергии выбирают соответственно энергии 1173,2 и 136,5 кэВ.

При калибровке тракта по источнику высокоэнергетического гамма-излучения используют пики вылета.

2.1.11. Измерения начинают не ранее чем через 30 мин после подачи рабочего напряжения на детектор БД и включения всех приборов из числа задействованных в схеме измерений. При наборе спектра - не ранее чем через 3 мин после появления на экране осциллографа неискаженных спектрометрических импульсов.

2.1.12. Вместе с результатами измерений должны приводиться сведения о типе задействованного при измерении спектрометрического усилителя, постоянной времени формирования сигнала БД и значении рабочего напряжения, подаваемого на детектор БД.

2.2. Подготовка к измерениям

2.2.1. Проверяют правильность включения и соединений аппаратуры, задействованной в составе установки по п. 1.2.

2.2.2. На спектрометрическом усилителе устанавливают:

- коэффициент усиления в пределах 40 - 50;

- постоянную времени формирования 2 мкс;

- переключатель полярности входного сигнала - в положение, соответствующее полярности выходного сигнала БД.

Регуляторы дискриминаторов верхнего и нижнего уровней на анализаторе устанавливают в положение 10,0 и 0,1 - 0,15 делений соответственно.

2.2.3. Включают БД. Наблюдая по осциллографу за сигналом на выходе спектрометрического усилителя, подают на детектор БД высокое напряжение, равное начальному значению диапазона его рабочих напряжений (300 - 400 В для германиевых детекторов). При подъеме напряжения:

- не должно наблюдаться подергиваний и резких изменений размаха шумовой дорожки;

- возможно кратковременное исчезновение сигнала при резком изменении напряжения на детекторе;

- появление случайных, соответствующих полярности сигнала БД импульсов на выходе усилителя, свидетельствует о том, что БД регистрирует фоновое излучение.

БД выдерживают под напряжением в течение 30 мин. На выходе усилителя должен наблюдаться однородный белый шум без наводок и разрывов. В спектре шума не должно просматриваться модуляционных гармоник и высокочастотных микровозбуждений. Должны отсутствовать шум от микрофонного эффекта и микропробои (небольшие импульсы противоположной основному сигналу полярности).

2.2.4. Если шум стабилен и гармоники отсутствуют, увеличивают напряжение на детекторе БД до требуемого значения. Как и при проверке по п. 2.2.3, импульсов от микропробоев наблюдаться не должно.

2.2.5. От генератора импульсов на БД подают сигнал экспоненциальной формы с фронтом нарастания до 50 нс, временем спада 100 - 300 мкс, частотой следования 100 с-1 и полярностью, обеспечивающей на выходе БД сигнал одной полярности с сигналом от регистрации ионизирующего излучения.

2.2.6. На выходе усилителя по осциллографу изменением амплитуды импульсов генератора устанавливают сигнал 6 - 7 В.

2.2.7. Наблюдая за сигналом на уровне вершины при развертке 0,1 В/дел и менее, проверяют стабильность амплитуды импульсов от генератора. Скачков или подергиваний амплитуды импульсов наблюдаться не должно.

2.2.8. Подстраивают цепь компенсации полюса нулем усилителя.

2.2.9. При необходимости проводят балансировку усилителя по постоянному току, т.е. устанавливают напряжение смещения близким к нулю (в пределах ± 20 мВ).

2.2.10. В режиме работы анализатора на максимальное число каналов регистрируют спектр импульсов от генератора. Амплитудное распределение импульсов от генератора должно наблюдаться в виде узкого пика. Гистограмма пика должна иметь симметричную форму, которая может быть описана плавной огибающей кривой. Левостороннее распределение (затянутая левая ветвь огибающей пика - отрицательная асимметрия) свидетельствует о недокомпенсации сигнала по п. 2.2.8, правостороннее распределение (затянутая правая ветвь огибающей пика - положительная асимметрия) - о перекомпенсации.

2.2.11. Для более детальной проверки формы пика (при необходимости) по данным набранного спектра (приложение 5, черт. 6) определяют:

1) положение центроиды пика - по формуле

                                                           (1)

где  - интерполированный номер канала, соответствующего положению на шкале анализатора центроиды пика (указывают с точностью до десятых долей канала);

Xi - номер i-го канала в области пика, расположенной выше его полувысоты (0,5 Nmax) (Nmax - отсчет числа импульсов, зарегистрированных в канале, соответствующем максимуму пика); i = l ... m; (m - l) > 5;

l, m - индексы обозначения каналов, соответствующих границам размеченной области пика с левой и правой сторон;

Ni - отсчет числа импульсов, зарегистрированных в Xi канале, Ni > 0,5Nmax;

2) границы пика на уровне 0,1 его высоты:

- с левой стороны - по формуле

                                                    (2)

где  - интерполированный номер канала, соответствующего границе пика с левой стороны на уровне q его высоты;

Xl - номер канала, соответствующего границе слева для области пика, расположенной выше ординаты qNmax;

Nmax - высота пика;

q - коэффициент, задающий уровень по высоте пика; q = 0,1 для уровня, соответствующего 0,1 высоты пика;

Nl, Nl-1 - отсчеты числа импульсов в двух соседних каналах Xl, Xl-1 соответственно больше и меньше qNmax;

- с правой стороны - по формуле

                                                      (3)

где m - индекс обозначения каналов, соответствующих правому склону пика, остальное - по формуле (2).

Полную ширину пика на уровне q его высоты DХ(q) рассчитывают по формуле

DХ(q) = Xm(q) - Xl(q),                                                             (4)

где Xm(q), Xl(q) - см. формулы (2), (3);

в частности DХ(0,1) - ПШДВ, полная ширина пика на уровне 0,1 его высоты;

DХ(0,5) - ПШПВ, полная ширина пика на уровне 0,5 его высоты;

3) коэффициент асимметрии пика к(0,1) - по формуле

                                                          (5)

где к(q) - значение коэффициента асимметрии пика на уровне q его высоты; q = 0,1;

, Хl(q), Хm(q) - см. формулы (1), (2), (3).

Коэффициент асимметрии пика должен быть в пределах 0,9 - 1,0.

При форме пика, близкой к симметричной, асимметрию пика допускается рассчитывать относительно линии максимума пика (моды пика).

3. ПРОВЕДЕНИЕ ИЗМЕРЕНИЙ И ОБРАБОТКА РЕЗУЛЬТАТОВ

3.1. Метод измерения коэффициента преобразования

3.1.1. Требуемый по п. 2.1.6 источник излучения (далее, если не оговорено иное, - источник излучения с радионуклидом кобальт-60) из состава стандартных комплектов ОСГИ устанавливают с помощью дистанцерного устройства на соответствующем условиям по пп. 2.1.3, 2.1.5 расстоянии от БД.

3.1.2. Усиление спектрометрического усилителя регулируют так, чтобы ППП измеряемой по п. 2.1.6 энергии соответствовал по ширине требованиям п. 2.1.9. Проводят подстройку цепи компенсации полюса нулем усилителя. Напряжение на детекторе БД и постоянную времени формирования усилителя устанавливают до начала измерений в соответствии с сопроводительными данными на БД или требованиям п. 2.1.2.

3.1.3. Набирают спектр амплитуд импульсов от регистрируемого излучения.

3.1.4. По снятому спектру определяют номер канала, соответствующего положению максимума ППП измеряемой энергии (1332,5 кэВ).

3.1.5. Убирают источник. На БД подают сигнал от генератора по п. 2.2.5. Амплитуду импульсов генератора регулируют так, чтобы максимум пика амплитудного распределения импульсов регистрировался в канале, отмеченном в п. 3.1.4.

3.1.6. По осциллографу измеряют амплитуду импульсов на выходе БД.

3.1.7. Коэффициент преобразования К, мВ/МэВ, вычисляют по формуле

                                                                     (6)

где А - амплитуда импульса (по данным п. 3.1.6), мВ;

Е - значение измеряемой энергии излучения (по данным паспорта или свидетельства об аттестации на источник), МэВ.

3.2. Метод измерения отношения пик/комптон

3.2.1. По методике, изложенной в пп. 3.1.1 - 3.1.3, регистрируют спектр излучения от источника, установленного на расстоянии (250 ± 2) мм от БД.

3.2.2. Справа и слева от спектральных ППП, соответствующих измеряемой (1332,5 кэВ) и дополнительной (см. п. 2.1.10) энергиям фотонов излучения источника, на расстоянии четырехкратного значения ПШПВ от абсциссы максимума ППП выбирают участки спектра шириной девять каналов.

3.2.3. Среднее значение ординаты размеченных участков спектра определяют по формулам:

- для участка слева от ППП

                                                                (7)

- для участка справа от ППП

                                                               (8)

где Ni - отсчет числа импульсов, зарегистрированных в Xi канале, имп.; i = l ... (l + 8) для участка спектра слева от ППП; i = m ... (m + 8) для участка спектра справа от ППП.

3.2.4. В границах участка Xl+4 < Xi < Хт+4 спектр представляют в полулогарифмическом масштабе (отсчет числа импульсов по оси ординат в логарифмическом масштабе).

3.2.5. Через точки, определенные по пп. 3.2.3, 3.2.4, проводят прямую линию, аппроксимирующую границу фонового пьедестала.

Значение фона в Xi канале может быть определено графически (см. приложение 5, черт. 7) или по формуле

                            (9)

где  - интерполированное значение логарифма числа импульсов в Xi канале под ППП.

3.2.6. Из каждого отсчета Ni вычитают значение фона Niф и в границах спектра Хl+8 < Xi < Хm и линейном масштабе строят исправленное распределение для спектральных ППП Ni = Ni - Niф.

Вычитания фона не проводят, если число импульсов, обусловленных фоном в каждом из каналов, не превышает 2 % числа импульсов в канале максимума ППП.

Фон допускается вычитать в линейном масштабе без преобразования по п. 3.2.4. В этом случае значение фона в Xi канале определяют:

- при представлении линии фона в виде плавной ступеньки - по формуле

                                                   (10)

где А - полная площадь размеченной по пп. 3.2.2 - 3.2.4 зоны спектра (определяется суммированием числа импульсов, зарегистрированных в каналах), имп.;

Ai - i-я частичная площадь размеченной зоны спектра, имп.;

- при линейном интерполировании - по формуле

                              (11)

Если средние арифметические значения ординат участков спектра, размеченных по п. 3.2.2, в пределах статистической погрешности примерно одинаковы (постоянный фон под пиком), линию фона по п. 3.2.5 проводят параллельно оси абсцисс. В этом случае .

Вид интерполяции для определения Niф должен соответствовать указанному в НТД на БД.

3.2.7. После получения пиков спектра с исключенным фоновым распределением по формуле (1) определяют положение их центроиды.

3.2.8. Значение энергетической ширины канала d, кэВ/канал, вычисляют по формуле

                                                         (12)

где Е1, Е2 - значения энергий излучения, используемых для калибровки тракта измерений (по данным свидетельства об аттестации на источник), кэВ; для источника излучения с радионуклидом кобальт-60 Е1 = 1173,21 кэВ, Е2 = 1332,47 кэВ);

,  - номера каналов, соответствующие положениям центроид ППП с энергиями Е1 и Е2 (по данным п. 3.2.7).

Для измерений по п. 3.2 допускается ширину канала определять исходя из соответствия максимумов ППП измеряемым энергиям.

3.2.9. С учетом масштаба по п. 3.2.8 определяют участок спектра, соответствующий энергиям от 1040 до 1096 кэВ (при измерениях спектра излучения источника с радионуклидом кобальт-60). При измерениях спектра излучения источника с радионуклидом цезий-137 (см. п. 2.1.6) выбирают участок спектра от 358 до 382 кэВ.

Среднее значение ординаты этого участка спектра вычисляют по формуле

                                                           (13)

где  - среднее арифметическое значение отсчетов числа импульсов в каналах участка спектра, соответствующего комптоновскому распределению, имп.;

Ni - отсчет числа импульсов, зарегистрированных в Хi канале, имп.; i = l ... m;

Xl, Xm - номера каналов, соответствующих границам слева и справа наиболее плоской части профиля выбранного участка спектра; (m - l) > 10.

3.2.10. Отношение пик/комптон определяют по формуле

                                                             (14)

где Nmax - отсчет числа импульсов в канале максимума ППП, соответствующего измеряемой энергии (по данным п. 3.2.6), имп.;

 - см. формулу (13).

3.3. Метод измерения энергетического разрешения

3.3.1. Спектр излучения регистрируют по методике, изложенной в пп. 3.1.1 - 3.1.3, таким образом, чтобы ширина ППП, соответствующего измеряемой энергии, на его полувысоте была не менее 10 каналов.

По методике пп. 3.2.2 - 3.2.8 находят положение центроид ППП и ширину канала.

3.3.2. По данным спектра с исключенным фоном по формулам (2), (3), (4) определяют ПШПВ, ППП, соответствующего выбранной для измерения размещения энергии.

3.3.3. Абсолютное энергетическое разрешение h, кэВ, вычисляют по формуле

h = d × DХ(0,5),                                                          (15)

где d - значение энергетической ширины канала (по данным п. 3.3.1), кэВ/канал;

DХ(0,5) - ПШПВ ППП измеряемой энергии (по данным п. 3.3.2).

При измерении энергетического разрешения БД с ППД типа «колодец» положение источника излучения должно соответствовать схеме, приведенной в приложении 4, черт. 4 (см. п. 2.1.5).

3.4. Метод измерения отношения ПШДВ к ПШПВ

3.4.1. Спектр излучения регистрируют по методике, изложенной в пп. 3.1.1 - 3.1.3, при загрузке 800 - 1000 с-1.

3.4.2. По методике, изложенной в пп. 3.2.2 - 3.2.6, строят гистограмму ППП, соответствующего энергии 1332,5 кэВ (или другой выбранной для измерения энергетического разрешения БД) с исключенным фоновым распределением.

3.4.3. По формулам (2), (3), (4) определяют ПШПВ и ПШДВ ППП.

3.4.4. Отношение ПШДВ к ПШПВ j для ППП вычисляют по формуле

                                                                 (16)

где DХ(0,1), DХ(0,5) - см. формулу (4).

ПШДВ = 1,85 ПШПВ для чисто гауссовского распределения.

3.5. Метод измерения чувствительности регистрации

3.5.1. Измерения в условиях стандартной геометрии (по схеме, представленной в приложении 4, черт. 3)

3.5.1.1. Проверяют правильность настройки порогов привязки усилителя к уровню шумов и фронту входного сигнала. В соответствии с методикой, изложенной в пп. 3.1.1 - 3.1.3, в режиме счета по живому времени регистрируют спектр излучения источника, установленного на расстоянии (250 ± 2) мм от БД.

Число импульсов, зарегистрированных в канале максимума ППП измеряемой энергии, должно быть не менее 104.

Живое время набора спектра Тж может быть определено по формуле

                                                    (17)

где Тп - полное время набора спектра (измеряют по секундомеру или таймером анализатора), с;

tм.отн. - относительная доля мертвого времени, измерения (поправочный коэффициент для учета потерь счета); определяют методом внешнего генератора или подобия спектров при малой и большой загрузке перед измерениями, %.

В случае использования генератора импульсов мертвое время спектрометрического тракта определяют по методике:

- одновременно с потоком излучения от источника регистрируют сигнал от генератора по п. 2.2.5;

- амплитуду импульсов генератора регулируют так, чтобы спектральный пик от генератора регистрировался на шкале анализатора на 10 % - 15 % по энергетическому эквиваленту дальше ППП измеряемой энергии;

- на анализаторе устанавливают время экспозиции 103 с;

- набирают спектр входных импульсов БД;

- определяют число импульсов, зарегистрированное в пике амплитудного распределения от генератора, по формуле

Аг = SNiг,                                                                  (18)

где Niг - отсчет импульсов в Xi канале пика за вычетом фона, имп.;

- вычисляют мертвое время спектрометрического тракта по формуле

                                                    (19)

где Аг - число импульсов, зарегистрированное в пике амплитудного распределения от генератора;

пг - частота следования импульсов генератора, с-1; пг = 100 с-1;

Тэ - время экспозиции, с; Тэ = 103 с.

Мертвое время можно не учитывать, если оно не превышает 1 %.

3.5.1.2. Из набранного спектра исключают фон (методика - по пп. 3.2.2 - 3.2.6) и, суммируя по площади, определяют число импульсов Ап, зарегистрированное в ППП измеряемой энергии.

Фон под пиком не вычитают, если он не превышает 5 % суммарного числа импульсов в ППП.

3.5.1.3. Чувствительность регистрации S, мм2, вычисляют по формуле

                                                     (20)

где Ап - по данным п. 3.5.1.2, имп.;

Тж - по данным п. 3.5.1.1, с;

J - значение внешнего излучения (интенсивности выхода фотонов излучения) источника в телесный угол W для измеряемой энергии на день проводимых измерений, с-1 (расчет см. ниже);

W - телесный угол (2p или 4p - по данным свидетельства об аттестации на источник излучения), ср;

R - расстояние от источника излучения до БД, мм; R = 250 мм;

r - расстояние от чувствительной поверхности ППД до наружной поверхности крышки БД (по данным паспорта на БД), мм.

Эффективность регистрации может быть определена по формуле

                                                                  (21)

где S - по формуле (20);

F - площадь чувствительной поверхности детектора БД, мм2.

Примечание. Для БД с детектором коаксиальной геометрии определяют эффективность регистрации в процентах относительно сцинтилляционного кристалла NaJ (Tl) диаметром 75 и высотой 75 мм, умножая значение чувствительности регистрации S, мм2, определенной для энергии 1333,5 кэВ, на коэффициент 0,106.

Значение внешнего излучения J рассчитывают по формуле

                                                    (22)

где J0 - значение внешнего излучения источника в телесный угол 2p или 4p ср на дату аттестации (по данным свидетельства об аттестации на источник, рассчитывается как произведение активности радионуклида и абсолютной интенсивности выхода фотонов измеряемой энергии Е, испускаемых при распаде радионуклида), с-1;

t - время, прошедшее после аттестации источника, сут;

Т1/2 - период полураспада радионуклида источника излучения, сут.

3.5.2. Измерение БД с детектором типа «колодец»

3.5.2.1. Образцовый точечный источник излучения помещают в «колодец» детектора БД, соблюдая условия п. 2.1.5 и схемы расположения, представленной в приложении 4 (черт. 4).

3.5.2.2. Спектр излучения регистрируют по п. 3.5.1.1.

Из-за относительно высокой чувствительности регистрации в БД с «колодцем» более заметно, чем для геометрических форм, при которых источник излучения располагают вне детектора, проявляется эффект каскадного суммирования энергий фотонов, в результате чего в спектре появляется пик наложений. При использовании источника с радионуклидом кобальт-60 (энергии фотонов излучения 1173,2 и 1332,5 кэВ) в спектре амплитуд будет регистрироваться пик с энергией 2505,7 кэВ. Число фотонов измеряемой энергии, прореагировавших с материалом детектора БД, будет определяться суммой числа импульсов, зарегистрированных в ППП измеряемой энергии Ап и пике наложений As (суммарном пике).

Информативность пика наложения (отношение Аsп) растет с увеличением чувствительности регистрации. Регистрация в пике наложений импульсов случайных совпадений должна быть по возможности исключена. Это достигается путем подбора источника, времени формирования усилителя, а также включением устройства подавления наложения импульсов.

3.5.2.3. После исключения фона по методике, изложенной в пп. 3.2.2 - 3.2.6, определяют суммарное число импульсов, зарегистрированных в ППП измеряемой энергии и соответствующем ей пике наложений, по формуле

A = An + As.                                                         (23)

Используя соотношение S = Ап/(Тж × J) из формулы (20), заменив Ап на А, по данным п. 3.5.2.3, определяют чувствительность регистрации БД.

3.5.3. Измерение с использованием образцового источника в контейнере Маринелли

Модели контейнеров и источник устанавливают по п. 2.1.5 в соответствии со схемой, приведенной в приложении 4 (черт. 5). Измерение проводят согласно пп. 3.5.2.2, 3.5.2.3.

При использовании многореперных источников суммарное число импульсов, зарегистрированное в ППП измеряемой энергии и соответствующих ей пиках наложений от эффекта каскадного суммирования, определяют по формуле

                                                                (24)

где А, Ап - по формуле (23);

w - поправочный коэффициент, определяемый по графикам семейства зависимостей w = f(eа, Ei), приводимым в свидетельстве об аттестации на источник излучения, где eа - полная (по всему диапазону энергий источника излучения) абсолютная эффективность БД.

3.6. Метод измерения максимальной статистической загрузки

3.6.1. Измерения проводят в поле излучения образцового или рабочего источника по п. 2.1.6 при постоянной времени цепей формирования импульса спектрометрического тракта tф = 1 мкс. Источник должен обеспечивать воспроизведение требуемого значения максимальной загрузки БД на расстоянии до БД не менее 250 мм.

3.6.2. Спектр излучения источника регистрируют при загрузке (1000 ± 50) с-1. Усиление тракта подбирают таким образом, чтобы ППП измеряемой энергии регистрировался в каналах, лежащих в пределах от 75 % до 80 % максимального числа каналов анализатора.

При необходимости режектирования наложенных импульсов выход ЗАПРЕТ усилителя соединяют с соответствующим входом анализатора и проводят регулировку мертвого времени детектора наложений усилителя.

3.6.3. По данным набранного спектра в соответствии с методикой, изложенной в пп. 3.2.2 - 3.2.8, 3.3.2, 3.3.3, определяют положение центроиды ППП измеряемой энергии и энергетическое разрешение.

3.6.4. Загрузку увеличивают до максимального значения, установленного для БД, набирают спектр и вновь определяют положение центроиды пика и энергетическое разрешение.

Контроль загрузки допускается проводить при меньшем значении постоянной времени формирования усилителя, чем значение, указанное в п. 3.6.1.

В случае выполнения подстроек измерительного тракта при увеличении загрузки необходимо повторить измерения по пп. 3.6.2, 3.6.3.

3.6.5. Относительное смещение центроиды пика (), %, рассчитывают по формуле

                                                    (25)

где ,  - соответственно номера каналов центроиды ППП измеряемой энергии при малой и максимальной загрузках (по данным пп. 3.6.3, 3.6.4);

d - ширина канала, определенная при загрузке (1000 ± 50) с-1, кэВ/канал;

Е - табличное значение измеряемой энергии излучения, кэВ.

Допускается  рассчитывать по формуле

                                                   (26)

3.6.6. Относительное значение изменения (ухудшения) разрешения (dh), %, рассчитывают по формуле

                                                      (27)

где h1, h2 - соответственно значения энергетического разрешения при малой и максимальной загрузках (по данным пп. 3.6.3, 3.6.4), кэВ.

Допускается расчет dh выполнять по формуле

                                                   (28)

где DX1(0,5), DX2(0,5) - соответственно ПШПВ ППП измеряемой энергии при малой и максимальной загрузках (по данным пп. 3.6.3, 3.6.4).

Рекомендуется измерения по п. 3.6 проводить также при постоянной времени формирования tф = 2 мкс. Значения постоянных времени указаны для квазигауссовского способа формирования сигнала.

3.7. Метод измерения диапазона энергий регистрируемого излучения и основной погрешности функции преобразования (интегральной нелинейности - ИНЛ)

3.7.1. Измерение с применением генератора импульсов точной амплитуды

3.7.1.1. Перед детектором БД устанавливают источник излучения с наибольшей характеристической энергией фотонов, выбранной для измерений по п. 2.1.7.

3.7.1.2. Усиление тракта регулируют так, чтобы ППП измеряемой энергии регистрировался в районе 80 % - 90 % максимального числа каналов шкалы анализатора. При необходимости подстраивают цепь компенсации полюса нулем усилителя.

3.7.1.3. Набирают спектр. Число импульсов в канале максимума ППП при использовании источника ИВГИ с энергией фотонов 6129,2 кэВ должно быть не менее 500 (здесь и далее приводятся значения энергии излучения источников, указанных в п. 2.1.7).

3.7.1.4. В соответствии с пп. 3.2.2 - 3.2.7 определяют положение центроиды ППП измеряемой энергии. В обоснованных случаях допускается определять положение ППП по номеру канала, соответствующего максимуму ППП.

3.7.1.5. Поочередно, по мере уменьшения значений измеряемых энергий, регистрируют спектры излучения от всех других необходимых источников и для каждого из них выполняют действия по п. 3.7.1.4. Число импульсов, зарегистрированных в канале максимума ППП, должно быть не менее:

- для энергии 3253,4 кэВ (при использовании источника с радионуклидом

кобальт-56).................................................................................................................. 500

- для энергии 1408,0 кэВ (при использовании источника с радионуклидом

европий-152).............................................................................................................. 1000

- для энергии 59,5 кэВ (при использовании источника с радионуклидом

америций-241)............................................................................................................ 2000

3.7.1.6. Отключают сигнальный кабель БД и на вход спектрометрического усилителя подают сигнал с ослабленного выхода генератора. Генератор калибруют в энергетических единицах на табличное значение измеряемой энергии по п. 3.7.1.1. Для энергии 6129,2 кэВ (источник ИВГИ):

- лимбы отсчетного устройства регулятора амплитуды генератора устанавливают в положение, соответствующее отсчету 61292 (для другой энергии - соответствующее ее табличному значению и разрядной значимости);

- оперируя ручками управления аттенюатора и потенциометром нормализации генератора, добиваются, чтобы максимум пика амплитудного распределения импульсов от генератора регистрировался в канале, определенном для измеряемой энергии в п. 3.7.1.4.

3.7.1.7. Не меняя положения ручек управления аттенюатора и нормализатора, последовательно для каждого отсчета измеряемой по п. 3.7.1.5 энергии набирают спектр амплитуд импульсов от генератора и определяют положение центроид соответствующих им пиков. Число зарегистрированных импульсов в максимумах генераторных пиков должно быть не менее 1000.

3.7.1.8. По данным измерений по пп. 3.7.1.5, 3.7.1.7 определяют разность в каналах между центроидами ППП измеряемой энергии  и соответствующего ей генераторного пика .

3.7.1.9. Интегральную нелинейность (ИНЛ), %, вычисляют по формуле

                                                        (29)

где  - максимальное значение абсолютной разности в каналах по п. 3.7.1.8;

 - номер канала центроиды ППП, соответствующего наибольшему значению измеряемой энергии (по данным п. 3.7.1.4).

Измерение ИНЛ одновременно является проверкой диапазона энергии регистрируемого излучения в пределах от 0,9Еmin до 1,1Еmax, где Еmin, Еmax - соответственно наименьшее и наибольшее значения измеряемой энергии излучения из ряда выбранных источников по п. 2.1.7.

3.7.2. Измерение с линейной аппроксимацией функции преобразования

3.7.2.1. В соответствии с пп. 3.7.1.1 - 3.7.1.5 определяют положение центроид ППП.

3.7.2.2. Функцию преобразования БД представляют в виде уравнения прямой линии Х = а + b × E.

Параметры прямой (a, b - коэффициенты уравнения регрессии) находят по методу наименьших квадратов, используя полученные данные о положении центроид ППП  и соответствующие им табличные значения энергий фотонов измеряемого излучения Еj.

3.7.2.3. Для каждой центроиды ППП  рассчитывают отклонение от прямой линии, аппроксимирующей функцию преобразования, Еj, кэВ, по формуле

                   (30)

где п - число обрабатываемых ППП.

Из полученных разностей DEj выбирают максимальное значение и рассчитывают ИНЛ, %, спектрометрического тракта по формуле

                                                        (31)

где Еmax - наибольшее значение измеряемой энергии (по данным п. 3.7.1.4), кэВ.

Метод измерения ИНЛ с аппроксимацией функции преобразования привязан к тракту в целом, в связи с чем значение ИНЛ может быть указано для БД как значение суммарной квадратичной нелинейности в комплекте с выбранной аппаратурой, о чем делается запись в сопроводительных документах (см. п. 2.1.12). При этом ИНЛ измерительного канала (усилитель, анализатор) не должна превышать 1,2 нормируемого для БД значения предела допускаемой нелинейности. Метод измерения ИНЛ должен быть оговорен в технической документации на БД.

3.8. Метод измерения нестабильности показаний (амплитуды сигнала во времени)

3.8.1. Между БД и спектрометрическим усилителем по цепи сигнала включают линейный сумматор. Вместе с БД к одному из входов сумматора подключают генератор импульсов стабильной амплитуды.

3.8.2. Перед БД устанавливают источник излучения с радионуклидом кобальт-60 (см. п. 3.1.1).

3.8.3. Усиление тракта регулируют так, чтобы ППП измеряемой энергии (1332,5 кэВ) регистрировался в средней части шкалы, соответствующей максимальному числу каналов анализатора (в четвертой тысяче каналов для анализатора, включенного на 8192 уровня квантования).

3.8.4. Амплитуду импульсов генератора по п. 2.2.5 регулируют так, чтобы пик генератора регистрировался на шкале анализатора на 5 % по энергетическому эквиваленту дальше от ППП измеряемой энергии (приблизительно на 200 каналов от энергетического пика 1332,5 кэВ).

3.8.5. Устанавливают примерно одинаковую скорость набора пиков измеряемой энергии и генератора.

3.8.6. БД выключают на 2 ч, затем включают и после установления рабочего режима набирают спектр одновременно от источника излучения и генератора. БД не отключают, если операции по пп. 3.8.2 - 3.8.5 можно провести в течение времени установления рабочего режима. По методике, приведенной в пп. 3.2.2 - 3.2.7, находят положение центроид ППП и пиков генератора.

3.8.7. Через интервалы времени, не превышающие 10 % времени непрерывной работы (но не реже, чем через 4 ч), в течение времени непрерывной работы производят новые наборы спектра и определяют соответствующие им положения пиков.

3.8.8. По данным пп. 3.8.6, 3.8.7 рассчитывают:

- разность  между каналами, соответствующими положениям центроид ППП измеряемой энергии  и пика генератора  при i-м измерении, по формуле

                                                              (32)

где i = 1 ... n, n - число измерений;

- среднее арифметическое значение  разностей  по формуле

                                                              (33)

Нестабильность G, %, вычисляют по формуле

                                                   (34)

где  - положение центроиды ППП измеряемой энергии при первом измерении (по данным п. 3.8.6).

Фон под пиком по пп. 3.8.6, 3.8.7 можно не вычитать, если влияние фона на погрешность определения центроиды мало по сравнению с нестабильностью ее положения.

3.9. Метод измерения времени установления рабочего режима

3.9.1. Не ранее чем через утроенное время установления рабочего режима после включения и подачи напряжения на детектор БД по методике, изложенной в п. 3.3, измеряют энергетическое разрешение БД.

3.9.2. БД выключают на 2 ч. После указанной паузы БД включают и по истечении времени установления рабочего режима, сохраняя настройку по п. 3.9.1, вновь измеряют энергетическое разрешение.

Если операции по пп. 3.1.1 - 3.1.3, 3.3.1 можно провести в течение времени установления рабочего режима, измерение проводят без отключения БД в следующем порядке:

- включают БД и по истечении времени установления рабочего режима измеряют энергетическое разрешение;

- не ранее чем через интервал времени, равный утроенному времени установления рабочего режима после первого измерения, повторно измеряют энергетическое разрешение.

Аппаратуру измерительного тракта по пп. 3.9.1, 3.9.2 включают и прогревают до включения БД.

3.9.3. Относительное изменение энергетического разрешения dh, %, определяют по формуле

                                                         (35)

где h1, h2 - значения энергетического разрешения БД, полученные соответственно сразу после установления рабочего режима и в процессе работы (по данным пп. 3.9.1, 3.9.2).

Относительное изменение разрешения не должно превышать нормированного значения, указанного в технической документации на БД.

3.10. Метод измерения времени непрерывной работы

3.10.1. По методике, изложенной в п. 3.3, проводят три измерения энергетического разрешения в начале работы (после установления рабочего режима) и три - в конце работы (по истечении времени непрерывной работы).

Определяют соответствующие им средние арифметические значения энергетического разрешения.

3.10.2. Относительное изменение энергетического разрешения во времени dh, %, определяют по формуле

                                                          (36)

где  и  - средние значения измеряемого параметра, соответствующие результатам серии измерений в начале и конце работы (по данным п. 3.10.1), кэВ.

Относительное изменение разрешения БД за время непрерывной работы не должно превышать нормированного значения, указанного в технической документации на БД.

ПРИЛОЖЕНИЕ 1

Рекомендуемое

АППАРАТУРА И СРЕДСТВА ИЗМЕРЕНИЙ ДЛЯ ОПРЕДЕЛЕНИЯ ПАРАМЕТРОВ БД

Наименование

Основные технические характеристики

Рекомендуемый тип

Анализатор импульсов многоканальный амплитудный

Программируемый; число уровней квантования - 8192; входная загрузка - не менее 1,5 × 105 с-1; интегральная нелинейность - не более 0,05 %; дифференциальная нелинейность - не более 1 %; нестабильность ширины канала за время непрерывной работы - не более 0,1 %; погрешность измерения живого времени - не более 10 %

АМ-А-03Ф2

NOKIA LP490OB

(производство Финляндия)

Спектрометрический усилитель (аналоговый процессор)

Входной сигнал - экспоненциальный импульс с длительностью фронта от 40 до 200 нс, постоянной времени спада от 40 до 2000 мкс отрицательной либо положительной полярности; формирование сигнала - квазигауссовское, постоянные времени формирования - от 1 до 8 мкс; интегральная нелинейность - не более 0,05 %, максимальная амплитуда выходного сигнала - не менее 10 В; коэффициент усиления - от 3 до 1000; входная загрузка при tф = 2 мкс - не менее 1,5 × 105 с-1 (смещение центроиды ППП при загрузке - не более 0,05 %, ухудшение разрешения - не более 20 %), уровень шума, приведенного ко входу, при tф = 4 мкс - не более 5 мкВ; наличие стабилизатора базовой линии, компенсации полюса нулем, цепи питания ПУ БД, быстрого выхода; временное разрешение детектора наложений - не более 500 нс; нестабильность усиления за 8 ч непрерывной работы - не более 0,1 %, нулевого уровня - не более 0,2 мВ

БУИ-3К

ORTEC, мод. 572

(производство США)

Счетчик импульсов

Входной сигнал - импульсы положительной, отрицательной полярности; порог чувствительности - не менее 0,1 В; разрешающее время по парным импульсам - не более 100 нс; максимальная скорость счета - не менее 106 с-1

ПСО2-5

ORTEC, мод. 541

(производство США)

Осциллограф

Чувствительность - не менее 5 мВ/дел.; полоса пропускания - от 0 до 100 МГц; основная погрешность измерения времени и амплитуды импульсов - не более 5 %

С1-92

Генератор импульсов точной амплитуды

Сигнал - экспоненциальный импульс положительной либо отрицательной полярности с постоянной времени спада не менее 50 мкс, длительность фронта - не более 50 нс, частота следования - не менее 100 с-1; интегральная нелинейность - 0,01 - 0,005 %; нестабильность амплитуды за время непрерывной работы - 0,005 - 0,002 %; наличие устройства калибровки - нормализатора

NZ-635/B

(производство Венгрия)

ORTEC, мод. 448

(производство США)

Сумматор линейный

Число входов - два и более; связь с источниками сигнала - гальваническая; импеданс по входу - не менее 5 кОм, по выходу - не более 50 Ом

БОА2-95

ORTEC, мод. 433А

(производство США)

Источник питания ППД БД

Высоковольтный, 0 - 4 кВ (по ГОСТ 18230)

БНВ-31-01

ORTEC, мод. 459

(производство США)

Блочный каркас с источником питания

Выбираются в соответствии с типом конструктива используемых частичных блоков (в системе NJM, «Вектор», КАМАК)

Каркас ВБЦ2-90

Блок питания БНН-151

Минибин

ORTEC, мод. 402М

(производство США)

Образцовые спектрометрические источники гамма-излучения

Первого разряда; активность радионуклида 104 - 105 Бк; энергии фотонов - см. приложение 2

Из состава стандартных комплектов ОСГИ, ОСГИ-3, СОСГИ-М

Образцовый точечный источник специального назначения

Первого разряда; активность - 102 - 103 Бк; максимальный размер активной части - не более 2 мм; энергия излучения - по п. 2.1.6

-

Образцовый источник специального назначения в контейнере Маринелли

Типоразмер - по п. 2.1.8; активность радионуклида 102 - 105 Бк; энергия излучения по п. 2.1.6; погрешность аттестации по выходу фотонов - не более 3 %; погрешность от самопоглощения - не более 0,5 %; неравномерность распределения радионуклида по объему наполнителя - не более 1 % по активности; средний удельный вес твердого наполнителя - (1,15 ± 0,02) г/см3, жидкого - (1,06 ± 0,01) г/см3; эффективный атомный номер наполнителей Z = 4,0 ± 0,7; плотность материала контейнеров - (1,1 ± 0,1) г/см2

На 450 мл - UVVVR

мод. MBSS,

радионуклид - согласно заказу

(производство Чехословакия)

На 1000 мл - изготовляется по специальному заказу

Источник высокоэнергетического гамма-излучения

Второго разряда; внешнее излучение фотонов характеристической энергии не менее 2 × 103 с-1 в телесный угол 4pср

ИВГИ

(разработка ВНИИФТРИ)

Рабочий источник гамма-излучения с радионуклидом кобальт-60

Активность радионуклида 107 - 108 Бк

ГИК-1-5

Примечание. Допускается применять другое, вновь разработанное или находящееся в применении оборудование сравнимого или более высокого класса.

ПРИЛОЖЕНИЕ 2

Справочное

ХАРАКТЕРИСТИКИ ОСНОВНЫХ РАДИОНУКЛИДОВ, ПРИМЕНЯЕМЫХ ПРИ ИЗМЕРЕНИИ ПАРАМЕТРОВ СПЕКТРОМЕТРИЧЕСКИХ БД ГАММА-ИЗЛУЧЕНИЯ

Радионуклид

Период полураспада, сут

Энергия фотонов гамма-излучения, кэВ

Абсолютная интенсивность фотонов на 100 Бк активности, %

Америций-241

1,5782<22> × 105

(432,1<6> лет)

26,345<2>

59,537<2>

2,4<2>

35,8<8>

Барий-133

3,90<10> × 103

(10,7<3> лет)

От 31 до 383,86,

в т.ч.:

80,996<6>

302,858<6>

356,014<8>

34,2<2>

18,6<14>

63<4>

Европий-152

4,96<13> × 103

(13,58<35> лет)

От 121,8 до 1769,

в т.ч.:

121,7824<5>

344,281<4>

778,906<3>

1408,01<3>

28,4<5>

26,6<4>

12,96<14>

20,85<16>

Кадмий-109

462,0<8>

88,034<2>

3,65<11>

Кобальт-56

77,9<1,3>

От 846,8 до 3548,

в т.ч.:

1037,843<4>

1771,349<7>

2598,462<7>

3253,419<11>

 

Кобаль-57

271,81<15>

14,415<5>

122,0614<6>

136,4743<10>

9,57<25>

85,7<3>

10,6<2>

Кобальт-60

1925,3<8>

(5,2712<22> лет)

1173,238<6>

1332,502<10>

99,85<4>

99,982<2>

Марганец-54

312,16<8>

834,844<11>

99,975<6>

Торий-228 (в равновесии с дочерними продуктами распада)

698,7<15>

От 39,9 до 2614,5,

в т.ч.:

238,632<4>

583,191<4>

2614,533<25>

44,9<20>

30,6<8>

36,06<16>

Цезий-137

11019<9>

(30,169<25>лет)

661,662<3>

 

Примечание. В скобках «...» указана погрешность для доверительной вероятности Р = 0,95 (значений энергии кобальта-56 для Р = 0,68) в единицах цены десятичного разряда последней значащей цифры значения величины.

ПРИЛОЖЕНИЕ 3

Справочное

Контейнер Маринелли в стандартном исполнении

Черт. 2

Обозначение на чертеже

Размер, мм

Мод. 450

Мод. 1000

Н1

104,1 ± 1,3

150,0 ± 1,3

Н2

68,33 ± 0,15

100,0 ± 0,15

d

(77,40 - 0,008е)

± 0,10 ср.

± 0,25 max

(120,00 - 0,008е)

± 0,1 ср.

± 0,25 max

W

[14,83 - 0,008f]

± 0,10 ср.

± 0,25 max

s1

1,90 ± 0,1

s2

2,00 ± 0,25

s3

3,60 ± 0,15

ПРИЛОЖЕНИЕ 4

Справочное

СХЕМЫ ВЗАИМНОГО РАСПОЛОЖЕНИЯ ИСТОЧНИКА И БД

Схема расположения образцового спектрометрического источника ОСГИ

1 - источник; 2 - детектор БД

Черт. 3

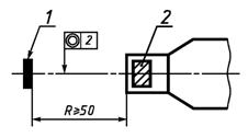
Схема расположения точечного источника

1 - источник; 2 - детектор БД

Черт. 4

d

h

10

35

40

14,5

35

40

16

40

Схема расположения стандартного источника в контейнере Маринелли

1 - источник; 2 - детектор БД; 3 - центрирующая опора

Черт. 5

ПРИЛОЖЕНИЕ 5

Справочное

ПРИМЕРНЫЕ ВИДЫ СПЕКТРОГРАММ ПИКОВ АМПЛИТУДНОГО РАСПРЕДЕЛЕНИЯ ИМПУЛЬСОВ

q - уровень по высоте 0 < q < 1

Черт. 6

Черт. 7

 

ИНФОРМАЦИОННЫЕ ДАННЫЕ

1. РАЗРАБОТАН И ВНЕСЕН Министерством атомной энергетики и промышленности СССР

2. УТВЕРЖДЕН И ВВЕДЕН В ДЕЙСТВИЕ Постановлением Комитета стандартизации и метрологии СССР от 10.10.91 № 1606

3. ВВЕДЕН ВПЕРВЫЕ

4. ССЫЛОЧНЫЕ НОРМАТИВНО-ТЕХНИЧЕСКИЕ ДОКУМЕНТЫ

Обозначение НТД, на который дана ссылка

Номер пункта, приложения

ГОСТ 18230-72

Приложение 1

ГОСТ 27172-86

Вводная часть

ГОСТ 27173-86

Вводная часть, 2.1.1

Нормы № 2-72 - 9-72

2.1.1

5. ПЕРЕИЗДАНИЕ. Сентябрь 2004 г.

 

СОДЕРЖАНИЕ

1. Аппаратура и источники излучения. 1

2. Условия проведений измерения и подготовка к ним.. 2

3. Проведение измерений и обработка результатов. 6

Приложение 1. Аппаратура и средства измерений для определения параметров бд.. 16

Приложение 2. Характеристики основных радионуклидов, применяемых при измерении параметров спектрометрических бд гамма-излучения. 17

Приложение 3. Контейнер маринелли в стандартном исполнении. 18

Приложение 4. Схемы взаимного расположения источника и бд.. 19

Приложение 5. Примерные виды спектрограмм пиков амплитудного распределения импульсов. 20

 

 



© 2013 Ёшкин Кот :-)