Welded joints. Test methods on resistance to cold crack formation under fusion welding 

Информационная система
«Ёшкин Кот»

XXXecatmenu

ГОСУДАРСТВЕННЫЙ СТАНДАРТ СОЮЗА ССР

СОЕДИНЕНИЯ СВАРНЫЕ

МЕТОДЫ ИСПЫТАНИЯ НА СОПРОТИВЛЯЕМОСТЬ ОБРАЗОВАНИЮ
ХОЛОДНЫХ ТРЕЩИН ПРИ СВАРКЕ ПЛАВЛЕНИЕМ

ГОСТ 26388-84

ГОСУДАРСТВЕННЫЙ КОМИТЕТ СССР ПО СТАНДАРТАМ
МОСКВА

РАЗРАБОТАН Министерством высшего и среднего специального образования СССР

ИСПОЛНИТЕЛИ

Г.А. Николаев, Ю.Н. Сахаров, Э.Л. Макаров, Ю.Г. Романов

ВНЕСЕН Министерством высшего и среднего специального образования СССР

Член Коллегии Д.И. Рыжонков

УТВЕРЖДЕН И ВВЕДЕН В ДЕЙСТВИЕ Постановлением Государственного комитета СССР по стандартам от 20 декабря 1984 г. № 4829

ГОСУДАРСТВЕННЫЙ СТАНДАРТ СОЮЗА ССР

СОЕДИНЕНИЯ СВАРНЫЕ

Методы испытаний на сопротивляемость образованию холодных трещин при сварке плавлением

Welded joints. Test methods on resistance to cold crack formation under fusion welding

ГОСТ
26388-84

Постановлением Государственного комитета СССР по стандартам от 20 декабря 1984 г. № 4829 срок действия установлен

с 01.01.86

до 01.01.91

Несоблюдение стандарта преследуется по закону

Стандарт устанавливает методы испытаний на сопротивляемость углеродистых и легированных сталей основного металла в зоне термического влияния и металла шва образованию холодных трещин при однопроходной сварке (в том числе при сварке корневого валика многослойных швов).

Машинный метод основан на доведении металла зоны термического влияния или металла шва сварных образцов до образования холодных трещин под действием растягивающих напряжений от внешней постоянной нагрузки.

Технологический метод заключается в доведении металла зоны термического влияния или металла шва сварных образцов до образования холодных трещин под действием остаточных сварочных напряжений.

Машинный метод применяют при разногласиях в оценке качества сварных соединений.

Методы испытаний, предусмотренные в настоящем стандарте, применяют при проведении исследовательских испытаний по оценке свариваемости металлов.

1. МЕТОДЫ ОТБОРА ОБРАЗЦОВ

1.1. Для машинных испытаний устанавливают пять типов основных образцов:

I - плоский круглый или восьмигранный для стали толщиной 1 - 6 мм (черт. 1 табл. 1) для количественной оценки сопротивляемости стыковых соединений образованию продольных и поперечных (по отношению к оси шва) трещин в шве и зоне термического влияния. Ось шва располагают вдоль или поперек направления прокатки;

II - тавровый для стали толщиной 8 - 20 мм (черт. 2 табл. 2) для количественной оценки сопротивляемости угловых соединений образованию продольных трещин в зоне термического влияния вдоль плоскости проката и в корне шва;

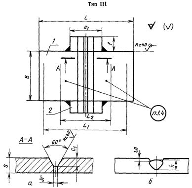
III - плоский прямоугольный для стали толщиной 8 - 20 мм (черт. 3 табл. 3) для количественной оценки сопротивляемости стыковых соединений образованию продольных трещин в зоне термического влияния поперек плоскости проката и шве;

IV - плоский прямоугольный для стали толщиной 8 - 20 мм (черт. 4 табл. 4) для количественной оценки сопротивляемости стыковых соединений образованию поперечных трещин в зоне термического влияния поперек плоскости проката и шве;

V - цилиндрический диаметром 8 мм с винтовым надрезом (черт. 5) для количественной оценки сопротивляемости стыковых соединений из сталей прочностью до 1000 МПа образованию продольных трещин в зоне термического влияния поперек плоскости проката в условиях наличия острого концентратора напряжений. Допускается применение образцов диаметром 6 мм.

черт1 copy

а - стыковое соединение без разделки кромок; б - стыковое соединение с разделкой кромок; в - общий вид сварного соединения; s - толщина образца; D0 - диаметр образца; В1 - размер между гранями восьмигранного образца; a - угол разделки образца; С1 - глубина разделки; Du - диаметр рабочей части образца.

Черт. 1

Таблица 1

Размеры, мм

s

Образец без разделки кромок

Образец с разделкой кромок

Примечание

D0

В1

Du

D0

В1

Du

a, °

С1

1

148

135

100

-

-

-

-

-

Сварка проплавлением основного металла или вставки в разделке, а также с применением присадочной проволоки

2

148

135

100

148

135

100

90

1,0

3

148

135

100

148

135

100

90

2,0

4

-

-

-

168

155

120

60

2,5

5

-

-

-

198

182

150

60

3,0

6

-

-

-

228

210

180

60

4,0

черт2 copy

l - длина вертикальной стенки образца; s - толщина входной и выходной планки; H - высота стенки образца; b1 - ширина основания образца; l1 - длина полки образца; b - величина зазора; К - катет сварного шва; 1 - стенка из испытываемой стали; 2 - полка из низкоуглеродистой стали; 3 - входные и выходные планки из низкоуглеродистой стали.

Черт. 2

Таблица 2

мм

s

l

s1

H

b1

l1

b

К

8

100

8

100

100

150

1,0

6

10

100

10

100

100

150

1,5

8

12

100

12

100

100

150

1,5

8

16

100

16

100

100

150

2,0

10

20

100

20

100

100

150

2,5

10

Примечание. Допускается изготовление полки и планок из сталей той же системы легирования, что и испытываемая сталь, но имеющих меньшее содержание углерода, марганца и хрома.

черт3 copy

а - образец под стыковое соединение; б - общий вид сварного соединения; 1 - образец из испытываемой стали; 2 - входные и выходные планки из низкоуглеродистой стали; В - ширина образца; L - длина образца; L2 - длина рабочей части образца при растяжении; L1 - длина рабочей части образца при изгибе; bо - ширина основания разделки кромок; e1 - ширина входной и выходной планки; f - длина входной и выходной планки; h - высота сварного шва; L3 - расстояние между опорами пуансона при изгибе (см. черт. 14 в).

Черт. 3

Таблица 3

мм

s

В

Испытание изгибом

Испытание растяжением

bо

с1

e1

f

h

L

L1

L3

L

L2

8

100

200

160

40

250

50

1

5

20 - 10

15 - 40

5

10

100

250

200

40

250

50

2

6

40 - 60

30 - 60

6

12

100

250

200

40

250

50

2

6

40 - 60

30 - 60

6

16

100

350

280

60

250

50

3

8

50 - 80

40 - 80

8

20

100

350

280

60

250

50

3

8

50 - 80

40 - 80

8

черт4 copy

lp - длина разделки образца.

Черт. 4

Таблица 4

мм

s

В

Испытание изгибом

Испытание растяжением

lp

с1

h

L

L1

L

L2

8

100

200

160

250

50

80 - 120

5 - 6

5

10

100

250

200

250

50

100 - 140

6 - 8

6

12

100

250

200

250

50

100 - 140

8 - 10

6

16

100

350

280

250

50

100 - 160

11 - 13

8

20

100

350

280

250

50

100 - 160

15 - 17

8

Примечание. При сварке под флюсом применяют верхний предел длины разделки кромок образца и нижний предел глубины разделки кромок.

черт5 copy

Примечания:

1. Допускается изготовление пластин из сталей той же системы легирования, что и сталь для изготовления цилиндрического образца, но имеющих меньшее содержание углерода, марганца и хрома.

2. Допускается применение пластин других размеров, если обеспечивается такая же скорость охлаждения при сохранении заданного режима сварки.

Черт. 5

1.2. Для испытаний с помощью технологического метода устанавливают четыре типа основных образцов:

VI - плоский квадратный для стали толщиной 1 - 6 мм с дискообразным вварышем в центре с переменным диаметром Di (черт. 6 табл. 5) для количественной оценки склонности стыковых соединений к образованию продольных и поперечных трещин в зоне термического влияния и шве;

VII - крестообразный образец, собранный из трех плоских прямоугольных элементов из стали толщиной 8 - 40 мм (черт. 7 табл. 6) для качественной оценки склонности угловых соединений к образованию продольных трещин в зоне термического влияния и шве;

VIII - три плоских прямоугольных образца толщиной 12 - 40 мм, различающихся длиной свариваемых элементов, (черт. 8 табл. 7) для количественной оценки склонности стыковых соединений к образованию продольных трещин в зоне термического влияния и шве;

IX - плоский прямоугольный толщиной 12 - 40 мм с продольной прорезью в центре, оформленной в виде У-образной разделки, (черт. 9 табл. 8) для качественной оценки склонности сварных соединений к образованию продольных трещин в зоне термического влияния и шве. Применение образца ограничено испытаниями при ручной и полуавтоматической сварке.

черт6 copy

а - образец без разделки кромок; б - образец с разделкой кромок; в - общий вид сварного соединения; Di - переменный диаметр рабочей части образца; с - притупление разделки кромок; g - усиление сварного шва снаружи; g1 - усиление сварного шва в корне

Черт. 6

Таблица 5

Размеры, мм

s

В

Di

Образец без разделки кромок

Образец с разделкой кромок

Примечание

D1

D2

D3

b

a, °

с

b

1

150

40

50

70

0,5

-

-

Сварка проплавлением основного металла или кольцевой вставки в разделке, а также присадочного прутка в разделке

2

150

50

60

80

0,5

90

1,0

0,5

3

150

50

60

80

0,5

90

1,5

0,5

4

200

50

70

90

-

60

2,0

1,0

5

200

50

70

90

-

60

2,0

1,0

6

200

50

70

90

-

60

2,0

1,0

черт7 copy

1, 2, 3, 4 - последовательность выполнения швов на образце; lш - длина сварного шва; Вг - ширина горизонтальной полки образца; lи - длина сварного шва, вырезаемого для исследования

Черт. 7

Таблица 6

мм

s

L

Вг

H

lш

lи

К

Место вырезки образцов

8

10

12

16

150

150

75

50

15

6

8

8

10

20

30

40

300

300

150

150

40

10

10

10

черт8 copy

Ei - переменное расстояние между пластинами-концевиками; Li - переменная длина образца

Черт. 8

Таблица 7

мм

s

H

l1

f

K

Ei

Li

E1

E2

E3

L1

L2

L3

12

16

20

60

40 - 60

50 - 60

6

100

150

300

124

132

140

174

182

190

324

332

340

30

40

100

50 - 80

60 - 80

8

100

150

300

160

180

210

230

360

380

Примечания:

1. При автоматической сварке под флюсом при толщине образца 12, 16, 20 мм применяют входные и выходные планки длиной 55 - 60 мм и длиной 70 - 80 мм при толщине образца 30, 40 мм.

2. Допускается приварка пластин-концевиков угловыми швами без разделки кромок. В этом случае длину основных пластин Li увеличивают на 2s.

черт9 copy

Черт. 9

Таблица 8

мм

s

h

12

6

16

6

20

6

30

8

40

8

1.3. Образцы вырезают из испытуемой стали механическим способом или термической резкой. В последнем случае свариваемые кромки образцов обрабатывают механическим способом на глубину, превышающую ширину зоны термического влияния от резки. Разделки кромок (шов) испытуемых образцов одинаково ориентируют вдоль или поперек направления прокатки и отмечают в протоколе испытаний. Ось образца типа V должна быть расположена в середине толщины листа, если его толщина меньше 25 мм, и на одной четверти толщины, если она более 25 мм.

1.4. Образцы маркируют на лицевой поверхности в местах, указанных на черт. 1 - 9, вдоль направления прокатки сочетанием одной или нескольких букв, обозначающих шифр марки, плавки и исходного состояния стали, и цифр, обозначающих порядковый номер образца в серии.

1.5. Заготовки, толщина которых отличается от стандартной, доводят до ближайшей стандартной толщины механической обработкой. При этом контрольный шов выполняется на поверхности образцов, не подвергавшейся механической обработке.

1.6. Для изготовления образцов под сварку применяют листы и заготовки в состоянии поставки.

1.7. Кромки готовых образцов, подлежащие сварке, и поверхность образцов, при сварке контактирующая с теплоотводящими элементами зажимных приспособлений, для удаления ржавчины, окалины и наплывов металла зачищают наждачным кругом зернистостью № 16 - 24 или обдувом металлическим песком.

2. АППАРАТУРА

2.1. Испытательные машины для растяжения, сжатия и поперечного изгиба, имеющие специальные устройства для длительного поддержания заданной нагрузки по ГОСТ 15533-80 и ГОСТ 7855-74, и другие машины, удовлетворяющие требованиям:

плавность нагружения;

средняя скорость нагружения при испытании до заданной нагрузки не должна быть более 10 МПа/с;

нагрузка должна оставаться постоянной в течение всего периода испытаний, равного 20 ч;

колебания величины постоянной нагрузки в течение периода испытаний должны быть не более ±5 % от ее номинального значения.

2.2. Схемы приспособлений для закрепления образцов и их нагружения в испытательных машинах приведены в справочном приложении 1.

Схемы зажимных теплоотводящих приспособлений приведены на черт. 10 - 13 и табл. 9 - 11.

черт10 copy

1 - образец; 2 - положение образца типа VI

Черт. 10

Таблица 9

мм

Тип образца

s

К1

m

o

lh

q

u

X

V

1 - 6

25

200

15

270

90

100

230

К1 - толщина основания приспособления;

m - ширина приспособления;

o - толщина прижима;

lh - длина приспособления;

q - расстояние между охлаждаемыми каналами;

u, X - расстояние между отверстиями для прижимных болтов.

черт11 copy

1 - образец; 2 - положение образца типа I; 3 - положение образца типа III; 4 - положение образца типа IV

Черт. 11

черт12 copy

1 - образец типа II; 2 - отверстия для подачи воды

Черт. 12

черт13 copy

t - толщина зажимного приспособления; n - ширина паза в приспособлении

Примечание. При приварке концевиков угловыми швами без разделки кромок пазы зажимного приспособления имеют соответствующие швам скосы.

Черт. 13

Таблица 10

мм

Тип образцов

s

К1

m

o

ln

q

u

X

I

1 - 6

25

150

15

250

80

100

180

III

8 - 20

40

180

20

300

100

120

200

IV

8 - 20

25

150

15

200

60

100

150

Таблица 11

s

m

t

n

12, 16, 20

30

60

35

30, 40

50

100

50

3. ПОДГОТОВКА К ИСПЫТАНИЯМ

3.1. Сварку образцов проводят в лабораторном помещении в условиях неподвижного окружающего воздуха при температуре (20±10) °С в соответствии с табл. 12. Для выбора оптимального тепловложения при сварке исследуемой стали возможно варьирование удельной погонной энергией и температурой подогрева. Для сварки исследуемых сталей применяют типовые сварочные материалы. В случае, если типовые сварочные материалы для сталей еще не разработаны, применяют низкоуглеродистые сварочные материалы на основе проволоки СВ-08 (ручная сварка и автоматическая под флюсом) и СВ-08Г2С (сварка в углекислом газе).

3.2. Образцы, за исключением типов V, VII и IX, перед сваркой закрепляют в зажимных приспособлениях.

Необходимый теплоотвод во время сварки обеспечивается применением медных водоохлаждаемых оснований при расходе воды 2 дм3/мин. Образец типа II сваривают в положении «в лодочку». Сваренные образцы, кроме типов VIII, освобождают из зажимных приспособлений после их охлаждения до 150 °С. Набор из трех элементов образца типа VIII сваривают одновременно за один проход. Образцы типов V, VII и IX сваривают в свободном состоянии. Образцы типа V собирают с основной плитой «заподлицо». Образец типа VII сваривают в положении «в лодочку». Швы укладывают в последовательности 1 - 4, соблюдая одну и ту же заданную начальную температуру. У образцов типа III после сварки наждачным кругом удаляют прихватки, закрепляющие входную и выходную планки.

3.3. После сварки каждого образца зажимные приспособления охлаждают до комнатной температуры. Поверхность теплоотводящих элементов зачищают наждачной бумагой для устранения окалины и других загрязнений, вызываемых сваркой.

3.4. Сварочные материалы готовят по нормативно-технической документации на сварные соединения. При отсутствии такой документации электроды с покрытием основного типа и флюсы прокаливают при температуре 200 °С в течение 2 ч, а электроды с газозащитным покрытием - при температуре 80 °С в течение 1 ч и используют их для сварки в течение последующих 3 - 4 ч. Влажность защитных газов должна соответствовать требованиям ГОСТ 10157-79 и ГОСТ 8050-76. Одновременно со сваркой образцов для испытаний определяют содержание диффузионного водорода в металле шва в соответствии с ГОСТ 23338-78. Допускается определение содержания водорода с помощью хроматографического метода, спиртовой или глицериновой проб.

3.5. Испытанию подлежат образцы, в сварных соединениях которых визуальным осмотром не обнаружены дефекты в виде свищей, непроваров (за исключением образцов типов II, VII - IX), подрезов и трещин.

4. ПРОВЕДЕНИЕ ИСПЫТАНИЙ

4.1. Машинные испытания

4.1.1. После сварки образцы в процессе охлаждения в интервале температур 150 - 100 °С нагружают постоянным усилением. Допускается начинать нагружение образцов при 50 °С, если целью испытания является только установление минимального разрушающего напряжения. Температура образца измеряется контактной хромель-алюмелевой термопарой. Образцы типа I жестко закрепляют по контуру и нагружают путем изгиба равномерно распределенной нагрузкой (черт. 14а). Образцы типа II нагружают путем консольного изгиба (черт. 14б). Образцы типов III и IV нагружают путем поперечного изгиба (черт. 14в и 14г) осевого растяжения (черт. 14д). Образцы типа V нагружают путем осевого растяжения (черт. 14е).

4.1.2. Приложение нагрузки к образцам производят статически со скоростью нагружения 5 - 10 МПа/с, под нагрузкой образцы выдерживают 20 ч.

4.1.3. Испытывают 30 образцов одного типа различными по величине нагрузками и устанавливают минимальную нагрузку, при которой в образцах образуются холодные трещины.

черт14 copy

Черт. 14

4.1.4. Применяют следующую последовательность нагрузок при испытании образцов. Первые три образца испытывают при напряжениях, равных 0,5s0,2 основного металла. Дальнейшее испытание выполняют группами из трех образцов при уменьшении или увеличении напряжений последовательно на 0,25, 0,15, 0,10 s0,2 в соответствии с наличием или отсутствием трещин в образцах. При возникновении трещин в части образцов, испытанных при одном и том же напряжении, дальнейшее испытание ведут, уменьшая напряжения на 50, а затем на 25 МПа, продолжая испытания до установления sp.min. Минимальную разрушающую нагрузку устанавливают по результатам испытаний трех образцов.

4.2. Технологические испытания

4.2.1. Технологические испытания выполняются при невозможности проведения машинных испытаний.


Таблица 12

Режимы сварки образцов

Тип образца

Толщина

Сварочный ток, А

Диаметр электрода, мм

Напряжение дуги, В

Скорость сварки, м/ч

Размеры шва, мм

Ручная

СО2(Ar)

Под флюсом род. тока

Ручная

СО2(Ar)

Под флюсом

Ручная

СО2(Ar)

Под флюсом

Ручная

СО2(Ar)

Под флюсом

Ширина, e

Высота, h

Катет, K

Усиление снаружи, g

Усиление в корне, g1

I, VI

1

-

(60)

-

-

(2)

-

-

(10)

-

-

(30)

-

(1,5 - 2)

-

-

0,1

0,1

2

-

(100)

-

-

(2)

-

-

(11)

-

-

(16)

-

(2,5 - 3)

-

-

0,2

0,2

3

-

160

-

-

1,2

-

-

21

-

-

30

-

3 - 4

-

-

0,8

0,5

-

(175)

-

-

(3)

-

-

(11)

-

-

(12)

-

(3 - 4)

-

-

(0,8)

(0,5)

4

120

200

200

3

1,4

2

16

22

26

12

23

34

4 - 5

-

-

1,0

0,8

-

(250)

-

-

(4)

-

-

(12)

-

-

(11)

-

(4 - 5)

-

-

(1,0)

(0,8)

5

140

240

250

3

1,6

2

16

28

26

10

22

32

(5 - 6)

-

-

1,0

1,0

6

160

280

300

4

1,6

3

16

28

28

10

20

26

6 - 7

-

-

1,2

1,2

II, VII

8

160

280

350

4

1,6

3

20

28

30

7

22

26

-

-

6

-

-

10,

12

180

300

400

4

1,6

4

20

30

32

4,5

15

16

-

-

8

-

-

16,

20

180

350

500

4

1,6

4

20

32

34

2,5

10

12

-

-

10

-

-

VII

30

180

400

600

4

1,6

4

20

34

36

4

15

18

-

-

10

-

-

40

180

-

-

4

-

-

20

-

-

4

-

-

-

-

10

-

-

40

-

400

600

-

1,6

4

-

35

36

11

13

-

-

14

-

-

III

8

160

280

350

4

1,6

3

20

28

30

12

40

40

-

5

-

-

-

10,

12

160

300

400

4

1,6

4

20

30

32

8

30

33

-

6

-

-

-

16,

20

160

350

500

4

1,6

4

20

32

34

5

24

23

-

8

-

-

-

IV

8

160

280

350

4

1,6

3

20

28

30

7

40

42

-

5

-

-

0,5

10,

12

160

300

400

4

1,6

4

20

30

32

5

30

33

-

6

-

-

0,5

16,

20

160

350

500

4

1,6

4

20

32

34

3

24

23

-

8

-

-

1,0

V

Æ8

Æ6

160

350

500

4

1,6

4

20

32

34

5

15

27

-

-

-

-

-

12

16

20

160

300

400

4

1,6

4

20

30

32

8

30

33

-

6

-

-

-

30

40

100

350

500

4

1,6

4

20

32

34

5

24

23

-

8

-

-

-

Примечания:

1. Режим сварки образцов корректируют для получения заданных размеров шва с учетом используемых сварочных материалов и сварочного оборудования.

2. Режим сварки в аргоне приведен для случая проплавления вольфрамовым электродом целого образца, стыка без разделки с нулевым зазором и проволочной вставки, уложенной в разделку.

3. Образцы типов I, IV и V сваривают с полным проплавлением.

4. Образцы типа III сваривают с неполным заполнением разделки кромок с заглублением металла шва на 1,0 мм ниже поверхности основного металла.

5. Образцы типов VIII и IX сваривают с обязательным непроваром в корне шва.

6. Параметры режима сварки, приведенные в скобках, относятся к аргонно-дуговой сварке.


4.2.2. После сварки образцы выдерживают при нормальной температуре в течение 20 ч. Образцы типа VIII выдерживают в зажимном приспособлении. Испытывают 3 - 5 образцов одного типа.

4.3. Образование холодных трещин в образцах в процессе испытаний выявляют путем периодического визуального осмотра шва и зоны термического влияния с помощью лупы с увеличением 3´. При образовании визуально наблюдаемой трещины или полного разрушения образца испытания прекращают. Производят долом образца по сечению, в котором располагается трещина.

Участки на поверхности разрушения, имеющие блестящий хрупкий излом, классифицируют как холодные.

4.4. Холодные трещины в образцах, кроме типов V и VII, неразрушившихся при испытании и не имеющих визуально наблюдаемых трещин, выявляют с помощью неразрушающих методов контроля (ГОСТ 4782-76), окислительной термической обработкой или путем травления поверхности и корня шва и прилегающей к нему зоны термического влияния 5 %-ным водным раствором азотной кислоты. После просушки образцы разрушают. При необходимости связующие швы разрезают механическим путем или термической резкой. Протравленные части излома, выявляемые визуальным осмотром с помощью лупы с увеличением 3´, принимают за образовавшиеся при испытании холодные трещины. Образцы, в изломе которых имеются дефекты в виде непроваров (за исключением образцов типов II, VII - IX), несплавлений, горячих трещин и пористости бракуют, а результат их испытаний аннулируют. Холодные трещины в образцах типов V и VII, не разрушившихся при испытании и не имеющих визуально наблюдаемых трещин, выявляют с помощью неразрушающих методов контроля или металлографического исследования шлифов при увеличении 100´. Металлографические исследования для образцов типа V выполняют на продольных шлифах, плоскость которых проходит через ось образца-вставки, для образцов типа VII - на двух или трех поперечных шлифах, вырезаемых из контрольного сварного соединения (черт. 7).

5. ОБРАБОТКА РЕЗУЛЬТАТОВ

5.1. Напряжения (МПа) в образцах, подвергаемых машинным испытаниям, вычисляют по формулам:

в образцах типа I

,

где s - максимальные продольные и поперечные растягивающие напряжения в центре образца на его поверхности, МПа;

Dи - диаметр зоны образца, подвергнутой испытанию, м;

s - толщина основного металла, м;

Р - интенсивность распределенной нагрузки, МПа;

E - модуль упругости низкоуглеродистой стали 21,8·104 МПа;

в образцах типа II

,

где s - максимальные поперечные растягивающие напряжения в зоне термического влияния стенки образца и корне шва, МПа;

Мизг - номинальный изгибающий момент, МПа;

l - длина образца, м;

Kср - средняя высота катета углового шва на стенке таврового образца, полученная по пяти измерениям вдоль шва, м;

в образцах типов III и IV, испытываемых изгибом

,

где s - максимальное растягивающее напряжение на поверхности образца, МПа;

j - коэффициент, учитывающий неравномерность распределения напряжений по сечению, равный 0,65;

s - толщина основного металла, м;

L1 - расстояние между опорами на основании, м;

L3 - расстояние между опорами на пуансоне, м;

fm - прогиб в центре образца на базе L1, м;

fо - остаточный прогиб в центре образца на базе L1, после снятия нагрузки, м;

Е - модуль упругости низкоуглеродистой стали 21,8·104 МПа;

в образцах типов III и IV, испытываемых осевым растяжением, и типа V

,

где s - среднее растягивающее напряжение в зоне термического влияния, а также в сечении с надрезом образцов типа V без учета концентрации напряжений, МПа;

Р - усиление, МН;

F - поперечное сечение образца, для типа V в части, имеющей надрез, м2.

5.2. За показатель сопротивляемости шва или зоны термического влияния образованию холодных трещин при сварке принимают минимальное растягивающее напряжение sp min от внешней нагрузки Р, при котором в них образуются трещины.

sp min рассчитывают как среднее арифметическое трех наименьших разрушающих напряжений с точностью ±25 МПа.

5.3. За показатель склонности металла сварных соединений к образованию холодных трещин по результатам испытаний образцов типа VI принимают максимальный диаметр кругового шва Dкр, при котором образуются холодные трещины. Показатель склонности к трещинам устанавливают по двум одинаковым результатам, полученным при испытании трех образцов с одним и тем же диаметром кругового шва, при котором образуются трещины. При отсутствии трещин в образцах с различными диаметрами шва свариваемые материалы считают несклонными к образованию трещин в условиях сварки образца.

5.4. За показатель склонности металла сварных соединений к холодным трещинам по результатам испытаний образцов типа VIII принимают максимальную длину lкр свариваемых элементов, в которых образуются трещины. Показатель склонности к трещинам устанавливают по двум одинаковым результатам, полученным при испытании трех составных образцов. При отсутствии трещин во всех образцах свариваемые материалы считают несклонными к образованию трещин в условиях сварки образца.

5.5. За показатель склонности металла сварных соединений к образованию холодных трещин по результатам испытаний образцов типов VII и IX принимают наличие или отсутствие трещин. В первом случае свариваемые материалы считают склонными, во втором - несклонными к образованию трещин в условиях сварки образца. Показатель склонности к трещинам устанавливают по двум одинаковым результатам, полученным при испытании трех образцов.

При образовании холодных трещин в образцах типов VIII и IX в качестве дополнительного сравнительно-количественного показателя принимают процентное отношение суммарной длины трещины к длине контрольного шва lш или минимальную температуру подогрева образца Tmin, при которой уже не образуются трещины.

5.6. Результаты испытаний оформляют в виде протокола испытаний. Форма протокола приведена в рекомендуемом приложении 2.

ПРИЛОЖЕНИЕ 1

Справочное

Приспособление для испытаний образца типа I

прил1ч1 copy

1 - пуансон, 2 - резина, гидропластмасса или другие эластичные рабочие тела; 3 - образец; 4 - опорный фланец; 5 - подкладные нарезные кольца

Черт. 1

Приспособление для испытания образца типа II

прил1ч2 copy

1 - захват машины; 2 - образец

Черт. 2

Приспособление для испытания образца типа III

прил1ч3 copy

L1 - расстояние между опорами основания; L3 - расстояние между опорами на пуансоне; Р - нагрузка при испытании, Hр - высота рамы; Lр - длина рамы; R - радиус скругления опоры, 1 - шток; 2 - гайка, фиксирующая прогиб образца; 3 - рама (из швеллера № 10); 4 - пуансон; 5 - образец; 6 - измеритель прогиба

Черт. 3

Таблица 1

мм

s

L1

L3

Hр

Lр

R

8

180

30

210

320

10

10

220

40

210

320

10

12

220

40

210

320

10

16

300

60

260

500

16

20

300

60

260

500

16

Приспособление для испытания образца типа IV

1 - захват машины; 2 - образец

Черт. 4


ПРИЛОЖЕНИЕ 2

Рекомендуемое

Форма протокола испытаний образцов на сопротивляемость образованию холодных трещин при сварке

Номер образца

Марка стали

Номер плавки

Толщина стали, мм

Исходное состояние (прокат, поковка, литье, термическая обработка)

Направление проката (вдоль или поперек сварного шва)

Способ сварки

Марка электрода, сварочной проволоки

Марка флюса

Режим прокалки электродов, флюса

Род защитного газа

Точка росы защитного газа, °С

Содержание диффузионного водорода в наплавленном металле, см3/100

Метод определения диффузионного водорода

Диаметр электрода, мм

Род и полярность тока

Сварочный ток, А

Напряжение дуги, В

Скорость сварки, м/ч

Температура предварительного подогрева образца, °С

1

2

3

4

5

6

7

8

9

10

11

12

13

14

15

16

17

18

19

20

Продолжение

Вид испытания (машинное, технологическое)

Тип образца

Маркировка образца

Температура образца в период приложения внешней нагрузки, °С

Напряжение от внешней нагрузки, МПа

Изменяемая длина свариваемого элемента образца, мм

Изменяющийся диаметр свариваемого элемента образца, мм

Наличие или отсутствие трещин

Зона образования и ориентация трещин (зона термического влияния, зона сплавления, шов; продольные, поперечные)

Отношение суммарной длины трещин к длине контрольного шва в образце, %

Установленный показатель сопротивляемости (склонности) образованию холодных трещин

21

22

23

24

25

26

27

28

29

30

31




© 2013 Ёшкин Кот :-)