Информационная система
«Ёшкин Кот»

XXXecatmenu

ГОСТ 25164-96

МЕЖГОСУДАРСТВЕННЫЙ СТАНДАРТ

 

СОЕДИНЕНИЯ ПРИБОРОВ С ВНЕШНИМИ
ГИДРАВЛИЧЕСКИМИ
И ГАЗОВЫМИ ЛИНИЯМИ

ТИПЫ, ОСНОВНЫЕ ПАРАМЕТРЫ И РАЗМЕРЫ
ТЕХНИЧЕСКИЕ ТРЕБОВАНИЯ

 

 

 

 

МЕЖГОСУДАРСТВЕННЫЙ СОВЕТ
ПО СТАНДАРТИЗАЦИИ, МЕТРОЛОГИИ И СЕРТИФИКАЦИИ
Минск

 

Предисловие

1 РАЗРАБОТАН Техническим комитетом по стандартизации ТК 155 «Соединения трубопроводов общемашиностроительного применения»

2 ВНЕСЕН Госстандартом России

3 ПРИНЯТ Межгосударственным Советом по стандартизации, метрологии и сертификации

За принятие проголосовали:

Наименование государства

Наименование национального органа по сертификации

Республика Азербайджан

Азгосстандарт

Республика Белоруссия

Госстандарт Белоруссии

Республика Казахстан

Госстандарт Республики Казахстан

Республика Киргизстан

Киргизстандарт

Республика Молдова

Молдовастандарт

Российская Федерация

Госстандарт России

Республика Туркменистан

Главная государственная инспекция Туркменистана

Республика Узбекистан

Узгосстандарт

Украина

Госстандарт Украины

4 Настоящий стандарт соответствует ИСО 2186-73 «Измерение потока жидкости в закрытых каналах. Соединения для передачи сигнала давления между первичным и вторичным элементами в части диаметров соединительных линий»

5 Постановлением Государственного комитета Российской Федерации по стандартизации, метрологии и сертификации от 19 мая 1998 г. № 214 межгосударственный стандарт ГОСТ 25164-96 введен в действие непосредственно в качестве государственного стандарта Российской Федерации с 1 января 1999 г.

6 ВЗАМЕН ГОСТ 25164-82

ГОСТ 25164-96

МЕЖГОСУДАРСТВЕННЫЙ СТАНДАРТ

СОЕДИНЕНИЯ ПРИБОРОВ С ВНЕШНИМИ ГИДРАВЛИЧЕСКИМИ И ГАЗОВЫМИ ЛИНИЯМИ

Типы, основные параметры и размеры. Технические требования

Connections of instruments and devices with external hydraulic and gas lines.

Types, basic parameters and dimensions. Technical requirements

Дата введения 1999-01-01

1 ОБЛАСТЬ ПРИМЕНЕНИЯ

Настоящий стандарт распространяется на разъемные соединения промышленных приборов и средств автоматизации с внешними трубопроводами, предназначенными для передачи сигнала давления между первичным и вторичным элементами и энергии питания, подвода измеряемой, контролируемой или регулируемой жидкостной или газовой среды с условным давлением до 160 МПа (1600 кгс/см2).

Стандарт не распространяется на соединения:

- узлов приборов, чувствительных элементов и датчиков, встраиваемых непосредственно в технологический трубопровод, с технологическими трубопроводами;

- приборов и устройств с элементами трубопроводов, транспортирующих затвердевающие (кристаллизирующиеся) среды, уменьшающие сечения трубопровода, а также среды с вязкостью более 1 Па · с;

- элементов и блоков, монтируемых внутри корпуса прибора и не имеющих непосредственной стыковки с внешними (по отношению к корпусу прибора) трубопроводами.

Обязательные требования к качеству продукции, обеспечивающие ее безопасность для жизни, здоровья и имущества населения, охраны окружающей среды, изложены в разделе 3, за исключением пунктов 3.1.3 и 3.3.4, а также в приложениях Б, В, Д.

Стандарт может быть использован для сертификации с объемом и методами сертификационных испытаний по ГОСТ 15763.

2 НОРМАТИВНЫЕ ССЫЛКИ

В настоящем стандарте использованы ссылки на следующие стандарты:

ГОСТ 12.2.040-79 ССБТ. Гидроприводы объемные и системы смазочные. Общие требования безопасности к конструкции

ГОСТ 12.2.086-83 ССБТ. Гидроприводы объемные и системы смазочные. Общие требования безопасности к монтажу, испытаниям и эксплуатации

ГОСТ 356-80 Арматура и детали трубопроводов. Давления условные, пробные и рабочие. Ряды

ГОСТ 2405-88 Манометры, вакуумметры, мановакуумметры, напоромеры, тягомеры и тягонапоромеры. Общие технические условия

ГОСТ 7798-70 Болты с шестигранной головкой класса точности В. Конструкция и размеры

ГОСТ 8965-75 Части соединительные стальные с цилиндрической резьбой для трубопроводов Ру 1,6 МПа. Технические условия

ГОСТ 9833-73 Кольца резиновые уплотнительные круглого сечения для гидравлических и пневматических устройств. Конструкция и размеры

ГОСТ 15763-91 Соединения трубопроводов резьбовые на Ру до 63 МПа (до ≈ 630 кгс/см2). Общие технические условия

ГОСТ 22525-77 Соединения трубопроводов резьбовые. Концы корпусных деталей под накидные гайки. Конструкция

ГОСТ 23353-78 Соединения трубопроводов резьбовые. Гайки накидные. Конструкция

ГОСТ 23354-78 Соединения трубопроводов резьбовые. Кольца врезающиеся. Конструкция

ГОСТ 23355-78 Соединения трубопроводов резьбовые. Ниппели шаровые. Конструкция

ГОСТ 23358-87 Соединения трубопроводов резьбовые. Прокладки уплотнительные. Конструкция

ГОСТ 25165-82 Соединения приборов и устройств ГСП с внешними пневматическими линиями. Типы, основные параметры и размеры. Технические требования

ГОСТ 26191-84 Масла, смазки и специальные жидкости. Ограничительный перечень и порядок назначения

ГОСТ 28016-89 Соединения трубопроводов резьбовые. Ниппели конические приварные. Конструкция

ГОСТ 28918-91 Соединения трубопроводов резьбовые. Кольца зажимные и упорные. Конструкция

3 ТРЕБОВАНИЯ

3.1 Типы, основные параметры и размеры

3.1.1 Соединения приборов и устройств подразделяют на следующие типы:

1 - штуцерные соединения манометров;

2 - соединения с натяжной муфтой;

3 - штуцерно-ниппельные соединения;

4 - соединения с овальными фланцами;

5 - соединения с шаровым ниппелем;

6 - соединения с коническим ниппелем;

7 - соединения с врезающимся кольцом;

8 - соединения с зажимным и упорным кольцами.

3.1.2 Основные параметры и размеры соединений типа 1 (штуцерные соединения манометров) должны соответствовать указанным на рисунке 1 и в таблице 1. Конструкция и размеры деталей приведены в приложениях А, Б.

Тип 1

Исполнение 1

Исполнение 2

1 - конец корпусной детали по рисунку 20 ГОСТ 2405; 2 - конец корпусной детали по рисунку 21 ГОСТ 2405; 3 - уплотнительная прокладка; 4 - гнездо

Рисунок 1

Таблица 1

Типоразмер соединения исполнений

d

Номинальное (условное) давление, МПа (кгс/см2), не более

1

2

1-1-1

1-1-2

M10´1

40 (400)*

1-2-1

1-2-2

М12´1,5

1-3-1

1-3-2

М20´1,5

160 (1600)

* Допускается применять соединения на больший предел давления, если это не противоречит технике безопасности.

3.1.3 Основные параметры и размеры соединений типа 2 (с натяжной муфтой) должны соответствовать указанным на рисунке 2 и в таблице 2. Конструкция и размеры деталей приведены в приложениях А и В. Примеры применения соединений приведены в приложении Г.

Тип 2

** Размер для справок.

1 - конец корпусной детали по рисункам 20 и 21 ГОСТ 2405; 2 - уплотнительная прокладка (приложение А); 3 - натяжная муфта; 4 - конец корпусной детали

Рисунок 2

Таблица 2

Размеры в миллиметрах

Типоразмер

d

d1

L

Размер под ключ S

Номинальное (условное) давление, МПа (кгс/см2), не более

2-1

M10´1

М10´1 LH

21

17

40 (400)

2-2

М12´1,5

M12´1,5 LH

25

17

2-3

М20´1,5

M20´1,5 LH

41

27

160 (1600)

3.1.3.1 Примеры применения соединений приведены в приложении Г.

3.1.4 Основные параметры и размеры соединений типа 3 (штуцерно-ниппельных) должны соответствовать указанным на рисунке 3 и в таблице 3. Конструкция и размеры деталей приведены в приложениях А, Д.

Тип 3

Исполнение 1

Исполнение 2

Исполнение 3

* Размер для справок.

1 - конец корпусной детали по рисункам 20 и 21 ГОСТ 2405; 2 - уплотнительная прокладка (приложение А); 3 - накидная гайка; 4 - ниппель исполнения 1; 5 - уплотнительное кольцо 011-014-19 по ГОСТ 9833; 6 - ниппель исполнения 2; 7 - ниппель исполнения 3

Рисунок 3

Таблица 3

Размеры в миллиметрах

Типоразмер соединения

Исполнение

d

Dн

L

Размер под ключ S

Номинальное (условное) давление, МПа (кгс/см2), не более

3-1-1

1

М10´1

5

38

17

40 (400)

3-2-1

1

М12´1,5

6

40

17

3-3-1

1

М20´1,5

12

60

27

160 (1600)

3-4-1

1

14

3-3-2

2

12

40 (400)

3-4-3

3

14

160 (1600)

Примечание - Соединение исполнения 3 в новых разработках не применять.

3.1.5 Основные параметры и размеры соединений типа 4 (с овальным фланцем) должны соответствовать указанным на рисунке 4 и в таблице 4. Конструкция и размеры деталей приведены в приложении Е.

Тип 4

Исполнение 1

Исполнение 2

Исполнение 3

Исполнение 4

* Размеры для справок.

1 - часть приборного фланца (корпуса); 2 - фланец исполнения 1; 3 - кольцо резиновое уплотнительное 020-023-19 по ГОСТ 9833; 4 - болт М10´40 по ГОСТ 7798; 5 - кольцо резиновое уплотнительное 011-014-19 по ГОСТ 9833; 6 - фланец исполнения 2; 7 - ниппель типа 3-3-2 по приложению Д; 8 - часть приборного фланца исполнения 3; 9 - кольцо 020-024-25 по ГОСТ 9833 или уплотнительная прокладка; 10 - фланец исполнения 4; 11 - ниппель; 12 - фланец исполнения 3

Рисунок 4

Примечание - Соединения исполнений 3 и 4 применять не рекомендуется.

Таблица 4

Типоразмер соединения

Исполнение

d

Соединение с трубой

Наружный диаметр трубы или ниппеля Dн, мм

Номинальное (условное) давление, МПа (кгс/см2), не более

4-1-1

1

G1/4''

G/R1/4''-A

15

16 (160)

4-2-1

1

G1/2''

G/R1/2''-A

22

4-3-2

2

-

-

12

40 (400)

4-4-3

3

К1/4

15

4-5-3

3

К1/2

22

4-6-4

4

-

15

3.1.6 Основные параметры и размеры соединений типа 5 (с шаровым ниппелем) должны соответствовать указанным на рисунке 5 и в таблице 5.

* Размер для справок.

1 - конец корпусной детали по ГОСТ 22525; 2 - накидная гайка по ГОСТ 23353; 3 - шаровой ниппель по ГОСТ 23355

Рисунок 5

Таблица 5

Размеры в миллиметрах

Группа соединения

Типоразмер соединения типа 5

Типоразмер соединения типа 6

Наружный диаметр трубы

Dн

d1

d

L

S

LL (1)

5-1-4

-

4

4

3

М8´1,0

31,8

10

5-1-5*

 

5

5

3

М10´1,0

33,3

12

 

5-2-6*

-

6

6

3

М12´1,5

36,8

14

 

5-2-8

-

8

8

5

М14´1,5

38,8

17

 

5-2-10*

-

10

10

7

М16´1,5

41,8

19

 

5-2-12

-

12

12

8

М18´1,5

43,8

22

 

5-2-15

-

15

15

10

М22´1,5

46,8

27

L (2)

5-2-18

-

18

18

13

М26´1,5

48,9

32

 

(5-2-18-1)

-

18

18

13

(М27´2,0)

48,9

32

 

5-2-22

-

22

22

17

М30´2,0

49,9

36

 

5-2-28

-

28

28

23

М36´2,0

51,9

41

 

5-2-42

-

42

42

36

М52´2,0

55,7

60

 

5-3-6

6-3-6

6

6

2,5

М14´1,5

38,8

17

 

5-3-8*

6-3-8*

8

8

4

М16´1,5

40,8

19

 

5-3-10

6-3-10

10

10

6

М18´1,5

42,8

22

 

5-3-12*

6-3-12*

12

12

8

М20´1,5

44,8

24

S (3)

(5-3-14)

(6-3-14)

14

14

9

М22´1,5

48,8

27

 

5-3-16

6-3-16

16

16

11

М24´1,5

48,8

30

 

5-3-20

6-3-20

20

20

14

М30´2,0

52,3

36

 

(5-3-25)

(6-3-25)

(25)

25

19

М36´2,0

56,1

46

 

5-3-30

6-3-30

30

30

24

М42´2,0

58,1

50

 

5-3-38

6-3-38

38

38

32

М52´2,0

61,9

60

* Для манометров, вакуумметров, мановакуумметров, напоромеров, тягонапоромеров, тягомеров.

Примечания

1 Группа LL (1) - соединения легкой серии, L (2) - соединения средней серии, S (3) - соединения тяжелой серии.

2 Типоразмеры соединений, значения и обозначения величин, заключенные в скобки, применять не рекомендуется.

3.1.7 Основные параметры и размеры соединений типа 6 (с коническим ниппелем) должны соответствовать указанным на рисунке 6 и в таблице 5.

Тип 6

* Размер для справок.

1 - конец корпусной детали по ГОСТ 22525; 2 - накидная гайка по ГОСТ 23353; 3 - резиновое уплотнительное кольцо по ГОСТ 9833; 4 - конический ниппель по ГОСТ 28016

Рисунок 6

Тип 7

* Размер для справок.

1 - конец корпусной детали по ГОСТ 22525; 2 - накидная гайка по ГОСТ 23353; 3 - врезающееся кольцо по ГОСТ 23354

Рисунок 7

3.1.8 Основные параметры и размеры соединений типа 7 (с врезающимся кольцом) должны соответствовать указанным на рисунке 7 и в таблице 6.

Таблица 6

Размеры в миллиметрах

Группа

Типоразмер соединения типа 7

Типоразмер соединения типа 8

Наружный диаметр труб Dн

d

L

S

LL (1)

7-1-4

-

4

М8´1

13

10

 

7-1-5*

-

5

М10´1

14

12

 

7-1-6*

-

6

М10´1

14

12

 

7-1-8*

-

8

М12´1,5

17

14

 

7-2-6*

8-2-6*

6

М12´1,5

17

14

 

7-2-8

8-2-8

8

М14´1,5

17

17

 

7-2-10*

8-2-10*

10

М16´1,5

19

19

L (2)

7-2-12

8-2-12

12

М18´1,5

20

22

 

7-2-15

8-2-15

15

М22´1,5

21

27

 

7-2-18

8-2-18

18

М26´1,5

22

32

 

(7-2-18-1)

(8-2-18-1)

18

(М27´2)

22

32

 

7-2-22

8-2-22

22

М30´2,0

23

36

 

7-2-28

-

28

М36´2,0

25

41

 

7-2-42

-

42

М52´2,0

30

60

 

7-3-6

-

6

М14´1,5

19

17

 

7-3-8*

-

8

М16´1,5

19

19

S (3)

7-3-10

-

10

М18´1,5

21

22

 

7-3-12*

-

12

М20´1,5

22

24

 

(7-3-14)

-

(14)

М22´1,5

25

27

 

7-3-16

-

16

М24´1,5

26

30

 

7-3-20

-

20

М30´2,0

27

36

S (3)

(7-3-25)

-

(25)

М36´2,0

29

46

 

7-3-30

-

30

М42´2,0

32

50

 

7-3-38

-

38

М52´2,0

35

60

* Для соединений манометров, вакуумметров, мановакуумметров, напоромеров, тягомеров, тягонапоромеров.

Примечания

1 Группа LL (1) - соединения легкой серии, L (2) - соединения средней серии, S (3) - соединения тяжелой серии.

2 Значения и обозначения, заключенные в скобки, применять не рекомендуется.

3.1.9 Основные параметры и размеры соединений типа 8 (с зажимным и упорным кольцами) должны соответствовать указанным на рисунке 8 и в таблице 6.

Тип 8

* Размер для справок.

1 - конец корпусной детали по ГОСТ 22525; 2 - накидная гайка по ГОСТ 23353; 3 - зажимное кольцо по ГОСТ 28918; 4 - упорное кольцо по ГОСТ 28918

Рисунок 8

3.1.10 Типы, основные параметры, конструкция и размеры соединений приборов и устройств с газоводопроводными трубами - по ГОСТ 8965.

3.1.11 Для подвода к приборам незапыленных газов эластичными трубами следует применять соединения типа 3 по наружному конусу и безрезьбовые соединения типа 4 по ГОСТ 25165.

3.1.12 Способы крепления корпусной детали к прибору стандарт не устанавливает, кроме соединений приборов измерения давления и перепада давления с импульсными линиями.

Корпусные детали типов 5 - 8 должны устанавливаться в корпусах приборов измерения давления и перепада давления с использованием соединений типа 1.

3.1.13 Номинальные (условные) давления соединений типов 5 - 8 рекомендуется назначать в соответствии с ГОСТ 15763.

3.2 Условное обозначение соединений

В обозначении указывают типоразмер соединения и обозначение настоящего стандарта.

Пример условного обозначения соединения типа 2 с резьбой штуцера М20´1,5:

Соединение 2 - 3 ГОСТ 25164-96

3.3 Общие технические требования

3.3.1 Соединения приборов должны соответствовать требованиям настоящего стандарта и рабочим чертежам, утвержденным в установленном порядке.

3.3.2 Для смазки резьб и уплотнительных поверхностей следует употреблять масла и специальные жидкости по ГОСТ 26191.

3.3.3 Пробное давление и допустимые утечки должны быть установлены в стандартах и (или) технических условиях на приборы конкретных групп (видов). Пробное давление должно быть не менее 100 % максимального рабочего давления и соответствовать ГОСТ 356.

3.3.4 Приборы рекомендуется поставлять в комплекте с деталями соединений труб, за исключением приборов со штуцерами по рисункам 20 и 21 ГОСТ 2405.

3.3.5 Требования безопасности - по ГОСТ 12.2.040 и ГОСТ 12.2.086.

3.3.6 Остальные технические требования, правила приемки, методы испытаний и рекомендации по монтажу - по ГОСТ 15763.

Технические требования к соединениям приборов, не учтенные настоящим стандартом и ГОСТ 15763, должны быть установлены в стандартах или технических условиях на приборы конкретных групп (видов).

ПРИЛОЖЕНИЕ А

(рекомендуемое)

Размеры уплотнительной прокладки

Рисунок А.1

Таблица А.1

Размеры в миллиметрах

Типоразмер

Резьба накидной гайки

d

d1

s

для металлических материалов

для неметаллических материалов

1

М10´1

8

3

0,5

1,5

2

М12´1,5

10

5

3

М20´1,5

16

6

Допуск размеров d1 для прокладок из металлических материалов минус 0,1 мм, из неметаллических материалов - минус 0,2 мм. Допуск размера d для прокладок из металлических материалов плюс 0,1 мм, для прокладок из неметаллических материалов - плюс 0,3 мм.

Прокладки должны быть изготовлены из материалов по ГОСТ 23358.

ПРИЛОЖЕНИЕ Б

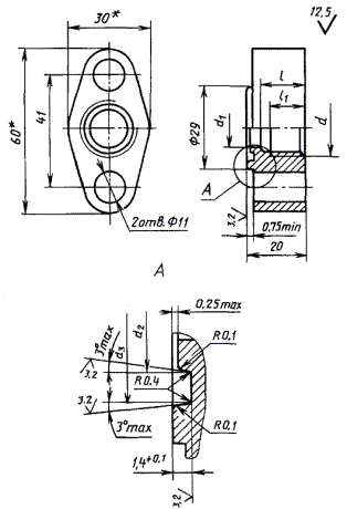
(обязательное)

Размеры гнезда (отверстия в корпусе прибора)

Исполнение 1

Исполнение 2

Рисунок Б.1

Таблица Б.1

Размеры в миллиметрах

Типоразмер

d

d1

d2

l

l1

l2

l3

1-1-1; 1-1-2

М10´1,0

3,5

6,0

13

8

2,5

6,5

1-2-1; 1-2-2

М12´1,5

6,0

7,5

14

10

3,5

6,5

1-3-1; 1-3-2

М20´1,5

7,0

10,0

24

18

3,5

14,5

ПРИЛОЖЕНИЕ В

(обязательное)

ДЕТАЛИ СОЕДИНЕНИЯ ТИПА 2 (С НАТЯЖНОЙ МУФТОЙ). КОНСТРУКЦИЯ И РАЗМЕРЫ

В.1 Размеры натяжной муфты (рисунок В.1 и таблица В.1)

Размеры натяжной муфты должны соответствовать указанным на рисунке В.1 и в таблице В.1.

Рисунок В.1

Таблица В.1

Размеры в миллиметрах

Типоразмер

d

d1

l

l1

S

2-1

М10´1

М10´1,0 LH

18

7,5

до 17

2-2

М12´1,5

М12´1,5 LH

20

7,5

до 17

2-3

М20´1,5

M20´1,5 LH

30

13,0

до 27

В.2 Размеры концов корпусных деталей (рисунок В.2 и таблица В.2)

Рисунок В.2

Таблица В.2

Размеры в миллиметрах

Типоразмер

d

d1

d2

l

2-1

М10´1 LH

3,5

6

10

2-2

М12´1,5 LH

6,0

7,5

12

2-3

М20´1,5 LH

7,0

10,0

20

ПРИЛОЖЕНИЕ Г

(рекомендуемое)

ПРИМЕРЫ ПРИМЕНЕНИЯ СОЕДИНЕНИЙ ТИПА 2 (С НАТЯЖНОЙ МУФТОЙ)

Соединения типа 2 рекомендуется применять в случаях, когда необходимо выполнять соединение двух устройств с заданной ориентацией каждого устройства, например:

- соединение манометра с запорным клапаном (рисунок Г.1),

- соединение запорного клапана после диафрагмы с разделительным сосудом (с обеспечением горизонтального положения оси клапана) (рисунок Г.2) и др.

1 - манометр; 2 - муфта натяжная; 3 - запорный клапан

Рисунок Г.1 - Соединение манометра с запорным клапаном

1 - технологический трубопровод (аппарат); 2 - запорный клапан; 3 - натяжная муфта; 4 - разделительный сосуд

Рисунок Г.2 - Соединение разделительного сосуда с клапаном

ПРИЛОЖЕНИЕ Д

(обязательное)

ДЕТАЛИ СОЕДИНЕНИЯ ТИПА 3 (ШТУЦЕРНО-НИППЕЛЬНОГО).

КОНСТРУКЦИЯ И РАЗМЕРЫ

Д.1 Размеры ниппеля (рисунок Д.1 и таблица Д.1)

Исполнение 1

Исполнение 2

Исполнение 3 (3-4-3)

Рисунок Д.1

Таблица Д.1

Размеры в миллиметрах

Типоразмер

d

d1

d2

d3

d4

l, не менее

l1

l2

3-1-1

5,0

2,0

3,5

6,0

7,5

25

5,0

4,0

3-2-1

6,0

3,0

5,0

7,5

9,5

25

6,0

4,0

3-3-1

12,0

7,0

7,0

10,0

17,5

30

5,0

-

3-3-2

12,0

7,0

-

-

17,5

30

6,5

-

3-4-1

14,0

8,0

8,0

10,0

17,5

30

6,5

-

Д.2 Размеры накидной гайки (рисунок Д.2 и таблица Д.2)

Рисунок Д.2

Таблица Д.2

Размеры в миллиметрах

Типоразмер

d

d1

l

l1

l2

S

3-1

М10´1

5,2

19

15

12,5

17

3-2

М12´1,5

6,2

21

17

13,5

17

3-3

М20´1,5

12,2

30

24

20,5

27

3-4

М20´1,5

14,2

30

24

20,5

27

ПРИЛОЖЕНИЕ Е

(рекомендуемое)

ДЕТАЛИ СОЕДИНЕНИЯ ТИПА 4 (С ОВАЛЬНЫМИ ФЛАНЦАМИ). КОНСТРУКЦИЯ И РАЗМЕРЫ

Е.1 Часть приборного фланца

Размеры фланца для соединения исполнений 1 и 2 (рисунок Е.1 и таблица Е.1)

Рисунок Е.1

Таблица Е.1

Размеры в миллиметрах

Исполнение

d

d1

4-1-1

10,5

29,2

4-2-1

14,0

29,2

4-3-2

7,0

18,2

Размеры фланца для соединения исполнений 3 и 4 (рисунок Е.2)

Рисунок Е.2

Е.2 Фланец

Е.2.1 Размеры фланца для соединения исполнения 1 (рисунок Е.3 и таблица Е.2)

* Размеры для справок.

Рисунок Е.3

Таблица Е.2

Размеры в миллиметрах

Типоразмер

d

d1

d2

d3

4-1-1

G1/4

10,5

18

23

4-2-1

G1/2

14,0

18

23

Е.2.2 Размеры фланца для соединения исполнений 2 и 4 (рисунок Е.4 и таблица Е.3)

* Размеры для справок.

Рисунок Е.4

Таблица Е.3

Типоразмер

d, мм

4-3-2

12,2

4-6-4

15,0

Е.2.3 Значение шероховатости контактной поверхности фланца на диаметре 19 мм должно быть не более Ra 3,2 мкм.

Е.2.4 Размеры фланца для соединения исполнения 3 (рисунок Е.5, таблица Е.4)

Рисунок Е.5

Таблица Е.4

Типоразмер

D

d, мм

4-4-3

К 1/4

10,5

4-5-3

К 1/2

14,0

Е.3 Размеры ниппеля для соединения исполнения 4 (рисунок Е.6)

Рисунок Е.6

ИНФОРМАЦИОННЫЕ ДАННЫЕ

ССЫЛОЧНЫЕ НОРМАТИВНО-ТЕХНИЧЕСКИЕ ДОКУМЕНТЫ

Обозначение НТД, на который дана ссылка

Номер пункта, приложения

Обозначение НТД, на который дана ссылка

Номер пункта, приложения

ГОСТ 12.2.040-79

3.3.5

ГОСТ 23353-78

3.1.6; 3.1.7; 3.1.8; 3.1.9

ГОСТ 12.2.086-83

3.3.5

ГОСТ 23354-78

3.1.8

ГОСТ 356-80

3.3.3

ГОСТ 23355-78

3.1.6

ГОСТ 2405-88

3.1.2; 3.1.3; 3.1.4; 3.3.4

ГОСТ 23358-87

Приложение А

ГОСТ 7798-70

3.1.5

ГОСТ 25165-82

3.1.11

ГОСТ 8965-75

3.1.10

ГОСТ 26191-84

3.3.2

ГОСТ 9833-73

3.1.4; 3.1.5; 3.1.7

ГОСТ 28016-89

3.1.7

ГОСТ 15763-91

1; 3.1.13; 3.3.6

ГОСТ 28918-91

3.1.9

ГОСТ 22525-77

3.1.6; 3.1.7; 3.1.8; 3.1.9

 

 

 

Ключевые слова: разъемные соединения, технологические трубопроводы

СОДЕРЖАНИЕ

1 область применения. 2

2 нормативные ссылки. 2

3 требования. 3

Приложение а. Размеры уплотнительной прокладки. 10

Приложение б. Размеры гнезда (отверстия в корпусе прибора) 11

Приложение в. Детали соединения типа 2 (с натяжной муфтой). Конструкция и размеры.. 12

Приложение г. Примеры применения соединений типа 2 (с натяжной муфтой) 13

Приложение Д. Детали соединения типа 3 (штуцерно-ниппельного). Конструкция и размеры

Приложение е. Детали соединения типа 4 (с овальными фланцами). Конструкция и размеры.. 15

 



© 2013 Ёшкин Кот :-)