| ||||||||||||||||||||||||||||||||||||||||||||||||||||||||||||||||||||||||||||||||||||||||||||||||||||||||||||||||||||||||||||||||||||||||||||||||||||||||||||||||||||||||||||||||||||||||||||||||||||||||||||||||||||||||||||||||||||||||||||||||||||||||||||||||||||||||||||||||||||||||||||||||||||||||||||||||||||||||||||||||||||||||||||||||||||||||||||||||||||||||||||||||||||||||||||||||||||||||||||||||||||||||||||||||||||||||||||||||||||||||||||||||||||||||||||||||||
|
ГОСУДАРСТВЕННЫЙ СТАНДАРТ СОЮЗА ССР ЗАЖИМЫ КОНТАКТНЫЕ НАБОРНЫЕ КОНСТРУКЦИЯ, ОСНОВНЫЕ ПАРАМЕТРЫ И РАЗМЕРЫ ГОСТ 25154-82 ГОСУДАРСТВЕННЫЙ КОМИТЕТ СССР ПО СТАНДАРТАМ ГОСУДАРСТВЕННЫЙ СТАНДАРТ СОЮЗА ССР
Постановлением Государственного комитета СССР по стандартам от 26 февраля 1982 г. № 847 срок действия установлен с 01.01. 1984 г. Несоблюдение стандарта преследуется по закону 1. Настоящий стандарт распространяется на наборные контактные зажимы (в дальнейшем «зажимы») с плоскими выводами проходные и специальные (мостиковые, разъединительные и измерительные) и колодки торцовые зажимов, соединяемые в разборные блоки, и на неразборные блоки, предназначенные для присоединения и ответвления проводников из меди, алюмомедных, алюминиевых и из алюминиевых сплавов сечением от 0,35 до 370 мм2. 2. В зависимости от конструкции хвостовой части корпуса или колодки зажимов, с помощью которых проводится установка их на рейку, стандарт устанавливает следующие типы зажимов: тип 1 - с хвостовой частью, имеющей пружину со скобой; тип 2 - с пружинящей частью; тип 3 - с хвостовой частью, имеющей прорезь (отверстие) под винт. 3. Конструкция, основные размеры и параметры зажимов, скрепляемых в разборные блоки, должны соответствовать указанным на черт. 1 - 29 и табл. 1 - 3. Таблица 1
Примечания: 1. Номинальный ток зажима 6,3 А соответствует номинальной ширине соединителя 2,8 мм, а номинальный ток зажима 16 А соответствует номинальной ширине соединителя 4,8 мм. 2. Зажимы со знаком *, предназначенные для присоединения проводников, оконцованных наконечником. Таблица 2
Таблица 3
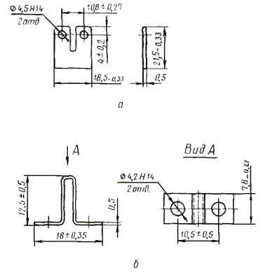
Зажимы проходные. Тип 1
Черт. 1
Черт. 2 Черт. 3 Зажимы проходные. Тип 2 Черт. 4
Черт. 5 Черт. 6 Зажимы проходные. Тип 3 Черт. 7
Черт. 8
Черт. 9
Черт. 10 Черт. 11
Черт. 12
Черт. 13
Черт. 14
Черт. 15 Черт. 16 Зажимы мостиковые. Тип 1
Черт. 17
Черт. 18
Черт. 19 Зажимы мостиковые. Тип 2 Черт. 20
Черт. 21 Черт. 22 Зажимы мостиковые. Тип 3 Черт. 23
Черт. 24 Черт. 25 Зажимы разъединительные. Тип 1 Черт. 26 Зажимы разъединительные. Тип 2 Черт. 27 Зажимы измерительные. Тип 1 Черт. 28 Зажимы измерительные. Тип 2 Черт. 29 Зажимы и торцовые колодки типа 1, изготовляемые для замены устаревших конструкций, подлежащих снятию с производства, могут иметь конструкцию хвостовой части, отличающуюся от указанной на черт. 1 - 3 при условии сохранения возможности их установки на рейки, приведенные в справочном приложении 4. 4. Конструкция, основные параметры и размеры неразборных блоков на 5 и 10 зажимов должны соответствовать указанным на черт. 30 - 32 и табл. 4. 5. Диапазоны сечений подсоединяемых жил проводов в зависимости от номинального сечения зажимов, конструктивного исполнения выводов и способа присоединения проводников должны соответствовать указанным в обязательном приложении 1. 6. Для закрепления разборных и неразборных блоков зажимов на рейках должны применяться торцовые колодки. Конструкция и размеры торцовых колодок должны соответствовать указанным на черт. 33 - 47. 7. Конструкция и размеры перемычек, применяемых для зажимов на ток 25 А, указаны в справочном приложении 2. 8. Установка зажимов на рейках приведена на черт. 1 - 5 справочного приложения 3. 9. Конструкция и размеры для установки на них зажимов указаны в справочном приложении 4. 10. Конструкция и размеры прижимных скоб указаны в справочном приложении 5. 11. Конструкция и размеры скоб для закрепления на рейках зажимов типа 3 указаны на черт. 1 - 2 справочного приложения 6. Неразборные блоки зажимов Черт. 30
Черт. 31 Черт. 32 Таблица 4
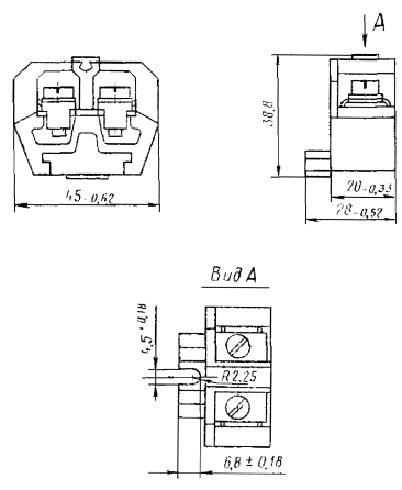
Колодки торцовые. Тип 1 Черт. 33
Черт. 34
Черт. 35 Черт. 36 Тип 2 Черт. 37
Черт. 38
Черт. 39
Черт. 40 Тип 3
Черт. 41
Черт. 42
Черт. 43
Черт. 44
Черт. 45 Черт. 46 Черт. 47 12. Конструкция и размеры изоляционных деталей, обеспечивающих безопасность обслуживания зажимов на ток 100 - 630 А, указаны в справочном приложении 7. 13. Размеры без предельных отклонений справочные. 14. Технические требования и область применения - по ГОСТ 19132-80. ПРИЛОЖЕНИЕ
1
| ||||||||||||||||||||||||||||||||||||||||||||||||||||||||||||||||||||||||||||||||||||||||||||||||||||||||||||||||||||||||||||||||||||||||||||||||||||||||||||||||||||||||||||||||||||||||||||||||||||||||||||||||||||||||||||||||||||||||||||||||||||||||||||||||||||||||||||||||||||||||||||||||||||||||||||||||||||||||||||||||||||||||||||||||||||||||||||||||||||||||||||||||||||||||||||||||||||||||||||||||||||||||||||||||||||||||||||||||||||||||||||||||||||||||||||||||||
|
Конструктивное исполнение выводов зажима и способ присоединения проводника |
Номинальное сечение зажима, мм2 |
Сечения подсоединяемых жил всех классов, мм2 |
|
|
минимальное |
максимальное |
||
|
Соединитель-соединитель |
1,0 |
0,35 |
1,0 |
|
2,5 |
0,5 |
2,5 |
|
|
Пайка-соединитель |
1,5 |
0,5* 0,35 |
1,5* 1,0 |
|
2,5 |
0,5 |
2,5 |
|
|
Пайка-пайка |
2,5 |
0,5 |
2,5 |
|
Винт-соединитель |
4,0 |
0,5* 0,35 |
4,0* 1,0 |
|
4,0 |
0,5* 0,5 |
4,0* 2,5 |
|
|
Винт-пайка |
4,0 |
0,5* 0,5 |
4,0* 2,5 |
|
Винт-винт |
4,0 |
0,5 |
4,0 |
|
16 |
2,5 |
16 |
|
|
70 |
16 |
70 |
|
|
95 |
25 |
95 |
|
|
150 |
95 |
150 |
|
|
185 |
95 |
185 |
|
|
2×185 |
2×95 |
2×185 |
|
________
* Числитель дроби относится к первой части наименования комбинированного вывода зажима, знаменатель - ко второй.

а - перемычка для
наборных зажимов на ток до 25 А неразборных
блоков зажимов;
б - перемычка для мостиковых
наборных зажимов.
Черт. 1
1 - зажим (черт. 1 - 3;
17 - 19; 26; 28); 2 - торцовая колодка (черт. 33 - 36);
3 - скоба прижимная (черт. 1а приложение 5 справочное); 4 - винт М4×10.58 по ГОСТ
17473-80;
5 - рейка
(черт. 1б приложение 4 справочное).
Черт. 1
Тип 2

а - крепление зажимов и
торцовых колодок на рейке (черт. 1а приложение 4);
б; в - крепление зажимов и торцовых колодок на рейке
(черт. 1б
приложение 4 справочное);
1 - зажим (черт. 4 - 6;
20 - 22; 27; 29); 2
- торцовая колодка (черт. 37 - 40);
3 - скоба прижимная (черт. 1а приложение 5 справочное);
4 - винт М4×12.58 по ГОСТ
17473-80; 5 - винт М4×8.58 по ГОСТ
17473-80;
6 - рейка; 7 - винт М4×8.58 по ГОСТ
17473-80; 8 - рейка
Черт. 2
Тип 3 (на ток до 100 А)

а - крепление зажимов и
торцовых колодок на рейке (см. черт, 1a приложение 4
справочное);
б - крепление зажимов и торцовых колодок на рейке
(см. черт. 1б приложение 4
справочное)
1 - зажим (черт. 7 - 11; 23 - 25); 2 - торцовая колодка (черт. 7 - 11; 23 -
26);
3 - винт М4×12.58 по ГОСТ
17473-80;
4 - 4.65 Г. по ГОСТ 6402-70; 5 - шайба 4.01 по ГОСТ
10450-78;
6, 8 - скобы установочные (см. черт 1 и черт. 2 приложение
6 справочное); 7, 9
- рейка
Примечание. Каждый пятый зажим должен крепиться.
Черт. 3
Тип 3 (на ток 100 - 630 А)

а - крепление торцовой
колодки на рейке (см. черт. 1а
приложение 4 справочное);
б - крепление торцовой колодки на рейке (см. черт. 1б приложение 4 справочное); в
- крепление зажимов на рейке (см. черт. 1а
приложение 4 справочное);
г - крепление
зажимов на рейке (см. черт. 1б приложение 4 справочное); 1 - изоляционная пластина (см. черт. 1 приложение 7
справочное);
2 - винт
М4×25.58 по ГОСТ
17473-80; 3 - шайба 4.01 по ГОСТ
10450-78; 4 - торцовая колодка (черт. 45);
5 - зажим
(черт. 12 - 16); 6 - винт
М5×14.58 по ГОСТ
17473-80; 7 - шайба 5.65 Г. по ГОСТ 6402-70;
8 - шайба
5.01 по ГОСТ
10450-78; 9 - скоба прижимная (черт. 1
приложение 7 справочное);
10, 12 - скобы (черт. 1 и
черт. 2 приложение 6 справочное); 11, 13 - рейка
Примечание. Каждый из наборных зажимов поз. 1 должен крепиться аналогично торцовой колодке поз. 4.
Черт. 4
Установка неразборных блоков зажимов
а - крепление блоков на
рейке (см. черт. 1a приложение 4 справочное);
б - крепление блоков на рейке (черт. 1б
приложение 4 справочное). 1 - блок зажимов (черт. 30 - 32);
2 - торцовая
колодка (черт. 46); 3 - винт
M4×12.58 по ГОСТ
17473-80; 4 - шайба
4.65 Г. по ГОСТ
6402-70;
5 - шайба 4.01 по ГОСТ
10450-78; 6, 8 - скобы установочные (см. черт. 1 и черт. 2
приложение 6 справочное), 7, 9
- рейка
Черт. 5
а - С-образная симметричная рейка с закрытым пазом; б - С-образная несимметричная рейка с закрытым пазом.
________
* В технически обоснованных случаях допускается применение реек с размерами, отличными от указанных на чертеже.

а - прижимная скоба для
закрепления на рейках зажимов типов 1 и
2 на ток до 25 А;
б - прижимная
скоба для закрепления зажинов типа 3 на ток 100 - 630 А
|
Исполнение зажимов |
Чертеж скобы |
Чертеж установочной рейки (приложение 4 справочное) |
Диаметр резьбы, d, мм |
|
Зажим типа 3 на токи до 100 А |
1 |
1а |
4 |
|
2 |
1б |
||
|
Зажим типа 3 на токи 100 - 630 А |
1 |
1а |
5 |
|
2 |
1б |
|
Номинальный ток зажима, А |
Чертеж зажима |
L, мм |
|
|
номин. |
пред. откл. |
||
|
100, 160 |
12; 13 |
130 |
-1,0 |
|
250; 400 |
14; 15 |
162 |
|
|
630 |
16 |
309 |
-1,3 |
Черт. 1
Втулка

Черт. 2
СОДЕРЖАНИЕ