Информационная система
«Ёшкин Кот»

XXXecatmenu

МЕЖГОСУДАРСТВЕННЫЙ СТАНДАРТ

Обеспечение износостойкости изделий

Метод испытаний машиностроительных материалов
на ударно-абразивное изнашивание

Ensuring of wear resistance of products.
Testing of engineering materials for impact abrasive wear

ГОСТ
23.207-79

Постановлением Государственного комитета СССР по стандартам от 26 ноября 1979 г. № 4516 дата введения установлена

01.01.81

Настоящий стандарт распространяется на металлические материалы, их сплавы и композиции на металлической основе, а также металлические покрытия и устанавливает метод их испытаний на ударно-абразивное изнашивание, вызванное многократными прямыми ударами изнашивающейся поверхности о абразивную прослойку.

Стандарт не распространяется на металлы и металлические покрытия твердостью менее 100HV, на пористые материалы со средним размером пор более 0,10 мм, а также на покрытия толщиной менее 0,60 мм.

Сущность метода состоит в том, что проводят повторные удары образцом через слой твердых абразивных частиц по неподвижной наковальне с заданными энергией удара, скоростью и частотой соударений, и оценивают относительную износостойкость материала путем сравнения износа испытуемых и эталонных образцов, испытанных в идентичных условиях.

1. АППАРАТУРА И МАТЕРИАЛЫ

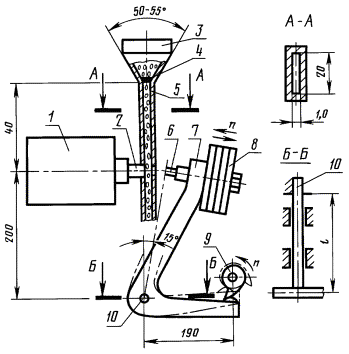
Испытательная установка для проведения испытаний состоит из привода, ударного механизма, бункера с направляющим каналом и неподвижной наковальни.

Схема испытательной установки приведена на черт. 1.

Ударный механизм содержит приспособления для крепления образца 6 и съемных грузов 8 массой до 30 кг, с помощью которых регулируют скорость удара образца 6 о сменный вкладыш 2 наковальни 1 в диапазоне скоростей v = 0,5 - 5 м/с с погрешностью не более 2,5 %, а также устройство, содержащее сменные торсионы, обеспечивающие задание энергии удара в диапазоне Е = 2,94 - 29,4 Дж с погрешностью не более 2,5 % при закручивании торсиона на угол не менее 15°, и ударник 7 с моментом инерции относительно оси вращения Iуд = 17,87 × 10-4 кг × м2.

Привод должен обеспечивать частоту соударений образца 6 и сменного вкладыша 2 наковальни 1 в диапазоне п = 20 - 400 мин-1 с погрешностью поддержания заданной частоты не более 1 мин-1.

Бункер 3 с направляющим каналом 5 предназначен для подачи потока частиц абразивного материала в зону соударения. Направляющий канал 5 длиной 40 мм имеет прямоугольное сечение 20 × 1 мм.

Неподвижная наковальня должна иметь массу не менее 50 кг. Сменный вкладыш, устанавливаемый в наковальне, выполняют из стали 45 по ГОСТ 1050-88 твердостью 640 - 675HV (закалка 840 °С в воде, температура отпуска 100 °С).

Эталонные образцы выполняют из стали 45 по ГОСТ 1050-88 с твердостью 598 - 622HV (закалка 840 °С в воде, температура отпуска 200 °С).

Черт. 1

Сменный вкладыш наковальни (черт. 2) и образцы из эталонного и испытуемого материалов (черт. 3) изготовляют по 3-му классу точности с шероховатостью Ra рабочей (торцевой) поверхности не более 2,5 мкм по ГОСТ 2789-73.

Примечание. Обработку рабочих поверхностей при испытаниях пористых материалов производят шлифованием.

Черт. 2

Черт. 3

Непараллельность закрепленных на установке и взаимно прижатых рабочих поверхностей сменного вкладыша наковальни и испытуемого образца - не более 0,05 мм.

Абразивный материал - карбид кремния черный по ГОСТ 3647-80, зернистостью 0,63 мм и с относительным содержанием влаги не более 0,15 % по массе, используют для общей сравнительной оценки износостойкости материалов при стандартных режимах испытаний.

Для оценки износостойкости применительно к конкретным условиям изнашивания допускается использовать абразивный материал, соответствующий воздействующему материалу при эксплуатации, но с размером частиц не более 0,8 мм. В этом случае характеристики абразивного материала приводят в протоколах испытаний.

Примечание. При использовании абразивного материала со средним размером частиц более 0,63 мм допускается применение направляющего канала шириной в сечении более 1 мм (см. черт. 1).

При применении стандартного абразивного материала указывают номер соответствующего стандарта. При применении нестандартного абразивного материала в протоколе испытаний указывают вид абразивного материала, месторождение или завод-изготовитель (для искусственных материалов), максимальный и минимальный размер частиц абразива, их твердость, среднюю удельную поверхность частиц и другие данные, необходимые для идентификации абразивного материала.

Примечание. Допускается повторное использование абразивного материала, но не более трех раз.

Износ образцов определяют взвешиванием их с погрешностью не более 0,0002 г до и после испытаний.

Потеря массы образца вследствии износа при испытаниях должна составлять не менее 0,005 г.

Для промывки образцов перед испытаниями и взвешиванием используют бензин по НТД и ацетон по ГОСТ 2768-84.

В пределах одной серии испытаний технология изготовления образцов должна быть одинаковой. При механической обработке не допускается изменение свойств материала образца вследствие нагрева, наклепа и т.п.

2. ПОДГОТОВКА К ИСПЫТАНИЯМ

2.1. Твердость образцов из испытуемого и эталонного материалов определяют по ГОСТ 2999-75. Полученные данные об образце из испытываемого материала заносят в протокол испытаний. Твердость эталонных образцов должна соответствовать требованиям, указанным в разд. 1. Отобранные образцы маркируют клеймением на нерабочих поверхностях.

2.2. Влажность абразивного материала проверяют по ГОСТ 5382-91 и при необходимости доводят ее до соответствия требованиям разд. 1.

2.3. Образцы последовательно промывают промывочными жидкостями, указанными в разд. 1, просушивают на воздухе и взвешивают.

2.4. Устанавливают сменный вкладыш 2 наковальни 1 (см. черт. 1). В ударный механизм вставляют образец 6 из испытуемого или эталонного материала.

Примечание. Испытанию подвергают по три образца из эталонного и испытуемого материалов. При установке и съеме образца не допускается повреждение его поверхности.

2.5. При положении кулачка 9, соответствующем максимальному удалению образца 6 от сменного вкладыша 2 наковальни 1, производят закручивание торсиона 10 до значения момента Mкр = 39,258 Н × м и закрепляют торсион.

2.6. На ударный механизм устанавливают съемные грузы общей массой 6,68 кг.

2.7. Заслонку бункера 4 открывают и включают привод испытательной установки. Производят приработку, осуществляя (500 ± 1) удар образца о сменный вкладыш наковальни.

2.8. Приработке подвергают последовательно все образцы из испытуемого и эталонного материалов.

2.9. После окончания приработки все образцы промывают промывочными жидкостями, просушивают на воздухе и взвешивают в соответствии с разд. 1. Если при этом потеря массы образца менее 0,005 г, то продолжительность приработки увеличивают в 2 раза.

Примечание. Если при увеличении продолжительности приработки в 2 раза указанное требование вновь не выполняется, то дальнейшие испытания данного материала при выбранном режиме проводить нецелесообразно.

3. ПРОВЕДЕНИЕ ИСПЫТАНИЙ

3.1. При общей сравнительной оценке износостойкости испытуемого материала проводят испытания с энергией удара Е = 4,9 Дж, скорости соударения v = 1 м/с и частоте соударения п = 100 мин-1, что обеспечивается углом закручивания торсиона (п. 2.5) и устанавливаемой массой съемных грузов (п. 2.6).

3.2. При оценке износостойкости материала применительно к конкретным условиям изнашивания значения крутящего момента торсиона (Мкр), Н × м, и общей массы съемных грузов (m), кг, в зависимости от необходимых значений энергии удара (Е), Дж и скорости соударения (v), м/с, определяют по формулам:

Мкр = 3,82Е + 0,131С;

где С - характеристика жесткости торсиона, Н × м;

r - расстояние от оси вращения ударника до центра тяжести съемных грузов, м;

Iуд - момент инерции ударника, кг × м2.

3.3. Жесткость торсиона должна отвечать условию С £ 7,63Мкр.

Примечание. Допускается плавное регулирование жесткости торсиона путем изменения его длины l (см. черт. 1).

3.4. Необходимую частоту п соударения устанавливают равной частоте вращения кулачка, открывают заслонку бункера для подачи абразивного материала в зону соударения и включают привод кулачка.

3.5. Испытания эталонных и испытуемых образцов, проводят в соответствии с пп. 3.1 или 3.2, осуществляя (1000 ± 1) удар. После окончания испытаний образцы промывают, просушивают на воздухе и взвешивают в соответствии с разд. 1. Результаты заносят в протокол. Пример записи приведен в приложении.

3.6. Если отклонение значения потери массы одного из образцов в процессе испытаний превышает 40 % средней потери массы всех испытуемых образцов, то испытания повторяют на трех новых образцах в соответствии с пп. 3.1 - 3.5.

3.7. После 2000 ударов производят замену сменных вкладышей наковальни.

4. ОБРАБОТКА РЕЗУЛЬТАТОВ ИСПЫТАНИЙ

4.1. По результатам взвешивания образцов до и после испытаний с определенными энергией удара Е, скоростью соударения v и частотой соударения п определяется средняя потеря массы образцов из эталонного материала gэ и средняя потеря массы образцов из исследуемого материала gи:

где gэi; gиi - соответственно потеря массы для отдельных испытанных эталонных и исследуемых образцов, г.

4.2. Относительную износостойкость исследуемого материала (U) вычисляют по формуле

где rэ, rи - соответственно плотность эталонного и исследуемого материалов, г/см3.

4.3. При записи результатов испытаний, проведенных с целью оценки износостойкости материала применительно к конкретным условиям изнашивания (п. 3.2), необходимо указывать режимы испытаний образцов (характеристика абразивного материала, толщина его слоя, энергия удара Е, скорость соударения v, частота соударения n), к которым относится данное значение износостойкости.

ПРИЛОЖЕНИЕ

Рекомендуемое

ОБРАЗЕЦ ПРОТОКОЛА

ПРОТОКОЛ

испытаний на ударно-абразивное изнашивание по ГОСТ __________________________

Дата 12.XI.1979 г.                                                                          Исполнитель Иванов А.Г.

Характеристики материалов

Материал

Наименование

ГОСТ, ТУ

Термообработка

Твердость, HV

Плотность, г/см3

Материал эталона

Сталь 45

ГОСТ 1050-88

Закалка 840 °С в воду.

598 - 622

7,8

Отпуск 200 °С

Исследуемый материал

Сталь У10А

ГОСТ 1435-99

Закалка 740 °С в воду.

775 - 810

7,8

Отпуск 180 °С

 

Материал

Наименование

ГОСТ, ТУ

Размер частиц, мм

Твердость, кгс/мм2

Удельная поверхность, см2

Абразивный материал

Карбид кремния черный (КЧ-63)

ГОСТ 3647-80

0,63

2900 - 3500

-

Режим испытаний

Энергия удара Е, Дж

Скорость соударения, м/с

Частота соударения, мин-1

Продолжительность испытаний (количество ударов)

4,9

1

100

1000

Результаты испытаний

Материал

Номер образца

Начальная масса, г

Масса после испытаний, г

Потеря массы, г

Средняя потеря массы, г

Материал эталона

1

30,3477

30,3137

0,0340

0,0352

2

30,2406

30,2050

0,0356

 

3

30,4147

30,3786

0,0361

 

(4)

(5)

Исследуемый материал

1

30,9048

30,8723

0,0325

0,0352

2

30,2406

30,2050

0,0356

 

3

30,4147

30,3786

0,0361

 

(4)

(5)

Относительная износостойкость

Подпись ____________________

СОДЕРЖАНИЕ

 

 



© 2013 Ёшкин Кот :-)