Информационная система
«Ёшкин Кот»

XXXecatmenu

ГОСУДАРСТВЕННЫЙ СТАНДАРТ
СОЮЗА
ССР

ЧАСТИ ШТУЦЕРОВ СОЕДИНИТЕЛЬНЫЕ
БОРТОВЫХ АВИАЦИОННЫХ ПРИБОРОВ

КОНСТРУКЦИЯ И РАЗМЕРЫ

ГОСТ 19125-90

ГОСУДАРСТВЕННЫЙ КОМИТЕТ СССР ПО УПРАВЛЕНИЮ
КАЧЕСТВОМ ПРОДУКЦИИ И СТАНДАРТАМ

Москва

ГОСУДАРСТВЕННЫЙ СТАНДАРТ СОЮЗА ССР

ЧАСТИ ШТУЦЕРОВ СОЕДИНИТЕЛЬНЫЕ
БОРТОВЫХ АВИАЦИОННЫХ ПРИБОРОВ

Конструкция и размеры

Fittings of connections for airborne instruments.
Design and dimensions

ГОСТ
19125-90

Дата введения 01.07.91

Настоящий стандарт распространяется на соединительные части штуцеров бортовых авиационных приборов, предназначенных для измерения давления различных жидких и газообразных сред и устанавливает конструкцию и размеры соединительных частей штуцеров.

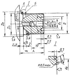
1. Конструкция и размеры соединительных частей штуцеров должны соответствовать указанным на черт. 1 - 5 и в табл. 1 - 3.

Шероховатость поверхностей на черт. 1 должна быть не грубее Ra 1,6. Шероховатость неуказанных поверхностей на черт. 2 - 5 должна быть не грубее Rz 20.

______________

* Размеры обеспечиваются инструментом.

Черт. 1

Таблица 1

мм

D1

L

l

4

3

1,5

11

3

7

6

3,5

18

15

9

8

6,0

Исполнение 1

______________

* Размеры обеспечиваются инструментом.

Черт. 2

Исполнение 2

(остальное см. черт. 2)

Черт. 3

Таблица 2

мм

Исполнение

D

D1

D2

d

L

l

Номин.

Пред. откл.

1

М8×1

6,5

2,6

-0,12

1,7

13

4,0

18

M12×1

10,5

5,0

-0,16

4,2

15

5,0

24

2

М14×1

12,5

6,0

-0,20

5,5

15

5,5

24

Исполнение 1

______________

* Размер, отмеченный звездочкой, и R 0,2 max обеспечиваются инструментом.

Черт. 4

Исполнение 2

(остальное см. черт. 4)

Черт. 5

Таблица 3

мм

Исполнение

D

d

d1

d2

L

1

М12×1

12,2

15

4,2

9,0

13,5

15

М16×1,5

16,2

19

10,5

17,5

18

2

М6×0,5

6,2

9

1,0

-

7,5

10

М8×1

8,2

11

1,7

9,5

12

2. Резьба метрическая - по ГОСТ 9150; поля допусков - по ГОСТ 16093; наружная резьба для деталей из сталей - 6е; наружная резьба для деталей из алюминиевых и медных сплавов - 6h; внутренняя резьба - 5Н6Н.

Сбеги, фаски резьбы - по ГОСТ 10549.

3. Допуск радиального биения поверхностей А и Б относительно среднего диаметра резьбы D не более 0,07 мм.

4. Допуск радиального биения конуса Г относительно среднего диаметра резьбы D не более 0,05 мм.

5. Допуск торцового биения поверхности В относительно среднего диаметра резьбы D не более 0,05 мм.

6. Неуказанные предельные отклонения размеров и расположения поверхностей - по ГОСТ 25670: средний класс - для диаметральных охватываемых и охватывающих поверхностей; для прочих охватываемых и охватывающих поверхностей - класс грубый.

7. Примеры присоединения штуцеров к системам давления приведены в приложении.

ПРИЛОЖЕНИЕ

Справочное

ПРИМЕРЫ ПРИСОЕДИНЕНИЯ ШТУЦЕРОВ К СИСТЕМАМ ДАВЛЕНИЯ

Примеры присоединения штуцеров к системам давления приведены на черт. 6 - 8.

1 - соединительная часть штуцера; 2 - шланг

Черт. 6

1 - соединительная часть штуцера; 2 - гайка по ГОСТ 13957;
3 - ниппель по ГОСТ 13956; 4 - трубопровод по ГОСТ 13954

Черт. 7

1 - прокладка; 2 - соединительная часть штуцера;
3 - посадочное место штуцера

Черт. 8

ИНФОРМАЦИОННЫЕ ДАННЫЕ

1. РАЗРАБОТАН И ВНЕСЕН Министерством авиационной промышленности СССР

РАЗРАБОТЧИКИ

В.Н. Шутас; Г.Н. Нестеров; В.И. Полушкин; Ю.И. Абалихин

2. УТВЕРЖДЕН И ВВЕДЕН В ДЕЙСТВИЕ Постановлением Государственного комитета СССР по управлению качеством продукции и стандартам от 02.03.90 № 339

3. Срок первой проверки - 1995 г.;

периодичность проверки - 5 лет

4. ВЗАМЕН ГОСТ 19125-73

5. ССЫЛОЧНЫЕ НОРМАТИВНО-ТЕХНИЧЕСКИЕ ДОКУМЕНТЫ

Обозначение НТД, на который дана ссылка

Номер пункта, приложения

ГОСТ 9150-81

2

ГОСТ 10549-80

2

ГОСТ 13954-74

Приложение

ГОСТ 13956-74

Приложение

ГОСТ 13957-74

Приложение

ГОСТ 16093-81

2

ГОСТ 25670-83

6

 



© 2013 Ёшкин Кот :-)