Информационная система
«Ёшкин Кот»

XXXecatmenu

ГОСУДАРСТВЕННЫЙ СТАНДАРТ СОЮЗА ССР

ФИЛЬТРЫ ЭЛЕКТРОННЫЕ ОКТАВНЫЕ
И ТРЕТЬОКТАВНЫЕ

ОБЩИЕ ТЕХНИЧЕСКИЕ ТРЕБОВАНИЯ И МЕТОДЫ ИСПЫТАНИЙ

ГОСТ 17168-82
(СТ СЭВ 1807-79)

ГОСУДАРСТВЕННЫЙ КОМИТЕТ СССР
ПО СТАНДАРТАМ
Москва

ГОСУДАРСТВЕННЫЙ СТАНДАРТ СОЮЗА ССР

ФИЛЬТРЫ ЭЛЕКТРОННЫЕ ОКТАВНЫЕ И ТРЕТЬОКТАВНЫЕ

Общие технические требования и методы испытаний

Filters electrical octave and third-octave.

General technical requirements and methods of testing

ГОСТ
17168-82

(СТ СЭВ 1807-79)

Взамен

ГОСТ 17168-71,

ГОСТ 17169-71

Постановлением Государственного комитета СССР по стандартам от 29 марта 1982 г. № 1294 срок действия установлен

с 01.01 1983 г.

до 01.01 1988 г.

Несоблюдение стандарта преследуется по закону

Настоящий стандарт распространяется на электронные октавные и третьоктавные пассивные и активные фильтры, предназначенные для спектрального анализа шумов при акустических и вибрационных измерениях, применяемые как самостоятельные приборы, так и встроенные в другие измерительные приборы, и устанавливает общие технические требования и методы их испытаний.

Стандарт не распространяется на узкополосные, широкополосные и корректирующие фильтры.

Стандарт полностью соответствует СТ СЭВ 1807-76.

Термины, применяемые в настоящем стандарте, и их пояснения приведены в справочном приложении 1.

1. ОБЩИЕ ТЕХНИЧЕСКИЕ ТРЕБОВАНИЯ

1.1. Фильтры изготовляют в соответствии с требованиями настоящего стандарта и технических условий на конкретные фильтры по рабочим чертежам, утвержденным в установленном порядке.

1.2. По условиям эксплуатации фильтры должны соответствовать III, IV или V группам по ГОСТ 22261-76.

1.3. В зависимости от точности фильтры подразделяются на три класса:

1 - фильтры для точных лабораторных и натурных измерений;

2 - фильтры для натурных измерений нормальной точности;

3 - фильтры для ориентировочных измерений.

1.4. Основные параметры фильтров, нормируемые значения основных параметров, допустимые отклонения и погрешности измерения должны соответствовать указанным в табл. 1.

Таблица 1

Основные параметры фильтров

Нормируемое значение основных параметров

Допустимое отклонение, %

Погрешность измерения

1. Средняя геометрическая частота полосы пропускания фильтра (номинальная) fm, Гц

По табл. 2

-

-

2. Нижняя граничная частота полосы пропускания фильтра f1, Гц

То же

-

-

3. Верхняя граничная частота полосы пропускания фильтра f2, Гц

»

-

-

4. Средняя геометрическая частота полосы пропускания фильтра (расчетная) f'm, Гц

»

-

-

5. Номинальное основное затухание (комплекта фильтров) Nn, дБ

0 или кратное 10

-

-

6. Основное затухание фильтра (относительно Nn на частоте fm) Nm, дБ

По табл. 3, 4

-

±0,3 дБ

7. Затухание фильтра (относительно Nk на частоте fi) Δa, дБ

То же

-

От ±0,3 до ±0,8 дБ

8. Эффективная ширина полосы пропускания фильтра (номинальная) b0

По табл. 5

-

-

9. Эффективная ширина полосы пропускания фильтра (реальная) bе

То же

-

-

10. Допустимое отклонение эффективной ширины полосы фильтра (от эффективной ширины полосы соответствующего идеального фильтра) δе, %

По табл. 5

±8; ±10; ±15

±3 %

11. Входное полное сопротивление фильтра (модуль) |z1|, кОм

³ 10

±5; ±10

±3 %

12. Выходное полное сопротивление фильтра (модуль) |z2|, Ом

£ 300

±5; ±10

±3 %

13. Выходное полное нагрузочное сопротивление фильтра (модуль) |z3|, кОм

³ 10

-

-

14. Входное напряжение фильтра (номинальное, эффективное) U1, В

1

-

-

15. Выходное напряжение фильтра (номинальное, эффективное) U2, В

1

-

-

16. Максимальное входное напряжение фильтра (амплитудное) U1mах, В

4

±5

±2 %

17. Уровень собственных шумов на выходе фильтра (эффективное, относительно U2) L2 (Лин), дБ

По табл. 6

-

±1,0 дБ

18. Отклонение основного затухания частотной характеристики Лин (относительно Nn) ΔЛин, дБ

±0,5

-

±0,3 дБ

19. Рабочий диапазон температур комплекта фильтров, °С

От -10 до +50

-

-

20. Погрешность основного затухания фильтра в рабочем диапазоне температур, дБ

±0,5

-

±0,3 дБ

21. Рабочий диапазон относительной влажности воздуха, %

От 65 до 90

-

-

22. Погрешность основного затухания фильтров в рабочем диапазоне относительной влажности, дБ

±0,5

-

±0,3 дБ

23. Выходное напряжение фильтра, вызываемое вибрацией с ускорением 10 мс-2 (эффективное), В

-

-

±3 %

24. Выходное напряжение фильтров, вызываемое уровнем звукового давления 100 дБ, В

-

-

±3 %

25. Выходное напряжение фильтра, вызываемое магнитным полем 80 А/м, В

-

-

±3 %

26. Напряжение питания комплекта фильтров, В

-

-

±5 %

1.5. Средняя геометрическая частота полосы пропускания фильтра (номинальная), нижняя и верхняя граничные частоты полосы пропускания фильтра должны выбираться из ряда предпочтительных частот для акустических измерений по ГОСТ 12090-80.

1.6. Расчетное значение средней геометрической частоты полосы пропускания фильтра f'm должно соответствовать указанному в табл. 2, где f'm = 1000 · 10n/10 = 10K/10; n - целое положительное или отрицательное число либо нуль; K = n + 30; 1000 - основная частота ряда в Гц.

Комплект фильтров должен охватывать все приведенные в табл. 2 частоты, часть из них или значения, полученные умножением приведенных значений на 10n или 0,1n, образуя непрерывный ряд. Для более высоких и более низких частот допускается расширение диапазона частот комплекта фильтров. Комплект октавных и третьоктавных фильтров допускается дополнять корректирующими фильтрами шумомера А, В, С, D.

1.7. Номинальное основное затухание комплекта фильтров должно составлять 0 дБ либо целое положительное или отрицательное число децибел, кратное 10, одинаковое для всех фильтров комплекта. Номинальное основное затухание должно быть одним и тем же для всех фильтров, входящих в комплект.

1.8. Основное затухание фильтра, входящего в комплект, должно быть равно основному номинальному затуханию комплекта фильтров с допустимым отклонением согласно табл. 3 и 4 для относительной частоты f/fm = 1.

Таблица 2

Средняя геометрическая частота полосы пропускания фильтра fm, Гц

к

Расчетное значение средней геометрической частоты полосы пропускания фильтра f'm, Гц

Октавные фильтры

Третьоктавные фильтры

12,5

11

12,589

-

´

16

12

15,849

´

´

20

13

19,953

-

´

25

14

25,119

-

´

31,5

15

31,623

´

´

40

16

39,811

-

´

50

17

50,119

-

´

63

18

63,096

´

´

80

19

79,433

-

´

100

20

100,00

-

´

125

21

125,89

´

´

160

22

158,49

-

´

200

23

199,53

-

´

250

24

251,19

´

´

315

25

316,23

-

´

400

26

398,11

-

´

500

27

501,19

´

´

630

28

630,96

-

´

800

29

794,33

-

´

1000

30

1000,0

´

´

1250

31

1258,9

-

´

1600

32

1584,9

-

´

2000

33

1995,3

´

´

2500

34

2511,9

-

´

3150

35

3162,3

-

´

4000

36

3981,1

´

´

5000

37

5011,9

-

´

6300

38

6309,6

-

´

8000

39

7943,3

´

´

10000

40

10000

-

´

12500

41

12589

-

´

16000

42

15849

´

´

20000

43

19953

-

´

1.9. Затухание октавных и третьоктавных фильтров 1, 2, 3-го классов точности для относительных частот f/fm должно соответствовать значениям, приведенным в табл. 3 и 4 и на черт. 1 и 2. Расчет затухания фильтра в зависимости от частоты приведен в справочном приложении 2.

Таблица 3

Относительная частота f/fm

Затухание, дБ, октавных фильтров, классов точности

1-го

2-го

3-го

£ 0,125

От +65,0 до ∞

От +60,0 до ∞

От +40,0 до ∞

0,25

От +50,0 до ∞

От +40,0 до ∞

От +26,0 до ∞

0,5

От +23,0 до ∞

От +18,0 до ∞

От +10,0 до ∞

0,7071

От -0,5 до +6,0

От -0,5 до +6,0

От -0,5 до +6,0

0,8409

От -0,5 до +1,0

От -0,5 до +1,0

От- 1,0 до +1,0

1,0000

От -0,5 до +1,0

От -0,5 до +1,0

От -1,5 до +1,0

1,1892

От -0,5 до +1,0

От -0,5 до +1,0

От -1,0 до +1,0

1,4142

От -0,5 до +6,0

От -0,5 до +6,0

От -0,5 до +6,0

2

От +23,0 до ∞

От +18,0 до ∞

От +10,0 до ∞

4

От +50,0 до ∞

От +40,0 до ∞

От +26,0 до ∞

³ 8

От +65,0 до ∞

От +60,0 до ∞

От +40,0 до ∞

Затухание октавных фильтров 1, 2, 3-го классов точности

Черт. 1

Затухание третьоктавных фильтров 1, 2, 3-го классов точности

Черт. 2

Таблица 4

Относительная частота f/fm

Затухание, дБ, третьоктавных фильтров классов точности

1-го

2-го

3-го

0,125

-

От +60,0 до ∞

От +60,0 до ∞

0,2

От +75,0 до ∞

-

От +49,5 до ∞

0,25

От +68,0 до ∞

От +50,0 до ∞

От +45,0 до ∞

0,5

От +45,0 до ∞

От +28,0 до ∞

От +26,0 до ∞

0,7937

От +14,0 до ∞

От +13,0 до ∞

От +10,0 до ∞

0,8909

От -0,5 до +6,0

От -0,5 до +6,0

От -1,0 до +6,0

0,9439

От -0,5 до +1,0

От -0,5 до +1,0

От -1,0 до +1,0

1,0000

От -0,5 до +0,5

От -0,5 до +1,0

От -0,5 до +1,0

1,0595

От -0,5 до +1,0

От -0,5 до +1,0

От -1,0 до +1,0

1,1225

От -0,5 до +6,0

От -0,5 до +6,0

От -1,0 до +6,0

1,2599

От +14,0 до ∞

От +13,0 до ∞

От +10,0 до ∞

2

От +45,0 до ∞

От +28,0 до ∞

От +26,0 до ∞

4

От +68,0 до ∞

От +50,0 до ∞

От +45,0 до ∞

5

От +75,0 до ∞

-

От +49,5 до ∞

³ 8

-

От +60,0 до ∞

От +60,0 до ∞

1.10. Отклонение δе в процентах эффективной ширины полосы пропускания фильтра от номинального значения ширины полосы b0 не должно превышать значений, приведенных в табл. 5.

                                                          (1)

где

f1, f2 - граничные частоты полосы пропускания фильтра;

fm - средняя геометрическая частота полосы пропускания;

bе - эффективная ширина полосы пропускания реального фильтра, который пропускает такую же мощность на белом шуме, как и идеальный П-образный фильтр с тем же основным затуханием.

Таблица 5

Вид фильтра

Номинальное значение (ширины полосы) b0

Отклонение эффективной ширины полосы пропускания фильтра от номинального значения ширины полосы δe, %, для классов точности

1-го

2-го

3-го

Октавный

0,7071

8

10

15

Третьоктавный

0,2316

8

10

15

Пример вычисления эффективной ширины полосы пропускания приведен в справочном приложении 3.

1.11. Входное полное сопротивление фильтра (модуль) должно быть не менее 10 кОм.

1.12. Выходное полное сопротивление фильтра (модуль) должно быть не более 300 или 600 Ом.

1.13. Выходное полное нагрузочное сопротивление фильтра (модуль) должно быть 600 Ом или более 10 кОм.

1.14. Входное и выходное полные сопротивления (модуль) не должны отклоняться от номинального значения более чем на ±5 % для фильтров 1 и 2-го классов и на ±10 % - для фильтров 3-го класса.

1.15. Номинальное эффективное значение входного напряжения фильтра должно составлять 1 В.

1.16. Номинальное эффективное значение выходного напряжения фильтра должно составлять 1 В.

1.17. Максимальное амплитудное значение входного напряжения фильтра должно быть не менее четырехкратного значения номинального эффективного входного или выходного напряжения.

1.18. Уровень собственных шумов на выходе фильтра относительно номинального эффективного напряжения сигнала на выходе фильтра не должен превышать значений, приведенных в табл. 6.

Таблица 6

Вид фильтра

Уровень собственных шумов на выходе фильтра L2 (Лин), дБ, для классов точности

1-го

2-го

3-го

Октавный

-70

-65

-45

Третьоктавный

-80

-65

-65

1.19. Затухание фильтров, имеющих частотную характеристику «Лин» (линейная) в частотном диапазоне комплекта фильтров от 0,7fm нижнего фильтра комплекта до 1,5fт верхнего фильтра комплекта при включении этой характеристики не должно отличаться от основного номинального затухания комплекта фильтров более чем на ±0,5 дБ.

1.20. При подаче неискаженного синусоидального сигнала с номинальным значением входного напряжения на вход фильтра измеренная на выходе разность уровней между основным сигналом на выходе и любой создаваемой в фильтре гармонической составляющей должна быть больше, чем затухание фильтра на частоте этой гармонической составляющей.

1.21. Погрешность основного затухания при изменении температуры в рабочем диапазоне температур должна быть не более ±0,5 дБ. При превышении этого значения следует указать возможность коррекции этой погрешности в рабочем диапазоне температур от -10 до +50 °С.

1.22. Для фильтров необходимо указать рабочий диапазон относительной влажности воздуха, в пределах которого фильтры сохраняют свои технические характеристики.

Для фильтров, предназначенных для эксплуатации вне зданий, основное затухание не должно изменяться более чем на ±0,5 дБ при относительной влажности воздуха от 65 до 90 % и при температуре до плюс 40 °С или соответствующем парциальном давлении водяного пара в воздухе до 4 кПа в зависимости от того, какое требование является менее жестким.

1.23. Для фильтров необходимо указать эффективное выходное напряжение в диапазоне частот от 20 до 1000 Гц, вызываемое синусоидальной вибрацией с эффективным значением ускорения 10 м/с-2, действующим в направлении максимальной чувствительности, при отсутствии виброизолирующих средств.

1.24. Для фильтров необходимо указать максимальное эффективное напряжение в диапазоне частот от 31,5 до 8000 Гц, вызываемое синусоидальным звуковым давлением с уровнем 100 дБ, при отсутствии звукоизолирующих средств.

1.25. Для фильтров следует указать максимальное эффективное выходное напряжение, вызываемое переменным магнитным полем напряженностью 80 А/м, частотой 50 или 60 Гц, в направлении максимальной чувствительности к магнитному полю.

1.26. Для фильтров, имеющих питание от внутренней батареи, должен быть предусмотрен контроль напряжения питания при номинальном значении потребляемого тока.

1.27. На фильтре должны быть нанесены следующие данные:

вид фильтров;

класс точности фильтров;

наименование предприятия-изготовителя;

обозначение фильтров;

заводской номер;

обозначение входных и выходных зажимов фильтров и органов управления фильтров.

1.28. Хранение и транспортирование фильтров - по ГОСТ 22261-76.

1.29. Фильтры должны сопровождаться паспортом. Содержание паспорта на фильтры приведено в справочном приложении 4.

2. МЕТОДЫ ИСПЫТАНИЙ

2.1. Испытание фильтров на соответствие требованиям настоящего стандарта должно проводиться при нормальных внешних условиях по ГОСТ 22261-76.

2.2. Подключение фильтра при испытаниях к источнику напряжения и к вольтметру должно проводиться непосредственно при соблюдении условий пп. 1.11; 1.12; 1.13 или через дополнительные сопротивления, выполненные в виде активных резисторов.

2.3. Среднюю геометрическую и граничные частоты фильтра (п. 1.5) следует проверять путем сравнения паспортных данных с приведенными в табл. 2.

2.4. Основное номинальное затухание комплекта фильтров проверяют путем сравнения паспортных данных с требованиями п. 1.7.

2.5. Затухание фильтра Δa в соответствии с п. 1.9 следует измерять при номинальном, на 30 дБ меньшем, чем номинальное, и максимально допустимом напряжениях на входе фильтра по схеме черт. 3. При этом измерения следует проводить до уровней, на 5 дБ превышающих уровни помех.

1 - генератор; 2; 6 - вольтметры эффективного значения; 4 - испытываемый фильтр;
3; 5 - дополнительные сопротивления R1 и R2, если это необходимо

Черт. 3

Измерение затухания фильтра проводят также методом сравнения с образцовым магазином затухания и путем записи затухания на самописце уровня.

Затухание фильтра Δa на данной частоте следует вычислять по формуле

                                                        (4)

где U1 и U2 - эффективные напряжения на входе и выходе фильтра;

Nn - номинальное основное затухание комплекта фильтров.

Затухание комплекта фильтров следует измерять от частоты, в три раза меньшей средней геометрической частоты самого низкочастотного фильтра из комплекта fт, до частоты, в три раза превышающей среднюю геометрическую частоту самого высокочастотного фильтра.

В диапазоне частот от 1/2fm1, до 2fт2, погрешность измерения не должна превышать ±0,3 дБ, в остальном диапазоне ±1,0 дБ.

Результаты измерений затухания фильтра не должны превышать значений, приведенных в табл. 3 и 4.

2.6. Отклонение эффективной ширины полосы пропускания фильтра от номинального значения ширины полосы δe должно определяться по формуле (1) п. 1.10.

Эффективную ширину полосы пропускания определяют также методом сравнения на белом шуме испытываемого фильтра с образцовым фильтром, эффективная ширина полосы которого известна с погрешностью не более ±3 %.

Вычисленное значение отклонения δе не должно превышать значений, приведенных в табл. 5.

2.7. Входное полное сопротивление фильтра |z1| (модуль) (п. 1.11) следует измерять на частоте fm по схеме черт. 4.

Вычисление следует проводить по формуле

                                                          (5)

где U1, U2 - показания вольтметра при замкнутом и разомкнутом выключателе К соответственно;

R1 - активное сопротивление, равное номинальному полному входному сопротивлению фильтра (модулю).

1 - генератор; 2 - дополнительное сопротивление R1; 3 - испытываемый фильтр;
4 - вольтметр; K - выключатель.

Черт. 4

Выходное сопротивление генератора не должно превышать 0,1 кОм.

Величина |z1| не должна превышать значений, указанных в п. 1.14.

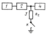
2.8. Выходное полное сопротивление фильтра |z2| (модуль) (п. 1.12) следует измерять на частоте fт по схеме черт. 5.

Вычисление следует проводить по формуле

                                                        (6)

где U1, U2 - показания вольтметра при разомкнутом и замкнутом выключателе K, соответственно;

R2 - активное сопротивление, равное номинальному полному выходному сопротивлению фильтра (модулю).

1 - генератор; 2 - испытываемый фильтр; 3 - дополнительное сопротивление R2;
4
- вольтметр; К - выключатель

Черт. 5

Напряжение на генераторе 1 должно быть выбрано так, чтобы при включении нагрузки R2 искажения сигнала на выходе не превышали 1 ÷ 5 %.

2.9. Влияние выходного нагрузочного сопротивления на затухание фильтра следует определять по схеме черт. 3 по методике, указанной в п. 2.5, при сопротивлении R2 = 10 кОм. При этом следует измерять затухание фильтра на частотах, указанных в табл. 3 и 4. Результаты измерений не должны выходить за пределы, установленные в табл. 3 и 4.

2.10. Уровень собственных шумов на выходе комплекта фильтров (п. 1.18) следует измерять при подключении ко входу фильтров активного сопротивления 100 Ом, а к выходу фильтров - измерительных приборов с равномерной частотной характеристикой в диапазоне частот от 1/2fm1 до 2fm1, где fm1 и fm2 - средние геометрические частоты крайних фильтров комплекта.

2.11. Отклонение затухания для частотной характеристики «Лин» относительно основного номинального затухания комплекта фильтров следует измерять по схеме черт. 3, включив характеристику «Лин» на частотах fm всех фильтров комплекта, а также на третьоктавных частотах между 0,7f1 и 1,5f2, где f1 и f2 - граничные частоты характеристики «Лин».

Отклонения измеренного затухания не должны превышать требований п. 1.19.

2.12. Измерения по п. 1.20 должны проводиться по схеме черт. 3, где вольтметр 6 заменен узкополосным анализатором.

При этом погрешность измерения затухания не должна превышать ±0,5 дБ.

Требования п. 1.20 должны выполняться при любом входном напряжении, вплоть до максимально допустимого напряжения, определенного в п. 1.17, когда на выходе фильтра измеряется суммарное напряжение (включающее составляющие, появляющиеся в результате искажений).

2.13. Погрешность основного затухания фильтра при изменении температуры должна определяться при помещении фильтра в камеру тепла или холода и измерения затухания фильтра по методике п. 2.5, по схеме черт. 3 на частоте fт. Измерения должны проводиться при граничных температурах рабочего диапазона. Разность измеренных основных затуханий для нормальной температуры (20 ± 1) °С и граничных температур не должна превышать требований п. 1.21.

2.14. Погрешность основного затухания фильтра в рабочем диапазоне относительной влажности должна определяться при помещении фильтра в камеру влажности и измерении аналогично п. 2.13. Погрешность основного затухания не должна превышать требований п. 1.22.

2.15. Выходное напряжение фильтра, вызываемое вибрацией, должно определяться при установке фильтра на вибростенде. Ко входу фильтра должно быть подключено активное сопротивление, равное модулю полного входного сопротивления фильтра с допустимым отклонением ±5 %. К выходу фильтра следует подключить вольтметр. На непрерывных частотах в диапазоне от 20 до 1000 Гц следует установить эффективное ускорение, равное 10 мс-2.

2.16. Выходное напряжение, вызываемое уровнем звукового давления 100 дБ, должно определяться при помещении фильтра в свободное звуковое поле на непрерывных частотах в диапазоне 50 - 8000 Гц. Должно определяться максимальное эффективное значение напряжения при различных ориентациях фильтра относительно звукового поля.

Измерения проводят также в отраженном звуковом поле на третьоктавных полосах шума, что должно быть отмечено в протоколе измерений.

2.17. Выходное напряжение, вызываемое переменным магнитным полем, должно определяться при помещении фильтра в переменное магнитное поле при различных ориентациях фильтра. Напряженность магнитного поля должна быть измерена с помощью образцовой измерительной катушки при отсутствии фильтра в магнитном поле.

2.18. Пределы рабочего диапазона напряжения питания фильтра должны определяться путем измерения затухания фильтра на частоте fт по п. 2.5, по схеме черт. 3 при установлении минимального и максимального значений напряжения питания. Затухание фильтра должно соответствовать табл. 3, 4.

ПРИЛОЖЕНИЕ 1

Справочное

ТЕРМИНЫ, ПРИМЕНЯЕМЫЕ В НАСТОЯЩЕМ СТАНДАРТЕ, И ИХ ПОЯСНЕНИЯ

Термин

Пояснение

Фильтр электронный (фильтр)

Электрическая цепь, служащая для пропускания или заграждения электрической энергии в определенном диапазоне частот, состоящая из активных и (или) пассивных элементов

Фильтры электронные (фильтры, комплект фильтры)

Несколько электронных фильтров, объединенных в отдельный измерительный прибор или блок, входящий в состав измерительного прибора

Полоса пропускания фильтра (ширина полосы пропускания) f2 - f1

Интервал частот, установленный стандартом и равный октаве или доли октавы, в пределах которого фильтр пропускает энергию

Эффективная ширина полосы пропускания фильтра bе

Ширина полосы пропускания идеального фильтра, который пропускает такую же мощность, как данный фильтр

Относительная частота полосы пропускания фильтра f/fm

Отношение данной частоты к средней геометрической частоте полосы пропускания фильтра

Средняя геометрическая частота полосы пропускания фильтра fт

Среднее геометрическое значение граничных частот полосы пропускания фильтра

Относительная ширина полосы пропускания фильтра b0

Отношение разности верхней и нижней частот фильтра к средней геометрической частоте полосы пропускания фильтра

Основное номинальное затухание комплекта фильтров Nn

Затухание комплекта фильтров, установленное стандартом, одинаковое для всех фильтров комплекта

Основное затухание фильтра Nm

Затухание фильтра на средней геометрической частоте относительно основного номинального затухания комплекта фильтров Nn

Затухание фильтра Δa

Затухание фильтра на данной частоте относительно основного номинального затухания комплекта фильтров Nn

Частотный диапазон комплекта фильтров fm2 - fm1

Диапазон частот между средними геометрическими частотами крайних фильтров комплекта

Октава, третьоктавы

По ГОСТ 12090-80

ПРИЛОЖЕНИЕ 2

Справочное

РАСЧЕТ ЗАТУХАНИЯ ФИЛЬТРА В ЗАВИСИМОСТИ ОТ ЧАСТОТЫ

Фильтры 1-го класса можно реализовать четырехполюсником третьего порядка со следующей функцией преобразования

где р → j, Ω - нормированная частотная характеристика,

Для фильтров 2-го класса пригоден четырехполюсник третьего порядка с такой же функцией преобразования, как и для 1-го класса. Однако, для фильтров 2-го класса допуски в полосе пропускания расширены и требования на допустимые значения напряжения помех уменьшены.

Фильтры 3-го класса можно реализовать четырехполюсником второго порядка со следующей функцией преобразования

где р → jΩ.

Функция преобразования В связана с затуханием Δa следующим выражением

Δa = 20lg(/|B|).

Нормированная частотная характеристика Ω связана с расчетной частотой выражением

при be = 0,7071 для октавных фильтров; be = 0,2316 для третьоктавных фильтров.

В соответствии с разными значениями постоянной K различают два варианта реализации, причем каждый из них соответствует требованиям настоящего стандарта.

Вариант 1. К = 1.

Затухание на верхней и нижней граничных частотах равно 3 дБ. Однако, эффективная ширина полосы выше, чем номинальное значение, указанное в табл. 5 настоящего стандарта. Процентное отклонение эффективной ширины полосы по сравнению с номинальным значением без учета других погрешностей составляет:

+11 % - для экспоненциальных фильтров второго порядка;

+5 % - для экспоненциальных фильтров третьего порядка.

Вариант 2. K = 1,11 - для экспоненциальных фильтров второго порядка;

K = 1,05 - для экспоненциальных фильтров третьего порядка.

Процентное отклонение эффективной ширины полосы по сравнению с номинальным значением согласно табл. 5 составляет менее l % без учета других погрешностей.

Затухание на верхней и нижней граничных частотах превышает 3 дБ.

ПРИЛОЖЕНИЕ 3

Справочное

ПРИМЕР ВЫЧИСЛЕНИЯ ЭФФЕКТИВНОЙ ШИРИНЫ ПОЛОСЫ ПРОПУСКАНИЯ ФИЛЬТРА

На черт. 1 построена частотная характеристика затухания октавного фильтра в относительных единицах.

Черт. 1

Для приведенных масштабов осей единица площади S0 равна

S0 = 0,1 ед.´0,1 ед. = 0,01 ед2.

Разбивая всю площадь, ограниченную кривой, на отдельные части Si, например, как показано на черт. 1, и вычисляя их сумму, получим

S = S0ΣSi = 0,01 · 68,80 = 0,6880 ед2.

Значение S численно равно эффективной ширине полосы пропускания фильтра bе. Сравнивая bе с номинальным значением b0 = 0,7071, получаем расхождение δе = 2,4 %, что соответствует требованиям п. 1.10 для фильтра 1-го класса. Значения b0 и bе приведены на черт. 2.

Черт. 2

ПРИЛОЖЕНИЕ 4

Справочное

ПАСПОРТ НА ФИЛЬТРЫ

Фильтры должны сопровождаться паспортом, в котором должны быть указаны:

диапазон средних геометрических частот;

обозначения имеющихся в приборе корректирующих фильтров;

номинальное основное затухание,

номинальные и максимальные входные и выходные напряжения;

входное и выходное полные сопротивления;

наименьшее допускаемое нагрузочное полное сопротивление;

автоматические режимы работы, если они предусмотрены;

рабочий диапазон температур и значения поправок, если это необходимо;

рабочий диапазон относительной влажности;

влияние переменного магнитного поля на основное затухание;

влияние вибраций на основное затухание;

влияние звукового давления на основное затухание;

эффективная ширина полосы.

СОДЕРЖАНИЕ

 

 



© 2013 Ёшкин Кот :-)