Информационная система
«Ёшкин Кот»

XXXecatmenu

ГОСУДАРСТВЕННЫЙ СТАНДАРТ СОЮЗА ССР

 

КОРПУСА ТИПА ШБ
ПОДШИПНИКОВ КАЧЕНИЯ
ДИАМЕТРОМ ОТ 90 ДО 150 мм

Конструкция и размеры

 

ГОСТ 13218.5-80

 

 

 

ГОСУДАРСТВЕННЫЙ СТАНДАРТ СОЮЗА ССР

КОРПУСА ТИПА ШБ ПОДШИПНИКОВ КАЧЕНИЯ ДИАМЕТРОМ ОТ 90 ДО 150 мм

Конструкция и размеры

Pillow blocks of serie ШБ for rolling bearings of diameters from 90 till 150 mm. Construction and dimensions

ГОСТ
13218.5-80

Взамен
ГОСТ 13218.5-67

Постановлением Государственного комитета СССР по стандартам от 30 сентября 1980 г. № 4893 срок действия установлен

с 01.01 1982 г.

до 01.01 1987 г.

Несоблюдение стандарта преследуется по закону

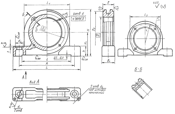
1. Настоящий стандарт распространяется на неразъемные широкие корпуса типа ШБ со сквозным отверстием для подшипников качения типов, указанных в табл. 1.

Таблица 1

Обозначение корпуса

Подшипник

Обозначение типа

Конструкция и размеры

ШБ 90 - ШБ 150

3600

По ГОСТ 5721-75

13600

По ГОСТ 8545-75

2. Корпуса предназначены для нагрузок, действующих в направлении от опоры корпуса.

3. Размеры и обозначения корпусов должны соответствовать указанным на чертеже и в табл. 2.

При мелкосерийном производстве допускается изготовлять корпуса по рекомендуемому приложению 1 к ГОСТ 13218.1-80.

Для D = 110 - 150 мм                                       Для D = 90 - 100 мм

Таблица 2

Размеры в мм

Обозначение корпуса

D

D1

D2

d

d1

d2

d3

A (пред. откл. ±0,2)

B

B1

L

L1

L2

l

H

H1 (пред. откл. +0,05)

h

r

r1

Теоретическая масса, кг

ШБ 90

90

110

-

11

17

8

32

175

48

54

220

142

125

156

141

70

26

80

12,0

2,9

ШБ 100

100

120

22

40

195

52

62

240

156

135

175

153

75

28

85

12,5

3,7

ШБ 110

110

130

155

10

210

55

58

270

170

-

178

170

85

30

-

-

5,8

ШБ 120

120

145

175

13

230

58

60

285

190

208

190

95

36

6,5

ШБ 130

130

155

185

240

65

66

295

200

216

200

100

7,9

ШБ 140

140

165

195

26

13

45

265

68

72

335

220

230

220

110

40

9,8

ШБ 150

150

180

210

285

70

360

240

245

240

120

45

13,2

Пример условного обозначения корпуса типа ШБ, исполнения 1, D = 90 мм:

Корпус ШБ 90 ГОСТ 13218.5-80

То же, исполнения 2:

Корпус ШБ 90-2 ГОСТ 13218.5-80

4. Технические требования - по ГОСТ 13218.11-80.

5. Характеристика и выбор корпусов в зависимости от типов подшипников качения и направления нагрузок - по рекомендуемому приложению 3 к ГОСТ 13218.1-80.

6. Расчетные разрушающие нагрузки - по рекомендуемому приложению 4 к ГОСТ 13218.1-80.

7. Дополнительные размеры элементов корпусов - по рекомендуемому приложению 2 к ГОСТ 13218.1-80.

8. Допускается при необходимости обеспечения взаимозаменяемости для применения в изделиях, спроектированных до 1 января 1980 г., по согласованию с потребителем изготовлять корпуса с допусками по справочному приложению 5 к ГОСТ 13218.1-80.

 

 



© 2013 Ёшкин Кот :-)