Информационная система
«Ёшкин Кот»

XXXecatmenu

ГОСУДАРСТВЕННЫЙ СТАНДАРТ СОЮЗА ССР

 

КОРПУСА ПОДШИПНИКОВ СКОЛЬЖЕНИЯ
РАЗЪЕМНЫЕ НАКЛОННЫЕ
С двумя КРЕПЕЖНЫМИ ОТВЕРСТИЯМИ

Конструкция и размеры

 

ГОСТ 11609-82

 

 

 

ГОСУДАРСТВЕННЫЙ СТАНДАРТ СОЮЗА ССР

КОРПУСА ПОДШИПНИКОВ СКОЛЬЖЕНИЯ РАЗЪЕМНЫЕ НАКЛОННЫЕ С ДВУМЯ КРЕПЕЖНЫМИ ОТВЕРСТИЯМИ

Конструкция и размеры

Plain bearings split angle bearing blocks with two bolt holes. Design and dimensions.

ГОСТ
11609-82

Взамен
ГОСТ 11609-65

Постановлением Государственного комитета СССР по стандартам от 26 января 1982 г. № 274 срок введения установлен

с 01.07.83

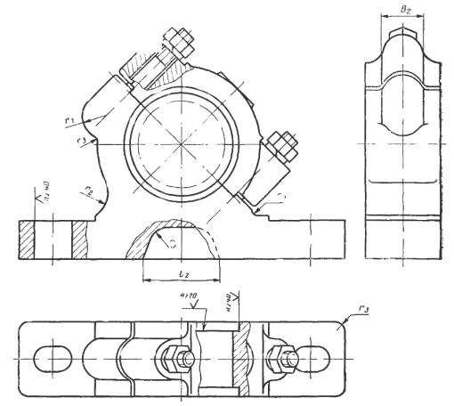
1. Настоящий стандарт распространяется на наклонные разъемные корпуса подшипников скольжения с двумя крепежными отверстиями, применяемые с вкладышами по ГОСТ 11611-82.

2. Конструкция и размеры корпусов должны соответствовать указанным на чертеже и в таблице.

1 - основание корпуса; 2 - крышка корпуса

мм

Обозначение корпуса

Диаметр вала d

D (пред. откл. по H8)

D1

А

А1

L

L1

H1

h

B

B1 (пред. откл. по h9)

b

b1 (пред. откл. по h9)

l

l1

r

d1

K

m

25

25

32

43

120

60

155

80

50

15

25

-

11

18

17

8

28

М8

3

3,5

28

28

36

48

32

32

40

52

135

70

170

95

60

18

32

-

13

24

20

12

35

М10

4,0

35

35

45

55

40

40

50

63

150

80

185

105

63

20

40

-

30

43

5

5,0

45

45

55

68

50

50

60

73

170

95

215

125

75

25

48

-

17

40

23

52

М12

4,0

55

55

65

80

63

63

78

90

220

125

280

160

95

30

60

70

22

-

30

16

69

М16

-

70

70

85

105

80

80

95

115

260

150

320

195

112

35

75

85

26

-

34

20

85

М20

90

90

110

130

100

100

120

140

300

170

380

220

125

40

100

110

32

-

40

22

90

М24

8

110

110

130

150

125

125

145

165

320

190

400

240

132

110

140

-

105

140

140

160

180

340

210

420

260

140

45

120

112

160

160

185

210

360

230

440

280

150

140

180

-

130

Примеры условных обозначений:

корпуса подшипника с d = 70 мм:

Корпус 70 ГОСТ 11609-82

деталей корпуса подшипника с d = 70 мм:

Основание 70-1 ГОСТ 11609-82

Крышка 70-2 ГОСТ 11609-82

3. Технические требования - по ГОСТ 25106-82.

4. Размеры и шероховатость поверхностей конструктивных элементов корпусов - по приложению к настоящему стандарту.

ПРИЛОЖЕНИЕ

Рекомендуемое

Размеры и шероховатость поверхностей конструктивных элементов корпусов

1. Указанные на чертеже размеры B2, l2, r1, r2 определяют по формулам:

В2 = (2,0 ¸ 2,5)d1; l2 = (0,9 ¸ 1,2)r; r1 = 0,5B2; r2 = (0,7 ¸ 0,9)B2.

2. Радиус закругления r3 определяют в зависимости от значения L1:

r3 = 3 мм при L1 £ 80 мм;

r3 = 5 мм при L1 = (95 ¸ 125) мм,

r3 = 10 мм при L1 = (150 ¸ 220) мм,

r3 = 20 мм при L1 ³ 240 мм.

3. Параметр шероховатости по ГОСТ 2789-73, поверхностей, не подвергаемых механической обработке, Rz £ 630 мкм.

 

 



© 2013 Ёшкин Кот :-)