
ГОСУДАРСТВЕННЫЙ СТАНДАРТ СОЮЗА ССР
КОРПУСА ПОДШИПНИКОВ
СКОЛЬЖЕНИЯ
РАЗЪЕМНЫЕ
С ЧЕТЫРЬМЯ
КРЕПЕЖНЫМИ ОТВЕРСТИЯМИ
Конструкция
и размеры
ГОСТ 11608-82
ГОСУДАРСТВЕННЫЙ СТАНДАРТ СОЮЗА ССР
|
КОРПУСА ПОДШИПНИКОВ СКОЛЬЖЕНИЯ РАЗЪЕМНЫЕ С
ЧЕТЫРЬМЯ КРЕПЕЖНЫМИ ОТВЕРСТИЯМИ
Конструкция и размеры
Plain bearings split
bearing blocks with four bolt holes. Design and dimensions.
|
ГОСТ
11608-82
Взамен
ГОСТ 11608-65
|
Постановлением Государственного комитета СССР
по стандартам от 26 января 1982 г. № 274 срок введения установлен
с 01.07.83
1. Настоящий стандарт распространяется на
разъемные корпуса подшипников скольжения с четырьмя крепежными отверстиями,
применяемые с вкладышами по ГОСТ
11611-82.
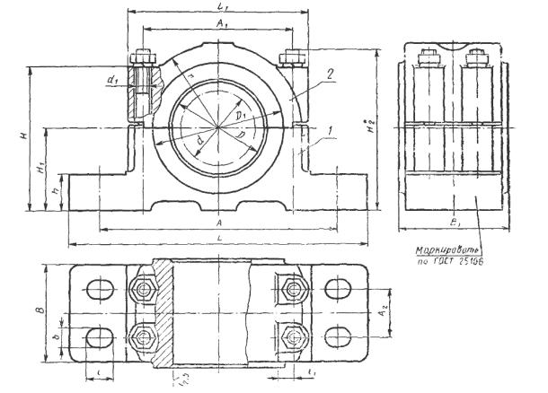
2. Конструкция и размеры корпусов должны
соответствовать указанным на чертеже и в таблице.

* Размер для справок
1 - основание корпуса; 2
- крышка корпуса
|
Обозначение корпуса
|
Диаметр вала d
|
D
(пред. откл. по Н8)
|
D1
|
А
|
A1
|
A2
|
L
|
L1
|
H
|
H1
|
H2
|
h
|
В
|
B1
(пред. откл.
по Н9)
|
b
|
l
|
l1
|
r,
не менее
|
d
|
|
50´70
|
50
|
60
|
73
|
160
|
95
|
30
|
210
|
120
|
90
|
53
|
102
|
25
|
60
|
70
|
13
|
20
|
13
|
52
|
М10
|
|
55´70
|
55
|
65
|
80
|
|
63´90
|
63
|
78
|
90
|
200
|
125
|
40
|
250
|
150
|
120
|
71
|
140
|
30
|
80
|
90
|
17
|
23
|
69
|
М12
|
|
70´90
|
70
|
85
|
105
|
|
80´110
|
80
|
95
|
115
|
250
|
150
|
56
|
310
|
190
|
145
|
85
|
170
|
35
|
100
|
110
|
22
|
30
|
16
|
85
|
М16
|
|
90´110
|
90
|
110
|
125
|
|
100´140
|
100
|
120
|
140
|
270
|
170
|
80
|
340
|
210
|
160
|
95
|
185
|
40
|
130
|
140
|
90
|
|
110´140
|
110
|
130
|
150
|
|
125´180
|
125
|
145
|
165
|
310
|
190
|
90
|
390
|
240
|
170
|
106
|
210
|
155
|
180
|
26
|
34
|
105
|
М20
|
|
140´180
|
140
|
160
|
180
|
340
|
210
|
100
|
420
|
260
|
200
|
118
|
240
|
45
|
170
|
32
|
40
|
20
|
112
|
М24
|
|
140´230
|
120
|
200
|
230
|
|
160´230
|
160
|
185
|
205
|
360
|
230
|
440
|
280
|
215
|
132
|
260
|
22
|
130
|
|
180´220
|
180
|
210
|
230
|
400
|
270
|
480
|
320
|
240
|
140
|
280
|
220
|
150
|
|
180´290
|
150
|
230
|
290
|
|
200´220
|
200
|
230
|
250
|
440
|
300
|
120
|
530
|
360
|
250
|
160
|
290
|
50
|
200
|
220
|
М30
|
|
200´290
|
160
|
240
|
290
|
28
|
|
220´220
|
220
|
250
|
260
|
470
|
330
|
120
|
560
|
390
|
260
|
170
|
300
|
200
|
220
|
165
|
|
220´290
|
170
|
260
|
290
|
Примеры условных
обозначений:
корпуса подшипника с d = 70 мм и B1 = 90 мм
Корпус 70´90 ГОСТ 11608-82
деталей корпуса подшипника с d = 70 мм и B1 = 90 мм
Основание 70´90-1 ГОСТ 11608-82
Крышка 70´90-2 ГОСТ 11608-82
3. Технические требования - по ГОСТ
25106-82.
4. Размеры и шероховатость поверхностей
конструктивных элементов корпусов - по приложению к ГОСТ
11607-82.